Cooperative Control Strategy of Optical Storage System Based on an Alternating Sequence Filter
Abstract
1. Introduction
2. PV Hybrid ES Microgrid System and Control Structures
3. ASF Based on Morphology and Its Application
3.1. Design of ASF Based on Morphology
3.1.1. Morphological Filter Design
- Erosion operations can be represented by the following equation,where represents the input signal; represents structural elements; represents corrosion operation.
- The dilation operation can be represented by the following equation,where represents expansion operation.
- The opening operation first involves a corrosion operation, and then an expansion operation,
- The closing operation first involves an expansion operation, and then a corrosion operation,when designing a morphological filter, the signal sequence must be modeled first. The PV ES power is expressed in a sinusoidal standard form,where is the amplitude; is the angular frequency; is phase; is noise.
3.1.2. Design of ASF
- The morphological filter is designed according to Equations (1)–(4), and the basic morphological operations such as corrosion, expansion, opening and closing are established;
- According to Equations (6) and (7), the multi-scale opening and closing operation of the energy storage system is established;
- The multi-scale alternating sequence filter of the hybrid energy storage system is designed and established according to Equations (8)–(10);
- According to the Equation (5), the energy storage signal is established, and the multi-scale alternating sequence filter is used to decompose the energy storage power signal according to Equation (11), and the power instructions of each frequency band are obtained;
- The power command of the energy storage unit is calculated and distributed according to Equations (12)–(14), and the energy storage power distribution control is completed.
3.2. The Application of ASF
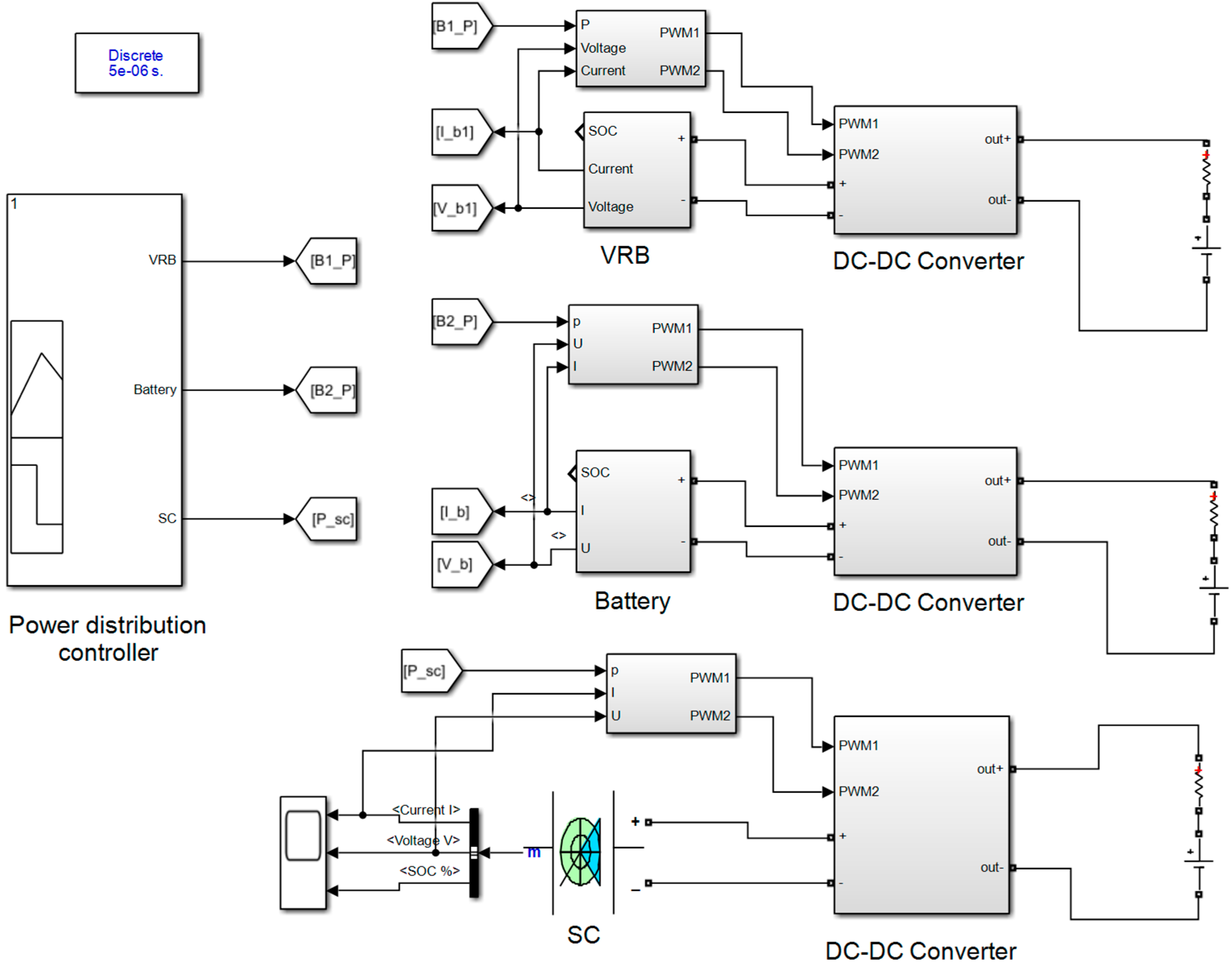
4. PV HESS Overall Operation Simulation
5. Conclusions
- The power fluctuation is the main problem of photovoltaic power generation. In this paper, the theoretical design is carried out according to the specific HESS scenario of ASF application, and a control strategy based on ASF is proposed to realize the dynamic switching and cooperative work of ES devices;
- The ASF method significantly enhances the dynamic response capability of the system, reduces the occurrence of overcharge and discharge, and effectively alleviates the adverse effects on the equipment while optimizing the efficiency of the ES device;
- The simulation results show that the cooperative control strategy based on alternating sequence successfully suppresses the power fluctuation, and the fluctuation rate is maintained between −4.84% and 4.05%.
Author Contributions
Funding
Data Availability Statement
Conflicts of Interest
References
- Wang, J.; Ye, L.; Ding, X.; Dang, Y. A Novel Seasonal Grey Prediction Model with Time-Lag and Interactive Effects for Forecasting the Photovoltaic Power Generation. Energy 2024, 304, 131939. [Google Scholar] [CrossRef]
- Bojod, J.; Erkal, B. Distributed Energy Resources for Techno-Economic with Ant Colony Optimization (ACO) based Artificial Neural Network. In Proceedings of the 7th International Conference on Energy, Electrical and Power Engineering (CEEPE), Yangzhou, China, 26–28 April 2024. [Google Scholar] [CrossRef]
- Ding, Y.; Cui, R.; Dai, Q.; Wang, H.; Cheng, Y. Lower Voltage Riding through Control Strategy for Rural Area Distributed Photovoltaic Power Generation System. In Proceedings of the 8th Asia Conference on Power and Electrical Engineering (ACPEE), Tianjin, China, 14–16 April 2023. [Google Scholar] [CrossRef]
- Serban, E.; Serban, H. A Control Strategy for a Distributed Power Generation Microgrid Application with Voltage- and Current-Controlled Source Converter. IEEE Trans. Power Electron. 2010, 25, 2981–2992. [Google Scholar] [CrossRef]
- Rekioua, D. Energy Storage Systems for Photovoltaic and Wind Systems: A Review. Energies 2023, 16, 3893. [Google Scholar] [CrossRef]
- Yang, X.D.; Yan, B.W.; Huang, J.Y.; Wu, D.L.; Hu, B.Q.; Gong, L.W. Research on Grid-connected Index System of Electrochemical Energy Storage Power Station. Sol. Energy 2022, 43, 58–66. [Google Scholar] [CrossRef]
- IEEE Std 519-2022 (Revision of IEEE Std 519-2014); IEEE Standard for Harmonic Control in Electric Power Systems. IEEE: Piscataway, NJ, USA, 2022; Volume 1, pp. 1–31.
- Liu, J.; Hu, H.; Yu, S.S.; Trinh, H. Virtual Power Plant with Renewable Energy Sources and Energy Storage Systems for Sustainable Power Grid-Formation, Control Techniques and Demand Response. Energies 2023, 16, 3705. [Google Scholar] [CrossRef]
- Srujan, D.; Thogaru, R.; Mitra, A.; Borghate, V.B. Energy Management in Grid Assisted BESS Integrated Solar PV Based Smart Charging Station. In Proceedings of the ECON 2019—45th Annual Conference of the IEEE Industrial Electronics Society, Lisbon, Portugal, 14–17 October 2019. [Google Scholar] [CrossRef]
- Xie, C.; Wang, D.; Lai, C.S.; Wu, R.; Wu, X.; Lai, L.L. Optimal sizing of battery energy storage system in smart microgrid considering virtual energy storage system and high photovoltaic penetration. J. Clean. Prod. 2021, 281, 125308. [Google Scholar] [CrossRef]
- Abomazid, A.M.; El-Taweel, N.A.; Farag, H.E.Z. Optimal Energy Management of Hydrogen Energy Facility Using Integrated Battery Energy Storage and Solar Photovoltaic Systems. IEEE Trans. Sustain. Energy 2022, 13, 1457–1468. [Google Scholar] [CrossRef]
- Zhang, H.; Gao, Y.; Liu, X.; Zhou, L.; Li, J.; Xiao, Y.; Peng, J.; Wang, J.; Chou, S. Long-Cycle-Life Cathode Materials for Sodium-Ion Batteries toward Large-Scale Energy Storage Systems. Adv. Energy Mater. 2023, 13, 2300149. [Google Scholar] [CrossRef]
- Karimi, Y.; Oraee, H.; Guerrero, J.M. Decentralized Method for Load Sharing and Power Management in a Hybrid Single/Three-Phase-Islanded Microgrid Consisting of Hybrid Source PV/Battery Units. IEEE Trans. Power Electron. 2017, 32, 6135–6144. [Google Scholar] [CrossRef]
- Tajamal, K.; Omar, M.; Usman, M.; Khan, S.; Larkin, S.; Raw, B. A Review on the Hybrid Solar-Wind-Pumped Hydroelectric Energy Storage Systems. In Proceedings of the 8th International Conference on Engineering and Emerging Technologies (ICEET), Kuala Lumpur, Malaysia, 27–28 October 2022. [Google Scholar] [CrossRef]
- Mansor, M.A.; Hasan, K.; Othman, M.M.; Noor, S.Z.B.M.; Musirin, I. Construction and Performance Investigation of Three-Phase Solar PV and Battery Energy Storage System Integrated UPQC. IEEE Access 2020, 8, 103511–103538. [Google Scholar] [CrossRef]
- Bouakkaz, A.; Gil Mena, A.J.; Haddad, S.; Ferrari, M.L. Efficient energy scheduling considering cost reduction and energy saving in hybrid energy system with energy storage. J. Energy Storage 2021, 33, 101887. [Google Scholar] [CrossRef]
- Mohamed, M.M.; El Zoghby, H.M.; Sharaf, S.M.; Mosa, M.A. Optimal virtual synchronous generator control of battery/supercapacitor hybrid energy storage system for frequency response enhancement of photovoltaic/diesel microgrid. J. Energy Storage 2022, 51, 104317. [Google Scholar] [CrossRef]
- Zahedi, A. Maximizing solar PV energy penetration using energy storage technology. Renew. Sustain. Energy Rev. 2011, 15, 866–870. [Google Scholar] [CrossRef]
- Bharatee, A.; Ray, P.K.; Ghosh, A. A Power Management Scheme for Grid-connected PV Integrated with Hybrid Energy Storage System. J. Mod. Power Syst. Clean Energy 2022, 10, 954–963. [Google Scholar] [CrossRef]
- Huang, H.; Nie, S.; Lin, J.; Wang, Y.; Dong, J. Optimization of Peer-to-Peer Power Trading in a Microgrid with Distributed PV and Battery Energy Storage Systems. Sustainability 2020, 12, 923. [Google Scholar] [CrossRef]
- Wang, Z.; Li, J.; Hu, C.; Li, X.; Zhu, Y. Hybrid energy storage system and management strategy for motor drive with high torque overload. J. Energy Storage 2023, 75, 109432. [Google Scholar] [CrossRef]
- Kang, D.; Kang, D.; Hwangbo, S.; Niaz, H.; Lee, W.B.; Liu, J.J.; Na, J. Optimal planning of hybrid energy storage systems using curtailed renewable energy through deep reinforcement learning. Energy 2023, 284, 128623. [Google Scholar] [CrossRef]
- Mitali, J.; Dhinakaran, S.; Mohamad, A. Energy storage systems: A review. Energy Storage Sav. 2022, 1, 166–216. [Google Scholar] [CrossRef]
- Hassan, A.J.; Marikkar, U.; Prabhath, G.K.; Balachandran, A.; Bandara, W.C.; Ekanayake, P.B.; Godaliyadda, R.I.; Ekanayake, J.B. A Sensitivity Matrix Approach Using Two-Stage Optimization for Voltage Regulation of LV Networks with High PV Penetration. Energies 2021, 14, 6596. [Google Scholar] [CrossRef]
- Liu, J.; Chen, X.; Yang, H.; Li, Y. Energy storage and management system design optimization for a photovoltaic integrated low-energy building. Energy 2020, 190, 116424. [Google Scholar] [CrossRef]
- Olabi, A.; Abdelghafar, A.A.; Maghrabie, H.M.; Sayed, E.T.; Rezk, H.; Al Radi, M.; Obaideen, K.; Abdelkareem, M.A. Application of artificial intelligence for prediction, optimization, and control of thermal energy storage systems. Therm. Sci. Eng. Prog. 2023, 39, 101730. [Google Scholar] [CrossRef]
- Amin, M.; Zhong, Q.-C. Resynchronization of Distributed Generation Based on the Universal Droop Controller for Seamless Transfer Between Operation Modes. IEEE Trans. Ind. Electron. 2020, 67, 7574–7582. [Google Scholar] [CrossRef]
- El-Sattar, H.A.; Sultan, H.M.; Kamel, S.; Khurshaid, T.; Rahmann, C. Optimal design of stand-alone hybrid PV/wind/biomass/battery energy storage system in Abu-Monqar, Egypt. J. Energy Storage 2021, 44, 103336. [Google Scholar] [CrossRef]
- Singh, B. Gaussian Activation Function Based Neural Network Control Strategy for Single Stage PV-Battery Integrated Three Phase Distribution System. In Proceedings of the 45th Annual Conference of the IEEE Industrial Electronics Society, Lisbon, Portugal, 14–17 October 2019. [Google Scholar] [CrossRef]
- Xing, P.; Li, M.; Li, H.; Tian, C.; Xu, C. Control Strategy of an AC-DC Hybrid Microgrid Based on Virtual Synchronous Generator. In Proceedings of the 2nd IEEE Conference on Energy Internet and Energy System Integration (EI2), Beijing, China, 20–22 October 2018. [Google Scholar] [CrossRef]
- Ding, Z.; Huang, X.; Liu, Z. Active Exploration by Chance-Constrained Optimization for Voltage Regulation with Reinforcement Learning. Energies 2022, 15, 614. [Google Scholar] [CrossRef]
- Khalid, M.; Ahmad, F.F.; Panigrahi, B.; Al-Fagih, L.; Ghenai, C.; Rejeb, O. Artificial neural network-based models for short term forecasting of solar PV power output and battery state of charge of solar electric vehicle charging station. Case Stud. Therm. Eng. 2024, 61, 105152. [Google Scholar] [CrossRef]
- Morgoeva, A.D.; Morgoev, I.D.; Klyuev, R.V.; Kochkovskaya, S.S. Forecasting hourly electricity generation by a solar power plant using machine learning algorithms. Bull. Tomsk. Polytech. Univ. 2023, 334, 7–19. [Google Scholar] [CrossRef]
- Ranjan, R.; Panchbhai, A.; Kumar, A. Decentralized Primary Control of PV-Battery System Integrated with DC Microgrid in Off-Grid Mode. In Proceedings of the IEEE International Conference on Power Electronics, Smart Grid, and Renewable Energy (PESGRE), Trivandrum, India, 2–5 January 2022. [Google Scholar] [CrossRef]
- Afkar, M.; Gavagsaz-Ghoachani, R.; Phattanasak, M.; Pierfederici, S. Stability investigation of two distributed generation in DC microgrids. In Proceedings of the International Electrical Engineering Congress (iEECON), Krabi, Thailand, 8–10 March 2023. [Google Scholar] [CrossRef]
- Serban, E.; Pondiche, C.; Ordonez, M. DAB-based Energy Storage System with Flexible Voltage Configuration and Extended Power Capability. In Proceedings of the IEEE Applied Power Electronics Conference and Exposition (APEC), Orlando, FL, USA, 19–23 March 2023. [Google Scholar] [CrossRef]
- Zhao, W.; Ai, X.; Xiao, X.; Xiao, W.; Qi, S.; Li, J.; Zhang, J.; Lei, W. A background correction method for energy-dispersive x-ray fluorescence spectra based on morphological operation. X-Ray Spectrom. 2024, 53, 27–37. [Google Scholar] [CrossRef]














| Parameter | Numerical Value |
|---|---|
| Open circuit voltage/V | 210 |
| Open circuit current/A | 172 |
| Voltage at maximum power/V | 170 |
| Current at maximum power/A | 154 |
| Power at maximum power/W | 26,180 |
Disclaimer/Publisher’s Note: The statements, opinions and data contained in all publications are solely those of the individual author(s) and contributor(s) and not of MDPI and/or the editor(s). MDPI and/or the editor(s) disclaim responsibility for any injury to people or property resulting from any ideas, methods, instructions or products referred to in the content. |
© 2024 by the authors. Licensee MDPI, Basel, Switzerland. This article is an open access article distributed under the terms and conditions of the Creative Commons Attribution (CC BY) license (https://creativecommons.org/licenses/by/4.0/).
Share and Cite
Han, Z.; Zhang, Y.; Tian, B.; Fan, Y.; Zhang, C.; Wu, H. Cooperative Control Strategy of Optical Storage System Based on an Alternating Sequence Filter. Energies 2024, 17, 5903. https://doi.org/10.3390/en17235903
Han Z, Zhang Y, Tian B, Fan Y, Zhang C, Wu H. Cooperative Control Strategy of Optical Storage System Based on an Alternating Sequence Filter. Energies. 2024; 17(23):5903. https://doi.org/10.3390/en17235903
Chicago/Turabian StyleHan, Zifen, Yun Zhang, Biao Tian, Yi Fan, Chao Zhang, and Huijuan Wu. 2024. "Cooperative Control Strategy of Optical Storage System Based on an Alternating Sequence Filter" Energies 17, no. 23: 5903. https://doi.org/10.3390/en17235903
APA StyleHan, Z., Zhang, Y., Tian, B., Fan, Y., Zhang, C., & Wu, H. (2024). Cooperative Control Strategy of Optical Storage System Based on an Alternating Sequence Filter. Energies, 17(23), 5903. https://doi.org/10.3390/en17235903

