Sensitivity Analysis and Optimization of Operating Parameters of an Oxyfuel Combustion Power Generation System Based on Single-Factor and Orthogonal Design Methods
Abstract
1. Introduction
2. Method
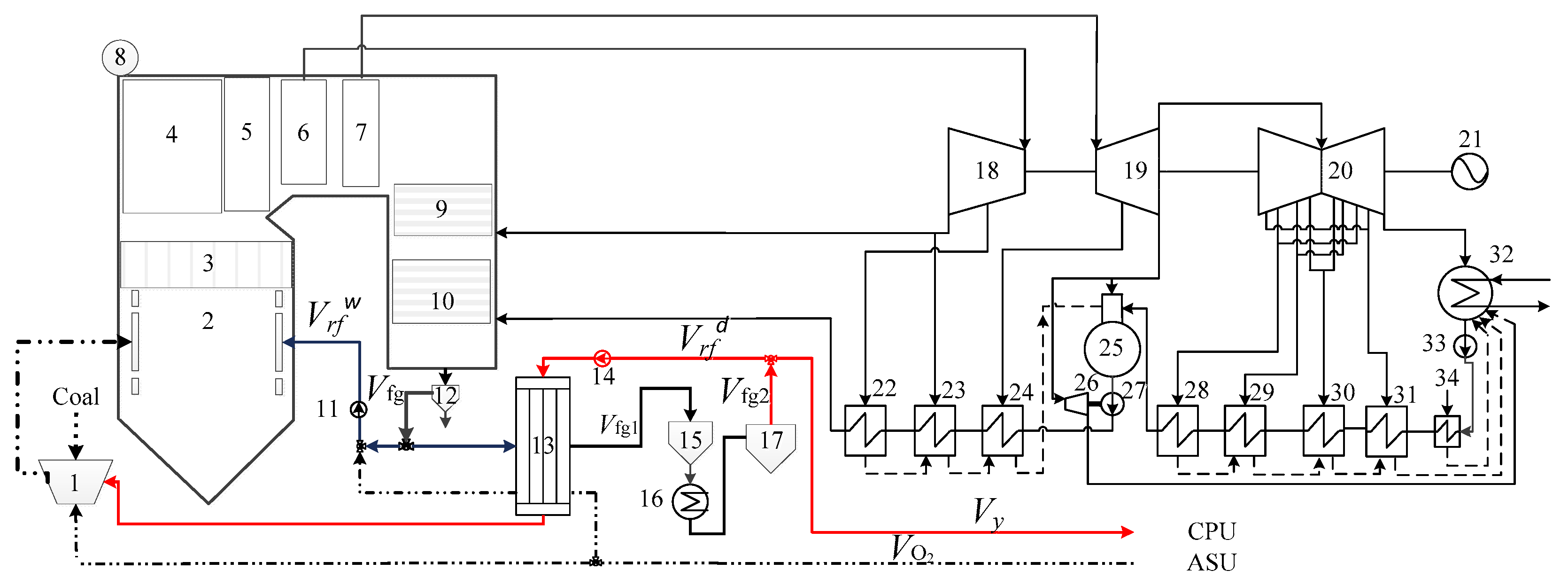
2.1. Model of the Oxyfuel Combustion System
2.1.1. OC Power Generation Unit
- The coal used was the same as that of conventional coal-fired units.
- The combustion process of the boiler was under 0.097 MPa of pressure.
- The oxygen temperature after preheating was 351 °C: the same as the air temperature of the conventional combustion power generation system after preheating.
- The inlet oxygen temperature of the gas-gas heat exchanger was set at 45 °C.
- The pulverized coal burnout rate was 98%.
- To ensure the coal burnout rate, the excess oxygen coefficient was 1.10.
- The air leakage coefficient of the system was 3%.
- The oxygen purity () was set at 96%; the nitrogen content was 0.8%, the argon content was 3.2%.
- The oxygen concentration () was set to 33%.
- was 55%.
2.1.2. Air Separation Unit
- The air volume composition is nitrogen 78.12%, oxygen 20.95%, and argon 0.93% (atmospheric condition is 101.325 kPa, 0 °C).
- The efficiency of the air compressor is set at 85%.
- Molecular sieve switching loss and instrument loss are calculated at 1% according to Linde's experience.
- The oxygen content of the product is 98% O2 and 2% N2.
- The recycled gas of molecular sieve is 20% of the processed air, the heating temperature is 120 °C and the regeneration time is a quarter of the switching period [14].
- Two-stage air compression and two-stage intercooler are used in the air separation unit.
2.1.3. Compressed and Purification Unit of Gas
2.2. Calculation Model of Energy Consumption of the Oxyfuel System
3. Results and Discussion
3.1. Operating Factors Influencing Energy Consumption of an Oxyfuel Combustion System
3.1.1. Oxygen purity ()
3.1.2. Oxygen Concentrations ()
3.1.3. The recirculation Rate of Dry Flue Gas in Boiler Flue Gas ()
3.1.4. Excess Oxygen Coefficient ()
3.2. Orthogonal Analysis of the Influence of Operating Factors on Energy Consumption of the Oxyfuel Combustion System
3.2.1. Orthogonal Experimental Design
3.2.2. Orthogonal Test Scheme and Experimental Results
3.2.3. Orthogonal Test Range Analysis
3.2.4. Analysis of Variance by Orthogonal Test
4. Conclusions
- With an increase of oxygen purity, the increase of actual separation work required by air separation leads to the sharp increase in energy consumption of ASU. However, with the increase of oxygen purity, the reduction of boiler flue gas reduced the energy of the CPU. The superposition result of these two effects is as follows: with the increase of oxygen purity, the net standard coal consumption rate of the OC power generation system first decreased and then increased, while the net electrical efficiency of the OC power generation system first increased and then decreased. With the increase of oxygen concentration, the burnout rate of pulverized coal increased, leading to the decrease of combustion oxygen demand and flue gas in the OC power generation system. The result is that with the increase of oxygen concentration, the net coal consumption of the OC power generation system decreases, while the net electrical efficiency of the OC power generation system increases. The increase in increases the share of flue gas with high oxygen content for combustion, thus reducing the oxygen supply of air separation and flue gas. As a result, with the increase of , the net standard coal consumption rate of the OC power generation system presents a downward trend, while the net electrical efficiency of the OC power generation system presents a rising trend. With the increase of the excess oxygen coefficient, the combustion oxygen flow rate and the flue gas volume of the boiler increase, leading to an increase in energy consumption of ASU and CPU. The result is that with the increase of excess oxygen coefficient, the net standard coal consumption rate increases and the net electrical efficiency decreases.
- When oxygen purity, oxygen concentration, recirculation rate of dry flue gas in boiler flue gas, and excess oxygen coefficient are 96%, 33%, 55%, and 1.05, respectively, the net standard coal consumption rate of system reaches the lowest, and the net electrical efficiency of the system reaches the highest.
- The orders of the four factors’ sensitivity to the two indices are also obtained. The influence of each operating factor on the net standard coal consumption rate and the net electrical efficiency of the OC unit was as follows: excess oxygen coefficient > oxygen concentration ≈ oxygen purity > recirculation rate of dry flue gas in boiler flue gas Among the operating factors, the excess oxygen coefficient had a particularly significant influence on the net electrical efficiency and the net standard coal consumption rate of the power supply for OC power generation system. The influence of oxygen concentration and oxygen purity was significant. The influences of the recirculation rate of dry flue gas in boiler flue gas were not significant.
Author Contributions
Funding
Acknowledgments
Conflicts of Interest
Abbreviations
| ANOVA | Analysis of variance |
| ASU | Air separation unit |
| CPU | Compressed purification unit of gas |
| EP | The energy penalty due to carbon capture in an oxyfuel combustion power generation system |
| LHV | Low heating value |
| TEG | Triethylene glycol |
| OC | Oxyfuel combustion |
References
- The Intergovernmental Panel on Climate Change (IPCC). IPCC’s Fourth Assessment Report (AR4) (Cambridge); Cambridge University Press: Cambridge, UK, 2007; Available online: https://www.ipcc.ch/site/assets/uploads/2018/02/ar4_syr_full_report.pdf (accessed on 17 November 2007).
- Xiong, J.; Zhao, H.B.; Zheng, C.G. An economic feasibility study of O2/CO2 recycle combustion technology based on existing coal-fired power plants in China. Fuel 2009, 88, 1135–1142. [Google Scholar] [CrossRef]
- Toftegaard, M.B.; Brix, J.; Jensen, P.A. Oxyfuel combustion of solid fuels. Prog. Energy Combust. Sci. 2010, 36, 581–625. [Google Scholar] [CrossRef]
- Massachusetts Institute of Technology. The Future of Coal. Available online: http://web.mit.edu/coal/ (accessed on 14 March 2007).
- Han, T.; Yu, X.H.; Liao, H.Y. Simulation and optimization of a triple-column cycle for oxygen production of 200 MW oxyfuel power plant. Electr. Power 2016, 49, 134–140. (In Chinese) [Google Scholar]
- Jin, B.; Zhao, H.B.; Zheng, Ch. G. Dynamic energy method and its application for CO2 compression and purification unit in oxy-combustion power plants. Chem. Eng. Sci. 2016, 144, 336–345. [Google Scholar] [CrossRef]
- Vittorio, T.; Giorgio, C.; Francesca, F. CO2 emissions reduction from coal-fired power generation: A techno-economic comparison. J. Energy Resour. Technol. 2016, 138, 42–51. [Google Scholar]
- Oboirien, B.O.; North, B.C.; Kleyn, T. Techno-Economic assessments of oxyfuel technology for South African coal-fired power stations. Energy 2014, 66, 550–555. [Google Scholar] [CrossRef]
- Fu, C.; Anantharaman, R.; Gundersen, T. Optimal integration of compression heat with regenerative steam Rankine cycles in oxy-combustion coal based power plants. Energy 2015, 84, 612–622. [Google Scholar] [CrossRef][Green Version]
- Yan, K.; Wu, X.J.; Hoadley, A.; Xu, X.Y.; Zhang, J.; Zhang, L. Sensitivity analysis of oxyfuel power plant system. Energy Convers. Manag. 2015, 98, 138–150. [Google Scholar] [CrossRef]
- Paweł, G.; Andrzej, Z. Life cycle assessment of an integrated oxyfuel combustion power plant with CO2 capture, transport and storage-Poland case study. Energy 2015, 92, 328–340. [Google Scholar]
- Koiwanit, J.; Manuilova, A.; Chan, C.; Wilson, M.; Tontiwachwuthikul, P. A life cycle assessment study of a hypothetical Canadian oxyfuel combustion carbon dioxide capture process. Int. J. Greenh. Gas. Control. 2014, 28, 257–274. [Google Scholar] [CrossRef]
- Jin, B.; Zhao, H.B.; Zou, C. Comprehensive investigation of process characteristics for oxy-steam combustion power plants. Energy Convers. Manag. 2015, 99, 92–101. [Google Scholar] [CrossRef]
- Kong, H.B.; Liu, C.H.; Chen, S. Process simulation and optimization of a 600 MW O2/CO2 power plant. Proc. CSEE 2012, 32, 53–60. (In Chinese) [Google Scholar]
- Han, D.; Duan, L.B.; Duan, Y.F.; Hu, H.H.; Pan, X. Process simulation and optimization of oxyfuel combustion system. J. China Coal Soc. 2013, 38, 2241–2246. (In Chinese) [Google Scholar]
- Escudero, A.I.; Espatolero, S.; Romeo, L.M.; Lara, Y.; Paufique, C.; Lesort, A.L.; Liszka, M. Minimization of CO2 capture energy penalty in second generation oxyfuel power plants. Appl. Therm. Eng. 2016, 103, 274–281. [Google Scholar] [CrossRef]
- Gladysz, P.; Ziebik, A. Complex energy analysis of an integrated oxyfuel combustion power plant with CO2 transport and storage. Energy 2015, 95, 23–31. [Google Scholar]
- Ziebik, A.; Gladysz, P. System approach to the analysis of an integrated oxyfuel combustion power plant. Arch. Thermodyn. 2014, 35, 39–57. [Google Scholar] [CrossRef]
- Lei, M.; Sun, C.; Wang, C. Techno-Economic analysis of a 600 MW oxy-enrich pulverized coal-fired boiler. Energies 2018, 11, 768. [Google Scholar]
- Gao, D.M.; Chen, H.W.; Yang, J.M.; Gu, J.J. Influence factor analysis of circulating fluidized bed boiler oxyfuel combustion and CO2 capture power generation unit operation energy consumption. Proc. CSEE 2019, 39, 1387–1396. (In Chinese) [Google Scholar]
- Raghu, N.K.; Lagergren, E.S.; Filliben, J. Taguchi’s orthogonal arrays are classical designs of experiments. J. Res. Natl. Inst. Stand. Technol. 1991, 96, 577–591. [Google Scholar]
- Ren, L.Q. Optimum Design and Analysis of Experiments; Higher Education Press: Beijing, China, 2003. [Google Scholar]
- Wang, X.; Liu, X.M.; Zhang, C. Parametric optimization and range analysis of Organic Rankine Cycle for binary-cycle geothermal plant. Energy Convers. Manag. 2014, 80, 256–265. [Google Scholar] [CrossRef]
- Liu, X.M.; Wang, X.; Zhang, C.H. Sensitivity analysis of system parameters on the performance of the Organic Rankine Cycle system for binary-cycle geothermal power plants. Appl. Therm. Eng. 2014, 71, 175–183. [Google Scholar] [CrossRef]
- Xi, H.; Zhang, H.H.; He, Y.L.; Huang, Z.H. Sensitivity analysis of operation parameters on the system performance of organic rankine cycle system using orthogonal experiment. Energy 2019, 172, 435–442. [Google Scholar] [CrossRef]
- Chiu, Y.J.; Chiu, H.C.; Hsieh, R.H.; Jang, J.H.; Syu, G.J. Experimental study on the reaction conditions of a methanol steam reforming process. Energy Procedia 2017, 105, 1622–1627. [Google Scholar] [CrossRef]
- Chen, W.H.; Huang, S.R.; Lin, Y.L. Performance analysis and optimum operation of a thermoelectric generator by Taguchi method. Appl. Energy 2015, 158, 44–54. [Google Scholar] [CrossRef]
- Terzioğlu, H. Analysis of effect factors on thermoelectric generator using Taguchi method. Measurement 2020, 149, 106992. [Google Scholar] [CrossRef]
- Aspen Plus, Aspentech. Available online: http://www.aspentech.com, (accessed on 10 December 2014).
- EBSILON professional, STEAG Gmbh. Available online: https://www.steag-systemtechnologies.com/en/products/ebsilon-professional (accessed on 12 December 2017).
- Montgomery, D.C. Design and analysis of experiments, 9th ed.; Wiley: Hoboken, NJ, USA, 2017; pp. 67–75. [Google Scholar]















| Car | Har | Nar | Oar | Sar | Aar | Mar | LHV (kJ/kg) |
|---|---|---|---|---|---|---|---|
| 52.20 | 2.47 | 0.98 | 8.42 | 0.73 | 10.39 | 24.81 | 18,852 |
| Project | Unit | The Design Value of the Conventional System | Simulation Value of the Conventional System | Simulation Value of OC Power Generation System |
|---|---|---|---|---|
| Rated evaporation | t/h | 1760.00 | 1760.00 | 1760.00 |
| Superheated steam pressure | MPa | 17.29 | 17.29 | 17.29 |
| Superheated steam temperature | °C | 541.00 | 541.00 | 541.00 |
| Reheat steam flow rate | t/h | 1482.00 | 1,482.00 | 1482.00 |
| Reheat steam inlet pressure | MPa | 3.46 | 3.46 | 3.46 |
| Reheat steam inlet temperature | °C | 315.00 | 315.00 | 315.00 |
| Reheat steam outlet pressure | MPa | 3.28 | 3.28 | 3.28 |
| Reheat steam outlet temperature | °C | 541.00 | 540.82 | 541.00 |
| Feedwater pressure | MPa | 18.70 | 18.70 | 18.70 |
| Feed temperature | °C | 272.00 | 271.97 | 271.97 |
| Rated evaporation | t/h | 1760.00 | 1760.00 | 1760.00 |
| Furnace outlet flue gas temperature | °C | 1,134.00 | 1,135.18 | 1,157.59 |
| Air preheater outlet hot air temperature | °C | 351.00 | 351.00 | - |
| Gas–gas heat exchanger outlet hot flue gas temperature | °C | - | - | 351.00 |
| Flue gas temperature | °C | 127.00 | 125.57 | 169.41 |
| Flue gas volume flow rate | Nm3/h | 1,692,447.20 | 1,692,447.20 | 307,517.40 |
| Coal consumption quantity | t/h | 270.42 | 270.42 | 264.73 |
| Power generation | MW | 600.00 | 600.14 | 600.19 |
| The net plant efficiency | % | 39.31 | 39.31 | 29.74 |
| Project | Unit | Simulation Value in this Present Study | Simulation Value of Reference [14] |
|---|---|---|---|
| Treated air volume | kmol/h | 12,766.70 | 12,735.60 |
| Loss of air | kmol/h | 127.67 | 127.40 |
| Regenerated air capacity | kmol/h | 2527.81 | 2,547.10 |
| Amount of oxygen | kmol/h | 2678.60 | 2677.00 |
| Air compressor energy consumption | kW | 20,958.40 | 21,230.00 |
| Pump energy consumption | kW | 216.07 | 260.00 |
| Molecular sieve energy consumption | kW | 432.13 | 516.00 |
| Total energy consumption | kW | 21,606.60 | 22,006.00 |
| Energy consumption per unit of oxygen production | kWh/Nm³ | 0.360 | 0.367 |
| Level | Factors | |||
|---|---|---|---|---|
| 1 | 95.0 | 25.0 | 35.0 | 1.05 |
| 2 | 96.0 | 27.0 | 40.0 | 1.10 |
| 3 | 97.0 | 29.0 | 45.0 | 1.15 |
| 4 | 98.0 | 31.0 | 50.0 | 1.20 |
| 5 | 99.0 | 33.0 | 55.0 | 1.25 |
| Trial No. | A (%) | rO2 B (%) | D | Error 1 | Error 2 | Net Standard Coal Consumption Rate (g/kWh) | Net Electrical Efficiency (%) | |
|---|---|---|---|---|---|---|---|---|
| 1 | 95.0 | 25.0 | 35.0 | 1.05 | 1 | 1 | 419.33 | 29.29 |
| 2 | 95.0 | 27.0 | 40.0 | 1.10 | 2 | 2 | 423.93 | 28.98 |
| 3 | 95.0 | 29.0 | 45.0 | 1.15 | 3 | 3 | 427.66 | 28.72 |
| 4 | 95.0 | 31.0 | 50.0 | 1.20 | 4 | 4 | 430.68 | 28.52 |
| 5 | 95.0 | 33.0 | 55.0 | 1.25 | 5 | 5 | 434.13 | 28.30 |
| 6 | 96.0 | 25.0 | 40.0 | 1.15 | 4 | 5 | 437.61 | 28.07 |
| 7 | 96.0 | 27.0 | 45.0 | 1.20 | 5 | 1 | 441.01 | 27.85 |
| 8 | 96.0 | 29.0 | 50.0 | 1.25 | 1 | 2 | 442.31 | 27.77 |
| 9 | 96.0 | 31.0 | 55.0 | 1.05 | 2 | 3 | 409.75 | 29.98 |
| 10 | 96.0 | 33.0 | 35.0 | 1.10 | 3 | 4 | 415.97 | 29.53 |
| 11 | 97.0 | 25.0 | 45.0 | 1.25 | 2 | 4 | 459.89 | 26.71 |
| 12 | 97.0 | 27.0 | 50.0 | 1.05 | 3 | 5 | 416.82 | 29.47 |
| 13 | 97.0 | 29.0 | 55.0 | 1.10 | 4 | 1 | 419.88 | 29.26 |
| 14 | 97.0 | 31.0 | 35.0 | 1.15 | 5 | 2 | 427.73 | 28.72 |
| 15 | 97.0 | 33.0 | 40.0 | 1.20 | 1 | 3 | 431.75 | 28.45 |
| 16 | 98.0 | 25.0 | 50.0 | 1.10 | 5 | 3 | 432.62 | 28.39 |
| 17 | 98.0 | 27.0 | 55.0 | 1.15 | 1 | 4 | 429.21 | 28.62 |
| 18 | 98.0 | 29.0 | 35.0 | 1.20 | 2 | 5 | 446.94 | 27.48 |
| 19 | 98.0 | 31.0 | 40.0 | 1.25 | 3 | 1 | 450.29 | 27.28 |
| 20 | 98.0 | 33.0 | 45.0 | 1.05 | 4 | 3 | 413.69 | 29.69 |
| 21 | 99.0 | 25.0 | 55.0 | 1.20 | 3 | 2 | 466.87 | 26.31 |
| 22 | 99.0 | 27.0 | 35.0 | 1.25 | 4 | 3 | 471.37 | 26.06 |
| 23 | 99.0 | 29.0 | 40.0 | 1.05 | 5 | 4 | 423.68 | 28.99 |
| 24 | 99.0 | 31.0 | 45.0 | 1.10 | 1 | 5 | 428.42 | 28.67 |
| 25 | 99.0 | 33.0 | 50.0 | 1.15 | 2 | 1 | 432.13 | 28.43 |
| Experiment | A | B | C | D |
|---|---|---|---|---|
| K1j | 427.143 | 443.265 | 436.267 | 416.654 |
| K2j | 429.329 | 436.467 | 433.450 | 424.163 |
| K3j | 431.216 | 432.093 | 434.134 | 430.867 |
| K4j | 434.550 | 429.373 | 430.912 | 443.448 |
| K5j | 444.492 | 425.532 | 431.966 | 451.598 |
| Rj | 17.349 | 17.733 | 5.355 | 34.944 |
| Experiment | A | B | C | D |
|---|---|---|---|---|
| K1j | 28.76 | 27.75 | 28.22 | 29.48 |
| K2j | 28.64 | 28.20 | 28.35 | 28.97 |
| K3j | 28.52 | 28.44 | 28.33 | 28.51 |
| K4j | 28.29 | 28.63 | 28.52 | 27.72 |
| K5j | 27.69 | 28.88 | 28.49 | 27.22 |
| Rj | 1.07 | 1.13 | 0.30 | 2.26 |
| Factors | Deviation Sum of Squares | Degrees of Freedom | Mean Sum of Squares | F-Ratio | Significance |
|---|---|---|---|---|---|
| Oxygen purity | 924.16 | 4 | 231.04 | 9.25 | ★★ |
| Oxygen concentrations | 932.69 | 4 | 233.17 | 9.33 | ★★ |
| 84.98 | 4 | 21.25 | 0.85 | ☆ | |
| Excess oxygen coefficient | 4021.35 | 4 | 1005.34 | 40.23 | ★★★ |
| Error | 99.94 | 4 | 24.99 |
| Factors | Deviation Sum of Squares | Degrees of Freedom | Mean Sum of Squares | F-Ratio | Significance |
|---|---|---|---|---|---|
| Oxygen purity | 3.498 | 4 | 0.875 | 11.738 | ★★ |
| Oxygen concentrations | 3.703 | 4 | 0.926 | 12.426 | ★★ |
| 0.301 | 4 | 0.075 | 1.010 | ☆ | |
| Excess oxygen coefficient | 16.672 | 4 | 4.168 | 55.946 | ★★★ |
| Error | 0.298 | 4 | 0.075 | - |
© 2020 by the authors. Licensee MDPI, Basel, Switzerland. This article is an open access article distributed under the terms and conditions of the Creative Commons Attribution (CC BY) license (http://creativecommons.org/licenses/by/4.0/).
Share and Cite
Zhang, Z.; Zhai, R.; Wang, X.; Yang, Y. Sensitivity Analysis and Optimization of Operating Parameters of an Oxyfuel Combustion Power Generation System Based on Single-Factor and Orthogonal Design Methods. Energies 2020, 13, 998. https://doi.org/10.3390/en13040998
Zhang Z, Zhai R, Wang X, Yang Y. Sensitivity Analysis and Optimization of Operating Parameters of an Oxyfuel Combustion Power Generation System Based on Single-Factor and Orthogonal Design Methods. Energies. 2020; 13(4):998. https://doi.org/10.3390/en13040998
Chicago/Turabian StyleZhang, Zhiyu, Rongrong Zhai, Xinwei Wang, and Yongping Yang. 2020. "Sensitivity Analysis and Optimization of Operating Parameters of an Oxyfuel Combustion Power Generation System Based on Single-Factor and Orthogonal Design Methods" Energies 13, no. 4: 998. https://doi.org/10.3390/en13040998
APA StyleZhang, Z., Zhai, R., Wang, X., & Yang, Y. (2020). Sensitivity Analysis and Optimization of Operating Parameters of an Oxyfuel Combustion Power Generation System Based on Single-Factor and Orthogonal Design Methods. Energies, 13(4), 998. https://doi.org/10.3390/en13040998
