Thrust Vectoring Control of a Novel Tilt-Rotor UAV Based on Backstepping Sliding Model Method
Abstract
1. Introduction
- Firstly, aiming at the requirements of strong stealth and vertical take-off and landing characteristics of carrier-based UAVs, a novel tilt-rotor aircraft with a blende wing body layout is introduced, and its dynamics are modeled;
- Second, a novel thrust vectoring control scheme of the novel tilt-rotor UAV is proposed to solve the problems of the wing tip touch and coupling of the attitude and position in the conventional control. This scheme increases the control authority of the two tilt mechanisms of the main rotor, designs a reasonable control allocation strategy, and decouples the attitude control loop from the position control loop;
- Finally, a flight control law based on the combination of the sliding-mode control with a backstepping recursive control structure is proposed to design a controller for the novel tilt-rotor UAV. Moreover, based on mathematical modeling, the proposed control law is used to simulate and compare the control effects of the two control schemes in the case of a target point flight, flight with attitude disturbance, and landing with crosswind disturbance. The effectiveness of the proposed control algorithm and scheme is demonstrated.
2. Mathematical Modeling
2.1. Description of Model
2.2. Definition of Coordinate System
2.3. Dynamic Model
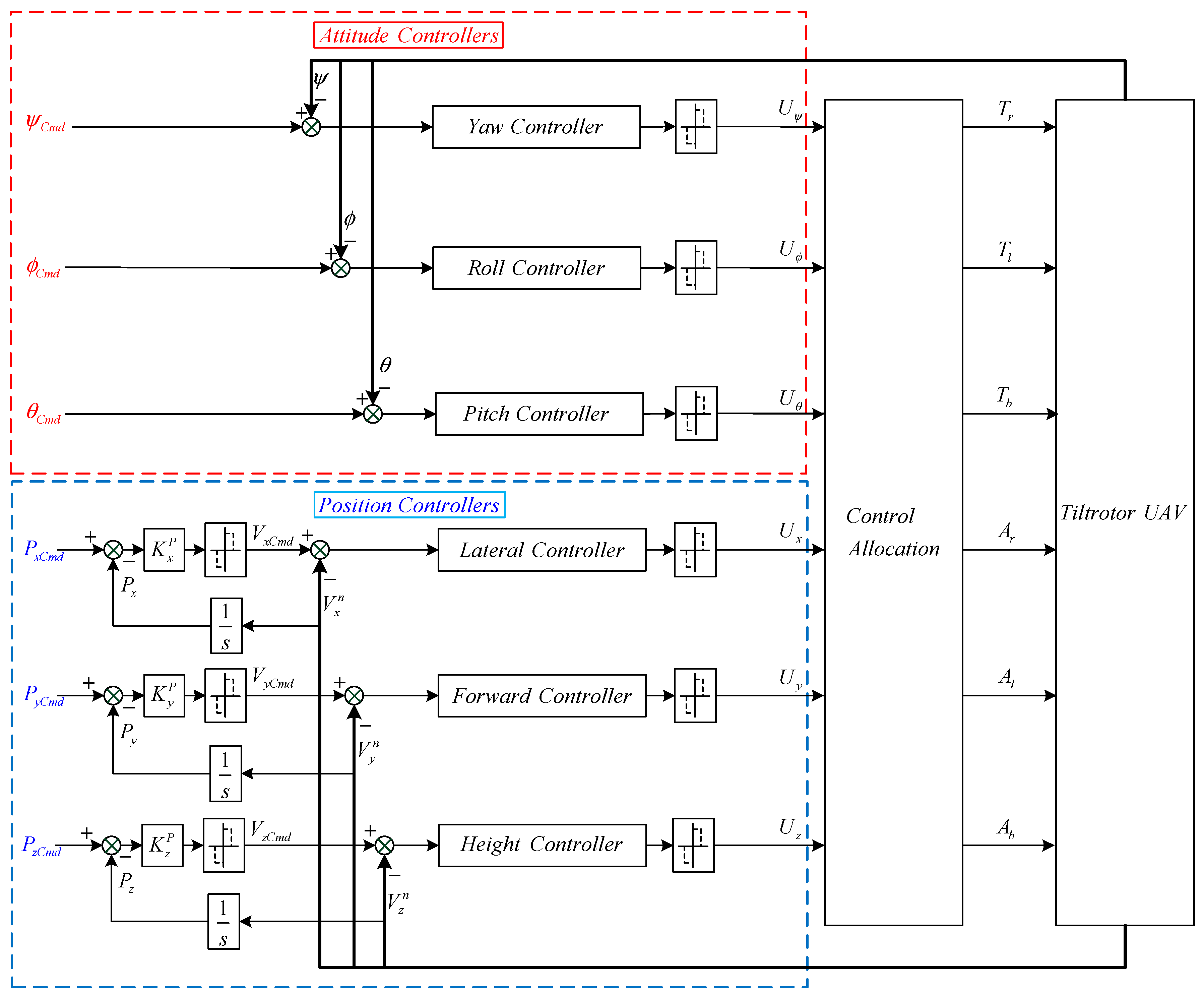
3. Control Strategy
3.1. Control Schemes
3.1.1. Conventional Control Scheme
3.1.2. Thrust Vectoring Control Scheme
3.2. Controller Design
3.3. Control Allocation
| Control Channel | Conventional Scheme | Thrust Vectoring Scheme |
|---|---|---|
| Roll control | ||
| Pitch control | ||
| Yaw control | ||
| Forward control | Pitching movement | |
| Lateral control | Rolling movement | |
| Vertical control |
3.3.1. Control Allocation Strategy of Conventional Scheme
3.3.2. Control Allocation Strategy of Thrust Vectoring Scheme
4. Simulations
| Parameter | Definition | Value | Unit |
|---|---|---|---|
| Mass | 70 | kg | |
| Roll inertia | 43.91 | kg·m2 | |
| Pitch inertia | 15.13 | kg·m2 | |
| Yaw inertia | 57.21 | kg·m2 | |
| Wingspan | 3.15 | m | |
| Wing aera | 4.01 | m2 | |
| Chord length | 1.27 | m | |
| Right rotor position | m | ||
| Left rotor position | m | ||
| Back rotor position | m |
4.1. Simulation of Backstepping Sliding Mode Controller
- In terms of the system response time, the roll angle tracking control has a response time of 1.9 s, which is excellent for the dynamic response;
- In terms of control accuracy, the controller maintains high accuracy and stable tracking of the desired angle.
4.2. Simulation of Different Control Schemes
4.2.1. Simulation of Target Point Flight
4.2.2. Simulation of Fixed Height Flight with Attitude Disturbance
4.2.3. Simulation of Landing with Crosswind Disturbance
4.2.4. Monte Carlo Random Experiment of Landing Simulation
5. Conclusions
Author Contributions
Funding
Institutional Review Board Statement
Informed Consent Statement
Data Availability Statement
Conflicts of Interest
References
- Yan, M. Review on the use and key technologies of carrier-borne UAV. Avion. Technol. 2020, 51, 5. [Google Scholar]
- Lee, J.; Min, B.; Kim, E. Autopilot design of tilt-rotor UAV using particle swarm optimization method. In Proceedings of the 2007 International Conference on Control, Automation and Systems, Seoul, Republic of Korea, 17–20 October 2007. [Google Scholar]
- Kang, Y.; Park, B.J.; Cho, A.; Yoo, C.S.; Koo, S.O.; Tahk, M.J. Development of Flight Control System and Troubleshooting on Flight Test of a Tilt-Rotor Unmanned Aerial Vehicle. Int. J. Aeronaut. Space Sci. 2016, 17, 120–131. [Google Scholar] [CrossRef]
- Fan, Y.H.; Yang, J. Design of Tiltrotor Flight Control System Using Optical Control. In Proceedings of the 26th Chinese Control Conference, Zhangjiajie, China, 26–31 July 2007. [Google Scholar]
- Kumar, R.; Agarwal, S.R.; Kumar, M. Modeling and Control of a Tethered Tilt-Rotor Quadcopter with Atmospheric Wind Model. IFAC-PapersOnLine 2021, 54, 463–468. [Google Scholar] [CrossRef]
- Al-Radaideh, A.; Sun, L. Self-localization of a tethered quadcopter using inertial sensors in a GPS-denied environment. In Proceedings of the 2017 International Conference on Unmanned Aircraft Systems (ICUAS), Miami, FL, USA, 13–16 June 2017; pp. 271–277. [Google Scholar] [CrossRef]
- Sato, M.; Muraoka, K. Flight Controller Design and Demonstration of Quad-Tilt-Wing Unmanned Aerial Vehicle. J. Guid. Control. Dyn. Publ. Am. Inst. Aeronaut. Astronaut. Devoted Technol. Dyn. Control. 2015, 38, 1071–1082. [Google Scholar] [CrossRef]
- Panza, S.; Lovera, M.; Sato, M.; Muraoka, K. Structured mu-Synthesis of Robust Attitude Control Laws for Quad-Tilt-Wing Unmanned Aerial Vehicle. J. Guid. Control. Dyn. Publ. Am. Inst. Aeronaut. Astronaut. Devoted Technol. Dyn. Control. 2020, 43, 2258–2274. [Google Scholar]
- Hegde, N.T.; George, V.I.; Nayak, C.G. Tri-Tilting Rotor Fixed-Wing VTOL UAV: Dynamic Modelling and Transition Flight Control. In Proceedings of the 2021 International Symposium on Electrical, Electronics and Information Engineering, Seoul, Republic of Korea, 19–21 February 2021. [Google Scholar]
- Settle, B.; Textron, B.H.; Wise, T. Bell Eagle Eye TR-911X—Tiltrotor Unmanned Aerial Vehicle: Recent Developments, Autoland Integration, and Flight Test Demonstrations. Annu. Forum Proc.-Am. Helicopter Soc. 2000, 56, 306–319. [Google Scholar]
- Li, P.F.; Zhang, B.Q.; Chen, Y.C.; Yuan, C.S.; Lin, Y. Aerodynamic Design Methodology for Blended Wing Body Transport. Chin. J. Aeronaut. 2012, 25, 508–516. [Google Scholar] [CrossRef][Green Version]
- Song, Y.G.; Wang, H.J. Design of Flight Control System for a Small Unmanned Tilt Rotor Aircraft. Chin. J. Aeronaut. 2009, 22, 250–256. [Google Scholar]
- Ta, D.A.; Fantoni, I.; Lozano, R. Modeling and control of a tilt tri-rotor airplane. In Advances in Computing and Communications; IEEE: Piscataway, NJ, USA, 2012. [Google Scholar]
- Yuan, L.; Zhang, W.; Wen, X. Study on Model and Simulation of the Tilt Rotor Aircraft in Transition Mode. Staff. Rep. 2015, 14, 1–33. [Google Scholar]
- Liu, Z.; He, Y.; Yang, L.; Han, J. Control techniques of tilt rotor unmanned aerial vehicle systems: A review. Chin. J. Aeronaut. 2017, 30, 135–148. [Google Scholar] [CrossRef]
- Perez, T.; Blanke, M. Mathematical Ship Modeling for Control Applications; Ørsted-DTU, Automation: Lyngby, Denmark, 2002; 22p. [Google Scholar]
- Yoo, C.S.; Cho, A.; Park, B.J.; Kang, Y.S. Sea wave modeling and shipboard landing simulation of tilt rotor unmanned aerial vehicle. In Proceedings of the 2013 13th International Conference on Control, Automation and Systems (ICCAS 2013), Gwangju, Republic of Korea, 20–23 October 2013; pp. 1854–1859. [Google Scholar] [CrossRef]
- Ji, D.Y. Research on Automatic Landing Control Technology of Flying Wing Layout UAV against Crosswind. Master’s Thesis, Nanjing University of Aeronautics and Astronautics, Nanjing, China, 2007. [Google Scholar]
- Mousaei, M.; Geng, J.; Keipour, A.; Bai, D.; Scherer, S. Design, Modeling and Control for a Tilt-rotor VTOL UAV in the Presence of Actuator Failure. arXiv 2022, arXiv:2205.05533. [Google Scholar]
- Yoeli, R. Control the Flow and Force in VTOL Vehicles. U.S. Patent US20100076625, 25 March 2010. [Google Scholar]
- Yang, Y.H.; Tang, D.Q. The Application of Distance Measurement Based on the Monocular Camera Machine Vision in the System of Auto-landing on Deck of UAV. Aviat. Metrol. Meas. Technol. 2003, 1002-6061(2003)06-0018-04, 18–21. [Google Scholar]
- Papachristos, C.; Alexis, K.; Tzes, A. Dual-Authority Thrust-Vectoring of a Tri-TiltRotor employing Model Predictive Control. J. Intell. Robot. Syst. Theory Appl. 2016, 81, 471–504. [Google Scholar] [CrossRef]
- Jimenez, A.; Icaza, D. Thrust vectoring system control concept. In Proceedings of the IFAC Workshop on Algorithms and Architectures for Real-Time Control, AARTC’2000, Palma de Mallorca, Spain, 15–17 May 2000. [Google Scholar]
- Yuksek, B.; Vuruskan, A.; Ozdemir, U.; Yukselen, M.A.; Inalhan, G. Transition flight modeling of a fixed-wing VTOLUAV. J. Intell. Robot. Syst. 2016, 84, 83–105. [Google Scholar] [CrossRef]
- Chen, C.; Zhang, J.; Zhang, D.; Shen, L. Control and flight test of a tilt-rotor unmanned aerial vehicle. Int. J. Adv. Robot. Syst. 2017, 14, 1–12. [Google Scholar] [CrossRef]
- Xie, M.; Xu, S.; Su, C.Y.; Feng, Z.Y.; Chen, Y.; Shi, Z.; Lian, J. An adaptive recursive sliding mode attitude control for tiltrotor UAV in flight mode transition based on super-twisting extended state observer. arXiv 2021, arXiv:2111.02046. [Google Scholar]
- Liu, N.J.; Cai, Z.H.; Zhao, J.; Wang, Y.X. Predictor-based model reference adaptive roll and yaw control of a quad-tiltrotor UAV. Chin. J. Aeronaut. 2020, 33, 282–295. [Google Scholar] [CrossRef]
- Fan, Y.H.; Yang, J.; Lai, S.Q.; Xu, M. Design of an Optimal Flight Control System for Tiltrotor Conversion. Flight Dyn. 2007, 25, 47–50. [Google Scholar]
- Feng, W.; Zhang, X. Controller Design for Three-Axis Stabilized Platform Using Adaptive Global Fast Terminal Sliding Mode Control with Non-Linear Differentiator. Energies 2021, 14, 6532. [Google Scholar] [CrossRef]
- Xia, Y.; Jia, Y. Robust sliding mode control for uncertain time-delay systems: An LMI approach. In Proceedings of the American Control Conference IEEE, Atlanta, GA, USA, 8–10 June 2002. [Google Scholar]
- Shao, K.; Zheng, J.; Huang, K.; Wang, H.; Man, Z.; Fu, M. Finite-time control of a linear motor positioner using adaptive recursive terminal sliding mode. IEEE Trans. Ind. Electron. 2020, 67, 6659–6668. [Google Scholar] [CrossRef]



















Disclaimer/Publisher’s Note: The statements, opinions and data contained in all publications are solely those of the individual author(s) and contributor(s) and not of MDPI and/or the editor(s). MDPI and/or the editor(s) disclaim responsibility for any injury to people or property resulting from any ideas, methods, instructions or products referred to in the content. |
© 2023 by the authors. Licensee MDPI, Basel, Switzerland. This article is an open access article distributed under the terms and conditions of the Creative Commons Attribution (CC BY) license (https://creativecommons.org/licenses/by/4.0/).
Share and Cite
Yu, Z.; Zhang, J.; Wang, X. Thrust Vectoring Control of a Novel Tilt-Rotor UAV Based on Backstepping Sliding Model Method. Sensors 2023, 23, 574. https://doi.org/10.3390/s23020574
Yu Z, Zhang J, Wang X. Thrust Vectoring Control of a Novel Tilt-Rotor UAV Based on Backstepping Sliding Model Method. Sensors. 2023; 23(2):574. https://doi.org/10.3390/s23020574
Chicago/Turabian StyleYu, Zelong, Jingjuan Zhang, and Xueyun Wang. 2023. "Thrust Vectoring Control of a Novel Tilt-Rotor UAV Based on Backstepping Sliding Model Method" Sensors 23, no. 2: 574. https://doi.org/10.3390/s23020574
APA StyleYu, Z., Zhang, J., & Wang, X. (2023). Thrust Vectoring Control of a Novel Tilt-Rotor UAV Based on Backstepping Sliding Model Method. Sensors, 23(2), 574. https://doi.org/10.3390/s23020574

