1/f Noise Modelling and Characterization for CMOS Quanta Image Sensors
Abstract
1. Introduction
2. Models
2.1. McWhorter Number Fluctuation-Based 1/f Noise Model
2.2. Hooge Mobility Fluctuation-Based 1/f Noise Model
2.3. Modified Berkeley 1/f Noise Model
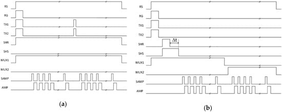
3. Experimental Setup
4. Results
4.1. Photon Counting Histogram Testing
4.2. SF 1/f Noise Testing
4.2.1. 1/f Noise versus CDS Δt
4.2.2. 1/f Noise versus Bias Current
4.2.3. 1/f Noise versus SF Size
4.2.4. 1/f Noise versus Temperature
5. Discussion
6. Conclusions
Author Contributions
Funding
Acknowledgments
Conflicts of Interest
References
- Fossum, E.R. What to do with sub-diffraction-limit (SDL) pixels?—A proposal for a gigapixel digital film sensor (DFS). In Proceedings of the 2005 IEEE Workshop on Charge-Coupled Devices and Advanced Image Sensors, Karuizawa, Japan, 9–11 June 2005. [Google Scholar]
- Fossum, E.R. Modeling the performance of single-bit and multi-bit quanta image sensors. IEEE J. Electron Devices Soc. 2013, 1, 166–174. [Google Scholar] [CrossRef]
- Ma, J.; Masoodian, S.; Starkey, D.A.; Fossum, E.R. Photon-number-resolving megapixel image sensor at room temperature without avalanche gain. Optica 2017, 4, 1474–1481. [Google Scholar] [CrossRef]
- McWhorter, A.L. 1/f Noise and Related Surface Effects in Germanium. Ph.D. Thesis, MIT, Cambridge, MA, USA, 1955. [Google Scholar]
- Hooge, F.N. 1/ƒ noise is no surface effect. Phys. Lett. A 1969, 29, 139–140. [Google Scholar] [CrossRef]
- Hung, K.K.; Ko, P.K.; Hu, C.; Cheng, Y.C. A unified model for the flicker noise in metal-oxide-semiconductor field-effect transistors. IEEE Trans. Electron Devices 1990, 37, 654–665. [Google Scholar] [CrossRef]
- Musha, T. Physical background of Hooge’s α for 1/f noise. Phys. Rev. B 1982, 26, 1042. [Google Scholar] [CrossRef]
- Ralls, K.S.; Skocpol, W.J.; Jackel, L.D.; Howard, R.E.; Fetter, L.A.; Epworth, R.W.; Tennant, D.M. Discrete resistance switching in submicrometer silicon inversion layers: Individual interface traps and low-frequency (1/f?) noise. Phys. Rev. Lett. 1984, 52, 228. [Google Scholar] [CrossRef]
- Kolhatkar, J.S.; Vandamme, L.K.J.; Salm, C.; Wallinga, H. Separation of random telegraph signals from 1/f noise in MOSFETs under constant and switched bias conditions. In Proceedings of the 33rd IEEE Conference European Solid-State Device Research, Estoril, Portugal, 16–18 September 2003; pp. 549–552. [Google Scholar]
- Kawai, N.; Kawahito, S. Noise analysis of high-gain, low-noise column readout circuits for CMOS image sensors. IEEE Trans. Electron Devices 2004, 51, 185–194. [Google Scholar] [CrossRef]
- Fung, T.-C.; Baek, G.; Kanicki, J. Low frequency noise in long channel amorphous In–Ga–Zn–O thin film transistors. J. Appl. Phys. 2010, 108, 074518. [Google Scholar] [CrossRef]
- Wey, H.; Guggenbuhl, W. Noise transfer characteristics of a correlated double sampling circuit. IEEE Trans. Circuits Syst. 1986, 33, 1028–1030. [Google Scholar] [CrossRef]
- Boukhayma, A.; Peizerat, A.; Dupret, A.; Enz, C. Comparison of two optimized readout chains for low light CIS. In Proceedings of the SPIE 9022, Image Sensors and Imaging Systems 2014, San Francisco, CA, USA, 4 March 2014; p. 90220H. [Google Scholar]
- Hooge, F.N. 1/f noise sources. IEEE Trans. Electron Devices 1994, 41, 1926–1935. [Google Scholar] [CrossRef]
- Deng, W.; Starkey, D.; Ma, J.; Fossum, E.R. Modelling Measured 1/f Noise in Quanta Image Sensors (QIS). In Proceedings of the 2019 International Image Sensor Workshop, Snowbird, UT, USA, 23–27 June 2019. [Google Scholar]
- Starkey, D.A.; Fossum, E.R. Determining conversion gain and read noise using a photon-counting histogram method for deep sub-electron read noise image sensors. IEEE J. Electron Devices Soc. 2016, 4, 129–135. [Google Scholar] [CrossRef]
- Ma, J.; Fossum, E.R. A pump-gate jot device with high conversion gain for a quanta image sensor. IEEE J. Electron Devices Soc. 2015, 3, 73–77. [Google Scholar] [CrossRef]
- Xie, S.; Theuwissen, A. Compensation for Process and Temperature Dependency in a CMOS Image Sensor. Sensors 2019, 19, 870. [Google Scholar] [CrossRef] [PubMed]
- Findlater, K.M.; Baxter, D.J.; Henderson, R.K.; Hurwitz, J.E.D.; Grant, L.A. Source follower noise limitations in CMOS active pixel sensors. In Proceedings of the 2003 IEEE Workshop on CCDs and Advanced Image Sensors, Schloss Elmau, Bavaria, Germany, 15–17 May 2003. [Google Scholar]
- Chao, C.Y.-P.; Tu, H.; Wu, T.; Chou, K.-Y.; Yeh, S.-F.; Hsueh, F.-L. CMOS image sensor random telegraph noise time constant extraction from correlated to uncorrelated double sampling. IEEE J. Electron Devices Soc. 2017, 5, 79–89. [Google Scholar] [CrossRef]
- Guidash, M.; Ma, J.; Vogelsang, T.; Endsley, J. Reduction of CMOS Image Sensor Read Noise to Enable Photon Counting. Sensors 2016, 16, 517. [Google Scholar] [CrossRef] [PubMed]
- Deng, W.; Starkey, D.; Masoodian, S.; Ma, J.; Fossum, E.R. Quanta image sensors: Photon-number-resolving megapixel image sensors at room temperature without avalanche gain. In Proceedings of the SPIE 10659, Advanced Photon Counting Techniques XII, Orlando, FL, USA, 14 May 2018; p. 1065902. [Google Scholar]
- Streetman, B.G.; Banerjee, S.K. Solid State Electronic Devices, 6th ed.; Prentice Hall: Upper Saddle River, NJ, USA, 2006; pp. 103–104. [Google Scholar]
- Ma, J.; Fossum, E.R. Analytical modeling and TCAD simulation of a quanta image sensor jot device with a JFET source-follower for deep sub-electron read noise. IEEE J. Electron Devices Soc. 2017, 5, 69–78. [Google Scholar] [CrossRef]











| SF Name | BC014 | BC018 | SC014 | SC020 |
|---|---|---|---|---|
| Channel Type | Buried-channel (μm) | Buried-channel (μm) | Surface-channel (μm) | Surface-channel (μm) |
| W/L | 0.14 /0.27 | 0.18/0.27 | 0.14/0.27 | 0.20/0.27 |
| SF Type | BC014 | BC018 | SC014 | SC020 |
|---|---|---|---|---|
| ηM | 2.55E7 | 2.50E7 | 2.85E7 | 3.15E7 |
| ηH | 34.3 | 36.3 | 38.4 | 46.4 |
| ηB | 18.4 | 21.0 | 21.0 | 27.3 |
| Mobility Fluctuation Based Model | Number Fluctuation Based Model | Modified Berkeley Model | |
|---|---|---|---|
| 1/f Noise Model | |||
| Relation with Ib & T | 1 | 2 |
| Mobility Fluctuation Based Model | Number Fluctuation Based Model | Modified Berkeley Model | |
|---|---|---|---|
| 1/f Noise vs. CDS ∆t | Excellent | Excellent | Excellent |
| 1/f Noise vs. Ib | Good1 | Poor | Good2 |
| 1/f Noise vs. SF Width | Good | Good | Good |
| 1/f Noise vs. T | Excellent | Good | Poor |
© 2019 by the authors. Licensee MDPI, Basel, Switzerland. This article is an open access article distributed under the terms and conditions of the Creative Commons Attribution (CC BY) license (http://creativecommons.org/licenses/by/4.0/).
Share and Cite
Deng, W.; Fossum, E.R. 1/f Noise Modelling and Characterization for CMOS Quanta Image Sensors. Sensors 2019, 19, 5459. https://doi.org/10.3390/s19245459
Deng W, Fossum ER. 1/f Noise Modelling and Characterization for CMOS Quanta Image Sensors. Sensors. 2019; 19(24):5459. https://doi.org/10.3390/s19245459
Chicago/Turabian StyleDeng, Wei, and Eric R. Fossum. 2019. "1/f Noise Modelling and Characterization for CMOS Quanta Image Sensors" Sensors 19, no. 24: 5459. https://doi.org/10.3390/s19245459
APA StyleDeng, W., & Fossum, E. R. (2019). 1/f Noise Modelling and Characterization for CMOS Quanta Image Sensors. Sensors, 19(24), 5459. https://doi.org/10.3390/s19245459

