Abstract
The probe was designed for the measurement of DC voltages of up to 30 kV from high impedance sources. It is based on a resistive divider with a total resistance of 200 GΩ and a step-down factor of 10’000. In order to allow the measurement of the stepped down voltage with a conventional multimeter without loading, the signal was buffered with an operational amplifier. The device was calibrated against a commercial probe using a low impedance high voltage source. A linear relationship was obtained for a high impedance resistive ladder for voltages between 3 and 30 kV, with a coefficient of determination (R2) of 0.9999. The low-cost device (ca. US $200) fills an application niche not addressed by commercial products.
1. Introduction
In our research on drift tube-ion mobility spectrometry (DT-IMS) [1,2,3,4,5], we found it necessary to measure high voltages of up to 30 kV. In IMS, ions are separated in the gas phase due to the differences in their mobilities in an electric field. Drift tubes are based on a stack of ring-shaped electrodes, which all carry different voltages. These voltage differentials are created with a ladder of resistors of typically 1 MΩ each. Relatively high values are employed in order to limit the current through the resistor chain and therefore reduce the power, which needs to be provided by the high voltage supplies. The total resistance depends on the spacing of the ring electrodes and the length of the device, and may easily exceed 100 MΩ. In DT-IMS, ion packets are introduced through a shutter, which consists of grid-shaped electrodes placed between two sections of the tube. The shutter electrodes are normally biased in voltage in order to block the ion passage, except when pulses of typically 100 V are briefly superimposed for ion injection. This may be a single pulse, or in the case of the tristate shutter, which shows a reduced discrimination against slow ions, of two pulses with different voltages [6]. In the construction of such instruments, the voltages present at the drift tubes, and, in particular, the levels to be applied to an ion shutter must be verified by measurement in order to ensure the intended operation.
Passive high voltage probes are readily available from distributors of electronic components and tools and commonly have total input resistances of 1 GΩ. This resistance is added in parallel to the impedance of the high voltage source. Assuming that a maximum error of 1% can be tolerated, this means that the impedance of the source has to be less than 10 MΩ. These commercially available probes are therefore not adequate for voltage measurements on IMS instrumentation with, in our case, total resistances of up to 115 MΩ. On the other hand, voltage measurement probes, or instruments, with input impedances higher than 1 GΩ are scarcely available commercially. The only item we could identify is from HVM Technology (New Braunfels, TX, USA), who sell an active high voltage (HV) meter, at a cost of approximately USD 2000, with an input impedance of 35 GΩ. This value is not quite adequate for our application. Furthermore, the instrument is rated to only 20 kV, not to the 30 kV required for our current work. The high voltage probes we found reported in the literature were generally intended for voltages in the hundreds—of-kV range. They are therefore very bulky to ensure the required electrical isolation, and are also not suitable for high impedance sources [7,8,9]. Winkelholz et al. [10] recently described a high-voltage probe for use in their IMS research. However, while this was designed for the measurement of fast transients, its specifications, in terms of input impedance (10 MΩ) and voltage range (2.5 kV), are not adequate for our needs. As no suitable devices are commercially available, nor have been reported in the literature, it was therefore necessary to design and construct our own purpose-made high impedance, high voltage, measuring device (HiZ-HV meter). Note, that the device should be useful not only in the design of IMS instruments, but also for any other application where high voltage sources of high impedance need to be characterized.
2. Design
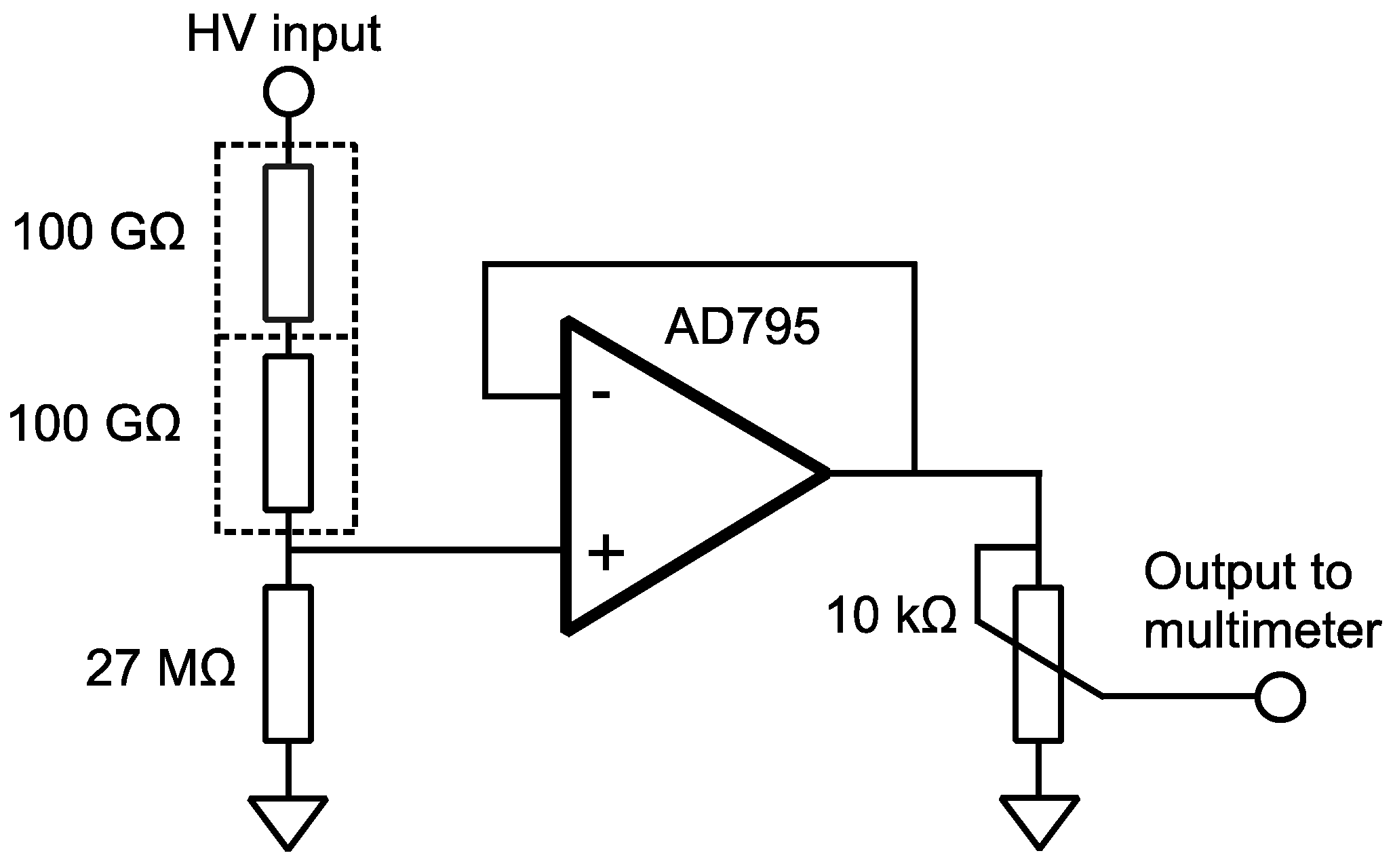
We designed an active high voltage probe with an input impedance of 200 GΩ for connection to a precision multimeter. A circuit diagram is given in Figure 1. The probe is based on two 100 GΩ resistors, with a voltage rating of 20 kV each, used in series with a 27 MΩ resistor. According to Ohm’s law, this draws a maximum current of 150 nA when measuring the maximum intended voltage of 30 kV, or of 5 nA when a voltage as low as 1 kV is measured. The stepped down voltage is passed to a AD795 operational amplifier in the voltage follower configuration. This allows the measurement of the stepped down voltage with a multimeter, without incurring an error. Multimeters have an input impedance (often 10 MΩ) and an input bias current (up to 1 nA) [11]. If connected directly, the input impedance would be present in parallel to the lower leg of the voltage divider (the 27 MΩ resistor), and the input bias current would draw current from the divider. Both of these attributes would cause an error in the measurement, the extent of which would depend on the specifications of the multimeter. The AD795 is a precision amplifier with an input bias current as low as 2 pA, which is a negligible drain on the voltage divider. The buffer amplifier passes the stepped down voltage in low impedance to the multimeter. The specifications of the employed multimeter in terms of input impedance and input bias current are therefore not critical and any multimeter with a resolution adequate for the intended application can be used. The trimmer at the output of the amplifier allows a calibration of the device to the step-down ratio of 10’000:1. The instrument features a high voltage socket, so that the connection to the high voltage source can be made with different cables or probe heads according to the application. In order to prevent corona discharges, which may occur for voltages above about 10 kV on sharp metallic points exposed to air, the resistive divider was mounted directly on the high voltage socket and embedded in potting boxes using a silicone potting compound. A small, printed circuit board was created for the amplifier using the electronics design software KiCAD, version 7. This open-source software is available from www.kicad.org for Windows, macOS, and Linux (accessed 1 April 2024). An external split DC power supply (±15 V) is used for powering the amplifier. The stepped down voltage is measured with a multimeter, which is attached to the instrument.
Figure 1.
The circuitry of the HiZ-HV meter.
3. Build Instructions
3.1. Materials
A parts list for the HiZ-HV meter is given in Table 1. The printed circuit board may be ordered from any commercial manufacturer. We have used Beta-Layout (eu.beta-layout.com, Aarbergen, Germany), which allowed the direct upload of the board file created in the KiCAD design software without having to create a Gerber file. The circuit and layout files for the printed circuit board in the KiCAD format are available as supplementary information.
Table 1.
Bill of materials.
3.2. Construction
The circuitry is partly based on surface mount devices (SMD). Beta-Layout provides a free stencil for depositing solder paste, so that the SMD parts may be soldered in a reflow oven, if available. However, manual soldering with a fine-tipped soldering iron is also easily possible, as the SMD components used are relatively large. Note, that in the assembly of the printed circuit board, the 10 µF tantalum capacitors have to be oriented in the correct polarity.
Inside the case, the printed circuit board is mounted to the side in order to allow space for the high voltage resistors, as shown in the schematic drawing of Figure 2 and the photo of Figure 3. The HV socket is mounted into the panel of the case, on the left side, at the back. The two HV resistors are placed into embedding boxes. Into the long side of the first box, and near its end, a hole of 3 mm diameter is drilled, which allows it to be mounted on the M3 screw extending from the high voltage socket. The first 100 GΩ HV resistor is placed in the box and one of its leads is tightened onto the M3 screw, which carries the high voltage. The other lead of the resistor is passed through small holes into the second potting case, where it is soldered to the second resistor. The embedding cases are filled with the potting silicone, which must be allowed to harden before further handling. The other terminal of the second resistor is then connected to the input of the amplifier on the printed circuit board. The power to the amplifier is provided by any external power supply (±15 V, or ±12 V) via three 4 mm banana sockets on the front panel (+ V, −V and GND). These must be wired to the printed circuit board. The measured voltage is brought to a 2 mm banana socket, as is the circuit ground. The ground return of the high voltage source is also connected to the circuit ground via a 4 mm banana socket at the rear of the case.
Figure 2.
Schematic drawing of the arrangement inside the case.
Figure 3.
Photo showing the arrangement inside the case. The connections to the HV source are on the back and those to the power supply and multimeter are in the front.
3.3. Calibration
The high voltages the device is intended to measure constitute a hazard and proper precautions must be taken to prevent the accidental exposure of the user.
The calibration of the device can be achieved by connecting it to a low impedance high voltage source, whose output voltage is verified with a commercial probe. We used a CZE1000R unit (Spellman High Voltage, Hauppauge, NY, USA) set to 15.0 kV and a TT-HVP-40 probe (a product of Testec, Dreieich, Germany, which is available from distributors of electronic components). The output of the device can then be read with a multimeter and set by adjusting the trimmer to represent the input voltage, i.e., 1.50 V in this case. We used a Keysight 34465A multimeter (Keysight, Santa Rosa, CA, USA), which has a specified accuracy of ±0.0025% for the 10 V DC voltage range, and of ±0.3% for the resistance measurement at 100 MΩ.
4. Operating Instructions
Contact to the high voltage source can be made with a test lead made up from the high voltage plug and cable. A crocodile clip or other suitable clamping device may be soldered to the test end of the lead. Any connection to the circuitry to be tested must be made in the non-powered state. Capacitors, which may be present in the circuitry of the signal source, must be discharged before a connection is made.
5. Validation
The operation of the device was verified by measuring the voltage steps obtained from a resistance ladder created by ten 100 MΩ resistors (Ohmite, 1%, 20 kV, 588-SM108031006FE, obtained from Mouser.ch). The resistances were measured individually with the high precision Keysight 34465A multimeter to correct for their 1% tolerance. One end of the resistor ladder was connected to 30.0 kV from the CZE1000R high voltage power supply, while the other end was grounded. The voltages were measured at each node of the resistor ladder with the HiZ-HV meter and these were plotted against the values calculated from the resistor values. The linear regression was characterized by an excellent R2 coefficient of 0.9999. On the other hand, the measured voltages all showed a negative bias from the expected values (as calculated from the measured resistor values), which ranged between about 7 and 30 mV. This translates into increasing relative errors, when going from high to low voltages, of between 0.27% (at 27 kV) and 3.6% (at 3 kV).
6. Conclusions
The reason for the observed trend in the errors is not clear to us, but the performance was more than adequate for the intended purpose. Moreover, if high accuracy is required, the deviations may be corrected by applying the regression equation, rather than directly using the values read off the multimeter. The high voltage socket is specified for 40 kV, and the two 100 GΩ resistors in series also allow 40 kV, so that it would be possible to use the device beyond the 30 kV required by us. The HiZ-HV meter, as described, relies on an external power supply, as well as a multimeter that needs to be attached. This keeps the construction simple and the cost low, but if the instrument is to be used frequently, it may be constructed with an internal power supply, and a panel meter may be built into the device itself for convenience.
Supplementary Materials
The following supporting information can be downloaded at https://www.mdpi.com/article/10.3390/hardware2040013/s1.
| Name | Type | Description |
| S1 | HiZ_HV-meter (.kicad_pro) | KiCAD project file |
| S2 | HiZ_HV-meter (.kicad_sch) | KiCAD schematic file |
| S3 | HiZ_HV-meter (.kicad_pcb) | KiCAD layout file |
Author Contributions
Conceptualization, and writing, P.C.H., investigation and validation, M.-A.B. All authors have read and agreed to the published version of the manuscript.
Funding
This research received no external funding.
Institutional Review Board Statement
Not applicable.
Informed Consent Statement
Not applicable.
Data Availability Statement
Data are contained within the article and Supplementary Materials.
Conflicts of Interest
The authors declare no conflicts of interest.
References
- Boillat, M.A.; Rakus, J.M.; Hauser, P.C. Electrospray Ion Mobility Spectrometer Based on Flexible Printed-Circuit Board Electrodes with Improved Resolving Power. Anal. Chem. 2023, 95, 10777–10784. [Google Scholar] [CrossRef] [PubMed]
- Chantipmanee, N.; Hauser, P.C. Determination of tobramycin in eye drops with an open-source hardware ion mobility spectrometer. Anal. Bioanal. Chem. 2022, 414, 4059–4066. [Google Scholar] [CrossRef] [PubMed]
- Chantipmanee, N.; Furter, J.S.; Hauser, P.C. Ambient ionization source based on a dielectric barrier discharge for direct testing of pharmaceuticals using ion mobility spectrometry. Anal. Chim. Acta 2022, 1195, 339432. [Google Scholar] [CrossRef] [PubMed]
- Chantipmanee, N.; Boillat, M.A.; Hauser, P.C. High voltage pulser for ion shutters in ion mobility spectrometry based on an optocoupler. Rev. Sci. Instrum. 2022, 93, 74703. [Google Scholar] [CrossRef] [PubMed]
- Chantipmanee, N.; Hauser, P.C. Development of simple drift tube design for ion mobility spectrometry based on flexible printed circuit board material. Anal. Chim. Acta 2021, 1170, 338626. [Google Scholar] [CrossRef] [PubMed]
- Kirk, A.T.; Grube, D.; Kobelt, T.; Wendt, C.; Zimmermann, S. High-Resolution High Kinetic Energy Ion Mobility Spectrometer Based on a Low-Discrimination Tristate Ion Shutter. Anal. Chem. 2018, 90, 5603–5611. [Google Scholar] [CrossRef] [PubMed]
- Li, Y.; Ediriweera, M.K.; Emms, F.S.; Lohrasby, A. Development of Precision DC High-Voltage Dividers. IEEE Trans. Instrum. Meas. 2011, 60, 2211–2216. [Google Scholar] [CrossRef]
- Merev, A.; Kalenderli, Ö. The construction of a DC high voltage precision divider. J. Electrost. 2009, 67, 741–745. [Google Scholar] [CrossRef]
- Saw, S.H.; Wong, C.S.; Lee, S. A low-cost high-power fast response high voltage probe. Rev. Sci. Instrum. 1991, 62, 534–536. [Google Scholar] [CrossRef]
- Winkelholz, J.; Hitzemann, M.; Nitschke, A.; Zygmanowski, A.; Zimmermann, S. Resistive High-Voltage Probe with Frequency Compensation by Planar Compensation Electrode Integrated in Printed Circuit Board Design. Electronics 2022, 11, 3446. [Google Scholar] [CrossRef]
- Low-Level Measurement Handbook. Available online: https://www.tek.com/en/products/keithley (accessed on 31 July 2024).
Disclaimer/Publisher’s Note: The statements, opinions and data contained in all publications are solely those of the individual author(s) and contributor(s) and not of MDPI and/or the editor(s). MDPI and/or the editor(s) disclaim responsibility for any injury to people or property resulting from any ideas, methods, instructions or products referred to in the content. |
© 2024 by the authors. Licensee MDPI, Basel, Switzerland. This article is an open access article distributed under the terms and conditions of the Creative Commons Attribution (CC BY) license (https://creativecommons.org/licenses/by/4.0/).


