Design, Analysis and Experimental Verification of the Self-Resonant Inverter for Induction Heating Crucible Melting Furnace Based on IGBTs Connected in Parallel
Abstract
1. Introduction
2. Analysis of the Investigated Inverter, Based on RC-IGBTs in Parallel
- Step 1.
- Estimating the necessary derating factor and total current.
- Step 2.
- Selecting the IGBT, digitalising the necessary datasheet graphics and analysing the obtained data.
- The variation in parameters in a production lot is not apparent and cannot be analysed. Hence, the expected current variation amongst the paralleled transistors and the necessary deration factor cannot be precisely estimated.
- The precise position of the Isothermal Point (ITP, Figure 3A) and its variations, which depend on the variations in and , cannot be precisely estimated. This means that the designed converter would not operate under a stable Positive Thermal Coefficient (PTC) at any mode of operation, rather than a Negative Thermal Coefficient (NTC).
- There are expected variations in the Collector-Emitter voltage drop . Hence, the expected losses and their distribution amongst the paralleled transistors cannot be precisely estimated in a production lot.
- Digitalising the graphical data available from the transistors’ datasheets and converting them into equations using trend analysis. Figure 4 shows the digitalising graphics product of solving polynomial equations.
- Deriving the expected parameters variation in a production lot. A variation of can be accepted, based on the provided manufacturers’ statistical [50] and experimental [51,53,54] research. The expected variation in the static characteristics is presented in Figure 4A—graphics 1–2 and graphics 3–4 parameters variations, respectively, at nominal and maximum temperatures. Following the same sequence, the expected variation in the dynamic characteristics is given in Figure 4B.
- Estimating the expected derating factor and current mismatch based on the expected variation. The result shows the variation in the derating factor and justifies the assumption made from Equations (1) and (2), presented in Figure 2. It also shows the PTC established at the selected in the entire range of the static parameters.
- Step 3.
- Analysing the mismatch and the derating factor for the stationary and dynamic transistors’ characteristics.
- Step 4.
- Analysis of the single IGBT transistor parameters and the relevant selection requirements.
3. Experimental Setup
- Figure 7. The oscillograms showed the expected current mismatch between transistors selected from the same production lot (1, 2) and transistors from two different lots (3, 4). Although all transistors were the same type, the first two conducted with a negligible difference, while transistor 3 showed a 25% higher current and transistor 4 switched on with a 540 ns delay (Figure 7A,B). The provided measurements clearly showed that a converter based on such a selection of IGBT transistors would be unreliable. In another selection, a different lot transistor (graphic 4, Figure 7C) could switch prematurely, conducting higher current, which is also an unacceptable condition.
- Figure 8. The oscillograms showed an acceptable current mismatch in the range of 2–5% at the peak point due to the layout issues and parasitic elements. The experiment was conducted in the following conditions: the transistors were selected from the same production lot; the resonant frequency during the entire heating process varied in the range 25–35 kHz, depending on the load conditions. The experimental result also confirmed the suggested current mismatch range of ±5% for the production lot. Similar results were received with the transistors shown in Table A1, Appendix A.
- Figure 9. The oscillograms presented the operation of the converter, comprised of transistors in parallel. The experiment showed a stable process in the entire frequency and power range. According to Figure 9B, the sinusoidal voltage over the inductor crossed the zero point between both sides of the voltage precisely, which experimentally proved the inverter’s ability to operate in ZVS with correctly selected paralleled transistors.
- Figure 10. The proposed inverter improved from the first unit (Figure 6) by moving the capacitor tank allocated in parallel to each transistor. Although the converter layout was not an object of this research, such a layout matched better the paralleled transistors as a current mismatch amongst the IGBTs under 2% was observed.
- Figure 11. The presented thermal images provided an experimental measurement of the temperature on the heatsinks’ surface. Typically, the paralleled transistors have to be assembled on a typical heat sink, sharing and equalising the temperature. In this experiment, they were intestinally separated for the thermal difference to be better depicted. The investigation showed a thermal difference between transistors in parallel with low current differences (Figure 11A,C) according to Figure 8 and high current differences (Figure 11B,D) according to Figure 7B,C.
- Figure 12. The thermal differences depicted as infrared pictures in Figure 11 are described as transient processes in an operation cycle. As Figure 12A shows, the thermal difference between transistors the Q1 and Q4 heatsink surface (Figure 7A) could reach 10 °C. The same experiment showed that the temperature difference under the worst-case conditions between transistors of the same production lot Q1 and Q2 (Figure 7A) could be minimised to 3–4 °C.
- Figure 13. The crucible reached 500 °C for 10 min; enough for melting tin with a high energy efficiency. Potentially, the entire system can be designed for higher temperatures to melt other metals, requiring higher power and, hence, powerful transistors. The system was tested with several melting cycles, giving the established transistors and crucible temperatures without overheating.
- Figure 14. The experiment showed oscillations that could potentially occur due to PCB layout issues in inverters with paralleled transistors. Usually, such oscillations occur in the gate drive circuit when transistors share the same gate drivers as the research in [51,52,53]. However, in this case, each transistor was controlled by an individual driver (Figure 1), and it was found that the problem originates from the conductors’ length and parasitics, which occur between the PCB and the inductor.
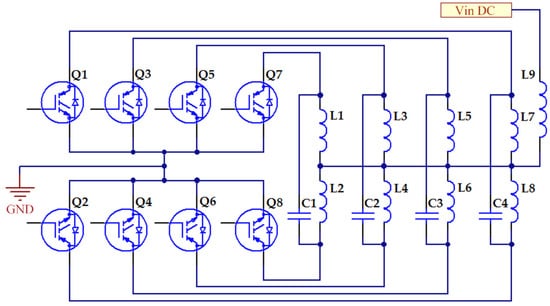
- Figure 15 Although the above-described problems are beyond the scope of this research, a layout modification was suggested and used for all presented experimental tests. According to the circuit in Figure 15, the air-cooled inductor was divided into a number equal to the number of paralleled transistors sections. With this, the inductors L1, L3, L5 and L7 from the high side and L2, L4, L6 and L8 from the low side correspond to inductors L1 and L2 from Figure 1. Capacitors C1-C4, in summary, represent capacitor C1 from the resonant tangent in Figure 1. Although the effect of parasitics minimisation was experimentally observed, giving the inverter’s stable operation, this part requires future research and improvements.
4. Discussion
5. Conclusions
Author Contributions
Funding
Institutional Review Board Statement
Informed Consent Statement
Data Availability Statement
Conflicts of Interest
Appendix A
| IGBT Transistor | Package | ||||
|---|---|---|---|---|---|
| 30–60 A | |||||
| RGT60TS65D | TO-247N | 55 | 650 | 194 | 7.0/2.1 |
| DGTD120T25S1PT | TO-247 | 50 | 1200 | 348 | 7.0/2.4 |
| FGA50N100BNTD | TO-3P | 50 | 1000 | 156 | 7.0/1.8 |
| RGW00TS65D | TO-247N | 50 | 650 | 254 | 7.0/1.9 |
| 60–80 A | |||||
| NGTB40N120FL2 | TO-264 3L | 70 | 1200 | 368 | 2.6/3.7 |
| STGW39NC60VD | TO-247 | 70 | 600 | 250 | 5.75/2.4 |
| IXA45IF1200HB | TO-247 | 78 | 1200 | 325 | 6.5/2.1 |
| STGW40H65FB | TO-3PF | 80 | 650 | 283 | 6.0/2.0 |
| 80–120 A | |||||
| FGA60N60UFD | TO-3P | 120 | 600 | 298 | 6.5/2.4 |
| FGA60N65SMD | TO-3PN | 120 | 650 | 600 | 6.0/2.5 |
| NGTB50N120FL2 | TO-247 | 100 | 1200 | 535 | 6.5/2.4 |
| IRGP6690DPbF | TO-247AD | 140 | 600 | 483 | 6.5/1.95 |
| clear | |
| format short | |
| Ic_max_hightemp = [0.0096; −0.106; −3.8721; 86.988; −600.32; 1365.2]; | |
| Vge = 9; | % Vge = 9 V |
| polyval (Ic_max_hightemp, Vge) | % ans = 56.99 A |
References
- Davies, E.J. Conduction and Induction Heating; The Institution of Engineering and Technology IET: London, UK, 2007; ISBN 978-0-86341-174-8. [Google Scholar]
- Haimbaugh, R. Induction Heat Treating; ASM international: Materials Park, OH, USA, 2015; ISBN 978-1-62708-089-7. [Google Scholar]
- Lupi, S.; Forzan, M.; Aliferov, A. Induction and Direct Resistance Heating, Theory and Numerical Modeling; Springer International Publishing: Springer Cham Heidelberg, Germany, 2015; ISBN 978-3-319-03478-2. [Google Scholar]
- Rudnev, V.; Loveless, D.; Cook, R. Handbook of Induction Heating; Taylor & Francis Group: Boca Raton, FL, USA, 2017; ISBN 978-1-4665-5395-8. [Google Scholar]
- Rapoport, E.; Pleshivtseva, Y. Optimal Control of Induction Heating Processes; Taylor & Francis Group: Boca Raton, FL, USA, 2007; ISBN 978-0-8493-3754-3. [Google Scholar]
- Zinn, S.; Semiatin, S. Elements of Induction Heating. Design, Control and Applications; ASM International: Materials Park, OH, USA, 2007; ISBN 0-87170-308-4. [Google Scholar]
- Shokouhmand, H.; Ghaffari, S. Thermal Analysis of Moving Induction Heating of a Hollow Cylinder with Subsequent Spray Cooling: Effect of Velocity, Initial Position of Coil, And Geometry, Applied Mathematical Modelling 36; Elsevier: Amsterdam, The Netherlands, 2012; pp. 4304–4323. [Google Scholar]
- Li, F.; Ning, J.; Liang, S.Y. Analytical Modeling of the Temperature Using Uniform Moving Heat Source in Planar Induction Heating Process. Appl. Sci. 2019, 9, 1445. [Google Scholar] [CrossRef]
- Naar, R.; Bay, F. Numerical optimisation for induction heat treatment processes. Appl. Math. Model. 2013, 37, 2074–2085. [Google Scholar] [CrossRef]
- Zhou, X.; Thomas, B.; Hernandez, C.; Castillejos, A.; Acosta, F. Measuring Heat Transfer During Spray Cooling Using Con-trolled Induction-Heating Experiments and Computational Models, Applied Mathematical Modelling 37; Elsevier: Amsterdam, The Netherlands, 2013; pp. 3181–3192. [Google Scholar]
- Djambazov, G.; Bojarevics, V.; Pericleous, K.; Croft, N. Finite volume solutions for electromagnetic induction processing. Appl. Math. Model. 2015, 39, 4733–4745. [Google Scholar] [CrossRef]
- Jankowski, T.; Pawley, N.; Gonzales, L.; Ross, C.; Jurney, J. Approximate Analytical Solution for Induction Heating of Solid Cylinders. Applied Mathematical Modelling 40; Elsevier: Amsterdam, The Netherlands, 2016; pp. 2770–2782. [Google Scholar]
- Tavakoli, M.; Karbaschi, H.; Samavat, F. Influence of Workpiece Height on the Induction Heating Process. Math. Comput. Model. 2011, 45, 50–58. [Google Scholar] [CrossRef]
- Liu, Q.; Li, B.; Schlangen, E.; Sun, Y.; Wu, S. Research on the Mechanical, Thermal, Induction Heating and Healing Properties of Steel Slag/Steel Fibers Composite Asphalt Mixture. Appl. Sci. 2017, 7, 1088. [Google Scholar] [CrossRef]
- Dimitrov, B.; Streblau, M.; Marinov, A. An Approach for Designing a Complex Inductor—Workpiece System for Induction Heating Detail Systems. Technol. Educ. Manag. Inform. TEM J. 2014, 3, 244–249. [Google Scholar]
- Li, H.; Yu, J.; Wu, S.; Liu, Q.; Li, Y.; Wu, Y.; Xu, H. Investigation of the Effect of Induction Heating on Asphalt Binder Aging in Steel Fibers Modified Asphalt Concrete. Materials 2019, 12, 1067. [Google Scholar] [CrossRef]
- Vila-Cortavitarte, M.; Jato-Espino, D.; Castro-Fresno, D.; Calzada-Perez, M. Self-Healing Capacity of Asphalt Mixtures In-cluding By-Products Both as Aggregates and Heating Inductors. Materials 2018, 11, 800. [Google Scholar] [CrossRef] [PubMed]
- Fu, X.; Chen, Q.; Chen, X.; Zhang, L.; Yang, A.; Cui, Y.; Yuan, C.; Ge, H. A Rapid Thermal Nanoimprint Apparatus Through In-duction Heating of Nickel Mold. Micromachines 2019, 10, 334. [Google Scholar] [CrossRef]
- Aung, M.P.; Nakamura, M.; Hirohata, M. Characteristics of Residual Stresses Generated by Induction Heating on Steel Plates. Metals 2018, 8, 25. [Google Scholar] [CrossRef]
- Chamorro, X.; Herrero-Dorca, N.; Bernal, D.; Hurtado, I. Induction Skull Melting of Ti-6Al-4V: Process Control and Efficiency Optimisation. Metals 2019, 9, 539. [Google Scholar] [CrossRef]
- Namadmalan, A.; Moghani, J. Self-Oscillating Switching Technique for Current Source Parallel Resonant Induction Heating Systems. J. Power Electron. 2012, 12, 851–858. [Google Scholar] [CrossRef]
- Namadmalan, A.; Moghani, J.S.; Milimonfared, J. A Current-Fed Parallel Resonant Push-Pull Inverter with a New Cascaded Coil Flux Control for Induction Heating Applications. J. Power Electron. 2011, 11, 632–638. [Google Scholar] [CrossRef][Green Version]
- Chamsuka, P.; Srinonchat, J. Study and development Inductance melting control system using low energy. Energy Procedia 2013, 34, 945–950. [Google Scholar] [CrossRef]
- Nagarajan, B.; Sathi, R. Phase Locked Loop based Pulse Density Modulation Scheme for the Power Control of Induction Heating Applications. J. Power Electron. 2015, 15, 65–77. [Google Scholar] [CrossRef]
- Qi, H.; Peng, Y.; Li, Y. The Study of Phase-shift Super-Frequency Induction Heating Power Supply. Phys. Procedia 2012, 24, 101–106. [Google Scholar] [CrossRef][Green Version]
- Kawaguchi, Y.; Hiraki, E.; Tanaka, T.; Nakaoka, M. Basic Study of a Phase-Shifted Soft Switching High-Frequency Inverter with Boost PFC Converter for Induction Heating. J. Power Electron. 2008, 8, 192–199. [Google Scholar]
- Yachiangkam, S.; Sangswang, A.; Naetiladdanon, S.; Koompai, C.; Chudjuarjeen, S. Steady-State Analysis of ZVS and NON-ZVS Full-Bridge Inverters with Asymmetrical Control for Induction Heating Applications. J. Power Electron. 2015, 15, 544–554. [Google Scholar] [CrossRef]
- Qi, X.; Peng, Y.; Li, Y. Parameters Design of Series Resonant Inverter Circuit. Phys. Procedia 2012, 24, 133–138. [Google Scholar] [CrossRef][Green Version]
- Wang, Y.; Li, Y.; Peng, Y.; Qi, X. Research and Design on IGBT Induction Heating Power Supply. Energy Procedia 2012, 16, 1957–1963. [Google Scholar] [CrossRef][Green Version]
- Borage, M.; Tiwari, S. A 25 kW, 25 kHz Induction Heating Power Supply for MOVPE System Using L-LC Resonant Inverter, Hindawi Publishing Corporation. Adv. Power Electron. 2013. [Google Scholar] [CrossRef]
- Kumar, A.; Sadhu, P.; Mohanta, D.; Reddy, M. An Effective Switching Algorithm for Single Phase Matrix Converter in Induc-tion Heating Applications. Electronics 2018, 7, 149. [Google Scholar] [CrossRef]
- Han, W.; Chau, K.T.; Wong, H.C.; Jiang, C.; Lam, W.H. All-In-One Induction Heating Using Dual Magnetic Couplings. Energies 2019, 12, 1772. [Google Scholar] [CrossRef]
- Park, S.; Jang, E.; Joo, D.; Lee, B. Power Curve-Fitting Control Method with Temperature Compensation and Fast-Response for All-Metal Domestic Induction Heating Systems. Energies 2019, 12, 2915. [Google Scholar] [CrossRef]
- Lasobras, J.; Alonso, R.; Carretero, C.; Carretero, E.; Imaz, E. Infrared Sensor-Based Temperature Control for Domestic Induc-tion Cooktops. Sensors 2014, 14, 5278–5295. [Google Scholar] [CrossRef]
- Villa, J.; Artigas, J.; Barragan, L.; Navarro, D. An Amplifier-Less Acquisition Chain for Power Measurements in Series Reso-nant Inverters. Sensors 2019, 19, 4343. [Google Scholar] [CrossRef]
- Oh, Y.; Yeon, J.; Kang, J.; Galkin, I.; Oh, W.; Cho, K. Sensorless Control of Voltage Peaks in Class-E Single-Ended Resonant Inverter for Induction Heating Rice Cooker. Energies 2021, 14, 4545. [Google Scholar] [CrossRef]
- Tabaković, A.; Mohan, J.; Karač, A. Conductive Compartmented Capsules Encapsulating a Bitumen Rejuvenator. Processes 2021, 9, 1361. [Google Scholar] [CrossRef]
- Oncu, S.; Unal, K.; Tuncer, U. Laboratory setup for teaching resonant converters and induction heating. Eng. Sci. Technol. Int. J. 2021. [Google Scholar] [CrossRef]
- Areitioaurtena, M.; Segurajauregi, U.; Urresti, I.; Fisk, M.; Ukar, E. Predicting the induction hardened case in 42CrMo4 cylin-ders. Procedia 2020, 87, 545–550. [Google Scholar]
- Bortis, D.; Biela, J.; Kolar, J.W. Active Gate Control for Current Balancing of Parallel-Connected IGBT Modules in Solid-State Modulators. IEEE Trans. Plasma Sci. 2008, 36, 2632–2637. [Google Scholar] [CrossRef]
- Streit, L.; Janik, D.; Talla, J. Serial-Parallel IGBT Connection Method Based on Overvoltage Measurement. Elektron. Elektrotech. 2016, 22, 53–56. [Google Scholar] [CrossRef]
- Perez-Delgado, R.; Velasco-Quesada, G.; Roman-Lumbreras, M. Current Sharing Control Strategy for IGBTs Connected in Parallel. J. Power Electron. 2016, 16, 769–777. [Google Scholar] [CrossRef]
- Xue, Y.; Lu, J.; Wang, Z.; Tolbert, L.; Blalock, B.; Wang, F. Active Current Balancing for Parallel-Connected Silicon Carbide MOSFETs. IEEE Energy Conversion Congress and Exposition. 2013. Available online: https://ieeexplore.ieee.org/document/6646891 (accessed on 1 April 2021).
- Hu JAlatise, O.; Gonzalez, J.; Bonyadi, R.; Alexakis, P.; Ran, L.; Mawby, P. Robustness and Balancing of Parallel-Connected Power Devices: SiC Versus CoolMOS. IEEE Trans. Ind. Electron. 2016, 63, 2092–2102. [Google Scholar]
- Kimmer, T. Application Note, System Application Engineering IGBT, Reverse Conduction IGBT for Inductive Cooking, In-Fineon Technologies. 2012. Available online: https://www.infineon.com (accessed on 1 April 2021).
- Application Note, System Application IGBT, Reverse Conducting IGBT for Drives RC-Drives Cost-Optimized IGBT for Consumer Drive Application, Infineon Technologies 2010. Available online: https://www.infineon.com (accessed on 1 April 2021).
- Application Note AN4713, Induction Cooking: IGBTs in Resonant Converters, June 2015. Available online: www.st.com (accessed on 1 April 2021).
- Huang, X.; Chang, D.; Ling, C.; Zheng, T.Q. Research on Single-Phase PWM Converter with Reverse Conducting IGBT Based on Loss Threshold Desaturation Control. Energies 2017, 10, 1845. [Google Scholar] [CrossRef]
- Huang, X.; Ling, C.; Chang, D.; You, X.; Zheng, T.Q. Loss Characteristics of 6.5 kV RC-IGBT Applied to a Traction Converter. Energies 2017, 10, 891. [Google Scholar] [CrossRef]
- Application Note 5SYA 2098-00, Paralleling of IGBT modules, ABB Switzerland Ltd Semiconductors. Available online: https://library.e.abb.com/ (accessed on 1 April 2021).
- Application Note AN 17-001, IGBT Modules in Parallel Operation with Central and Individual Driver Board, Semikron. 2017. Available online: https://www.semikron.com/ (accessed on 1 April 2021).
- NXP UCODE G2XM SL3S1002AC2. 118. Available online: https://www.nxp.com/ (accessed on 1 April 2021).
- AND9100/D, Parallel of IGBTs, On Semiconductor. 2014. Available online: https://www.onsemi.com/ (accessed on 1 April 2021).
- Application Note AN 4544, IGBT Datasheet Tutorial. 2014. Available online: www.st.com (accessed on 1 April 2021).
- Roetzer, F.; Aschauer, A.; Jadachowski, L.; Steinboeck, A.; Kugi, A. Temperature Control for Induction Heating of Thin Strips. IFAC-PapersOnLine 2020, 53, 11968–11973. [Google Scholar] [CrossRef]















| nominal characteristic (Figure 2) | +5% data variation Figure 3A, graphic 1 | −5% data variation Figure 3A, graphic 2 | |
| Nominal temperature 25 °C | |||
| Nominal characteristic (Figure 2) | +5% data variation Figure 3A, graphic 3 | −5% data variation Figure 3A, graphic 4 | |
| Maximum temperature 150 °C |
| nominal characteristic (Figure 2) | +5% data variation Figure 3B, graphic 1 | −5% data variation Figure 3B, graphic 2 | |
| Nominal temperature 25 °C | |||
| Nominal characteristic (Figure 2) | +5% data variation Figure 3B, graphic 3 | −5% data variation Figure 3B, graphic 4 | |
| Maximum temperature 150 °C |
Publisher’s Note: MDPI stays neutral with regard to jurisdictional claims in published maps and institutional affiliations. |
© 2021 by the authors. Licensee MDPI, Basel, Switzerland. This article is an open access article distributed under the terms and conditions of the Creative Commons Attribution (CC BY) license (https://creativecommons.org/licenses/by/4.0/).
Share and Cite
Dimitrov, B.; Hayatleh, K.; Barker, S.; Collier, G. Design, Analysis and Experimental Verification of the Self-Resonant Inverter for Induction Heating Crucible Melting Furnace Based on IGBTs Connected in Parallel. Electricity 2021, 2, 439-458. https://doi.org/10.3390/electricity2040026
Dimitrov B, Hayatleh K, Barker S, Collier G. Design, Analysis and Experimental Verification of the Self-Resonant Inverter for Induction Heating Crucible Melting Furnace Based on IGBTs Connected in Parallel. Electricity. 2021; 2(4):439-458. https://doi.org/10.3390/electricity2040026
Chicago/Turabian StyleDimitrov, Borislav, Khaled Hayatleh, Steve Barker, and Gordana Collier. 2021. "Design, Analysis and Experimental Verification of the Self-Resonant Inverter for Induction Heating Crucible Melting Furnace Based on IGBTs Connected in Parallel" Electricity 2, no. 4: 439-458. https://doi.org/10.3390/electricity2040026
APA StyleDimitrov, B., Hayatleh, K., Barker, S., & Collier, G. (2021). Design, Analysis and Experimental Verification of the Self-Resonant Inverter for Induction Heating Crucible Melting Furnace Based on IGBTs Connected in Parallel. Electricity, 2(4), 439-458. https://doi.org/10.3390/electricity2040026
