Next Article in Journal
Design, Fabrication, and Characterization of a Novel Crawling Pneumatic Soft Robot
Previous Article in Journal
Advanced Data Classification Framework for Enhancing Cyber Security in Autonomous Vehicles
 
 
Font Type:
Arial Georgia Verdana
Font Size:
Aa Aa Aa
Line Spacing:
Column Width:
Background:
Article

Method for Testing Combinational Circuits by Multiple Diagnostic Features Using Weight-Based Sum Codes Properties

by
Dmitry V. Efanov
1,*,
Dmitry V. Pivovarov
2,
Nicolás Cortegoso Vissio
3,
Alexander O. Kuptsov
3 and
Daniil E. Egorov
3
1
Higher School of Transport, Institute of Machinery, Materials and Transport, Peter the Great St. Petersburg Polytechnic University, St. Petersburg 195251, Russia
2
“Automation and Remote Control on Railways” Department, Emperor Alexander I St. Petersburg State Transport University, St. Petersburg 190031, Russia
3
Laboratory “Industrial Stream Data Processing Systems”, School of Advanced Engineering Studies in Digital Engineering, Peter the Great St. Petersburg Polytechnic University, St. Petersburg 195251, Russia
*
Author to whom correspondence should be addressed.
Automation 2025, 6(1), 6; https://doi.org/10.3390/automation6010006
Submission received: 12 December 2024 / Revised: 14 January 2025 / Accepted: 24 January 2025 / Published: 26 January 2025

Abstract

The paper puts forth a methodology for the arrangement of calculation control at the outputs of combinational digital devices based on utilizing multiple diagnostic features. The first diagnostic feature is the belonging of the formed codewords to a pre-selected weight-based sum code. The second and third diagnostic features are the control of calculations by the belonging of calculated functions describing data and checking bits of sum codes to the class of self-dual and related functions. The arrangement of calculation control by multiple diagnostic features is founded upon the implementation of Boolean signal correction during the synthesis of the embedded control circuit. This is conducted in consideration of the established characteristics of weight-based sum codes, wherein the functions describing their checking bits exhibit identical values on pairs of data vectors inversed in all bits (these are the so-called self-quasidual functions). The utilization of Boolean signal correction on the orthogonal to all input variable combinations enables the additional determination of correction function values. This ensures the self-duality of functions describing data bits and, consequently, the self-quasiduality of functions describing checking bits. The paper proposes a structure for arranging the calculation control in accordance with the three specified diagnostic features. Furthermore, it develops the algorithm of correction function additional determination that underlies the synthesis of the embedded control circuit. It should be noted that the algorithm does not require the analysis of the values of functions calculated at the outputs of the object of diagnostics; instead, it automatically allows for the performance of additional determinations. This facilitates its utilization when integrated with computer-aided logic design systems. The paper presents a case study of the process of obtaining correction functions and simulates the operation of the synthesized self-checking device, thereby demonstrating the effectiveness of the proposed method.

1. Introduction

In the construction of highly reliable discrete devices for the control systems of critical technological processes, a variety of methods are employed, including the control of calculations in accordance with specific principles, redundancy, diverse protection, and so forth [1,2]. Among the methodologies for arranging calculation control, a significant approach is the configuration of embedded control circuits (ECCs) to impart devices with the capacity for self-checking of their internal structures [3,4].
It is typical of conventional synthesis methods for self-checking digital devices to entail the configuration of calculation control by a single diagnostic feature [5]. The following examples are provided for illustrative purposes.
Classical parity codes [6,7] are employed in the synthesis of ECCs in two distinct ways. The first method entails the allocation of groups of independent outputs on the set of diagnostic object outputs, with the arrangement of separate ECCs for them according to parity. Furthermore, it involves the unification of control outputs at the inputs of a self-checking comparator [8]. The second method is associated with the modification of the diagnostic object structure into a structure with independent outputs that are controlled by parity [9,10].
The well-known constant-weight codes [11] and Berger codes [12] are employed to control calculations, utilizing the properties of monotone Boolean functions. In this case, two variants of the ECC configuration are also possible. The first variant entails the following: a set of outputs of the diagnostic object are partitioned into groups, wherein only monotonic faults are possible. Subsequently, a distinct ECC is constructed for each group using either a constant-weight code or a Berger code. The outputs of these ECCs are then combined at the inputs of a self-checking comparator [13]. The second variant entails modifying the structure of the diagnostic object in a manner that ensures the occurrence of only monotonic manifestations of faults at all its outputs. Subsequently, control is carried out through the utilization of constant-weight codes or Berger codes [14].
The properties of self-dual Boolean functions can be exploited to regulate the calculations occurring at the outputs of digital devices. This configuration of ECCs is associated with the utilization of temporal redundancy and the pulse mode of device operation [15,16].
It is feasible to arrange the ECCs with calculation control using multiple diagnostic features concurrently, which enhances the device’s testability characteristics. To illustrate, in reference to [17], a methodology for arranging calculation control at the outputs of digital devices utilizing Boolean signal correction (BSC), or Boolean complement [18,19], is proposed. This methodology allows for the arrangement of constant-weight codes “2-out-of-4”, with additional control over the self-duality of calculated functions. In this instance, the calculation control is conducted on the groups of diagnostic object output by 4. In [20], a modification of this method is presented for use in conjunction with constant-weight codes “2-r-out-of-2r”, where r is the codeword weight of special signal compression schemes. This enables the control of devices with an arbitrary number of outputs via a single ECC. In reference [21], it was suggested to utilize classical Hamming codes [22] for the purpose of calculation control by groups from the outputs m + k = 3 + 4 i ,   i N 0 , where m and k represent the number of data and checking bits, respectively, that comprise the codeword.
It has been observed by numerous researchers that the simultaneous utilization of multiple diagnostic features for calculation control offers significant advantages.
This paper presents a novel approach to the ECC synthesis, wherein calculation control is achieved through the integration of multiple diagnostic features. This method, designated as SD/SQD-control (SD/SQD—self-dual/self-quasidual checking), employs weight-based sum codes to facilitate the synthesis process.

2. Weight-Based Sum Codes

In the context of sum codes, particular attention will be devoted to the class of weight-based sum codes. The aforementioned codes were initially proposed in [23] and have since been subjected to investigation in several studies, including [24]. It is important to highlight that the fundamental principles underpinning their construction are based on the utilization of bit weighting operations and the application of modular arithmetic, as observed in another class of weight-based sum codes [25,26]. A noteworthy attribute of weight-based sum codes is that on data vectors that are orthogonal to all digit values, the checking bits exhibit identical values. This phenomenon is indicative of self-quasidual Boolean functions, or SQD-functions. These functions may be considered to be of a similar nature to self-dual (SD) functions, which were previously examined in [27]. The utilization of this class of codes facilitates the arrangement of control of combinational devices by multiple diagnostic features.
The construction of weight-based sum codes is as follows. Data bits are combined into a data vector <ym ym–1 ... y2 y1>. Then they are divided into pairs (yi, yi + 1), i = 1 , m 1 ¯ . The pairs are ranked as the number i increases. Each pair is assigned a weight coefficient from the following range: w i , i + 1 1 , 2 , . . . , m 1 . The weight-based sum code control vector is constructed as a binary representation of the data vector weight:
W = i = 1 m 1 w i , i + 1 y i y i + 1 .
The number of checking bits in the weight-based sum code is therefore equal to:
k = log 2 i = 1 m 1 w i , i + 1 + 1 = log 2 m m 1 2 + 1 = log 2 m 2 m + 2 2 .
In order to reduce the number of checking bits when constructing the code at the penultimate stage, it is possible to employ the definition of the smallest non-negative subtraction of the number W modulo M 2 , 4 , . . . , 2 log 2 m m 1 2 + 1 1 , which is represented as W(modM). Nevertheless, to maintain the interference immunity of the code (its capacity to identify any single distortion in the data bits), specific conditions must be satisfied. If the module of the classical Berger code M = 2 log 2 m + 1 is employed in the construction of weight-based sum codes, an interference-proof code can be generated for any m. However, if smaller values of M are considered, it is necessary to exclude the values of the numbers of data bits to ensure the interference-proof nature of the code [28]:
m s M + 1 , s 1 , 2 , . . . , m M .
It is necessary to introduce the designation of the codes under consideration, which we shall refer to as WT(m, k, M)-codes.
Let us examine the manner in which the control of combinational devices utilizing this class of codes is structured, with due consideration of their intrinsic characteristics.

3. SD/SQD-Control Arrangement by Using WT(m, k, M)-Codes

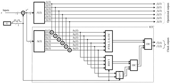
Embedded control circuits (ECCs) are employed to facilitate the indirect detection of faults in combinational digital devices. Figure 1 illustrates the structural configuration of the ECC in accordance with multiple diagnostic features utilizing WT(m, k, M)-codes.
The diagnostic object is a device of combinational type F(X), comprising t inputs, through which Boolean functions f1, f2, …, fm+k are calculated at the outputs. To facilitate the control of calculations at the outputs of the device, the ECC is employed. Furthermore, the ECC is structured according to Boolean signal correction (BSC), as outlined in [18,19], for implementation with block constant-weight codes (in these studies, “Boolean signal correction” is referred to as “Boolean complement”, which, in the view of the authors of this paper, does not accurately reflect the core concept but is, in fact, synonymous). The BSC algorithm entails the transformation of all or part of the function values associated with the f1(X), f2(X), …, fm+k(X) functions in the ECC. This transformation is conducted in such a way that the outputs of the signal correction block, which is formed by a cascade of two-input adders modulo M = 2 (XOR gates), produce the bits h1(X), h2(X), …, hm+k(X), which are components of codewords belonging to pre-selected code sets.
Given that the faults occurring in the device F(X) have the potential to impact the values of any arbitrary bits h1(X), h2(X), …, hm+k(X), it was deemed most appropriate to utilize indivisible codes when configuring the ECC on the basis of BSC. It should be noted that BSC can also be employed in conjunction with divisible codes, including sum codes and Hamming codes. To guarantee the comprehensive self-checkability of the ECC, it is essential to preclude the possibility of undetectable errors occurring in bits h1(X), h2(X), …, hm+k(X). This can be achieved through the utilization of circuitry methods, including the allocation of groups of outputs that are controllable by the selected code, the physical separation of functions that form data, and checking bits of the code, etc. The following method represents an intriguing variant that is related to the control of calculations through the use of multiple diagnostic features.
It is required to obtain not just the functions h1, h2, …, hm+k forming codewords of a pre-selected separable (m, k)-code, where m and k are the number of data and checking bits, respectively, but to endow them with additional diagnostic features. The properties of WT(m, k, M)-codes are employed to rectify the functions f1, f2, …, fm+k into functions h1, h2, …, hm+k. This process ensures that the portion of the functions pertaining to data bits is categorized within the class of SD-functions, while the other portion associated with checking bits is designated as belonging to the class of SQD-functions. It can thus be concluded that the functions h1, h2, …, hm, which define the values of data bits, will be SD-functions. Similarly, the functions hm+1, hm+2, …, hk, which define the values of checking bits, will be SQD-functions. This particular ECC arrangement will henceforth be designated SD/SQD-control using WT(m, k, M)-codes.
The conversion is performed using the following formula:
h i X = f i X δ i X , i = 1 , m + k ¯ ,
where δi(X) are the correction control functions calculated by the block of correction function formation Δ(X).
A self-checking WT(m, k, M)-code checker WT(m, k, M)-TSC is applied to control computations by WT(m, k, M). The mSDC1 block is employed to control the self-duality of functions h1, h2, …, hm. It is formed by a cascade of m self-dual signal checkers (SDC), the outputs of which are connected to the inputs of a self-checking comparator. The latter is implemented using an m–1 elemental two-rail compression (TRC) module. Similarly, the self-quasiduality of functions hm+1, hm+2, …, hk is regulated by the kSQDC1 block. This block is formed by k self-quasidual signal checkers (SQDC), whose outputs are connected to the inputs of the self-checking comparator. It is implemented based on a k − 1 TRC module. The outputs of the mSDC1 and kSQDC1 devices are connected to the inputs of the same TRC module. The outputs of this component serve as the control outputs of the self-dual and self-quasidual signal control subcircuit. To obtain a single control signal, the outputs of the WT(m, k, M)-TSC and the self-dual and self-quasidual control subcircuits are connected to the TRC component [29]. Its outputs z0(X) and z1(X) are the control outputs of the ECC.
The structure depicted in Figure 1 operates in pulse mode and employs temporal redundancy. Accordingly, each signal is represented by a sequence of pulses produced by the generator G. The specifics of circuit operation in pulse mode are discussed in detail in references [30,31].
The aforementioned ECC configuration permits the regulation of computations at the outputs of combinational devices and, moreover, offers enhanced coverage of potential errors occurring at their outputs in comparison to control solely by WT(m, k, M)-code or solely by belonging of formed functions to SD- and SQD-function classes. An illustrative example of an efficacious utilization of this specific form of control is the deployment of Hamming code with the m + k = 3 + 4 i , i N 0 number of bits in codewords [21].
It is also important to note the manner in which computations are controlled on the basis of the self-squareness of signals. As the stuck-at-0 and stuck-at-1 functions are self-quasidual, stuck-at faults at the device outputs will not be detected in the case of calculation control solely on the basis of this feature. This disadvantage is compensated by controlling the computation by belonging to the WT(m, k, M)-code.
In order to form the h1, h2, …, hm+k functions, which are SD- or SQD-functions and simultaneously functions describing bits of WT(m, k, M)-codes, it is necessary to adhere to specific rules. One potential approach to the ECC construction is provided herein for consideration.

4. ECC Synthesis Algorithm

It is important to consider a WT(m, k, M)-code with modulus M = 2 log 2 m + 1 1 . However, it should be noted that, in accordance with the aforementioned feature (see Formula (3)), a code with such a modulus will not be interference-proof for all m: m s 2 log 2 m + 1 1 + 1 ,   s 1 , 2 , . . . , m M . It should be noted that the WT(m, k, M)-code is not guaranteed to be interference-proof in cases m ≠ 9, 17, …. It would be prudent to take this into account and refrain from utilizing this code to control calculations at the outputs of combinational devices with the specified values of m.
It is necessary to consider the complete set of the WT(m, k, M)-code data vectors (total 2m data vectors). It should be noted that all data vectors of the WT(m, k, M)-code are classified into control groups by weight r = W mod M . The values of weight r = W mod M 0 , 1 , . . . , M 1 . Each data vector is further assigned a decimal number l 0 , 1 , . . . , 2 m 1 corresponding to the binary number represented in it.
The following section will provide a step-by-step description of the algorithm used to obtain the values of the Boolean correction functions.
  • Step 1.
The parameters of the WT(m, k, M)-code are determined by the number of outputs (m + k) of a given combinational device. The WT(m, k, M)-code with modulus value M = 2 log 2 m + 1 1 , constructed in accordance with the prescribed code construction rules, is not applicable in the following cases:
m + k = 2 i 1 + log 2 2 log 2 2 i 1 + 1 1 = 2 i 1 + log 2 2 i 1 = 2 i + i 1 , i N .
It can be deduced from Formula (5) that the codes in question comprise a number of bits in the codewords, which are as follows: m + k = 2, 5, 10, 19, 36…
If the number of outputs of the device is equal to the number calculated using Formula (5), it is possible to create a separate function during the synthesis of the ECC, directly and without transformations, to control calculations on WT(m, k, M)-code with the value of the modulus M = 2 log 2 m + 1 1 . This function will form one checking bit.
  • Step 2.
In the event that m + k does not satisfy expression (5), it follows that among the digits f1(X), f2(X), …, fm+k(X) are those that will form data bits (f1, f2, …, fm) and checking bits (fm+1(X), fm+2(X), …, fm+k(X)). In the event that m + k satisfies expression (5), the functions that form data bits (f1(X), f2(X), …, fm(X)) are assigned. The remaining functions and an additional function formed directly by a programmable logic device will calculate the values of checking bits hm+1(X), hm+2(X), …, hm+k(X).
  • Step 3.
The complete set of WT(m, k, M) data vectors is classified into control groups according to their weight r 0 , 1 , . . . , M 1 . Based on the principles of code construction, data vectors with a Hamming distance of d = m (orthogonal to all data bits) will be included in one control group. The sets of data vectors with weight r will be denoted as Wr, r 0 , 1 , . . . , M 1 .
  • Step 4.
From each Wr  r 0 , 1 , . . . , M 1 set, a subset consisting of one pair of data vectors that are orthogonal to all bits is selected:
r W R W r : W r = l , 2 m 1 l , l 0 , 1 , . . . , 2 m 1 .
At this stage, only the requisite data vectors are extracted to form all possible weights. Consequently, their input ensures the checkability of the WT(m, k, M)-code encoder in the ECC.
It is imperative to provide a brief clarification at this juncture. During the process of synthesizing the ECC, one may opt for any pair of data vectors that comprise combinations orthogonal to all bits. Nonetheless, when selecting them, the primary condition must be met: at least one pair of combinations corresponding to each control vector WT(m, k, M)-codes must be utilized. Failure to do so will render it impossible to provide a full check of a given code checker. The restriction of the number of pairs of data vectors simplifies the selection procedure, as one pair corresponding to one control vector is sufficient for the full check of the checker. In practice, it is possible to select more pairs corresponding to the same control vector. However, this will simply complicate the procedure of additional determination of the values of the Boolean signal correction functions at the subsequent stages of synthesis of the embedded control circuit.
  • Step 5.
All 2 t input combinations <xt xt–1x2 x1> corresponding to decimal equivalents j 0 , 1 , . . . , 2 t 1 are split into pairs consisting of combinations orthogonal in all bits:
j , 2 t 1 j , j 0 , 1 , . . . , 2 t 1 .
In total, there will be 2 t 1 pairs of input combinations.
  • Step 6.
The repeatability factor required at subsequent stages of the algorithm for the additional determination of Boolean correction functions is defined as follows:
η = 2 t 1 M = 2 t 1 2 log 2 m + 1 1 = 2 t log 2 m + 1 , t log 2 m + 1 .
It thus follows that a constraint is imposed, namely that the number of pairs of input combinations must be at least M. This determines the total number of pairs of data vectors in all subsets W r .
It is important to note that as the value of t increases in comparison to the value of log 2 m + 1 , the number of codewords with the same weight r will also increase. Consequently, the internal structure of the WT(m, k, M)-code encoder in the ECC will be tested on a greater number of input combinations.
  • Step 7.
Additional determination of the values of the Boolean correction functions is conducted.
7.1. From the complete set of input combinations, it is necessary to select those with numbers 0 , 1 , . . . , η 1 , forming a code word WT(m, k, M)-code with a data vector corresponding to the first combination from the pair W r = W 0 and a control vector corresponding to the number r=0. Furthermore, input combinations with numbers 2 t 1 , 2 t 2 , . . . , 2 t η are also allocated, for which a codeword is formed using the WT(m, k, M)-code with a data vector corresponding to the second combination from the pair W r = W 0 and a control vector corresponding to the number r = 0.
7.2. It is necessary to select those with numbers η , η + 1 , . . . , 2 η 1 , forming a code word WT(m, k, M)-code with a data vector corresponding to the first combination from the pair W r = W 1 and a control vector corresponding to the number r = 1. Furthermore, input combinations with numbers 2 t η 1 , 2 t η 2 , . . . , 2 t η η , are also allocated, for which a codeword is formed using the WT(m, k, M)-code with a data vector corresponding to the second combination from the pair W r = W 1 and a control vector corresponding to the number r = 1.
7.M. It is necessary to select those with numbers M 1 η , M 1 η + 1 , . . . , M η 1 , forming a code word WT(m, k, M)-code with a data vector corresponding to the first combination from the pair W r = W M 1 and a control vector corresponding to the number r = M − 1. Furthermore, input combinations with numbers 2 t M 1 η 1 , 2 t M 1 η 2 , . . . , 2 t M η are also allocated, for which a codeword is formed using the WT(m, k, M)-code with a data vector corresponding to the second combination from the pair W r = W M 1 and a control vector corresponding to the number r = M − 1.
  • Step 8.
The values of the Boolean correction functions are calculated as follows:
δ i ( X ) = f i ( X ) h i ( X ) , i = 1 , m + k ¯ ,
where f i(X) is the value of the i-th function, h i(X) is the value of the i-th character of the codeword WT(m, k, M)-code, and δi(X) is the value of the i-th Boolean correction function.
Formula (9) can be derived directly from Formula (3).
  • Step 9.
A complete set of test combinations for each XORp gate must be established, comprising at least one combination from the set {00, 01, 10, 11} [32].
In the event that no test combinations can be formed for any of the XORp gates, an alternative method of additional determination of the Boolean correction functions on some input combinations is employed. The methodology employed is analogous to that described in reference [33]. In addition, we may return to step 4 and select alternative WT(m, k, M)-code vectors.
  • Step 10.
The control logic block is synthesized from the values of the functions δi(X), i = 1 , m + k ¯ , in the selected element base. The remaining ECC components are standard and are selected based on the parameters m and k.
To illustrate the operation of algorithm, we will consider the example of an arbitrary combinational device F(x), described by Table 1.
To obtain the values of the Boolean correction functions in the ECC, the following steps must be taken.
  • Step 1.
The number of device inputs is 4. The number of outputs is 6. The WT(m, k, M)-code is the WT(4, 2, 4)-code, since M = 2 log 2 4 + 1 1 = 4 .
  • Step 2.
It is necessary to distinguish functions f1, f2, f3, f4 as those that affect the formation of data bits of WT(4, 2, 4)-code in the ECC, and functions f5, f6 as those that affect the formation of checking bits of WT(4, 2, 4)-code in the ECC.
  • Step 3.
The complete set of WT(4, 2, 4)-codewords (see Table 2) is formed and classified by weight (see Table 3).
  • Step 4.
It is necessary to identify the subsets W r (see Table 4).
  • Step 5.
2 t 1 = 2 4 1 = 8 pairs of input combinations need to be allocated.
  • Step 6.
The repeatability factor needs to be determined η = 2 t 1 M = 2 4 log 2 4 + 1 = 2 4 3 = 2 . The condition t log 2 m + 1 is met.
  • Step 7.
Additional determination of correction function values:
7.1. From the complete set of input combinations, those comprising numbers 0 , 1 are selected, and the resulting codeword <0000 00> is formed (see Table 4). The input combinations comprising numbers 2 4 1 , 2 4 2 = 15 , 14 , for which the codeword <1111 00> is formed, are also selected (see Table 4).
7.2. The input combinations comprising numbers 2 , 2 2 1 = 2 , 3 are selected, and the resulting codeword <0001 01> is formed (see Table 4). The input combinations comprising numbers 2 4 2 1 , 2 4 2 2 = 13 , 12 , for which the codeword <1110 01> is formed, are also selected (see Table 4).
7.3. The input combinations comprising numbers 2 2 , 3 2 1 = 4 , 5 are selected, and the resulting codeword <0011 10> is formed. The input combinations comprising numbers 2 4 4 1 , 2 4 4 2 = 11 , 10 , for which the codeword <1100 10> is formed, are also selected.
7.4. The input combinations comprising numbers 4 1 2 , 4 2 1 = 6 , 7 are selected, and the resulting codeword <0010 11> is formed. The input combinations comprising numbers 2 4 4 1 2 1 , 2 4 4 2 = 9 , 8 , for which the codeword <1101 11> is formed, are also selected.
The results of this step are summarized in Table 5.
  • Step 8.
The values of the Boolean correction functions are calculated (see Table 6).
  • Step 9.
Checking the formation of a complete set of test combinations for each component of the transformation shows that this condition is satisfied.
  • Step 10.
The control logic block is synthesized on the basis of the obtained values, as is the ECC itself, which is synthesized from the standard blocks (see Figure 1).
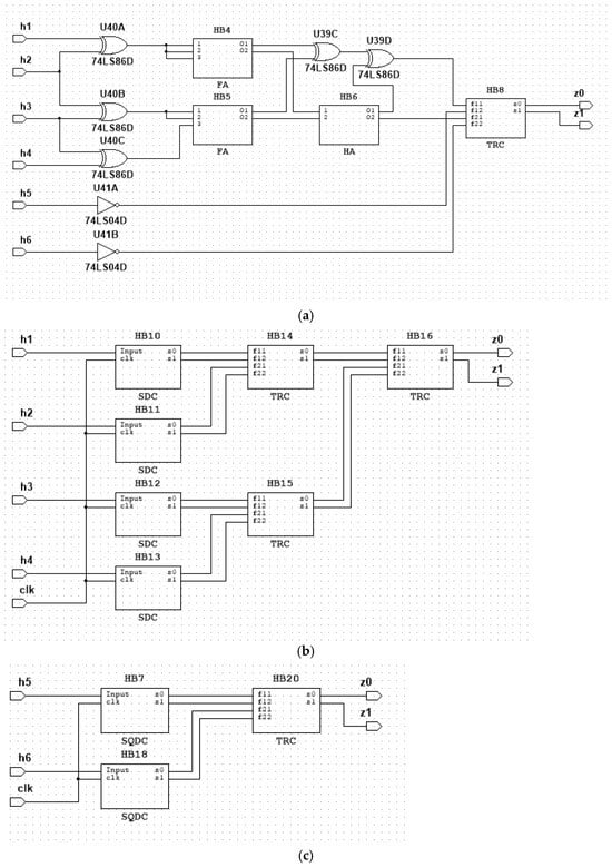
The configuration of the self-checking device for the aforementioned example is illustrated in Figure 2.

5. Modeling a Self-Checking Device

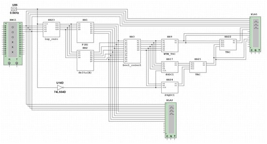
The Multisim 14.0 software is applied to simulate the operation of the synthesized self-checking device that was previously discussed. To achieve this, the ECC device model illustrated in Figure 2 is implemented. Figure 3 shows the general layout of the model.
Figure 3 represents all functional blocks as “black boxes” to reduce the overall visual bulk of the image.
Block HB1 represents the initial diagnostic object synthesized in accordance with the specifications set forth in Table 1. In the process of synthesis, several common gates were identified that facilitate the creation of paths to multiple outputs within the structure of the diagnostic object. This, in turn, creates conditions conducive to the occurrence of multiple errors due to faults in such gates. Figure 4 illustrates a fragment of the diagnostic object, as the whole layout is unnecessarily complex. Nevertheless, the fragment is adequate for comprehending the propagation of faults in circuit structures. In the layout fragment, outputs f2 and f3 share a common U5A gate. In the event of a failure in this gate, a double fault may occur at outputs f2 and f3.
Block HB2 serves as the control block for the correction function calculation and is synthesized in accordance with the specifications outlined in Table 6. The input combinations for the operation of both blocks HB1 and HB2 are conveyed to a cascade of four two-input XOR gates (HB23 device) prior to entering their inputs. The device, in conjunction with the rectangular pulse generator U86 with a duty cycle of D = 50%, enables the device to operate in pulse mode.
The input combinations are generated by the XWG1 codeword generator. The configuration allows for the formation of all potential binary combinations of length 4, as illustrated in Figure 5.
The outputs of blocks HB1 and HB2 are connected to the inputs of the Boolean signal correction block (HB3 block). This is a cascade of six two-input XOR gates. The function of this block is to correct the values of the operating functions of the diagnostic object into the functions h1, h2, h3, h4, h5, h6, which describe the bits of the WT(4, 2, 4)-codewords.
To ascertain whether the formed bits h1, h2, h3, h4, h5, h6 are indeed part of the WT(4, 2, 4)-code, a checker of this code, namely the HB9 device, is installed (see Figure 6a). Functions h1, h2, h3, h4 constitute data bits of the WT(4, 2, 4)-code and are initially classified as SD-functions (see Table 6). The 4SDC1 (HB21) device (see Figure 6b) is installed for the purpose of controlling self-duality. Functions h5, h6 constitute the checking bits of the WT(4, 2, 4)-code and originally belong to the class of SQD-functions (see Table 6). The 2SQDC1 (HB13) device (Figure 6c) is installed for the purpose of monitoring the self-quasiduality.
The checker outputs are combined at the inputs of the HB22 two-rail compression block. The logic analyzers XLA1 and XLA2 are connected to the various control points in the model, which are used to construct timing diagrams of operation. Initially, the correct operation of the synthesized self-checking device in the absence of faults was simulated. The operation layouts shown in Figure 7a and Figure 8a demonstrate the correctness of the calculations, as evidenced by the presence of a two-rail pulse signal at the outputs of the checkers. The common-mode signal is generated exclusively at the outset of circuit operation, due to the fact that at circuit inception, the identical logic zero signal is present on both checker lines. Following a clock cycle, the pulse nature of the circuit operation is revealed, and the checker reverts to its normal state.
Subsequently, a fault of the stuck-at-1 type at the output of the U5A block was incorporated into the diagnostic object circuit diagram. As previously stated, this block is connected to several outputs, and its malfunction may result in the occurrence of n-fold errors at the outputs. Timing diagrams of the circuit operation exhibiting faults are shown in Figure 7b and Figure 8b. As can be observed, common-mode signals are present at the outputs of the checkers and TRC block, thereby indicating that the fault has been successfully identified.
Figure 8b illustrates the signals at the HB22/z0 and HB22/z1 outputs, demonstrating the specific clock cycles at which the fault is manifested at the watchdog outputs in the ECC. In those clock cycles that are not highlighted, the two-rail nature of the signal remains unaltered; however, the values of the output functions remain accurate. The bottom two signal pairs illustrate data obtained from the WT(4, 2, 4) code checker (HB9/z0 and HB9/z1 outputs) and the SD/SQD-control cascade (HB21/z0 and HB21/z1 outputs). Only the clock cycles at which errors are identified by each of the monitoring subcircuits are highlighted in this representation. The analysis of these diagrams indicates that in the absence of the WT(4, 2, 4)-code monitoring subcircuit, the fault manifestation in the form of a fault at three cycles of operation would not be detected. Conversely, in the absence of the SD/SQD-control circuit, faults occurring in eight cycles would not be detected.
Therefore, if a single diagnostic feature were employed for examination, the number of undetected faults would be considerably higher than if two diagnostic features were utilized. However, it is important to acknowledge that the fault in the control caused by each of the diagnostic features is fixed, at least on one input combination. Furthermore, the control of calculations by two diagnostic features enhances the indicators of checkability in terms of observability.

6. Discussion

The ECC synthesis method proposed in this paper, which allows for computational control over multiple diagnostic features, has not been previously studied in the literature. Its distinctive feature is that it integrates code control with the control of self-duality and self-quasiduality of Boolean functions generated in the ECC. Furthermore, the method is applicable to diagnostic objects with self-dual/self-quasidual structures, as well as to any additional properties of the functions formed by the diagnostic object. This renders the method suitable for application in a wide range of practical contexts. The present method can be compared with well-known approaches on two different levels. First, it can be compared with approaches based on the calculation control on the basis of the belonging of the formed codewords to a given uniform block code [3,4]. Second, it can be compared with approaches based solely on the calculation control on the basis of the self-duality of Boolean functions [19,30,31]. In contrast to the aforementioned approaches and the methods based on them, the proposed method allows the enhancement of fault observability indices without the significant complication of the embedded control circuitry. This enhancement can be achieved by increasing the number of test combinations among the operational ones [29,32]. This is achieved through the calculation control by multiple diagnostic features simultaneously (see Figure 8b). Such a feature of the developed methodology pertains to the perpetual fluctuation of signals at the device inputs, attributable to their representation as sequences 0–0101...01 and 1–1010...10. This significantly increases the control efficiency and enables fault detection even with infrequently changing input data. Such modes of operation are intrinsic to numerous systems of critical applications in the military, industry, and transport sectors [34]. Experimental findings demonstrate that, on average, observability indices are enhanced by 20–25% in comparison to calculation control that is limited to a single diagnostic feature. It is noteworthy that the improvement in the features is consistently achieved, albeit contingent on the type of fault under control and the characteristics of the diagnostic object’s structure. In certain instances, a more than 50% enhancement in observability indices has been demonstrated. Consequently, the devised method can prove to be highly effective in such circumstances.
Furthermore, the ECC structure illustrated in Figure 1 is notable for its versatility, allowing the use of WT(m, k, M)-codes with arbitrary values of M 2 2 , 2 3 , . . . , 2 log 2 m m 1 2 + 1 1 , 2 log 2 m m 1 2 + 1 while still satisfying condition (3). Accordingly, there are a large number of ECC configurations that align with the aforementioned method. Furthermore, the employed WT(m, k, M)-codewords can be selected during the ECC synthesis in the process of BSC function generation. This enables the synthesis of devices with varying features and facilitates the attainment of self-checkability of their structures.
One disadvantage of the structure proposed by the authors is that the number of conversion elements in the ECC is equal to the m + k outputs of the diagnostic object. It is essential to ensure the creation of a verification test for each of these elements. The greater the number t of inputs of the diagnostic object, the more straightforward the process becomes.
The algorithm developed by the authors for the additional determination of WT(m, k, M)-codewords is characterized by a distinctive feature: it entails straightforward filling actions, effectively mapping the accessible codewords of a specific code to strings that align with the input combinations provided to the diagnostic object. Concurrently, the generation of a comprehensive set of WT(m, k, M)-code control vectors is consistently accomplished, thereby streamlining the process of ensuring the self-checkability of a given code checker. Nevertheless, the algorithm implies that the number of operations to compute the control functions for signal correction depends on the number of inputs t. The complete set of input combinations is defined by the 2 t value. Thus, it follows that the time complexity of the proposed algorithm is asymptotically estimated by the value 2 O t , i.e., it is solved in exponential time with a linear exponent. This suggests that the method is constrained by the computing capabilities of contemporary computers. It is effective for applications involving devices with up to 32–35 inputs. The utilization of higher-power computers, such as supercomputers, serves to eliminate this limitation and enables a substantial increase in the number of inputs. Concurrently, it is imperative to estimate the performance of the method when employed on computing facilities with varying capacities in each specific case. Moreover, the decomposition of Boolean functions allows for the synthesis of the ECC according to the method proposed by the authors, which employs group control and combines multiple control subcircuits at the inputs of the self-checking comparator.

7. Conclusions

Weight-based sum codes represent a significant category of fixed-length codes with notable efficacy in the synthesis of fault-detection devices. These codes are distinguished from other sum codes by the fact that the functions describing their checking bits are SQD-functions. It would be advantageous to consider the utilization of this property when synthesizing ECCs. This paper illustrates an efficient approach to exploiting this property.
In constructing the ECC according to the proposed method, there is considerable variability in the selection of WT(m, k, M)-code parameters, subsets of data vectors employed, and methods of Boolean signal correction. This presents an opportunity to exert influence over the structural redundancy indices of the self-checking device, specifically enabling the selection of the Δ(X) block exhibiting the lowest structural redundancy indices. In addition, it is considerably more straight-forward to guarantee that the controls in the ECC are self-checking. Moreover, this can be accomplished even in instances where it is unfeasible, such as when synthesizing ECCs through the conventional duplication approach (for an illustrative example, see Section 4 in [35]).
Furthermore, it should be noted that the ECC configuration methodology is readily algorithmic and automatable. The ECC components, with the exception of the Δ(X) block, are standard. The aforementioned circumstances facilitate the straightforward incorporation of the proposed ECC synthesis methodology into computer-aided logic circuit design systems.
Further studies of the presented approach to the ECC configuration using multiple diagnostic features could include an investigation of the properties of other sum codes when using the BSC method, an analysis of the checkability indicators of devices synthesized by the presented method, and an exploration of the possibilities of synthesizing programmable logic controllers. The applications of linear block codes, including Hamming codes and their various modifications [36,37], are worthy of further investigation.
The SD/SQD-control method utilizing WT(m, k, M)-codes is of interest to the authors for the synthesis of self-checking digital devices with enhanced checkability.

Author Contributions

Conceptualization, D.V.E.; methodology, D.V.E.; validation, D.V.E.; formal analysis, D.V.E. and D.V.P.; investigation, D.V.E. and D.V.P.; writing—original draft preparation, D.V.E. and D.V.P.; writing—review and editing, D.V.E., D.V.P. and N.C.V.; visualization, A.O.K. and D.E.E.; supervision, D.V.E.; project administration, D.V.P. All authors have read and agreed to the published version of the manuscript.

Funding

The research is funded by the Ministry of Science and Higher Education of the Russian Federation as part of the World-class Research Center program: Advanced Digital Technologies (contract No. 075-15-2022-311 dated 04.20.2022).

Data Availability Statement

Data are contained within the article.

Conflicts of Interest

The authors declare no conflicts of interest.

References

  1. Ubar, R.; Raik, J.; Vierhaus, H.T. Design and Test Technology for Dependable Systems-on-Chip (Premier Reference Source); Information Science Reference/IGI Global: Hershey, PA, USA, 2011; 578p. [Google Scholar]
  2. Dubrova, E. Fault-Tolerant Design; Springer Science+Business Media: New York, NY, USA, 2013; XV+185p. [Google Scholar] [CrossRef]
  3. Nicolaidis, M.; Zorian, Y. On-Line Testing for VLSI—A Compendium of Approaches. J. Electron. Test. Theory Appl. (JETTA) 1998, 12, 7–20. [Google Scholar] [CrossRef]
  4. Mitra, S.; McCluskey, E.J. Which Concurrent Error Detection Scheme to Choose? In Proceedings of the International Test Conference 2000, Atlantic City, NJ, USA, 3–5 October 2000; pp. 985–994. [Google Scholar] [CrossRef]
  5. Lala, P.K. Self-Checking and Fault-Tolerant Digital Design; Morgan Kaufmann Publishers: San Francisco, CA, USA, 2001; 216p. [Google Scholar]
  6. Ghosh, S.; Basu, S.; Touba, N.A. Synthesis of Low Power CED Circuits Based on Parity Codes. In Proceedings of the 23rd IEEE VLSI Test Symposium (VTS’05), Palm Springs, CA, USA, 1–5 May 2005; pp. 315–320. [Google Scholar]
  7. Borecký, J.; Kohlík, M.; Kubátová, H. Parity Driven Reconfigurable Duplex System. Microprocess. Microsyst. 2017, 52, 251–260. [Google Scholar] [CrossRef]
  8. Aksenova, G.P.; Sogomonyan, E.S. Design of Self-Checking Built-In Check Circuits for Automata with Memory. Autom. Remote Control 1975, 36, 1169–1177. [Google Scholar]
  9. Sogomonyan, E.S.; Gössel, M. Design of Self-Testing and On-Line Fault Detection Combinational Circuits with Weakly Independent Outputs. J. Electron. Test. Theory Appl. 1993, 4, 267–281. [Google Scholar] [CrossRef]
  10. Göessel, M.; Morozov, A.A.; Sapozhnikov, V.V.; Sapozhnikov, V.V. Construction of Combinational Self-Checking Devices with Monotonically Independent Outputs. Autom. Remote Control 1994, 55, 1050–1059. [Google Scholar]
  11. Freiman, C.V. Optimal Error Detection Codes for Completely Asymmetric Binary Channels. Inf. Control 1962, 5, 64–71. [Google Scholar] [CrossRef]
  12. Berger, J.M. A Note on Error Detection Codes for Asymmetric Channels. Inf. Control 1961, 4, 68–73. [Google Scholar] [CrossRef]
  13. Saposhnikov, V.V.; Morosov, A.; Saposhnikov, V.V.; Göessel, M. A New Design Method for Self-Checking Unidirectional Combinational Circuits. J. Electron. Test. Theory Appl. 1998, 12, 41–53. [Google Scholar] [CrossRef]
  14. Morosow, A.; Saposhnikov, V.V.; Saposhnikov, V.V.; Göessel, M. Self-Checking Combinational Circuits with Unidirectionally Independent Outputs. VLSI Des. 1998, 5, 333–345. [Google Scholar] [CrossRef]
  15. Reynolds, D.A.; Meize, G. Fault Detection Capabilities of Alternating Logic. IEEE Trans. Comput. 1978, C-27, 1093–1098. [Google Scholar] [CrossRef]
  16. Aksjonova, G.P. Restoration in Duplicated Units by the Method of Data Inversion. Autom. Remote Control 1987, 10, 144–153. [Google Scholar]
  17. Efanov, D.; Sapozhnikov, V.; Sapozhnikov, V.; Osadchy, G.; Pivovarov, D. Self-Dual Complement Method up to Constant-Weight Codes for Arrangement of Combinational Logical Circuits Concurrent Error-Detection Systems. In Proceedings of the 17th IEEE East-West Design & Test Symposium (EWDTS’2019), Batumi, Georgia, 13–16 September 2019; pp. 136–143. [Google Scholar] [CrossRef]
  18. Göessel, M.; Morozov, A.V.; Sapozhnikov, V.V.; Sapozhnikov, V.V. Logic Complement, a New Method of Checking the Combinational Circuits. Autom. Remote Control 2003, 1, 153–161. [Google Scholar] [CrossRef]
  19. Göessel, M.; Ocheretny, V.; Sogomonyan, E.; Marienfeld, D. New Methods of Concurrent Checking, 1st ed.; Springer Science+Business Media, B.V.: Dordrecht, The Netherlands, 2008; 184p. [Google Scholar]
  20. Efanov, D.V.; Pivovarov, D.V. The Hybrid Structure of a Self-Dual Built-In Control Circuit for Combinational Devices with Pre-Compression of Signals and Checking of Calculations by Two Diagnostic Parameters. In Proceedings of the 19th IEEE East-West Design & Test Symposium (EWDTS’2021), Batumi, Georgia, 10–13 September 2021; pp. 200–206. [Google Scholar] [CrossRef]
  21. Efanov, D.; Pogodina, T. Properties Investigation of Self-Dual Combinational Devices with Calculation Control Based on Hamming Codes. Inform. Autom. 2023, 22, 349–392. [Google Scholar] [CrossRef]
  22. Hamming, R.W. Error Detecting and Correcting Codes. Bell Syst. Tech. J. 1950, 29, 147–160. [Google Scholar] [CrossRef]
  23. Saposhnikov, V.; Saposhnikov, V. New Code for Fault Detection in Logic Circuits. In Proceedings of the 4th International Conference on Unconventional Electromechanical and Electrical Systems, St. Petersburg, Russia, 21–24 June 1999; pp. 693–696. [Google Scholar]
  24. Mekhov, V.B.; Sapozhnikov, V.V.; Sapozhnikov, V.V. Checking of Combinational Circuits Basing on Modification Sum Codes. Autom. Remote Control 2008, 69, 1411–1422. [Google Scholar] [CrossRef]
  25. Das, D.; Touba, N.A. Weight-Based Codes and Their Application to Concurrent Error Detection of Multilevel Circuits. In Proceedings of the 17th IEEE Test Symposium, Dana Point, CA, USA, 25–29 April 1999; pp. 370–376. [Google Scholar] [CrossRef]
  26. Das, D.; Touba, N.A.; Seuring, M.; Gossel, M. Low Cost Concurrent Error Detection Based on Modulo Weight-Based Codes. In Proceedings of the IEEE 6th International On-Line Testing Workshop (IOLTW), Palma de Mallorca, Spain, 3–5 July 2000; pp. 171–176. [Google Scholar] [CrossRef]
  27. Shalyto, A.A. Logical Control. Methods of Hardware and Software Implementation; Nauka: St. Petersburg, Russia, 2000; 780p. [Google Scholar]
  28. Sapozhnikov, V.V.; Sapozhnikov, V.V.; Efanov, D.V.; Kotenko, A.G. Modulo Codes with Summation of Weighted Transitions with Natural Number Sequence of Weights. SPIIRAS Proc. 2017, 1, 137–164. [Google Scholar] [CrossRef][Green Version]
  29. Nikolos, D. Self-Testing Embedded Two-Rail Checkers. J. Electron. Test. Theory Appl. 1998, 12, 69–79. [Google Scholar] [CrossRef]
  30. Saposhnikov, V.V.; Dmitriev, A.; Göessel, M.; Saposhnikov, V.V. Self-Dual Parity Checking—A New Method for on Line Testing. In Proceedings of the 14th IEEE VLSI Test Symposium, Princeton, NJ, USA, 28 April–1 May 1996; pp. 162–168. [Google Scholar]
  31. Saposhnikov, V.V.; Moshanin, V.; Saposhnikov, V.V.; Göessel, M. Experimental Results for Self-Dual Multi-Output Combinational Circuits. J. Electron. Test. Theory Appl. 1999, 14, 295–300. [Google Scholar] [CrossRef]
  32. Aksenova, G.P. Necessary and sufficient conditions for design of completely checkable modulo 2 convolution circuits. Autom. Remote Control 1979, 40, 1362–1369. [Google Scholar]
  33. Sapozhnikov, V.; Sapozhnikov, V.; Efanov, D. Concurrent Error Detection of Combinational Circuits by the Method of Boolean Complement on the Base of «2-out-of-4» Code. In Proceedings of the 14th IEEE East-West Design & Test Symposium (EWDTS’2016), Yerevan, Armenia, 14–17 October 2016; pp. 126–133. [Google Scholar] [CrossRef]
  34. Drozd, A.; Kharchenko, V.; Antoshchuk, S.; Sulima, J.; Drozd, M. Checkability of the Digital Components in Safety-Critical Systems: Problems and Solutions. In Proceedings of the 9th IEEE East-West Design & Test Symposium (EWDTS’2011), Sevastopol, Ukraine, 9–12 September 2011; pp. 411–416. [Google Scholar] [CrossRef]
  35. Göessel, M.; Morozov, A.V.; Sapozhnikov, V.V.; Sapozhnikov, V.V. Checking Combinational Circuits by the Method of Logic Complement. Autom. Remote Control 2005, 66, 1336–1346. [Google Scholar] [CrossRef]
  36. Amine, T.M.; Ali, D. A New Method for Building Low-Density-Parity-Check Codes. Int. J. Technol. 2019, 10, 953–960. [Google Scholar] [CrossRef]
  37. Li, J.; Liu, S.; Reviriego, P.; Xiao, L.; Lombardi, F. Scheme for Periodical Concurrent Fault Detection in Parallel CRC Circuits. IET Comput. Digit. Tech. 2020, 14, 80–85. [Google Scholar] [CrossRef]
Figure 1. Structural configuration of the ECC in accordance with multiple diagnostic features.
Figure 1. Structural configuration of the ECC in accordance with multiple diagnostic features.
Automation 06 00006 g001
Figure 2. Configuration of the ECC device in question.
Figure 2. Configuration of the ECC device in question.
Automation 06 00006 g002
Figure 3. General layout of the model.
Figure 3. General layout of the model.
Automation 06 00006 g003
Figure 4. Diagnostic object layout fragment.
Figure 4. Diagnostic object layout fragment.
Automation 06 00006 g004
Figure 5. Configuring the XWG1 generator.
Figure 5. Configuring the XWG1 generator.
Automation 06 00006 g005
Figure 6. Checkers: (a). WT(4, 2, 4)-code; (b). 4SDC1; (c). 2SQDC1.
Figure 6. Checkers: (a). WT(4, 2, 4)-code; (b). 4SDC1; (c). 2SQDC1.
Automation 06 00006 g006
Figure 7. Timing diagrams from the inputs and outputs of the diagnostic object (XLA2 analyzer): (a) free from faults; (b) exhibiting faults.
Figure 7. Timing diagrams from the inputs and outputs of the diagnostic object (XLA2 analyzer): (a) free from faults; (b) exhibiting faults.
Automation 06 00006 g007
Figure 8. Timing diagram derived from the model control devices (XLA1 analyzer): (a) free from faults; (b) exhibiting faults.
Figure 8. Timing diagram derived from the model control devices (XLA1 analyzer): (a) free from faults; (b) exhibiting faults.
Automation 06 00006 g008
Table 1. Truth table for the combinational device F(x).
Table 1. Truth table for the combinational device F(x).
No.x1x2x3x4f1f2f3f4f5f6
00000010111
10001000000
20010010010
30011001110
40100111110
50101010111
60110100100
70111000000
81000100001
91001010001
101010011001
111011010010
121100100100
131101011000
141110011000
151111000000
Table 2. WT(4, 2, 4)-codewords.
Table 2. WT(4, 2, 4)-codewords.
No.h1h2h3h4WW(mod4)h5h6
000000000
100011101
200103311
300112210
401005101
501016210
601104000
701113311
810003311
910014000
1010106210
1110115101
1211002210
1311013311
1411101101
1511110000
Table 3. Classification of WT(4, 2, 4)-codewords by weight.
Table 3. Classification of WT(4, 2, 4)-codewords by weight.
r
0123
0000000100110010
0110010001010111
1001101110101000
1111111011001101
Table 4. Subsets of WT(4, 2, 4)-codewords involved in additional determination.
Table 4. Subsets of WT(4, 2, 4)-codewords involved in additional determination.
r
0123
W r
0000000100110010
1111111011001101
Table 5. Table of values at the outputs of the Boolean correction block in the ECC.
Table 5. Table of values at the outputs of the Boolean correction block in the ECC.
No.x1x2x3x4f1f2f3f4f5f6h1h2h3h4h5h6
00000010111000000
10001000000000000
20010010010000101
30011001110000101
40100111110001110
50101010111001110
60110100100001011
70111000000001011
81000100001110111
91001010001110111
101010011001110010
111011010010110010
121100100100111001
131101011000111001
141110011000111100
151111000000111100
Table 6. Table of additional values of Boolean correction functions.
Table 6. Table of additional values of Boolean correction functions.
No.x1x2x3x4f1f2f3f4f5f6h1h2h3h4h5h6δ1δ 2δ3δ4δ5δ6
00000010111000000010111
10001000000000000000000
20010010010000101010111
30011001110000101001011
40100111110001110110000
50101010111001110011001
60110100100001011101111
70111000000001011001011
81000100001110111010110
91001010001110111100110
101010011001110010101011
111011010010110010100000
121100100100111001011101
131101011000111001100001
141110011000111100100100
151111000000111100111100
Disclaimer/Publisher’s Note: The statements, opinions and data contained in all publications are solely those of the individual author(s) and contributor(s) and not of MDPI and/or the editor(s). MDPI and/or the editor(s) disclaim responsibility for any injury to people or property resulting from any ideas, methods, instructions or products referred to in the content.

Share and Cite

MDPI and ACS Style

Efanov, D.V.; Pivovarov, D.V.; Cortegoso Vissio, N.; Kuptsov, A.O.; Egorov, D.E. Method for Testing Combinational Circuits by Multiple Diagnostic Features Using Weight-Based Sum Codes Properties. Automation 2025, 6, 6. https://doi.org/10.3390/automation6010006

AMA Style

Efanov DV, Pivovarov DV, Cortegoso Vissio N, Kuptsov AO, Egorov DE. Method for Testing Combinational Circuits by Multiple Diagnostic Features Using Weight-Based Sum Codes Properties. Automation. 2025; 6(1):6. https://doi.org/10.3390/automation6010006

Chicago/Turabian Style

Efanov, Dmitry V., Dmitry V. Pivovarov, Nicolás Cortegoso Vissio, Alexander O. Kuptsov, and Daniil E. Egorov. 2025. "Method for Testing Combinational Circuits by Multiple Diagnostic Features Using Weight-Based Sum Codes Properties" Automation 6, no. 1: 6. https://doi.org/10.3390/automation6010006

APA Style

Efanov, D. V., Pivovarov, D. V., Cortegoso Vissio, N., Kuptsov, A. O., & Egorov, D. E. (2025). Method for Testing Combinational Circuits by Multiple Diagnostic Features Using Weight-Based Sum Codes Properties. Automation, 6(1), 6. https://doi.org/10.3390/automation6010006

Article Metrics

Back to TopTop