Innovative Scaled Hardware Simulator for Designing and Testing an EV’s Battery Storage System Incorporated with an Adaptive ANN Model
Abstract
1. Introduction
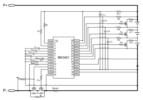
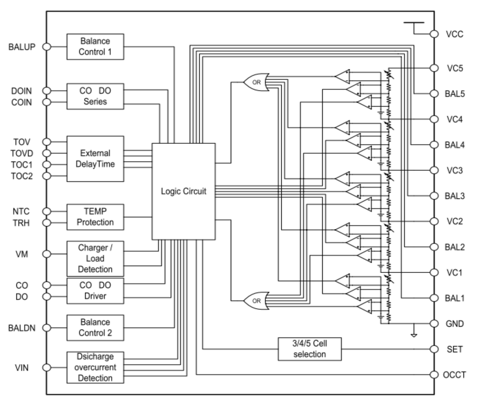
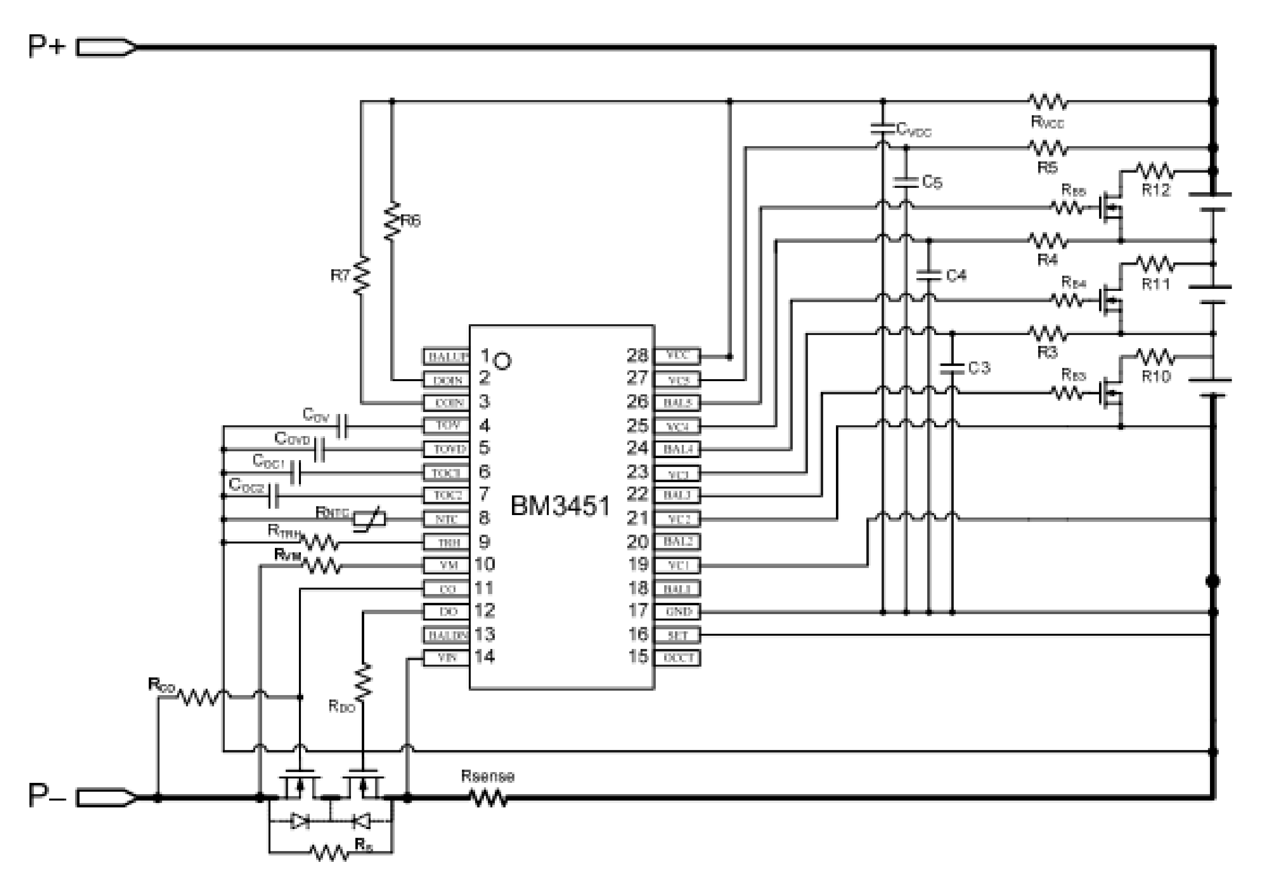
2. Proposed System
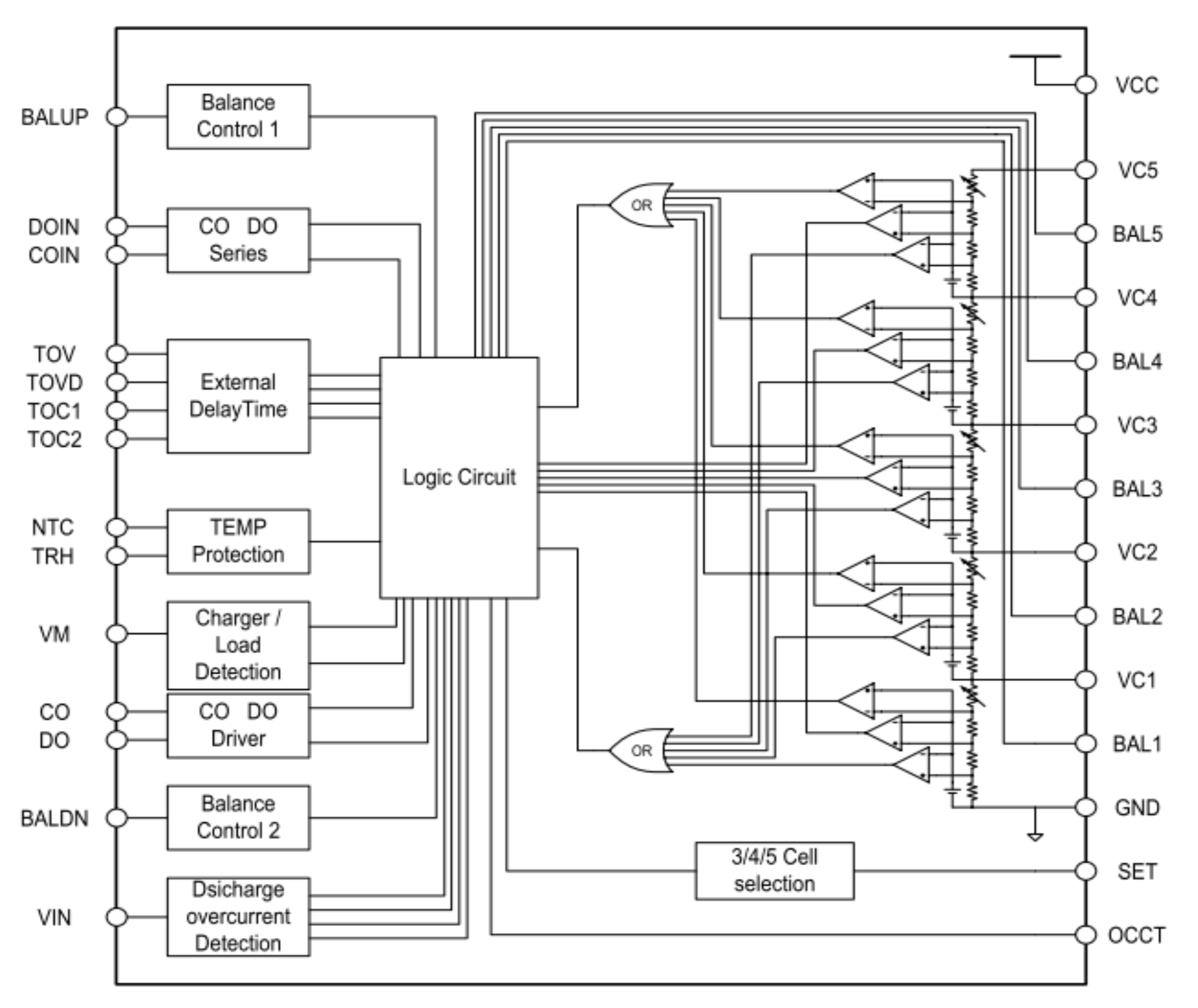
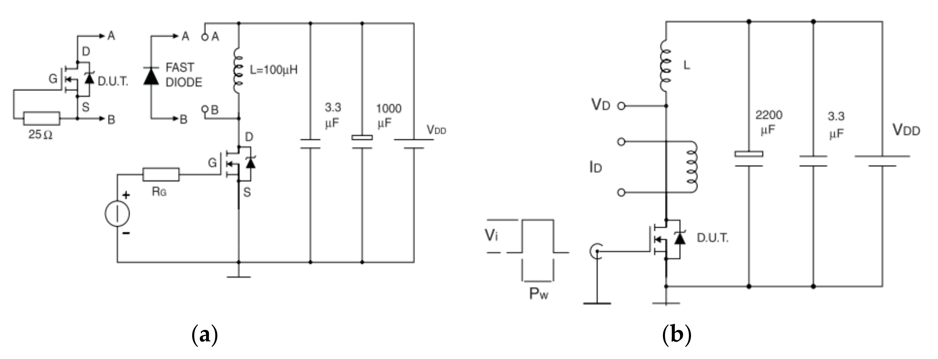
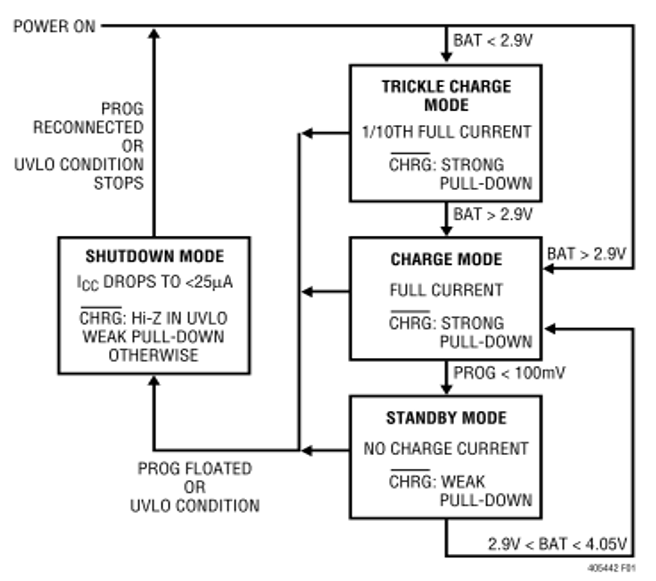
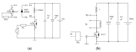
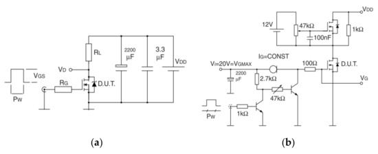
2.1. Hardware Configuration
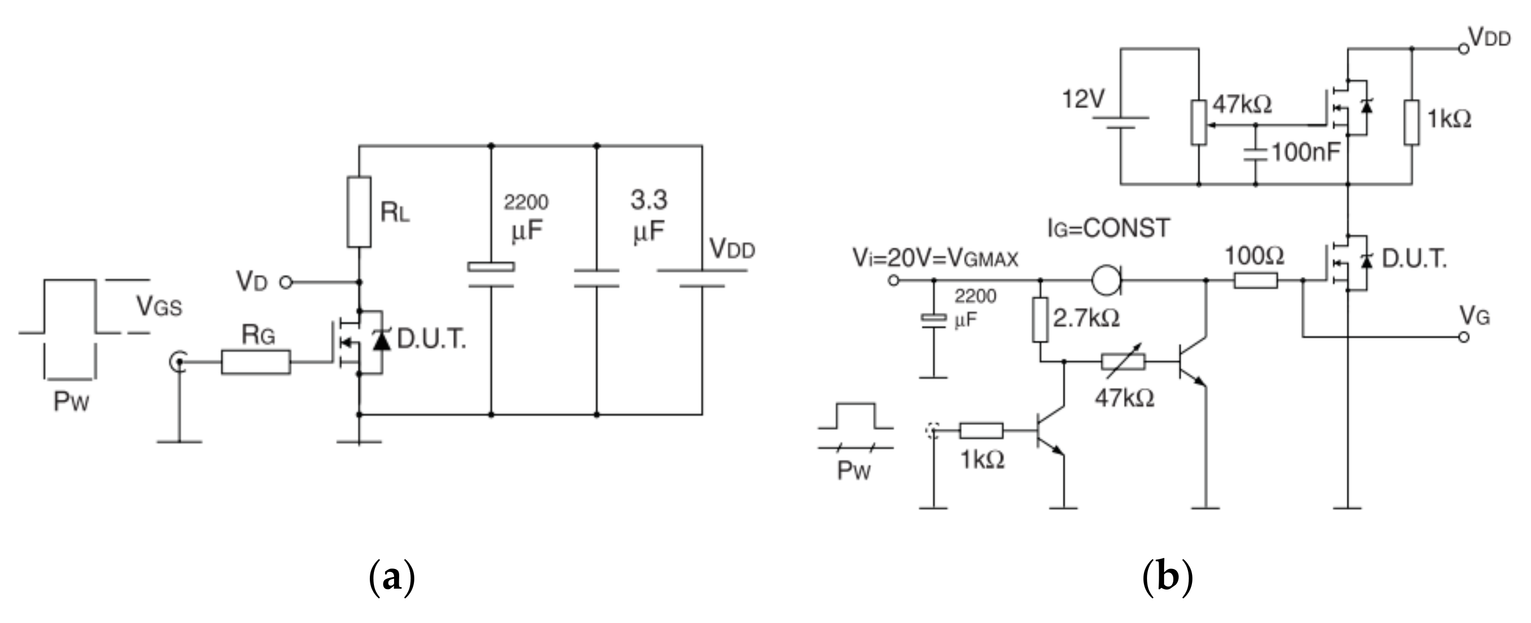
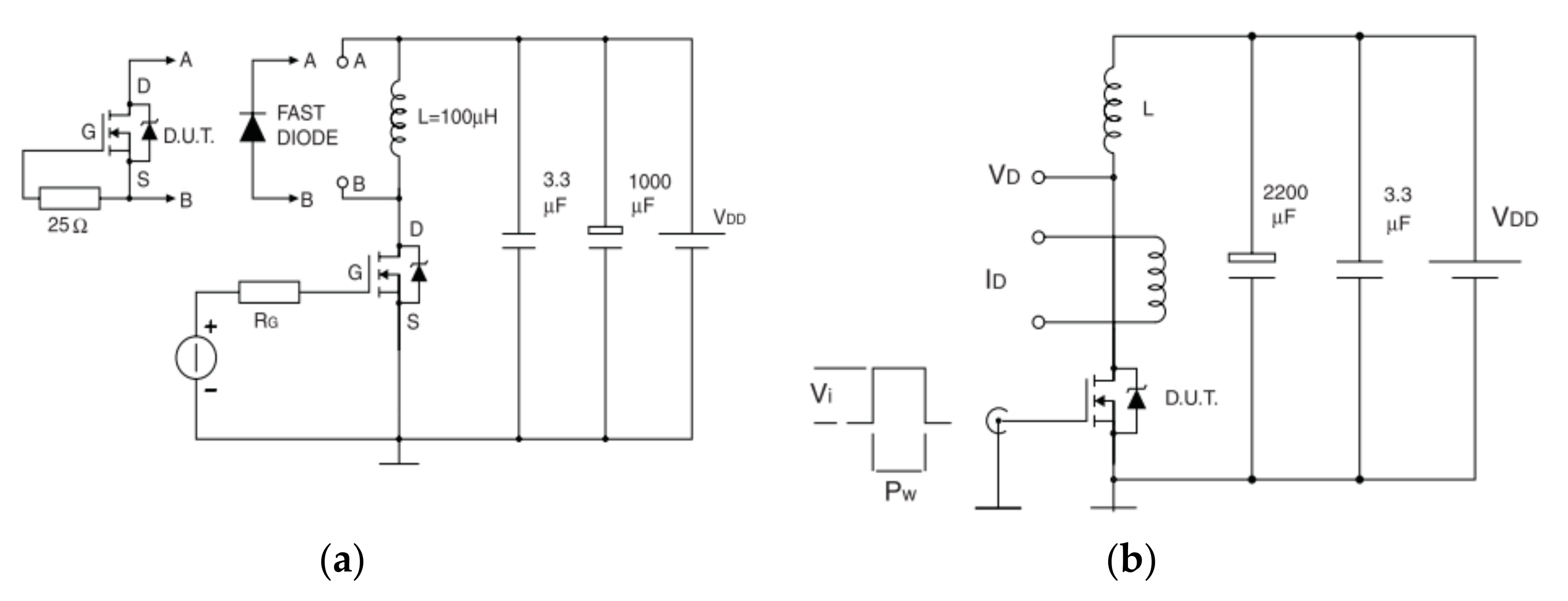
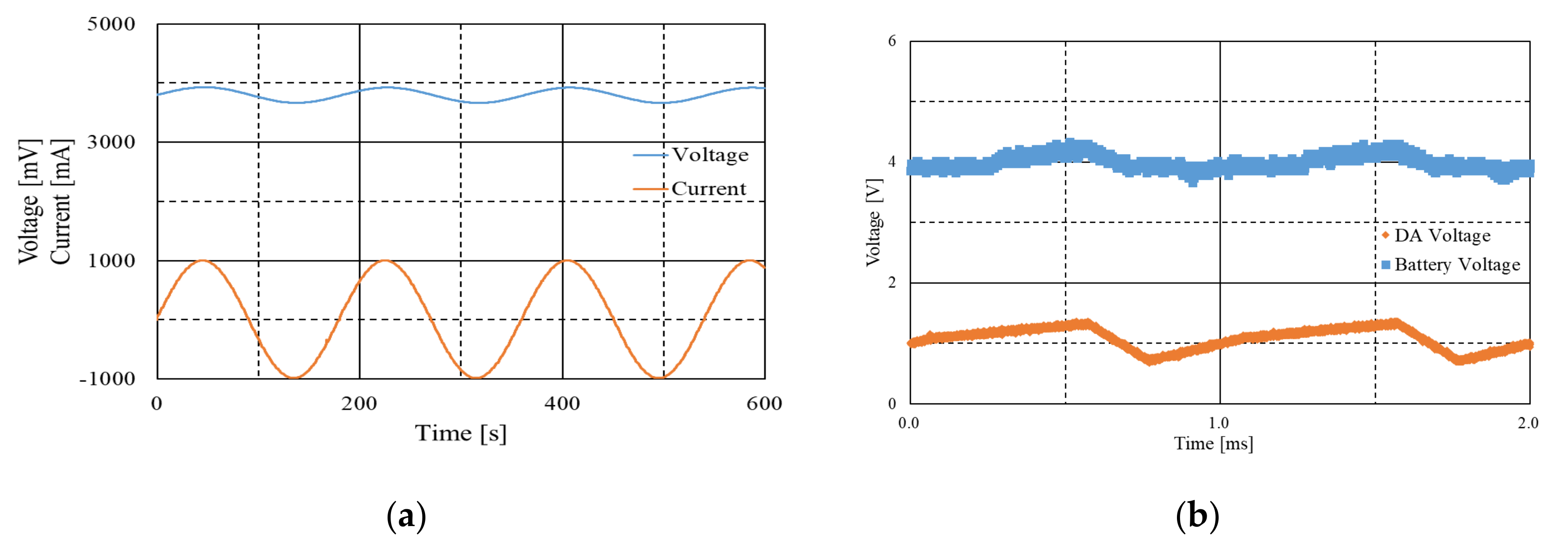
2.2. Performance and Evaluation
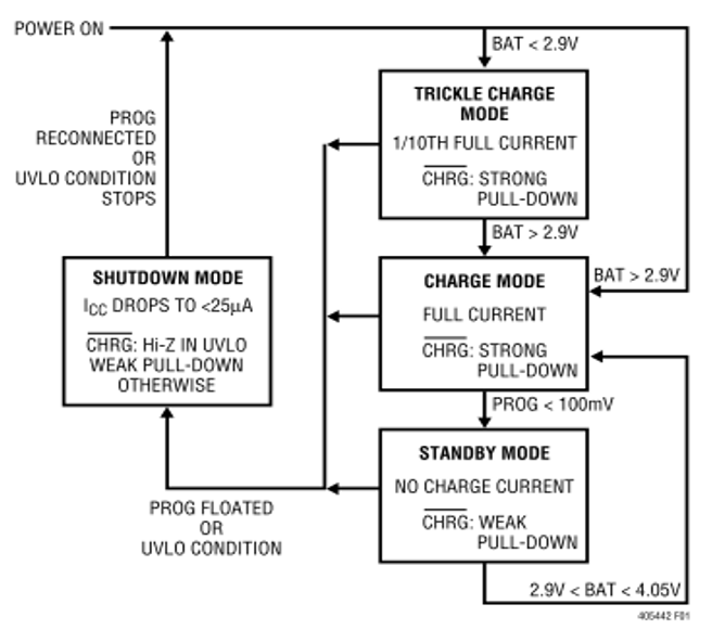
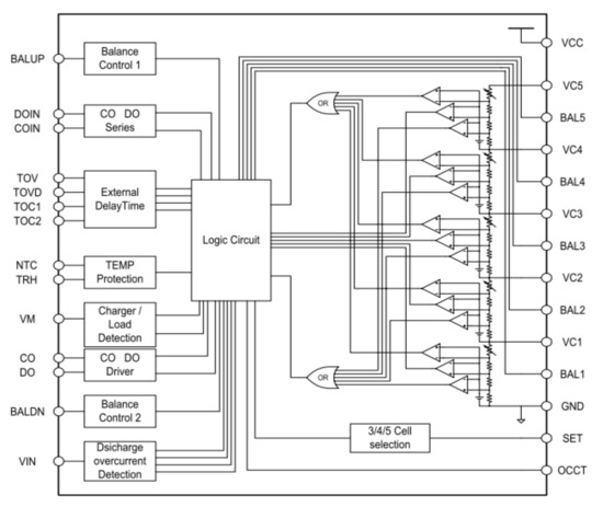
- a)
- High accuracy voltage detection for each cell
- Overcharge threshold 3.6 V~4.6 V with accuracy: ±25 mV (+25 °C) / ±40 mV (−40 °C to + 85 °C)
- Overcharge hysteresis 0.1 V with accuracy: ±50 mV
- Over-discharge threshold 3.6 V~4.6 V with accuracy: ±80 mV
- Over-discharge hysteresis 0 V/0.2 V/0.4 V with accuracy: ±100 mV
- b)
- Three grades voltage detection of discharge overcurrent
- Discharge overcurrent 1 0.025 V~0.30 V (50 mV step);
- Discharge overcurrent 2 0.2 V/0.3V/0.4V/0.6 V;
- Short circuit 0.8 V/1.2 V.
- c)
- 3/4/5/6 cells protection enable
- d)
- Supports external bleeding for balance
- e)
- Over-temperature protection
- f)
- Setting of output delay time
- Overcharge, over-discharge, discharge overcurrent 1 and discharge overcurrent 2 protection delay time can be set by external capacitors.
- g)
- Controlling the state of charge or discharge by external signals
- h)
- The maximum output voltage of CO/DO:12V
- i)
- Breaking wire protection
- j)
- Low power consumption
- Operation mode (with Temp protection) 25 μA typical;
- Operation mode (without Temp protection) 15 μA typical;
- Sleeping mode 6 μA typical.
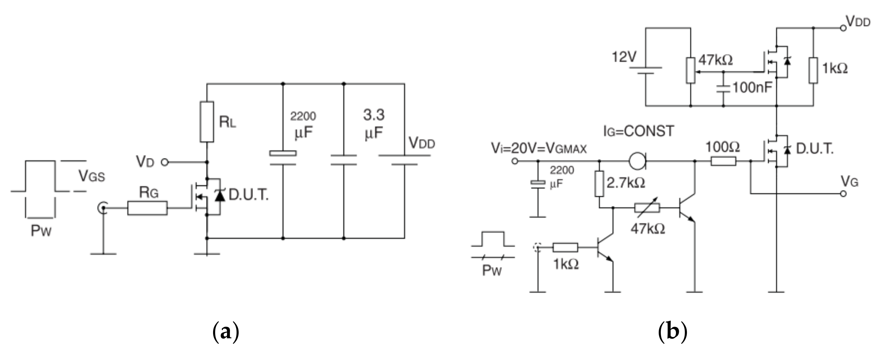
- Extremely low on-resistance RDS(on);
- Low gate drive power losses;
- High avalanche ruggedness.
2.3. Applicability
2.3.1. Photovoltaic Generator’s Storage System
2.3.2. Wind Power Generator’s Storage System
3. EV’s Storage System
3.1. Driving Test, Measuring and Data Collection
3.2. Scaled-Down Simulation by the Proposed System
3.3. ANN Estimation Model
4. Conclusions
Author Contributions
Funding
Acknowledgments
Conflicts of Interest
Appendix A






| Symbol | Parameter | Value | Unit |
|---|---|---|---|
| VDS | Drain-source voltage (VGS) | 30 | V |
| VGS | Gate-source voltage | ±20 | V |
| ID(1) | Drain current (continuous) at TC = 25 °C | 80 | A |
| ID | Drain current (continuous) at TC = 100 °C | 61 | A |
| IDM(1) | Drain current (pulsed) | 320 | A |
| PTOT | Total dissipation at TC = 25 °C | 70 | W |
| Derating factor | 0.47 | W/°C | |
| EAS(3) | Single pulse avalanche energy | TBD | mJ |
| Tstg | Storage temperature | −55 to 175 | °C |
| Tj | Max. operating junction temperature | 175 | °C |
| Symbol | Parameter | Test Conditions | Typ. | Unit |
|---|---|---|---|---|
| td(ON) | Turn-on delay time | VDD = 15 V, ID = 40 A | TBD | ns |
| tr | Rise time | RG = 4.7 Ω, VGS = 5 V | TBD | ns |
| td(OFF) | Turn-off delay time | VDD = 15 V, ID = 40 A | TBD | ns |
| tf | Fall time | RG = 4.7 Ω, VGS = 5 V | TBD | ns |
| Symbol | Parameter | Test Conditions | Typ. | Max | Unit |
|---|---|---|---|---|---|
| ISD | Source-drain current | - | - | 80 | A |
| ISDM(1) | Source-drain current (pulsed) | - | - | 320 | A |
| VSD(2) | Forward on voltage | ISD = 40 A, VGS = 0 | - | 1.1 | V |
| trr | Reverse recovery time | ISD = 80 A | TBD | - | ns |
| Qrr | Reverse recovery charge | di/dt = 100 A/μs | TBD | - | nC |
| IRRM | Reverse recovery current | VDD = 20 V | TBD | - | A |
References
- Sioshansi, R.; Short, W. Evaluating the impacts of real time pricing on the usage of wind generation. IEEE Trans. Power Syst. 2009, 24, 516–524. [Google Scholar] [CrossRef]
- Ipakchi, A.; Albuyeh, F. Grid of the future. IEEE Power Energy Mag. 2009, 7, 56–62. [Google Scholar] [CrossRef]
- Weicker, P. A Systems Approach to Lithium-ion Battery Management; Artech House: Norwood, MA, USA, 2014. [Google Scholar]
- Scrosati, B.; Garche, J.; Tillmetz, W. Advances in Battery Technologies for Electric Vehicles; Woodhead Publishing Series in Energy: Number 80; Elsevier: London, UK, 2015. [Google Scholar]
- Menictas, C.; Kazacos, M.S.; Lim, T.M. Advances in Batteries for Medium-and Large-Scale Energy Storage; Woodhead Publishing Series in Energy: Number 67; Elsevier: London, UK, 2015. [Google Scholar]
- Mohagheghi, E.; Alramlawi, M.; Gabash, A.; Blaabjerg, F.; Li, P. Real-Time-Reactive Optimal Power Flow with Flexible operation of Battery Storage Systems. J. Energies 2020, 13, 1697. [Google Scholar] [CrossRef]
- Nagaoka, N. A Numerical Model of Lithium-Ion Battery for a Life Estimation. In Proceedings of the 2013 48th International Universities Power Engineering Conference (UPEC), Dublin, Ireland, 2–5 September 2013. [Google Scholar]
- Gondo, R.; Ito, S.; Iifuru, K.; Nagaoka, N. Development of Multi-Type Secondary-Battery Charger/Discharger by Arbitrary Current Waveform. In Proceedings of the 52nd International Universities’ Power Engineering Conference, Crete, Greece, 28–31 August 2017. [Google Scholar]
- Bezha, M.; Gondo, R.; Nagaoka, N. A Dual ANN Model for Estimation of Internal Impedance of Rechargeable Cell Battery. In Proceedings of the Universities Power Engineering Conference UPEC 2018, 53rd International, Glasgow, UK, 4–7 September 2018; pp. 1–6. [Google Scholar]
- Bezha, M.; Gondo, R.; Nagaoka, N. An Estimation Model with Generalization Characteristics for the Internal Impedance of the Rechargeable Batteries by Means of Dual ANN Model. J. Energies 2019, 12, 948. [Google Scholar] [CrossRef]
- Bezha, M.; Nagaoka, N. An ANN Model for Estimating Internal Impedance of Lithium-Ion Battery Cell for Industrial Application. In Proceedings of the 21st International Conference on Electrical Machines and Systems (ICEMS), Jeju, Korea, 7–10 October 2018; pp. 2105–2110. [Google Scholar]
- Bezha, M.; Nagaoka, N. Online learning ANN model for SoC estimation of the Lithium-ion battery in case of small amount of data for practical applications. In Proceedings of the 10th International Conference on Power Electronics and ECCE Asia (ICPE 2019-ECCE Asia), IEEE Explore Proceedings, Busan, Korea, 27–30 May 2019. [Google Scholar]
- Al-karakchi, A.A.A.; Lacey, G.; Putrus, G. A method of electric vehicle charging to improve battery life. In Proceedings of the 50th International Universities Power Engineering Conference (UPEC), Trent, UK, 1–4 September 2015. [Google Scholar]
- Al-karakchi, A.A.A.; Putrus, G.; Das, R.; Binns, R. Smart EV Charging Profiles to Extend Battery life. In Proceedings of the 52nd International Universities Power Engineering Conference (UPEC), Heraklion, Greece, 28–31 August 2017. [Google Scholar]
- Nagamitsu, S.; Gondo, R.; Nagaoka, X.N.; Al-Karakchi, A.A.A.; Putrus, G.; Wang, Y. A Novel Battery Diagnostic Method for Smart Electric Vehicle Charger. In Proceedings of the 53rd International University Power Engineering Conference, Glasgow, UK, 4–7 September 2018. [Google Scholar]
- Dubbary, M.; Liaw, B.Y. Identity capacity fading mechanism in a commercial LiFePO4 cell. J. Power Sources 2009, 194, 541–549. [Google Scholar] [CrossRef]
- Swierczynski, M.; Stroe, D.I.; Stan, A.I.; Teodorescu, R.; Kær, S.K. Lifetime estimation of the nanophosphate LiFePO4/C battery chemistry used in fully electric vehicles. IEEE Trans. Ind. Appl. 2015, 51, 3453–3461. [Google Scholar] [CrossRef]
- Yang, Z.; Patil, D.; Fahimi, B. Online Estimation of Capacity Fade and Power Fade of Lithium-Ion Batteries Based on Input-Output Response Technique. IEEE Trans. Transp. Electrif. 2018, 4, 147–156. [Google Scholar] [CrossRef]
- Lam, L.; Bauer, P. Practical Capacity Fading Model for Li-Ion Battery Cells in Electric Vehicles. IEEE Trans. Power Electron. 2013, 28, 5910–5918. [Google Scholar] [CrossRef]
- Pattipati, B.; Sankavaram, C.; Pattipati, K. System Identification and Estimation Framework for Pivotal Automotive Battery Management System Characteristics. IEEE Trans. Syst. Man Cybern. Part C (Appl. Rev.) 2011, 41, 869–884. [Google Scholar] [CrossRef]
- Xiong, B.; Zhao, J.; Su, Y.; Wei, Z.; Skylass-Kazacos, M. State of Charge Estimation of Vanadium Redox Flow Battery Based on Sliding Mode Observer and Dynamic Model Including Capacity Fading Factor. IEEE Trans. Sustain. Energy 2017, 8, 1658–1667. [Google Scholar] [CrossRef]
- Hussein, A.A. Capacity Fade Estimation in Electric Vehicle Li-Ion Batteries Using Artificial Neural Networks. IEEE Trans. Ind. Appl. 2015, 51, 2321–2330. [Google Scholar] [CrossRef]
- Azis, N.A.; Joelianto, E.; Widyotriatmo, A. State of Charge (SoC) and State of Health (SoH) Estimation of Li-ion Battery Using Dual Extended Kalman Filter Based on Polynomial Battery Model. In Proceedings of the 6th International Conference on Instrumentation, Control, and Automation (ICA), Bandung, Indonesia, 31 July–2 August 2019. [Google Scholar]
- Guha, A.; Patra, A. State of Health Estimation of Lithium-Ion Batteries Using Capacity Fade and Internal Resistance Growth Models. IEEE Trans. Transp. Electrif. 2018, 4, 135–146. [Google Scholar] [CrossRef]
- Kim, I.-S. A Technique for Estimating the State of Health of Lithium Batteries Through a Dual-Sliding-Mode Observer. IEEE Trans. Power Electron. 2010, 25, 1013–1022. [Google Scholar]
- Electric Power System Standardized Model Research Expert Committee: Standardized Model of Electric Power System; Technical Report of the Institute of Electrical Engineers of Japan; IEEJ: Tokyo, Japan, 1999.
- Bezha, M.; Nagaoka, N. Improved ANN for Estimation of Power Consumption of EV for Real-Time Battery Diagnosis. IEEJ J. Ind. Appl. 2019, 8, 532–538. [Google Scholar] [CrossRef]
- Bezha, M.; Nagaoka, N. Advanced SoC Estimation of Li-Ion Batteries Accelerated through ANN with Adaptive Algorithm. In Proceedings of the IEEE PES Asia-Pacific Power and Energy Engineering Conference (APPEEC), Macao, China, 1–4 December 2019. [Google Scholar]
- Tsitsiklis, J.N. Neuro-Dynamic Programming; Athena Scientific: Belmont, MA, USA, 1996. [Google Scholar]
- Bertsekas, D.P. Dynamic Programming and Optimal Control: Approximate Dynamic Programming; Athena Scientific: Belmont, MA, USA, 1996; Volume II. [Google Scholar]
- Otterlo, V.; Wiering, M. Reinforcement Learning and Markov Decision Processes. Reinf. Learn. 2012, 12, 3–42. [Google Scholar]
- Mohri, M.; Rostamizadeh, A.; Talwalkar, A. Foundations of Machine Learning; The MIT Press: Cambridge, MA, USA, 2012. [Google Scholar]
- Hinton, G.; Sejnowski, T.J. Unsupervised Learning; MIT Press: Cambridge, MA, USA, 1999. [Google Scholar]
- Goodenough, J.B.; Kim, Y. Challenges for rechargeable Li batteries. Chem. Mater. 2014, 22, 587–603. [Google Scholar] [CrossRef]
- Girishkumar, G.; Mccloskey, B.; Luntz, A.C.; Swanson, S.; Wilcke, W. Lithium–air battery: Promise and challenges. J. Phys. Chem. Lett. 2010, 1, 2193–2203. [Google Scholar] [CrossRef]





























| Item | Min | Typ. | Max |
|---|---|---|---|
| Supply voltage (ACV) | 100 | - | 240 |
| Operating voltage (V) | - | 12 | - |
| Operating current (A) | - | - | 2 |
| Battery voltage (V) | 2 | - | 12.6 |
| Battery current (A) | −4 | - | 4 |
| Frequency range (Hz) | 0.01 | - | 100 |
| External DAC (V) | 0 | - | 2 |
| Temperature range (°C) | 0 | - | 50 |
© 2020 by the authors. Licensee MDPI, Basel, Switzerland. This article is an open access article distributed under the terms and conditions of the Creative Commons Attribution (CC BY) license (http://creativecommons.org/licenses/by/4.0/).
Share and Cite
Bezha, M.; Ishii, M.; Shoda, T.; Hoshide, Y.; Nagaoka, N. Innovative Scaled Hardware Simulator for Designing and Testing an EV’s Battery Storage System Incorporated with an Adaptive ANN Model. Appl. Syst. Innov. 2020, 3, 27. https://doi.org/10.3390/asi3020027
Bezha M, Ishii M, Shoda T, Hoshide Y, Nagaoka N. Innovative Scaled Hardware Simulator for Designing and Testing an EV’s Battery Storage System Incorporated with an Adaptive ANN Model. Applied System Innovation. 2020; 3(2):27. https://doi.org/10.3390/asi3020027
Chicago/Turabian StyleBezha, Minella, Makoto Ishii, Takahiro Shoda, Yuki Hoshide, and Naoto Nagaoka. 2020. "Innovative Scaled Hardware Simulator for Designing and Testing an EV’s Battery Storage System Incorporated with an Adaptive ANN Model" Applied System Innovation 3, no. 2: 27. https://doi.org/10.3390/asi3020027
APA StyleBezha, M., Ishii, M., Shoda, T., Hoshide, Y., & Nagaoka, N. (2020). Innovative Scaled Hardware Simulator for Designing and Testing an EV’s Battery Storage System Incorporated with an Adaptive ANN Model. Applied System Innovation, 3(2), 27. https://doi.org/10.3390/asi3020027

