Ion Sensors for Pulsed and Continuous Detonation Combustors
Abstract
1. Introduction
2. Materials and Methods
2.1. Sensing Principle and Designs of Ion Sensors
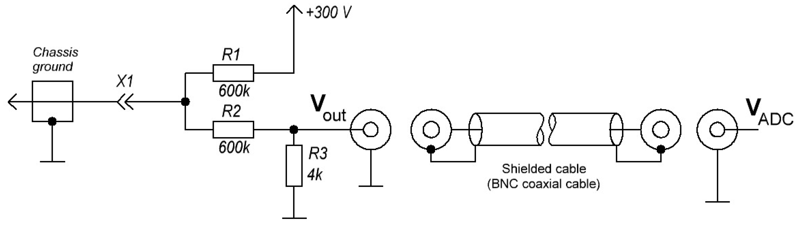
2.2. Ion Sensors without Intermediate Amplifiers
2.3. Ion Sensors with Short Response Time
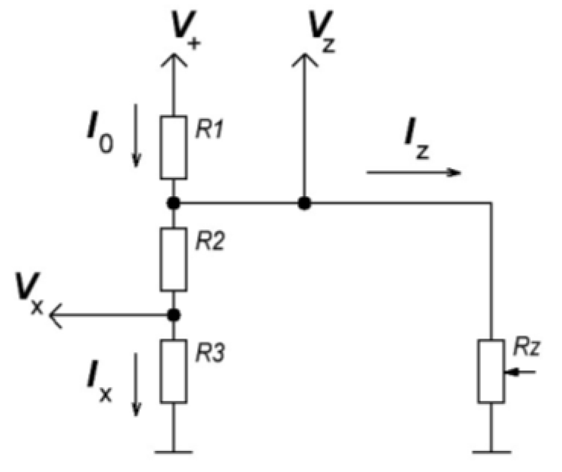
2.4. Ion Sensors with Wide Dynamic Range of Ion Current
2.5. Ion Sensors with High Sensitivity
2.6. Ion Sensors with High Heat Resistance
3. Results and Discussion
3.1. Sensing of Fuel-Lean Hydrogen–Air Flames
3.2. Sensing of Deflagration-to-Detonation Transition
3.3. Sensing of Rotating Detonations in Rdes
4. Conclusions
Author Contributions
Funding
Data Availability Statement
Conflicts of Interest
Abbreviations
| ADC | Analog-to-digital converter |
| CE | Closed end |
| CJ | Chapman–Jouguet |
| DC | Direct current |
| DDT | Deflagration-to-detonation transition |
| ER | Equivalence ratio |
| HCCI | Homogeneous charge compression ignition engine |
| IS | Ion sensor |
| OE | Open end |
| PDE | Pulsed detonation engine |
| PDT | Pulsed detonation tube |
| RDE | Rotating detonation engine |
| SI | Spark ignition |
| SP | Spark position |
References
- Calcote, H.F. Electric properties of flames: Burner flames in transverse electric fields. Proc. Combust. Inst. 1949, 3, 245–253. [Google Scholar] [CrossRef]
- Pergament, H.S.; Calcote, H.F. Thermal and chemi-ionization processes in afterburning rocket exhausts. Proc. Combust. Inst. 1967, 11, 597–611. [Google Scholar] [CrossRef]
- Semenov, E.S.; Sokolik, A.S. Thermal and chemical ionization in flames. Combust. Explos. Shock Waves 1970, 6, 33–43. [Google Scholar] [CrossRef]
- Berry, R.S. The theory of penning ionization. Radiation Res. 1974, 59, 367–375. [Google Scholar] [CrossRef] [PubMed]
- Fialkov, A.B. Investigations on ions in flames. Prog. Energy Combust. Sci. 1997, 23, 399–528. [Google Scholar] [CrossRef]
- Jones, D.; Kaufman, M. Combustion of hydrocarbons in purified fluorine. Combust. Flame 1987, 67, 217–221. [Google Scholar] [CrossRef]
- Davidchuk, E.L.; Mal’tsev, V.M.; Rogachev, A.S. Ionization mechanism in ethylene-nitrogen oxide flames. Combust. Explos. Shock Waves 1980, 16, 630–633. [Google Scholar] [CrossRef]
- Kern, R.D.; Singh, H.J.; Xie, K. Identification of chemi-ions formed by reactions of deuterated fuels in the reflected shock zone. J. Phys. Chem. 1990, 94, 3333–3335. [Google Scholar] [CrossRef]
- Vlasov, P.A.; Zhiltsova, I.V.; Smirnov, V.N.; Tereza, A.M.; Agafonov, G.L.; Mikhailov, D.I. Chemical ionization of n-hexane, acetylene, and methane behind reflected shock waves. Combust. Sci. Techn. 2018, 190, 57–81. [Google Scholar] [CrossRef]
- Bulewicz, E.M. Correlation between chemi-ionization in flames containing organic fuels and the heat of oxidation of the carbon in the fuel molecule. Nature 1966, 211, 961–963. [Google Scholar] [CrossRef]
- Bertrand, C.; van Tiggelen, P.J. Ions in ammonia flames. J. Phys. Chem. 1974, 78, 2320–2326. [Google Scholar] [CrossRef]
- Lawton, J.; Weinberg, F.J. Electrical Aspects of Combustion; Clarendon Press: Oxford, UK, 1969. [Google Scholar]
- Chung, P.M.; Talbot, L.; Touryan, K.J. Electric Probes in Stationary and Flowing Plasmas: Theory and Application; Springer: Berlin/Heidelberg, Germany, 1975. [Google Scholar]
- Dev, S.; Sandhu, N.S.; Ives, M.; Yu, S.; Zheng, M.; Tjong, J. Ion Current Measurement of Diluted Combustion Using a Multi-Electrode Spark Plug; SAE Technical Paper 2018-01-1134; SAE International: Warrendale, PA, USA, 2018. [Google Scholar] [CrossRef]
- Naoumov, V.; Krioukov, V.; Abdullin, A.; Demin, A. Combustion and ionization in spark ignition engines. In Chemical Kinetics in Combustion and Reactive Flows: Modeling Tools and Applications; Cambridge University Press: Cambridge, UK, 2019; pp. 380–396. [Google Scholar] [CrossRef]
- Wang, J.; Shi, J.; Deng, J.; Miao, X.; Liu, Y.; Pan, S.; Li, L. Misfire and knock detection based on the ion current inside a passive pre-chamber of gasoline engine. Fuel 2022, 311, 122528. [Google Scholar] [CrossRef]
- Gao, Z.; Li, B.; Li, C.; Liu, B.; Liu, S.; Wu, X.; Huang, Z. Investigation on characteristics of ion current in a methanol direct-injection spark-ignition engine. Fuel 2015, 141, 185–191. [Google Scholar] [CrossRef]
- Wang, X.; Zhou, T.; Dong, Q.; Cheng, Z.; Yang, X. A Virtual combustion sensor based on ion current for lean-burn natural gas engine. Sensors 2022, 22, 4660. [Google Scholar] [CrossRef]
- Henein, N.A.; Badawy, T.; Rai, N.; Bryzic, W. Ion current, combustion and emission characteristics in an automotive common rail diesel engine. J. Eng. Gas Turbines Power 2012, 134, 042801. [Google Scholar] [CrossRef]
- Badawy, T.; Shrestha, A.; Henein, N. Detection of combustion resonance using an ion current sensor in diesel engines. J. Eng. Gas Turbines Power 2012, 134, 052802. [Google Scholar] [CrossRef]
- Mehresh, P.; Souder, J.; Flowers, D.; Riedel, U.; Dibble, R.W. Combustion timing in HCCI engines determined by ion-sensor: Experimental and kinetic modeling. Proc. Combust. Inst. 2005, 30, 2701–2709. [Google Scholar] [CrossRef]
- Ogata, K. Investigation of Robustness Control for Practical Use of Gasoline HCCI Engine—An Investigation of a Detecting Technology of Conditions of HCCI Using an Ion Current Sensor; SAE Technical Paper 2014-01-1279; SAE International: Warrendale, PA, USA, 2014. [Google Scholar] [CrossRef]
- Guangyu, D.; Yulin, C.; Wu, Z.; Li, L.; Dibble, R. Study on the phase relation between ion current signal and combustion phase in an HCCI combustion engine. Proc. Combust. Inst. 2015, 35, 3097–3105. [Google Scholar] [CrossRef]
- Liu, Y.; Li, L.; Ye, J.; Deng, J.; Wu, Z. Ion current signal and characteristics of ethanol/gasoline dual fuel HCCI combustion. Fuel 2016, 166, 42–50. [Google Scholar] [CrossRef]
- Addabbo, T.; Fort, A.; Landi, E.; Mugnaini, M.; Parri, L.; Vignoli, V.; Zucca, A.; Romano, C. Ion current sensor for gas turbine condition dynamical monitoring: Modeling and characterization. Sensors 2021, 21, 6944. [Google Scholar] [CrossRef] [PubMed]
- Frolov, S.M.; Aksenov, V.S.; Dubrovskii, A.V.; Zangiev, A.E.; Ivanov, V.S.; Medvedev, S.N.; Shamshin, I.O. Chemiionization and acoustic diagnostics of the process in continuous- and pulse-detonation combustors. Dokl. Phys. Chem. 2015, 465, 273–278. [Google Scholar] [CrossRef]
- Frolov, S.M.; Aksenov, V.S.; Ivanov, V.S.; Shamshin, I.O. Large-scale hydrogen-air continuous detonation combustor. Int. J. Hydrogen Energy 2015, 40, 1616–1623. [Google Scholar] [CrossRef]
- Saxena, S.; Chen, J.-Y.; Dibble, R.W. Increasing the signal-to-noise ratio of sparkplug ion sensors through the addition of a potassium acetate fuel additive. Proc. Combust. Inst. 2011, 33, 3081–3088. [Google Scholar] [CrossRef]
- Mack, J.H.; Butt, R.H.; Chen, Y.; Chen, Y.; Chen, J.-Y.; Dibble, R.W. Experimental and numerical investigation of ion signals in boosted HCCI combustion using cesium and potassium acetate additives. J. Energy Convers. Manag. 2016, 108, 181–189. [Google Scholar] [CrossRef]
- Prager, J.; Riedel, U.; Warnatz, J. Modeling ion chemistry and charged species diffusion in lean methane–oxygen flames. Proc. Combust. Inst. 2007, 31, 1129–1137. [Google Scholar] [CrossRef]
- Aithal, S.M. Analysis of the current signature in a constant-volume combustion chamber. Combust. Sci. Techn. 2013, 185, 336–349. [Google Scholar] [CrossRef]
- Dong, G.; Lu, H.; Wu, Z.; Dibble, R.; Li, L. Effect of electric fields on the ion current signals in a constant volume combustion chamber. Proc. Combust. Inst. 2018, 37, 4865–4873. [Google Scholar] [CrossRef]
- Song, Z.; Zhang, X.; Hou, X.; Hu, S. Relationship of the combustion characteristics of natural gas-hydrogen/carbon dioxide mixtures with the ion current and pressure parameters. J. Energy Inst. 2019, 92, 1014–1022. [Google Scholar] [CrossRef]
- Song, Z.; Zhang, X.; Zhang, J.; Cao, J. Predicting the heat release rate of ion current combustion process fuelled with hydrogen/carbon dioxide and natural gas. J. Energy Eng. 2019, 145, 04018068. [Google Scholar] [CrossRef]
- Huang, Y.; Tang, H.; Li, J.; Wang, J. Deflagration-to-detonation transition of kerosene–air mixtures in a small-scale pulse detonation engine. Proc. Inst. Mech. Eng. Part G J. Aerospace Eng. 2011, 225, 441–448. [Google Scholar] [CrossRef]
- Chin, H.M.; Cuppoletti, D.R.; Ombrello, T.M.; Ahmed, K.A.; Rein, K.D. Energy deposition characteristics of a pulsed detonation igniter through geometric manipulation. Combust. Flame 2021, 229, 111384. [Google Scholar] [CrossRef]
- Wu, Y.-W.; Han, Q.-X.; Zhao, W. Experimental research on a rotary-valved air-breathing pulse detonation engine. Proc. Inst. Mech. Eng. Part G J. Aerosp. Eng. 2016, 230, 1325–1333. [Google Scholar] [CrossRef]
- Ma, J.Z.; Luan, M.-Y.; Xia, Z.-J.; Wang, J.-P.; Zhang, S.; Yao, S.; Wang, B. Recent progress, development trends, and consideration of continuous detonation engines. AIAA J. 2020, 58, 4976–5035. [Google Scholar] [CrossRef]
- Plouraboué, F. Flying with ionic wind. Nature 2018, 563, 476–477. [Google Scholar] [CrossRef] [PubMed]
- Schefer, R.W.; Kulatilaka, W.D.; Patterson, B.D.; Settersten, T.B. Visible emission of hydrogen flames. Combust. Flame 2009, 156, 1234–1241. [Google Scholar] [CrossRef]
- Egolfopoulos, F.N.; Law, C.K. An experimental and computational study of the burning rates of ultra-lean to moderately-rich H2/O2/N2 laminar flames with pressure variations. Proc. Combust. Inst. 1990, 23, 333–340. [Google Scholar] [CrossRef]
- Krejci, M.C.; Mathieu, O.; Vissotski, A.J.; Ravi, S.; Sikes, T.G.; Petersen, E.L.; Kérmonès, A.; Metcalfe, W.; Curran, H.J. Laminar flame speed and ignition delay time data for the kinetic modeling of hydrogen and syngas fuel blends. ASME J. Eng. Gas Turbines Power 2013, 135, 021503. [Google Scholar] [CrossRef]
- Shamshin, I.O.; Kazachenko, M.V.; Frolov, S.M.; Basevich, V.Y. Deflagration-to-detonation transition in stochiometric mixtures of the binary methane–hydrogen fuel with air. Int. J. Hydrogen Energy 2021, 46, 34046–34058. [Google Scholar] [CrossRef]
- Shamshin, I.O.; Kazachenko, M.V.; Frolov, S.M.; Basevich, V.Y. Deflagration-to-detonation transition in stochiometric propane–hydrogen–air mixtures. Fuels 2022, 3, 667–681. [Google Scholar] [CrossRef]
- Shamshin, I.O.; Kazachenko, M.V.; Frolov, S.M.; Basevich, V.Y. Transition of deflagration to detonation in ethylene-hydrogen-air mixtures. Int. J. Hydrogen Energy 2022, 47, 16676–16685. [Google Scholar] [CrossRef]
- Frolov, S.M.; Aksenov, V.S.; Basevich, V.Y. Decreasing the predetonation distance in a drop explosive mixture by combined means. Dokl. Phys. Chem. 2005, 401, 28–31. [Google Scholar] [CrossRef]
- Lee, J.H.S. The Detonation Phenomenon; Cambridge University Press: Cambridge, UK, 2008. [Google Scholar]
- Frolov, S.M.; Aksenov, V.S.; Ivanov, V.S.; Medvedev, S.N.; Smetanyuk, V.A.; Avdeev, K.A.; Frolov, F.S. Pulse-detonation burner unit operating on natural gas. Rus. J. Phys. Chem. B 2011, 5, 625–627. [Google Scholar] [CrossRef]
- Frolov, S.M.; Zvegintsev, V.I.; Ivanov, V.S.; Aksenov, V.S.; Shamshin, I.O.; Vnuchkov, D.A.; Nalivaichenko, D.G.; Berlin, A.A.; Fomin, V.M. Wind tunnel tests of a hydrogen-fueled detonation ramjet model at approach air stream Mach numbers from 4 to 8. Int. J. Hydrogen Energy 2017, 42, 25401–25413. [Google Scholar] [CrossRef]
- Frolov, S.M.; Zvegintsev, V.I.; Ivanov, V.S.; Aksenov, V.S.; Shamshin, I.O.; Vnuchkov, D.A.; Nalivaichenko, D.G.; Berlin, A.A.; Fomin, V.M.; Shiplyuk, A.N.; et al. Hydrogen-fueled detonation ramjet model: Wind tunnel tests at approach air stream Mach number 5.7 and stagnation temperature 1500 K. Int. J. Hydrogen Energy 2018, 43, 7515–7524. [Google Scholar] [CrossRef]


















| No. | Reaction |
|---|---|
| 1 | |
| 2 | |
| 3 | |
| 4 | |
| 5 | |
| 6 |
| Description | OE | SP | IS1 | IS2 | IS3 | IS4 | IS5 | IS6 | IS7 | IS8 | IS9 | CE |
|---|---|---|---|---|---|---|---|---|---|---|---|---|
| Meas. segment, mm | 0 | 28 | 39 | 100 | 100 | 100 | 100 | 100 | 100 | 100 | 100 | 105 |
| Distance, mm | −28 | 0 | 39 | 139 | 239 | 339 | 439 | 539 | 639 | 739 | 839 | 944 |
| Description | SP | IS1 | IS2 | IS3 | IS4 | IS5 | IS6 | IS7 | IS8 | IS9 |
|---|---|---|---|---|---|---|---|---|---|---|
| Distance, mm | 0 | 39 | 139 | 239 | 339 | 439 | 539 | 639 | 739 | 839 |
| Mean time, ms | 0 | 100 | 264 | 429 | 636 | 805 | 960 | 1122 | 1304 | 1545 |
| RMS, ms | 0 | 9 | 42 | 53 | 57 | 55 | 42 | 29 | 29 | 28 |
| Measuring Segment | SP–IS1 | IS1–IS2 | IS2–IS3 | IS3–IS4 | IS4–IS5 | IS5–IS6 | IS6–IS7 | IS7–IS8 | IS8–IS9 |
|---|---|---|---|---|---|---|---|---|---|
| Distance, mm | 19.5 | 89.0 | 189 | 289 | 389 | 489 | 589 | 689 | 789 |
| Mean velocity, cm/s | 39.2 | 64.7 | 61.1 | 48.5 | 59.2 | 65.6 | 62.5 | 55.0 | 41.6 |
| RMS, cm/s | 3.7 | 12.4 | 7.0 | 2.2 | 2.1 | 8.1 | 7.1 | 2.9 | 2.1 |
| No. | Air Mass Flow Rate, kg/s | Inlet Total Pressure, kPa |
|---|---|---|
| 1 | 11.0 | 226 |
| 2 | 8.5 | 180 |
| 3 | 3.4 | 112 |
Disclaimer/Publisher’s Note: The statements, opinions and data contained in all publications are solely those of the individual author(s) and contributor(s) and not of MDPI and/or the editor(s). MDPI and/or the editor(s) disclaim responsibility for any injury to people or property resulting from any ideas, methods, instructions or products referred to in the content. |
© 2023 by the authors. Licensee MDPI, Basel, Switzerland. This article is an open access article distributed under the terms and conditions of the Creative Commons Attribution (CC BY) license (https://creativecommons.org/licenses/by/4.0/).
Share and Cite
Frolov, S.M.; Shamshin, I.O.; Aksenov, V.S.; Ivanov, V.S.; Vlasov, P.A. Ion Sensors for Pulsed and Continuous Detonation Combustors. Chemosensors 2023, 11, 33. https://doi.org/10.3390/chemosensors11010033
Frolov SM, Shamshin IO, Aksenov VS, Ivanov VS, Vlasov PA. Ion Sensors for Pulsed and Continuous Detonation Combustors. Chemosensors. 2023; 11(1):33. https://doi.org/10.3390/chemosensors11010033
Chicago/Turabian StyleFrolov, Sergey M., Igor O. Shamshin, Viktor S. Aksenov, Vladislav S. Ivanov, and Pavel A. Vlasov. 2023. "Ion Sensors for Pulsed and Continuous Detonation Combustors" Chemosensors 11, no. 1: 33. https://doi.org/10.3390/chemosensors11010033
APA StyleFrolov, S. M., Shamshin, I. O., Aksenov, V. S., Ivanov, V. S., & Vlasov, P. A. (2023). Ion Sensors for Pulsed and Continuous Detonation Combustors. Chemosensors, 11(1), 33. https://doi.org/10.3390/chemosensors11010033

