Next Article in Journal
Design and Validation of a Walking Exoskeleton for Gait Rehabilitation Using a Dual Eight-Bar Mechanism
Previous Article in Journal
Modeling the Soil Surface Temperature–Wind Speed–Evaporation Relationship Using a Feedforward Backpropagation ANN in Al Medina, Saudi Arabia
Previous Article in Special Issue
Web System for Solving the Inverse Kinematics of 6DoF Robotic Arm Using Deep Learning Models: CNN and LSTM
 
 
Font Type:
Arial Georgia Verdana
Font Size:
Aa Aa Aa
Line Spacing:
Column Width:
Background:
Article

A Hierarchical Distributed Control System Design for Lower Limb Rehabilitation Robot

1
School of Automation and Electrical Engineering, Zhongyuan University of Technology, Zhengzhou 450007, China
2
Zhongyuan-Petersburg Aviation College, Zhongyuan University of Technology, Zhengzhou 450007, China
*
Authors to whom correspondence should be addressed.
These authors contributed equally to this work.
Technologies 2025, 13(10), 462; https://doi.org/10.3390/technologies13100462
Submission received: 15 August 2025 / Revised: 24 September 2025 / Accepted: 10 October 2025 / Published: 13 October 2025
(This article belongs to the Special Issue AI Robotics Technologies and Their Applications)

Abstract

With the acceleration of global aging and the rising incidence of stroke, the demand for lower limb rehabilitation has been steadily increasing. Traditional therapeutic methods can no longer meet the growing needs, which has led to the widespread application of robotic solutions to address labor shortages. In this context, this paper presents a hierarchical and distributed control system based on ROS 2 and Micro-ROS. The distributed architecture decouples functional modules, improving system maintainability and supporting modular upgrades. The control system consists of a three-layer structure, including a high-level controller, Jetson Nano, for gait data processing and advanced command generation; a middle-layer controller, ESP32-S3, for sensor data fusion and inter-layer communication bridging; and a low-level controller, STM32F405, for field-oriented control to drive the motors along a predefined trajectory. Experimental validation in both early and late rehabilitation stages demonstrates the system’s ability to achieve accurate trajectory tracking. In the early rehabilitation stage, the maximum root mean square error of the joint motors is 1.143°; in the later rehabilitation stage, the maximum root mean square error of the joint motors is 1.833°, confirming the robustness of the control system. Additionally, the hierarchical and distributed architecture ensures maintainability and facilitates future upgrades. This paper provides a feasible control scheme for the next generation of lower limb rehabilitation robots.

1. Introduction

Accelerated global aging and rising stroke incidence have markedly increased the number of disabled and partially disabled individuals, driving a growing demand for rehabilitation therapies [1,2]. Although rehabilitation training is crucial for restoring motor function, conventional therapist-assisted methods are labor-intensive and heavily reliant on clinical expertise, limiting scalability [3,4]. Consequently, enhancing the accessibility, efficiency, and safety of rehabilitation training has become a research priority. Lower limb rehabilitation robots, as wearable assistive devices, have attracted considerable attention owing to proven efficacy in treating patients with incomplete injuries [5,6].
Although lower limb rehabilitation robots integrate multidisciplinary technical advances [7,8], their operation as highly integrated complex systems still encounters significant challenges, including inadequate stability, limited control accuracy, and delayed response times [9,10]. Such deficiencies directly compromise therapeutic efficacy, thereby necessitating the development of advanced control systems to enhance overall performance [11,12,13]. In particular, the control system must deliver high-precision trajectory tracking and robust disturbance rejection to accurately replicate optimized gait patterns and ensure stability in dynamic environments [14,15,16]. These capabilities are critical for improving patient rehabilitation outcomes and satisfaction, while also promoting ongoing innovation and progress in lower limb rehabilitation robotics technology [17,18,19,20].
Various control system architectures have been proposed for lower limb rehabilitation robots. Kagirov et al. [21] introduced a design based on a computer and an STM32 MCU, utilizing Wi-Fi and a universal asynchronous receiver transmitter (UART) for communication. He et al. [22] developed a system centered on a PC and an STM32F103, integrating Ethernet Control Automation Technology (EtherCAT) and a Controller Area Network (CAN) for data exchange. Urendes et al. [23] proposed an on-board computing system with a DMM-32X-AT module, employing a User Datagram Protocol (UDP) and CAN for communication. Zhong et al. [24] presented a hybrid architecture incorporating a Raspberry Pi CM4 and an STM32F407. Despite these advancements, existing solutions face several challenges in practical applications, including limited communication stability and high implementation costs. Furthermore, these communication architectures lack support for distributed design, resulting in tightly coupled control system functional modules that complicate maintenance and upgrades.
To address these challenges, this study proposes a hierarchical distributed control system for lower limb rehabilitation robots, built on ROS 2 and Micro-ROS. The system integrates a high-performance computing unit (Jetson Nano) with embedded controllers, optimizing resource allocation and enabling efficient real-time data transmission. The hierarchical design enhances scalability and robustness, which facilitates future functional expansion and technological upgrades. The high-level controller, running ROS 2, executes two primary nodes responsible for gait data processing and command execution. The middle-level control layer manages data transmission, ensuring accurate delivery of commands to actuators while relaying feedback to the high-level controller. The low-level execution layer implements motor control algorithms, utilizing Field-Oriented Control (FOC) in position control mode to drive motors along desired trajectories. This study aims to enhance control system architecture to improve the performance of lower limb rehabilitation robots, enabling safer and more efficient rehabilitation training.
The structure of this paper is as follows: Section 2 provides a detailed explanation of the hierarchical architecture of the control system and the functional division of each layer. Section 3 focuses on gait data acquisition methods and processing procedures. Section 4 describes the experimental design and presents an analysis and discussion of the results. Section 5 summarizes the key findings of this study and outlines future research directions.

2. Lower Limb Rehabilitation Robot Control System Scheme Design

The control system of the lower limb rehabilitation robot adopts a three-layer architecture consisting of a high-level controller, a middle-level control layer, and a low-level execution layer. Built on a hierarchical distributed control framework, this design utilizes modular task decomposition and hierarchical state management to clearly define the logical topology while significantly enhancing resistance to dynamic disturbances. Traditional embedded solutions often face real-time performance limitations in distributed architectures due to communication protocol constraints. In contrast, ROS 2 employs the Data Distribution Service (DDS) for efficient node-to-node communication [25,26,27]. By integrating Micro-ROS, the high-level controller and middle-level control layer share the same DDS communication protocol, enabling seamless data exchange. This approach significantly improves real-time performance and system stability compared to conventional embedded system designs [28,29]. A detailed comparison of control strategies is provided in Table 1.
This control system adopts a hierarchical architecture to achieve an efficient and reliable operational framework, with each hardware layer carefully designed to ensure functional integrity. The high-level controller, built on the Jetson Nano computing platform, runs ROS 2 to handle global task planning and complex data processing. The middle-level control layer, based on the ESP32-S3 embedded board with Micro-ROS, focuses on data integration and communication bridging between layers, ensuring precise command execution. The low-level execution layer, implemented on the STM32F405 development board running the FreeRTOS real-time operating system, employs the Field-Oriented Control (FOC) algorithm for high-precision motor position control, enabling accurate trajectory tracking. Furthermore, four brushless DC motors serve as actuation units to drive the lower limb rehabilitation robot. The overall framework is illustrated in Figure 1, where each layer is clearly defined and operates in seamless coordination, highlighting the technical advantages of the hierarchical architecture.

2.1. High-Level Controller Design

In the lower limb rehabilitation robot control system, the high-level controller functions as the central component, akin to a “brain”, executing high-performance, real-time tasks. These tasks include precise gait data processing, accurate generation and transmission of control commands, and efficient execution of complex algorithms. Given the stringent requirements for real-time performance, reliability, and computational capability, ROS 2 serves as an optimal framework due to its robust multi-threading capabilities and built-in Data Distribution Service (DDS) communication mechanism [30,31].
Specifically, ROS 2 utilizes DDS to support three efficient communication methods. Topic communication, based on a publish/subscribe model [32], enables asynchronous information exchange and is well-suited for real-time transmission of continuous data streams, such as gait data. Service communication, following a request/response model [33], provides synchronous communication, making it ideal for scenarios requiring immediate feedback, such as dynamically adjusting motion parameters. Action communication combines features of both approaches, supporting long-duration task execution while allowing clients to monitor progress and receive intermediate results [34], making it suitable for complex algorithm implementation. The topology of these communication methods is illustrated in Figure 2.
ROS 2 improves the flexibility and adaptability of the high-level controller while enhancing system stability and reliability, establishing a foundation for efficient operation of the lower limb rehabilitation robot. In the ROS 2-based design of the high-level controller, code is organized into nodes, with each node assigned a specific function. Multi-threading supports parallel task processing, boosting efficiency and resource utilization [35].
A Jetson Nano platform is employed as the high-performance hardware foundation, with its Ubuntu operating system enhanced by a real-time kernel patch and configured to operate the ROS 2 framework. Based on this hardware–software architecture, an advanced controller system is developed, comprising two core functional nodes that work in coordination: one for processing human gait data and the other for generating rehabilitation training commands. This configuration enables precise control and management of the rehabilitation training process.
Functional Node 1 is responsible for integrating and processing gait data. To obtain continuous, smooth, and control-ready gait trajectory data, Functional Node 1 processed the collected raw gait data through segmented concatenation and spline interpolation smoothing. Specifically, the gait data are divided into the initiation phase, walking phase, and termination phase according to the stages of gait motion. The initiation and termination phases consisted of a static standing posture and its time-reversed sequence, respectively. For the walking phase, a single gait cycle served as the basis, with transitional segments generated by linear interpolation to ensure smooth connections between cycles. The complete walking sequence is then formed by repetitively concatenating these cycles according to the predefined number of repetitions. In the smoothing process, the angular degree sequences y i i = 0 n associated with the left, right, and intermediate sides are used to perform curve fitting, based on the triangular splines S ( x ) . The objective is to minimize the following functional to obtain a smooth curve:
min S ( x ) i = 0 n y i S ( x i ) 2 + λ x 0 x n S ( x ) 2 d x
In this context, λ denotes the smoothing parameter, which regulates the trade-off between data fidelity and curve smoothness. As λ 0 , the curve approaches strict interpolation of the original data, whereas larger values of λ yield smoother curves at the expense of reduced fitting accuracy. Following spline fitting, m new sampling points are uniformly inserted between each pair of original data points, resulting in a smoothed trajectory sequence with a temporal resolution increased by a factor of m + 1. This processing approach preserves the intrinsic kinematic characteristics of the motion while markedly reducing angular discontinuities at the cycle junctions and enhancing both trajectory continuity and control feasibility, thereby providing high-quality input data for subsequent joint control of the lower-limb rehabilitation robot. After data integration, the node uploads the database information to the ROS 2 parameter server, enabling real-time updates and dynamic management of the database content. This approach allows other functional nodes to quickly access the required data by querying the database name, ensuring efficient data sharing. Furthermore, by utilizing the centralized management feature of the ROS 2 parameter server, the system enhances both flexibility and scalability, facilitating future functional expansions.
Functional Node 2 is responsible for transmitting control commands to the middle-level control layer. For specific rehabilitation training requirements, this node converts gait data, the preset training duration, and the selected training mode into standardized commands, which are subsequently transmitted to the middle-level control layer. The design process fully considered practical rehabilitation needs to ensure the accuracy and execution efficiency of the commands. Furthermore, the system is capable of adapting gait data based on the user’s height and the lengths of the thigh and shank segments, thereby enabling personalized rehabilitation schemes. The operation of Functional Node 2 depends on real-time gait data provided by Functional Node 1, with both nodes working cooperatively to maintain the stability of the overall system.
Leveraging the integration of the ROS 2 control framework on a Jetson Nano hardware platform, a comprehensive rehabilitation training system has been successfully implemented. This system unifies data processing, database management, and control command dissemination into a single platform, markedly enhancing the efficiency and accuracy of gait data processing. Furthermore, the use of the ROS 2 parameter server optimizes data management and access protocols, thereby establishing a robust foundation for the development of intelligent, personalized rehabilitation training solutions. The operational mechanism of the high-level controller is depicted in Figure 3.

2.2. Design of the Middle-Level Control Layer and the Low-Level Execution Layer

Both the middle-level control layer and the low-level execution layer are implemented on embedded systems running the FreeRTOS real-time operating system. Utilizing FreeRTOS task scheduling capabilities, the single-threaded architecture simulates concurrent multitasking, thereby substantially enhancing real-time performance and task processing efficiency.
Embedded components ESP32-S3 and STM32F405 provide driver interfaces for various sensors and control units, ensuring efficient operation. A functional requirements analysis led to the selection of the ESP32-S3 platform to deploy Micro-ROS, with communication to the high-level controller achieved via the DDS framework. This decision ensures architectural consistency between the high-level controller and the middle-level control layer, both developed using the ROS 2 framework. Consequently, common communication issues in traditional embedded systems are resolved, and data format conversions are avoided.
At the core of the middle-level control layer, the ESP32-S3 runs FreeRTOS to meet Micro-ROS performance requirements and exploit its robust driver interface capabilities for integration with additional embedded platforms and sensors. In the lower limb rehabilitation robot control system, the ESP32-S3 functions as a key data relay station; the block diagram is shown in Figure 4. Communication with the high-level controller is maintained via the DDS protocol, while data exchange with the low-level execution layer is achieved through the USART protocol. The flexible configuration of communication interfaces permits the combination of multiple common data types as required, thereby enhancing system scalability and adaptability.
Upon receiving instructions from the high-level controller, the middle-level control layer disassembles floating-point gait data into individual bytes and stores the result in a byte-based database for rapid retrieval and processing by the embedded system. In accordance with the high-level controller’s directives, the data are then transmitted in byte format to the low-level execution layer.
Within the low-level execution layer, the received byte data are reorganized in memory following a specified communication protocol and subsequently converted back into floating-point format for use by the motor control system. As the fundamental control unit, the low-level execution layer follows the process illustrated in Figure 5. First, it receives byte streams organized according to the communication protocol. Next, the data are reconstructed and parsed based on byte length, after which the decoded joint angle commands are verified against predefined safety ranges. Finally, the reconstructed data are transmitted via the Controller Area Network (CAN) protocol to the motor control unit, thereby ensuring precise actuation. Real-time position feedback from the motor forms a closed-loop control system that ensures the overall performance meets the intended objectives.

2.3. Design of Motor Control System

The motor serves as a core actuator within the control system, playing a decisive role in achieving high-precision motion control. To ensure efficient and accurate position regulation, the system employs a self-developed motor driver control board (Figure 6) integrated with Field-Oriented Control (FOC) technology. By decoupling the current and magnetic field, this technique enables precise regulation of motor torque and rotational speed, thereby significantly enhancing the system’s dynamic response and energy utilization efficiency.
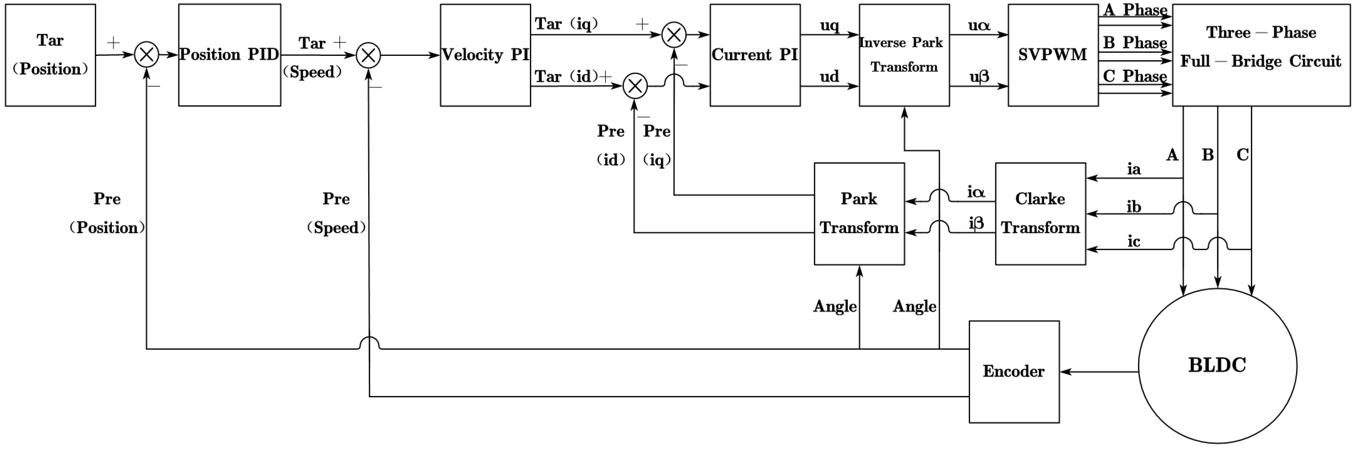
The control block diagram presented in Figure 7, outlines the process from sensor feedback to SVPWM signal generation. It delineates the functional modules and their interrelationships—including sensor feedback, coordinate transformation, PID control, and SVPWM signal generation—thereby facilitating high-precision motor position control in complex applications.
Within the FOC framework, accurate measurement of the three-phase stator currents ( i a , i b , and i c ) is critical. In order to simplify the control algorithm and boost computational efficiency, the measured currents are transformed into a two-phase stationary coordinate system ( α - β ) via the Clarke Transformation, as depicted in Figure 8. This mathematical transformation represents a three-phase system equivalently as a two-phase system.
i α i β = 2 3 1 1 2 1 2 0 3 2 3 2 i a i b i c
i a + i b + i c = 0
i α i β = 1 1 2 0 3 2 i a i b
Based on the motor angle computed during the previous control cycle, the Park Transformation converts the stator currents into orthogonal components i d and i q in the rotating reference frame (see Figure 9).
i d i q = cos θ sin θ sin θ cos θ i α i β
The resulting i d and i q values are compared with the setpoints to form the input for the current loop PI controller. Adjustment of the PI parameters yields the voltage vectors u d and u q applied to the motor.
Encoder measurements capture the rotor’s mechanical position, which is converted into an electrical angle based on the number of pole pairs; the encoder also supplies the rotational speed. The measured three-phase currents undergo Clarke and Park transformations to yield the rotating frame components i d and i q , which are compared with the target values Tar( i d ) and Tar( i q ). A current loop PI controller then generates voltage commands u d and u q . Subsequently, u d and u q are transformed back to the stationary frame as u α and u β via the inverse Park transformation. An SVPWM algorithm generates the switching signals for the three-phase inverter, ultimately driving the motor to complete closed-loop control.

Stability Analysis of Motor Control System

Consider the dq-frame model after Clarke/Park transform and feedforward decoupling:
L i ˙ q = R i q + v q ctrl + Δ q ( t ) ,
where i q is the q-axis current (A); L > 0 is the phase inductance (H); R 0 is the phase resistance ( Ω ); v q ctrl is the q-axis voltage command (V); and Δ q ( t ) denotes residual modeling error (assumed bounded: Δ q ( t )   Δ ¯ ).
J ω ˙ + B ω = K t i q τ L ( t ) ,
where ω is the rotor angular velocity (rad/s); J > 0 is the rotor inertia (kg· m 2 ); B 0 is viscous damping (N·m·s); K t > 0 is the torque constant (N·m/A); and τ L ( t ) is the external load torque (N·m), assumed bounded: τ L ( t ) τ ¯ .
The control architecture is a standard three cascaded loops: inner current PI, middle velocity PI (producing current reference), and outer position PID.
Assumption 1.
1. 
(Decoupling) Feedforward/decoupling renders d–q channels approximately independent so that (6) holds with small residual Δ q ( t ) .
2. 
(Timescale separation) Controller gains are chosen so that inner-loop (current) bandwidthmiddle-loop (velocity) bandwidthouter-loop (position) bandwidth, compactly written as
τ i τ v τ p ,
where τ i , τ v , τ p denote nominal time constants of the current, velocity, and position loops, respectively.
Theorem 1
(Cascaded stability and ISS). Under the above assumptions, let the inner current PI be
v q ctrl = k p i e i + k i i ξ i , e i = i q ref i q , ξ ˙ i = e i ,
where e i is the current error (A), ξ i the integrator state (such that k i i ξ i has voltage dimension), and k p i , k i i > 0 are PI gains. Let the middle-loop velocity controller be implemented in torque-normalized form:
i q ref = 1 K t k p v s + k i v η , s = ω ref ω , η ˙ = s ,
where s is the velocity error (rad/s), η the velocity integrator state (such that k i v η has torque dimension), and k p v , k i v > 0 are torque-level gains (so that K t i q ref = k p v s + k i v η ). Then, under timescale separation, the cascaded closed-loop equilibrium ( e i , s , θ ref θ ) = ( 0 , 0 , 0 ) is locally asymptotically stable. If disturbances Δ q , τ L are present and bounded, the closed-loop is input-to-state stable (ISS; i.e., bounded inputs imply bounded states, and inputs 0 imply states 0 ).
Inner Loop.
Consider the inner-loop Lyapunov candidate
V i = 1 2 L e i 2 + 1 2 k i i ξ i 2 ,
where the first term represents electrical stored energy associated with current error and the second term represents integrator energy (units consistent since k i i ξ i has voltage dimension). Under the standard approximation that i ˙ q ref and Δ q are negligible on the current time scale (justified when inner-loop bandwidth ≫ middle-loop), direct differentiation yields
V ˙ i = ( R + k p i ) e i 2 0 ,
so ( e i ,   ξ i ) 0 by LaSalle invariance. Including bounded inputs ( i ˙ q ref ,   Δ q ) leads to ISS-type bounds for the inner loop.
Middle Loop.
With fast inner-loop tracking and the torque-normalized controller ( K t i q ref = k p v s + k i v η ), the mechanical dynamics (neglecting τ L on this derivation step and assuming slowly varying reference) read
J ω ˙ + B ω = k p v s + k i v η ,
where the right-hand side is directly in torque units (N·m), so k p v ,   k i v carry torque dimension. Choose
V v = 1 2 J s 2 + 1 2 k i v η 2 ,
where the first term is rotational kinetic-like energy and the second corresponds to the integrator (torque-scaled). Differentiation yields
V ˙ v = ( k p v + B ) s 2 0 ,
hence, ( s ,   η ) 0 under the idealized approximation; with bounded inner-loop error and load torque τ L , the middle loop satisfies ISS properties.
Composite Lyapunov.
Define the composite candidate
V = α i V i + α v V v + α p V p ,
with V p = 1 2 k p p o s ( θ ref θ ) 2 (position energy-like term), weights α i , v , p > 0 , and denote z i = ( e i ,   ξ i ) , z v = ( s ,   η ) , z p = θ ref θ (so z i ,   z v are Euclidean norms of the respective error vectors). Differentiation and substitution of subsystem derivatives yields an estimate of the form
V ˙ c i z i 2 c v z v 2 c p z p 2 + γ i v z i z v + γ v p z v | z p | + Φ ( t ) ,
where c i ,   c v ,   c p > 0 depend on system parameters ( L ,   R ,   J ,   B ,   K t ) and controller gains, γ i v ,   γ v p 0 quantify cross-coupling strengths, and Φ ( t ) collects bounded disturbance contributions (with constant upper bound Φ ¯ ). Applying Young’s inequality a b ε a 2 2 + b 2 2 ε to the cross terms and choosing weights α i , v , p and gains so that the diagonal (negative) terms dominate, one obtains constants λ > 0 and Φ ¯ 0 such that
V ˙ λ ( z i , z v , z p ) 2 + Φ ¯ .
Consequently, in the disturbance-free case ( Φ ¯ = 0 ) the equilibrium is locally asymptotically stable; for bounded Φ ¯ > 0 the system is input-to-state stable (ISS), i.e., steady-state error is bounded proportionally to disturbance magnitude.

3. Gait Trajectory Data

To ensure precise motion assistance and tailored rehabilitation training, this study does not rely on a single predefined gait model. Instead, gait data are collected from healthy individuals with diverse physical characteristics, resulting in a comprehensive database that captures variations in lower limb motion patterns. This dataset serves as the foundation for patient-specific gait matching, whereby the most suitable reference trajectories are selected based on the patient’s body proportions and mobility requirements. The process begins with experimental acquisition of spatial motion data from the lower limb joints of healthy volunteers, which are then transformed from raw three-dimensional coordinates into joint angle profiles compatible with motor control systems. These profiles provide direct executable input for the control algorithms of the rehabilitation robot. By preserving the natural variability of human gait within the database and aligning it with individual patient morphology, the method enables highly personalized rehabilitation programs. The subsequent sections describe in detail the procedures for gait data acquisition, processing, and patient-specific matching.

3.1. Acquisition of Gait Trajectory Data

According to the latest Report on the Height and Weight Health Data of Chinese Residents, the mean height of males aged 18–44 years is 174.0 cm, whereas that of females is 161.4 cm. In the present study, a total of 65 volunteers were recruited for gait data acquisition, and the anthropometric characteristics of a subset of participants are provided in Table 2.
Gait data are captured using the NOKOV 3D infrared optical motion capture system, which consists of eight infrared cameras, reflective markers, and data transmission equipment. The cameras emit infrared light, which is reflected by the markers, allowing the system to determine their positions based on light reflection principles. As shown in Figure 10, the cameras are evenly positioned along both sides of the room to track joint movements [36]. Volunteers are instructed to walk naturally in a relaxed manner.
Reflective markers are placed on the hip, knee, and ankle joints (Figure 11), and their spatial coordinates are recorded throughout the motion. The dataset includes 18 key features, representing the X, Y, and Z coordinates of the left and right hip, knee, and ankle joints. Data are sampled at 120 Hz, with measurements recorded in millimeters. The raw gait data are acquired and preprocessed using Nk_Cortex 1.6.2 software, with a selected portion of the collected coordinate data shown in Table 3.

3.2. Processing of Gait Trajectory Data

To achieve precise trajectory matching in the lower limb rehabilitation robot’s motion control system, human gait biomechanics are transformed into executable electromechanical control parameters. The raw spatial coordinates of lower limb joints (hip, knee, and ankle in X/Y/Z) collected by the Nokov optical motion capture system cannot directly drive the servo motor actuators due to discrepancies between biomechanical and mechanical coordinate systems and the redundancy of degrees of freedom in the motion chain. To address this, a simplified two-link kinematic model is constructed based on sagittal plane motion characteristics. An affine coordinate system is defined with the vertical direction as the Z-axis and the gait progression direction as the positive Y-axis. Using the spatial geometric relationships of the ankle endpoint a( a y , a z ), knee b( b y , b z ), and hip c( c y , c z ), analytical equations for joint angles are established. Inverse kinematics is applied to derive the hip joint angle q 1 and knee joint angle q 2 based on the tangent theorem. By eliminating redundant three-dimensional coordinates, spatial position data are reduced to a two-dimensional sagittal plane, generating a joint angle time series compatible with servo motor position control. The geometric relationship is illustrated in Figure 12.
q 1 = tan 1 b y c y c z b z
q 2 = q 1 α
α = tan 1 a y b y b z a z
The inverse kinematics equations for the hip and knee joints are derived as follows:
q 1 = tan 1 b y c y c z b z
q 2 = q 1 tan 1 a y b y b z a z
By applying inverse kinematics equations, the acquired end-effector pose coordinates are processed to determine the corresponding joint angle values. Representative results are presented in Table 4. After appropriate processing, the joint motion angle data obtained from volunteers with different body types can be effectively utilized to achieve precise motor control.

4. Experimental Verification

To validate the effectiveness and reliability of the lower-limb rehabilitation robotic system, a systematic experimental evaluation is conducted, focusing on motion control accuracy, multi-stage gait adaptability, and human–robot interaction performance. The experimental validation comprised two components. First, a multi-dimensional training experiment is performed to simulate the progression from early-stage functional recovery to late-stage strength enhancement in patients. This is achieved by adjusting gait cycle parameters to represent low-speed and high-speed gait modes, respectively, and comparing the actual hip and knee joint trajectories with predefined reference gait patterns to assess the system’s dynamic response under different rehabilitation stages. Second, statistical analyses are performed on the recorded joint angle trajectories to quantify the distribution characteristics of angular deviations between the actual and target gaits, thereby evaluating the system’s trajectory tracking accuracy, robustness, and operational stability. All experiments are conducted under a fixed-load condition, with the load consisting of a humanoid model measuring 165 cm in height and weighing 60 kg, to ensure consistency and repeatability during testing. In addition, multiple repeated trials are carried out under different gait speed conditions to further assess the system’s adaptability to diverse operating scenarios and to provide experimental evidence supporting its clinical feasibility.

4.1. Rehabilitation Training Experiment

The mechanical design of the rehabilitation robot is fully aligned with human anatomical characteristics and can be adaptively adjusted to accommodate individual patient differences. As illustrated in Figure 13, the overall system configuration consists of an AC 220 V to DC 48 V power supply module, ESP32-S3 and STM32F405 controller modules, and brushless DC motor units equipped with magnetic encoders.
The present study carried out a systematic, multi-round performance evaluation of the lower-limb rehabilitation robot, aiming to rigorously validate its stability, operational robustness, and reliability across a spectrum of representative rehabilitation scenarios. The assessment framework is designed to emulate different stages of clinical rehabilitation, thereby enabling a stage-specific analysis of the robot’s performance under conditions closely aligned with real-world therapeutic settings. Specifically, the experimental protocol incorporated both the early-stage functional recovery phase—characterized by initial mobility restoration—and the later-stage phases oriented toward the enhancement of muscular strength and inter-limb coordination. This structured approach ensured a comprehensive examination of the system’s operational characteristics, adaptive control capability, and long-term performance consistency, thereby offering a holistic understanding of its clinical applicability.
In the early stage of rehabilitation, patients frequently exhibit pronounced limitations in joint mobility, impaired neuromuscular control, and substantially reduced muscle strength. These functional constraints render them highly susceptible to secondary injuries, particularly when subjected to intensive loading or rapid movement training protocols. To address these clinical risks while supporting gradual neuromuscular reactivation, the present study implemented a conservative control strategy featuring reduced actuation speed and enhanced trajectory stability during the initial training sessions. This approach is intended to minimize peak joint loads and unexpected perturbations, thereby reducing the probability of overuse injuries and mechanical strain. Simultaneously, the protocol facilitated progressive neuromotor adaptation, laying the foundation for subsequent high-intensity strength training and advanced coordination exercises in the later rehabilitation stages.
Figure 14 presents the measured hip and knee joint trajectories over five complete gait cycles during the early rehabilitation stage. In this phase, the implemented gentle control scheme plays a critical role in safeguarding patient safety by strictly constraining joint excursion amplitudes and gait cadence. Such regulation effectively mitigates the likelihood of muscle strain or discomfort that could arise from excessive angular displacements, abrupt velocity changes, or elevated joint torques. By maintaining a controlled and gradual range of motion, the system fosters a safe yet functional exercise environment conducive to progressive neuromuscular adaptation. Simultaneously, the recorded joint tracking errors remain consistently minimal across cycles, highlighting not only the robustness of the control algorithm but also the precision with which the robot reproduces the target trajectories. This combination of accurate trajectory tracking and carefully moderated motion profiles demonstrates the system’s capability to balance rehabilitation safety with the therapeutic requirements of early-stage motor recovery.
In the later stages of rehabilitation, as patients progressively recover neuromuscular coordination, motor function, and lower-limb muscle strength, the control strategy transitions from a conservative assistance mode toward a more adaptive paradigm. Specifically, gait cadence is dynamically modulated in accordance with the patient’s rehabilitation progress, gradually approaching the natural walking rhythm typically observed in healthy individuals. This process involves fine-tuning both temporal and spatial gait parameters, such as step frequency, stride length, and phase timing, to better emulate physiological locomotion patterns. Such parameter optimization not only improves mechanical walking efficiency but also promotes a smoother and more energy-efficient gait, thereby facilitating the patient’s adaptability to diverse real-world ambulation scenarios. Ultimately, this accelerates the re-establishment of independent mobility and supports a more seamless reintegration into daily functional activities.
Figure 15 illustrates the gait-tracking profiles of the hip and knee joints during late-stage rehabilitation. Relative to early-stage training, hip joint tracking errors remain approximately constant, suggesting that hip control precision is maintained even as gait cadence increases. By contrast, knee joint tracking errors exhibit a noticeable increase. This divergence can be attributed to the biomechanical characteristics of the joints: at elevated gait frequencies, the hip exhibits relatively small angular excursions, reducing motion complexity and enabling the control system to maintain high tracking accuracy. Conversely, the knee experiences substantially larger angular amplitudes and higher peak angular velocities, which impose stricter requirements on real-time controller responsiveness and torque output capacity. These heightened dynamic demands increase the likelihood of tracking discrepancies, underscoring the need for further refinement of control algorithms to ensure consistent accuracy across all joints under high-frequency gait conditions.

4.2. Experimental Results Analysis

To further quantify system performance, ten datasets of hip and knee angle trajectories are recorded during early and late rehabilitation phases, and maximum and mean tracking errors are computed for both joints (Table 5 and Table 6).
As shown in Table 5, the maximum tracking error of the hip and knee angles during the early rehabilitation phase remained below 3.3°, indicating that the control system was able to maintain stable tracking performance during this phase. This further confirms that the flexible driving control strategy effectively guides the patient’s limb movements to follow the target trajectory.
As shown in Table 6, the maximum root mean square error (RMSE) of the hip and knee motors during the later rehabilitation phase was 1.833°. The relatively low RMSE value indicates that the system exhibited high stability in trajectory tracking and effectively adapted to variations in training intensity.
To provide a clearer representation of the system’s tracking performance, the hip and knee joint angle tracking errors during the early and late stages of rehabilitation training are visualized and analyzed separately.
Figure 16 illustrates the standard deviation (STD), extrema, mean values, and 95% confidence intervals (CI) of the joint motion errors obtained from ten experimental trials. In the early stage of rehabilitation training, the error curves exhibit pronounced periodic fluctuations, consistent with the intrinsic cyclic nature of gait. The negligible differences between left and right joint errors further demonstrate the generalizability of the proposed control system. Notably, error peaks predominantly occur at phase transition points, where rapid changes in joint states demand prompt system responses. Moreover, the relatively small standard deviations observed across the ten trials indicate that the system consistently maintains high trajectory-tracking accuracy and operational stability during repeated tests.
In the late stage of rehabilitation training (Figure 17), the system consistently maintains stable tracking performance despite the increased gait frequency. The error curves continue to exhibit periodic patterns, indicating strong speed adaptability and dynamic robustness of the control strategy. Notably, the tracking errors of the knee joint remain slightly higher than those of the hip joint across all stages. This is primarily attributed to the knee joint’s requirement for greater flexion–extension movements, which are more susceptible to dynamic modeling inaccuracies, thereby increasing the control complexity.

4.3. Communication Performance Results and Analysis

In this study, a single communication cycle (used to evaluate the round-trip time across the high–middle–lower control layers) is defined as the interval from the timestamp t pub at which the high-level controller (Jetson Nano) publishes a gait command to the timestamp t recv at which the high-level controller receives the corresponding actual joint position feedback. The end-to-end latency is therefore given by
Δ t = t recv t pub
This definition employs a single-end measurement at the high-level controller (both send and receive are recorded by the high node) and therefore obviates the need for strict cross-device clock synchronization while yielding accurate round-trip latency estimates. To ensure reproducibility, each command carries a unique sequence identifier (command ID), and responses are matched to commands in the high node; all reported statistics are computed from complete command–response pairs only.
Two representative operating modes were evaluated to reflect typical rehabilitation scenarios: an early rehabilitation mode with transmission frequency f = 30   H z and a late/fast mode with f = 60   H z . Each independent test transmitted N = 1980 frames per run; the experiment was repeated R = 20 times to assess statistical stability.
Under these test conditions (Jetson Nano + ROS 2/DDS + ESP32/micro-ROS + STM32 + UART/CAN hybrid links), the measured mean single-cycle round-trip latency over the R = 20 independent runs (each with N = 1980 command–response pairs) was
Δ t ¯ = 0.0036   s = 3.6   m s .
This measured latency is substantially smaller than the control periods corresponding to the evaluated frequencies ( 33.3   m s at 30   H z and 16.7   m s at 60   H z ). Consequently, under the tested hardware and network conditions the observed communication latency does not constitute a bottleneck for achieving the nominal high-level controller command rates. Furthermore, across 20 independent experimental repetitions (1980 frames per run; 39,600 frames in total), no packet loss was observed in any run. The detailed data are shown in Table 7.

4.4. Discussion and Future Work

This study presented a distributed three-layer control system for a lower-limb rehabilitation robot and demonstrated its feasibility on a humanoid model testing platform, where the proposed architecture satisfied real-time and stability requirements. Nevertheless, several limitations remain. The validation has not yet involved real patients, and the presence of spasticity, reduced voluntary control, and pathological gait patterns may introduce new dynamic challenges compared with mannequin-based tests. Future studies should therefore incorporate human–robot interaction experiments to assess safety and comfort, and extend the modeling framework to capture pathological gait features and three-dimensional compensatory motions such as hip rotation and pelvic tilt. In terms of control, the current field-oriented control (FOC) design emphasizes motor-level stabilization without addressing load-dependent dynamics. Further work should analyze torque output and bandwidth adaptation under patient-induced forces during standing, weight-bearing, and gait training, while exploring parameter optimization, bandwidth compensation, or biofeedback integration using electromyography (EMG) and inertial measurement units (IMU) to improve accuracy and personalization. Overall, this work provides a preliminary step toward modular and distributed rehabilitation robot control, but future efforts on patient validation, robustness analysis, safety, and scalability are essential to enable clinical translation.

5. Conclusions

This study addresses limitations in current lower limb rehabilitation robot control systems by proposing a hierarchical distributed control architecture based on ROS 2 and Micro-ROS. A three-level collaborative system—comprising a high-level controller (Jetson Nano), a middle-level control layer (ESP32-S3), and a low-level execution layer (STM32F405) is implemented to enhance overall performance. A motor position control strategy based on field-oriented control (FOC) is implemented, achieving a maximum root mean square error (RMSE) of 1.833°, thereby ensuring high control accuracy. The system’s modular design facilitates scalability, while the low-latency communication framework and real-time security response ensure system security. In practice, precise joint motion control lowers the risk of secondary injury compare to traditional therapist-assisted rehabilitation. A two-link dynamic model, established from gait data of 65 healthy subjects, forms the technical basis for generating personalized rehabilitation schemes. This approach to rapidly converting biological data into control commands significantly reduces the development cycle of rehabilitation robots. Furthermore, the proposed hierarchical distributed control architecture offers high scalability, simplifying control system upgrades and expansions. This feature has far-reaching significance for the development of lower limb rehabilitation robot control systems.

Author Contributions

Methodology, J.D.; Software, J.D., R.T. and X.Z.; Validation, J.D., P.L. and X.Z.; Investigation, R.T. and P.L.; Data curation, J.D. and R.T.; Writing—original draft, A.W. and J.D.; Writing—review & editing, A.W., J.D. and X.Y. All authors have read and agreed to the published version of the manuscript.

Funding

This research was partially funded by the Henan Province Key Research and Development Project (Grants No. 241111312000), Henan Province Key International Science and Technology Cooperation Project (Grants No. 251111520400), the Key R&D Project of Henan Province (Grants No. 251111220900), and the Henan Province Key Technologies Research Development project (Grants Nos. 252102211106, 252102320281).

Institutional Review Board Statement

The study was conducted in accordance with the Declaration of Helsinki, and approved by the Institutional Review Board of Zhengzhou University of Technology (protocol code ZUTSEI202305-002, approved on 12 May 2023). Healthy volunteers were recruited to obtain gait data from healthy individuals.

Informed Consent Statement

Not applicable. The experiments were conducted using a humanoid model, and no human or animal subjects were involved in the study.

Data Availability Statement

Data are contained within the article.

Conflicts of Interest

The authors declare no conflicts of interest.The funders had no role in the design of the study; in the collection, analyses, or interpretation of data; in the writing of the manuscript; or in the decision to publish the results.

References

  1. Firouzi, V.; Seyfarth, A.; Song, S.; von Stryk, O.; Ahmad Sharbafi, M. Biomechanical models in the lower-limb exoskeletons development: A review. J. NeuroEng. Rehabil. 2025, 22, 12. [Google Scholar] [CrossRef] [PubMed]
  2. Lu, X.; Chen, X.; Bai, Y.; Liu, R. Explicit model based fuzzy control method for lower limb exoskeleton robot. Expert Syst. Appl. 2025, 270, 126601. [Google Scholar] [CrossRef]
  3. Zhang, S.; Fan, L.; Ye, J.; Chen, G.; Fu, C.; Leng, Y. An Intelligent Rehabilitation Assessment Method for Stroke Patients Based on Lower Limb Exoskeleton Robot. IEEE Trans. Neural Syst. Rehabil. Eng. 2023, 31, 3106–3117. [Google Scholar] [CrossRef] [PubMed]
  4. Kou, J.; Wang, Y.; Shi, Y.; Xu, S.; Zhan, H.; Guo, Q. Active control strategy of lower limb exoskeleton based on variable admittance control. Robot. Auton. Syst. 2025, 186, 104906. [Google Scholar] [CrossRef]
  5. Zhu, Z.; Liu, L.; Zhang, W.; Jiang, C.; Wang, X.; Li, J. Design and motion control of exoskeleton robot for paralyzed lower limb rehabilitation. Front. Neurosci. 2024, 18, 1355052. [Google Scholar] [CrossRef]
  6. Xing, Y.; Jiao, W. Control Method of Lower Limb Rehabilitation Robot Based on Nonlinear Time Series Prediction Model and Sensor Technology. IEEE Access 2024, 12, 152532–152543. [Google Scholar] [CrossRef]
  7. Chen, L.; Liang, Y.; Yang, Z.; Dui, H. Reliability analysis and preventive maintenance of rehabilitation robots. Reliab. Eng. Syst. Saf. 2025, 256, 110704. [Google Scholar] [CrossRef]
  8. Li, J.; Jiang, H.; Gao, M.; Li, S.; Wang, Z.; Pang, Z.; Zhang, Y.; Jiao, Y. Research on Iterative Learning Method for Lower Limb Exoskeleton Rehabilitation Robot Based on RBF Neural Network. Appl. Sci. 2025, 15, 6053. [Google Scholar] [CrossRef]
  9. Kapsalyamov, A.; Brown, N.A.; Goecke, R.; Jamwal, P.K.; Hussain, S. Velocity control of a Stephenson III six-bar linkage-based gait rehabilitation robot using deep reinforcement learning. Neural Comput. Appl. 2025, 37, 5671–5682. [Google Scholar] [CrossRef]
  10. Zhou, J.; Peng, H.; Zheng, M.; Wei, Z.; Fan, T.; Song, R. Trajectory Deformation-Based Multi-Modal Adaptive Compliance Control for a Wearable Lower Limb Rehabilitation Robot. IEEE Trans. Neural Syst. Rehabil. Eng. 2024, 32, 314–324. [Google Scholar] [CrossRef]
  11. Hussain, S.; Ficuciello, F. Advancements in Soft Wearable Robots: A Systematic Review of Actuation Mechanisms and Physical Interfaces. IEEE Trans. Med. Robot. Bionics 2024, 6, 903–929. [Google Scholar] [CrossRef]
  12. Su, D.; Hu, Z.; Wu, J.; Shang, P.; Luo, Z. Review of adaptive control for stroke lower limb exoskeleton rehabilitation robot based on motion intention recognition. Front. Neurorobot. 2023, 17, 1186175. [Google Scholar] [CrossRef] [PubMed]
  13. Bergmann, L.; Voss, D.; Leonhardt, S.; Ngo, C. Lower-Limb Exoskeleton with Compliant Actuators: Human Cooperative Control. IEEE Trans. Med. Robot. Bionics 2023, 5, 717–729. [Google Scholar] [CrossRef]
  14. Kapsalyamov, A.; Hussain, S.; Brown, N.A.T.; Goecke, R.; Jamwal, P.K. A Novel Underactuated Robotic Orthosis for Individualized Gait Rehabilitation. IEEE Trans. Med. Robot. Bionics 2024, 6, 213–223. [Google Scholar] [CrossRef]
  15. Ling, W. Energy optimization of a wearable lower limb rehabilitation robot based on deep learning. Sustain. Energy Technol. Assess. 2023, 56, 103123. [Google Scholar] [CrossRef]
  16. Sun, Y.; Xiao, C.; Chen, L.; Chen, L.; Lu, H.; Wang, Y.; Zheng, Y.; Zhang, Z.; Xiong, R. A Review of Intelligent Walking Support Robots: Aiding Sit-to-Stand Transition and Walking. IEEE Trans. Neural Syst. Rehabil. Eng. 2024, 32, 1355–1369. [Google Scholar] [CrossRef]
  17. Amiri, M.S.; Ramli, R.; Van, M. Swarm-initialized adaptive controller with beetle antenna searching of wearable lower limb exoskeleton for sit-to-stand and walking motions. ISA Trans. 2025, 158, 640–653. [Google Scholar] [CrossRef]
  18. Tian, J.; Wang, H.; Lu, H.; Yang, Y.; Li, L.; Niu, J.; Cheng, B. Force/position-based velocity control strategy for the lower limb rehabilitation robot during active training: Design and validation. Front. Bioeng. Biotechnol. 2024, 11, 1335071. [Google Scholar] [CrossRef]
  19. Emre, B.; Ashwin, N.; Seyram, O.; Joshua, L.W.R.; Weihao, Z.; Yu, H. Development and Validation of the Novel Exergame-Integrated Robotic Stepper Device for Seated Lower Limb Rehabilitation. IEEE Trans. Neural Syst. Rehabil. Eng. 2025, 33, 1643–1652. [Google Scholar] [CrossRef]
  20. Zuccon, G.; Doria, A.; Rosati, G.; Johnson, C.A.; McEligot, L.; Hertz, K.; Fernan, K.; Khan, I.; Reggie Edgerton, V.; Reinkensmeyer, D.J. Design of a Cable-Suspended Robot for Early Stage Gait Rehabilitation. IEEE Trans. Med. Robot. Bionics 2024, 6, 1616–1626. [Google Scholar] [CrossRef]
  21. Kagirov, I.; Kapustin, A.; Kipyatkova, I.; Klyuzhev, K.; Kudryavcev. Medical exoskeleton “Remotion” with an intelligent control system: Modeling, implementation, and testing. Simul. Model. Pract. Theory 2021, 107, 102200. [Google Scholar] [CrossRef]
  22. He, Y.; Li, N.; Wang, C.; Xia, L.q.; Yong, X.; Wu, X.y. Development of a novel autonomous lower extremity exoskeleton robot for walking assistance. Front. Inf. Technol. Electron. Eng. 2019, 20, 318–329. [Google Scholar] [CrossRef]
  23. Urendes, E.; Asín-Prieto, G.; Ceres, R.; García-Carmona, R.; Raya, R.; Pons, J.L. HYBRID: Ambulatory Robotic Gait Trainer with Movement Induction and Partial Weight Support. Sensors 2019, 19, 4773. [Google Scholar] [CrossRef] [PubMed]
  24. Zhong, B.; Shen, M.; Liu, H.; Zhao, Y.; Qian, Q.; Wang, W.; Yu, H.; Zhang, M. A Cable-Driven Exoskeleton with Personalized Assistance Improves the Gait Metrics of People in Subacute Stroke. IEEE Trans. Neural Syst. Rehabil. Eng. 2023, 31, 2560–2569. [Google Scholar] [CrossRef] [PubMed]
  25. Park, J.; Delgado, R.; Choi, B.W. Real-time characteristics of ROS 2.0 in multiagent robot systems: An empirical study. IEEE Access 2020, 8, 154637–154651. [Google Scholar] [CrossRef]
  26. Castillo-Sánchez, J.B.; González-Parada, E.; Cano-García, J.M. Swarm Robot Communications in ROS 2: An Experimental Study. IEEE Access 2024, 12, 142930–142943. [Google Scholar] [CrossRef]
  27. Qin, L.; Xing, Z.; Wang, J.; Lu, G.; Ji, H. Control Method in Coordinated Balance with the Human Body for Lower-Limb Exoskeleton Rehabilitation Robots. Biomimetics 2025, 10, 324. [Google Scholar] [CrossRef]
  28. Petrone, V.; Ferrentino, E.; Chiacchio, P. The Dynamic Model of the UR10 Robot and Its ROS2 Integration. IEEE Trans. Ind. Inform. 2025, 21, 3828–3838. [Google Scholar] [CrossRef]
  29. Yu, F.; Liu, Y.; Wu, Z.; Tan, M.; Yu, J. Adaptive gait training of a lower limb rehabilitation robot based on human–robot interaction force measurement. Cyborg Bionic Syst. 2024, 5, 0115. [Google Scholar] [CrossRef]
  30. Estefo, P.; Simmonds, J.; Robbes, R.; Fabry, J. The robot operating system: Package reuse and community dynamics. J. Syst. Softw. 2019, 151, 226–242. [Google Scholar] [CrossRef]
  31. Dieber, B.; Breiling, B.; Taurer, S.; Kacianka, S.; Rass, S.; Schartner, P. Security for the robot operating system. Robot. Auton. Syst. 2017, 98, 192–203. [Google Scholar] [CrossRef]
  32. Testa, A.; Camisa, A.; Notarstefano, G. ChoiRbot: A ROS 2 toolbox for cooperative robotics. IEEE Robot. Autom. Lett. 2021, 6, 2714–2720. [Google Scholar] [CrossRef]
  33. Bédard, C.; Lütkebohle, I.; Dagenais, M. ros2_tracing: Multipurpose low-overhead framework for real-time tracing of ROS 2. IEEE Robot. Autom. Lett. 2022, 7, 6511–6518. [Google Scholar] [CrossRef]
  34. Macenski, S.; Foote, T.; Gerkey, B.; Lalancette, C.; Woodall, W. Robot operating system 2: Design, architecture, and uses in the wild. Sci. Robot. 2022, 7, eabm6074. [Google Scholar] [CrossRef]
  35. Macenski, S.; Moore, T.; Lu, D.V.; Merzlyakov, A.; Ferguson, M. From the desks of ROS maintainers: A survey of modern & capable mobile robotics algorithms in the robot operating system 2. Robot. Auton. Syst. 2023, 168, 104493. [Google Scholar] [CrossRef]
  36. Ren, J.; Wang, A.; Li, H.; Yue, X.; Meng, L. A transformer-based neural network for gait prediction in lower limb exoskeleton robots using plantar force. Sensors 2023, 23, 6547. [Google Scholar] [CrossRef]
Figure 1. Hardware system framework.
Figure 1. Hardware system framework.
Technologies 13 00462 g001
Figure 2. Topology of the three communication methods.
Figure 2. Topology of the three communication methods.
Technologies 13 00462 g002
Figure 3. High-level controller operation mechanism.
Figure 3. High-level controller operation mechanism.
Technologies 13 00462 g003
Figure 4. Block diagram of ESP32-S3 operation.
Figure 4. Block diagram of ESP32-S3 operation.
Technologies 13 00462 g004
Figure 5. Block diagram of STM32F405 operation.
Figure 5. Block diagram of STM32F405 operation.
Technologies 13 00462 g005
Figure 6. Motor driver control board.
Figure 6. Motor driver control board.
Technologies 13 00462 g006
Figure 7. Block diagram of FOC position control.
Figure 7. Block diagram of FOC position control.
Technologies 13 00462 g007
Figure 8. Clarke transformed coordinate system.
Figure 8. Clarke transformed coordinate system.
Technologies 13 00462 g008
Figure 9. Park transformed coordinate system.
Figure 9. Park transformed coordinate system.
Technologies 13 00462 g009
Figure 10. Gait data acquisition platform.
Figure 10. Gait data acquisition platform.
Technologies 13 00462 g010
Figure 11. Reflective marking point location.
Figure 11. Reflective marking point location.
Technologies 13 00462 g011
Figure 12. Position relationship coordinates.
Figure 12. Position relationship coordinates.
Technologies 13 00462 g012
Figure 13. Lower limb rehabilitation machine.
Figure 13. Lower limb rehabilitation machine.
Technologies 13 00462 g013
Figure 14. Early-stage of rehabilitation training joint motor tracking data. Subfigures (ad) show, respectively, the tracking trajectory curves of the left hip, right hip, left knee, and right knee joints of the lower limb rehabilitation robot during early-stage rehabilitation.
Figure 14. Early-stage of rehabilitation training joint motor tracking data. Subfigures (ad) show, respectively, the tracking trajectory curves of the left hip, right hip, left knee, and right knee joints of the lower limb rehabilitation robot during early-stage rehabilitation.
Technologies 13 00462 g014
Figure 15. Later-stage of rehabilitation training joint motor tracking data. Subfigures (ad) show, respectively, the tracking trajectory curves of the left hip, right hip, left knee, and right knee joints of the lower limb rehabilitation robot during later-stage rehabilitation.
Figure 15. Later-stage of rehabilitation training joint motor tracking data. Subfigures (ad) show, respectively, the tracking trajectory curves of the left hip, right hip, left knee, and right knee joints of the lower limb rehabilitation robot during later-stage rehabilitation.
Technologies 13 00462 g015
Figure 16. Early-stage joint motor angle error. Subfigures (ad) show, respectively, the error statistical curves of the left hip, right hip, left knee, and right knee joints of the lower limb rehabilitation robot during early-stage rehabilitation based on 10 repeated trials.
Figure 16. Early-stage joint motor angle error. Subfigures (ad) show, respectively, the error statistical curves of the left hip, right hip, left knee, and right knee joints of the lower limb rehabilitation robot during early-stage rehabilitation based on 10 repeated trials.
Technologies 13 00462 g016
Figure 17. Later-stage joint motor angle error. Subfigures (ad) show, respectively, the error statistical curves of the left hip, right hip, left knee, and right knee joints of the lower limb rehabilitation robot during later-stage rehabilitation based on 10 repeated trials.
Figure 17. Later-stage joint motor angle error. Subfigures (ad) show, respectively, the error statistical curves of the left hip, right hip, left knee, and right knee joints of the lower limb rehabilitation robot during later-stage rehabilitation based on 10 repeated trials.
Technologies 13 00462 g017
Table 1. Control system architecture comparison.
Table 1. Control system architecture comparison.
Comparison DimensionROS 2 + Micro-ROS SolutionTraditional Embedded System Solution
Modularity & ReusabilityHigh modularity with reusable nodes across projectsMonolithic firmware with functional coupling
Cross-platform SupportMulti-OS compatibility (Linux/Windows/RTOS)Limited to specific hardware/OS architectures
Middleware InteroperabilityDDS-standardized distributed real-time communicationCustom protocol interfaces required
Toolchain RichnessIntegrated tools (rqt, rviz) for rapid developmentVendor-specific debugging tools
Real-time PerformanceConfigurable QoS policies (latency < 10 ms)Task-optimized RTOS (lower latency but less flexible)
Development Efficiency40% faster prototyping via ROS ecosystem librariesExtended cycles for custom low-level coding
Table 2. Basic information of the subjects.
Table 2. Basic information of the subjects.
GenderHeight (cm)Weight (kg)Hip Width (cm)Thigh Length (cm)Calf Length (cm)
Female16146304137.5
Male1757134.644.338.8
Male172723241.438.2
Female16449303439
Female1605227.538.235
Table 3. Joint space coordinate data.
Table 3. Joint space coordinate data.
Left Ankle Joint (mm)Left Knee Joint (mm)Left Hip Joint (mm)
X Y Z X Y Z X Y Z
−400.94292.09138.51−213.46323.97442.96−118.69373.62845.13
−397.16292.69141.51−202.89323.59442.06−104.63372.04843.52
−392.93293.64144.85−191.52323.28440.89−90.221370.09841.58
Table 4. Angle data for gait joints.
Table 4. Angle data for gait joints.
q1 (Radian) α (Radian)q2 (Radian)
0.122840.104330.01851
0.120100.102450.01765
0.115760.099790.01597
Table 5. Joint motor angle error in early rehabilitation.
Table 5. Joint motor angle error in early rehabilitation.
JointMaximum RMSEMinimum RMSEMaximum Error AverageMinimum Error AverageMaximum Error ExtremeMinimum Error Extreme
Left Hip0.482°0.473°1.006°−1.161°1.100°−1.397°
Left Knee1.143°1.098°2.110°−2.839°2.253°−3.281°
Right Hip0.405°0.400°0.575°−1.005°0.638°−1.076°
Right Knee0.966°0.962°2.468°−2.671°2.527°−2.851°
Table 6. Joint motor angle error in later rehabilitation.
Table 6. Joint motor angle error in later rehabilitation.
JointMaximum RMSEMinimum RMSEMaximum Error AverageMinimum Error AverageMaximum Error ExtremeMinimum Error Extreme
Left Hip0.725°0.701°0.898°−2.622°1.103°−2.770°
Left Knee1.833°1.740°3.426°−4.490°3.380°−4.970°
Right Hip0.713°0.675°0.697°−2.535°0.732°−2.683°
Right Knee1.677°1.67°3.747°−4.190°3.816°−4.465°
Table 7. Summary of communication test parameters and mean round-trip latency.
Table 7. Summary of communication test parameters and mean round-trip latency.
ParameterValueRemark
Frames per run, N1980fixed
Runs, R20independent repeats
Early mode frequency30 Hzslow gait phase
Late mode frequency60 Hzfast gait phase
Mean round-trip latency, Δ t ¯ 0.0036 smeasured over all runs
Disclaimer/Publisher’s Note: The statements, opinions and data contained in all publications are solely those of the individual author(s) and contributor(s) and not of MDPI and/or the editor(s). MDPI and/or the editor(s) disclaim responsibility for any injury to people or property resulting from any ideas, methods, instructions or products referred to in the content.

Share and Cite

MDPI and ACS Style

Wang, A.; Dong, J.; Teng, R.; Liu, P.; Yue, X.; Zhang, X. A Hierarchical Distributed Control System Design for Lower Limb Rehabilitation Robot. Technologies 2025, 13, 462. https://doi.org/10.3390/technologies13100462

AMA Style

Wang A, Dong J, Teng R, Liu P, Yue X, Zhang X. A Hierarchical Distributed Control System Design for Lower Limb Rehabilitation Robot. Technologies. 2025; 13(10):462. https://doi.org/10.3390/technologies13100462

Chicago/Turabian Style

Wang, Aihui, Jinkang Dong, Rui Teng, Ping Liu, Xuebin Yue, and Xiang Zhang. 2025. "A Hierarchical Distributed Control System Design for Lower Limb Rehabilitation Robot" Technologies 13, no. 10: 462. https://doi.org/10.3390/technologies13100462

APA Style

Wang, A., Dong, J., Teng, R., Liu, P., Yue, X., & Zhang, X. (2025). A Hierarchical Distributed Control System Design for Lower Limb Rehabilitation Robot. Technologies, 13(10), 462. https://doi.org/10.3390/technologies13100462

Note that from the first issue of 2016, this journal uses article numbers instead of page numbers. See further details here.

Article Metrics

Back to TopTop