Passive Wireless Measurement System Based on Wireless Power Transfer Technology
Abstract
1. Introduction
- (1)
- The power of data collectors is supplied by batteries [3,10]. Batteries can provide stable power for the system. But there are some unavoidable problems in this way, including the increase of the volume and weight of data collectors, the need to check and replace batteries regularly, and the failures of batteries.
- (2)
- Self-powered technology used for data collectors [9,13,14,15]. The mechanical vibration of environments can be converted into power by self-power technology. However, very little power can be collected. It is difficult to meet the power consumption of the data collector and the information transmission circuit.
- (3)
2. Existing Concepts Relevant to the Proposed Method
3. The Proposed Passive Wireless Measurement System
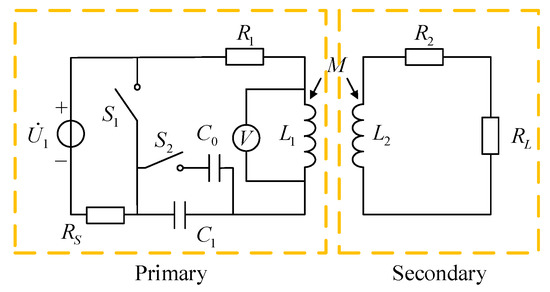
3.1. The Structure of the Passive Wireless Measurement System
3.2. The Measuring Process of the Passive Wireless Measurement System
4. Simulations and Experiments
5. Conclusions
Author Contributions
Funding
Acknowledgments
Conflicts of Interest
References
- Cui, Y.; Ma, Y.; Zhao, Z.; Li, Y.; Liu, W.; Shu, W. Research on data fusion algorithm and anti-collision algorithm based on internet of things. Future Gener. Comput. Syst. 2018, 85, 107–115. [Google Scholar] [CrossRef]
- Qiu, T.; Zheng, K.; Han, M.; Chen, C.L.P.; Xu, M. A Data-Emergency-Aware Scheduling Scheme for Internet of Things in Smart Cities. IEEE Trans. Ind. Inform. 2018, 14, 2042–2051. [Google Scholar] [CrossRef]
- Mansour, M.M.; Kanaya, H. Novel L-Slot Matching Circuit Integrated with Circularly Polarized Rectenna for Wireless Energy Harvesting. Electronic 2019, 8, 651. [Google Scholar] [CrossRef]
- Liu, T.; Baktash, E.; Zheng, L. A Cooperative SWIPT Scheme for Wirelessly Powered Sensor Networks. IEEE Trans. Commun. 2017, 65, 2740–2752. [Google Scholar] [CrossRef]
- Mai, V.V.; Shin, W.-Y.; Ishibashi, K. Wireless Power Transfer for Distributed Estimation in Sensor Networks. IEEE J. Sel. Top. Signal Process. 2017, 11, 549–562. [Google Scholar] [CrossRef]
- Lim, J.; Rezvanitabar, A.; Degertekin, F.L.; Ghovanloo, M. An Impulse Radio PWM-Based Wireless Data Acquisition Sensor Interface. IEEE Sens. J. 2019, 19, 603–614. [Google Scholar] [CrossRef]
- Dai, Z.; Wang, J.; Li, Y.; He, Y.; Fang, Z.; Hou, H. Optimal Design of Magnetic Coupling Wireless Power Supply System for Monitoring Equipment. IEEE Access 2018, 6, 58600–58608. [Google Scholar] [CrossRef]
- Parajuli, A.; Barzegaran, M.R.; Mohammed, O.A. Wide area condition monitoring of power electric drives in wind power generation system using radiated electromagnetic fields. IET Power Electron. 2018, 11, 876–883. [Google Scholar] [CrossRef]
- Llano, D.X.; Abdi, S.; Tatlow, M.; Abdi, E.; McMahon, R.A. Energy harvesting and wireless data transmission system for rotor instrumentation in electrical machines. IET Power Electron. 2017, 10, 1259–1267. [Google Scholar] [CrossRef]
- Dai, Z.; Fang, Z.; Huang, H.; He, Y.; Wang, J. Selective Omnidirectional Magnetic Resonant Coupling Wireless Power Transfer with Multiple-Receiver System. IEEE Access 2018, 6, 19287–19294. [Google Scholar] [CrossRef]
- Kumar, A.; Singh, A.; Kumar, A.; Singh, M.K.; Mahanta, P.; Gaur, A.; Kapoor, K.; Mukhopadhyay, S.C. Sensing Technologies for Monitoring Intelligent Buildings: A Review. IEEE Sens. J. 2018, 18, 4847–4860. [Google Scholar] [CrossRef]
- Spirjakin, D.; Baranov, A.; Akbari, S. Wearable Wireless Sensor System with RF Remote Activation for Gas Monitoring Applications. IEEE Sens. J. 2018, 18, 2976–2982. [Google Scholar] [CrossRef]
- Guravaiah, K.; Velusamy, R.L. Energy Efficient Clustering Algorithm Using RFD Based Multi-hop Communication in Wireless Sensor Networks. Wirel. Pers. Commun. 2017, 95, 3557–3584. [Google Scholar] [CrossRef]
- Wang, X.; Zhang, Y.; Zhang, X.; Huo, Z.; Li, X.; Que, M.; Peng, Z.; Wang, H.; Pan, C. A Highly Stretchable Transparent Self-Powered Triboelectric Tactile Sensor with Metallized Nanofibers for Wearable Electronics. Adv. Mater. 2018, 30, e1706738. [Google Scholar] [CrossRef] [PubMed]
- He, J.; Wen, T.; Qian, S.; Zhang, Z.; Tian, Z.; Zhu, J.; Mu, J.; Hou, X.; Geng, W.; Cho, J.; et al. Triboelectric-piezoelectric-electromagnetic hybrid nanogenerator for high-efficient vibration energy harvesting and self-powered wireless monitoring system. Nano Energy 2018, 43, 326–339. [Google Scholar] [CrossRef]
- Zhao, L.; Zheng, K.; Chatzimisios, P. Hybrid information and energy transfer in ultra-dense HetNets. Comput. Netw. 2017, 129, 502–509. [Google Scholar] [CrossRef]
- Bhuiyan, R.H.; Islam, M.R.; Caicedo, J.M.; Ali, M. A Study of 13.5-MHz Coupled-Loop Wireless Power Transfer Under Concrete and Near Metal. IEEE Sens. J. 2018, 18, 9848–9856. [Google Scholar] [CrossRef]
- Grebene, A.B. Bipolar and MOS Analog Integrated Circuit Design; Wiley-Interscience: Hoboken, NJ, USA, 2002. [Google Scholar]
- Abatti, P.J.; De Miranda, C.M.; Da Silva, M.A.; Pichorim, S.F. Analysis and optimisation of three-coil wireless power transfer systems. IET Power Electron. 2018, 11, 68–72. [Google Scholar] [CrossRef]
- Liu, X.; Wang, T.; Yang, X.; Tang, H. Analysis of efficiency improvement in wireless power transfer system. IET Power Electron. 2018, 11, 302–309. [Google Scholar] [CrossRef]
- Fresne, E.R.D.; Fresne, E.R.D. Pressure-Sensitive Resistor Material. US Patent 4,163,204, 31 July 1979. [Google Scholar]
- Basar, M.R.; Ahmad, M.Y.; Cho, J.; Ibrahim, F. Stable and High-Efficiency Wireless Power Transfer System for Robotic Capsule Using a Modified Helmholtz Coil. IEEE Trans. Ind. Electron. 2017, 64, 1113–1122. [Google Scholar] [CrossRef]
- Jayathurathnage, P.K.S.; Alphones, A.; Vilathgamuwa, D.M. Optimization of a Wireless Power Transfer System with a Repeater Against Load Variations. IEEE Trans. Ind. Electron. 2017, 64, 7800–7809. [Google Scholar] [CrossRef]
- Wang, S.; Chen, J.; Hu, Z.; Rong, C.; Liu, M. Optimization Design for Series-Series Dynamic WPT System Maintaining Stable Transfer Power. IET Power Electron. 2017, 10, 987–995. [Google Scholar] [CrossRef]












| Parameter | Experiment | Simulation |
|---|---|---|
| Inner diameter | 100 mm | 100 mm |
| Wire radius | 0.25 mm | 0.25 mm |
| Number of layers | 10 | 10 |
| Number of turns per layer | 20 | 20 |
| 7.43 mH | 7.35 mH | |
| 7.41 mH | 7.35 mH | |
| 1.49 µF | 1.49 µF | |
| 0.51 µF | 0.51 µF | |
| 6.41 Ω | 9.82 Ω | |
| 6.37 Ω | 9.82 Ω | |
| 20.26 Ω | 20.26 Ω | |
| 9.96 Ω/100.07 Ω/199.88 Ω/ 299.93 Ω/401.05 Ω | 10.00 Ω/100.00 Ω/200.00 Ω/ 300.00 Ω/400.00 Ω |
© 2019 by the authors. Licensee MDPI, Basel, Switzerland. This article is an open access article distributed under the terms and conditions of the Creative Commons Attribution (CC BY) license (http://creativecommons.org/licenses/by/4.0/).
Share and Cite
Zheng, Y.; Hu, Z.; Dai, Z.; Pei, C.; Yang, C.; Zhou, H.; Qu, H.; Yang, L. Passive Wireless Measurement System Based on Wireless Power Transfer Technology. Electronics 2019, 8, 1048. https://doi.org/10.3390/electronics8091048
Zheng Y, Hu Z, Dai Z, Pei C, Yang C, Zhou H, Qu H, Yang L. Passive Wireless Measurement System Based on Wireless Power Transfer Technology. Electronics. 2019; 8(9):1048. https://doi.org/10.3390/electronics8091048
Chicago/Turabian StyleZheng, Yunfei, Zhijian Hu, Zhongyu Dai, Chao Pei, Chuan Yang, Haikuo Zhou, Haoyue Qu, and Lingjun Yang. 2019. "Passive Wireless Measurement System Based on Wireless Power Transfer Technology" Electronics 8, no. 9: 1048. https://doi.org/10.3390/electronics8091048
APA StyleZheng, Y., Hu, Z., Dai, Z., Pei, C., Yang, C., Zhou, H., Qu, H., & Yang, L. (2019). Passive Wireless Measurement System Based on Wireless Power Transfer Technology. Electronics, 8(9), 1048. https://doi.org/10.3390/electronics8091048

