The Study of the Operational Characteristic of Interleaved Boost Converter with Modified Coupled Inductor
Abstract
:1. Introduction
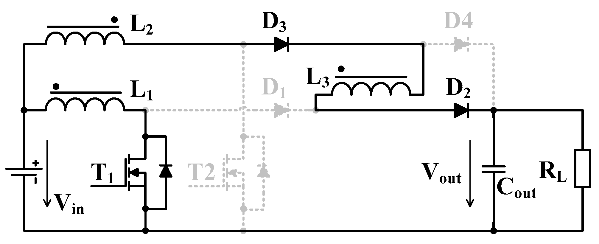
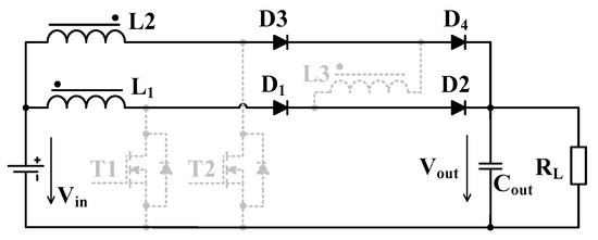
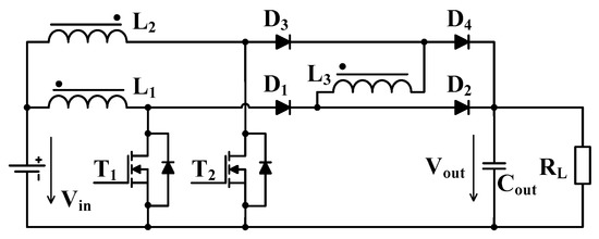
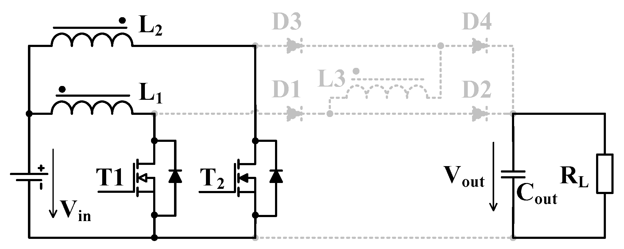
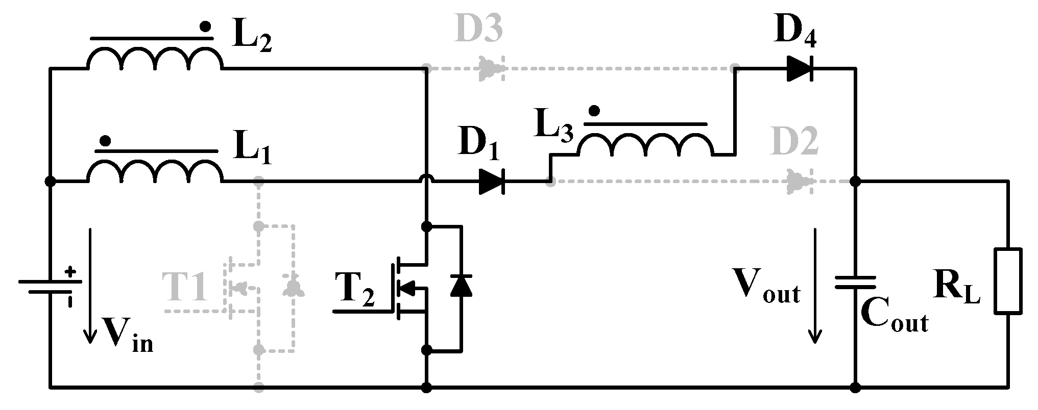
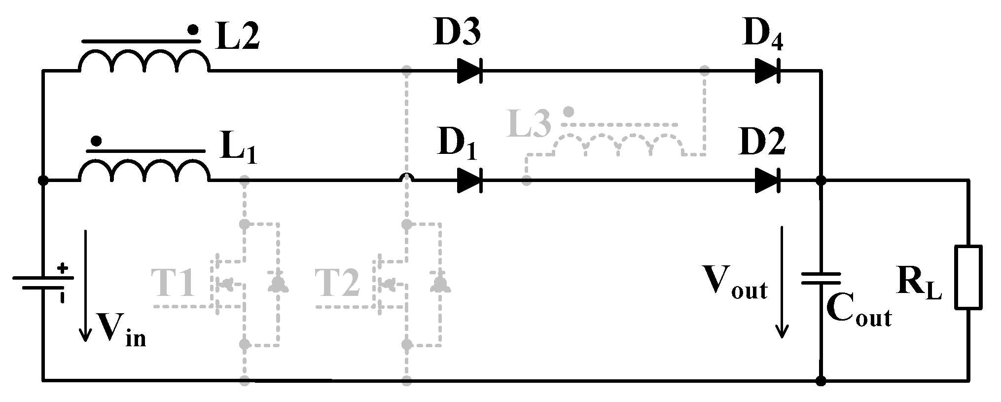
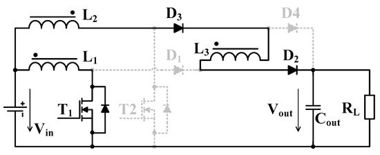
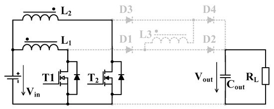
2. Dual Interleaved Boost with Coupled Inductors
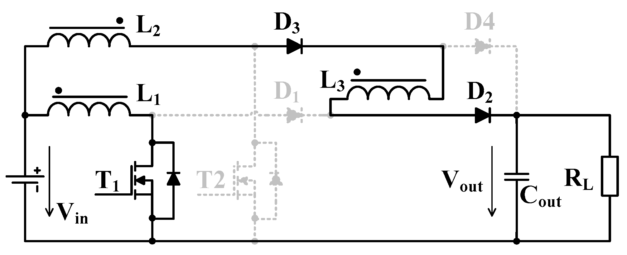
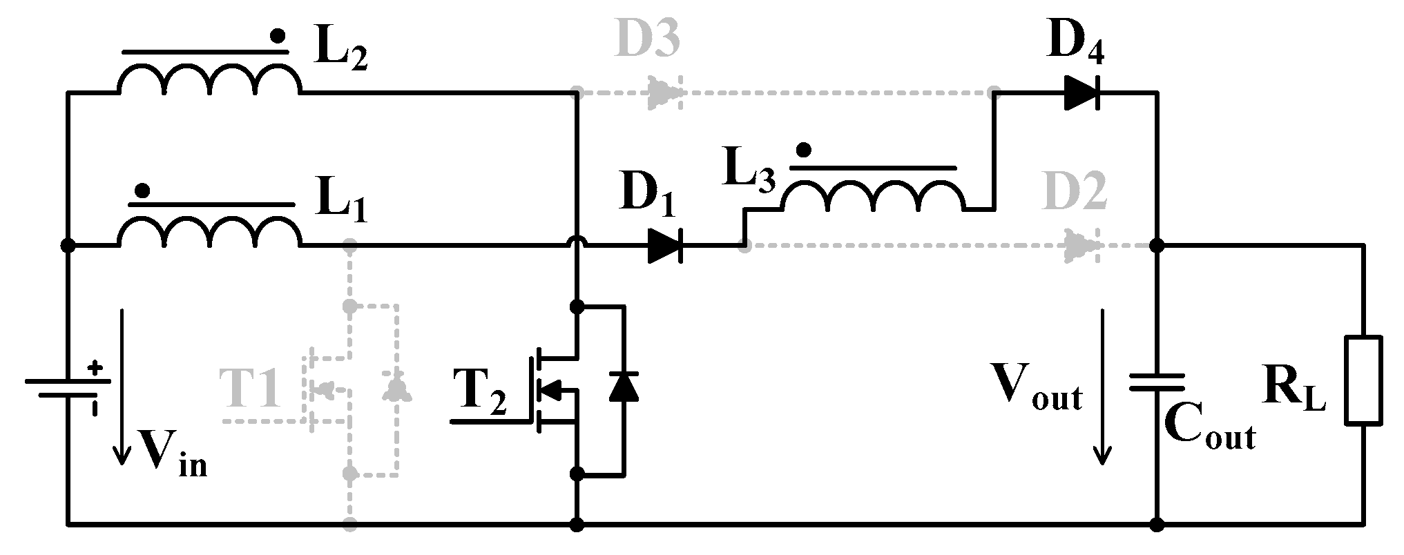
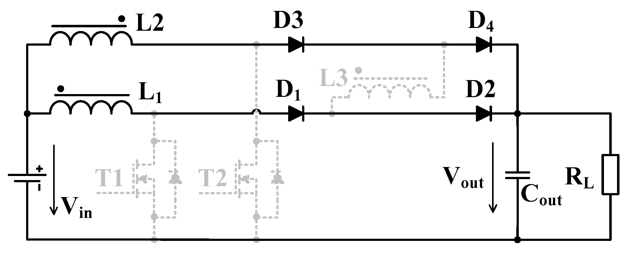
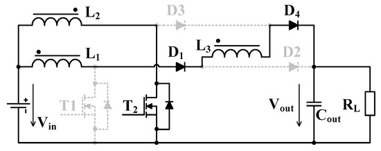
2.1. Analysis of the Operational Intervals
2.2. Steady-State Analysis
2.2.1. 1st Mode (1st Conduction Interval)
2.2.2. 2nd Mode (2nd Conduction Interval)
2.2.3. 3rd Mode (Dead-Time)
2.2.4. 4th Mode (Valid Only for Duty > 50%)
2.3. Voltage Gain Calculation
2.4. Determination of Coupling Coefficients Between the Coils
3. Experimental Verification
- -
- Input voltage = 100 V
- -
- Switching frequency (fSW) = 200kHz
- -
- Output voltage = 300 V
- -
- Output power = 500 W
- -
- Duty cycle = D1 = D2 = range 0–95%
- -
- Turns ratio = 3.6 (N1=N2 = 6, N3=10 => TR = 1:1.7)
3.1. Measurement Results for D < 50% (35%)
3.2. Measurement Results for D > 50% (65%)
3.3. Performance Comparisons to Other Topologies
4. Conclusions
Author Contributions
Acknowledgments
Conflicts of Interest
References
- Forouzesh, M.; Siwakoti, Y.P.; Gorji, S.A.; Blaabjerg, F.; Lehman, B. Step-up DC-DC converters: A comprehensive review of voltage-boosting techniques, topologies, and applications. IEEE Trans. Power Electron. 2017, 32, 9143–9178. [Google Scholar] [CrossRef]
- Ovcarcik, R.; Spanik, P.; Pavlanin, R. DC/DC converters used for a high input voltage based on a half-bridge topology. In Proceedings of the 6-th European Conference of TRANSCOM: 6-th European Conference of Young Research and Science Workers in Transport and Telecommunications, Žilina, Slovakia, 27–29 June 2005; pp. 57–62. [Google Scholar]
- Radika, P. High-efficiency DC-DC boost converter with passive regenerative snubber. J. Electr. Eng. Technol. 2014, 9, 501–507. [Google Scholar] [CrossRef]
- Perdulak, J.; Kovac, D.; Kovacova, I.; Ocilka, M.; Gladyr, A.; Mamchur, D.; Zachepa, I.; Vince, T.; Molnar, J. Effective utilization of photovoltaic energy using multiphase boost converter in compare with single phase boost converter. Commun. Sci. let. Univ. Zilina 2013, 15, 32–38. [Google Scholar]
- Dawidziuk, J. Review and comparison of high-efficiency high power boost DC/DC converters for photovoltaic applications. Bull. Pol. Acad. Sci. Tech. Sci. 2011, 59, 499–506. [Google Scholar] [CrossRef]
- Kim, D.-Y.; Won, I.-K.; Lee, J.-H.; Won, C.-Y. Efficiency Improvement of Synchronous Boost Converter with Dead Time Control for Fuel Cell-Battery Hybrid System. J. Electr. Eng. Technol. 2017, 12, 1891–1901. [Google Scholar]
- De Caro, S.; Testa, A.; Triolo, D.; Cacciato, M.; Consoli, A. Low input current ripple converters for fuel cell power units. In Proceedings of the 2005 European Conference on Power Electronics and Applications, Dresden, Germany, 11–14 September 2005; pp. 1–10. [Google Scholar]
- Choe, G.-Y.; Kim, J.-S.; Kang, H.-S.; Lee, B.-K. An optimal design methodology of an interleaved boost converter for fuel cell applications. J. Electr. Eng. Technol. 2010, 5, 319–328. [Google Scholar] [CrossRef]
- Cacciato, M.; Consoli, A.; Attanasio, R.; Gennaro, F. Multi-stage converter for domestic generation systems based on fuel cells. In Proceedings of the 41st IAS Annual Meeting (IEEE Industry Applications Society), Tampa, FL, USA, 8–12 October 2006; pp. 230–235. [Google Scholar]
- Lai, C.-M.; Lin, Y.-C.; Lee, D. Study and implementation of a two-phase interleaved bidirectional dc/dc converter for vehicle and DC-microgrid systems. Energies 2015, 8, 9969–9991. [Google Scholar] [CrossRef]
- Kascak, S. Analysis of Bidirectional converter with coupled inductor for electric drive application. In 2016 International Conference on Mechatronics, Control and Automation Engineering; Atlantis Press: Paris, France, 2016; pp. 229–232. [Google Scholar]
- Pavlovsky, K.M.; Guidi, G.; Kawamura, A. Assessment of coupled and independent phase designs of interleaved multiphase buck/boost DC-DC converter for EV power train. IEEE Trans. Power Electron. 2014, 29, 2693–2704. [Google Scholar] [CrossRef]
- Lee, J.-H.; Jung, D.-Y.; Park, S.-H.; Lee, T.-K.; Kim, Y.-R.; Won, C.-Y. Battery charging system for PHEV and EV using single phase AC/DC PWM buck converter. J. Electr. Eng. Technol. 2012, 7, 736–744. [Google Scholar] [CrossRef]
- Ruii, R.; Po, H.; Xu, L. Thermal analysis of a boost DC/DC converter in FCV for water content estimation based on AC impedance. In Proceedings of the 2016 IEEE Transportation Electrification Conference and Expo, Asia—Pacific (ITEC), Busan, Korea, 1–4 June 2016. [Google Scholar]
- Detka, K.; Górecki, K.; Zarebski, J. Modeling single inductor DC—DC converters with thermal phenomena in the inductor taken into account. IEEE Trans. Power Electron. 2016, 32, 7025–7033. [Google Scholar] [CrossRef]
- Vellvehi, M.; Jorda, X.; Godignon, P.; Ferrer, C.; Milla´n, J. Coupled electro-thermal simulation of a DC/DC converter. Microelectron. Reliab. 2007, 47, 2114–2121. [Google Scholar] [CrossRef]
- Vuletić, R.; Zeljković, S.; Garg, P.; Denais, A. DC/DC converter development by means of electrical/thermal Co-simulation—From concept to control algorithm and test. In INFORMATIK 2017; Lecture Notes in Informatics (LNI); Gesellschaft für Informatik, Bonn: Bonn, Germany, 2017; p. 515. [Google Scholar]
- Frivaldsky, M.; Spanik, P.; Drgona, P.; Loncova, Z. Algorithms for indirect investigation of heat distribution in electronic systems. Int. J. Thermal Sci. 2017, 114, 15–34. [Google Scholar] [CrossRef]
- Kim, N.; Han, C. Thermal analysis and design of a 75-W hybrid-type DC–DC converter for space applications. Microelectron. Reliab. 2014, 54, 1555–1561. [Google Scholar] [CrossRef]
- Gao, C.; Liu, H.; Huang, J.; Diao, S. Steady-state thermal analysis and layout optimization of DC/DC converter. In Proceedings of the Prognostics and System Health Management Conference (PHM-2014 Hunan), Zhangiiaijie, China, 24–27 August 2014. [Google Scholar]
- You, B.-G.; Lee, B.-K.; Lee, S.-W.; Jeong, M.-C.; Kim, J.-R.; Jeong, I.-B. Improvement of the thermal flow with potting structured inductor for high power density in 40kW DC-DC converter. In Proceedings of the 2012 IEEE Vehicle Power and Propulsion Conference, Seoul, Korea, 9–12 October 2012. [Google Scholar]
- Zhang, J. Bidirectional DC-DC Power Converter Design Optimization, Modeling and Control. Ph.D. Thesis, Virginia Polytechnic Institute and State University, Blacksburg, VA, USA, 30 January 2008. [Google Scholar]
- Pan, L.; Zhang, C. An integrated multifunctional bidirectional AC/DC and DC/DC converter for electric vehicles applications. Energies 2016, 9, 493. [Google Scholar] [CrossRef]
- Bhajana, V.V.S.K.; Drabek, P. A novel ZCS non-isolated bidirectional buck-boost DC-DC converter for energy storage applications. In Proceedings of the 24th IEEE International Symposium on Industrial Electronics (ISIE), Buzios, Brazil, 3–5 June 2015; pp. 1224–1229. [Google Scholar]
- Rosas–Caro, J.C.; Mayo–Maldonado, J.C.; Salas–Cabrera, R.; Gonzalez–Rodriguez, A.; Salas–Cabrera, E.N.; Castillo–Ibarra, R. A family of DC–DC multiplier converters. Eng. Lett. 2011, 19, 57–67. [Google Scholar]
- Sundari, N.; Jeba, D.; Ramalakshmi, R.; Rajasekaran, R. A performance comparison of interleaved boost converter and conventional boost converter for renewable energy application. In Proceedings of the 2013 International Conference on Green High Performance Computing, Nagercoil, India, 14–15 March 2013; p. 6, ISBN 978-1-4673–2592-9. [Google Scholar]
- Somkun, S.; Sirisamphanwong, C.; Sukchai, S. A DSP–based interleaved boost DC-DC converter for fuel cell applications. Int. J. Hydrog. Energy 2015, 40, 6391–6404. [Google Scholar] [CrossRef]
- Wang, C. Investigation on Interleaved Boost Converters and Applications. Ph.D. Thesis, Virginia Polytechnic Institute and State University, Blacksburg, VA, USA, 21 July 2009. [Google Scholar]
- Slah, F.; Mansour, A.; Hajer, M.; Faouzi, B. Analysis, modeling and implementation of an interleaved boost DC-DC converter for fuel cell used in electric vehicle. Int. J. Hydrog. Energy 2017, 42, 28852–28864. [Google Scholar] [CrossRef]
- Lai, C.-M.; Pan, C.-T.; Cheng, M.-C. High-Efficiency Modular High Step-Up Interleaved Boost Converter for DC-Microgrid Applications. IEEE Trans. Ind. Appl. 2012, 48, 161–171. [Google Scholar] [CrossRef]
- Akca, H.; Ayaz, R.; Durusu, A. Lifetime analysis of semiconductor switch of MPPT for different photovoltaic technologies considering ambient conditions. Electric. Eng. 2018, 100, 1881–1889. [Google Scholar] [CrossRef]
- Li, W.; He, X. ZVT interleaved boost converters for high-efficiency, high step-up DC-DC conversion. IET Electr. Power Appl. 2007, 1, 284–290. [Google Scholar] [CrossRef]
- Hartnett, K.J.; Hayes, J.G.; Rylko, M.S.; Barry, B.J.; Masłoń, J.W. Comparison of 8-kW CCTT IM and discrete inductor interleaved boost converter for renewable energy applications. IEEE Trans. Ind. Appl. 2015, 51, 2455–2469. [Google Scholar] [CrossRef]
- Lee, J.P.; Cha, H.; Shin, D.; Lee, K.J.; Yoo, D.W.; Yoo, J.Y. Analysis and design of coupled inductors for two-phase interleaved DC-DC Converters. J. Power Electron. 2013, 13, 339–348. [Google Scholar] [CrossRef]
- Martinez, W.; Imaoka, I.; Itoh, Y.; Yamamoto, M.; Umetani, K. Analysis of coupled-inductor configuration for an interleaved high step-up converter. In Proceedings of the 9th International Conference on Power Electronics and ECCE Asia (ICPE-ECCE Asia), Seoul, Korea, 1–5 June 2015; pp. 2241–2248. [Google Scholar]
- Kascak, S.; Prazenica, M.; Jarabicova, M.; Paskala, M. Interleaved DC/DC boost converter with coupled inductors. Adv. Electr. Electr. Eng. 2018, 16, 147–154. [Google Scholar] [CrossRef]
- Shen, C.-L.; Chen, H.-Y.; Chiu, P.-C. Integrated three-voltage-booster DC-DC converter to achieve high voltage gain with leakage-energy recycling for PV or fuel-cell power systems. Energies 2015, 8, 9843–9859. [Google Scholar] [CrossRef]
- Tseng, K.-C.; Chen, C.-T.; Cheng, C.-A. A High–Efficiency High Step-Up Interleaved Converter with a Voltage Multiplier for Electric Vehicle Power Management Applications. J. Power Electron. 2016, 16, 414–424. [Google Scholar] [CrossRef]
- Baharlou, S.; Yazdani, M.R. A non-isolated high step-up DC/DC converter with low EMI and voltage stress for renewable energy applications. J. Electr. Eng. Technol. 2017, 12, 1187–1194. [Google Scholar] [CrossRef]
- Revathi, B.-S.; Mahalingam, P. Modular high-gain DC-DC converter for renewable energy microgrids. Electr. Eng. 2018, 100, 1913–1924. [Google Scholar] [CrossRef]
- Tomaszuk, A.; Krupa, A. High efficiency high step–up DC/DC converters—A review. Bull. Polish Acad. Sci. Tech. Sci. 2011, 59, 475–483. [Google Scholar] [CrossRef]
- Frivaldsky, M.; Hanko, B.; Prazenica, M.; Morgos, J. High gain boost interleaved converters with coupled inductors and with demagnetizing circuits. Energies 2018, 11, 130. [Google Scholar] [CrossRef]
- Henn, G.A.; Silva RN, A.L.; Praca, P.P.; Barreto, L.H.; Oliveira, D.S. Interleaved-boost converter with high voltage gain. IEEE Trans. Power Electron. 2010, 25, 2753–2761. [Google Scholar] [CrossRef]





















| L1 [µH] | L2 [µH] | L3 [µH] | |
|---|---|---|---|
| Inductance [µH] | 297 | 298 | 573 |
| DC resistivity [mΩ] | 41 | 43 | 80 |
| L12 [µH] | L13 [µH] | L23 [µH] | |
|---|---|---|---|
| Positive config (a) | 730 | 1206 | 1200 |
| Negative config (b) | 409 | 440 | 438 |
| k12 | k13 | k23 |
|---|---|---|
| 0.27 | 0.46 | 0.46 |
| Proposed Converter | DIB Converter | Boost Converter | |
|---|---|---|---|
| Output power | 500 W | 500 W | 500 W |
| Output voltage ripple | 19 mV | 180 mV | 364 mV |
| Input ripple current | 4.4 A | 17 A | 14 A |
| Output capacitor | 66 uF | 470 uF | 470 uF |
| Inductor Volumes | E 43 PLT | E50/27/15 | ETD59 |
| Efficiency Pout=100% | 96.7% | 91% | 90% |
| Maximum achievable voltage gain | 1:6 | 1:19 | 1:10 |
© 2019 by the authors. Licensee MDPI, Basel, Switzerland. This article is an open access article distributed under the terms and conditions of the Creative Commons Attribution (CC BY) license (http://creativecommons.org/licenses/by/4.0/).
Share and Cite
Frivaldsky, M.; Morgos, J.; Hanko, B.; Prazenica, M. The Study of the Operational Characteristic of Interleaved Boost Converter with Modified Coupled Inductor. Electronics 2019, 8, 1049. https://doi.org/10.3390/electronics8091049
Frivaldsky M, Morgos J, Hanko B, Prazenica M. The Study of the Operational Characteristic of Interleaved Boost Converter with Modified Coupled Inductor. Electronics. 2019; 8(9):1049. https://doi.org/10.3390/electronics8091049
Chicago/Turabian StyleFrivaldsky, Michal, Jan Morgos, Branislav Hanko, and Michal Prazenica. 2019. "The Study of the Operational Characteristic of Interleaved Boost Converter with Modified Coupled Inductor" Electronics 8, no. 9: 1049. https://doi.org/10.3390/electronics8091049
APA StyleFrivaldsky, M., Morgos, J., Hanko, B., & Prazenica, M. (2019). The Study of the Operational Characteristic of Interleaved Boost Converter with Modified Coupled Inductor. Electronics, 8(9), 1049. https://doi.org/10.3390/electronics8091049

