Abstract
Flexible resources (FRs) have significant potential in ensuring the dynamic balance between supply and demand as well as enhancing the security of active distribution networks (ADNs). However, determining the optimal FR capacity in an economically reasonable manner remains a challenging task. This paper addresses the lack of representativeness of wind turbine (WT) and photovoltaic (PV) power output scenarios in the planning stage by generating a basic set of joint WT-PV output scenarios using random sampling. Subsequently, a Wasserstein confidence set (WCS) is established based on data-driven technology to better represent the unknown distribution of the actual WT-PV joint fluctuations. This provides a more detailed description of the scenario set, enabling the precise quantification of the risk of resource allocation scenarios and enhancing the flexibility and rigor of the subsequent optimal configuration model (OCM). To improve the coordination of active–reactive FRs, a bi-level OCM with multi-timescale considerations is developed. Compared to traditional configuration methods, the proposed model not only improves economic efficiency but also ensures that system voltage remains within safe limits after configuration. The effectiveness and superiority of the proposed optimal configuration method are demonstrated through simulations on an improved 33-bus test system, where the model achieved a 9.208% reduction in annual cost compared to robust methods while maintaining voltage quality and avoiding overvoltage or equipment overloads.
1. Introduction
Vigorously developing renewable energy generation, such as WTs and PV, to promote the decarbonization of end-use energy is an important goal for the development of future energy and power systems [1]. The intermittent and highly fluctuating characteristics of renewable energy sources lead to the lack of flexibility in the system, which leads to problems such as voltage exceeding the limit, reverse power flow, and overload and limits of large-scale consumption of renewable energy sources [2]. Thus, the improvement of system flexibility, defined as the ability of FRs in the power grid to meet the flexibility demand under a certain timescale by the International Energy Agency (IEA) [3], becomes increasingly important and urgent. Power system flexibility generally consists of four elements, i.e., timescale, a flexibility resource set (such as energy storage systems (ESSs) and demand response (DR) programs), system uncertainty, and cost constraints [4]. In contrast to power quality indicators, flexibility indicators are designed to assess and optimize the power grid’s capacity to adapt to fluctuations in renewable energy. They feature multi-timescale adaptability, enabling them to better handle various uncertainties and operational conditions. Furthermore, they include economic considerations, ensuring that the configuration of resources is cost-effective. Compared with the construction of new transmission lines implying high costs and lengthy construction periods, the development of ESS and DR programs is seen to be a more economical and efficient solution to the challenges of ensuring the high-performance operation of ADNs.
The random fluctuation of WT and PV output makes the operation mode of FRs more complicated and diverse, especially in the aspect of scenario generation. (1) The information on WT and PV output in the configuration target year is highly uncertain; (2) the historical data containing local WT and PV output fluctuation information are often limited; (3) random processes will produce noise scenarios that are difficult to filter; and (4) the high requirement in security derived from the extreme scenario and the investment cost of the FR configuration needs to balance possibility. To address difficulty (1), traditional FR configuration methods based on stochastic optimization assume that renewable energy output follows a certain distribution and use random sampling to generate scenario sets for WT and PV output [5]. However, this approach has two main drawbacks: first, the derived distribution from limited historical data may be biased, leading to suboptimal solutions [6]; second, averaging real and extreme power outputs during scenario clustering and reduction diminishes representativeness, resulting in suboptimal and potentially unsafe configurations [7]. In recent years, to address difficulty (2), robust optimization (RO) assumes that the probability distribution of random variables is fuzzy and then seeks the optimal solution under the worst probability distribution [8]. Paper [9] used a Wasserstein-distance-based distributionally robust optimization approach to optimize the sizing of renewable generation, transmission, and energy storage in low-carbon power systems, minimizing investment costs and carbon emissions while managing uncertainties in renewable output and load fluctuations. However, this method sacrifices the cost-effectiveness of the scheme. To solve the problem, another data-driven method to solve the uncertainty of the scenario has recently emerged. An uncertain probability distribution set, such as 1-norm and ∞-norm constraints, is established through the probability density information in the historical data [10]. There are also methods to generate and evaluate weather data simulated hourly throughout the year based on statistical machine learning (SML), which is applied to model PV power generation and weather-sensitive loads [11]. These methods can effectively use specific historical sample data instead of moment information representing the overall performance to guide decision-making, which alleviates difficulties (3) and (4) [12]. At present, the data-driven optimization method has been initially applied to the unit commitment of WTs and PV. However, existing methods only consider the distribution of a single new energy output when performing the construction of the WCS and do not incorporate the correlation between WT and PV outputs. Further, existing methods only restrict the occurrence probability deviation of discrete scenarios but do not pay attention to the fluctuation distribution information of WT and PV output within the scenarios, which lacks physical significance. Compared to the joint fluctuation distribution (JFD) constraint method, this method is one-sided and extreme. Thus, there is still considerable scope for improvement in the existing research on configuration scenario generation, such as extracting and saving the extreme information in limited historical data, restraining the JFD deviation of scenario sets, filtering the adverse noise generated in random processes, and ensuring the cost-effectiveness of the scheme.
After obtaining a representative set of scenarios, it is necessary to consider the superiority of the OCM. In terms of OCM settings, early configuration strategies for FRs are often oriented only to a single type FR [13,14], making it difficult to comprehensively utilize the potential of multi-FRs. Especially, the R/X of the distribution network is larger than that of the transmission network, and the fluctuation of both active and reactive power will have a greater impact on line losses and power quality in ADN. The objective functions of different flexibility resource configurations in ADN are consistent, and there is synergy among reactive power compensation equipment, ESSs, and controllable loads due to the four-quadrant regulation characteristics of ESSs [15,16]. However, the existing literature does not adequately consider the differences between the respective requirements for power and voltage fluctuations of ADNs. To fully exploit the potential of multi-FRs and improve the economy of the configuration scheme, it is necessary to match the respective requirements with the FRs’ regulation characteristics in a multi-timescale. The fact lies in the following: 1. The transformers and lines of the ADN can withstand the overloads caused by the fluctuations of the renewable energy output in a short time step (such as in 15 min), and therefore, the FR configuration, like storage equipment, mainly for solving the active power imbalance should put most of the efforts to meet the changing trend of renewable energy output in long time step (such as in an hour). Contrarily, if an expensive FR with high power requirements is configured to cope with more frequent short-time fluctuations, it would result in poor economic benefits. 2. While the overvoltage at the ADN buses caused by the renewable energy output fluctuation in a shorter time frame is difficult to bear, the optimal allocation of reactive power FRs needs to take into account the negative effect of renewable energy in a short time step (such as in 15 min). As the power system evolves, optimizing resources that operate on finer timescales, such as power converters, becomes increasingly crucial [17,18]. This will be an important focus of future research.
Thus, this paper proposes a scenario generation method with WSCs to solve the problems of insufficient scenario representation in traditional stochastic optimization methods and conservatism in robust optimization configuration methods. The main contributions of this paper are as follows:
- (1)
- We construct a WCS for the unknown JFD of actual WT and PV output by the data-driven method. The Wasserstein distance between the JFD of the generated scenario set (GSS) and that of historical data is explained mathematically as the index of the representativeness of planning scenarios through the maximum deviation values. The confidence level of the GSS can be selected according to the different risk aversion degrees of the planning department, which allows for a trade-off between risk level and economics. It makes the subsequent calculation of economic and technical indicators and objective functions such as distribution network loss, voltage, and operation and maintenance costs with multi-timescale more precise and accurate.
- (2)
- Based on the scenarios with different time steps generated under the historical data set and selected confidence level, this paper further proposes a multi-timescale multi-FR optimal configuration method considering active and reactive power coordination, which can match the regulation characteristics of active and reactive resources corresponding to the timescales, respectively. The ADNs economy and efficient operation of the renewable unit are integrated as the goal, and the bi-level programming method is adopted for an OCM. While ensuring the balance between the supply and demand of ADNs under long-term fluctuation of renewable energy and the safety of system voltage under short-term fluctuation, the utilization rate of energy assets and FRs is further improved.
The rest of this paper is organized as follows: In Section 2, a WT and PV joint output scenario generation method is proposed. In Section 3 and Section 4, the bi-level OCM and its solution are given, respectively. Section 5 verifies the rationality and practicability of the optimal configuration algorithm based on the actual WT and PV output data of a certain area in South China and the improved IEEE33-node active distribution network. Section 6 summarizes the conclusion and contribution of this paper.
2. Algorithm for Generating Multi-Timescale WT-PV Joint Output Scenarios
With the increasing integration of renewable energy sources, the demand for flexibility has surged, especially for peak shaving and ramping. These challenges stem from mismatches between energy supply and demand alongside the inherent variability of renewable energy generation. This paper addresses the critical issue of accurately capturing the uncertainty in renewable energy output scenarios while reducing the conservatism of the OCM, all while preserving the extreme characteristics of historical data.
Figure 1 illustrates the power balance and flexibility supply/demand balance. Shortfalls typically occur when renewable generation does not align with demand, particularly during sudden output fluctuations or periods of low generation. These shortfalls are most noticeable during transitions between peak and off-peak hours, when renewable generation either exceeds demand, causing curtailment, or falls short, requiring FRs like energy storage or demand response to compensate. Additionally, the volatility of WT and PV output tends to change during the day-to-night transition, while load behaviors also shift, complicating the supply–demand balance and further stressing the flexibility of supply. This dynamic can lead to imbalances in both energy supply and FR availability, making it more challenging to maintain a stable and reliable power grid.
Figure 1.
Electricity power balance (left) and flexibility supply–demand balance (right) diagrams.
2.1. Generation of WT and PV Joint Output Scenario Set Based on Frank–Copula Theory
Copula, as a joint distribution function, is a mathematical tool used to describe the joint distribution of multidimensional random variables. It has found wide applications in fields such as finance, risk management, and reliability analysis [19,20]. In this study, we utilize the Frank–Copula theory to generate joint renewable output scenarios due to its ability to model complex dependencies between the WT and PV outputs. Frank–Copula is particularly suitable for capturing non-linear dependencies, which is essential for accurately modeling the correlation between renewable energy sources that exhibit joint fluctuations. Although Frank–Copula is flexible, it may not capture extreme tail dependencies as well as other models (e.g., Gumbel or Clayton). However, due to the limited geographical scope of ADNs, the alternating day–night cycles and simultaneous weather effects result in strong joint probability characteristics. Therefore, the use of the function is a suitable choice to model these dependencies effectively.
To generate the WT and PV spatio-temporal correlation output set, we apply the k-means clustering technique to group historical data into subsets that preserve the original features. A detailed description of the methodology for generating the joint output scenarios set based on Copula theory is provided in Appendix A.
2.2. Optimal Configuration Scenario Set Generation Based on WCS
To solve the noise problem in classic scenario generation and avoid useful extreme scenario loss [19,20], we propose a data screening method based on WCSs. The method in this paper does not require the assumption that the JFDs of real renewable energy sources must adhere to the distribution observed in historical data. The data set constrained by WCSs is a sphere with the JFD of a historical data set as the center and the deviation value as the radius. The JFD of actual WT and PV output is contained in this sphere with confidence level .
The fluctuation of renewable energy output power at time is commonly defined as the difference between the value of renewable energy output power at and the value at within a certain time interval [21]:
Based on groups of historical data in a certain clustering basic scenario set , the fluctuation of each group of samples, including sampling time points, is calculated, with a total of historical fluctuation data points. The empirical joint distribution of WT-PV output fluctuation is obtained by the two-dimensional kernel density estimation method [22].
where and is the bandwidth of the WT and PV output power fluctuation, respectively; and is the kernel function of the fluctuation distribution of WT and PV output, respectively.
The probability distribution with renewable energy output uncertainty cannot be precisely determined due to the discrepancy between the JFD of actual WT and PV output and that of historical data. Therefore, the probability JFD of renewable energy output uncertainty is allowed to be arbitrary within a predefined WCS.
It has more appropriate physical significance to extend the confidence constraint of the probability distribution of the scenario of a WT and PV in the existing research to the JFD constraint of the WT and PV joint output curve. Drawing inspiration from the literature, such as [23,24], we utilize statistical inference to establish the WCS that corresponds to the JFDs of a given historical data. Then, the Wasserstein distance constraint is created, which is centered on the JFD of historical data, to enforce offset limits on the probability distributions of renewable energy fluctuation for GSS.
The Wasserstein distance is defined as a function of the distance between two JFDs on a given bounded supporting space :
where is defined as the distance between the joint random variables and . The Wasserstein distance between the joint distributions of fluctuation can be calculated by Equation (4).
where and are the probability density functions represented by and , respectively. The variable is the distance measure defined in , and is the order of distance measure.
The joint fluctuation WCS is constructed as Equation (5).
With sets of historical data, the generated probability distribution of sampled scenarios satisfies the confidence constraints of Equation (6).
where is the value of deviation allowed for the JFD under the WCS constraint; is the diameter of the given supporting space .
where is the sample mean.
For a selected confidence level and a given size of historical data , the deviation value can be calculated by Equation (8). The derivation of Equation (8) can be found in paper [10,25,26].
As can be seen from Equation (8), the GSS with a certain WCS is generated by the historical data and the confidence level. The higher the confidence level , the higher the deviation value . The stronger the randomness of the GSS is, the more confident it is to ensure that the GSS contains the true JFD of WT and PV output. For example, if is constructed by setting the confidence level to 90%, within this deviation, Equation (6) ensures that the JFD set of the GSS contains that of actual WT and PV output with at least 90% probability. The relationship among the historical data, confidence level, deviation value, WCS, and conservative degree of optimal configuration is shown in Figure 2.
Figure 2.
Schematic diagram of fuzzy sets and parameter relationships.
The randomized scenarios generated based on Copula theory constrained by the WCS are used as the scenario input of the following OCM of FRs.
3. Collaborative Optimization Configuration Model for Multi-Scale FRs
3.1. Problem Description and Workflows of OCM
One of the primary objectives of this paper is to enhance system flexibility economically by optimally utilizing both active and reactive power resources. The two levels of optimization—upper level for configuring both active and reactive FRs over a long timescale and lower level for fine-tuning reactive FRs based on the upper-level configuration—interact closely to achieve coordinated system operation. The upper-level optimization addresses long-term fluctuations in both active and reactive power supply, while the lower-level optimization allocates reactive FRs to complement the active FR configuration. The scenario set serves as input for both levels, ensuring consistency and coordination. The results from the upper-level optimization inform the configuration periods for reactive FRs in the lower-level optimization, ensuring both active and reactive resources work together efficiently. This interaction is shown in Figure 3, illustrating the collaboration between the two optimization levels.
Figure 3.
Coordinated active and reactive power optimal configuration process of multi-FR on multi-timescale.
3.2. A Bi-Level OCM for Multi-FR with Active and Reactive Power Coordinated
3.2.1. Upper-Level Economy Objective Function
Based on the capacity limit of different lines, voltage constraints of different nodes, and the power regulation of FRs in the OCM, the value of the economic and voltage limit loss objective function will change, further affecting the configuration capacity and quantity of FRs. In other words, the purpose of configuring FRs is to economically allocate their quantity and capacity as much as possible while maintaining acceptable risks of power and voltage limits. The upper-level economic decision-making objective for the optimal configuration of system FRs is to achieve system operation flexibility while minimizing the cost.
where is the construction and operation cost of ESS; is the construction and operation cost of reactive-power compensation equipment; is the operation cost of controllable load; is the cost of WT and PV curtailment; and could be obtained by Equation (10).
where is the probability of the occurrence of scenario in the set of scenarios , and each scenario in has an equal probability of occurrence; is the active power of the th shiftable loads (SLs) at time ; is the active power of the th reducible loads (RLs) at time ; and are the respective SL and RL regulation costs based on capacity and time; and are the total number of SLs and RLs, respectively.
ESS cost includes capacity configuration cost and operation and maintenance costs , which are calculated by Equation (11).
where is the interest rate; is the battery life; , , and are the unit capacity configuration cost, the unit energy configuration cost, and the unit capacity operation cost of the battery, respectively; and are the charging power and the discharging power of the th storage at the time of , respectively; are the charging state of the th storage at the time of ; and is the total number of ESS devices.
According to the studies [27] and [28], the cost of static Var compensator (SVC) in a per-unit capacity is approximately quadratic and could be obtained by Equation (12).
where are the respective costing factors of SVC [27].
The penalty cost of WT and PV energy curtailment could be obtained by Equation (12).
where and are the maximum output and actual output of the th WT at time , respectively; and are the maximum output and actual output of the th PV at time , respectively; is the unit cost of curtailed WT and PV energy; and and are the total number of WTs and PV, respectively.
3.2.2. Upper-Level Operational Constraints
SLs’ constraints are as follows: The regulation characteristics of SLs require that the total amount of load on the customer side remains unchanged and that only the time of the use of electricity is changed. It can be curtailed only in the period and needs to be increased in period , with . The sum of the shifted load amount of the SLs in each period shall be zero.
RLs’ constraints are as follows: Curtailment power needs to be less than the maximum allowable curtailment of load in the period . It can be curtailed only when . It is considered that the power limit of FLs and SLs generally does not exceed 20% of the load power at the node where they are developed and can be adjusted according to the requirements of practical requirements.
ESS constraints are as follows:
where and are the respective charging and discharging state flags of the ESS, as 0 or 1; and are the maximum charging and discharging power of the ESS permitted to be installed by the policy and planning guidelines, respectively; is the reactive power output of the ESS at all times; is the state of charge of the ESS at all times; and are the charging and discharging efficiencies of the ESS, respectively; and are the upper and lower bounds of the permissible installation of the state of charge of the ESS, respectively; is the number of time fluctuations; and and are the amounts of electricity stored by the storage system at the beginning and the end of periods of the corresponding timescale cycles, respectively. It is considered that the capacity of an ESS generally does not exceed 10% of the total renewable energy capacity in ADNs and can be adjusted based on practical requirements.
Reactive-power compensation device constraints are as follows: If the continuously adjustable reactive-power compensation device is accessed, the operating constraints are
where is the output of the reactive-power compensation device at time ; and are the upper and lower bound of the reactive power output of the device, respectively. It is considered that the power limit of SVC generally does not exceed 10% of the total reactive load in ADNs and can be adjusted according to practical requirements.
The remaining system general constraints for the upper-level OCM are shown in Appendix B.
3.2.3. Lower-Level Optimization Objective Function
In the lower-level OCM, to minimize the voltage deviation of the system after a reactive FR configuration in a short timescale, the lower-level objective function is as follows:
where is the square of the voltage of node at the moment in per unit.
3.2.4. Lower-Level Operational Constraints
Reactive-power compensation device constraints are as follows: same as the reactive compensation device constraint in the upper-level operation.
SLs constraints are as follows: the upper-level optimization result of SLs is used as the lower-level OCM constraint.
RLs constraints are as follows: the upper-level optimization result of RLs is used as the lower-level OCM constraint.
ESS constraints are as follows: the ESS scheduling result of the upper-level optimization is used as the input of the lower-level OCM constraints.
The remaining system general constraints for the lower-level OCM are shown in Appendix B.
4. Optimization Model Solving
For the GSS of WT-PV joint uncertainty scenarios in a long timescale (such as 24 h), the location of FRs to be developed is assumed to be given, and the dispatchable flexibility resource power in each step in the timescale is taken as the decision variable. The timescale is defined as the duration of a single cycle in the OCM. It also represents the period within which flexible resources respond to changes in electricity demand. The time step is defined as the interval between successive model solutions during the OCM-solving process. As the first step, the upper-level OCM is solved to obtain the result of synergistic optimal configuration of multiple types of active power FRs. The result overcomes the problem of heavy load (or overload) of some equipment in the system caused by the uncertainty and intermittency of the renewable energy output in a long timescale.
The period with the highest capacity requirement for the reactive FR configuration is selected based on the scheduling cycles of active FRs and their planned output in the long timescale optimization results. The long timescale configuration result will be used as a constraint for the lower-level OCM. The square value of the system voltage deviation is chosen as the optimization objective in the lower-level OCM. The optimal configuration of reactive FRs is solved to cope with the system node overvoltage problem under the short timescale (such as 1 h) of renewable energy output.
For the different operating scenarios generated, the optimal configuration calculation of multiple types of adjustable FRs is performed with the commercial solver for the mixed-integer second-order cone optimization model. The upper bound of the capacity value of each flexibility resource calculated in the long timescale, , of each scenario is extracted and recommended.
5. Case Study
5.1. Generation of Renewable Energy Output Scenarios
A 365-day renewable energy output data (the record cycle is 15 min) of an ADN in South China in 2022 was selected as the historical data , and the data of the first half of 2023 of this object were selected as the verification data . The WT and PV power output data set in a way of a joint scenario was clustered by the k-means technique with Euclidean distance, which is shown in Figure A1 in Appendix C. There were six subsets, and Subset 1 was taken as an example to demonstrate in detail. According to the method in Section 2.2, the JFD of WTs and PV of the historical data was constructed, and the scenario for the optimal FR configuration was generated according to the method based on the WSC proposed in this paper. Then, the Wasserstein distance between the JFD of the scenario set generated by Subset 1 under different methods and both the historical and validation data was calculated, as shown in Table 1.
Table 1.
Wasserstein distances to WT and PV JFDs under different generated methods.
The average JFD of the GSS by the proposed method and the random sampling method are compared and analyzed in Figure 4. With the enlargement of the WCS, the corresponding generated curve of the fluctuation distribution function tends to be flat. It means that the more stochastic and volatile properties the scenario set of configuration contains, the more likely it is to contain the JFD of the actual WT and PV output.
Figure 4.
Distribution function under different generated methods. (a) WT and PV output JFDs; (b) WT output fluctuation distribution function; (c) PV output fluctuation distribution function.
As can be seen from the graphical analysis, the method of this paper can include extreme scenarios derived from the historical data in all cases, and as the confidence level increases, the WCS increases. However, the subsequent configuration of the OCM needs to cope with more random scenarios, and the configuration cost increases subsequently. In practice, the configuration policymakers can choose the confidence level based on the level of risk aversion in the local distribution network standard. For example, if the policymakers want to have at least 90% certainty that overvoltages and equipment overloads will not occur in ADNs after the configuration is carried out, the scenario confidence level can be selected to be 0.9. The set of WT and PV output joint scenarios for the optimal configuration from the set of scenarios filtered by the WSC proposed provides a reasonable description of WT and PV output joint that can accurately quantify the risk of the resource configuration scenario.
5.2. Configuration Examples Setup
The modified IEEE 33-BUS system (Matpower 7.0, “case33mg” instance) was used as the distribution system for simulation and analysis. The test cases were implemented based on the 12th Gen Intel(R) Core(TM) i7-12700 CPU. The simulation algorithms in this section were programmed by applying the YALMIP toolkit of MATLAB R2024b, and the CPLEX solver was invoked to solve the OCM. The system topology and the development candidate locations for each power source and other controllable devices are shown in Table A1 and Figure A2 in Appendix C. The detailed variable simulation parameters for each device are shown in Table A2 in Appendix C. The operation simulation of the given parameters before the optimal configuration was carried out, and it was found that the improved distribution network had some common operation risks: if PV is generated heavily, the reverse current will be greater than the rated current of the feeder or distribution transformer, and reverse overload will occur. The voltage of the point of common coupling increased significantly and exceeded the limit, which affected the safe and stable operation of the power system. Economic parameters such as WT and PV curtailment costs, storage configuration costs, etc., are shown in Table A3 of Appendix C.
We set the following scenarios for simulation analysis and validation of the effectiveness of the configuration algorithm:
Case 1 considered the synergistic effect of active–reactive FRs. Active FRs were selected with the timescale of the day to carry out optimization configuration calculations in a time step of 1 h, and reactive FRs were selected with a timescale of 1 h to carry out optimization configuration calculations in a time step of 15 min. The confidence level of the WT-PV output JFDs was selected as 90%.
In Case 2, a robust optimization approach was used, where the most adverse scenarios were identified first, and the optimal configuration was then determined based on these worst-case scenarios to ensure robustness [8,9]. The parameters used were identical to those in Case 1.
In Case 3, the confidence level of WT-PV output JFDs was selected as 99%, and the methods with the corresponding parameters were identical to those in Case 1.
In Case 4, the synergistic effect of active–reactive FRs in the optimization configuration process was not considered, and active and reactive FRs were independently calculated for optimization configuration [16]. The methods with the corresponding parameters were identical to those in Case 1.
Case 5 considered the synergistic effect of active–reactive FRs in the optimization configuration process but without distinguishing the resource characteristics of time, namely that all of them were selected in a unique timescale to carry out the optimization configuration calculation with a time step of 1 h [29]. The methods with the corresponding parameters were identical to those in Case 1.
In Case 6, most of Case 5 was used, only with the time step of 1 h replaced by 15 min.
5.3. Results and Discussion
The set of solved scenarios in Case 1 includes 388 scenarios of WT-PV joint output, and the solution time is 145.3 min. Since the specified time of the FR configuration generally varies from months to years, the solution time of the present optimal configuration method meets the requirements. The optimized configuration results are shown in Table 2 and Figure 5.
Table 2.
Optimized configuration results.
Figure 5.
Optimized configuration results.
The voltage quality of the different configuration scenario schemes was verified through the selected scenarios in the historical data. The results are shown in Table 3.
Table 3.
A comparison of voltage deviation rates for a selected scenario.
According to the optimal configuration algorithm, this area hardly calls for RLs during the optimal resource allocation calculation. The RLs are generally working during large daytime loads or high evening lighting demand. Since this area has sufficient power supply capacity during all hours of the day, the development of RLs will reduce the local consumption of renewable energy power in this area, resulting in more serious operational risks. Therefore, the optimization result does not recommend further development of RLs in this area.
Comparing Case 1 with Case 2, the average annual cost in Case 1 is reduced by 9.208%, while both scenarios satisfy the power quality and safe operation requirements. Since the robust optimization method always seeks the worst-case scenarios, it allocates more margin for system security. However, this additional margin results in a decrease in economic efficiency. In contrast, the proposed method achieves a more economically viable configuration by filtering scenarios more precisely and controlling risks, leading to reduced cost fluctuations in the system.
Comparing Case 1 with Case 3, shown in Figure 6, it can be found that the voltage situation of the whole network under the two schemes is similar, and both can meet the voltage quality requirements. However, in Case 3, the WCS is enlarged when the OCM with higher confidence is selected, and the result of the OCM is conservative. From Table 3, it can be seen that the voltage deviation rate is reduced by 0.085 compared with that in Case 1. The average annual cost increased by 1.943%. Both configurations can satisfy the operational risk calibration of the stochastic scenario. However, if the scenario with the lower confidence in the OCM is chosen to have a greater degree of short-term fluctuations in the combined WT and PV output, the result of the OCM is aggressive, which is in line with the results of the analysis in Section 2.2.
Figure 6.
Comparison of voltage quality between (a) Case 1 and (b) Case 3.
Comparing Case 1 with Case 4, under the premise that both scenarios meet the requirements of power quality and safe operation, i.e., no overvoltages and equipment overloads in the whole scenario, the annual expected cost of the coordinated active–reactive FR configuration decreases by 9.173%. It shows that the coordinated active–reactive FR configuration can better exploit their respective regulation potentials. It has better economic benefits while ensuring power quality, and the configuration scheme is more acceptable.
Comparing Case 1 with Case 5 in a rich renewable energy setting, shown in Figure 7, short timescale fluctuations in the voltage are prone to overvoltage problems. Taking a scenario of different configuration scheme results for a voltage quality check, it can be seen that it is difficult to cope with the short-term fluctuations of renewable energy by a coordinated active–reactive FR configuration in a single timescale. After the closed-loop verification of the historical scenarios with configuration results of Case 5, the proportion of cases in which overvoltages occur is as high as 3.28%. The configuration results cannot meet the demand for the safe and stable operation of ADNs.
Figure 7.
Comparison of voltage quality between (a) Case 1 and (b) Case 5.
Comparing Case 1 with Case 6, although the configuration without distinguishing the timescale differences in the operating characteristics of active–reactive FRs can ensure operational safety under the fluctuation of renewable energy in all timescales, the result of the OCM is conservative. For the configuration results in Case 6, a closed-loop verification of full-history scenario scheduling in the region is performed. The result proves that there are only 117 time points, accounting for only 1.279% of the year, where the heavy load of line in MW occurs, without another piece of equipment overloading. The short-time heavy load occurs at noon on the first day of April and the days before and after that, and the operational risk can be avoided by avoiding arranging the maintenance program during that time. Eliminating the heavy load condition of lines would require an additional burden of 13.270% of the average annual investment, making the result economically inefficient, which is consistent with the results of the principle analysis in Section 2.2.
6. Conclusions
An optimal FR configuration method is proposed that considers the different effects of active–reactive FRs in a multi-timescale context. First, clustering and random sampling are performed using Copula function-described output data from actual renewable energy units. Scenario noise filtering and risk level constraints are also applied. Considering the different constraints on power and voltage fluctuations in ADNs, a bi-level OCM is established. The methodology is validated with examples using standard distribution networks, and the following conclusions could be drawn:
- The use of Wasserstein distance-based scenario filtering improves the representativeness and accuracy of the optimal configuration. By constraining the scenario generation process, the method filters out noisy scenarios and quantifies the risk degree and conservatism of the configuration, resulting in a 9.208% reduction in average annual cost compared to robust optimization methods focused on worst-case scenarios.
- Coordinating active and reactive FRs maximizes their regulation potential, significantly reducing the annual cost of the configuration. The coordinated approach, compared to independent resource configurations, improves resource regulation capabilities, leading to a 9.173% reduction in expected annual cost while maintaining power quality and safety standards.
- Distinguishing between timescales in the optimization of active and reactive FRs allows for the system to better handle the multi-timescale fluctuations of renewable energy. This distinction enhances flexibility, practicality, and economic efficiency while addressing issues like overvoltage occurrences, which appeared in 3.28% of cases when timescales were not considered.
With the increasing coupling of the source–network–load–storage parts of a new type of power system, the further development of demand-side response and integrated energy systems should be considered. Our model assumes that all system components are functioning optimally, without considering potential operational faults or maintenance needs, which may slightly affect the accuracy of the results in practical applications. Further analysis of the uncertain behavior of the demand side and consideration of the synergistic configuration of the integrated energy system is the focus of future research.
Author Contributions
Conceptualization, X.L. and Z.D.; methodology, X.L. and Z.D.; software, X.L.; validation, Z.D., X.L., L.C., P.X. and Z.Z.; formal analysis, X.L.; investigation, L.C., P.X. and Z.Z.; resources, Z.D.; data curation, X.L.; writing—original draft preparation, X.L.; writing—review and editing, X.L. and Z.D.; visualization, L.C., P.X. and Z.Z.; supervision, Z.D.; project administration, X.L.; funding acquisition, Z.D. All authors have read and agreed to the published version of the manuscript.
Funding
This research work was supported by the National Natural Science Foundation of China (grant no. U22B6007).
Data Availability Statement
The data used to support the findings of this study can be obtained through the sample construction method described in Section 2 and Section 3 and Appendix A, Appendix B and Appendix C.
Acknowledgments
The authors would like to express our sincere gratitude to the anonymous referees for providing valuable suggestions and comments that have significantly contributed to the improvement of our manuscript.
Conflicts of Interest
Author Lanfen Cheng and Peizheng Xuan was employed by the company China Southern Power Grid Company Limited. The remaining authors declare that the research was conducted in the absence of any commercial or financial relationships that could be construed as a potential conflict of interest.
Abbreviations
| Abbreviations/Nomenclatures | |
| FR | Flexible resource |
| ADN | Active distribution network |
| WCS | Wasserstein confidence set |
| OCM | Optimal configuration model |
| IEA | International energy agency |
| DR | Demand response |
| RO | Robust optimization |
| JFD | Joint fluctuation distribution |
| GSS | Generated scenario set |
| PV | Photovoltaics |
| WT | Wind turbine |
| SVC | Static var compensator |
| CLT | Transferable loads |
| CLS | Reducible loads |
| ESS | Energy storage system |
| Indices and Sets | |
| Index of periods, set of time. | |
| Set of WT/PV power time series curves | |
| Set of randomly generated WT/PV output curves | |
| Set of WT/PV historical output curve | |
| Set of randomly generated WT/PV joint output curves | |
| Set of incrementable/reducible period of CLT/CLS | |
| Index of bus locations | |
| Cost functions | |
| Daily cost of new construction/operation of ESS/SVC | |
| Daily cost of controllable load calls | |
| Penalty/Unit penalty cost of wind and photovoltaic energy curtailment | |
| Unit maintenance cost of CLT/CLS | |
| Interest rates | |
| Unit power/energy capacity investment cost of ESS | |
| Unit maintenance cost of ESS | |
| Costing factors of SVC | |
| Parameters | |
| Time interval | |
| Random values of the marginal distribution function | |
| Random values in the [0,1] interval | |
| Frank–Copula Function Fitting Constant Parameters | |
| Time interval | |
| Volatility of new energy output at | |
| Support vector space of distribution function | |
| Wasserstein Distance Confidence Sets for Combined WT-PV Volatility | |
| Wasserstein distance between different distributions | |
| Distance measure of the probability density function | |
| Order | |
| Allowable deviation value | |
| Number of CLT/CLS/ESS/SVC/WT/PV | |
| Lifetime of ESS | |
| Maximum power of the th WT/PV in at | |
| Maximum/Minimal power of the th CLT | |
| Minimal power of the th CLS | |
| Time interval | |
| Maximum/Minimal installed power/energy capacity of the th ESS | |
| Maximum/Minimal installed capacity of the th SVC | |
| Recommended installation or development capacity for ESS/CLT/CLS/SVC | |
| Maximum/minimum acceptable voltage magnitude | |
| Variables | |
| Confidence level | |
| Probability of | |
| Power of the th CLS/CLT in at | |
| Charge/Discharge power of the th BSS in at | |
| The energy of the th BSS in at | |
| Reactive power of the th SVC in at | |
| Power of the th WT/PV in at | |
| Charge/Discharge state variables of ESS | |
| Reactive power of the th BSS in at | |
| in at | |
| Active/Reactive power of a conventional load in at | |
| in at | |
Appendix A
Assuming that is one of the basic scenario sets obtained by scenario clustering based on the historical output data of a WT and PV in the timescale T, the respective marginal distributions and probability densities could be obtained with the density estimation methods used in [15]. Then, the joint output distribution of the WT and PV at each period is . There exists a function that relates the marginal and joint distributions.
Based on the inverse transformation of the marginal distributions and , an expression for the joint probability distribution function is obtained.
where is the random value of the edge distribution function of WT and PV outputs.
Due to the negative correlation complementary characteristics between the WT and PV outputs, the Frank–Copula function is chosen to describe the dependence structure of the combined WT and PV outputs [19].
where is the constant parameter.
Generate a random value of from the marginal distribution function of the interested scenario with spatio-temporal correlation according to Equation (A4).
The set of spatio-temporally correlated WT and PV outputs in the timescale can be obtained by the inverse function.
Appendix B
- (1)
- Currents constraints:
We use the linear DistFlow tidal equation to describe the tidal constraints and the Big-M method to relax the voltage equation, optionally ignoring quadratic terms with sufficiently small values.
where and are the line active and reactive power, respectively; and are the resistance and reactance of line , respectively.
The Equation (A7) are non-linear constraints between power, voltage, and current, which are converted into second-order cone constraints by using the second-order Conic Relaxation (SOCR) method [30] to reduce the complexity of the original model and the difficulty of the solution.
- (2)
- Nodal voltage constraints:
The voltage at each load node shall comply with the range of amplitude requirements.
where is the upper bound of the node voltage, ; is the lower bound of the node voltage, ; and is the voltage reference value.
The power of each line of the distribution network shall not exceed the line transmission capacity limit.
where and are the maximum active and reactive power of the line , respectively, and is the operating state of the line at the moment, 0 or 1.
- (3)
- Power balance constraints:
The balance between the supply of electric power and the consumption of loads in the system should be maintained at all times.
where and are the active and reactive power output of the conventional load at time , respectively.
Appendix C
Figure A1.
WT-PV joint clustering results.
Figure A1.
WT-PV joint clustering results.

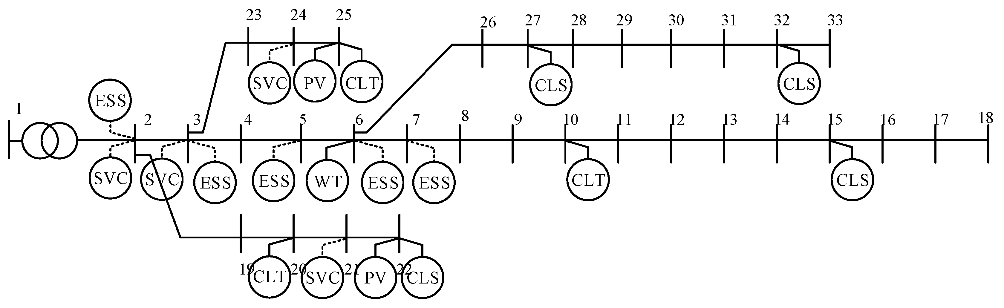
Figure A2.
The topology map of the standardized algorithm and the location of the FRs to be exploited.
Figure A2.
The topology map of the standardized algorithm and the location of the FRs to be exploited.

Table A1.
The location of renewable energy generating units and FRs to be developed.
Table A1.
The location of renewable energy generating units and FRs to be developed.
| Installations | Grid-Connected Bus | Installations | Configurable Buses |
|---|---|---|---|
| PV | 22, 25 | SVC | 2, 3, 21, 24 |
| WT | 66 | SLs | 10, 20, 25 |
| ESS | 2, 3, 5, 6, 7 | RLs | 15, 22, 27, 32 |
Table A2.
Technical parameters.
Table A2.
Technical parameters.
| Set | Value | Set | Value |
|---|---|---|---|
| [1, 2, 3, 4, 5, 6] | [10, 11, 12, 13, 14, 15, 16, 17, 18, 19] |
Table A3.
Economic parameters.
Table A3.
Economic parameters.
| Parameter | Value | Parameter | Value |
|---|---|---|---|
| 333.43 USD/kW | 20 years | ||
| 277.85 USD/kWh | 5% | ||
| 21.53 USD/kW per day | 1.39 USD/kW per day | ||
| 1.39 USD | 0.083 USD/kWh |
References
- Liu, Y.; Fan, R.; Terzija, V. Power system restoration: A literature review from 2006 to 2016. J. Mod. Power Syst. Clean Energy 2016, 4, 332–341. [Google Scholar] [CrossRef]
- Liu, S.; Chen, C.; Jiang, Y.; Lin, Z.; Wang, H.; Waseem, M.; Wen, F. Bi-Level Coordinated Power System Restoration Model Considering the Support of Multiple Flexible Resources. IEEE Trans. Power Syst. 2023, 38, 1583–1595. [Google Scholar] [CrossRef]
- Authors, U. Harnessing Variable Renewables: A Guide to the Balancing Challenge; OECD/IEA: Paris, France, 2011. [Google Scholar]
- Lu, Z.; Li, H.; Qiao, Y. Flexibility Evaluation and Supply/Demand Balance Principle of Power System with High-penetration Renewable Electricity. Proc. CSEE 2017, 37, 9–20. [Google Scholar] [CrossRef]
- Zhang, Y.; Dong, Z.; Luo, F.; Zheng, Y.; Meng, K.; Wong, K. Optimal allocation of battery energy storage systems in distribution networks with high wind power penetration. IET Renew. Power Gener. 2016, 18, 1105–1113. [Google Scholar] [CrossRef]
- Zhao, C.; Guan, Y. Data-driven risk-averse stochastic optimization with Wasserstein metric. Oper. Res. Lett. 2018, 46, 262–267. [Google Scholar] [CrossRef]
- Yoo, Y.; Jang, G.; Lee, J.; Jung, S. Stochastic forecast error estimation of high PV penetration system considering net-load/PV decoupling for microgrid operation. IET Renew. Power Gener. 2022, 16, 2152–2162. [Google Scholar] [CrossRef]
- Dehghan, S.; Amjady, N.; Kazemi, A. Two-Stage Robust Generation Expansion Planning: A Mixed Integer Linear Programming Model. IEEE Trans. Power Syst. 2014, 29, 584–597. [Google Scholar] [CrossRef]
- Xie, R.; Wei, W.; Li, M.; Dong, Z.; Mei, S. Sizing capacities of renewable generation, transmission, and energy storage for low-carbon power systems: A distributionally robust optimization approach. Energy 2023, 263, 125653. [Google Scholar] [CrossRef]
- Bagheri, A.; Wang, J.; Zhao, C. Data-Driven Stochastic Transmission Expansion Planning. IEEE Trans. Power Syst. 2017, 32, 3461–3470. [Google Scholar] [CrossRef]
- Fu, X.; Zhang, C.; Xu, Y.; Zhang, Y.; Sun, H. Statistical Machine Learning for Power Flow Analysis Considering the Influence of Weather Factors on Photovoltaic Power Generation. IEEE Trans. Neural Netw. Learn. Syst. 2024, 1–15. [Google Scholar] [CrossRef]
- Shui, Y.; Liu, J.; Gao, H.; Huang, S.; Jiang, Z. A Distributionally Robust Coordinated Dispatch Model for Integrated Electricity and Heating Systems Considering Uncertainty of Wind Power. Proc. CSEE 2018, 38, 7235–7247. [Google Scholar] [CrossRef]
- Alharbi, H.; Bhattacharya, K. Stochastic Optimal Planning of Battery Energy Storage Systems for Isolated Microgrids. IEEE Trans. Sustain. Energy 2018, 9, 211–227. [Google Scholar] [CrossRef]
- Andreotti, A.; Carpinelli, G.; Mottola, F.; Proto, D.; Russo, A. Decision Theory Criteria for the Planning of Distributed Energy Storage Systems in the Presence of Uncertainties. IEEE Access 2018, 6, 62136–62151. [Google Scholar] [CrossRef]
- Li, R.; Wang, W.; Xia, M. Cooperative Planning of Active Distribution System with Renewable Energy Sources and Energy Storage Systems. IEEE Access 2018, 6, 5916–5926. [Google Scholar] [CrossRef]
- Hemmati, R.; Shafie-Khah, M.; Catalão, J.P.S. Three-Level Hybrid Energy Storage Planning Under Uncertainty. IEEE Trans. Ind. Electron. 2019, 66, 2174–2184. [Google Scholar] [CrossRef]
- Xie, D.; Lin, C.; Deng, Q.; Lin, H.; Cai, C.; Basler, T.; Ge, X. Simple vector calculation and constraint-based fault-tolerant control for a single-phase CHBMC. IEEE Trans. Power Electron. 2024, 40, 2028–2041. [Google Scholar] [CrossRef]
- Ma, X.; Jia, R.; Liang, C.; Xu, R. Multi-Stage Optimal Power Control Method for Distribution Network with Photovoltaic and Energy Storage Considering Grouping Cooperation. Electronics 2024, 13, 3415. [Google Scholar] [CrossRef]
- Lin, S.; Liu, C.; Shen, Y.; Li, F.; Li, D.; Fu, Y. Stochastic Planning of Integrated Energy System via Frank-Copula Function and Scenario Reduction. IEEE Trans. Smart Grid 2022, 13, 202–212. [Google Scholar] [CrossRef]
- Papaefthymiou, G.; Kurowicka, D. Using copulas for modeling stochastic dependence in power system uncertainty analysis. IEEE Trans. Power Syst. 2008, 24, 40–49. [Google Scholar] [CrossRef]
- Gan, D.; Ke, D.; Sun, Y.; Cui, M. Short-term probabilistic wind power forecast considering ramp characteristics. Electr. Power Autom. Equip. 2016, 36, 145–150. [Google Scholar] [CrossRef]
- Wang, Y.; Zhang, K.; Fu, J.; Pang, X.; Geng, J. Optimization Control Method of Wind/Storage System for Suppressing Wind Power Ramp Rate. Autom. Electr. Power Syst. 2013, 37, 17–23. [Google Scholar]
- Zhao, C.; Guan, Y. Data-Driven Stochastic Unit Commitment for Integrating Wind Generation. IEEE Trans. Power Syst. 2016, 31, 2587–2596. [Google Scholar] [CrossRef]
- Yang, L.; Li, Z.; Xu, Y.; Zhou, J.; Sun, H. Frequency Constrained Scheduling Under Multiple Uncertainties via Data-Driven Distributionally Robust Chance-Constrained Approach. IEEE Trans. Sustain. Energy 2023, 14, 763–776. [Google Scholar] [CrossRef]
- Dembo, A.; Ofer, Z. Large Deviations Techniques and Applications; Springer: Berlin/Heidelberg, Germany, 2010; Volume 38. [Google Scholar] [CrossRef]
- Zhao, C. Data-Driven Risk-Averse Stochastic Program and Renewable Energy Integration; University of Florida: Gainesville, FL, USA, 2016; Available online: https://ufdcimages.uflib.ufl.edu/UF/E0/04/71/65/00001/ZHAO_C.pdf (accessed on 28 November 2024).
- Raj, S.; Bhattacharyya, B. Optimal placement of TCSC and SVC for reactive power planning using Whale optimization algorithm. Swarm Evol. Comput. 2018, 40, 131–143. [Google Scholar] [CrossRef]
- Chang, Y.-C. Multi-Objective Optimal SVC Installation for Power System Loading Margin Improvement. IEEE Trans. Power Syst. 2012, 27, 984–992. [Google Scholar] [CrossRef]
- Zhang, Z.; Wu, J.; Li, P.; Shi, H.; Zhang, B. Reactive Power Compensation and Its Optimal Allocation with Measurement Part and Compensation Part Separated in Rural Power Grid. Trans. China Electrotech. Soc. 2015, 30, 205–213. [Google Scholar]
- Gan, L.; Li, N.; Topcu, U.; Low, S.H. Exact Convex Relaxation of Optimal Power Flow in Radial Networks. IEEE Trans. Autom. Control. 2015, 60, 72–87. [Google Scholar] [CrossRef]
Disclaimer/Publisher’s Note: The statements, opinions and data contained in all publications are solely those of the individual author(s) and contributor(s) and not of MDPI and/or the editor(s). MDPI and/or the editor(s) disclaim responsibility for any injury to people or property resulting from any ideas, methods, instructions or products referred to in the content. |
© 2024 by the authors. Licensee MDPI, Basel, Switzerland. This article is an open access article distributed under the terms and conditions of the Creative Commons Attribution (CC BY) license (https://creativecommons.org/licenses/by/4.0/).






