Adaptive Control Strategy of Parallel Virtual Synchronizer of Wind–Solar–Storage Microgrid Based on Neural Network
Abstract
1. Introduction
2. Wind–Solar–Storage Microgrid Structure and Traditional VSG Control
2.1. Wind–Solar Storage Microgrid Topology
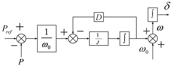
2.2. Working Principle of Virtual Synchronous Machine
2.3. Stability Adjustment of the Virtual Synchronizer
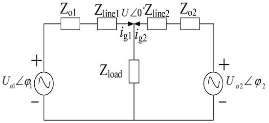
2.4. Analysis of the Causes of Circulation
3. VSG Based on Neural Network Runs Multi-Parameter Collaborative Adaptive Control Strategy in Parallel
3.1. Neural Network Algorithms
3.2. Multi-Parameter Adaptive Cooperative Control Strategy Based on Neural Network
3.3. Virtual Impedance Adaptive Control Strategy
3.4. Parallel VSG Parameter Configuration
4. Case Analysis
4.1. Simulation Analysis of Traditional VSG Control (Islanding)
4.2. Parallel VSG Simulation Analysis Based on Fuzzy Control
4.3. Simulation and Analysis of Multi-Parameter Collaborative Adaptive Control Strategy of Parallel Virtual Synchronous Machine in Wind, Solar Storage Microgrid Based on Neural Network (Island)
4.4. Simulation Analysis of Virtual Synchronous Machine Parallel System When Connected to the Grid
5. Conclusions
- (1)
- Compared with the traditional VSG control and fuzzy VSG control, the neural network-based multi-parameter collaborative adaptive control strategy of the parallel virtual synchronous machine for wind energy storage microgrids (for the different capacity ratios of VSG1 and VSG2) is able to flexibly adjust the rotational inertia and damping parameters to adapt to the changes in the microgrid, thus enhancing the microgrid’s ability of anti-interference under different environments.
- (2)
- The adaptive virtual impedance optimizes the VSG control strategy, effectively reduces the circulation, and realizes the accurate distribution of active and reactive power according to the ratio of capacity (1:1 and 2:1).
- (3)
- When the capacity ratio is set to 10:1, the results show that the microgrid can still reasonably output active and reactive power in complex scenarios.
- (4)
- During the process of microgrid grid connection, the output of all parameters remained stable, and the smooth grid connection was successfully realized.
- (1)
- The selection of parameters in this paper is based on theoretical analysis, and there are some errors, so it is necessary to optimize the method of parameter selection in the future.
- (2)
- In this paper, two virtual synchronometers are used in parallel to control the microgrid, and more virtual synchronometer models should be built in the next step to verify the stability and the effects of circulation suppression and power allocation in the case of multi-machine control.
Author Contributions
Funding
Data Availability Statement
Conflicts of Interest
References
- Rathore, B.; Chakrabarti, S.; Srivastava, L. A Self-Regulated Virtual Impedance control of VSG in a microgrid. Electr. Power Syst. Res. 2021, 197, 107289. [Google Scholar] [CrossRef]
- Bappa, R.; Shuma, A.; Subir, D.; Samuel, L.; Soumya, S. Real-Time Simulation of a Wind-Solar-Battery Based Microgrid System. J. Electr. Eng. Technol. 2023, 18, 2087–2102. [Google Scholar]
- Wang, H.; Yang, C.; Liao, X.; Wang, J.; Zhou, W.; Ji, X. Artificial neural network-based virtual synchronous generator dual droop control for microgrid systems. Comput. Electr. Eng. 2023, 111, 108930. [Google Scholar] [CrossRef]
- Khokhar, B.; Dahiya, S.; Parmar, K.P.S. A Novel Hybrid Fuzzy PD-TID Controller for Load Frequency Control of a Standalone Microgrid. Arab. J. Sci. Eng. Sect. A Sci. 2021, 46, 1053–1065. [Google Scholar] [CrossRef]
- Zhang, Y.; Sun, Q.; Zhou, J.; Li, L.; Wang, P.; Guerrero, J.M. Coordinated Control of Networked AC/DC Microgrids With Adaptive Virtual Inertia and Governor-Gain for Stability Enhancement. IEEE Trans. Energy Convers. 2021, 36, 95–110. [Google Scholar] [CrossRef]
- Jithin, S.; Rajeev, T. A Hybrid Virtual Synchronous Machine Topology for Improved Microgrid Stability. In Proceedings of the International Conference on Nascent Technologies in Engineering, Navi Mumbai, India, 15–16 January 2021. [Google Scholar]
- Kerdphol, T.; Watanabe, M.; Mitani, Y.; Turschner, D.; Beck, H.-P. Stability Assessment of Multiple Virtual Synchronous Machines for Microgrid Frequency Stabilization. In Proceedings of the IEEE Power Energy Society General Meeting, Montreal, QC, Canada, 2–6 August 2020. [Google Scholar]
- Shi, R.; Lan, C.; Zhang, Q.; Zhou, Q.; Huang, J.; Wang, B. Analysis of active oscillation characteristics of energy storage VSG parallel networking system and its improvement strategy. Electr. Power Autom. Equip. 2024, 44, 1–10. [Google Scholar] [CrossRef]
- Mohsen, R. VSG-controlled parallel-connected voltage-source converters in low-voltage microgrid with dominant resistive impedance. J. Eng. 2024, 2024, e212379. [Google Scholar]
- Guo, J.; Fan, Y. VSG-Based Parameter Adaptive Control Strategy. E3S Web Conf. 2021, 257, 02041. [Google Scholar]
- Espina, E.; Cardenas-Dobson, R.; Simpson-Porco, J.W.; Sáez, D. A Consensus-Based Secondary Control Strategy for Hybrid AC/DC Microgrids With Experimental Validation. IEEE Trans. Power Electron. 2021, 36, 5971–5984. [Google Scholar] [CrossRef]
- Wong, Y.C.C.; Lim, C.S.; Cruden, A.; Rotaru, M.D.; Ray, P.K. A Consensus-Based Adaptive Virtual Output Impedance Control Scheme for Reactive Power Sharing in Radial Microgrids. IEEE Trans. Ind. Appl. 2021, 57, 784–794. [Google Scholar] [CrossRef]
- Alghamdi, B.; Canizares, C.A. Frequency Regulation in Isolated Microgrids Through Optimal Droop Gain and Voltage Control. IEEE Trans. Smart Grid 2021, 12, 988–998. [Google Scholar] [CrossRef]
- Hassan, H.; Mohsen, R. Control and stability analysis of DC microgrid system including wind and solar generation sources and grid-connected voltage source converter. Int. J. Circuit Theory Appl. 2021, 49, 616–640. [Google Scholar]
- Romphochai, S. A Novel Adaptive Virtual Inertia Control-Based Adaptive Neuro-Fuzzy to Enhance Frequency Stability of a Microgrid with Seamless Transition. Int. Rev. Electr. Eng. 2021, 16, 78–94. [Google Scholar] [CrossRef]
- Ran, B.; Cao, Y.; Zhi, N. VSG circulation suppression strategy based on reactive power deviation with voltage compensation. Power Electron. Technol. 2023, 57, 77–79+95. [Google Scholar]
- Zhang, C.; Zhu, Z.; Sun, S.; Wang, Y. Research on Microgrid Parallel VSG Circulation Suppression and Power Accurate Allocation Control Strategy. J. Electr. Eng. 2023, 18, 369–376. [Google Scholar]
- Li, Y.; Li, Y.; Li, S.; Shao, Z.; Chen, X. VSG-based power distribution and virtual inertial control of photovoltaic and hybrid energy storage systems. Electr. Power Autom. Equip. 2023, 43, 27–34. [Google Scholar] [CrossRef]
- Yang, Y.; Yang, P.; Lin, W.; Li, Z.; Lu, G. A decentralized control for Non-error frequency regulation in an islanded microgrid containing multiple VSGs. Int. J. Electr. Power Energy Syst. 2021, 133, 107337. [Google Scholar] [CrossRef]
- Jiang, J.; Peyghami, S.; Coates, C.; Blaabjerg, F. A Decentralized Reliability-Enhanced Power Sharing Strategy for PV-Based Microgrids. IEEE Trans. Power Electron. 2021, 36, 7281–7293. [Google Scholar] [CrossRef]
- Karimi, A.; Khayat, Y.; Naderi, M.; Dragičević, T.; Mirzaei, R.; Blaabjerg, F. Inertia Response Improvement in AC Microgrids: A Fuzzy-Based Virtual Synchronous Generator Control. IEEE Trans. Power Electron. 2020, 35, 4321–4331. [Google Scholar] [CrossRef]
- Liang, X.; Andalib-Bin-Karim, C.; Li, W.; Mitolo, M.; Shabbir, M.N.S.K. Adaptive Virtual Impedance-Based Reactive Power Sharing in Virtual Synchronous Generator Controlled Microgrids. IEEE Trans. Ind. Appl. 2021, 57, 46–60. [Google Scholar] [CrossRef]
- Wen, T.L.; Zhu, D.H.; Zou, X.D.; Jiang, B.C.; Peng, L.; Kang, Y. Power Coupling Mechanism Analysis and Improved Decoupling Control for Virtual Synchronous Generator. IEEE Trans. Power Electron. 2021, 36, 3028–3041. [Google Scholar] [CrossRef]
- Li, Y.; Gao, W.; Huang, S.; Wang, R.; Yan, W.; Gevorgian, V. Data-driven Optimal Control Strategy for Virtual Synchronous Generator via Deep Reinforcement Learning Approach. J. Mod. Electr. Power Syst. Clean Energy 2021, 9, 919–929. [Google Scholar] [CrossRef]
- Wang, Y.; Wai, R.-J. Adaptive Fuzzy-Neural-Network Power Decoupling Strategy for Virtual Synchronous Generator in Micro-Grid. IEEE Trans. Power Electron. 2022, 37, 3878–3891. [Google Scholar] [CrossRef]
- Jasem, K.; Ebrahim, A.S. Fault-tolerant virtual synchronous generator control of inverters in synchronous generator-based microgrids. Electr. Power Syst. Res. 2023, 218, 109173. [Google Scholar]
- Jithin, S.; Rajeev, T. A novel stability index-based virtual synchronous machine droop scheme for performance improvement of hybrid AC/DC microgrid under volatile loading conditions. Electr. Power Syst. Res. 2023, 214, 108901. [Google Scholar]
- Zhou, N.; Ye, J.; Deng, S.; Fan, C.; Lo, A.; Zhou, Z. Control strategy of accurate power allocation for parallel operation of VSG in isolated island microgrid. Adv. Technol. Electr. Eng. Energy 2020, 39, 47–55. [Google Scholar]
- Xu, Y.; Zhu, L.; Lv, Z.; Wang, Q. Transient synchronization stability analysis of virtual synchronous machine island parallel system. Power Syst. Prot. Control 2023, 51, 1–11. [Google Scholar] [CrossRef]
- Ren, H.; Chen, Q.; Zhang, L.; Li, J. Parameter adaptive regulation of virtual synchronous generator. Control Theory Appl. 2020, 37, 2571–2580. [Google Scholar]
- Ma, C.; Zhao, Y. Research on adaptive control strategy based on dual-machine parallel virtual synchronous machine system. Electr. Meas. Instrum. 2022, 59, 191–200. [Google Scholar]
- Zhou, J.; Hu, C.; Mao, D.; Deng, Y.; Ye, J.; Fang, L. Control Strategy of Adaptive Virtual Synchronous Generator Based on Fuzzy Control. Guangdong Electr. Power 2020, 33, 53–60. [Google Scholar]
- Zhao, J.; Miao, H.; Zeng, C. Power distribution strategy of low-voltage microgrid based on improved virtual synchronous generator control technology. Electr. Power Constr. 2020, 41, 42–48. [Google Scholar]
- Hu, J.; Cheng, J.; Wang, W.; Chen, Y. VSG-based adaptive power-frequency control strategy for wind-solar complementary system. Power Electron. Technol. 2023, 57, 82–85. [Google Scholar]
- Zhang, L.; Zhang, H.; Jiang, W.; Li, K. Virtual synchronous machinepower decoupling strategy based on adaptive dynamic virtual synchronous impedance. Proc. CSEE 2024, 15, 1–13. Available online: http://kns.cnki.net/kcms/detail/11.2107.tm.20230601.1743.008.html (accessed on 8 August 2024).
- Xu, Q.; Tomislav, D.; Xie, L.; Frede, B. Artificial Intelligence-Based Control Design for Reliable Virtual Synchronous Generators. IEEE Trans. Power Electron. 2021, 36, 9453–9464. [Google Scholar] [CrossRef]
- Xiong, X.; Wu, C.; Hu, B.; Pan, D.; Frede, B. Transient Damping Method for Improving the Synchronization Stability of Virtual Synchronous Generators. IEEE Trans. Power Electron. 2021, 36, 7820–7831. [Google Scholar] [CrossRef]
- Mostafa, M.; Arash, K.; Mehdi, G. A hybrid adaptive virtual inertia controller for virtual synchronous generators. Eur. Trans. Electr. Power Eng. 2021, 31, e12913. [Google Scholar]




















| Stage | Angular Frequency Offset Is ∆ω | Angular Frequency Change Rate dω/dt | Inertia J | Damping D |
|---|---|---|---|---|
| 1 | 0 | 0 | enlarge | enlarge |
| 2 | 0 | 0 | minish | enlarge |
| 3 | 0 | 0 | enlarge | enlarge |
| 4 | 0 | 0 | minish | enlarge |
| Parameter | Numeric Value | Parameter | Numeric Value |
|---|---|---|---|
| /W | 10,000 | 9000 | |
| /W | 8000 | 6000 | |
| 330 | C/F | 30 × 10−6 | |
| 3 × 10−3 | 1.5 × 10−3 | ||
| 220 | Initial J/D | 0.2/10 | |
| 2.84 + j0.8 | 1.42 + j0.4 | ||
| 1 × 10−4 | 5 × 10−5 | ||
| 2 × 10−4 | 1 × 10−4 |
Disclaimer/Publisher’s Note: The statements, opinions and data contained in all publications are solely those of the individual author(s) and contributor(s) and not of MDPI and/or the editor(s). MDPI and/or the editor(s) disclaim responsibility for any injury to people or property resulting from any ideas, methods, instructions or products referred to in the content. |
© 2024 by the authors. Licensee MDPI, Basel, Switzerland. This article is an open access article distributed under the terms and conditions of the Creative Commons Attribution (CC BY) license (https://creativecommons.org/licenses/by/4.0/).
Share and Cite
Wang, H.; Zhang, Z.; Sun, L.; Yang, M.; Sun, P.; Wang, J. Adaptive Control Strategy of Parallel Virtual Synchronizer of Wind–Solar–Storage Microgrid Based on Neural Network. Electronics 2025, 14, 36. https://doi.org/10.3390/electronics14010036
Wang H, Zhang Z, Sun L, Yang M, Sun P, Wang J. Adaptive Control Strategy of Parallel Virtual Synchronizer of Wind–Solar–Storage Microgrid Based on Neural Network. Electronics. 2025; 14(1):36. https://doi.org/10.3390/electronics14010036
Chicago/Turabian StyleWang, Hui, Zhuanqin Zhang, Li Sun, Mao Yang, Peng Sun, and Jinxin Wang. 2025. "Adaptive Control Strategy of Parallel Virtual Synchronizer of Wind–Solar–Storage Microgrid Based on Neural Network" Electronics 14, no. 1: 36. https://doi.org/10.3390/electronics14010036
APA StyleWang, H., Zhang, Z., Sun, L., Yang, M., Sun, P., & Wang, J. (2025). Adaptive Control Strategy of Parallel Virtual Synchronizer of Wind–Solar–Storage Microgrid Based on Neural Network. Electronics, 14(1), 36. https://doi.org/10.3390/electronics14010036
