Self-Oxygen Regulator System for COVID-19 Patients Based on Body Weight, Respiration Rate, and Blood Saturation
Abstract
:1. Introduction
2. System Design and Implementation
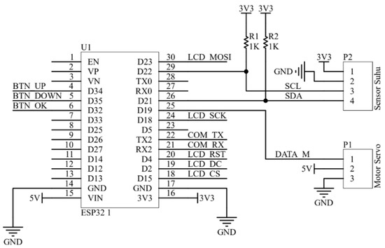
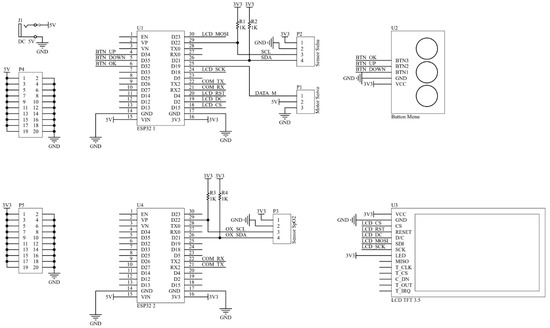
2.1. Input and Display
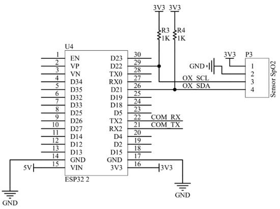
2.2. Oxygen Saturation Measurement
2.3. Respiration Sensor
2.4. Actuator Servo Motor
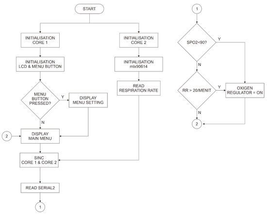
2.5. Software Design
2.5.1. The First ESP32
2.5.2. Second ESP32
3. Results and Discussion
3.1. Prototype Realization
3.2. Sensor Testing
3.2.1. Testing of Respiration Rate Sensor
3.2.2. Testing of the Oxygen Saturation Sensor
3.2.3. Testing of the Automatic Regulator
4. Conclusions
5. Patents
Author Contributions
Funding
Informed Consent Statement
Acknowledgments
Conflicts of Interest
References
- Momtazmanesh, S.; Ochs, H.D.; Uddin, L.Q.; Perc, M.; Routes, J.M.; Vieira, D.N.; Al-Herz, W.; Baris, S.; Prando, C.; Rosivall, L.; et al. All together to fght COVID-19. Am. J. Trop. Med. Hyg. 2020, 102, 1181–1183. [Google Scholar] [CrossRef] [PubMed] [Green Version]
- Hypoxemia: Symptoms, Causes, Treatments. Cleveland Clinic. 2020. Available online: https://my.clevelandclinic.org/health/diseases/17727-hypoxemia (accessed on 9 June 2020).
- Choi, J.H.; Kim, D.K. A Remote Compact Sensor for the Real-Time Monitoring of Human Heartbeat and Respiration Rate. IEEE Trans. Biomed. Circuits Syst. 2009, 3, 181–188. [Google Scholar] [CrossRef] [PubMed]
- Islam, M.M.; Rahaman, A.; Islam, M.R. Development of Smart Healthcare Monitoring System in IoT Environment. SN Comput. Sci. 2020, 1, 185. [Google Scholar] [CrossRef] [PubMed]
- Haghi, M.; Neubert, S.; Geissler, A.; Fleischer, H.; Stoll, N.; Stoll, R.; Thurow, K. A flexible and pervasive IoT-based healthcare platform for physiological and environmental parameters Monitoring. IEEE Internet Things J. 2020, 7, 5628–5647. [Google Scholar] [CrossRef]
- Bhardwaj, V.; Joshi, R.; Gaur, A.M. IoT-Based Smart Health Monitoring System for COVID-19. SN Comput. Sci. 2022, 3, 137. [Google Scholar] [CrossRef] [PubMed]
- Khan, M.M.; Mehnaz, S.; Shaha, A.; Nayem, M.; Bourouis, S. IoT-Based Smart Health Monitoring System for COVID-19 Patients. Comput. Math. Methods Med. 2021, 2021, 8591036. [Google Scholar] [CrossRef] [PubMed]
- Motta, L.P.; Ferreira da Silva, P.P.; Borguezan, B.M.; Machado do Amaral, J.L.; Milagres, L.G.; Bo’ia, M.N.; Ferraz, M.R.; Mogami, R.; Nunes, R.A.; Lopes de Melo, P. An emergency system for monitoring pulse oximetry, peak expiratory flow, and body temperature of patients with COVID-19 at home: Development and preliminary application. PLoS ONE 2021, 16, e0247635. [Google Scholar] [CrossRef] [PubMed]
- Ramalingam, M.; Puviarasi, R.; Chinnavan, E.; Foong, H.K. Self-monitoring framework for patients in IoT-based healthcare system. Int. J. Innov. Technol. Eng. 2019, 8, 3641–3645. [Google Scholar] [CrossRef]
- Adeniyi, E.A.; Ogundokun, R.O.; Awotunde, J.B. IoMT-based wearable body sensors network healthcare monitoring system. In IoT in Healthcare and Ambient Assisted Living; Springer: Singapore, 2021; pp. 103–121. [Google Scholar]
- Mamdiwar, S.D.; Shakruwala, Z.; Chadha, U.; Srinivasan, K.; Chang, C.-Y. Recent Advances on IoT-Assisted Wearable Sensor Systems for Healthcare Monitoring. Biosensors 2021, 11, 372. [Google Scholar] [CrossRef] [PubMed]
- Raj, C.; Jain, C.; Arif, W. HEMAN: Health monitoring and nous: An IoT based e-health care system for remote telemedicine. In Proceedings of the 2017 International Conference on Wireless Communications, Signal Processing and Networking (WiSPNET), Chennai, India, 22–24 March 2017; pp. 2115–2119. [Google Scholar] [CrossRef]
- Rashmi, I.R.; Sahana, M.K.; Sangeetha, R.; Shruthi, K.S. IOT based Patient Health Monitoring System to Remote Doctors using Embedded Technology. Int. J. Eng. Res. Technol. (IJER) 2020, 8, 230–233. [Google Scholar]
- Wang, Y.; Wang, W.; Zhou, M.; Ren, A.; Tian, Z. Remote Monitoring of Human Vital Signs Based on 77-GHz mm-Wave FMCW Radar. Sensors 2020, 20, 2999. [Google Scholar] [CrossRef] [PubMed]
- Li, X.; Dunn, J.; Salins, D.; Zhou, G.; Zhou, W.; Schüssler-Fiorenza Rose, S.M.; Perelman, D.; Colbert, E.; Runge, R.; Rego, S.; et al. Digital Health: Tracking Physiomes and Activity Using Wearable Biosensors Reveals Useful Health-Related Information. PLoS Biol. 2017, 15, e2001402. [Google Scholar] [CrossRef] [PubMed]
- Pan, R.; Lin, G.; Shi, Z.; Zeng, Y.; Yang, X. The Application of Disturbance-Observer-Based Control in Breath Pressure Control of Aviation Electronic Oxygen Regulator. Energies 2021, 14, 5189. [Google Scholar] [CrossRef]
- Puspitasari, A.J.; Famella, D.; Ridwan, M.S.; Khoiri, M. Design of low-flow oxygen monitor and control system for respiration and SpO2 rates optimization. IOP Conf. Ser. J. Phys. Conf. Ser. 2020, 1436, 012042. [Google Scholar] [CrossRef]
- Agnihotri, A. Human Body Respiration Measurement Using Digital Temperature Sensor with I2C Interface. Int. J. Electron. Commun. Comput. Eng. 2013, 4, 232–238. [Google Scholar]
- Parametric Specs for Bio-Sensors. Available online: https://www.maximintegrated.com/en/products/interface/sensor-interface/MAX30102.html (accessed on 21 July 2021).
















| No | LCD TFT 3.5 | ESP32 Board 1 |
|---|---|---|
| 1 | VCC | 3V3 |
| 2 | GND | GND |
| 3 | CS | D15 |
| 4 | RESET | D4 |
| 5 | D/C | D2 |
| 6 | SDI | D23 |
| 7 | SCK | D18 |
| 8 | LED | 3V3 |
| No | Menu Button | ESP32 Board 1 |
|---|---|---|
| 1 | VCC | 3V3 |
| 2 | GND | GND |
| 3 | BTN1 | D15 |
| 4 | BTN2 | D34 |
| 5 | BTN3 | D35 |
| No | Output Oxygen | Angle of Stepper Motor Rotation (Degree) |
|---|---|---|
| 1 | 0 | 165 |
| 2 | 1 | 135 |
| 3 | 2 | 120 |
| 4 | 3 | 100 |
| 5 | 4 | 95 |
| 6 | 5 | 85 |
| 7 | 6 | 70 |
| 8 | 7 | 55 |
| 9 | 8 | 40 |
| 10 | 9 | 30 |
| 11 | 10 | 20 |
| 12 | 11 | 10 |
| Subject | Measurement No. | RR Sensor | RR Manual | Delta |
|---|---|---|---|---|
| Adult | 1 | 12 | 12 | 0 |
| 2 | 8 | 8 | 0 | |
| 3 | 8 | 9 | 1 | |
| 4 | 8 | 9 | 1 | |
| 5 | 16 | 15 | 1 | |
| 6 | 12 | 10 | 2 | |
| 7 | 12 | 12 | 0 | |
| 8 | 12 | 12 | 0 | |
| 9 | 12 | 11 | 1 | |
| 10 | 8 | 8 | 0 | |
| 11 | 16 | 16 | 0 | |
| 12 | 20 | 22 | 2 | |
| 13 | 8 | 8 | 0 | |
| 14 | 8 | 8 | 0 | |
| 15 | 8 | 8 | 0 | |
| Children | 1 | 24 | 24 | 0 |
| 2 | 24 | 24 | 0 | |
| 3 | 24 | 24 | 0 | |
| 4 | 28 | 27 | 1 | |
| 5 | 28 | 26 | 2 | |
| 6 | 24 | 24 | 0 | |
| 7 | 24 | 24 | 0 | |
| 8 | 20 | 22 | 2 | |
| 9 | 24 | 24 | 0 | |
| 10 | 24 | 25 | 1 | |
| 11 | 24 | 24 | 0 | |
| 12 | 28 | 28 | 0 | |
| 13 | 28 | 28 | 0 | |
| 14 | 24 | 24 | 0 | |
| 15 | 20 | 20 | 0 | |
| Delta | ±1–2 rate/min | |||
| Measurement No. | RR Sensor | RR Manual | Delta |
|---|---|---|---|
| 1 | 48 | 52 | 4 |
| 2 | 48 | 53 | 5 |
| 3 | 52 | 54 | 2 |
| 4 | 52 | 52 | 0 |
| 5 | 48 | 45 | 3 |
| 6 | 60 | 60 | 0 |
| 7 | 56 | 56 | 0 |
| 8 | 48 | 48 | 0 |
| 9 | 36 | 36 | 0 |
| 10 | 36 | 36 | 0 |
| 11 | 76 | 70 | 6 |
| 12 | 48 | 48 | 0 |
| 13 | 36 | 36 | 0 |
| 14 | 48 | 44 | 4 |
| 15 | 52 | 48 | 4 |
| Delta | ±2–6 rate/min | ||
| Measurement No. | SpO2 (%) | Delta | Measurement No. | SpO2 (%) | Delta | ||
|---|---|---|---|---|---|---|---|
| Sensor | Mixio | Sensor | Mixio | ||||
| 1 | 99 | 99 | 0 | 16 | 96 | 96 | 0 |
| 2 | 98 | 98 | 0 | 17 | 99 | 99 | 0 |
| 3 | 99 | 99 | 0 | 18 | 98 | 98 | 0 |
| 4 | 98 | 98 | 0 | 19 | 97 | 97 | 0 |
| 5 | 97 | 97 | 0 | 20 | 97 | 96 | 1 |
| 6 | 98 | 97 | 1 | 21 | 97 | 98 | 1 |
| 7 | 96 | 97 | 1 | 22 | 99 | 98 | 1 |
| 8 | 95 | 95 | 0 | 23 | 98 | 99 | 1 |
| 9 | 93 | 94 | 1 | 24 | 98 | 99 | 1 |
| 10 | 90 | 92 | 2 | 25 | 98 | 98 | 0 |
| 11 | 88 | 88 | 0 | 26 | 99 | 99 | 1 |
| 12 | 87 | 88 | 1 | 27 | 95 | 96 | 1 |
| 13 | 88 | 88 | 1 | 28 | 95 | 95 | 0 |
| 14 | 86 | 86 | 0 | 29 | 96 | 96 | 0 |
| 15 | 85 | 86 | 1 | 30 | 98 | 98 | 0 |
| Delta | ±1–2% | ||||||
| Body Weight (Kg) | Resp. Rate (RR/min.) | Min. Vent. (L/min.) | Proposed Device | Regulator Flow Meter | Delta Flow |
|---|---|---|---|---|---|
| 60 | 20 | 7.2 | 7 | 7 | 0 |
| 20 | 7.2 | 7 | 7 | 0 | |
| 28 | 10.08 | 10 | 10 | 0 | |
| 24 | 8.64 | 9 | 9.5 | 0.5 | |
| 70 | 20 | 8.4 | 8 | 8 | 0 |
| 24 | 10.08 | 10 | 11 | 1 | |
| 28 | 11.76 | 12 | 12.5 | 0.5 | |
| 16 | 6.72 | 7 | 7 | 0 | |
| 50 | 24 | 7.2 | 7 | 7 | 0 |
| 28 | 8.4 | 8 | 8 | 0 | |
| 48 | 14.4 | 14 | 14 | 0 | |
| 32 | 9.6 | 10 | 10 | 0 | |
| 55 | 16 | 5.28 | 5 | 5.5 | 0.5 |
| 28 | 9.24 | 9 | 9 | 0 | |
| 32 | 10.56 | 11 | 11 | 0 | |
| 24 | 7.92 | 8 | 8 | 0 | |
| 65 | 28 | 10.92 | 11 | 12 | 1 |
| 20 | 7.8 | 8 | 8 | 0 | |
| 24 | 9.36 | 9 | 10 | 1 | |
| 36 | 14.04 | 14 | 14 | 0 |
Publisher’s Note: MDPI stays neutral with regard to jurisdictional claims in published maps and institutional affiliations. |
© 2022 by the authors. Licensee MDPI, Basel, Switzerland. This article is an open access article distributed under the terms and conditions of the Creative Commons Attribution (CC BY) license (https://creativecommons.org/licenses/by/4.0/).
Share and Cite
Irawati, I.D.; Hadiyoso, S.; Alfaruq, A.; Novianti, A.; Rizal, A. Self-Oxygen Regulator System for COVID-19 Patients Based on Body Weight, Respiration Rate, and Blood Saturation. Electronics 2022, 11, 1380. https://doi.org/10.3390/electronics11091380
Irawati ID, Hadiyoso S, Alfaruq A, Novianti A, Rizal A. Self-Oxygen Regulator System for COVID-19 Patients Based on Body Weight, Respiration Rate, and Blood Saturation. Electronics. 2022; 11(9):1380. https://doi.org/10.3390/electronics11091380
Chicago/Turabian StyleIrawati, Indrarini Dyah, Sugondo Hadiyoso, Akhmad Alfaruq, Atik Novianti, and Achmad Rizal. 2022. "Self-Oxygen Regulator System for COVID-19 Patients Based on Body Weight, Respiration Rate, and Blood Saturation" Electronics 11, no. 9: 1380. https://doi.org/10.3390/electronics11091380
APA StyleIrawati, I. D., Hadiyoso, S., Alfaruq, A., Novianti, A., & Rizal, A. (2022). Self-Oxygen Regulator System for COVID-19 Patients Based on Body Weight, Respiration Rate, and Blood Saturation. Electronics, 11(9), 1380. https://doi.org/10.3390/electronics11091380

