Performance Evaluation of Solar-PV-Based Non-Isolated Switched-Inductor and Switched-Capacitor High-Step-Up Cuk Converter
Abstract
:1. Introduction
- To introduce the basics of the Cuk converter and different derived topologies based on switched-inductor and switched-capacitor (SLSC) and a high-gain step-up Cuk converter.
- To study a PV system with a DC-DC converter.
- To implement the Simulink model of the three converters considered with solar PV on the MATLAB platform.
- To study the behavior of the converter and analyze its characteristics.
- To compare the boosting ability of a conventional boost converter with the discussed topologies.
2. Photovoltaic Generator Mathematical Modeling
3. Hybrid Fuzzy-Logic Sliding Mode Control Based MPPT
4. Topologies of the CUK Converter
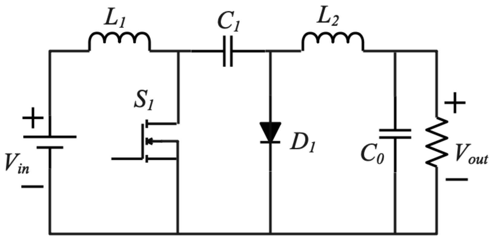
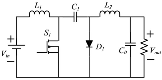
4.1. Topology-1
Design Analysis of Topology-1
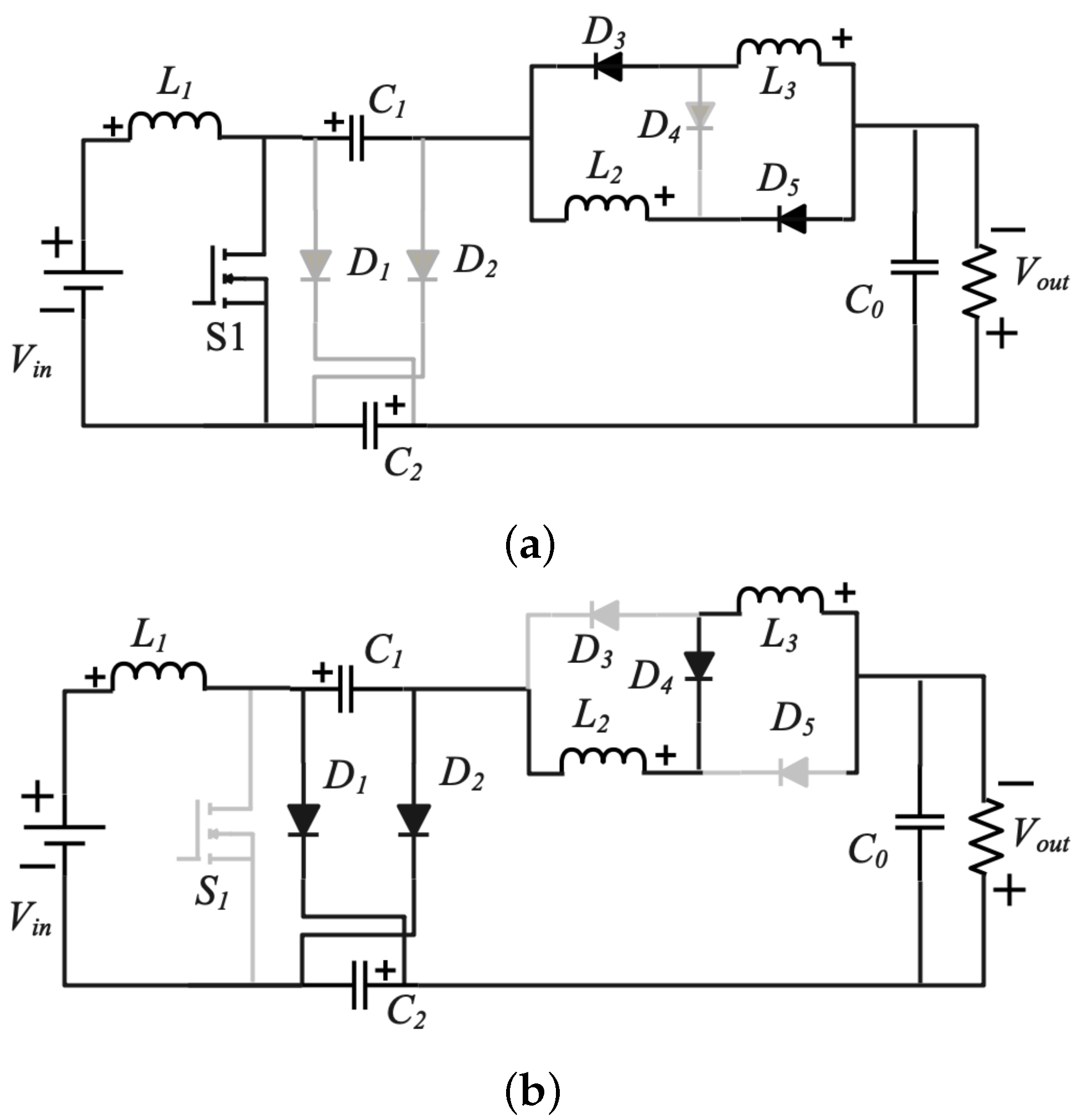
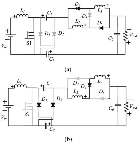
4.2. Topology-2
Design Analysis of Topology-2
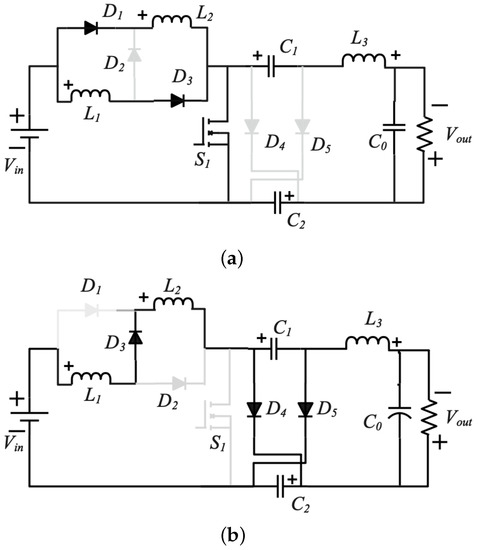
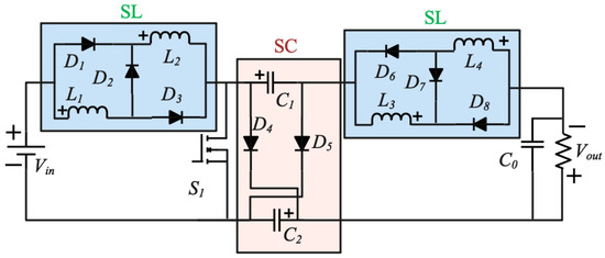
4.3. Topology-3
Design Analysis of Topology-3
5. Simulation Results and Analysis
6. Conclusions
Author Contributions
Funding
Institutional Review Board Statement
Informed Consent Statement
Data Availability Statement
Acknowledgments
Conflicts of Interest
References
- Khireddine, M.; Makhloufi, M.; Abdessemed, Y.; Boutarfa, A. Tracking power photovoltaic system with a fuzzy logic control strategy. In Proceedings of the 2014 6th International Conference on Computer Science and Information Technology (CSIT), Amman, Jordan, 26–27 March 2014; pp. 42–49. [Google Scholar]
- Ranjana, M.S.B.; Reddy, N.S.; Kumar, R.K.P. Non-isolated dual output hybrid DC-DC multilevel converter for photovoltaic applications. In Proceedings of the 2014 2nd International Conference on Devices, Circuits and Systems (ICDCS), Coimbatore, India, 6–8 March 2014; pp. 1–6. [Google Scholar]
- Musale, A.S.; Deshmukh, B.T. Three level DC-DC boost converter for high conversion ratio. In Proceedings of the 2016 International Conference on Electrical, Electronics, and Optimization Techniques (ICEEOT), Chennai, India, 3–5 March 2016; pp. 643–647. [Google Scholar]
- Almalaq, Y.; Alateeq, A.; Matin, M. Silicon carbide DC-DC multilevel Cuk converter. In Wide Bandgap Power Devices and Applications; International Society for Optics and Photonics: Bellingham, DC, USA, 2016; Volume 9957, p. 99570I. [Google Scholar]
- Li, W.; Lv, X.; Deng, Y.; Liu, J.; He, X. A review of non-isolated high step-up DC/DC converters in renewable energy applications. In Proceedings of the 2009 Twenty-Fourth Annual IEEE Applied Power Electronics Conference and Exposition, Washington, DC, USA, 15–19 February 2009; pp. 364–369. [Google Scholar]
- Forouzesh, M.; Siwakoti, Y.P.; Gorji, S.A.; Blaabjerg, F.; Lehman, B. Step-up DC–DC converters: A comprehensive review of voltage-boosting techniques, topologies, and applications. IEEE Trans. Power Electron. 2017, 32, 9143–9178. [Google Scholar] [CrossRef]
- Moradpour, R.; Ardi, H.; Tavakoli, A. Design and implementation of a new SEPIC-based high step-up DC/DC converter for renewable energy applications. IEEE Trans. Ind. Electron. 2017, 65, 1290–1297. [Google Scholar] [CrossRef]
- Hsieh, Y.P.; Chen, J.F.; Liang, T.J.P.; Yang, L.S. Novel high step-up DC–DC converter with coupled-inductor and switched-capacitor techniques for a sustainable energy system. IEEE Trans. Power Electron. 2011, 26, 3481–3490. [Google Scholar] [CrossRef]
- Choi, B.H.; Lee, S.W.; Thai, V.; Rim, C.T. A novel single-SiC-switch-based ZVZCS tapped boost converter. IEEE Trans. Power Electron. 2013, 29, 5181–5194. [Google Scholar] [CrossRef]
- Salehi, S.M.; Dehghan, S.M.; Hasanzadeh, S. Interleaved-input series-output ultra-high voltage gain DC–DC converter. IEEE Trans. Power Electron. 2018, 34, 3397–3406. [Google Scholar] [CrossRef]
- Ardi, H.; Ajami, A.; Sabahi, M. A novel high step-up DC–DC converter with continuous input current integrating coupled inductor for renewable energy applications. IEEE Trans. Ind. Electron. 2017, 65, 1306–1315. [Google Scholar] [CrossRef]
- Heidari, M.; Farzanehfard, H.; Esteki, M. Single-Switch Single-Magnetic Core High Step-up Converter with Continuous Input Current and Reduced Voltage Stress for Photovoltaic Applications. In Proceedings of the 2019 10th International Power Electronics, Drive Systems and Technologies Conference (PEDSTC), Shiraz, Iran, 12–14 February 2019; pp. 695–700. [Google Scholar]
- Abbasi, M.; Babaei, E.; Tousi, B. New family of non-isolated step-up/down and step-up switched-capacitor-based DC–DC converters. IET Power Electron. 2019, 12, 1706–1720. [Google Scholar] [CrossRef]
- Premkumar, M.; Kumar, C.; Anbarasan, A.; Sowmya, R. A novel non-isolated high step-up DC–DC boost converter using single switch for renewable energy systems. Electr. Eng. 2020, 102, 811–829. [Google Scholar] [CrossRef]
- Karimian, F.; Nahavandi, A. Design and analysis of a new structure of non-isolated DC–DC cuk–boost converter with high voltage gain. IET Power Electron. 2019, 12, 530–540. [Google Scholar] [CrossRef]
- Chakraborty, S.; Verma, S.; Salgotra, A.; Elavarasan, R.M.; Elangovan, D.; Mihet-Popa, L. Solar-Based DG Allocation Using Harris Hawks Optimization While Considering Practical Aspects. Energies 2021, 14, 5206. [Google Scholar] [CrossRef]
- Mahar, A.M.; Shaikh, P.H.; Mahar, A.R.; Memon, Z.A.; Khatri, S.A.; Shah, S.F. Simulation of efficient non-isolated DC-DC boost converter topology for photovoltaic application. AIP Conf. Proc. 2019, 2119, 020019. [Google Scholar]
- Saravanan, S.; Babu, N.R. Analysis and implementation of high step-up DC-DC converter for PV based grid application. Appl. Energy 2017, 190, 64–72. [Google Scholar] [CrossRef]
- Libra, M.; Petrík, T.; Poulek, V.; Tyukhov, I.I.; Kouřím, P. Changes in the Efficiency of Photovoltaic Energy Conversion in Temperature Range with Extreme Limits. IEEE J. Photovoltaics 2021, 11, 1479–1484. [Google Scholar] [CrossRef]
- Poulek, V.; Šafránková, J.; Černá, L.; Libra, M.; Beránek, V.; Finsterle, T.; Hrzina, P. PV panel and PV inverter damages caused by combination of edge delamination, water penetration, and high string voltage in moderate climate. IEEE J. Photovoltaics 2021, 11, 561–565. [Google Scholar] [CrossRef]
- Shemelin, V.; Matuska, T. Detailed modeling of flat plate solar collector with vacuum glazing. Int. J. Photoenergy 2017, 2017, 1587592. [Google Scholar] [CrossRef] [Green Version]
- Priyadarshi, N.; Padmanaban, S.; Maroti, P.K.; Sharma, A. An extensive practical investigation of FPSO-based MPPT for grid integrated PV system under variable operating conditions with anti-islanding protection. IEEE Syst. J. 2018, 13, 1861–1871. [Google Scholar] [CrossRef] [Green Version]
- Priyadarshi, N.; Padmanaban, S.; Bhaskar, M.S.; Blaabjerg, F.; Sharma, A. A fuzzy SVPWM based inverter control realization of grid integrated PV-wind system with FPSO MPPT algorithm for a grid-connected PV/wind power generation system: Hardware implementation. Power Appl. 2018, 12, 962–971. [Google Scholar]
- Priyadarshi, N.; Padmanaban, S.; Holm-Nielsen, J.B.; Blaabjerg, F.; Bhaskar, M.S. An experimental estimation of hybrid ANFIS–PSO-based MPPT for PV grid integration under fluctuating sun irradiance. IEEE Syst. J. 2019, 14, 1218–1229. [Google Scholar] [CrossRef]
- Priyadarshi, N.; Padmanaban, S.; Bhaskar, M.S.; Blaabjerg, F.; Holm-Nielsen, J.B.; Azam, F.; Sharma, A.K. A hybrid photovoltaic-fuel cell-based single-stage grid integration with Lyapunov control scheme. IEEE Syst. J. 2019, 14, 3334–3342. [Google Scholar] [CrossRef]
- Priyadarshi, N.; Bhaskar, M.S.; Padmanaban, S.; Blaabjerg, F.; Azam, F. New CUK–SEPIC converter based photovoltaic power system with hybrid GSA–PSO algorithm employing MPPT for water pumping applications. IET Power Electron. 2020, 13, 2824–2830. [Google Scholar] [CrossRef]
- Singh, M. Power Electronics; Tata McGraw-Hill Education: New York, NY, USA, 2008. [Google Scholar]
- Chung, H.H.; Tse, K.; Hui, S.R.; Mok, C.; Ho, M. A novel maximum power point tracking technique for solar panels using a SEPIC or Cuk converter. IEEE Trans. Power Electron. 2003, 18, 717–724. [Google Scholar] [CrossRef]
- Zhu, M.; Luo, F.L. Enhanced Self-Lift Ck Converter for Negative-to-Positive Voltage Conversion. IEEE Trans. Power Electron. 2010, 25, 2227–2233. [Google Scholar] [CrossRef]
- Su-Won, L.; Lee, S.; Chil-Hwan, J. A New High Efficient Bi-directional DC/DC Converter in the Dual Voltage System. J. Electr. Eng. Technol. 2006, 1, 343–350. [Google Scholar]
- Chen, Z. PI and sliding mode control of a Cuk converter. IEEE Trans. Power Electron. 2012, 27, 3695–3703. [Google Scholar] [CrossRef]














| Parameters | Expression |
|---|---|
| Capacitors and | |
| Switch | |
| Diodes and | |
| Diodes | |
| Diodes and |
| Parameters | Expression |
|---|---|
| Capacitors and | |
| Switch | |
| Diodes and | |
| Diodes and | |
| Diodes |
| Parameters | Expression |
|---|---|
| Capacitors and | |
| Switch | |
| Diodes , , and | |
| Diodes and | |
| Diodes and |
| Parameters | Topology 1 | Topology 2 | Topology 3 |
|---|---|---|---|
| Input Voltage (in Volts) | 12 | 12 | 12 |
| Switching Frequency (in kHz) | 5 | 5 | 5 |
| Inductor (in H) | 600 | 600 | 600 |
| Capacitor (in F) | 22 | 22 | 22 |
| Load Resistance (in ) | 190 | 75 | 210 |
| Parameter | Boost | Cuk | Topology 1 | Topology 2 | Topology 3 |
|---|---|---|---|---|---|
| Diode | 1 | 1 | 5 | 5 | 8 |
| Capacitors | 1 | 2 | 3 | 3 | 3 |
| Inductors | 1 | 2 | 3 | 3 | 4 |
| Switch | 1 | 1 | 1 | 1 | 1 |
| Voltage Gain |
Publisher’s Note: MDPI stays neutral with regard to jurisdictional claims in published maps and institutional affiliations. |
© 2022 by the authors. Licensee MDPI, Basel, Switzerland. This article is an open access article distributed under the terms and conditions of the Creative Commons Attribution (CC BY) license (https://creativecommons.org/licenses/by/4.0/).
Share and Cite
Priyadarshi, N.; Bhaskar, M.S.; Azam, F.; Singh, M.; Dhaked, D.K.; Taha, I.B.M.; Hussien, M.G. Performance Evaluation of Solar-PV-Based Non-Isolated Switched-Inductor and Switched-Capacitor High-Step-Up Cuk Converter. Electronics 2022, 11, 1381. https://doi.org/10.3390/electronics11091381
Priyadarshi N, Bhaskar MS, Azam F, Singh M, Dhaked DK, Taha IBM, Hussien MG. Performance Evaluation of Solar-PV-Based Non-Isolated Switched-Inductor and Switched-Capacitor High-Step-Up Cuk Converter. Electronics. 2022; 11(9):1381. https://doi.org/10.3390/electronics11091381
Chicago/Turabian StylePriyadarshi, Neeraj, Mahajan Sagar Bhaskar, Farooque Azam, Mayank Singh, Dheeraj Kumar Dhaked, Ibrahim B. M. Taha, and Mohamed G. Hussien. 2022. "Performance Evaluation of Solar-PV-Based Non-Isolated Switched-Inductor and Switched-Capacitor High-Step-Up Cuk Converter" Electronics 11, no. 9: 1381. https://doi.org/10.3390/electronics11091381
APA StylePriyadarshi, N., Bhaskar, M. S., Azam, F., Singh, M., Dhaked, D. K., Taha, I. B. M., & Hussien, M. G. (2022). Performance Evaluation of Solar-PV-Based Non-Isolated Switched-Inductor and Switched-Capacitor High-Step-Up Cuk Converter. Electronics, 11(9), 1381. https://doi.org/10.3390/electronics11091381

