Active Quasi-Circulator Based on Wilkinson Power Divider for Low-Power Wireless Communication Systems
Abstract
1. Introduction
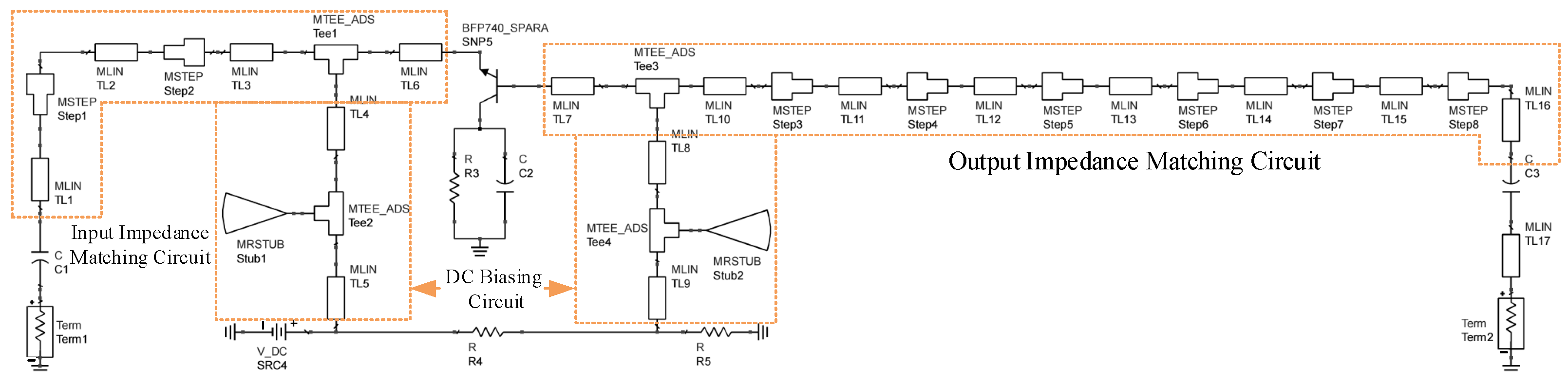
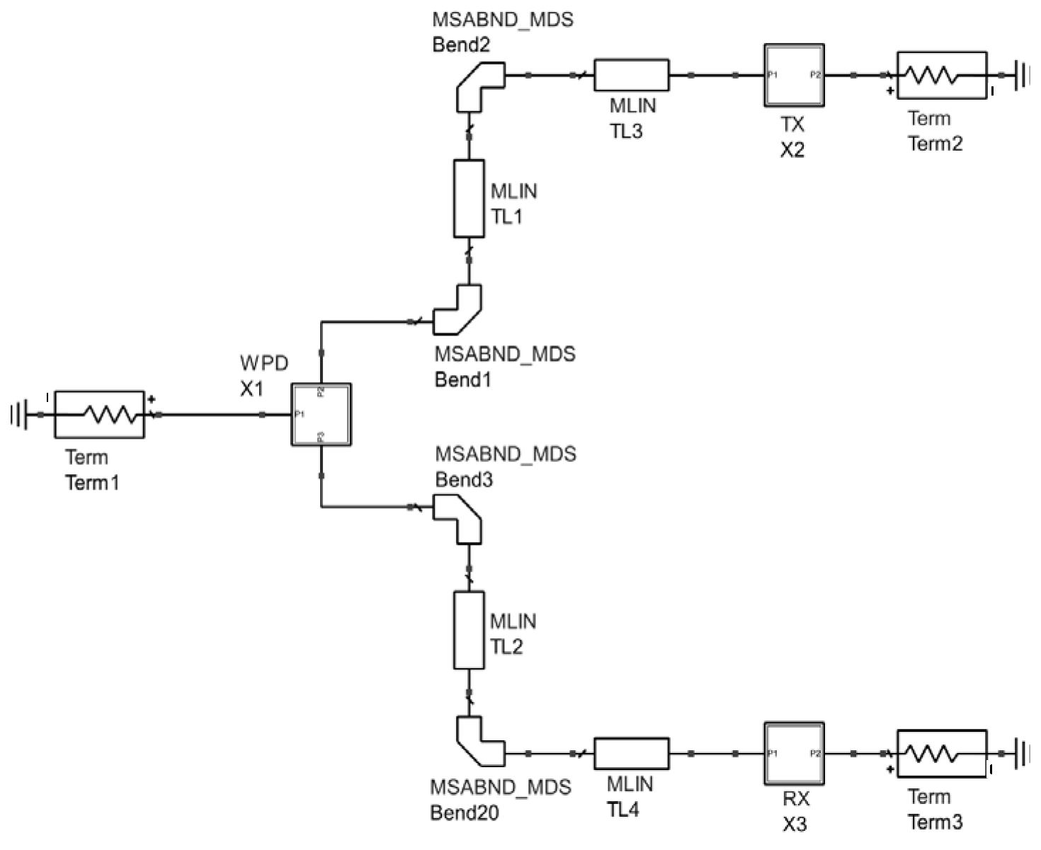
2. Circuit Design
2.1. Topological Structure
2.2. Design of the Second-Order Wilkinson Power Divider
2.3. Modeling and Simulation of Active Quasi-Circulation
3. Measurement and Discussion
4. Conclusions
Author Contributions
Funding
Data Availability Statement
Conflicts of Interest
References
- Tang, T.; Zhang, X.; Aldhaeebi, M.A.; Almoneef, T.S. Design of X-Band Circulator and Isolator for High-Peak-Power Applications. Micromachines 2024, 15, 916. [Google Scholar] [CrossRef]
- Mi, C.; Zhao, C.; Liu, Z.; Luo, T.; Huang, C.; Agrawal, D.K.; Zhang, Y.; Huang, K. Compact Four-Port Waveguide Circulator Using Discrete Ferrites for Injection-Locking Magnetron System. Electronics 2024, 13, 997. [Google Scholar] [CrossRef]
- AbdElraheem, M.; Shams, S.; Elsaadany, M.; Gagnon, G.; Kishk, A. High-Power Circulator: Assembly Design and Challenges. IEEE Trans. Microw. Theory Tech. 2022, 70, 4354–4364. [Google Scholar] [CrossRef]
- Tanaka, S.; Shimomura, N.; Ohtake, K. Active circulators—The realization of circulators using transistors. Proc. IEEE 1965, 53, 260–267. [Google Scholar] [CrossRef]
- Carchon, G.; Nanwelaers, B. Power and noise limitations of active circulators. IEEE Trans. Microw. Theory Tech. 2000, 48, 316–319. [Google Scholar] [CrossRef]
- Mung, S.; Chan, W. The Challenge of Active Circulators: Design and Optimization in Future Wireless Communication. IEEE Microw. Mag. 2019, 20, 55–66. [Google Scholar] [CrossRef]
- Estep, N.; Sounas, D.; Soric, J.; Alù, A. Magnetic-free non-reciprocity and isolation based on parametrically modulated coupled-resonator loops. Nat. Phys. 2014, 10, 923–927. [Google Scholar] [CrossRef]
- Reiskarimian, N.; Zhou, J.; Krishnaswamy, H. A CMOS Passive LPTV Nonmagnetic Circulator and Its Application in a Full-Duplex Receiver. IEEE J. Solid-State Circuits 2017, 52, 1358–1372. [Google Scholar] [CrossRef]
- Yu, Y.; Michetti, G.; Kord, A.; Pirro, M.; Sounas, D.; Xiao, Z.; Cassella, C.; Alu, A.; Rinaldi, M. Highly-Linear Magnet-Free Microelectromechanical Circulators. Microelectromech. Syst. 2019, 28, 933–940. [Google Scholar] [CrossRef]
- Zhang, B.; Wu, C.; Gao, Y. Design and test of a MEMS magnetic-free circulator based on bulk acoustic-wave resonators. In Proceedings of the 2021 IEEE International Conference on Manipulation, Manufacturing and Measurement on the Nanoscale (3M-NANO), Xi’an, China, 2–6 August 2021; pp. 307–310. [Google Scholar] [CrossRef]
- Dinc, T.; Krishnaswamy, H. 17.2 A 28 GHz magnetic-free non-reciprocal passive CMOS circulator based on spatio-temporal conductance modulation. In Proceedings of the 2017 IEEE International Solid-State Circuits Conference (ISSCC), San Francisco, CA, USA, 5–9 February 2017; pp. 294–295. [Google Scholar] [CrossRef]
- Tang, S.; Liu, X.; Jiang, Y.; Guan, J.; Li, P.; Han, J. Design of a Broadband and High-Isolation CMOS Active Quasi-Circulator. Appl. Sci. 2024, 14, 10083. [Google Scholar] [CrossRef]
- Chen, Y.; Li, Y.; Huang, Z.; Li, X. Design of an X-band Active Quasi-Circulator in CMOS Technology. In Proceedings of the 2023 International Conference on Microwave and Millimeter Wave Technology (ICMMT), Qingdao, China, 14–17 May 2023; pp. 1–3. [Google Scholar] [CrossRef]
- Tang, B.; Gui, X.; Xu, J.; Xia, Q.; Yang, H.; Geng, L. A Wideband Active Quasi-Circulator with 34-dB Isolation and Insertion Loss of 2.5 dB. IEEE Microw. Wirel. Compon. Lett. 2020, 30, 693–696. [Google Scholar] [CrossRef]
- Tang, B.; Gui, X.; Xu, J.; Xia, Q.; Geng, L. A Dual Interference-Canceling Active Quasi-Circulator Achieving 36-dB Isolation Over 6-GHz Bandwidth. IEEE Microw. Wirel. Compon. Lett. 2019, 29, 409–411. [Google Scholar] [CrossRef]
- Wu, H.; Wang, C.; Tzuang, C. CMOS Active Quasi-Circulator with Dual Transmission Gains Incorporating Feedforward Technique at K-Band. IEEE Trans. Microw. Theory Tech. 2010, 58, 2084–2091. [Google Scholar] [CrossRef]
- Saavedra, C.; Zheng, Y. Active quasi-circulator realisation with gain elements and slow-wave couplers. IET Microw. Antennas Propag. 2007, 1, 1020–1023. [Google Scholar] [CrossRef]
- Bahri, R.; Abdipour, A.; Moradi, G. Aalysis and Design of New Active Quasi Circulator and Circulators. Prog. Electromagn. Res. 2009, 96, 377–395. [Google Scholar] [CrossRef]
- Chang, J.; Kao, J.; Lin, Y.; Wang, H. Design and Analysis of 24-GHz Active Isolator and Quasi-Circulator. IEEE Trans. Microw. Theory Tech. 2015, 63, 2638–2649. [Google Scholar] [CrossRef]
- Wang, S.; Wu, Y. Wilkinson power divider-based cmos quasi-circulator for single-antenna radar systems. Microw. Opt. Technol. Lett. 2016, 58, 2065–2068. [Google Scholar] [CrossRef]
- Hung, S.; Cheng, K.; Wang, Y. An Ultra Wideband Quasi-Circulator with Distributed Amplifiers Using 90 nm CMOS Technology. IEEE Microw. Wirel. Compon. 2013, 23, 656–658. [Google Scholar] [CrossRef]
- Mung, S.; Chan, W. Self-equalization technique for distributed quasi-circulator. Microw. Opt. Technol. Lett. 2009, 51, 182–184. [Google Scholar] [CrossRef]
- Ghosh, D.; Kumar, G. A Broadband Active Quasi Circulator for UHF and L Band Applications. IEEE Microw. Wirel. Compon. 2016, 26, 601–603. [Google Scholar] [CrossRef]
- Wang, S.; Lee, C.; Wu, Y. Fully Integrated 10-GHz Active Circulator and Quasi-Circulator Using Bridged-T Networks in Standard CMOS. IEEE Trans. Very Large Scale Integr. VLSI Syst. 2016, 24, 3184–3192. [Google Scholar] [CrossRef]
- Zheng, Y.; Saavedra, C. Active Quasi-Circulator MMIC Using OTAs. IEEE Microw. Wirel. Compon. 2009, 19, 218–220. [Google Scholar] [CrossRef]
- Shin, S.; Huang, J.; Lin, K.; Wang, H. A 1.5–9.6 GHz Monolithic Active Quasi-Circulator in 0.18 μm CMOS Technology. IEEE Microw. Wirel. Compon. 2008, 18, 797–799. [Google Scholar] [CrossRef]
- Mung, S.; Chan, W. Novel Active Quasi-Circulator with Phase Compensation Technique. IEEE Microw. Wirel. Compon. Lett. 2008, 18, 800–802. [Google Scholar] [CrossRef]















| Para 1 | L1 | L2 | L3 | L4 | L5 | L6 | L7 | L8 | L9 |
| Value | 1.5 | 4.4 | 0.9 | 3.1 | 0.3 | 2.6 | 10 | 10 | 5.9 |
| Para | L10 | L11 | L12 | L13 | L14 | L15 | L16 | L17 | L18 |
| Value | 6 | 9 | 7.4 | 7 | 9 | 7 | 12.6 | 45.8 | 11.8 |
| Para | L19 | L20 | L21 | L22 | L23 | L24 | L25 | L26 | L27 |
| Value | 7.2 | 15.2 | 7 | 6.7 | 7 | 9 | 16 | 6.2 | 9.4 |
| Para | L28 | L29 | W1 | W2 | W3 | W4 | W5 | W6 | W7 |
| Value | 6.5 | 7.4 | 1.1 | 0.4 | 0.7 | 0.4 | 3 | 1.3 | 0.6 |
| Para | W8 | W9 | W10 | W11 | W12 | W13 | W14 | W15 | W16 |
| Value | 0.5 | 1.1 | 1.7 | 1.7 | 2.2 | 0.5 | 2 | 4 | 2.2 |
| Para | W17 | R1 | R2 | R3 | R4 | R5 | C1~6 | ||
| Value | 0.5 | 100 Ω | 200 Ω | 100 Ω | 1.3 kΩ | 100 Ω | 100 nF | ||
| Ref. | Process | f (GHz) | FBW 1 | RL (dB) 2 | IL (dB) 3 | Iso (dB) 4 | Type |
|---|---|---|---|---|---|---|---|
| This work | PCB | 4.75~6.11 | 25% | >10 | −2.7~−8.7 | >20 | Quasi- |
| [13] | CMOS | 9.75~10.25 | 5% | >10 | 0~2.5 | >35 | Quasi- |
| [24] Work#2 | CMOS | 8.4~11.1 | 27% | >10 | 6.1~8 | >25 | 3-port |
| [25] | CMOS | 1.5~2.7 | 57% | >10 | −1.5~2.4 | >26 | Quasi- |
| [27] | PCB | 0.8~2.2 | 93% | >10 | −1.5~1.5 | >15 | Quasi- |
Disclaimer/Publisher’s Note: The statements, opinions and data contained in all publications are solely those of the individual author(s) and contributor(s) and not of MDPI and/or the editor(s). MDPI and/or the editor(s) disclaim responsibility for any injury to people or property resulting from any ideas, methods, instructions or products referred to in the content. |
© 2025 by the authors. Licensee MDPI, Basel, Switzerland. This article is an open access article distributed under the terms and conditions of the Creative Commons Attribution (CC BY) license (https://creativecommons.org/licenses/by/4.0/).
Share and Cite
Song, K.; Chen, X.; He, Z. Active Quasi-Circulator Based on Wilkinson Power Divider for Low-Power Wireless Communication Systems. J. Low Power Electron. Appl. 2025, 15, 58. https://doi.org/10.3390/jlpea15040058
Song K, Chen X, He Z. Active Quasi-Circulator Based on Wilkinson Power Divider for Low-Power Wireless Communication Systems. Journal of Low Power Electronics and Applications. 2025; 15(4):58. https://doi.org/10.3390/jlpea15040058
Chicago/Turabian StyleSong, Kaijun, Xinsheng Chen, and Zongrui He. 2025. "Active Quasi-Circulator Based on Wilkinson Power Divider for Low-Power Wireless Communication Systems" Journal of Low Power Electronics and Applications 15, no. 4: 58. https://doi.org/10.3390/jlpea15040058
APA StyleSong, K., Chen, X., & He, Z. (2025). Active Quasi-Circulator Based on Wilkinson Power Divider for Low-Power Wireless Communication Systems. Journal of Low Power Electronics and Applications, 15(4), 58. https://doi.org/10.3390/jlpea15040058

