Abstract
Additive manufacturing (AM) is a rapidly developing technical field that is becoming an irreplaceable tool to fabricate unique complex-shaped parts in aerospace, the automotive industry, medicine, and so on. One of the most promising directions for AM application is the design and production of multi-material components with different types of chemical, structural, and architectural gradients that also promote a breakthrough in bio-inspired approaches. At the moment there are a lot of different AM techniques involving various types of materials. This paper represents a review of extrusion-based AM techniques using metal-polymer composites for structural metal parts fabrication. These methods are significantly cheaper than powder bed fusion (PBF) and directed energy deposition (DED) techniques, though have a lower degree of part detail. Thus, they can be used for low-scale production of the parts that are not rentable to produce with PBF and DED. Multi-material structures application in machinery, main aspects of feedstock preparation, the subsequent steps of extrusion-based 3D printing, and the following treatment for manufacturing single-metallic and multi-metallic parts are considered. Main challenges and recommendations are also discussed. Multi-metallic extrusion-based 3D printing is just a nascent trend requiring further wide investigation, though even now it shows pretty interesting results.
1. Introduction
Technologies for additive manufacturing (AM) are now actively developing and are already widely used in the production of various products including products for critical purposes in mechanical engineering, instrument making, energy complex, aerospace industry, medicine, and so on. The main advantages of AM are the ability to produce unique products with complex geometries, which are often impossible or unprofitable to produce using traditional machining methods, and a much higher utilization rate of raw materials. The use of AM technologies also makes it possible to master the manufacturing of new products and structures in a fairly short period of time by reducing the number of technological stages and eliminating the need to develop and use new equipment when changing the design of a part.
A promising area for AM application is the fabrication of multi-material products [1,2], inspired by structures in nature. Over millions of years, living beings have evolved in such a way that the body, as well as its individual parts, must simultaneously perform many functions, and often different parts of the same organ perform their own function and form a single structure without a clear connection boundary between these parts. To give an example of such properties combination, the mouthparts of the Humboldt squid are hard and tough at the outer end, but relatively soft at the other end inside the body. This biostructure not only allows the mouthparts to easily penetrate the body of the prey but also prevents the reaction force from damaging its own internal organs. Bones are composed of dense and tough cortical bone and light and porous cancellous bone, forming a tough and lightweight support system. The common theme of these biostructures is that they combine different properties of several materials, which makes them superior to structures made of only one material due to improved properties and special geometry adapted to specific conditions.
Multi-material gradient structures can have a unique set of characteristics, including mechanical, optical, magnetic, electrical, hydrodynamic, and so on. Traditionally, multi-material structures are produced by connecting individual elements from different materials using detachable and permanent fasteners. The latter is also used for the production of bimetals, which are a solid semi-finished product consisting of two dissimilar metallic materials. Conventional methods for producing bimetals are various types of welding, including explosion welding, laser butt welding, friction stir welding [3,4,5,6], soldering, cladding, co-extrusion of metal blanks [7,8], and some others. In addition to the relatively simple shape of the semi-finished products obtained by these methods, a significant problem is the zone of connection of dissimilar metals, which limits the properties of the structure as a whole.
The development of multi-material AM technologies will make it possible to more effectively solve problems associated with reduced properties of the joint zone due to local impact on the material. It will also allow obtaining products with more than two materials, as well as with a gradient chemical composition in one cycle. At the moment, quite a lot of papers have already been published on multi-material production using AM methods. There are a lot of different combinations of materials, and the most popular ones are polymer multi-material AM [9] since their cost and affordability are more attractive than those of ceramics and metals. Nevertheless, the design potential of AM together with the mechanical performance of metals and alloys can provide a great connection between the designer and a high-performance final part [9].
For multi-material metal products, as well as for mono-material metal products, the most commonly used methods are laser powder bed fusion (LPBF), electron beam melting (EBM), laser direct energy deposition (LDED), and wire arc additive manufacturing (WAAM). LPBF and EBM technologies make it possible to produce products with very complex geometries and a fairly high degree of detail; LDED technology allows fabricating products with a slightly lower degree of detail, but it is more flexible in terms of size and allows printing larger products. The main advantage of WAAM is the highest printing speed among these technologies, but the detail of the product is the lowest. At the same time, all these technologies are quite expensive and have a certain limit on the product profitability, therefore, they are currently used only for the manufacture of the most complex and expensive parts, the production of which is labor-scientific- and resource-intensive when using conventional methods.
The published papers also show that so-called indirect 3D printing methods based on the extrusion of a metal-polymer composition followed by debinding and sintering are promising for producing individual metal products of various shapes, including quite complex ones. Extrusion-based 3D printing technologies involve the use of more affordable equipment, and it is possible to implement multi-material printing by minimally upgrading existing equipment. The use of such technologies can help solve problems that arise when melting metals, such as the occurrence of heat-affected zones and the formation of brittle intermetallic compounds, which reduce the mechanical properties of the finished product.
This review aims to consider modern areas of application of multi-material metal structures in machinery, methods for producing mono- and multi-material metal structures using extrusion-based 3D printing followed by debinding and subsequent sintering, as well as the current technical challenges of these methods and possible ways to meet them by setting new research purposes.
2. Multi-Material Structures in Machinery
Multi-material structures can combine various mechanical, chemical, electrical, thermal, magnetic, and optical properties, they can also simultaneously possess corrosion resistance, wear resistance, impact strength, etc., provided by each of its materials. Multi-material additive manufacturing (MMAM) opens wide perspectives in the production of functionally graded materials (FGM), in which each section has its own chemical composition and performs a specific function [10]. When using MMAM, it is possible to manufacture predetermined local places in the structure from the desired material with high precision which can help to essentially improve the performance of the entire structure by utilizing materials and their properties more effectively. Due to these advantages, MMAM has proven to be an extremely important option for the production of multifunctional products [11].
At the moment, most reviews on MMAM are devoted to polymeric materials. However, the development of multi-material structures of various shapes opens up wide opportunities for using various combinations of materials. They can be used for the production of a huge number of new unique products that are best adapted to specific conditions, similar to natural structures. The use of MMAM for manufacturing cellular metamaterials [10], composites [12], and structural [13] materials for various industries is being actively explored.
The studied multi-metallic structures produced by AM are mostly bimetallic at the moment. The most used combinations and their application are represented in Table 1. There are also some papers on other more exotic combinations, including high entropy alloys (HEA), for example, TiAlZrMoV/Ni, amorphous Zr-based alloy/austenitic steel [14] that can be used for chemical equipment, marine equipment, and pressure vessels production, and HEA/amorphous alloy [15], that can be used in cryogenics and for corrosion- and wear-resistant applications. These bimetals provide unique sets of mechanical and thermal properties and corrosion resistance required in aerospace and power machinery.
Table 1.
Most used bimetallic combinations in MMAM.
Figure 1 and Figure 2 show some bimetallic structures used in industry, mainly in aerospace and automotive industries [26,27,33,34,35,36]. The aerospace industry has widely adopted AM technologies due to their benefits such as the ability to manufacture complex shapes and reduced manufacturing time and costs. NASA rather effectively used AM technologies to fabricate bimetallic nozzle wall structures with internal channels, which provide greater flexibility in design, and overcome challenges such as a selection of materials for high-temperature environments, and ways to manufacture large parts of tight tolerances [10,36]. Bimetallic copper-lined nozzle designs are often used in high heat flow conditions. The use of a copper liner with a radial and axial composition gradient can minimize weight and increase thermal and structural margins [10,36]. To manufacture rocket nozzles, combinations of superalloys based on stainless steel or nickel and copper alloys are most often used. Figure 1c shows a cross-section of a bimetallic gradient closed channel. The continuous connection with repeating joints between the fins and the base material ensures the strength of the whole structure.
Figure 1.
Bimetallic structures for the aerospace industry: (a) Bimetallic Ti-6Al-4V/Ti-48Al-2Cr-2Nb (TC4/TiAl) aircraft turbine blades manufactured by laser additive manufacturing methods (reprinted with permission from ref. [33]. Copyright 2020, Materials Letters, Elsevier); (b) axial liner for the rocket nozzle (reprinted with permission from ref. [36]. Copyright 2020, Acta Astronautica, Elsevier); (c) structure of a bimetallic liner in the cooling wall of a rocket nozzle (reprinted with permission from ref. [36]. Copyright 2020, Acta Astronautica, Elsevier).
Figure 2.
Bimetallic structures for the automotive industry: (a) a model of a bimetallic Al/steel car body (reprinted from ref. [26]); (b) steel/Al bimetallic gear (reprinted from ref. [26]); (c) four-cylinder engine unit and microphotograph of a Fe/Al bimetallic cylinder wall section (reprinted with permission from ref. [27]. Copyright 2019, Journal of Materials Research and Technology, Elsevier).
When manufacturing rocket nozzles, a strategy can also be adopted where the nozzle itself is made of heat-resistant and refractory Nb, and the rocket body is made of low-density Ti-6-4. Joining steel with copper alloys leads to an increase in thermal conductivity [37]. Joining Invar M93 with A36 steel results in a decrease in the expansion coefficient of the entire system [38].
In the automotive industry, the use of Al/steel bimetallic structures makes it possible to combine the low weight provided by Al and the high strength provided by steel parts whose production cost is relatively low [26]. Bimetallic materials can be used in body shells, engine units, and pistons to reduce the overall weight of vehicles. The use of the Fe/Al system in the engine cylinder walls also improves thermal conductivity and corrosion resistance.
Some of the most common and widely used materials are various steels and Ni-based alloys, which have also fairly similar thermal properties and sinterability. It makes them good candidates for extrusion-based multi-material 3D printing. The combination of 316L steel/Inconel 718 can be used in nuclear reactors [39]. Stainless steel 316L is used for high-pressure tubes of nuclear fission reactors in installations of combined cycle power plants. It shows a low corrosion rate. Inconel 718 is used in gas turbines, nuclear reactors, and spacecraft structural components. This alloy shows high strength at elevated temperatures and high resistance to corrosion and oxidation, creep, and fatigue failure. However, when joining it to steel using traditional welding methods, a number of problems arise due to its tendency to hot cracks in the heat-affected zone, which can be solved through the use of AM.
Typical areas of steel bimetals application may include the deposition of a corrosion-resistant surface layer onto a low or high-strength substrate, or the deposition of a wear-resistant material to a ductile substrate, and so on.
The interaction of materials is an essential aspect of MMAM. It plays a special role in understanding mechanisms of the formation of strong bonds and in manufacturing defect-free parts. Such interactions are constantly being studied [6]. Despite the fact that MMAM can provide fabrication of FGMs, bimetals, and other exotic structures, the use of multiple materials requires a deeper understanding of the formation of brittle intermetallic compounds and low-melting eutectics, lack of fusion at material interfaces, segregation of elements, formation of cracks, other defects, and so on, which is especially important to investigate into when using technologies that involve a melting process.
When joining dissimilar materials, problems are frequently associated with differences in these materials’ thermal properties and with the formation of brittle eutectic intermetallic compounds at the interface, which both lead to deterioration in the mechanical characteristics of the entire structure. Bimetallic systems often incorporate additional layers of other materials to mitigate these effects and improve the mechanical properties of the interface. In paper [40], the researchers used Ta/Cu interlayers to improve bonding in bimetallic parts based on Ni-Ti alloys, which are widely used in the aerospace industry due to their excellent specific strength and ductility properties. In paper [33], the researchers used a vanadium interlayer to fabricate bimetallic Ti-6Al-4V/Ti-48Al-2Cr-2Nb turbine blades. This technology resulted in the possibility of manufacturing one-piece blade disks for aircraft engines (Figure 1a).
The use of additional materials can be avoided by providing a gradient chemical composition with a smooth transition from one material to another like in paper [34]. The smooth gradient in FGM allows for a uniform distribution of properties in the transition zone, while both thermally induced and residual stresses are reduced, which is especially important for parts working at a high-temperature gradient.
Increasing demand for complex multi-material designs with gradient and localized properties results in a great interest in interfacial exploration and understanding of process–structure–property relationships to ensure the performance and integrity of manufactured parts. Material combinations and orientation of material interfaces, in addition to processing parameters, have a significant impact on the interfacial strength of multi-material components [10].
3. Applicability of Extrusion-Based 3D Printing of Metallic Parts
As mentioned above, to produce metal parts of complex shapes, AM technologies such as LPBF, LDED, EBM, and WAAM are mainly used. Moreover, LPBF and EBM technologies provide the best degree of product detail and the lowest porosity, making it possible to obtain complex and critical products, including elements of gas turbine engines. However, due to the high cost of these technologies and the relatively low printing speed, they are usually used to produce the most complex and expensive parts. At the same time, there is a need for cheaper techniques for small-scale production of metal parts of various geometries with the flexibility to adapt to a variety of purposes.
Among the alternative methods for producing metal products, is the metal injection molding (MIM) technique. The MIM process begins with the fabrication of appropriate feedstock materials by mixing sinterable metal powders with suitable polymer binders followed by granulating the metal-binder mixture in a special screw extruder (Figure 3) [41,42]. The main types of feedstock materials for MIM are metal-polymer pellets of up to 5 mm in size. The feedstock material is then injected into a mold to fabricate a metal-polymer part, commonly referred to as a green part or a green model (Figure 3). The polymer binders are then removed by dissolution in water, catalytic dissolution, thermal debinding, or some combination of these methods. Then sintering is carried out to obtain dense compact metal products.
In comparison to subtractive processes, MIM technology allows the production of various complex geometries and is profitable for large-scale production [43,44,45]. However, when it is necessary to produce small batches of parts with a variety of designs, MIM technology requires the design and fabrication of new molds, which significantly increases the cost of the product and negates the main advantage of this technology.
The next stage in MIM evolution is the group of extrusion-based 3D printing technologies, which can be combined under the general name “metal material extrusion” (Metal-ME) [46,47]. The MIM and Metal-ME methods share common processing steps that include green part fabrication, debonding, and subsequent sintering [48] (Figure 4).
Figure 3.
Concept scheme for fabricating a green model by MIM technology (reprinted with permission from ref. [49]. Copyright 2020, Powder Technology, Elsevier).
Figure 4.
Principal scheme for producing metal parts by Metal-ME technology.
Under certain conditions, both technologies provide similar results and show common capabilities to produce complex geometries with high relative densities (98.7% for Metal-ME and 99.2% for MIM) and multi-material products. In both cases, CAD 3D models are used for design by using special software. However, in the case of MIM technology, a mold model corresponding to the target part is designed. In the case of Metal-ME, the final product is designed directly. At the same time, Metal-ME technologies allow for more complex alternating of materials in multi-material manufacturing than MIM does.
The authors of paper [43] presented the comparison analysis of the MIM and Metal-ME technologies in terms of their cost-effectiveness using the example of manufacturing a gas turbine blade with the dimensions of 46 × 28 × 18 mm. The manufacture of blades is a fairly complex technical problem. In an attempt to reduce their weight, as well as to optimize their water cooling system, a complicated configuration of hollow channels inside the blades is designed [50]. These features make the blades difficult to manufacture using conventional methods. Metal-ME technology allows the printing of cellular structures and internal channels, which results in the possibility of obtaining the blade with the necessary holes, channels, and other hollow parts, in one technological operation. In addition, the blade mass and metal volume can be reduced by 24% [43].
If the hole diameter is less than 1 mm, then such a structure cannot be obtained using MIM technology. In this case, the turbine blade of the same geometry is manufactured as a monolithic part without a special internal structure and holes, and additional technological operations are required to cut holes, which increases the time-consumption and cost of the entire manufacturing process. When analyzing the cost of the parts manufactured by MIM and Metal-ME, it can be noted that an increase in the quantity of manufactured parts leads to a monotonic decrease in the cost of the product in both cases.
As for Metal-ME, the decrease at low parts quantity is very sharp. With the further increase in the manufactured parts quantity, an almost horizontal dependence is observed. The situation is different for the MIM process, which has a slower cost reduction trend. The parts quantity when the net cost of MIM and Metal-ME is equal is represented in Figure 5a. Below this value which is about 725 units, the net cost of Metal-ME is lower than that of MIM, and the former technology is more profitable at low-scale production.
Figure 5.
Comparison of economic parameters of MIM and Metal-ME technologies depending on produced parts quantity: (a) parts quantities when net cost and dummy time of MIM and Metal-ME become equal; (b) productivity of MIM and Metal-ME when parts quantity is 2000 (adapted from ref. [43]).
The MIM technology implies long-term continuous using a manufacturing machine with a predetermined setup and one mold to produce a high amount of the required parts of the same shape. It helps to constantly reduce the net cost of a fabricated part in high quantities, which is generally typical for economic calculations in MIM technology. Thus, as the parts quantity increases, productivity continues to increase and overall dummy time decreases. Figure 5a also shows the parts quantity which is about 65 units when the dummy time becomes equal for MIM and Metal-ME. At lower parts quantity dummy time in Metal-ME technology is lower than that in MIM. In Metal-ME technology, equipment adjustment is required after each print of one to several products that can be placed on the same platform. It leads to stabilization of productivity level and total dummy time after a certain value of the parts quantity, which is generally worse than those of MIM technology. Thus, from the point of view of economic parameters, Metal-ME technology is the most effective way to produce small quantities of complex-shaped products. However, the productivity of Metal-ME is still lower than that of MIM. Figure 5b shows that even at 2000 units, MIM productivity is about 100 times higher.
However, as was shown above, after manufacturing a blade using MIM technology, additional technological operations are sometimes required. For example, cutting out small holes is needed, and micro-electrical discharge machining technology is often used for this purpose. At the same time, when using this additional technique, the cost of MIM technology and dummy time significantly increase compared to the Metal-ME technology, even at high parts quantity (Figure 6).
Figure 6.
Comparison of economic parameters for manufacturing turbine blades using MIM technology followed by micro-EDM technology, and Metal-ME technology: (a) minimum net cost at 2000 units; (b) minimum dummy time at 2000 units (adapted from ref. [43]).
The benefits of using Metal-ME technologies are attracting great interest from researchers and developers. The number of publications on extrusion 3D printing of metal products is actively growing (Figure 7).
Figure 7.
Number of publications on Metal-ME since 1998.
Figure 7 was plotted using the Google Scholar database and such keywords as “indirect metal production”, “structural materials”, “metal material extrusion”, “metal modeling”, “metal fused filament fabrication”, “sintering”, and “composite filament” without taking into account ceramics production by material extrusion methods. It can be seen that from 1998 to 2014 there were very few publications on this topic. However, since 2014, the number of articles has increased significantly. Similar results were found in review [42]. Moreover, today the published papers are mostly devoted to the possibility of manufacturing metal products with high relative density and practically do not contain studies on physical, mechanical, and operational properties [51,52]. Table 2 summarizes the comparative analysis of different AM technologies.
Table 2.
Comparative analysis of direct and indirect AM technologies for metal parts fabrication.
It can be seen that extrusion-based 3D printing technologies are inferior to direct AM methods such as LPBF and EBM in the complexity of manufactured structures and the detail degree; however, due to more accessible equipment and cheaper depreciation in Metal-ME techniques, they are more attractive in terms of net cost of the structures. The data presented confirm the possibility of extrusion-based 3D printing to fill its niche in the market of AM technologies for metal product fabrication and the associated growing interest of researchers in this field.
4. Main Types of Extrusion-Based 3D Printing of Metal Parts
Metal-ME technologies do not imply using an injection molding process to form the green part. The technologies include deposition layer by layer according to a designed CAD 3D model using different types of feedstocks such as pellets, briquettes, filaments, pastes, suspensions, inks, and slurries depending on the type of printer used. Similar technologies are also used to produce ceramic products, but a generally accepted terminology has not been formed yet. These indirect production methods for metal and ceramic products using 3D printing techniques have names that are mainly brand names or titles of published articles. In the scientific and technical literature and on the manufacturers’ websites the following terms can be found: Metal/Ceramic Material Extrusion (Metal/Ceramic MEX), Material Extrusion Additive Manufacturing of Highly- filled Polymer (MEAM-HP) [48], Bound Powder Extrusion (BPE) [53], Extrusion-based Metal/Ceramic Additive Manufacturing [47], 3D extrusion printing–debinding–sintering [54] or extrusion 3D printing using MIM feedstock [55,56], Metal/Ceramic Fused Filament Fabrication (Metal/Ceramic FFF), Fused Deposition of Metals/Ceramics [47], ceramic extrusion modeling (CEM) [57], pallet additive manufacturing (PAM) [58], bound metal deposition (BMD) [59], atomic diffusion additive manufacturing (ADAM) [60], and some more.
Depending on the feedstock materials and the supply system used, several main types of extrusion-based 3D printing can be distinguished, which can also be combined. For example, filament 3D printing technologies will be referred to as “fused deposition modeling” (FDM), although the terms “free form fabrication” or “fused filament fabrication” (FFF) are often found in the literature as well.
When feeding briquettes, bars, or pellets, an external force is required, which is implemented mainly in two ways, by plunger pressure or by screw rotation. These types of extrusion are, respectively, called plunger-based extrusion and screw-based extrusion. There is also a recently appeared technology of direct ink writing (DIW), which uses low-viscosity inks and suspensions or high-viscosity metal-polymer pastes and slurries. The method of feeding can be either a plunger-based or a screw-based one. Figure 8 shows their concept schemes.
Figure 8.
Main types of extrusion-based 3D printing of metal products: (a) FDM-based; (b) plunger-based; (c) screw-based (reprinted from ref. [42]).
Well-known commercially available Metal-ME systems are offered by AIM3D GmbH (Rostock, Germany) [57], Markforged (Watertown, MA, USA) [60], Pollen AM, Ltd. (Ivry-sur-Seine, France) [58], and some others. Recently, Direct3D (Milan, Italy) [61] introduced a pellet extrusion system that provides both a screw-based printer and a separate screw-based printhead that can be installed onto a compatible 3D printer. Desktop Metal Inc. (Burlington, MA, USA) [59] proposes a plunger-based system using a feedstock in the form of a round rod, in which the feedstock will be fed as a cartridge into a heated arm. One of the main advantages of this system is that it is easier to work with the feedstock material in comparison to filament. In addition, the solid load of such a rod can be higher than that of a filament and comparable to MIM feedstock.
4.1. Extrusion-Based 3D-Printing Techniques for Metal Products Fabrication
In filament-, briquette- and pellet-based 3D-printing techniques thermoplastics are usually used as a binder. These binders are in a solid state at room temperature. To make them manufacturable, it is necessary to heat them above the glass transition temperature, which depends on the type of the plastic.
FDM-type techniques were initially developed for manufacturing polymer products [60,62]. However, in 1998, a patent [63] was first published showing the possibility of using this kind of AM technology to produce parts from a metal-polymer composite filament. At the moment, filament-based technologies are the most popular for the indirect production of metal products. Approximately 80% of all papers on extrusion-based 3D printing of metal products are devoted to them, and only about 20% are devoted to plunger-based and screw-based technologies using granules and pellets [47]. Plenty of reviews are also devoted to the former [42,64]. Figure 9 shows a diagram of currently commercially available composite filaments that can be found on official producers’ websites.
Figure 9.
Statistics on the prevalence of composite filaments on sale and in research: (a) commercially available composite filaments; (b) composite filaments studied in the published papers (adapted from ref. [47]).
The most popular filaments on the market are filaments filled with 316L and 17-4 PH stainless steels (Figure 10). Almost any manufacturer can offer them. The next most popular powder fillers are tool steels (for example, H13), Cu, bronze, and Ti-based alloys (for example, Ti-6Al-4V). The main manufacturers of such filaments are BASF SE (Ludwigshafen, Germany), Virtual Foundry (Stoughton, WI, USA), Anycubic (Shenzhen, Guangdong, China), and Markforged Inc. (Waltham, MA, USA). Other types of composite filaments, in particular those filled with Al-based alloys, are much less common.
Figure 10.
Cross section of commercial composite filaments: (a) Ultrafuse 316L BASF filament based on polyoxymethylene (POM) and 316L steel powder (reprinted from ref. [48]); (b) Virtual Foundry filament based on polylactic acid (PLA) polymer and 316L steel powder (reprinted form ref. [65]); (c) filament based on a polymer multicomponent binder and 17-4 PH steel powder (reprinted from ref. [42]).
Researchers often use commercially available filaments, while some filaments are practically not covered in the papers. In published scientific papers, the most widespread filaments are filled with structural alloys, such as stainless steels 17-4 PH [54,66,67,68,69] and 316L [66,67,68,69,70,71,72,73,74,75,76,77,78,79,80], Ti-based alloys [81,82,83], and Cu [55,56,84,85,86]. The production of functional materials such as hard magnetic Nd-Fe-B alloys and soft magnetic carbonyl iron, ferrites, and so on, using Metal-ME technologies is also of scientific and practical interest [87,88]. In some cases, it is possible to eliminate the stages of debinding and sintering and to obtain the finished product directly after the 3D printing stage when using magnetic materials. This is a great advantage of the Metal-ME method for producing such materials.
In addition to using commercial filaments, many researchers are also developing and producing their own compositions. The properties of the filament essentially contribute to the properties of both the printed and the final sintered product [42]. One of the main aspects is the choice of binder. The filament must have high bending strength and stiffness so that it can be easily wound and handled. It should be easily wound onto the bobbin installed in the FDM printer and fed into the heating zone. It should also not tangle or tear. A high strength of the joint between the metal powder and the binder can help to ensure a good connection between extruded tracks. Moreover, when the metal powder is added to the filament, the latter becomes more brittle, which leads to a limitation on the maximum content of the metal powder filler [89]. Adding metal powder also increases the surface roughness, which makes it difficult for filament to feed into the printer chamber and can lead to filament tangling and breaking. Some manufacturers produce metal-polymer composite filaments with a special protective coating to solve this problem (Figure 10a) and also to improve flexibility. The filament should not have porosity, its shape should be stable, and the distribution of the metal powder filler should be uniform, while its content should be as high as possible to minimize shrinkage and porosity [90]. In addition, to reduce the brittleness of the filament, special in situ heating chambers are sometimes used directly before it is fed. The main matrix materials used are polyamides (PA), acrylonitrile butadiene styrene (ABS), thermopolyurethane (TPU), thermoplastic elastomers (TPE), polylactic acid (PLA), polyetheretherketones (PEEK), polyoxymethylylene (POM), and polyethylene terephthalate (PET) [42,87]. There are also a lot of unrevealed additives.
The materials for pellets-based Metal-ME are mostly similar to that for MIM technology. As for plunger- and screw-based Metal-ME, it can use the same commercially available pellets for MIM. Moreover, the range of the presented materials is wider than among the filaments. According to review [42], in addition to the already mentioned structural alloys such as stainless steels and titanium alloys, granules and pellets are also made using high-speed steels such as M2, magnesium alloys such as AZ91, nickel alloys such as Ni-Cu and Inconel 625, and so on. The most optimal size of the pellets for printing is considered to be 3–5 mm [56,91]. Too large pellets prevent their uniform distribution and heating in the print head. Too small pellets may clog the dispenser. However, defective green models can be reused. One of the main challenges in using a screw-based system is the difficulty of controlling the material flow and maintaining its stability due to air capture by the softened material. The strength and stability of the printer’s units itself is also very important since the speed of material flow is quite high.
The manufacture of elements from structural alloys is mainly aimed at achieving an acceptable level of mechanical properties. At the moment, the mechanical properties of products produced by indirect AM techniques are still inferior to traditional counterparts, especially when it refers to mechanical strength. In cases where high strength is achieved, ductility is often extremely low. Table 3 shows a comparison of the mechanical properties of some materials according to review [47].
Table 3.
Comparison of the mechanical properties of metal products produced by Metal-ME, according to review (adapted from ref. [47]), to the properties of traditional products from these alloys.
This discrepancy is closely related to the huge number of process parameters involved in material extrusion, debinding, and sintering. At the printing stage, process parameters such as nozzle diameter, printing speed, temperature, as well as printing direction, fill orientation, and the number of wall layers are selected. They all can affect the mechanical properties and performance of the final product. Printing strategies and extruded track orientation may also lead to anisotropy in mechanical properties [47]. The lowest mechanical properties are observed when the filament sections are directed perpendicular to the tensile stress (Figure 11) due to the greater porosity at the boundaries of the tracks than inside them and due to the weaker connection between them than inside them.
Figure 11.
Various print orientations indicating the directions of tensile stress during testing (green arrow).
There is also a fairly large scatter of the characteristic values. Since the process of producing metal parts by indirect methods includes several stages from the production of initial powders to sintering, at each of these stages new structural features may appear, leading to changes in the properties. Pores are partially removed by the following sintering due to diffusion processes and neck formation between powder particles. However, it is rather difficult to avoid the porosity completely. In addition to the pores, there can be formed oxides, carbides, and other types of inclusions in the structure of the samples due to the interaction of the base metal with the binder and the atmosphere used during the thermal debinding and the subsequent sintering at high temperatures.
Therefore, to obtain competitive properties, it is necessary to carefully study all stages of metal product fabrication using extrusion-based 3D printing.
4.2. Metal-Polymer Compositions for 3D-Printing and Paste Manufacturing
Despite the availability of FDM printers and the development of filament-based printing technology, this technology has several disadvantages associated with composite filaments such as follows:
- -
- High requirements for the mechanical characteristics of the composite filament;
- -
- A spherical metal powder can only be used;
- -
- Relatively low content of metal powder in filaments;
- -
- The need for additional extrusion equipment to fabricate filaments.
In order to develop new materials and structures, including multi-metallic ones, plunger-based and screw-based extrusion-type 3D printing using pellets and pastes is promising. It makes it possible to quickly select components and their ratios for testing printing modes, to print relatively complex structures without pre-fabricated filament, and to more efficiently utilize feedstock materials.
To produce metal-polymer composites for extrusion-based 3D printing, spherical powders are usually used (Table 4). This shape of particles improves the fluidity of the powders that makes them more manufacturable and allows to embed higher amount of the powder filler into metal-polymer composites for printing, as well as to minimize the porosity of the sintered parts. However, the production of spherical metal powders requires additional technological operations, such as gas atomization or plasma spheroidization, which are often quite expensive. Irregular-shaped powders are less expensive to produce, though there is relatively little data on the use of such powders for Metal-ME techniques. Nevertheless, irregular-shaped powders are often used in MIM technology, which indicates the possibility to utilize them for pellets and pastes preparation for AM.
Table 4.
Compositions of metal-polymer composites for extrusion-based 3D-printing and modes of post-processing.
In general, pellets are similar in composition to filaments and consist of a thermoplastic matrix and a metal powder filler. At room temperature they are solid, and to achieve a printable liquid-viscous state it is necessary to heat the thermoplastic to glass transition temperature, which depends on the type of polymer used, which is usually above 100 °C. To avoid additional heating, it is promising to use special metal-polymer pastes. They are already in a liquid-viscous state at room temperature. This method has already proven itself well in the manufacture of building concrete structures. In published papers on metallic materials, this technology is most often referred to as DIW. This term will be used throughout the text.
As can be seen from Table 4, there are a number of different compositions of binders used for paste preparation. It is associated with the fact that most formulations were found experimentally and showed good results in printing. However, researchers are also searching for more universal methods to manufacture printable metal-polymer pastes based on preliminary simulations of their properties.
The main properties that determine the manufacturability of the paste are rheological characteristics which are viscosity, dynamic modulus of elasticity G′, loss modulus G″, and yield strength τy that can be measured by using viscometers or rheometers [109]. These characteristics are directly related to the selected printing parameters since they are very sensitive to the force and speed of impact on viscous-liquid substances.
When printing, the force or pressure applied in a 3D printer syringe causes the viscosity of the paste to decrease, allowing the paste to be squeezed out through the nozzle. However, to obtain a solid green model, the track is to harden immediately after its deposition so that subsequent layers can be applied. There are three main hardening mechanisms in DIW that are solvent evaporation, photocuring, and thermal curing. In the solvent evaporation mechanism, the solvent quickly evaporates from the paste after its deposition [110]. To apply photocuring, photosensitive resins are added to the paste. The curing process occurs when the extruded paste is exposed to a laser [111] or ultraviolet (UV) light [103]. During thermal curing, heat is applied to the extruded material, which triggers the cross-linking reaction of an epoxy resin added to the paste [109]. The epoxy resin can be modified in such a way that curing is slow enough when printed at the appropriate temperature to keep the rheological properties of the paste almost the same throughout the printing process. The printed part is subsequently thermally cured. At this stage, the binder supports the shape and structure of the green model.
In the process of the paste extrusion, a shear stress γ must be applied, which must be greater than τy of the paste. In this case, the paste begins to deform and flow. The flow behavior of a viscous-liquid paste can be determined by shear viscosity. The relationship between shear rate, shear stress, and paste viscosity can be described by the Herschel–Bulkley model, according to Equation (1) [109]:
where η is the apparent viscosity, γ′ is the shear rate, K is the viscosity parameter, and n is the power exponent of the exponential dependence.
γ = ηγ′ = τy +Kγ′n,
In many papers, low-viscosity suspensions are used for DIW. When the shear rate increases, the viscosity of the suspension should decrease, allowing the suspension to be extruded from the nozzle without rupture under external pressure [112,113]. However, such suspensions must be quickly cured by gelation or photo polymerization after deposition onto a substrate to make the deposited track retain its shape. In paper [114], a low-viscosity paste based on thermoplastic polyurethane (TPU) was used, which behaved like a Newtonian fluid. It was cured at the temperature of 80 °C for 2 h after printing.
The dynamic elastic modulus G′ must be high to ensure the maintenance of the structure and shape of the printed green models [115]. The G″/G′ ratio can also quantitatively describe the viscous-elastic properties of the paste. The gelation point, also known as the yield point, is when G″/G′ = 1 [116]. A ratio of G″/G′ < 1 indicates that the paste exhibits predominantly solid-elastic behavior, while G″/G′ > 1 indicates that the paste exhibits predominantly viscous liquid-like behavior. The ratio G″/G′ is also expressed as tg(δ), where δ is the phase angle and can be used to determine the solid or liquid behavior of a material. For solid materials, δ < 45°. For liquid materials, δ > 45°.
The yield strength of some pastes is determined via the static yield stress that is the minimum stress required to cause the paste flow, and the dynamic yield stress that is the minimum stress required to allow the paste to continue to flow. When the paste is extruded through the nozzle, the maximum shear rate is reached, which can be calculated using Equation (2) [109]:
where Q′ = Sr2 is flow speed in volumetric units, S is the printing speed, and r is the nozzle radius.
These yield strength and shear rate values are very important for determining the printing parameters of DIW, such as the minimum stress to initiate paste flow, the minimum stress to maintain flow and continuous printing, and the maximum stress that will not cause deformation of the extruded tracks [116].
When the shear stress exceeds the yield strength of the paste, its dynamic elastic modulus drops sharply, which means that the paste begins to flow during extrusion [117]. Pastes with a dynamic yield strength above 43 Pa and a static elastic modulus above 700 Pa are suitable for DIW and can be considered printable since under these conditions a stable shape and structure during printing is ensured [118].
In paper [116], the printability of the paste was quantified using the dynamic yield strength τyDyn, the weight of the printed part, and the surface tension γs. When the paste was extruded onto the platform, the forces acting on the resulting green model were mainly gravitational force (weight) and capillary force, as shown in Figure 12.
Figure 12.
Forces acting on an extruded track (reprinted with permission from ref. [109]. Copyright 2023, Journal of Manufacturing Processes, Elsevier).
The stress caused by gravitational force is calculated by the following relation:
where ρ is the paste density, g is the gravitational acceleration, and h is the height of the printed part. Surface tension tends to form interfaces, such as corners, to reduce the surface energy and to cause a droplet shape. Dynamic yield strength tends to resist gravitational and capillary forces to maintain the shape and structure of the printed part. In paper [116], there was also introduced two dimensionless parameters, Ξ and Ξγ, which could help to evaluate the relative effect of both forces. They can be calculated by using the following equations:
where R is the nozzle diameter and γs is the surface tension of the extruded track. The surface tension and the yield strength of a liquid can be measured, but the value of the surface tension is significantly affected by the rheological properties of the liquid and the method for its determination [119].
σg = ρgh,
In paper [116], the rheological properties of liquid-viscous suspensions were tested, and the ratio A/Ath was used as an indicator of deformation. A is an actual profile area of the printed green model that can be assessed by a high-speed camera or by micrographs of extruded tracks, Ath is the theoretical profile area of the green model that is designed in special CAD software for 3D modeling. The study examined the change in the A/Ath ratio depending on the parameters Ξ and Ξγ. It was concluded that parameter Ξ is the best criterion for printability. Figure 13 shows a graphical illustration of the quantitative evaluation of the printability of pastes.
Figure 13.
Determination of paste printability (reprinted with permission from ref. [109]. Copyright 2023, Journal of Manufacturing Processes, Elsevier).
The y value is user-defined. The actual values below y indicate that the printed part is deformed and the paste becomes unprintable. The x value indicates the minimum criteria for the paste to be printable. When the Ξ parameter reaches the x value and the A/Ath ratio reaches the y value, the paste is considered to be printable [116]. The blue line separates the areas of severe part deformation and acceptable print quality. As the dynamic yield strength of the paste increases, Ξ increases as well. This indicates that higher stress is required to deform the paste.
In paper [120], another criterion for printability determination was proposed. It is based on a comparison of the dynamic elasticity modulus G′ and the yield strength τy by using the equation:
where K is a constant.
In paper [120], a printable paste showed K values from 6 × 106 to 1 × 107, which is similar to its values in papers [121,122].
Since high yield strength is preferred for the paste to retain its shape after extrusion, a common problem is nozzle clogging during printing. To solve this problem, finer powders can be used. In addition, grinding the powder particles also helps to reduce the porosity of the sintered part. The yield strength of the paste will also influence the selection of the appropriate nozzle size. Paper [123] shows that less uniform extrusion was associated with arching within the nozzle when a smaller nozzle was used. However, larger nozzles cause higher stress acting on a paste during extrusion due to more paste being extruded per time unit. If a large quantity of the paste is extruded, it is to have sufficient yield strength to overcome gravitational and capillary forces [116,123].
The main function of the binder in the paste is to maintain the shape and structure of the green model before debinding and sintering [109]. There should be also absent negative effects on metallic powder filler structure and properties. Therefore, a suitable binder candidate should be inert to the metal, have low or no residual carbon content after thermal debinding, have a long enough life span, be environmentally friendly, and so on [109]. Various polymers, solvents, and additives are often used as components of the binders (Table 4) [124]. They can be divided into three main groups as follows:
- (1)
- Solvent. Its content is the highest in the binder and usually ranges from 50 to 90 vol.%. The most commonly used solvent is water, but various organic compounds can also be used, such as DCM [105,106], THF, 2-butoxyethanol [108], and others. It usually evaporates after printing.
- (2)
- Binder itself. This component is the main one in the system. It ensures the strength of the green model and maintains its shape and structure by bonding powder particles together. Its content is usually up to 50 vol.%. The binder is usually removed by solvent, catalytic, or thermal debinding before the sintering step. To bond powder particles, various polymers are usually used, such as PEG, PLA, CMC, PVA, and others (Table 4).
- (3)
- Additives. The following substances can be added to the binder system:
- -
- Dispersing agents and stabilizers, such as OA [103], SA, sodium hexametaphosphate, and magnesium oxide can improve compatibility, facilitate the mixing of the powder filler with the binder, and promote the formation of a homogeneous mixture, preventing particle agglomeration and paste separation and reduce the paste viscosity;
- -
- Coagulating agents, such as polyethylenimine, methyl cellulose increase the dynamic elastic modulus, but they also increase the paste viscosity;
- -
- Plasticizers such as glycerol, dibutylbenzene-1,2-dicarboxylate of SA [100] weaken the interaction between particles and reduce the paste viscosity. Low molecular polymers, such as paraffin, wax, or polyethylene glycol, can also be used as plasticizers. In this case, their content in the binder is 50–90 vol.%, it provides strength, wettability, and fluidity of the initial composition.
- -
- Surfactants, such as 2-butoxyethanol, reduce the surface tension between the powder filler and the binder and reduce the paste viscosity.
- -
- Photoinitiators, such as TPO [103], aid photocuring of the paste during the printing process.
To improve the flexibility of the initial paste, elastomers [125] or amorphous polyolefins [109] can be added. Tackifiers, waxes, and plasticizers can also be added. For example, tackifiers such as hydrocarbon resin can improve adhesion between deposited layers. In this way, it is also possible to reduce the paste viscosity by adding waxes or plasticizers, such as partially crystalline polyolefin wax or low molecular polyolefin, respectively. Additives are usually added to the binder system in amounts up to 10 vol.%. Table 4 shows some published formulations.
When selecting a metal-polymer composition, it is necessary to take into account the requirements for a temperature that should be rather low but sufficient to soften the binder; the binder should harden quickly enough in the printing process, it should have good adhesion to the metal powder, and not chemically react with it, be easily removed from the green model, and be safe for human beings and the environment [42].
The development of a printable paste possessing a set of required technological and functional properties is one of the most important and complex problems in DIW. There are many approaches to finding optimal compositions for specific types of metal powder fillers. For example, drying or curing the paste immediately after deposition can help to maintain the shape of the extruded track and the structure of the part. In addition to the appropriate paste rheology, it is generally preferred that the paste contains as low organic substances as possible to minimize problems with thermal debinding. The powder filler content should also be as high as possible to minimize dimensional change after debinding and sintering.
As shown above, a printable paste should possess a set of different rheological properties such as viscosity, dynamic modulus of elasticity, loss modulus, and yield strength that have their own optimum values since there are plenty of competitive processes. High viscosity and yield strength help to keep the shape of extruded paste but result in a higher probability of nozzle clog and higher power of a feed system driver. The important point is that all these properties are not constant but dynamic and depend on the speed and time of external mechanical action on the paste. Adding various components into the paste leads to different types of rheological behavior including Newtonian and non-Newtonian variants. In this section some criteria of paste printability were discussed, mainly determined by the ability of the extruded track to maximally match the theoretical shape and size and keep its shape after deposition. It was also shown that printability is closely related to printing parameters due to dynamic rheological behavior. It is very important not only to develop a paste for printing but to adjust printing parameters for the fabricated paste which will be discussed in the following sections.
4.3. Selection of Printing Parameters for DIW-Based Technologies
For different AM techniques, there are a number of technological parameters that can influence a lot of mechanical, functional, and operational characteristics of final products. Paper [126] presents wide data on how various parameters of different methods can influence key characteristics and how these effects can be predicted by numerical, analytical, and empirical approaches. For the FDM technique, the most important performance indicators are surface roughness, mechanical properties, dimensional accuracy, bonding quality, and build time that can be adjusted by surface angle, layer thickness, cross-sectional shape of the filament, overlap interval, air gap, building direction, number of contours, heating/cooling rates, acceleration of scan head, and so on. When dealing with a visco-elastic feedstock in Material Jetting or DIW technology, dynamic rheological and technological properties such as drop or extruded track formation and their shape, ejection, spread and flow of the pastes in micro-channels, pressure propagation in the bubble, and so on are to be taken into account in addition to standard printing parameters.
The main printing parameters that influence the state of the paste in DIW-based techniques are printing speed, extrusion coefficient, layer thickness, and extrusion width. Table 5 shows some published data on the applied parameters for extrusion-based 3D printing using metal-polymer pastes. There are no universal printing parameters suitable for every situation, so it is very important to find appropriate parameters for a certain paste, since the paste is a multifactorial system, its rheological properties vary significantly and depend on the characteristics of all its components, including their composition, density, morphology, ratio, and so on [127]. It should be noted that all rheological parameters are dynamic and there is a strong interaction between them and different technological parameters which can overlap in many cases.
Table 5.
Printing parameters for extrusion-based 3D-printing using metal-polymer pastes.
4.3.1. Printing Speed
Printing speed is closely associated with an extruded track quality since too high a printing speed can help to achieve less build time, leading to an under extrusion with thinner track formation, and even to the track rupture. Otherwise, too low-speed extrusion can result in an over extrusion with wider track formation and deterioration of dimensional and shape accuracy. A common printing speed for DIW is 20 mm/s, since faster printing leads to greater shear stress and deformation of the extruded paste [109]. In paper [128], the diameter of the extruded track increased from 1.2 mm (target value) to 1.46 mm while the printing speed was reduced from 18.5 mm/s to 12.5 mm/s. If the yield strength is below 100 Pa, then the printing speed should be less than 10 mm/s.
Printing speed is also correlated with the feed rate of the feedstock material. In paper [127], it has been found that if the feed rate is too low, the flow of material can be disrupted, resulting in uneven track tip shapes and jagged track surfaces. However, a low feed rate does not affect the shape of the tracks. On the other hand, when the feed rate is too high, the printing process becomes unstable, and the separation point is no longer at the tip of the track, but somewhere inside it. To analyze the influence of the printing parameters on paste extrusion, some researchers apply computer fluid dynamics simulations based on paste rheological parameters and Herschel–Bulkley models [109]. This approach makes it possible to predict the paste extrusion process, the shape, and the size of the extruded track [129]. In paper [128], various printing pressures were simulated to estimate the paste flow rate through the nozzle. Here, high pressure resulted in high paste flow rates. In the experiments, when the print speed was three times higher than the paste flow rate and the extrusion width was half the nozzle diameter, the extruded track had a width of approximately four times the nozzle diameter. However, when the layer height was set close to the nozzle diameter in size, the width of the extruded track was approximately equal to the nozzle diameter. When the print speed was set higher than the paste flow rate, the extruded track was stretched by the nozzle, causing uneven necking. When the printing speed value was close to the paste flow rate value, a uniform track with a width close to the nozzle diameter in size was extruded.
In paper [102], a correlation between printing parameters and the as-printed density and surface roughness was also studied. It was shown that the printing speed v did not have a significant effect on the density, since regardless of the speed, approximately the same mass of material is extruded [102]. However, it affected the surface roughness. At lower speeds, the material distribution was more uniform and, accordingly, the roughness was lower.
4.3.2. Extrusion Coefficient
Extrusion coefficient mE is used for track width adjustment by multiplying mE by nozzle diameter. When mE = 1, it means that the track width should be equal to the nozzle diameter and there is no under extrusion or over extrusion. However, in practice, the result can differ from the technological parameters set, which will be shown below. According to the model proposed in paper [102], it was also indicated that the extrusion coefficient has the greatest effect on printing density and surface roughness. When it increases from 0.9 to 1.3, the number of pores between adjacent tracks decreases, since a higher mE value leads to the deposition of a larger mass of material while almost completely maintaining the volume of the printed part. However, there is a certain optimum for this parameter of 1.0, after which the density may begin to decrease and surface roughness may increase again due to an increase in the volume of the printed part when the extrusion ratio is too high [130].
4.3.3. Extruded Track Width and Layer Thickness
The track width and nozzle size should be less than 2 mm to minimize the gravitational effect, which also leads to paste deformation. In order to prevent the nozzle from clogging, its size should be 10–15 times larger than the size of the largest metallic particles in the paste. When the yield strength is below 100 Pa, a nozzle size of no more than 0.5 mm is usually chosen to ensure that the extruded paste retains its shape. In this case, the layer thickness can be set slightly larger than the nozzle diameter; however, this is recommended if the dynamic elastic modulus is higher than 104 Pa.
It was found that as the nozzle size increased, the extruded track became thicker but did not distort when the printing speed was lower than the paste flow rate due to stronger deformation resistance. Moreover, the track shape changed from round to elliptical when the layer height was reduced from 1.2 mm to 0.9 mm [128]. However, it was found that at low print speed and layer height, the difference between the measured extruded track size and the calculated size was large enough that it complicated the accurate prediction of the track size at high speeds.
In paper [102], experimental testing of DIW printing modes for a metal-polymer paste based on 316L steel powder was carried out. When studying the actual thickness tE and width wE of the extruded track at a given extrusion coefficient mE = 1.2 and a given tE = 0.5–0.45 mm, it was expected that the track width, determined through the product mE × wE, would be equal to ~0.60 mm. Figure 14 shows that track widths were not consistent across layers at 0.05 mm layer thickness. On the top, the tracks were narrower than the tracks at the previous layers, indicating that the bottom layers were excessively compressed when subsequent layers were deposited. This compression effect and the corresponding change in track width are typical for multilayer DIW printing [131,132,133].
Figure 14.
The influence of a preset thickness and width during printing on the morphology of tracks (reprinted with permission from ref. [102]. Copyright 2023, Journal of Manufacturing Processes, Elsevier).
Layer thickness is the second factor after the extrusion coefficient that influences the printed density and the surface roughness [102]. When this parameter increases, the connection between the previous and successive layers weakens, leading to the formation of a higher number of voids and, accordingly, to a lower density of the samples. However, a pronounced inversely proportional dependence was observed at a sufficiently large specified layer thickness higher than 0.25 mm. At this thickness, a maximum density was observed, but as the thickness decreased, the density also began to decrease.
Track width less contributes to the printed density and the surface roughness than layer thickness and extrusion coefficient [102], though its affect is in a similar way to the extrusion coefficient. The larger the extrusion width is, the fewer voids are formed and the higher the density is. However, if the track width is too high, excess material will be formed and the density will decrease. At the same time, it had nearly no effect on the track roughness. When wE is less than the nozzle diameter, deviations in the track position occur, resulting in the formation of areas of over-extrusion and areas of incomplete filling.
4.3.4. Track Stability Estimation
The stability of the paste extrusion process is extremely important for the fabrication of good-quality printed parts. To provide stable printing, there should be no breaks in the extruded track, unless this is preset by the CAD 3D model when forming, for example, cellular structures. Therefore, it is necessary to determine the factors causing extrusion instability in order to reliably control the deposition of the paste of a given height and width, for which the slot extrusion analysis method can be implemented [134]. In paper [109], lubrication theory for a two-dimensional system and a viscocapillary model were used to analyze track stability. The researchers took into account the distance of the nozzle from the platform h, the distance between the exit angle of the nozzle and the nozzle channel ld, paste viscosity μ, channel diameter nozzle c, platform speed vs, and flow speed vf (Figure 15). It was concluded that when lsl = 0, the extruded tracks tend to be broken and form individual droplets, and this can be considered as the boundary of rupture formation, similar to air entrainment in slot extrusion.
Figure 15.
Viscocapillary model of paste extrusion (reprinted with permission from ref. [109]. Copyright 2023, Journal of Manufacturing Processes, Elsevier).
When lSL is equal to lu that is the distance between the channel and the front of the track, the liquid flows out of the nozzle and this is the paste flow boundary. When the rupture is observed, the extruded tracks reach a maximum contact angle θSL, while at the flow start, θSL has an asymptote that is a function θSL(lSL) [109]. The following criteria for print stability have also been proposed [109]:
These equations can be used to determine the flow speed υf and to predict these two boundaries by using the platform speed υs.
Platform speed and contact line position can reduce the contact angle. The regions of excessive and balanced paste flow are separated by the line θSL–lSL. The position of the contact line undergoes significant changes, and the contact angle has slight changes in the area where the flow is too strong. The opposite is true for the balanced region. Increased flow speed at a certain contact angle causes the contact line to move downstream [134].
Although the two-dimensional viscocapillary model can help to select appropriate parameters, it should not be used to predict the position of the contact line since it implies two dimensions only, and the paste is assumed to be fixed at the nozzle tip [134]. In this case, an excessively extruded paste can only be pushed toward the front of the nozzle, whereas the paste can move outward in all directions of the nozzle in real 3D space. This indicates that the paste is more likely to surround the nozzle rather than accumulate at the front of the nozzle [134].
When a viscoelastic paste is extruded from a nozzle, the diameter of the extruded track is usually larger than the nozzle diameter due to matrix swelling [109,135]. This results in extruded tracks with a diameter of αD, where α is the matrix swelling coefficient that is >1, and D is the nozzle diameter. Therefore, the feed rate can be expressed as follows [109]:
where v is extrusion speed.
However, reducing the thickness of the tracks resulting from their deformation, instability, and rupture can be used to print special elements such as cellular structures and non-linear complex geometries [136]. Extruded tracks that have a higher resolution than the nozzle diameter can be printed by stretching the paste. Thickened or curved designs can also be printed with linear movements of the nozzle due to the accumulation of the paste.
Changing the ratio of nozzle speed to extrusion speed and the ratio of the nozzle height above the last printed layer to αD results in a possibility to realize various patterns of track extrusion, such as thick track, spiral winding, small thick die, uniform track, thinner track, and intermittent track [136]. In this case, it is possible to print objects with different resolutions in their different parts using just one nozzle [136].
Despite the existing published papers on theoretical criteria for choosing printing parameters in DIW, there are plenty of factors and options for the rheological behavior of pastes. Paste rheology, print speed, layer height, and even nozzle size are all related to each other and a large number of experimental works are still required to determine the optimal printing parameters for each specific case. Changing one parameter may lead to the necessity of changing other parameters to ensure a successful printing.
4.3.5. Printing Parameters Optimization
In paper [102], taking into account the main printing parameters, simulation-based equations were proposed to estimate the as-printed density (PD) and the as-printed surface roughness (SR) in order to further improve these characteristics by adjusting the printing modes [102]:
PD = +17.257tE + 28.139mE + 9.171wE − 10.906tEmE − 5.406tEwE − 6.677mEwE − 16.179 − 5.150tE2 − 9.50mE2,
SR = 689.157 − 44.688tE − 13.472v − 1150.103mE − 2.472wE − 229.031tEwE + 10.701mEv + 4.766wEv + 345.082tE2 +
+ 508.844mE2,
+ 508.844mE2,
According to this model, too high mE values lead to the deformation of printed parts and to material excess which increases roughness [102]. Lower values of tE reduce the step effect and thus reduce SR. However, when tE increases from 0.05 to 0.15 mm and from 0.35 to 0.45 mm, SR decreases. SR increases only when tE increases from 0.15 to 0.35 mm. A similar trend was noted in paper [137].
Using the equations, in paper [102], polyparametric optimization was carried out to find the minimum of the function F = (PD − 1, SR) according to the following conditions:
0.05 ≤ tE ≤ 0.45,
2.0 ≤ v ≤ 20.0,
0.9 ≤ mE ≤ 1.3,
0.32 ≤ wE ≤ 0.56,
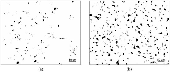
This optimization makes it possible to print green models based on 316L steel with an acceptable combination of density of 4.54 g/cm3 and roughness of 18.59 μm [102] (Figure 16).
Figure 16.
Green models printed by DIW from metal-polymer paste based on 316L steel powder (reprinted with permission from ref. [102]. Copyright 2023, Journal of Manufacturing Processes, Elsevier).
As can be seen from the published data, it is not a trivial task to select an appropriate printing mode in DIW-based techniques. To further improve the DIW printing process, the following work can be performed [109]:
- (1)
- Development and improvement of simulation software, where the user can input the rheological properties of the paste and simulate the process to determine its suitability for printing. Tests such as shape retention and multi-layer stacking can also be introduced into the software.
- (2)
- Development of print tests to evaluate the printability and limitations of different paste formulations. Other ranges of printing parameters can be quantified for printing different shape features such as corners, overhangs, and arched features, which will also give the user a choice between printing speed and quality via a selection of different printing settings.
- (3)
- Development of a machine learning algorithm to control the printing process and provide real-time feedback to minimize possible defects in the printed parts. Most pastes are non-Newtonian fluids. Therefore, they are sensitive to shear stress or changes in extrusion speed, which affects the output flow rate.
- (4)
- Development of a mathematical model based on the paste composition, which can predict the properties of the printed part after sintering. It would be useful to simulate debinding and sintering processes to determine whether the paste composition can provide a final part of a good quality. Printing modes affect not only the quality of the green model but also the final characteristics of the sintered metal part [42,138].
It would help to improve the repeatability and reproducibility of experiments and to print green models with predictable characteristics and size and shape accuracy. In the case of some functional materials, the as-printed part can be utilized as a finished product, but for structural parts after printing, subsequent debinding and sintering are required, which will be discussed below.
4.4. Post Processing Modes Selection
After printing a green model, post-processing is needed. It consists of debinding and subsequent sintering. Since multi-component binders are usually used, the stages of their removal mainly depend on the chemical composition of the components, but also on the amount of powdered metal powder filler, its shape, and size. The first stage consists of removing the solvent by drying it at room temperature or at up to 100 °C in air or vacuum. This stage also partially occurs during the printing process, allowing the printed green model to retain its shape. Further, solvents such as water, heptane, and ethanol can be used to remove plasticizers. The solvent type used depends on the plasticizer type. Some binders, for example, POM-based ones or their components, can also be removed with special chemical agents. This stage is called catalytic debinding, for which nitric acid vapor is often used. The process is performed in a special catalytic furnace where the acid is heated up to 110–120 °C [77,78], which was first proposed by BASF company. This step can significantly reduce the overall debinding time that leads to adding multiple components to the binder system. At this stage, pore channels are also formed in such a way that it facilitates the further removal of the main component of the binder and its removal from the whole green model [42].
After any of these stages, which can be used individually or in combination, the main binder component remains to connect the metal particles in the green model. It is then removed by heating up to its decomposition point and holding for some time to obtain the so-called brown model. The temperature for thermal debinding is set based on the results of thermogravimetric analysis (TGA). TGA shows the mass change of a sample when heating (Figure 17). Most polymers decompose at high temperatures forming gaseous products resulting in dramatic mass loss. The point when the mass loss is maximum is considered as the polymer decomposition point and is often used as the minimum temperature for the debinding step. However, not only temperature but also the environment of debinding is important. Since thermal decomposition products often include pure carbon that actively reacts with oxygen in the air atmosphere forming gaseous carbon oxides, some residual carbon can be observed when using an inert atmosphere, which should be taken into account when investigating and applying debining to metallic parts. TGA can be performed not only for pure polymer binders but for prepared metal-polymer pastes as well.
Figure 17.
TGA of the feedstock based on 316L powder and a multi-component binder containing SA, TPE, PE70, and PE3. The vertical dotted lines mark the onset of the thermal decomposition of the respective binder constituent. The experimentally measured weight loss coincides well with the nominal compositions (right) (reprinted with permission from ref. [71]. Copyright 2023, Additive Manufacturing, Elsevier).
The decomposition point of most polymer binders used is not higher than 600 °C, and this temperature is usually sufficient to remove them. However, to minimize the temperature impact on the material and to reduce the overall post-processing time, thermal debinding is sometimes carried out in several stages, each of which corresponds to the removal of a specific component. In Figure 18, the first two steps relate to the thermal removal of a multi-component binder from a green model printed by FDM from a commercial composite filament.
Figure 18.
Post-processing mode for a bimetallic green model printed from composite filaments based on 316L steel and 17-4 PH (reprinted from ref. [139]).
Since, after thermal debinding, there is no agent in the brown model that firmly connects the metal particles together, the subsequent sintering is carried out in the same furnace, without removing the brown model after thermal debinding to minimize external mechanical effects on the model. Sintering is the final stage of the thermal multi-stage post-processing of the printed green model (Figure 18). The sintering temperature is usually 200–300 °C less than the melting point of the sintered powder [106] or calculated as 70–90% of its value [47]. For different steels, it can be within the range of 1050–1380 °C, though researchers are still searching for the optimal temperatures in the case of AM, and sometimes can use rather higher temperatures. When heated to sintering temperatures, additional thermal debinding also takes place.
In addition to temperature, important post-processing parameters include hold time, heating rate, and atmosphere. During the thermal debinding stage, the hold time should be sufficient to completely remove the binder and depend on the type of binder, its content in the green model, and the size and shape of the green model. However, an excessively increased hold time can lead to increased carbon and oxygen content in a sintered part [140]. The hold time usually ranges from one to several hours.
The heating rate affects the intensity of gas formation resulting from the binder decomposition, which partially continues at sintering temperatures, and accordingly affects the formation of additional pores. The higher the heating rate is, the higher the gas formation and the higher the porosity is which corresponds to the lower relative density of the sintered part [74]. Therefore, during post-processing, heating rates are set as low as possible, which usually does not exceed 5 °C/min.
The atmosphere for thermal debinding and sintering also plays an important role. When post-treating ceramic products, the most effective atmosphere for removing the polymer binder is air, since the oxygen actively reacts with the residual carbon of the binder, turning it into gaseous CO2, which is easily removed with the airflow from the furnace. However, metal alloys more or less tend to react with oxygen and form undesired metal oxides, so this type of atmosphere is not suitable for metal parts. To remove the binder and sinter metal powders, vacuum or inert atmospheres such as Ar and He are usually used (Table 4). To remove impurities from the alloys, a small amount of H2 is sometimes added to Ar or He, or pure H2 is used.
One of the most effective environments for metallic materials is a vacuum. In paper [102], it was shown that after thermal debinding and sintering in a vacuum, the porosity was lower than when applying the post-processing in an H2 atmosphere (Figure 19). The relative density in the case of vacuum was up to 97.9%, and in the case of H2, it was up to 94.0%. This phenomenon can be associated with the fact that H2 partially diffuses into the metal and creates additional internal pressure preventing the sintering and densification processes. The inert gas may also partially remain inside the pores, making them difficult to reduce. However, the disadvantage of using a vacuum is the intense contamination of the vacuum pump with the products of the debinding, which can lead to faster equipment deterioration.
Figure 19.
Porosity of a sintered 316L metal part printed by DIW: (a) after sintering in vacuum; (b) after sintering in H2 (reprinted with permission from ref. [102]. Copyright 2023, Journal of Manufacturing Processes, Elsevier).
Densification of the sintered product occurs due to the formation of necks that form a bond between adjacent powder particles causing their consolidation, the voids between the particles are reduced [42] and thus the part is compacted. To obtain the maximum level of relative density, plenty of time is required. The sintering hold time ranges from several hours, and due to fairly low heating rates, the total cycle of thermal debinding and sintering can be up to several tens of hours.
Due to the reduction in voids amount between particles and the densification of the sintered part, it shrinks, and the shrinkage should theoretically be uniform. However, in practice, the uniformity of the shrinkage depends on several factors, including the uniformity of the initial powder in size and shape, the uniformity of its distribution in the resulting green models, the model’s geometry, and the influence of gravity and friction between the parts and the sintering platform. Typical MIM shrinkage ranges from 12 to 20% [141,142]. Consequently, the volume of the mold used in MIM must be increased to compensate for the determined shrinkage. The shrinkage of the parts produced by Metal-ME methods is generally higher than that of parts produced by MIM since some different feedstock materials with a lower solid load are used [42]. Accordingly, it is also necessary to design the larger initial model of the part taking into account the shrinkage value.
The highest shrinkage of a sintered part is about 18–23% and is observed along the Z axis. Slightly lower values of 13–18% are observed in the XY plane, perpendicular to the printing direction. This difference may be caused by internal stresses [47]. The applied layers actually form a mechanical bond within the hardened and shrunk component. This may also be associated with some changes in nozzle temperature [143] and the gravity effect, which promotes the collapse of pores in the vertical direction [73].
The use of fine powders results in higher diffusion rates and greater shrinkage, and therefore, provides higher relative density after sintering compared to coarser powders [82].
Increasing the sintering temperature leads to a decrease in porosity and, accordingly, an increase in shrinkage and relative density [54]; however, the grain size in metal alloys also noticeably increases, which can deteriorate their mechanical characteristics.
Figure 20 shows the comparison of relative density and shrinkage that can be achieved by different types of extrusion-based techniques. Paste-based Metal-ME techniques are depicted as “Paste”, pellets-based Metal-ME techniques are depicted as “Pellets” and filament-based Metal-ME techniques are depicted as “Filament”. It can be seen, that the maximum achievable relative density after sintering is comparable for all the techniques, though RD of a MIM sample can reach 99%. However, in Metal-ME technologies, when using a larger amount of binder, the RD of the part after sintering is slightly lower and amounts to 94–98% (Table 4). The average RD and the values scattering are also better for MIM technology, though the difference is not critical. The widest values scattering can be observed for filament-based Metal-ME techniques due to the highest binder content among the presented methods. Nevertheless, the highest maximum and average shrinkage is observed for the paste-based techniques that can be associated with intended lower solid loadings caused by special technical purposes. At the present moment, paste-based techniques are developing and researchers are still searching for ways to use and apply them.
Figure 20.
Comparative analysis of (a) relative density and (b) shrinkage after sintering green models fabricated by different Metal-ME techniques (adapted from ref. [42,54,55,56,96,97,98,99,100,101,102,103,104,105,106,107,108]).
RD that is less than 100% means the presence of pores which can lead to a decrease in mechanical characteristics. Figure 21 shows the relative mechanical properties of samples fabricated by different extrusion-based techniques. In this Figure, 100% means the average values of mechanical properties obtained by conventional technologies (Table 3). It can be seen that extrusion-based techniques can provide rather close mechanical properties to those obtained by metal deformation processes and other widely-used methods. It relates not only to ultimate strength but also to relative elongation. To improve the density and mechanical properties, hot isostatic pressing (HIP) can be also used after extrusion technologies application [72].
Figure 21.
Comparative analysis of (a) ultimate strength and (b) strain at fracture of metal parts after sintering green models fabricated by different Metal-ME techniques relative to conventional techniques. Here 100% means the average values of the conventional metal alloys according to Table 3. The analysis was performed according to papers [42,54,55,56,96,97,98,99,100,101,102,103,104,105,106,107,108] (adapted from ref. [42,54,55,56,96,97,98,99,100,101,102,103,104,105,106,107,108]).
For the paste-based techniques, it is worth noting that the relatively low ultimate strength is associated with the features of the application of these methods. They are often utilized for cellular structure fabrication to benefit from an adjustable porosity for bone implant production. The strength of such structures is inherently lower than that of bulk counterparts. The researchers do not even mention plasticity properties in their works. Moreover, there are still few papers on the mechanical properties of the samples fabricated by the paste-based techniques; however, there are potential grounds to see them in the near future.
Thereafter, post-processing together with the paste preparation and printing influence a number of technological and mechanical characteristics. The selection of post-processing modes including debinding and sintering depends on the binder used and its mechanisms of decomposition and on the powder filler and its melting point. The main post-processing parameters that can be chosen and that influence the final characteristics such as porosity, shrinkage, and relative density are post-processing temperature, heating rate, hold time, and environment. The published data collected for mono-material products can also be used for multi-material samples.
5. Multi-Material Extrusion-Based 3D Printing for Manufacturing Metal Parts
5.1. Printing Strategies for Fabrication of Multi-Metallic Structures
Despite a fairly large number of published papers devoted to the production of metal parts using extrusion-based 3D printing techniques, today there are still a few papers on the production of multi-metal products using these methods, while they open up enormous opportunities in this field. Extrusion-based 3D printing of multi-metallic products can give a great advantage compared to LPBF, LDED, EBM, and WAAM in the absence of the melting stage of metal components, which can prevent the formation of brittle intermetallic compounds and low melting eutectics. The absence of a significant temperature gradient common for direct AM technologies makes it possible to eliminate the directed growth of grains followed by significant anisotropy of mechanical properties. For extrusion-based 3D printing, a printing strategy, a sequence of layer deposition and the distance between certain composite layers and the building platform have virtually no effect on the structure and distribution of elements across the volume in the product and can be used more flexibly to obtain products with the required distribution of metal components based on their operational function.
When using FDM-based technologies, there are three main ways to print multi-metallic products:
- (1)
- Joint feeding of filaments (Figure 22a);
Figure 22. Schemes for filament feeding in multimaterial FDM-based 3D-printing: (a) for printing mixed samples by simultaneous uniform supply of filaments; (b) for printing coupled samples by alternating filament supply; (c) for printing graded samples by simultaneous supply of filaments with a gradual change in the proportion of supply of each filament (adapted from ref. [65]). - (2)
- Alternate feeding of filaments (Figure 22b);
- (3)
- Joint feeding of filaments with a gradual change in the proportion of each filament (Figure 22c).
For this purpose, just one nozzle can be used and provide the supply of several filaments. For several nozzles, one per each type of filament can also be used. The latter method is more often used for printing with pastes and suspensions as it more likely prevents cross-contamination of materials than if the same nozzle is used to supply different pastes.
Using any of these approaches or a combination of them, a huge number of different architectures can be fabricated even from two materials. At the moment, in published papers, seven types of bimetals can be distinguished based on the distribution of metal components in the macrostructure of the printed products, they are presented in Figure 23.
Figure 23.
Types of metallic components distribution in printed parts produced by extrusion-based 3D-printing: Type I—a coupled sample a clear boundary between the materials used; Type II—a mixed sample fabricated by feeding two filaments together; Type II—a gradient sample with a smooth transition from one material to another; Type IV—a sample fabricated by simultaneously feeding two filaments through a single nozzle without forming a materials mixture and moving the nozzle along a horizontal path (x-direction) provided that the xy-plane coincides with the 3D printer build platform; Type V—a sample fabricated by moving the nozzle along the y-axis; Type VI—a sample fabricated by layer-by-layer altering the both scanning strategies for Type IV and Type V; Type VII—a slightly modified sample of Type I with the presence of a transition zone in which several layers of one material are applied alternately with several layers of a second material.
Samples of type I have a clear boundary between the materials used. Samples of type II are fabricated by feeding two filaments together, resulting in a homogeneous mixture of the two materials. Samples of type III are gradient ones with a smooth transition from one material to another. Samples of type IV are fabricated by simultaneously feeding two filaments through a single nozzle without forming a materials mixture and moving the nozzle along a horizontal path (x-direction) provided that the xy-plane coincides with the 3D printer build platform. Samples of type V are fabricated by moving the nozzle along the y-axis, and samples of type VI are fabricated by layer-by-layer combining the previous two scanning strategies. Samples of type VII are slightly modified samples of type I with the presence of a transition zone in which several layers of one material are applied alternately with several layers of a second material.
Researchers usually use the samples of type I to determine the mechanical characteristics of the transition zone and to analyze the structure and element distribution in this zone. For structural studies and analysis of mutual contamination of materials with each other, samples of type VII are also often used. Below are some published examples of implementing these printing strategies.
In paper [65], bimetallic structures 316L/high carbon steel (HCS) of types I—III were fabricated by FDM using composite filaments with a metal powder filler. The powder of 316L steel showed a particle size of 0.872–76 μm, and its content was 83.5 wt.% in the filament. The HCS powder showed a particle size of 1.45–756 μm, and its content was 80 wt.% in the filament. The polymer matrix of the filament was based on PLA.
In paper [144], the fabrication of a bimetallic Inconel625/17-4 PH structures of type I by FDM was investigated. A composite filament filled with 17-4 PH steel powder was first applied to the platform, and the top part of the sample was made of a composite filament containing Inconel 625 particles (Figure 24).
Figure 24.
Bimetallic Inconel 625/17-4 PH sample: (a) scheme of the sample; (b) appearance of the printed and sintered samples (reprinted with permission from ref. [144]. Copyright 2023, Journal of Manufacturing Processes, Elsevier).
In papers [145,146], the fabrication of bimetallic Inconel 718/HCS structures of types IV—VI by FDM was investigated. Commercial composite filaments based on PLA matrix containing 87 wt.% Inconel 718 and 79.1 wt.% HCS were used (Figure 25).
Figure 25.
Printing a green model of bimetallic Inconel 718/HCS structure of type IV (reprinted from ref. [147]).
In paper [105], the fabrication of bimetallic Fe/Cu structures by DIW was studied. The in situ material switching system consisted of multiple syringes. Each syringe contained a different type of metal-polymer suspension, that allowed flexible, fast, and accurate material switching without cross-contamination. Fe- and Cu-based suspensions were deposited alternately at specific points according to a pre-designed CAD model to fabricate metal-polymer composite 3D structures. Figure 26 shows the DIW scheme for the fabrication of a bionic bone model consisting of a cancellous bone model from the Fe-based suspension and a cortical bone model from the Cu-based suspension. The DIW process is qwith an in situ material switching system for Fe- and Cu- based suspension is shown in Figure 26a.
Figure 26.
Printing of bimetallic Fe/Cu bionic model of a bone by DIW: (a) scheme for printing a bimetallic Fe/Cu bionic vertebral model, where i—the two syringes are on “hold” prior to printing, ii—the syringe loaded with Cu ink starts to extrude and deposits Cu ink to the designated locations according to the digital model until all the target areas are finished on the current layer. Meanwhile, the syringe loaded with Fe ink remains on “hold”, iii—the two syringes switch states and deposit Fe ink to the designated locations until the Fe part is finished on the current layer, completing the printing of this layer, iv–vi—repetition of i-iii operations layer by layer until the entire Fe–Cu bionic bone is printed, and the two syringes return to “hold” eventually; (b) printed bionic vertebral model; (c) sintered bionic vertebral model (reprinted from ref. [105]).
In paper [105], the syringes with Fe-based and Cu-based suspensions had two states: “hold” and “extrusion” and were controlled by a pressure dosing system through the “off” and “on” buttons for compressed air supply, respectively. When printing, they were alternately in one of these two states and filled all points in the layer with the Cu-based or Fe-based suspension in accordance with the specified section of this layer in the CAD 3D model, which was sliced by layers in G-code, and then the system moved onto the following layer until the part would be completely built. To ensure uniform printing, identical conditions were set for each syringe, including the same nozzle size and the same printing layer thickness. After extrusion, the volatile components of the binder, in particular DCM used in paper [105], evaporate. It leads to some shrinkage of the extruded track, which should be taken into account when choosing printing modes.
In paper [148], a multimaterial DIW printing of 316L stainless steel/Cu/Al2O3 was studied. Copper and aluminum oxide were used as the basis for 3D printing the structures requiring support. The addition of Cu supports improved the electrical conductivity and mechanical properties of the sintered stainless steel. This shows that the properties of the material can be manipulated. At the same time, Al2O3 supports did not affect the properties of stainless steel; there was no Al2O3 contamination in stainless steel, which shows the possibility of using aluminum oxide as a carrier without affecting the main product [148], as well as the promise of multimaterial DIW printing using supports from different materials and to obtain unique properties.
5.2. Post-Processing of Printed Multi-Metallic Structures
After printing, multi-material samples undergo the same post-processing as mono-material samples which consist of debinding and sintering, to produce compact metal products. However, there are some challenges in selecting a uniform post-processing mode that would be suitable for every material in the multi-material structure. The debinding step mostly depends on the binder used, though sometimes the actual composition of commercial binders is unknown. In this case, a preliminary study of decomposition temperatures should be performed to find out an optimal mode of debinding. As shown above, sintering temperature mainly depends on the melting point of a sinterable material. However, in the case of multi-metallic structures, the temperature selected can be nonptimal for one of the materials in this structure. Due to different thermal properties and melting points, different metallic sections can show a variety of porosity and shrinkage values.
When fabricating a gradient sample (type III) in paper [65], it was shown that achieving concentrations of two materials from 0 to 100% is not feasible in practice using the FDM method. In fact, the process of mixing filaments starts in the nozzle, which results in the fact that a part of one filament is superimposed with another filament, and the concentration of particles of each powder filler was no more than 90% in the printed sample.
When sintering samples of different types, differences in their shrinkage were observed. Figure 27 shows the profiles of the samples, in which the dotted line indicates the dimensions of the printed green model, and the solid line indicates the shape of the sintered sample. In the case of the sample of type II, the dimensional change at the center of the sample is greater than at the top and bottom edges due to some geometric reasons. This type is called an “X-shaped” type. It was also observed for some other materials such as copper-based alloys in paper [145]. The shrinkage was approximately 10% in this case [65].
Figure 27.
Effect of sintering on the shape and relative density of samples of types I-III before and after sintering (reprinted from ref. [65]): (a) appearance of sintered bimetallic samples; (b) contours of initial and sintered bimetallic samples; (c) effect of hold time and heating rate on bimetallic samples density.
Unlike the samples of type II, the dimensional change behavior is not similar in the top and bottom zones of the samples of type I. This difference is caused by the material in each zone since the HCS particles were located at the top of the sample and the stainless steel particles were at the bottom. The higher shrinkage at the top can be explained by the fact that HCS has a higher compaction parameter than 316L steel under the same sintering conditions [65]. In addition, HSC particles were larger than 316L particles. Large voids between large particles can lead to higher shrinkage in the HSC zone through the fragmentation-rearrangement mechanism during sintering.
The sample of type I showed shrinkage in the top zone of approximately 40%, while the bottom zone expanded by approximately 3%. A similar phenomenon was observed in the gradient sample, though the level of shrinkage decreased gradually and evenly from the top to the bottom. This type of deformation results in an “A-shaped” distortion in the gradient sample with a total shrinkage of 23%.
Densification of the sintered samples was affected not only by hold time, which should be sufficient for solid-phase diffusion and the formation of strong bonds between powder particles. In paper [65], it was also confirmed that an important factor is the heating rate (Figure 27c) since the results of sintering directly depend on the results of thermal debinding, for which the heating rate is pretty important. Accordingly, to obtain a higher relative density it is necessary to select the minimum heating rate (Figure 27c).
In paper [144], commercial filaments were used, and the exact composition of their polymer matrices was unknown, but its base consisted of PE thermoplastic with some wax content. Therefore, the debinding step was carried out in two stages. First, the wax was removed with a special solvent Opteon SF-79 (Wilmington, DE, USA), and then thermal debinding was performed. Subsequent sintering was conducted in an Ar atmosphere with an addition of H2. The melting point of Inconel 625 (1290–1350 °C) is slightly lower than the melting point of 17-4 PH steel (1404–1440 °C), and a special sintering mode was developed [144]. Since the lowest temperature was selected for sintering the bimetallic structure, this resulted in the formation of a higher amount of pores in the 17-4 PH steel zone due to insufficient sintering temperature for this steel. At the same time, brittle intermetallic compounds were not formed.
In papers [145,146], the fabrication of bimetallic Inconel 718/HCS structures of types IV—VI by FDM was investigated. The recommended sintering temperatures for the selected materials are 1260 °C and 1300 °C, respectively. The difference between them is less than in previous work. Therefore, in papers [146,147], it was proposed to use not the lowest temperature, but the average one for sintering the bimetallic structure. To analyze the sintering shrinkage, CAD 3D models of the samples were developed using a 3D scanner (Figure 28). Noticeable distortions can be seen, which the authors [146,147] associate with the non-optimal choice of heating mode, as well as with the lack of supports around the sample. Increased porosity was also observed in the HCS zones, which is likely due to insufficient temperature for sintering this steel since the parameters of the sintering of a bimetallic structure are limited by the material, which is more sensitive to temperature and hold time. Particle size also plays an important role, since large differences in the specific surface area lead to different activity of diffusion processes. It also affects the powder-packed density and the size of the voids between the particles in the initial state. Therefore, when using powdered alloys with particles of different sizes, it is also necessary to carefully select the optimal sintering temperature and time for the whole bimetallic structure.
Figure 28.
Analysis of the sintering shrinkage of the printed bimetallic Inconel 718/HCS samples: (a) 3D scanned CAD models of the sintered samples of types IV—VI (adapted from ref. [146]); (b) appearance of the sintered samples of types IV—VI and micrographs of the colored edges (reprinted from ref. [147]).
The selection of post-processing modes for multi-material printing is complicated by the fact that different metal powders require different sintering conditions to obtain maximum relative density. In paper [105], where Cu/Fe bimetallic structures were studied, it was also shown that the degree of vacuum during sintering has the greatest effect on structural shrinkage, especially for Cu due to a high saturation pressure of its vapor. It is necessary to select sintering modes providing the same shrinkage of all materials used in a given structure. Figure 26b shows the printed bimetallic vertebra and the sintered bimetallic vertebra fabricated by researchers in paper [105]. No deformation or warping was observed after printing or sintering. The vertebra was printed without supports, as the DIW method can be used to print elements with a deviation from the vertical of up to 45. However, some problems with cracking, delamination, and mixing of materials can occur when reducing the sizes of build zones that need to be filled with one material before switching to another material, and thus when there is a higher number of material switchings.
After sintering, pores were also observed [105], located mainly at the junctions of the tracks (Figure 29). The presence of the pores leads to a decrease in mechanical characteristics. Since the sample can be fabricated using different printing strategies, pore chains can also be positioned differently relative to tensile stress. Pore chains that are perpendicular to tensile stress most significantly deteriorate tensile strength.
Figure 29.
Structure of bimetallic Fe/Cu samples fabricated by DIW followed by sintering: (a) the printed sample image and its morphology; (b) the sintered sample image and its morphology; (c) element distribution maps of the printed sample; (d) element distribution maps of the sintered sample (reprinted from ref. [105]).
However, the porosity is explained not only by the presence of a larger number of voids between the tracks during printing but also by sintering temperature that is not high enough, similar to other published papers. It is also worth noting that in paper [105], after sintering, intermetallic compounds typical for the Fe-Cu system were not observed.
In paper [106], bimetallic Fe/Ti-6Al-4V and Fe/Inconel 718 structures of type VII were fabricated for the further manufacture of bone implants. Figure 30 shows printed samples of type VII after sintering at different temperatures. In the process of sintering the bimetallic Fe/Ti-6Al-4V structure at the temperature of 1300 °C, the Ti-6Al-4V zone melted, which led to a complete change in the sample shape. The deformation of the bimetallic structure decreased as the temperature decreased from 1300 to 900 °C, and the shrinkage of the two metallic materials coincided at 900 °C.
Figure 30.
Shrinkage of Fe/Ti-6Al-4V and Fe/Inconel 718 bimetallic samples after sintering at different temperatures: (a) printed and sintered Fe/Ti-6Al-4V samples; (b) printed and sintered Fe/Inconel 718; (c) change in the dimensions of bimetallic Fe/Ti-6Al-4V sample after sintering at different temperatures; (d) change in the dimensions of bimetallic Fe/Inconel 718 (reprinted with permission from ref. [106]. Copyright 2023, Journal of Materials Research and Technology, Elsevier).
In paper [106], it was shown that the combination of Fe and Ti-6Al-4V particles could reduce the melting point of the Ti-6Al-4V component in the bimetallic Fe/Ti-6Al-4V structure, which was between 1150 and 1300 °C. When studying the bimetallic Fe/Inconel 718 structure, obvious deformation was observed after sintering at 1300 °C that was caused by differences in the shrinkage of its components. At the sintering temperatures of 1250 °C and 1200 °C, Fe and Inconel 718 exhibited similar shrinkage, but after sintering at 1200 °C, some surface defects were observed.
Since Inconel 718 particles in paper [106] were irregular-shaped, this led to increased surface roughness of the samples, but the porosity of the sintered samples was lower than that of Ti-6Al-4V zones fabricated from spherical particles.
When studying element distribution in the junction zone of the metal components, similarly to paper [105], after printing no mutual contamination of the materials with each other was observed. However, in the process of sintering, partial mutual diffusion of elements occurs. When fabricating the bimetallic Fe/Ti-6Al-4V and Fe/Inconel 718 structures, the formation of any intermetallic compounds or other new phases was not observed, at least using scanning electron microscopy and X-ray diffraction methods [106].
5.3. Phase Transformations and Mechanical Properties
When sintering bimetallic samples, it is necessary to take into account not only the different shrinkage of the two materials but also the possibility of phase transformations, especially in the case of steels. In paper [91], when mixing stainless steel 316L and HCS powders, sintering resulted in the accumulation of chromium and molybdenum at the grain boundaries followed by precipitation of carbides. In the initial powder obtained by removing the binder from the green model of type II, austenite, ferrite, and cementite (Fe3C) were detected by XRD. After sintering, the austenite and cementite peaks disappeared, and the ferrite peaks became dominant; the sample had a complete ferrite structure. Sintering at high temperatures and long hold times helps to produce a homogeneous part, which makes FDM a promising method for in situ alloying.
Indirect confirmation of phase transformations is the change in microhardness in different parts of the samples (Figure 31). In the sample of type I where the top zone was HCS and the bottom zone was 316L, the average hardness of the top was 161.3 HV0.2 and the average hardness of the bottom was 343.21 HV. The top of the gradient sample (type III) had much higher hardness than that of the former sample top, its value was 312.35 HV. In this case, a small amount of 316L particles was present at the top, and the hardness increased significantly. On the other hand, a mixed sample (type II) containing equal amounts of both materials (the same amount is contained in the middle zone of the gradient sample) showed an improvement in hardness where the highest values were observed and were 373.39 ± 2.69 HV. These results show an improvement in mechanical properties due to alloying of HCS and 316L.
Figure 31.
Average hardness in different zones of 316L/HCS samples after sintering (reprinted from ref. [65]).
In paper [139], the production of bimetallic 316L/17-4 PH structures of type I by FDM was studied. For this purpose, composite filaments filled with spherical metal particles of 2–15 μm in size were used. When these materials were combined, mutual diffusion was observed in the process of sintering resulting in increased carbide formation. It was also found that σ-phase was formed in the transition zone. A feature of this zone was increased porosity, which might be associated with alternating materials during multi-material FDM printing, as well as with differences in the thermal properties of the two materials, which leads to internal stresses at the interface during sintering and subsequent cooling, though any cracks were not observed [139].
In the 17–4PH zone of the sample in paper [139], a characteristic martensitic matrix with a small content of δ-ferrite spots at the grain boundaries was observed. The 316L part had an austenitic matrix with δ-ferrite at the grain boundaries. Both parts of the sample contained intragranular carbide precipitates. The 316L zone also showed higher porosity than the 17–4PH zone regardless of the sintering temperature, since this martensitic steel always sinters better at a lower temperature than the austenitic steel chosen. Typical grain growth at higher sintering temperatures can be observed in both stainless steels. Moreover, it can be noted that the components of 17–4 PH steel diffused into the austenitic phase of 316L steel so that there is no clear boundary between the layers.
In paper [144], a bimetallic Inconel625/17-4 PH structure of type I fabricated by FDM was investigated. Typical martensitic phases resulting from precipitation hardening were observed at the interface. It is assumed that the phase composition of the initial Inconel 625 alloy is mainly austenitic, but in this case, no austenite grains were observed after etching [144]. No grains were also observed at the interface, the thickness of which was approximately 10 μm. When studying chemical composition and element distribution, it was found that iron contained in steel diffuses most actively into the part made of Inconel 625.
The average tensile strength of the interfacial connection perpendicular to the tensile stress was about 300 MPa, and the elongation ranged from 2.2% to 2.6% [144]. Thus, the strength is quite low and the relative elongation is extremely low, which indicates the brittle nature of the fracture that occurs along the interface. The interfacial strength is approximately 50% lower than that of laser-welded Inconel 625 and stainless steel [149].
Lower strength may be caused by the presence of large pores at the interface as a result of insufficient sintering temperature, especially for the steel part. Another reason may be the small thickness of the transition zone, which cannot firmly bond the two alloys. The distribution of microhardness values over the cross-section of the sample in Figure 32 also clearly shows that the transition zone is the least strong part of the bimetallic sample [144]. The hardness of the transition zone sharply decreased to 150 HV. According to the resulting graph, the thickness of the transition zone was about 20 μm. In the Inconel 625 zone, the average hardness was about 230 HV, while in the PH 17–4 zone it was above 350 HV. It is comparable to the values for these alloys obtained by other methods and may indicate the possibility of using the same sintering mode to obtain bimetallic structures with the required mechanical characteristics in the main parts.
Figure 32.
Vickers microhardness of bimetallic Inconel 625/17-4 PH sample (reprinted with permission from ref. [144]. Copyright 2023, Journal of Manufacturing Processes, Elsevier).
A possible solution to increase strength is to perform homogenization heat treatment to thicken the transition zone and to reduce pore size to create a stronger interfacial bond [150]. Moreover, the average bending strength of bimetallic structures was close to 84.4% and 82.5% of pure 17-4 PH steel and pure Inconel 625 produced by extrusion-based 3D printing, respectively, which are relatively high values [144].
When Inconel 718 powder in a bimetallic Inconel 718/HCS structure is sintered, fine oxide particles, Laves phases (Ni,Cr,Fe)2(Nb,Mo,Ti), and segregation of Cr and Mo along grain boundaries can be formed [146,147]. In paper [149], molecular dynamics simulation was carried out resulting in finding the fact that the cohesive interaction between Cr atoms was stronger than that of Fe and Ni at the final stage of holding at the sintering temperature. Moreover, the energy released by Cr aggregation further contributed to the particle coalescence and stability of the sintered sample. Experimental studies have confirmed the agglomeration behavior of Cr. Mapping of Cr distribution showed its higher concentration at grain boundaries, spot analysis also showed increased Cr content at the grain boundaries.
The microstructure of partially sintered HCS powder interacting with Inconel 718 particles can be quite complex [146,147]. In papers [146,147], a layered microstructure was observed, caused by the phenomenon of mutual diffusion at the interface between the two alloys. Since Ni and Cr diffuse to the HCS particles, which are completely austenitic at the sintering temperature, the steel composition is changing which leads to changes in its C-shaped curves. The structure of the steel in papers [146,147] after cooling and decomposition of austenite should have consisted of equiaxed pearlite grains. However, with increasing Ni and Cr content, austenite tended to transform into acicular phases such as follows: first to bainite and then to martensite. Where the Ni content was high enough, the austenitic microstructure tended to stabilize, which is typical for austenitic stainless steels.
In paper [105], the tensile strength of the fabricated bimetallic samples was about 53 MPa, which is less than both the values for the printed sample from pure Fe (59.7 MPa) and for the sample from pure copper (56.8 MPa). Nevertheless, in general, the obtained values are quite close to each other and the decrease in strength can be considered insignificant. However, in the manufacture of metal bone implants, the presence of pores and not too high strength can be advantages, allowing the density and mechanical properties to be closer to real bones, in order to prevent the destruction of neighboring bones, as well as for better survival of the implant, since the porous material will quickly become overgrown with bone tissue inside the body.
In paper [106], to investigate into mechanical properties of bimetallic Fe/Ti-6Al-4V and Fe/Inconel 718 structures, models of bone implants were printed. They were cylindrical samples with a Fe core and a shell of Ti-6Al-4V or Inconel 718 (Figure 33) [106]. Density of the pure metals is higher than the density of bone. Therefore, to reduce it, porosity can be increased, which is achieved by additively forming cellular structures or by specially selected printing modes that provide the required level of porosity.
Figure 33.
Compression properties of the bimetallic structures: (a) the model of the bimetallic samples; (b) Fe/Ti-6Al-4V; (c) Fe/Inconel 718 (reprinted with permission from ref. [106]. Copyright 2023, Journal of Materials Research and Technology, Elsevier).
Mechanical tests carried out in paper [106] showed that the compressive strength and elastic modulus of Fe samples were close to the characteristics of cancellous bones and were 8.79 ± 2.41 MPa and 0.28 ± 0.09 GPa, respectively. Inconel 718 specimens exhibited lower compressive strength and elastic modulus than Ti6Al4V, the values were 190.51 ± 18.42 MPa and 3.17 ± 0.10 GPa, respectively, but they still corresponded to the performance limits of cortical bone. The compressive strength and elastic modulus of Fe/Inconel 718 samples were 14.94 ± 2.45 MPa and 0.45 ± 0.09 GPa, respectively, which were slightly higher than those of Fe samples but significantly lower than those of the bimetallic Fe/Ti -6Al-4V samples. Thus, the researchers in paper [106] concluded that the bimetallic Fe/Ti-6Al-4V structure has a high potential for use in bone implants since it can help to provide realization of multiple functions using several types of metal materials in a bulk structure. When Ti-6Al-4V serves as the shell material in a bone implant, it has high compressive properties and does not degrade, bearing load and resisting deformation like cortical bone. In comparison, the compressive strength and elastic modulus of the iron core are lower and comparable to cancellous bone. In addition, Fe degrades, which may promote the growth of new bone tissue that will gradually substitute the implant material.
When testing the tensile properties of Fe/Ti-6Al-4V samples of type VII (Figure 34), it was shown that the destruction of the sample did not occur along the interface [106], but along the Fe zone, which has a lower strength compared to the titanium alloy. Thus, the mechanical characteristics of the bimetallic structure were limited by the Fe zone. The tensile strength was 2.24 ± 0.40 MPa which was quite close to the properties of pure iron printed structure with the tensile strength of 1.70 ± 0, 22 MPa.

Figure 34.
Tensile properties of bimetallic Fe/Ti-6Al-4V and Fe/Inconel 718 samples: (a) tensile sample model; (b) tensile properties of Fe/Ti-6Al-4V; (c) tensile properties of Fe/Inconel 718 (reprinted with permission from ref. [106]. Copyright 2023, Journal of Materials Research and Technology, Elsevier).
When testing the Fe/Inconel 718 structure, the mechanical properties also depended on Fe zone properties, the tensile strength of the structure was 67.3 ± 2.7 MPa, in this case, the strength of the pure Fe sample was 70.6 ± 6.5 MPa. The Fe/Inconel 718 structure generally had significantly superior tensile properties to the Fe/Ti-6Al-4V structure. In addition, the pure Fe, Ti-6Al-4V, and Inconel 718 samples tested in paper [106], have lower tensile strength than their conventional counterparts, which may be due to the following reasons:
- (1)
- Features of the DIW method and post-processing;
- (2)
- The direction of deposited tracks in the tensile specimen.
Specimens produced by DIW followed by high-temperature sintering are porous due to the removal of a binder and due to voids between adjacent track areas, resulting in lower tensile strength in comparison to a solid specimen. In addition, if tracks are applied in the same direction in each layer, and if their direction is perpendicular to the tensile stress, then the strength will be significantly lower than that of samples in which the tracks are parallel to the tensile stress since they are the ones who resist the tensile stress.
6. Main Challenges in Multi-Material DIW-Based 3D Printing for Manufacturing Metal Parts
Despite the effectiveness of using extrusion-based 3D printing technologies for the manufacture of fairly complex metal products, including cellular and multi-metallic ones, there are still a number of problems that need to be solved to improve the quality of manufactured products and find new fields of application.
The first problem of DIW is the difficulty of constructing overhanging structural elements due to the deformation and destruction of the extruded track upon gravity. For the same reason, previously deposited layers can be deformed by the weight of successive layers. These problems can be solved by partially or completely curing previous layers before applying subsequent ones, for example, through additional sources of thermal or reactive curing. The problem of constructing overhanging components can be partially solved by optimizing and adapting the structure and its CAD 3D model for a given printing method, and the printing algorithm itself.
When using extrusion-based 3D printing, there is always some porosity that can negatively affect mechanical properties. Increasing the hold time of sintering does not significantly reduce the porosity, but can lead to a dramatic grain coarsening, which will also lead to a deterioration in mechanical properties [97]. To reduce the porosity, higher sintering temperatures, hot isostatic pressing [72,97], or infiltration with low-melting compounds [151] can be used. There is also a feature of higher shrinkage in the z-direction than in the x-y direction since the porosity in the first case is slightly greater due to the voids that appear at the layer boundaries. This aspect has to be taken into account when designing the initial CAD model, which should be larger by the amount of shrinkage in order to obtain the required dimensions of the final product. Nevertheless, even porous materials can be effectively used, for example, for the fabrication of various implants. Manipulating porosity levels in the process of printing and following debinding and sintering makes it possible to achieve the density of a metal part close to that of a real bone. However, the appropriate modes still should be studied.
Due to different sintering shrinkage of different metals in the process of manufacturing multimetallic products, cracks and delamination may occur at the interface, which indicates a necessity for a more careful selection of post-processing modes.
When manufacturing metal products, especially in the case of multimaterial extrusion-based 3D printing, changes in chemical composition must be carefully controlled. Figure 35 shows the change in C and O content in Ti-6Al-4V alloy samples when thermally removing a binder consisting of a mixture of 63% paraffin wax, 12% PEG 20,000 s, 14% low molecular weight PE, 10% PP, and 1% SA [140]. Carbon content after treatment at 600 °C for more than 1 h is relatively stable. However, oxygen content continuously increases with increasing debinding temperature and duration. Due to the high reactivity of titanium alloys, only Ar or vacuum environments can be used, while for stainless steels all types of inert atmospheres, including N2 can be applied.
Figure 35.
Carbon and oxygen content in Ti-6Al-4V alloy depending on, (a) temperature; (b) time; (c) the atmosphere type of thermal debinding (reprinted with permission from ref. [140]. Copyright 2006, Journal of Materials Processing Technology, Elsevier).
In paper [140], the author notes that vacuum provides lower oxygen content compared to the treatment in Ar flow (Figure 35), which may be due to the presence of a small amount of oxygen in the argon or the use of a different furnace with a lower degree of tightness. Therefore, in order to avoid an increased oxygen content in the part, it is necessary to select the lowest possible temperatures and hold times. In addition, the furnace atmosphere should be controlled to avoid any unwanted reactions during debinding and sintering.
The presence of even a small quantity of impurities in metal alloys can lead to significant changes in their structure and properties. For example, oxygen stabilizes the α-phase in titanium, and carbon reacts with titanium forming its carbides. For steels, carbon content is especially important to consider, since its increase leads to a C-curves shift and sintering can result in phase transformations that differ from the expected ones when using conventional techniques for these steel grades. For example, after sintering 316L steel, there is often an increased carbon content at the grain boundaries, while the chromium content is reduced in the zones close to the grain boundaries. It may indicate that after the binder is removed, some residual carbon remains, which ultimately forms carbides with elements that have a high affinity for carbon, for example, chromium. To reduce residual carbon content, low-ash binders can be used.
Not every paper reports on the gaseous environment of debinding and sintering, though this is an important aspect of metal products manufacturing, affecting the final porosity, chemical composition, and, accordingly, mechanical and functional properties. Published papers sometimes also do not give information on the composition of the binder, which is commonly a commercial know-how. Therefore it is often necessary to search for a suitable composition from scratch for each metal powder filler.
In addition to searching for ways to reduce the quantity of impurities introduced into metals by debinding and sintering, an interesting research field is the use of these impurities to manipulate phase transformations in the material during indirect metal manufacturing. In this case, it will mean in situ alloying. In direct AM technologies for metal parts manufacturing, there is also a trend of adapting the composition of the feedstock materials, taking into account changes in their composition during the process of fabricating the product. A similar approach can also be developed in the direction of extrusion-based 3D printing.
When manufacturing multi-material metal products, a certain difficulty is caused by the compatibility of the initial metal components, which, both in the case of remelting and in the case of solid-phase diffusion, can form brittle intermetallic compounds at the interface, which will lead to brittle interlayer failure. The mutual diffusion of elements of one material into another leads to the formation of a transition zone between these materials, as well as to changes in the chemical compositions of these materials. In the case of steels, even a slight change in the content of ferrite-stabilizing or austenite-stabilizing elements can lead to a significant change in the structure of the steel after sintering. Along with the associated change in mechanical properties, additional deformations may also occur due to differences in the coefficient of thermal expansion of α- and γ-phases.
When joining multiple metals using extrusion-based 3D printing, one of the problems is low mechanical properties due to the fact that fracture typically occurs at an interface that has lower mechanical properties than any of the metals being joined. In this case, the destruction is brittle in nature with low values of tensile strain. Low mechanical properties of the interface are the main contributor to the low mechanical properties of the entire product, but increased porosity of one of the materials due to insufficient sintering temperature for this material can also significantly contribute. To improve the characteristics of multi-metallic products, it is necessary to carefully select the initial compositions of powder fillers and technological modes at all stages of manufacturing such products. One of the possible solutions can be also the development of new types of heat treatment, involving local effects on the zones of the product made from different materials.
In addition, the initial materials often have very different thermal properties, which will affect both the process of manufacturing products, involving heating to high temperatures, and the performance properties if they are supposed to be used at elevated temperatures. These problems are often solved by using one or more transition layers, which prevent direct interaction between the main layers, and also provide a gradual change in physical characteristics in the volume of the material.
7. Conclusions
The performed analysis of the published papers in the field of manufacturing multi-metallic products using extrusion-based 3D printing methods shows that this group of technologies is promising for producing fairly complex metal products that are unprofitable to produce using expensive technologies for direct additive manufacturing of metal structures, such as L-PBF, L-DED, EBM, and WAAM. The use of extrusion-based 3D printing also can help to avoid some of the problems that arise at the melting stage in direct AM technologies, including the wide formation of brittle intermetallic compounds and crystallographic anisotropy. In addition, it is more profitable than conventional technologies such as MIM in the case of small-scale production of unique complex-profile components due to more flexible adjustment of the technology to new tasks without the need to manufacture new equipment. In addition, extrusion-based 3D printing technologies have a higher resolution than MIM technologies and allow the production of products with holes less than 1 mm in one technological pass, which also makes it possible to produce cellular structures.
It is shown that multi-metallic structures are particularly relevant in the modern aerospace, automotive, and biomedical industries to provide multifunctional performance of a product and to reduce its overall weight. In these fields, the most commonly used materials are steels, superalloys, copper-based, titanium-based, and aluminum-based alloys and their various combinations. Especially popular combinations are superalloys with stainless steels and steels of different classes with each other. Typical applications of steel bimetals may include the application of a corrosion-resistant surface layer on a low or high strength substrate, a wear-resistant material on a ductile substrate, and so on, which can be used even in nuclear reactor components.
When producing multi-material structures using extrusion-based 3D printing methods, the same combinations are currently chosen. The main difficulties are associated with changes in the chemical composition in the transition zone, caused by the interdiffusion of elements of various metal components into each other at high sintering temperatures. Variations in the chemical composition are aggravated by the introduction of impurities in the process of debinding and require careful study and development of new metal-polymer compositions. These aspects are especially important when using steels, since their compositions are usually multi-component, and even a slight change in the quantity of carbon, carbide-forming elements, α- and γ-stabilizing elements leads to a significant change in the direction of phase transformations and the formation of a structure that significantly affects mechanical and functional characteristics of bimetallic products.
To increase the efficiency of using extrusion-based 3D printing technologies for the production of multi-metallic products with competitive mechanical and functional properties, a deeper understanding of the processes at each stage of the technology is required. It is of high importance to investigate into fabrication of initial powders, development and production of printable metal-polymer pastes, development of CAD 3D models of the product adapted for this type of printing, selection of printing and post-processing parameters, and so on.
At the moment, quite a few works have been published on the fabrication of multi-metallic structures using extrusion-based 3D printing; this field has only recently begun to develop and requires a large amount of fundamental research, including the field of manufacturing mono-material components while opening up broad prospects for practical application such as manufacturing of safety critical parts for power plants, aircraft, aerospace engineering, and medicine.
The application of multi-material extrusion-based 3D printing will allow for reducing the number of technological operations to fabricate a multi-material product without parts joining steps. It will help to reduce general energy and materials consumption in addition to the reduction in material waste which is an advantage of AM in comparison to conventional subtractive techniques. These aspects are important not only for the economy and the potential of using such technologies in the “field” conditions but also for sustainable development and for improving the nature-friendliness of machinery.
Author Contributions
Conceptualization, A.M. and D.M.; Writing—Original Draft Preparation, A.M. and G.K.; Data curation G.K.; Writing—Review & Editing D.M. and A.P.; Supervision, A.P.; Project Administration, A.P.; Funding Acquisition, A.P. All authors have read and agreed to the published version of the manuscript.
Funding
This research was funded by Ministry of Science and Higher Education of Russian Federation (project № 075-15-2024-562 from 25 April 2024).
Data Availability Statement
No new data was created.
Conflicts of Interest
The authors declare no conflict of interest.
References
- Mahamood, R.M.; Akinlabi, E.T. Functionally Graded Material: An Overview. In Proceedings of the World Congress on Engineering 2012, London, UK, 4–6 July 2012; Volume 3, pp. 2254–2262. [Google Scholar]
- Azar, A.S.; Diplas, S. Fundamental aspects of processing multi-metallic components using additive manufacturing technologies. Eur. J. Mater. 2022, 2, 234–364. [Google Scholar] [CrossRef]
- Nandan, R.; Debroy, T.; Bhadeshia, H. Recent advances in friction-stir welding—Process, weldment structure and properties. Prog. Mater. Sci. 2008, 53, 980–1023. [Google Scholar] [CrossRef]
- Naik, S.R.; Gadad, G.M.; Hebbale, A.M. Joining of dissimilar metals using microwave hybrid heating and Tungsten Inert Gas welding—A review. Mater. Today Proc. 2021, 46, 2635–2640. [Google Scholar] [CrossRef]
- Mishra, S.; Lienert, T.J.; Johnson, M.Q.; DebRoy, T. An experimental and theoretical study of gas tungsten arc welding of stainless steel plates with different sulfur concentrations. Acta Mater. 2008, 56, 2133–2146. [Google Scholar] [CrossRef]
- Bandyopadhyay, A.; Zhang, Y.; Onuike, B. Additive manufacturing of bimetallic structures. Virtual Phys. Prototyp. 2022, 17, 256–294. [Google Scholar] [CrossRef]
- Fernández, D.; Rodríguez-Prieto, A.; Camacho, A.M. Effect of Process Parameters and Definition of Favorable Conditions in Multi-Material Extrusion of Bimetallic AZ31B–Ti6Al4V Billets. Appl. Sci. 2020, 10, 8048. [Google Scholar] [CrossRef]
- Fernández, D.; Rodríguez-Prieto, Á.; Camacho, A.M. Optimal Parameters Selection in Advanced Multi-Metallic Co-Extrusion Based on Independent MCDM Analytical Approaches and Numerical Simulation. Mathematics 2022, 10, 4489. [Google Scholar] [CrossRef]
- Bandyopadhyay, A.; Heer, B. Additive manufacturing of multi-material structures. Mater. Sci. Eng. R Rep. 2018, 129, 1–16. [Google Scholar] [CrossRef]
- Verma, A.; Kapil, A.; Klobčar, D.; Sharma, A. A Review on Multiplicity in Multi-Material Additive Manufacturing: Process, Capability, Scale, and Structure. Materials 2023, 16, 5246. [Google Scholar] [CrossRef]
- Hasanov, S.; Alkunte, S.; Rajeshirke, M.; Gupta, A.; Huseynov, O.; Fidan, I.; Alifui-Segbaya, F.; Rennie, A. Review on Additive Manufacturing of Multi-Material Parts: Progress and Challenges. J. Manuf. Mater. Process. 2021, 6, 4. [Google Scholar] [CrossRef]
- Toursangsaraki, M. A Review of Multi-material and Composite Parts Production by Modified Additive Manufacturing Methods. Appl. Phys. 2018. [CrossRef]
- Pajonk, A.; Prieto, A.; Blum, U.; Knaack, U. Multi-material additive manufacturing in architecture and construction: A review. J. Build. Eng. 2022, 45, 103603. [Google Scholar] [CrossRef]
- Li, Y.; Shen, Y.; Hung, C.-H.; Leu, M.C.; Tsai, H.-L. Additive manufacturing of Zr-based metallic glass structures on 304 stainless steel substrates via V/Ti/Zr intermediate layers. Mater. Sci. Eng. A 2018, 729, 185–195. [Google Scholar] [CrossRef]
- Wang, H.; Chen, J.; Luo, H.; Wang, D.; Song, C.; Yao, X.; Chen, P.; Yan, M. Bimetal printing of high entropy alloy/metallic glass by laser powder bed fusion additive manufacturing. Intermetallics 2022, 141, 107430. [Google Scholar] [CrossRef]
- Osipovich, K.; Vorontsov, A.; Chumaevskii, A.; Gurianov, D.; Shamarin, N.; Savchenko, N.; Kolubaev, E. Characterization of a Bimetallic Multilayered Composite “Stainless Steel/Copper” Fabricated with Wire-Feed Electron Beam Additive Manufacturing. Metals 2021, 11, 1151. [Google Scholar] [CrossRef]
- Osipovich, K.S.; Gurianov, D.A.; Chumaevsky, A.V. Influence of 3D-Printing Parameters on Bimetallic Products Manufacturing Process of Cu-Fe System. IOP Conf. Ser. Mater. Sci. Eng. 2021, 1079, 042089. [Google Scholar] [CrossRef]
- Statnik, E.S.; Somov, P.A.; Zherebtsov, D.D.; Saprykin, D.L.; Saprykin, L.G.; Chernovolov, V.V.; Polozov, N.A.; Salimon, A.I. Micro-scale residual stress and deformation analysis in bimetal bronze-stainless steel samples produced by laser powder bed fusion technology. Mater. Sci. Eng. A 2022, 858, 144110. [Google Scholar] [CrossRef]
- Osipovich, K.S.; Chumaevskii, A.V.; Eliseev, A.A.; Kalashnikov, K.N.; Kolubaev, E.A.; Rubtsov, V.E.; Astafurova, E.G. Peculiarities of Structure Formation in Copper/Steel Bimetal Fabricated by Electron-Beam Additive Technology. Russ. Phys. J. 2019, 62, 1486–1494. [Google Scholar] [CrossRef]
- Meng, W.; Ye, K.; Chen, K.; Liu, Z.; Yin, X.; Ma, Q.; Hu, L. Interfacial Characteristics and Mechanical Properties of 316L and S214 Bimetals Fabricated by Wire-Arc Additive Manufacturing. Adv. Eng. Mater. 2024, 26, 2301504. [Google Scholar] [CrossRef]
- Chen, N.; Khan, H.A.; Wan, Z.; Lippert, J.; Sun, H.; Shang, S.-L.; Liu, Z.-K.; Li, J. Microstructural characteristics and crack formation in additively manufactured bimetal material of 316L stainless steel and Inconel 625. Addit. Manuf. 2020, 32, 101037. [Google Scholar] [CrossRef]
- Mahmud, A.; Ayers, N.; Huynh, T.; Sohn, Y. Additive Manufacturing of SS316L/IN718 Bimetallic Structure via Laser Powder Bed Fusion. Materials 2023, 16, 6527. [Google Scholar] [CrossRef] [PubMed]
- Shakerin, S.; Sanjari, M.; Amirkhiz, B.S.; Mohammadi, M. Interface engineering of additively manufactured maraging steel-H13 bimetallic structures. Mater. Charact. 2020, 170, 110728. [Google Scholar] [CrossRef]
- Anirudhan, B.T.; Devasia, J.; Krishna, T.; Kuruvila, M.T. Manufacturing of a Bimetallic Structure of Stainless Steel and Mild Steel through Wire Arc Additive Manufacturing—A Critical Review. Int. J. Innov. Sci. Res. Technol. 2020, 5, 679–685. [Google Scholar] [CrossRef]
- Ainapurapu, S.B.; Devulapalli, V.A.R.; Theagarajan, R.P.; Chigilipalli, B.K.; Kottala, R.K.; Cheepu, M. Microstructure and Mechanical Properties of the Bimetallic Wire Arc Additively Manufactured Structure (BAMS) of SS304L and SS308L Fabricated by Hybrid Manufacturing Process. Trans. Indian Inst. Met. 2023, 76, 419–426. [Google Scholar] [CrossRef]
- Kannan, R.; Lee, Y.; Pierce, D.; Unocic, K.; Fillingim, B.; Feldhausen, T.; Rossy, A.M.; Wang, H.; Nandwana, P. Additive manufacturing as a processing route for steel-aluminum bimetallic structures. Mater. Des. 2023, 231, 112003. [Google Scholar] [CrossRef]
- Guo, Z.; Liu, M.; Bian, X.; Liu, M.; Li, J. An Al–7Si alloy/cast iron bimetallic composite with super-high shear strength. J. Mater. Res. Technol. 2019, 8, 3126–3136. [Google Scholar] [CrossRef]
- Andreu, A.; Kim, S.; Kim, I.; Kim, J.-H.; Noh, J.; Lee, S.; Lee, W.; Su, P.-C.; Yoon, Y.-J. Processing Challenges and Delamination Prevention Methods in Titanium-Steel DED 3D Printing. Int. J. Precis. Eng. Manuf. Green Technol. 2024, 11, 1663–1679. [Google Scholar] [CrossRef]
- Afrouzian, A.; Groden, C.J.; Field, D.P.; Bose, S.; Bandyopadhyay, A. Additive manufacturing of Ti-Ni bimetallic structures. Mater. Des. 2022, 215, 110461. [Google Scholar] [CrossRef]
- Zhang, Y.; Bandyopadhyay, A. Direct fabrication of bimetallic Ti6Al4V+Al12Si structures via additive manufacturing. Addit. Manuf. 2019, 29, 100783. [Google Scholar] [CrossRef]
- Wu, Y.; Zhao, J.; Yu, L.; Gu, C. Enhanced Interfacial Joining Strength of Mg/Ti Bimetal Casting via 3D-Printed Ti-Based Lattice Material. Met. Mater. Int. 2024, 30, 2229–2249. [Google Scholar] [CrossRef]
- Zhai, W.; Wang, P.; Ng, F.L.; Zhou, W.; Nai, S.M.L.; Wei, J. Hybrid manufacturing of γ-TiAl and Ti–6Al–4V bimetal component with enhanced strength using electron beam melting. Compos. Part B Eng. 2021, 207, 108587. [Google Scholar] [CrossRef]
- Liu, Z.; Ma, R.; Xu, G.; Wang, W.; Liu, J. Laser additive manufacturing of bimetallic structure from Ti-6Al-4V to Ti-48Al-2Cr-2Nb via vanadium interlayer. Mater. Lett. 2020, 263, 127210. [Google Scholar] [CrossRef]
- Hofmann, D.C.; Kolodziejska, J.; Roberts, S.; Otis, R.; Dillon, R.P.; Suh, J.-O.; Liu, Z.-K.; Borgonia, J.-P. Compositionally graded metals: A new frontier of additive manufacturing. J. Mater. Res. 2014, 29, 1899–1910. [Google Scholar] [CrossRef]
- España, F.A.; Balla, V.K.; Bose, S.; Bandyopadhyay, A. Design and fabrication of CoCrMo alloy based novel structures for load bearing implants using laser engineered net shaping. Mater. Sci. Eng. C 2010, 30, 50–57. [Google Scholar] [CrossRef]
- Gradl, P.R.; Protz, C.S. Technology advancements for channel wall nozzle manufacturing in liquid rocket engines. Acta Astronaut. 2020, 174, 148–158. [Google Scholar] [CrossRef]
- Zhang, X.; Pan, T.; Chen, Y.; Li, L.; Zhang, Y.; Liou, F. Additive manufacturing of copper-stainless steel hybrid components using laser-aided directed energy deposition. J. Mater. Sci. Technol. 2021, 80, 100–116. [Google Scholar] [CrossRef]
- Arbogast, A.; Roy, S.; Nycz, A.; Noakes, M.W.; Masuo, C.; Babu, S.S. Investigating the Linear Thermal Expansion of Additively Manufactured Multi-Material Joining between Invar and Steel. Materials 2020, 13, 5683. [Google Scholar] [CrossRef]
- Hinojos, A.; Mireles, J.; Reichardt, A.; Frigola, P.; Hosemann, P.; Murr, L.E.; Wicker, R.B. Joining of Inconel 718 and 316 Stainless Steel using electron beam melting additive manufacturing technology. Mater. Des. 2016, 94, 17–27. [Google Scholar] [CrossRef]
- Wang, C.; Shang, C.; Liu, Z.; Xu, G.; Liu, X. Laser additive manufacturing of bimetallic structure from TC4 to IN718 via Ta/Cu multi-interlayer. Mater. Res. Express 2020, 7, 126506. [Google Scholar] [CrossRef]
- Merhar, J. Overview of metal injection moulding. Met. Powder Rep. 1990, 45, 339–342. [Google Scholar] [CrossRef]
- Suwanpreecha, C.; Manonukul, A. A Review on Material Extrusion Additive Manufacturing of Metal and How It Compares with Metal Injection Moulding. Metals 2022, 12, 429. [Google Scholar] [CrossRef]
- Quarto, M.; Giardini, C. Additive manufacturing of metal filament: When it can replace metal injection moulding. Prog. Addit. Manuf. 2023, 8, 561–570. [Google Scholar] [CrossRef]
- German, R.M. Metal powder injection molding (MIM): Key trends and markets. In Handbook of Metal Injection Molding; Elsevier: Amsterdam, The Netherlands, 2012; pp. 1–25. ISBN 978-0-85709-066-9. [Google Scholar]
- Hamidi, M.F.F.A.; Harun, W.S.W.; Khalil, N.Z.; Samykano, M. Microstructural comparison and mechanical properties of stainless steel 316L fabricated by selective laser melting and metal injection moulding processes. Int. J. Manuf. Technol. Manag. 2019, 33, 76–87. [Google Scholar] [CrossRef]
- Ramazani, H.; Kami, A. Metal FDM, a new extrusion-based additive manufacturing technology for manufacturing of metallic parts: A review. Prog. Addit. Manuf. 2022, 7, 609–626. [Google Scholar] [CrossRef]
- Guerra, M.G.; Morfini, L.; Pellegrini, A.; Meng, F.; Lavecchia, F.; Ferraris, E.; Galantucci, L.M. Material Extrusion-Debinding-Sintering as an Emerging Additive Manufacturing Process Chain for Metal/Ceramic Parts Construction. In CIRP Novel Topics in Production Engineering: Volume 1; Tolio, T., Ed.; Lecture Notes in Mechanical Engineering; Springer Nature: Cham, Switzerland, 2024; Volume 1, pp. 147–182. ISBN 978-3-031-54033-2. [Google Scholar]
- Gonzalez-Gutierrez, J.; Cano, S.; Schuschnigg, S.; Kukla, C.; Sapkota, J.; Holzer, C. Additive Manufacturing of Metallic and Ceramic Components by the Material Extrusion of Highly-Filled Polymers: A Review and Future Perspectives. Materials 2018, 11, 840. [Google Scholar] [CrossRef] [PubMed]
- Dehghan-Manshadi, A.; Yu, P.; Dargusch, M.; StJohn, D.; Qian, M. Metal injection moulding of surgical tools, biomaterials and medical devices: A review. Powder Technol. 2020, 364, 189–204. [Google Scholar] [CrossRef]
- Additive Manufacturing: Siemens Uses Innovative Technology to Produce Gas Turbines [Electronic Resource]. Available online: https://press.siemens.com/global/en/feature/additive-manufacturing-siemens-uses-innovative-technology-produce-gas-turbines/ (accessed on 17 June 2024).
- Rane, K.; Strano, M. A comprehensive review of extrusion-based additive manufacturing processes for rapid production of metallic and ceramic parts. Adv. Manuf. 2019, 7, 155–173. [Google Scholar] [CrossRef]
- Nurhudan, A.I.; Supriadi, S.; Whulanza, Y.; Saragih, A.S. Additive manufacturing of metallic based on extrusion process: A review. J. Manuf. Process. 2021, 66, 228–237. [Google Scholar] [CrossRef]
- Chemkhi, M.; Djouda, J.M.; Bouaziz, M.A.; Kauffmann, J.; Hild, F.; Retraint, D. Effects of Mechanical Post-Treatments on Additive Manufactured 17-4PH Stainless Steel Produced by Bound Powder Extrusion. Procedia CIRP 2021, 104, 957–961. [Google Scholar] [CrossRef]
- Singh, G.; Missiaen, J.-M.; Bouvard, D.; Chaix, J.-M. Additive manufacturing of 17–4 PH steel using metal injection molding feedstock: Analysis of 3D extrusion printing, debinding and sintering. Addit. Manuf. 2021, 47, 102287. [Google Scholar] [CrossRef]
- Singh, G.; Missiaen, J.-M.; Bouvard, D.; Chaix, J.-M. Copper extrusion 3D printing using metal injection moulding feedstock: Analysis of process parameters for green density and surface roughness optimization. Addit. Manuf. 2021, 38, 101778. [Google Scholar] [CrossRef]
- Singh, G.; Missiaen, J.-M.; Bouvard, D.; Chaix, J.-M. Copper additive manufacturing using MIM feedstock: Adjustment of printing, debinding, and sintering parameters for processing dense and defectless parts. Int. J. Adv. Manuf. Technol. 2021, 115, 449–462. [Google Scholar] [CrossRef]
- AIM3D [Electronic Resource]. Available online: https://www.aim3d.de/en/ (accessed on 18 June 2024).
- Pollen [Electronic Resource]. Available online: https://www.pollen.am/ (accessed on 18 June 2024).
- Desktop Metal [Electronic Resource]. Available online: https://www.desktopmetal.com/materials (accessed on 18 June 2024).
- Markforged [Electronic Resource]. Available online: https://markforged.com/ (accessed on 18 June 2024).
- Direct3D [Electronic Resource]. Available online: https://www.direct3d.it/ (accessed on 18 June 2024).
- Masood, S.H. Advances in Fused Deposition Modeling. In Comprehensive Materials Processing; Elsevier: Amsterdam, The Netherlands, 2014; pp. 69–91. ISBN 978-0-08-096533-8. [Google Scholar]
- Danforth, S.C.; Agarwala, M.; Bandyopadghyay, A.; Langrana, N.; Jamalabad, V.R.; Safari, A.; van Weeren, R. Solid Freeform Fabrication Methods. U.S. Patent 5,738,817, 14 April 1998. [Google Scholar]
- Drummond, M.; Eltaggaz, A.; Deiab, I. 3D Printing of high melting iron alloys using metal-fused deposition modeling: A comprehensive review. Int. J. Adv. Manuf. Technol. 2023, 129, 1–22. [Google Scholar] [CrossRef]
- Mousapour, M.; Salmi, M.; Klemettinen, L.; Partanen, J. Feasibility study of producing multi-metal parts by Fused Filament Fabrication (FFF) technique. J. Manuf. Process. 2021, 67, 438–446. [Google Scholar] [CrossRef]
- Abe, Y.; Kurose, T.; Santos, M.; Kanaya, Y.; Ishigami, A.; Tanaka, S.; Ito, H. Effect of Layer Directions on Internal Structures and Tensile Properties of 17-4PH Stainless Steel Parts Fabricated by Fused Deposition of Metals. Materials 2021, 14, 243. [Google Scholar] [CrossRef]
- Galati, M.; Minetola, P. Analysis of Density, Roughness, and Accuracy of the Atomic Diffusion Additive Manufacturing (ADAM) Process for Metal Parts. Materials 2019, 12, 4122. [Google Scholar] [CrossRef]
- Bouaziz, M.A.; Djouda, J.M.; Chemkhi, M.; Rambaudon, M.; Kauffmann, J.; Hild, F. Heat treatment effect on 17-4PH stainless steel manufactured by Atomic Diffusion Additive Manufacturing (ADAM). Procedia CIRP 2021, 104, 935–938. [Google Scholar] [CrossRef]
- Henry, T.C.; Morales, M.A.; Cole, D.P.; Shumeyko, C.M.; Riddick, J.C. Mechanical behavior of 17-4 PH stainless steel processed by atomic diffusion additive manufacturing. Int. J. Adv. Manuf. Technol. 2021, 114, 2103–2114. [Google Scholar] [CrossRef]
- Sadaf, M.; Bragaglia, M.; Nanni, F. A simple route for additive manufacturing of 316L stainless steel via Fused Filament Fabrication. J. Manuf. Process. 2021, 67, 141–150. [Google Scholar] [CrossRef]
- Wagner, M.A.; Engel, J.; Hadian, A.; Clemens, F.; Rodriguez-Arbaizar, M.; Carreño-Morelli, E.; Wheeler, J.M.; Spolenak, R. Filament extrusion-based additive manufacturing of 316L stainless steel: Effects of sintering conditions on the microstructure and mechanical properties. Addit. Manuf. 2022, 59, 103147. [Google Scholar] [CrossRef]
- Wang, Y.; Zhang, L.; Li, X.; Yan, Z. On hot isostatic pressing sintering of fused filament fabricated 316L stainless steel—Evaluation of microstructure, porosity, and tensile properties. Mater. Lett. 2021, 296, 129854. [Google Scholar] [CrossRef]
- Kurose, T.; Abe, Y.; Santos, M.V.A.; Kanaya, Y.; Ishigami, A.; Tanaka, S.; Ito, H. Influence of the Layer Directions on the Properties of 316L Stainless Steel Parts Fabricated through Fused Deposition of Metals. Materials 2020, 13, 2493. [Google Scholar] [CrossRef]
- Thompson, Y.; Gonzalez-Gutierrez, J.; Kukla, C.; Felfer, P. Fused filament fabrication, debinding and sintering as a low cost additive manufacturing method of 316L stainless steel. Addit. Manuf. 2019, 30, 100861. [Google Scholar] [CrossRef]
- Liu, B.; Wang, Y.; Lin, Z.; Zhang, T. Creating metal parts by Fused Deposition Modeling and Sintering. Mater. Lett. 2020, 263, 127252. [Google Scholar] [CrossRef]
- Parenti, P.; Cataldo, S.; Annoni, M. Shape deposition manufacturing of 316L parts via feedstock extrusion and green-state milling. Manuf. Lett. 2018, 18, 6–11. [Google Scholar] [CrossRef]
- Ait-Mansour, I.; Kretzschmar, N.; Chekurov, S.; Salmi, M.; Rech, J. Design-dependent shrinkage compensation modeling and mechanical property targeting of metal FFF. Prog. Addit. Manuf. 2020, 5, 51–57. [Google Scholar] [CrossRef]
- Damon, J.; Dietrich, S.; Gorantla, S.; Popp, U.; Okolo, B.; Schulze, V. Process porosity and mechanical performance of fused filament fabricated 316L stainless steel. Rapid Prototyp. J. 2019, 25, 1319–1327. [Google Scholar] [CrossRef]
- Quarto, M.; Carminati, M.; D’Urso, G. Density and shrinkage evaluation of AISI 316L parts printed via FDM process. Mater. Manuf. Process. 2021, 36, 1535–1543. [Google Scholar] [CrossRef]
- Pellegrini, A.; Palmieri, M.E.; Guerra, M.G. Evaluation of anisotropic mechanical behaviour of 316L parts realized by metal fused filament fabrication using digital image correlation. Int. J. Adv. Manuf. Technol. 2022, 120, 7951–7965. [Google Scholar] [CrossRef]
- Zhang, Y.; Bai, S.; Riede, M.; Garratt, E.; Roch, A. A comprehensive study on fused filament fabrication of Ti-6Al-4V structures. Addit. Manuf. 2020, 34, 101256. [Google Scholar] [CrossRef]
- Singh, P.; Balla, V.K.; Atre, S.V.; German, R.M.; Kate, K.H. Factors affecting properties of Ti-6Al-4V alloy additive manufactured by metal fused filament fabrication. Powder Technol. 2021, 386, 9–19. [Google Scholar] [CrossRef]
- Singh, P.; Balla, V.K.; Gokce, A.; Atre, S.V.; Kate, K.H. Additive manufacturing of Ti-6Al-4V alloy by metal fused filament fabrication (MF3): Producing parts comparable to that of metal injection molding. Prog. Addit. Manuf. 2021, 6, 593–606. [Google Scholar] [CrossRef]
- Galantucci, L.M.; Pellegrini, A.; Guerra, M.G.; Lavecchia, F. 3D Printing of parts using metal extrusion: An overview of shaping debinding and sintering technology. Adv. Technol. Mater. 2022, 47, 25–32. [Google Scholar] [CrossRef]
- Gonzalez-Gutierrez, J.; Cano, S.; Ecker, J.V.; Kitzmantel, M.; Arbeiter, F.; Kukla, C.; Holzer, C. Bending Properties of Lightweight Copper Specimens with Different Infill Patterns Produced by Material Extrusion Additive Manufacturing, Solvent Debinding and Sintering. Appl. Sci. 2021, 11, 7262. [Google Scholar] [CrossRef]
- Sadaf, M.; Cano, S.; Gonzalez-Gutierrez, J.; Bragaglia, M.; Schuschnigg, S.; Kukla, C.; Holzer, C.; Vály, L.; Kitzmantel, M.; Nanni, F. Influence of Binder Composition and Material Extrusion (MEX) Parameters on the 3D Printing of Highly Filled Copper Feedstocks. Polymers 2022, 14, 4962. [Google Scholar] [CrossRef]
- Mazeeva, A.; Masaylo, D.; Razumov, N.; Konov, G.; Popovich, A. 3D Printing Technologies for Fabrication of Magnetic Materials Based on Metal–Polymer Composites: A Review. Materials 2023, 16, 6928. [Google Scholar] [CrossRef]
- Osman, A.; Lu, J. 3D printing of polymer composites to fabricate wearable sensors: A comprehensive review. Mater. Sci. Eng. R Rep. 2023, 154, 100734. [Google Scholar] [CrossRef]
- Hwang, S.; Reyes, E.I.; Moon, K.; Rumpf, R.C.; Kim, N.S. Thermo-mechanical Characterization of Metal/Polymer Composite Filaments and Printing Parameter Study for Fused Deposition Modeling in the 3D Printing Process. J. Electron. Mater. 2015, 44, 771–777. [Google Scholar] [CrossRef]
- Hasib, A.G.; Niauzorau, S.; Xu, W.; Niverty, S.; Kublik, N.; Williams, J.; Chawla, N.; Song, K.; Azeredo, B. Rheology scaling of spherical metal powders dispersed in thermoplastics and its correlation to the extrudability of filaments for 3D printing. Addit. Manuf. 2021, 41, 101967. [Google Scholar] [CrossRef]
- Lieberwirth, C.; Harder, A.; Seitz, H. Extrusion Based Additive Manufacturing of Metal Parts. J. Mech. Eng. Autom. 2017, 7, 79–83. [Google Scholar] [CrossRef]
- Azo Materials [Electronic Resource]. Available online: https://www.azom.com/article.aspx?ArticleID=2382 (accessed on 21 June 2024).
- AK Steel [Electronic Resource]. Available online: https://www.aksteel.nl/files/downloads/172888_armco_17-4_ph_pdb_euro_final_secured_89.pdf (accessed on 21 June 2024).
- ASM Aerospace Specification Metals Inc. [Electronic Resource]. Available online: https://asm.matweb.com/search/SpecificMaterial.asp?bassnum=mtp641 (accessed on 21 June 2024).
- Matweb [Electronic Resource]. Available online: https://www.matweb.com/search/datasheet_print.aspx?matguid=9aebe83845c04c1db5126fada6f76f7e (accessed on 21 June 2024).
- Giberti, H.; Strano, M.; Annoni, M. An innovative machine for Fused Deposition Modeling of metals and advanced ceramics. MATEC Web Conf. 2016, 43, 03003. [Google Scholar] [CrossRef]
- Hassan, W.; Farid, M.A.; Tosi, A.; Rane, K.; Strano, M. The effect of printing parameters on sintered properties of extrusion-based additively manufactured stainless steel 316L parts. Int. J. Adv. Manuf. Technol. 2021, 114, 3057–3067. [Google Scholar] [CrossRef]
- Waalkes, L.; Längerich, J.; Holbe, F.; Emmelmann, C. Feasibility study on piston-based feedstock fabrication with Ti-6Al-4V metal injection molding feedstock. Addit. Manuf. 2020, 35, 101207. [Google Scholar] [CrossRef]
- Lengauer, W.; Duretek, I.; Fürst, M.; Schwarz, V.; Gonzalez-Gutierrez, J.; Schuschnigg, S.; Kukla, C.; Kitzmantel, M.; Neubauer, E.; Lieberwirth, C.; et al. Fabrication and properties of extrusion-based 3D-printed hardmetal and cermet components. Int. J. Refract. Met. Hard Mater. 2019, 82, 141–149. [Google Scholar] [CrossRef]
- Vishwanath, A.S.; Rane, K.; Schaper, J.; Strano, M.; Casati, R. Rapid production of AZ91 Mg alloy by extrusion based additive manufacturing process. Powder Metall. 2021, 64, 370–377. [Google Scholar] [CrossRef]
- Schaper, J.G.; Wolff, M.; Wiese, B.; Ebel, T.; Willumeit-Römer, R. Powder metal injection moulding and heat treatment of AZ81 Mg alloy. J. Mater. Process. Technol. 2019, 267, 241–246. [Google Scholar] [CrossRef]
- Hoffmann, M.; Elwany, A. Material extrusion additive manufacturing of AISI 316L pastes. J. Manuf. Process. 2023, 108, 238–251. [Google Scholar] [CrossRef]
- Wang, H.; Chen, C.; Yang, F.; Shao, Y.; Guo, Z. Direct ink writing of metal parts with curing by UV light irradiation. Mater. Today Commun. 2021, 26, 102037. [Google Scholar] [CrossRef]
- Elsayed, H.; Rebesan, P.; Giacomello, G.; Pasetto, M.; Gardin, C.; Ferroni, L.; Zavan, B.; Biasetto, L. Direct ink writing of porous titanium (Ti6Al4V) lattice structures. Mater. Sci. Eng. C 2019, 103, 109794. [Google Scholar] [CrossRef]
- Xu, C.; Chen, X.; Wu, W.; Liu, Q.; Ren, L. Bioinspired Multi-Metal Structures Produced via Direct Ink Writing. J. Bionic Eng. 2022, 19, 1578–1588. [Google Scholar] [CrossRef]
- Xu, C.; Xu, Y.; Chen, X.; Wu, W.; Zhang, L.; Liu, Q.; Ren, L. Direct ink writing of porous Fe–Ti6Al4V and Fe-Inconel 718 bimetallic structures. J. Mater. Res. Technol. 2023, 25, 6613–6627. [Google Scholar] [CrossRef]
- Park, B.K.; Kim, D.; Jeong, S.; Moon, J.; Kim, J.S. Direct writing of copper conductive patterns by ink-jet printing. Thin Solid Films 2007, 515, 7706–7711. [Google Scholar] [CrossRef]
- Mooraj, S.; Welborn, S.S.; Jiang, S.; Peng, S.; Fu, J.; Baker, S.; Duoss, E.B.; Zhu, C.; Detsi, E.; Chen, W. Three-dimensional hierarchical nanoporous copper via direct ink writing and dealloying. Scr. Mater. 2020, 177, 146–150. [Google Scholar] [CrossRef]
- Ang, X.; Tey, J.Y.; Yeo, W.H.; Shak, K.P.Y. A review on metallic and ceramic material extrusion method: Materials, rheology, and printing parameters. J. Manuf. Process. 2023, 90, 28–42. [Google Scholar] [CrossRef]
- Song, B.; Kenel, C.; Dunand, D.C. 3D ink-extrusion printing and sintering of Ti, Ti-TiB and Ti-TiC microlattices. Addit. Manuf. 2020, 35, 101412. [Google Scholar] [CrossRef]
- Dizon, J.R.C.; Chen, Q.; Valino, A.D.; Advincula, R.C. Thermo-mechanical and swelling properties of three-dimensional-printed poly (ethylene glycol) diacrylate/silica nanocomposites. MRS Commun. 2019, 9, 209–217. [Google Scholar] [CrossRef]
- Chen, W.; Thornley, L.; Coe, H.G.; Tonneslan, S.J.; Vericella, J.J.; Zhu, C.; Duoss, E.B.; Hunt, R.M.; Wight, M.J.; Apelian, D.; et al. Direct metal writing: Controlling the rheology through microstructure. Appl. Phys. Lett. 2017, 110, 094104. [Google Scholar] [CrossRef]
- Daalkhaijav, U.; Yirmibesoglu, O.D.; Walker, S.; Mengüç, Y. Rheological Modification of Liquid Metal for Additive Manufacturing of Stretchable Electronics. Adv. Mater. Technol. 2018, 3, 1700351. [Google Scholar] [CrossRef]
- Valentine, A.D.; Busbee, T.A.; Boley, J.W.; Raney, J.R.; Chortos, A.; Kotikian, A.; Berrigan, J.D.; Durstock, M.F.; Lewis, J.A. Hybrid 3D Printing of Soft Electronics. Adv. Mater. 2017, 29, 1703817. [Google Scholar] [CrossRef]
- Hardin, J.O.; Ober, T.J.; Valentine, A.D.; Lewis, J.A. Microfluidic Printheads for Multimaterial 3D Printing of Viscoelastic Inks. Adv. Mater. 2015, 27, 3279–3284. [Google Scholar] [CrossRef]
- M’Barki, A.; Bocquet, L.; Stevenson, A. Linking Rheology and Printability for Dense and Strong Ceramics by Direct Ink Writing. Sci. Rep. 2017, 7, 6017. [Google Scholar] [CrossRef]
- Lim, G.J.H.; Wu, Y.; Shah, B.B.; Koh, J.J.; Liu, C.K.; Zhao, D.; Cheetham, A.K.; Wang, J.; Ding, J. 3D-Printing of Pure Metal–Organic Framework Monoliths. ACS Mater. Lett. 2019, 1, 147–153. [Google Scholar] [CrossRef]
- Costakis, W.J.; Rueschhoff, L.M.; Diaz-Cano, A.I.; Youngblood, J.P.; Trice, R.W. Additive manufacturing of boron carbide via continuous filament direct ink writing of aqueous ceramic suspensions. J. Eur. Ceram. Soc. 2016, 36, 3249–3256. [Google Scholar] [CrossRef]
- Jørgensen, L.; Le Merrer, M.; Delanoë-Ayari, H.; Barentin, C. Yield stress and elasticity influence on surface tension measurements. Soft Matter 2015, 11, 5111–5121. [Google Scholar] [CrossRef]
- Chan, S.S.L.; Pennings, R.M.; Edwards, L.; Franks, G.V. 3D printing of clay for decorative architectural applications: Effect of solids volume fraction on rheology and printability. Addit. Manuf. 2020, 35, 101335. [Google Scholar] [CrossRef]
- Peng, E.; Zhang, D.; Ding, J. Ceramic Robocasting: Recent Achievements, Potential, and Future Developments. Adv. Mater. 2018, 30, 1802404. [Google Scholar] [CrossRef] [PubMed]
- Zocca, A.; Colombo, P.; Gomes, C.M.; Günster, J. Additive Manufacturing of Ceramics: Issues, Potentialities, and Opportunities. J. Am. Ceram. Soc. 2015, 98, 1983–2001. [Google Scholar] [CrossRef]
- Coffigniez, M.; Gremillard, L.; Balvay, S.; Lachambre, J.; Adrien, J.; Boulnat, X. Direct-ink writing of strong and biocompatible titanium scaffolds with bimodal interconnected porosity. Addit. Manuf. 2021, 39, 101859. [Google Scholar] [CrossRef]
- Gonzalez-Gutierrez, J.; Duretek, I.; Kukla, C.; Poljšak, A.; Bek, M.; Emri, I.; Holzer, C. Models to Predict the Viscosity of Metal Injection Molding Feedstock Materials as Function of Their Formulation. Metals 2016, 6, 129. [Google Scholar] [CrossRef]
- Gonzalez-Gutierrez, J.; Godec, D.; Kukla, C.; Schlauf, T.; Burkhardt, C.; Holzer, C. Shaping, Debinding and Sintering of Steel Components via Fused Filament Fabrication; Chroatian Association of Production Engineering, Zagreb: Zadar, Croatia, 2017; pp. 101–104. [Google Scholar]
- Stavropoulos, P.; Foteinopoulos, P. Modelling of additive manufacturing processes: A review and classification. Manuf. Rev. 2018, 5, 2. [Google Scholar] [CrossRef]
- Nan, B.; Galindo-Rosales, F.J.; Ferreira, J.M.F. 3D printing vertically: Direct ink writing free-standing pillar arrays. Mater. Today 2020, 35, 16–24. [Google Scholar] [CrossRef]
- Yang, Y.; Yang, Z.; He, P.; Duan, X.; Cai, D.; Jia, D.; Zhou, Y. Si3N4 ceramics with embedded microchannel structures fabricated by high-precision additive manufacturing based on computational fluid dynamics simulations. Addit. Manuf. 2022, 60, 103271. [Google Scholar] [CrossRef]
- Tu, Y.; Hassan, A.; Arrieta-Escobar, J.A.; Khaleeq Uz Zaman, U.; Xue, F.; Ali, S.; Yang, G. Predictive modeling of extruded filament in the air for bioink in direct ink writing using numerical simulation. Procedia CIRP 2022, 112, 394–399. [Google Scholar] [CrossRef]
- Riaz, A.; Töllner, P.; Ahrend, A.; Springer, A.; Milkereit, B.; Seitz, H. Optimization of composite extrusion modeling process parameters for 3D printing of low-alloy steel AISI 8740 using metal injection moulding feedstock. Mater. Des. 2022, 219, 110814. [Google Scholar] [CrossRef]
- Marnot, A.; Dobbs, A.; Brettmann, B. Material extrusion additive manufacturing of dense pastes consisting of macroscopic particles. MRS Commun. 2022, 12, 483–494. [Google Scholar] [CrossRef] [PubMed]
- Jang, S.; Boddorff, A.; Jang, D.J.; Lloyd, J.; Wagner, K.; Thadhani, N.; Brettmann, B. Effect of material extrusion process parameters on filament geometry and inter-filament voids in as-fabricated high solids loaded polymer composites. Addit. Manuf. 2021, 47, 102313. [Google Scholar] [CrossRef]
- Tang, S.; Yang, L.; Li, G.; Liu, X.; Fan, Z. 3D printing of highly-loaded slurries via layered extrusion forming: Parameters optimization and control. Addit. Manuf. 2019, 28, 546–553. [Google Scholar] [CrossRef]
- Friedrich, L.; Begley, M. In situ characterization of low-viscosity direct ink writing: Stability, wetting, and rotational flows. J. Colloid Interface Sci. 2018, 529, 599–609. [Google Scholar] [CrossRef] [PubMed]
- Larson, R.G.; Desai, P.S. Modeling the Rheology of Polymer Melts and Solutions. Annu. Rev. Fluid Mech. 2015, 47, 47–65. [Google Scholar] [CrossRef]
- Yuk, H.; Zhao, X. A New 3D Printing Strategy by Harnessing Deformation, Instability, and Fracture of Viscoelastic Inks. Adv. Mater. 2018, 30, 1704028. [Google Scholar] [CrossRef]
- Boschetto, A.; Bottini, L.; Miani, F.; Veniali, F. Roughness investigation of steel 316L parts fabricated by Metal Fused Filament Fabrication. J. Manuf. Process. 2022, 81, 261–280. [Google Scholar] [CrossRef]
- Wickramasinghe, S.; Do, T.; Tran, P. FDM-Based 3D Printing of Polymer and Associated Composite: A Review on Mechanical Properties, Defects and Treatments. Polymers 2020, 12, 1529. [Google Scholar] [CrossRef] [PubMed]
- Asami, K.; Crego Lozares, J.M.; Ullah, A.; Bossen, B.; Clague, L.; Emmelmann, C. Material extrusion of metals: Enabling multi-material alloys in additive manufacturing. Mater. Today Commun. 2024, 38, 107889. [Google Scholar] [CrossRef]
- Shibo, G.; Xuanhui, Q.; Xinbo, H.; Ting, Z.; Bohua, D. Powder injection molding of Ti–6Al–4V alloy. J. Mater. Process. Technol. 2006, 173, 310–314. [Google Scholar] [CrossRef]
- Miura, H.; Osada, T.; Itoh, Y. Metal Injection Molding (MIM) Processing. In Advances in Metallic Biomaterials: Processing and Applications; Niinomi, M., Narushima, T., Nakai, M., Eds.; Springer Series in Biomaterials Science and Engineering; Springer: Berlin/Heidelberg, Germany, 2015; Volume 4, pp. 27–56. ISBN 978-3-662-46841-8. [Google Scholar]
- Ebel, T. Titanium MIM for manufacturing of medical implants and devices. In Titanium in Medical and Dental Applications; Elsevier: Amsterdam, The Netherlands, 2018; pp. 531–551. ISBN 978-0-12-812456-7. [Google Scholar]
- Gong, H.; Snelling, D.; Kardel, K.; Carrano, A. Comparison of Stainless Steel 316L Parts Made by FDM- and SLM-Based Additive Manufacturing Processes. JOM 2019, 71, 880–885. [Google Scholar] [CrossRef]
- Jiang, D.; Ning, F. Bi-metal structures fabricated by extrusion-based sintering-assisted additive manufacturing. J. Manuf. Process. 2023, 98, 216–222. [Google Scholar] [CrossRef]
- Ghasemi, S.; Azadbeh, M.; Mousapour, M.; Mohammadzadeh, A.; Danninger, H.; Salimi, N. The role of pore evolution during supersolidus liquid phase sintering of prealloyed brass powder. Powder Metall. 2020, 63, 187–196. [Google Scholar] [CrossRef]
- Ferro, P.; Fabrizi, A.; Elsayed, H.S.A.; Berto, F.; Savio, G. Creating IN718-High Carbon Steel bi-metallic parts by Fused Deposition Modeling and Sintering. Procedia Struct. Integr. 2023, 47, 535–544. [Google Scholar] [CrossRef]
- Ferro, P.; Fabrizi, A.; Bonollo, F.; Elsayed, H.S.A.; Berto, F.; Savio, G. High carbon steel/Inconel 718 bimetallic parts produced via Fused Filament Fabrication and Sintering. Frat. Integrità Strutt. 2023, 17, 246–256. [Google Scholar] [CrossRef]
- Xu, C.; Quinn, B.; Lebel, L.L.; Therriault, D.; L’Espérance, G. Multi-Material Direct Ink Writing (DIW) for Complex 3D Metallic Structures with Removable Supports. ACS Appl. Mater. Interfaces 2019, 11, 8499–8506. [Google Scholar] [CrossRef]
- Dokme, F.; Kulekci, M.; Esme, U. Microstructural and Mechanical Characterization of Dissimilar Metal Welding of Inconel 625 and AISI 316L. Metals 2018, 8, 797. [Google Scholar] [CrossRef]
- Li, Z.; Zhao, J.; Jia, F.; Liang, X.; Zhang, Q.; Yuan, X.; Jiao, S.; Jiang, Z. Interfacial characteristics and mechanical properties of duplex stainless steel bimetal composite by heat treatment. Mater. Sci. Eng. A 2020, 787, 139513. [Google Scholar] [CrossRef]
- Xu, C.; Bouchemit, A.; L’Espérance, G.; Laberge Lebel, L.; Therriault, D. Solvent-cast based metal 3D printing and secondary metallic infiltration. J. Mater. Chem. C 2017, 5, 10448–10455. [Google Scholar] [CrossRef]
Disclaimer/Publisher’s Note: The statements, opinions and data contained in all publications are solely those of the individual author(s) and contributor(s) and not of MDPI and/or the editor(s). MDPI and/or the editor(s) disclaim responsibility for any injury to people or property resulting from any ideas, methods, instructions or products referred to in the content. |
© 2024 by the authors. Licensee MDPI, Basel, Switzerland. This article is an open access article distributed under the terms and conditions of the Creative Commons Attribution (CC BY) license (https://creativecommons.org/licenses/by/4.0/).