Size and Shape Effects on Fatigue Behavior of G20Mn5QT Steel from Axle Box Bodies in High-Speed Trains
Abstract
:1. Introduction
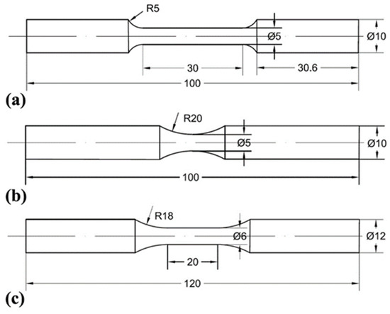
2. Materials and Methods
3. Results
3.1. Measurement of Specimen Temperature
3.2. Stress-Life (S-N) Data
3.3. Crack Initiation Mechanism
4. Discussion
4.1. Comparison of S-N Data
4.2. Prediction of Size and Shape Effects
5. Conclusions
Author Contributions
Funding
Institutional Review Board Statement
Informed Consent Statement
Data Availability Statement
Conflicts of Interest
References
- Li, G.; Sun, C.Q. High-temperature failure mechanism and defect sensitivity of TC17 titanium alloy in high cycle fatigue. J. Mater. Sci. Technol. 2022, 122, 128–140. [Google Scholar] [CrossRef]
- Rozumek, D.; Faszynka, S. Surface cracks growth in aluminum alloy AW-2017A-T4 under combined loadings. Eng. Fract. Mech. 2020, 226, 106896. [Google Scholar] [CrossRef]
- Sun, C.Q.; Li, Y.Q.; Xu, K.L.; Xu, B.T. Effects of intermittent loading time and stress ratio on dwell fatigue behavior of titanium alloy Ti-6Al-4V ELI used in deep-sea submersibles. J. Mater. Sci. Technol. 2021, 77, 223–236. [Google Scholar] [CrossRef]
- Rozumek, D. Influence of the slot inclination angle in FeP04 steel on fatigue crack growth under tension. Mater. Des. 2009, 30, 1859–1865. [Google Scholar] [CrossRef]
- Lukács, J.; Meilinger, Á.; Pósalaky, D. High cycle fatigue and fatigue crack propagation design curves for 5754-H22 and 6082-T6 aluminium alloys and their friction stir welded joints. Weld. World 2018, 62, 737–749. [Google Scholar] [CrossRef]
- Mädler, K.; Geburtig, T.; Ullrich, D. An experimental approach to determining the residual lifetimes of wheelset axles on a full-scale wheel-rail roller test rig. Int. J. Fatigue 2016, 86, 58–63. [Google Scholar] [CrossRef]
- Wang, Y.; Yuan, L.; Zhang, S.; Sun, C.; Wang, W.; Yang, G.; Wei, Y. The influence of combined gradient structure with residual stress on crack-growth behavior in medium carbon steel. Eng. Fract. Mech. 2019, 209, 369–381. [Google Scholar] [CrossRef] [Green Version]
- Wu, S.C.; Liu, Y.X.; Li, C.H.; Kang, G.Z.; Liang, S.L. On the fatigue performance and residual life of intercity railway axles with inside axle boxes. Eng. Fract. Mech. 2018, 197, 176–191. [Google Scholar] [CrossRef]
- Akama, M. Bayesian analysis for the results of fatigue test using full-scale models to obtain the accurate failure probabilities of the Shinkansen vehicle axle. Reliab. Eng. Syst. Safe 2002, 75, 321–332. [Google Scholar] [CrossRef]
- Xu, Y.H.; Zhao, Y.X. Simulation for short fatigue cracks initiation of LZ50 axle steel for railway vehicles. Chin. J. Appl. Mech. 2009, 26, 589–593. [Google Scholar]
- Cervello, S. Fatigue properties of railway axles: New results of full-scale specimens from Euraxles project. Int. J. Fatigue 2016, 86, 2–12. [Google Scholar] [CrossRef]
- Lu, L.T.; Zhang, J.W.; Zhang, Y.B.; Zhi, B.Y.; Zhang, W.H. Rotary bending fatigue property of LZ50 axle steel in gigacycle regime. J. China Railw. Soc. 2009, 31, 37–41. [Google Scholar]
- Chen, Y.P.; Li, Y.B.; Zhang, X.L.; Sun, C.Q.; Hong, Y.S. Study on high-cycle and very-high-cycle fatigue properties of EA4T axle steel. Rail Transp. Equip. Technol. 2017, 1, 21–23. [Google Scholar]
- Beretta, S.; Carboni, M.; Fiore, G.; Lo Conte, A. Corrosion–fatigue of A1N railway axle steel exposed to rainwater. Int. J. Fatigue 2010, 32, 952–961. [Google Scholar] [CrossRef]
- Wang, W.J.; Liu, Z.M.; Li, Q.; Miao, L.X. Fatigue strength analysis of CRH2 motor bogie frame. J. Beijing Jiaotong Univ. 2009, 33, 5–9. [Google Scholar]
- Zhang, S.J.; Xie, J.J.; Jiang, Q.Q.; Zhang, X.L.; Sun, C.Q.; Hong, Y.S. Fatigue crack growth behavior in gradient microstructure of hardened surface layer for an axle steel. Mater. Sci. Eng. A 2017, 700, 66–74. [Google Scholar] [CrossRef] [Green Version]
- Guagliano, M.; Vergani, L. Experimental and numerical analysis of sub-surface cracks in railway wheels. Eng. Fract. Mech. 2005, 72, 255–269. [Google Scholar] [CrossRef]
- Gao, J.W.; Pan, X.N.; Han, J.; Zhu, S.P.; Liao, D.; Li, Y.B.; Dai, G.Z. Influence of artificial defects on fatigue strength of induction hardened S38C axles. Int. J. Fatigue 2020, 139, 105746. [Google Scholar] [CrossRef]
- Luke, M.; Varfolomeev, I.; Lütkepohl, K.; Esderts, A. Fatigue crack growth in railway axles: Assessment concept and validation tests. Eng. Fract. Mech. 2011, 78, 714–730. [Google Scholar] [CrossRef]
- Tomaszewski, T.; Sempruch, J. Analysis of size effect in high-cycle fatigue for EN AW-6063. Solid State Phenom. 2014, 224, 75–80. [Google Scholar] [CrossRef]
- Lee, Y.L.; Pan, J.; Hathaway, R.; Barkey, M. Fatigue Testing and Analysis: Theory and Practice; Elsevier Butterworth-Heinemann: Oxford, UK, 2005. [Google Scholar]
- Li, Y.Q.; Song, Q.Y.; Feng, S.C.; Sun, C.Q. Effects of loading frequency and specimen geometry on high cycle and very high cycle fatigue life of a high strength titanium alloy. Materials 2018, 11, 1628. [Google Scholar] [CrossRef] [PubMed] [Green Version]
- Furuya, Y. Specimen size effects on gigacycle fatigue properties of high-strength steel under ultrasonic fatigue testing. Scr. Mater. 2008, 58, 1014–1017. [Google Scholar] [CrossRef]
- Shirani, M.; Härkegård, G. Fatigue life distribution and size effect in ductile cast iron for wind turbine components. Eng. Fail. Anal. 2011, 18, 12–24. [Google Scholar] [CrossRef]
- Li, Y.B.; Song, Q.Y.; Yang, K.; Chen, Y.P.; Sun, C.Q.; Hong, Y.S. Probabilistic control volume method for the size effect of specimen fatigue performance. Chin. J. Theor. App. Mech. 2019, 51, 1363–1371. [Google Scholar] [CrossRef]
- Shen, X.L.; Lu, L.T.; Jiang, H.F.; Zhang, J.W.; Yi, H.F. Effect of inclusion size on the fatigue strengthen of small specimens and railway alloy axles. J. Mech. Eng. 2010, 46, 48–52. [Google Scholar] [CrossRef]
- Varfolomeev, I.; Luke, M.; Burdack, M. Effect of specimen geometry on fatigue crack growth rates for the railway axle material EA4T. Eng. Fract. Mech. 2011, 78, 742–753. [Google Scholar] [CrossRef]
- Sun, C.Q.; Song, Q.Y. A method for predicting the effects of specimen geometry and loading condition on fatigue strength. Metals 2018, 8, 811. [Google Scholar] [CrossRef] [Green Version]
- Murakami, Y. Metal Fatigue: Effects of Small Defects and Nonmetallic Inclusions; Elsevier Science Ltd.: Oxford, UK, 2002; pp. 333–336. [Google Scholar]
- Sun, C.Q.; Zhang, X.; Liu, X.; Hong, Y.S. Effects of specimen size on fatigue life of metallic materials in high-cycle and very-high-cycle fatigue regimes. Fatigue Fract. Eng. Mater. Struct. 2016, 39, 770–779. [Google Scholar] [CrossRef] [Green Version]
- Sun, C.Q.; Song, Q.Y. A method for evaluating the effects of specimen geometry and loading condition on fatigue life of metallic materials. Mater. Res. Express 2019, 6, 046536. [Google Scholar] [CrossRef] [Green Version]
- Li, C.M.; Hu, Z.; Sun, C.Q.; Song, Q.Y.; Zhang, W.H. Probabilistic control volume method for evaluating the effects of notch size and loading type on fatigue life. Acta Mech. Solida Sin. 2020, 33, 141–149. [Google Scholar] [CrossRef]
- Hanaki, S.; Yamashita, M.; Uchida, H.; Zako, M. On stochastic evaluation of S–N data based on fatigue strength distribution. Int. J. Fatigue 2010, 32, 605–609. [Google Scholar] [CrossRef]











| Hourglass Specimens | |||
| No. | Local Stress Amplitude σa/MPa | Fatigue Life N/cyc | Loading Frequency f/Hz |
| 1 | 315 | 49,889 | 32 |
| 2 | 367.5 | 4998 | 18 |
| 3 | 315 | 55,521 | 32 |
| 4 | 367.5 | 17,677 | 18 |
| 5 | 399 | 2895 | 1 |
| 6 | 399 | 2299 | 1 |
| 7 | 273 | 10,000,000 1 | 32 |
| 8 | 252 | 374,837 | 32 |
| 9 | 241.5 | 581,314 | 32 |
| 10 | 231 | 3,495,106 | 32 |
| 11 | 210 | 10,000,000 1 | 32 |
| 12 | 252 | 165,505 | 32 |
| 13 | 273 | 280,193 | 32 |
| 14 | 367.5 | 7327 | 1 |
| 15 | 399 | 1913 | 1~2.6 |
| 16 | 315 | 172,615 | 5~32 |
| 17 | 315 | 79,551 | 32 |
| 18 | 315 | 98,057 | 32 |
| 19 | 273 | 1,507,176 | 32 |
| 20 | 367.5 | 4271 | 1 |
| 21 | 367.5 | 15,993 | 1~18 |
| 22 | 252 | 137,278 | 32 |
| Dogbone specimens | |||
| No. | Local Stress Amplitude σa/MPa | Fatigue Life N/cyc | Loading Frequency f/Hz |
| 1 | 240 | 166,822 | 24 |
| 2 | 300 | 18,354 | 4 |
| 3 | 260 | 127,947 | 10 |
| 4 | 220 | 373,935 | 24 |
| 5 | 350 | 2704 | 1 |
| 6 | 350 | 4156 | 1 |
| 7 | 260 | 77,476 | 10 |
| 8 | 220 | 2,411,322 | 24 |
| 9 | 220 | 691,121 | 24 |
| 10 | 200 | 3,000,000 1 | 24 |
| 11 | 200 | 5,000,000 1 | 24 |
| 12 | 380 | 2384 | 1 |
| 13 | 350 | 4334 | 1 |
| 14 | 300 | 31,226 | 4 |
| 15 | 240 | 5,000,000 1 | 6~24 |
| 16 | 260 | 309,419 | 6~10 |
| 17 | 300 | 32,059 | 4 |
| 18 | 260 | 733,656 | 10 |
| 19 | 240 | 10,000,000 1 | 24 |
| Specimen Type | Hourglass | Dogbone |
|---|---|---|
| Control surface/mm2 | 73.58 | 498.14 |
Publisher’s Note: MDPI stays neutral with regard to jurisdictional claims in published maps and institutional affiliations. |
© 2022 by the authors. Licensee MDPI, Basel, Switzerland. This article is an open access article distributed under the terms and conditions of the Creative Commons Attribution (CC BY) license (https://creativecommons.org/licenses/by/4.0/).
Share and Cite
Zhang, Z.; Li, Z.; Wu, H.; Sun, C. Size and Shape Effects on Fatigue Behavior of G20Mn5QT Steel from Axle Box Bodies in High-Speed Trains. Metals 2022, 12, 652. https://doi.org/10.3390/met12040652
Zhang Z, Li Z, Wu H, Sun C. Size and Shape Effects on Fatigue Behavior of G20Mn5QT Steel from Axle Box Bodies in High-Speed Trains. Metals. 2022; 12(4):652. https://doi.org/10.3390/met12040652
Chicago/Turabian StyleZhang, Zhenxian, Zhongwen Li, Han Wu, and Chengqi Sun. 2022. "Size and Shape Effects on Fatigue Behavior of G20Mn5QT Steel from Axle Box Bodies in High-Speed Trains" Metals 12, no. 4: 652. https://doi.org/10.3390/met12040652
APA StyleZhang, Z., Li, Z., Wu, H., & Sun, C. (2022). Size and Shape Effects on Fatigue Behavior of G20Mn5QT Steel from Axle Box Bodies in High-Speed Trains. Metals, 12(4), 652. https://doi.org/10.3390/met12040652

