Next Article in Journal
Energy Saving Characteristics of a Winch System Driven by a Four-Quadrant Hydraulic Pump
Next Article in Special Issue
Interleaving Modulation Schemes in Asymmetrical Dual Three-Phase Machines for the DC-Link Stress Reduction
Previous Article in Journal
Type Synthesis of 4-DOF Non-Overconstrained Parallel Mechanisms with Symmetrical Structures
 
 
Font Type:
Arial Georgia Verdana
Font Size:
Aa Aa Aa
Line Spacing:
Column Width:
Background:
Article

Winding Design and Efficiency Analysis of a Nine-Phase Induction Machine from a Three-Phase Induction Machine

1
Electrical Engineering Department, Universidad del Cono Sur de las Américas, Asuncion 1535, Paraguay
2
Laboratory of Power and Control Systems (LSPyC), Facultad de Ingeniería, Universidad Nacional de Asunción, Luque 2060, Paraguay
*
Author to whom correspondence should be addressed.
Machines 2022, 10(12), 1124; https://doi.org/10.3390/machines10121124
Submission received: 2 November 2022 / Revised: 22 November 2022 / Accepted: 24 November 2022 / Published: 28 November 2022
(This article belongs to the Special Issue Multiphase Machines: Converter Control and Innovative Exploitation)

Abstract

Multiphase machines are a hot research topic in control theory and industrial applications such as electric cars. However, the availability to buy them in the market is limited or null. For this reason, it is common to rewind it from a three-phase commercial machine. In this context, the aim of this paper is two-fold. First, to introduce a straightforward procedure to rewind a nine-phase induction machine from a three-phase one. For that purpose, a study of the three-phase induction motor was performed, which included selecting a new winding design, calculating stator coils, and simulating tests with ANSYS Maxwell software to validate the design. Secondly, a performance analysis comparing the power losses through experimental tests performed to obtain the electrical parameters of both nine-phase and three-phase topologies is presented.

1. Introduction

The green agenda has directly influenced the research for higher efficiency of all-electric machines design and applications. Even though three-phase machine configuration has been and is still the standard choice for industrial applications, in the past decades, machines with a higher number of phases ( q > 3 ), namely multiphase machines, have appeared as an exciting alternative [1]. Multiphase machines have several advantages compared with classical ones, such as better current/power per phase distribution [2], lower torque ripple than three-phase machines [3] and intrinsic fault-tolerance capabilities [4]. This is why multiphase systems can be found in electric boats, electric vehicles, railway traction, more electric aircraft, and wind power generation systems [3,5]. Some commercial examples include Dana six-phase and nine-phase electric trucks [6], and, in Ref. [7], a three-phase dual induction machine was selected as a suitable candidate for a belt-driven starter generator designed for 48 V mini-hybrid propulsion systems, and most recently, electrified propulsion engineering consultancy, Drive System Design (DSD) has developed a power-dense Electric Drive Unit (EDU) designed for a global Tier 1 supplier. Based on six-phase permanent magnet machines, the power-train will be used in a range of medium to heavy-duty commercial vehicle applications, such as city buses and delivery vans, when it reaches the market in 2024 [8]. Another application is “The USS Zumwalt”, a US Navy full-electric propulsion ship powered by General Electric [9].
However, since multiphase machines are relatively new in the market, they lack mass production. Consequently, they must be developed for specific applications, usually from the stator windings of a commercial three-phase machine [10]. It should be noted that multiphase drive systems used for these machines protect against failures since, by increasing the number of phases ( q > 12 ), the possibility of a failure occurring is 12% compared to a conventional three-phase system [11]. Still, with the increase in the number of phases, there is a greater degree of freedom for the operation against faults, with open winding being the most common problem. The absorbed current is distributed to the other phases when losing a phase. Regarding copper losses, as the number of phases increases, a decrease in copper losses was demonstrated [11].
Concerning the design process of multiphase machines, a method for designing stator windings with any number of phases was proposed in [12]. A procedure for evaluating the parameters of a five-phase induction motor, which can also be applied to other multiphase motors with a higher number of phases, is presented in [13]. Meanwhile, ref. [14] describes an approach to design a six-phase motor, and in [15], specific problems related to the design of motors with a different number of phases are summarized, and results of the analysis are verified experimentally on a nine-phase asynchronous motor test bench. In ref. [16], a six-phase starting generator is presented and compared with a three-phase model. Similarly, ref. [17] compares, using finite element analysis, the performance of a nine-phase induction motor (IM) against a three-phase motor.
Even though several papers reported the winding design for multiphase machines, they are explained in a general way. This work proposes a straightforward procedure for constructing nine-phase IM stator windings from a three-phase IM without special requirements. The primary purpose is to help researchers who want to get involved in the multiphase machines field to quickly design a nine-phase topology, which falls within the category of multi-three-phase machines. A comparison between the efficiency of the commercial three-phase motor and the developed nine-phase redesign is made to obtain the reduction of power losses due to the windings quantitatively.
The rest of this work is organized as follows, Section 2 describes the characteristics of the three-phase motor, and Section 3 shows the analysis and design of the nine-phase IM. Then, Section 4 presents the experimental results, and Section 5 summarizes the conclusions.

2. Multi-Three-Phase Machines

Multi-three-phase machines have several independent sets to produce a unified electromagnetic field. The term “sets” is adopted to designate each three-phase winding it has. Therefore, a multi-three-phase machine consists of two or more three-phase winding and construction parameters are determined considering the number of stator slots (K), the number of poles ( 2 p ), and the number of phases (q) that these machines will have.

2.1. Multi-Three-Phase Winding

Multi-three-phase machines are generally made up of three-phase sets of three phases separated by 120 from each other. The stator winding arrangement is defined in the same way as for three-phase IM, that is, by the winding to be used, whether it concentric or eccentric, or if has one or two layers [14].
Regardless of the type of machine (synchronous or induction), multiphase machines can be classified into two well-differentiated groups: machines with a prime number of phases and machines with an even or odd number of phases.
  • If the machine has a prime number of phases ( 3 , 5 , 7 , 11 , ) , every two consecutive phases will be offset by 2 π q and will have a single isolated neutral point;
  • If the machines have an even or odd number of phases ( 6 , 9 , 12 , ) , they can have h sets of windings, each with q phases and can have one or h isolated neutral points. If the windings are three-phase sets ( q = 3 ) , the machine under analysis is a multi-three-phase IM ( q h ) .
The multi-three-phase is the preferred configuration in many current applications because it resembles well-known three-phase machine topologies [18]. On the other hand, some critical points to consider that influence the winding arrangement of a nine-phase IM from a three-phase one are listed below:
  • The power of the IM used is vital since, at higher power (from 5 HP), the dimension of slots is larger. They can therefore accommodate a more significant number of coils;
  • The number of stator slots must be a multiple of the number of phases of the machine to be designed;
  • The number of poles can be different from the initial one. Adding more poles will depend exclusively on the capacity of the machine and the chosen winding;
  • The winding design will consider the one that presents minor difficulties for its arrangement and distribution inside the slots. This is at the discretion of the designer.
In Table 1, it can be seen which are the ideal values for the number of phases and poles proposed as a function of the number of slots the motor has, considering a simple arrangement (consequent poles to a layer) in the choice of the winding to be used.
It can be seen in Table 1 that, for the same number of slots, by increasing the number of phases, the machine may have fewer poles, and this is due to the design limits that occur at the time of rewinding it. In the case of the design of a nine-phase IM, it is possible to make it with two poles and four poles in armatures whose number of slots is equal to 36. As for the design of one with two poles, there are more possibilities for more types of windings than the one with four poles, and the same would happen with one with six phases. As the number of poles increases, less space is available, and so is the design variety [19].

2.2. Topology

Multiphase motors can be arranged in two types: symmetrical and asymmetrical. Each one has its characteristics that are considered for the design of the winding of these machines. They can be AC or DC, synchronous or asynchronous, with a symmetrical or asymmetrical configuration between the phases. These machines are commonly designed in a symmetrical arrangement because it entails fewer difficulties for their control. It is necessary to mention that their control will be through frequency power converters [20].

2.2.1. Symmetrical

The sets can be arranged as symmetric if the spacial change between two consecutive phase windings is 2 π q . Therefore, the set of phases for the case of a symmetrical nine-phase IM would be distributed by 40 between sets around the circumference of the stator as shown in Figure 1, maintaining the phase shift within each three-phase set at 120 electrical at all times [18].

2.2.2. Asymmetrical

In the case of asymmetric nine-phase IMs, the three-phase windings are distributed in such a way that they are displaced by 20 between the phase windings and 120 between phases of the same assembly, as occurs in a motor with a symmetric configuration, as shown in Figure 2. Thus, the spacial change between the corresponding phases of the windings is π q [18].

2.3. Calculations for AC Windings Applied to Nine-Phase IM

Two types of windings are usually used for the design and winding of electric motors: concentric and eccentric. At the same time, these are subdivided into concentric windings by consequent poles, concentric windings by poles, imbricated eccentric windings, and corrugated eccentric windings. Depending on the type, they can be made with single or two layers. They can be even, odd, or fractional integers [14].
A 380 V, 4 poles, 5 HP three-phase squirrel cage IM with 36 slots in the stator and 44 slots in the rotor was used in this paper. Some parameters were delimited for constructing the nine-phase motor winding:
  • The power is equal to or close to that of a three-phase IM;
  • The same number of poles is maintained;
  • The windings are of asymmetric type.

Calculation Process

Known IM variables for calculations are:
  • Number of slots: K = 36 ;
  • Number of poles: 2 p = 4 ;
  • Number of phases: q = 9 .
1.
First, the value of K p q is determined:
K p q = K 2 p q = 36 4 × 9 = 1 ,
being K p q an odd integer value. The design of windings by consequent poles is chosen. By taking into account the possibility of winding either a single layer or two layers, we proceed as follows:
2.
Concentric windings:
  • Single layer:
    B = K 2 = 36 2 = 18 .
  • Two layers:
    B = K = 36 .
    where B is the total number of coils. From here, calculations are developed in a single layer because it allows us to correctly take advantage of the available slots to distribute the coils.
3.
Total number of groups (G):
G = p q = 2 × 9 = 18 .
4.
The number of coils that make up each group ( U g ) is calculated:
U g = B G = 18 18 = 1 .
5.
Group width (m):
m = ( q 1 ) K p q = ( 9 1 ) × 1 = 8 .
6.
Finally, the distance between phases ( Y q ) is determined:
Y q = K θ 360 p = 36 × 20 360 × 2 = 1 .
As the calculation has now been carried out, the winding distribution for the new nine-phase IM with asymmetrical topology is presented in Figure 3:

3. Nine-Phase IM Analysis and Design

Based on the previous calculations for the windings design of the nine-phase IM, stator slots distribution was used. On the other hand, some parameters were obtained through physical measurements and the IM nameplate nominal values. Table 2 shows data on the IM nameplate, which are its corresponding nominal values.
Table 3 and Table 4 present measured data from the mechanical dimensions of the stator and rotor, respectively. These values will be used in ANSYS simulations to obtain a precise IM model and to verify the nine-phase design later.

Preliminary Design

Figure 4 illustrates the preliminary design of the IM’s stator and rotor mechanical dimensions via ANSYS Maxwell software. Data from Table 2, Table 3 and Table 4 were used, as well as the winding layout presented in Figure 3, which include the stator and rotor slot shapes, to perform a preliminary design of the asymmetrical nine-phase IM. They were used in the virtual design environment ANSYS Maxwell 17.2 to obtain an approximate model of the studied IM.
The nine-phase design was considered a modified distribution to obtain an asymmetrical magnetic flux, as shown in Figure 5 and Figure 6, where the phase shift in a steady state condition between adjacent three-phase windings is 20 , verifying the asymmetrical design of the nine-phase IM. The results for the three-phase IM are also shown.
At the same time, a representation of the three-phase IM and asymmetrical nine-phase IM flux lines are presented in Figure 7 and Figure 8, highlighting the number of poles generated through the flux lines.

4. Experimental Results

This section presents the results from tests carried out on the three-phase IM before being modified and on the nine-phase IM after being rewound to determine its performance. With these results, a comparison was made to point out their differences and similarities. Figure 9 depicts the experimental platform including the three-phase power source based on a varivolt, the oscilloscope, and the machine. Lastly, Figure 10 and Figure 11 present pictures of the experimental setup to perform the parameters tests, including current and voltage probes.

4.1. Original Three-Phase IM Results

Several tests were performed to obtain the three-phase IM’s electrical parameters. These tests are named non-load test, locked-rotor test, and DC-test [21]. Table 5 presents the obtained values for these tests applied to the three-phase IM. Then, Table 6 shows the electrical parameters for the three-phase IM, which were calculated through the obtained values.

4.2. Rewound Nine-Phase IM Results

In this section, the results through the tests carried out on the new asymmetrical nine-phase IM are presented in Table 7, Table 8 and Table 9. The tests consist of the same performed for the three-phase IM. Measurements of the nine-phase IM were carried out independently for the three-phase sets. Electrical parameters of the nine-phase IM are described in Table 10.
At last, Figure 12 and Figure 13 show the measured voltage and current in the oscilloscope for the non-load and locked rotor test of the nine-phase IM.

4.3. Comparative Analysis-Discussion

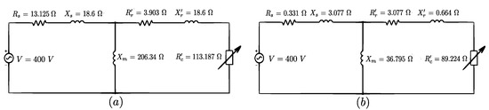
This section discusses a comparative analysis between both designs, the three-phase IM and the rewound asymmetrical nine-phase IM. First, Figure 14 shows the equivalent circuit per phase for both IMs.
Figure 15 and Figure 16 present a comparative view between both IMs in terms of power, phase current, and phase voltage.
Considering nominal currents for both three-phase and nine-phase IM, which are 9.8 A and 3.2 A, respectively, and the electrical parameters from the equivalent circuit from Figure 17, a similar condition in terms of efficiency can be estimated.
In nominal conditions, the three-phase IM consumes approximately 4500 VAR and has 1560 W power losses. On the other hand, the nine-phase IM consumes 3370 VAR and has 1280 W of power losses in total. This gives approximately 25% reactive power minimization and a reduction of 18% in terms of power losses.
On the other hand, note that the nine-phase IM possesses higher leakage, higher magnetizing inductance, and higher resistance. Consequently, it acts as a low pass filter with a lower cutoff frequency, making it more versatile to power sources based on power electronics with high-frequency harmonics generating torque ripple-producing vibrations. It is worth noting that now that the IM has become a multiphase machine, it has gained the ability to post-fault operations, making it more suitable for critical applications.

5. Conclusions

This paper presents a winding design and efficiency analysis of a nine-phase IM. The versatility of the design is demonstrated by constructing the asymmetrical nine-phase IM from an original three-phase IM. The results obtained through tests applied to three-phase and nine-phase IM verified the following: currents through the windings of each phase are significantly reduced in the nine-phase IM, so the total reactive power consumption and power losses are reduced compared to the original three-phase IM, confirming a notorious increase in efficiency. Besides, leakage and magnetizing inductances are increased, obtaining a greater low pass filter for high-frequency harmonics currents produced by power electronics drives.

Author Contributions

Conceptualization, A.F. and M.A.; methodology, M.A. and O.G.; software, A.F. and M.A.; validation, A.F., M.A., O.G., L.D. and C.R.; formal analysis, A.F., M.A., O.G., L.D. and C.R.; investigation, A.F., M.A., O.G., L.D. and C.R.; resources, M.A. and J.R.; data curation, A.F. and O.G.; writing—original draft preparation, A.F., M.A., O.G., L.D., C.R. and J.R.; writing—review and editing, M.A., O.G., L.D., C.R. and J.R.; visualization, M.A. and J.R.; supervision, M.A.; project administration, M.A., J.R. and R.G.; funding acquisition, M.A., J.R. and R.G. All authors have read and agreed to the published version of the manuscript.

Funding

This research has been funded through the Facultad de Ingeniería, Universidad Nacional de Asunción.

Institutional Review Board Statement

Not applicable.

Informed Consent Statement

Not applicable.

Data Availability Statement

Not applicable.

Acknowledgments

Ayala, M., Gonzalez, O., Delorme, L., Romero, C., Rodas, J. and Gregor, R. acknowledge the support of CONACYT through its PRONII program.

Conflicts of Interest

The authors declare no conflict of interest.

Abbreviations

The following abbreviations are used in this manuscript:
ACAlternating Current
DCDirect Current
DSDDrive System Design
EDUElectric Drive Unit
IMInduction Motor

Nomenclature

2 p Number of poles
BTotal number of coils
GTotal group of coils
hNumber of isolated neutral points
KNumber of slots
K p q Number of slots per pole and phase
mAmplitude
qNumber of phases
U g Number of coil per group
Y q Displacement between phase principles

References

  1. Rodas, J.; Gonzalez-Prieto, I.; Kali, Y.; Saad, M.; Doval-Gandoy, J. Recent Advances in Model Predictive and Sliding Mode Current Control Techniques of Multiphase Induction Machines. Front. Energy Res. 2021, 9, 445. [Google Scholar] [CrossRef]
  2. Salem, A.; Narimani, M. A Review on Multiphase Drives for Automotive Traction Applications. IEEE Trans. Transp. Electrif. 2019, 5, 1329–1348. [Google Scholar] [CrossRef]
  3. Barrero, F.; Duran, M.J. Recent Advances in the Design, Modeling, and Control of Multiphase Machines—Part I. IEEE Trans. Ind. Electron. 2016, 63, 449–458. [Google Scholar] [CrossRef]
  4. Duran, M.J.; Barrero, F. Recent advances in the design, modeling, and control of multiphase machines—Part II. IEEE Trans. Ind. Electron. 2015, 63, 459–468. [Google Scholar] [CrossRef]
  5. Bojoi, R.; Rubino, S.; Tenconi, A.; Vaschetto, S. Multiphase electrical machines and drives: A viable solution for energy generation and transportation electrification. In Proceedings of the 2016 International Conference and Exposition on Electrical and Power Engineering (EPE), Iasi, Romania, 20–22 October 2016; pp. 632–639. [Google Scholar] [CrossRef]
  6. TM4. Available online: https://www.danatm4.com/products/systems/sumo-md/ (accessed on 14 October 2022).
  7. Cavagnino, A.; Tenconi, A.; Vaschetto, S. Experimental Characterization of a Belt-Driven Multiphase Induction Machine for 48-V Automotive Applications: Losses and Temperatures Assessments. IEEE Trans. Ind. Appl. 2016, 52, 1321–1330. [Google Scholar] [CrossRef]
  8. Busandcoachbuyer. Available online: https://www.busandcoachbuyer.com/new-e-drive-is-aimed-at-buses/ (accessed on 11 October 2022).
  9. Gepowerconversion. Available online: https://www.gepowerconversion.com/news/ge-powers-us-navys-1st-full-electric-power-and-propulsion-ship (accessed on 14 October 2022).
  10. Duran, M.J.; Levi, E.; Barrero, F. Multiphase electric drives: Introduction. In Wiley Encyclopedia of Electrical and Electronics Engineering; Webster, J.G., Ed.; John Wiley & Sons, Ltd.: Hoboken, NJ, USA, 2017; pp. 1–26. [Google Scholar]
  11. Kammermann, J.; Bolvashenkov, I.; Ugalde, J.L.; Herzog, H.G. Choice of phase number for a multiphase traction motor to meet requirements on fault tolerance. In Proceedings of the 2019 International Conference on Electrotechnical Complexes and Systems (ICOECS), Ufa, Russia, 22–25 October 2019; pp. 1–6. [Google Scholar]
  12. Caruso, M.; Di Tommaso, A.O.; Marignetti, F.; Miceli, R.; Ricco Galluzzo, G. A general mathematical formulation for winding layout arrangement of electrical machines. Energies 2018, 11, 446. [Google Scholar] [CrossRef]
  13. Riveros, J.A.; Yepes, A.G.; Barrero, F.; Doval-Gandoy, J.; Bogado, B.; Lopez, O.; Jones, M.; Levi, E. Parameter Identification of Multiphase Induction Machines With Distributed Windings—Part 2: Time-Domain Techniques. IEEE Trans. Energy Convers. 2012, 27, 1067–1077. [Google Scholar] [CrossRef]
  14. Echagüe, G.; Ayala, M.; Rodas, J. Design, Analysis and Validation of a Six-Phase Induction Machine from a Commercial Three-Phase for Academic Research. IEEE Lat. Am. Trans. 2020, 18, 1943–1952. [Google Scholar] [CrossRef]
  15. Laksar, J.; Cermak, R.; Hruska, K. Challenges in the Electromagnetic Design of Multiphase Machines: Winding and Equivalent Circuit Parameters. Energies 2021, 14, 7335. [Google Scholar] [CrossRef]
  16. Bojoi, R.; Cavagnino, A.; Cossale, M.; Tenconi, A. Multiphase starter generator for a 48-V mini-hybrid powertrain: Design and testing. IEEE Trans. Ind. Appl. 2015, 52, 1750–1758. [Google Scholar]
  17. Juan Juanchi, H.S.; Chiba, A.; Kobayashi, M. Performance Evaluation of a Nine-Phase Induction Motor using Finite Element Analysis. In Proceedings of the 2020 23rd International Conference on Electrical Machines and Systems (ICEMS), Hamamatsu, Japan, 24–27 November 2020; pp. 1472–1477. [Google Scholar] [CrossRef]
  18. Slunjski, M.; Dordevic, O.; Jones, M.; Levi, E. Symmetrical/Asymmetrical Winding Reconfiguration in Multiphase Machines. IEEE Access 2020, 8, 12835–12844. [Google Scholar] [CrossRef]
  19. Metwly, M.Y.; Abdel-Khalik, A.S.; Hamad, M.S.; Ahmed, S.; Elmalhy, N.A. Multiphase Stator Winding: New Perspectives, Advanced Topologies, and Futuristic Applications. IEEE Access 2022, 10, 103241–103263. [Google Scholar] [CrossRef]
  20. González-Prieto, I.; Zoric, I.; Duran, M.J.; Levi, E. Constrained Model Predictive Control in Nine-Phase Induction Motor Drives. IEEE Trans. Energy Convers. 2019, 34, 1881–1889. [Google Scholar] [CrossRef]
  21. Mora, J.F. Máquinas Eléctricas; McGraw-Hill, Interamerican of Spain: Valencia, Spain, 2008; Volume 5. [Google Scholar]
Figure 1. Symmetrical representation of a nine-phase motor with 40 electrical displacement between three-phase windings.
Figure 1. Symmetrical representation of a nine-phase motor with 40 electrical displacement between three-phase windings.
Machines 10 01124 g001
Figure 2. Asymmetrical representation of a nine-phase IM with 20 electrical displacement between the three-phase windings.
Figure 2. Asymmetrical representation of a nine-phase IM with 20 electrical displacement between the three-phase windings.
Machines 10 01124 g002
Figure 3. Winding diagram by poles consequent to a single layer for a nine-phase IM with asymmetrical configuration.
Figure 3. Winding diagram by poles consequent to a single layer for a nine-phase IM with asymmetrical configuration.
Machines 10 01124 g003
Figure 4. Preliminary design of the stator and rotor of an IM via ANSYS Maxwell 17.2.
Figure 4. Preliminary design of the stator and rotor of an IM via ANSYS Maxwell 17.2.
Machines 10 01124 g004
Figure 5. Three-phase winding plot fluxes.
Figure 5. Three-phase winding plot fluxes.
Machines 10 01124 g005
Figure 6. Nine-phase winding plot fluxes.
Figure 6. Nine-phase winding plot fluxes.
Machines 10 01124 g006
Figure 7. Magnetostatic modeling of a three-phase IM.
Figure 7. Magnetostatic modeling of a three-phase IM.
Machines 10 01124 g007
Figure 8. Magnetostatic modeling of a nine-phase IM.
Figure 8. Magnetostatic modeling of a nine-phase IM.
Machines 10 01124 g008
Figure 9. Experimental platform of the modified nine-phase IM.
Figure 9. Experimental platform of the modified nine-phase IM.
Machines 10 01124 g009
Figure 10. Experimental setup for non-load test. (a) Three-phase IM. (b) Nine-phase IM.
Figure 10. Experimental setup for non-load test. (a) Three-phase IM. (b) Nine-phase IM.
Machines 10 01124 g010
Figure 11. Experimental setup for locked rotor test. (a) Three-phase IM. (b) Nine-phase IM.
Figure 11. Experimental setup for locked rotor test. (a) Three-phase IM. (b) Nine-phase IM.
Machines 10 01124 g011
Figure 12. Experimental non-load test for winding 1 of the nine-phase IM including voltage (yellow line) and current (blue line).
Figure 12. Experimental non-load test for winding 1 of the nine-phase IM including voltage (yellow line) and current (blue line).
Machines 10 01124 g012
Figure 13. Experimental locked rotor test for winding 1 of the nine-phase IM including voltage (yellow line) and current (blue line).
Figure 13. Experimental locked rotor test for winding 1 of the nine-phase IM including voltage (yellow line) and current (blue line).
Machines 10 01124 g013
Figure 14. Equivalent circuit per phase. (a) Nine-phase IM. (b) Three-phase IM.
Figure 14. Equivalent circuit per phase. (a) Nine-phase IM. (b) Three-phase IM.
Machines 10 01124 g014
Figure 15. Comparison between the obtained values using the non-load test applied to the three-phase and nine-phase IM.
Figure 15. Comparison between the obtained values using the non-load test applied to the three-phase and nine-phase IM.
Machines 10 01124 g015
Figure 16. Comparison between obtained values using the locked-rotor test applied to the three-phase and nine-phase IM.
Figure 16. Comparison between obtained values using the locked-rotor test applied to the three-phase and nine-phase IM.
Machines 10 01124 g016
Figure 17. Comparison between the values of resistances and reactances of the equivalent circuit of both three-phase and nine-phase IM.
Figure 17. Comparison between the values of resistances and reactances of the equivalent circuit of both three-phase and nine-phase IM.
Machines 10 01124 g017
Table 1. The number of poles ( 2 p ) as a function of the number of slots ( K ) and the number of phases ( q ) .
Table 1. The number of poles ( 2 p ) as a function of the number of slots ( K ) and the number of phases ( q ) .
Number of Slots (K)Number of Phases (q)
56912
36x2 to 62 to 42
402 to 8xxx
72x2 to 122 to 82 to 6
144x2 to 242 to 162 to 12
Table 2. Data provided by the manufacturer attached to the IM casing.
Table 2. Data provided by the manufacturer attached to the IM casing.
ParameterValue
Voltage 220 / 380  V
Nominal current 17 / 9.8  A
Frequency50 Hz
Protection degreeIP54
Speed1450 rpm
Table 3. Stator dimensions of the IM.
Table 3. Stator dimensions of the IM.
ParameterValue
Number of poles4
Outer diameter180 mm
Inner diameter120 mm
Length120 mm
Number of stacked sheets171
Sheet thickness 0.95  mm
Slot number36
Slot height H s 0 1 mm
Slot height H s 1 1 mm
Slot height H s 2 15 mm
Slot width B s 0 3 mm
Slot width B s 1 6 mm
Slot width B s 2 9 mm
Table 4. Rotor dimensions of the IM.
Table 4. Rotor dimensions of the IM.
ParameterValue
Outer diameter115 mm
Inner diameter42 mm
Length120 mm
Sheet thickness 0.95  mm
Slot number44
Slot height H s 0 2 mm
Slot height H s 1 1 mm
Slot height H s 2 12 mm
Slot width B s 0 2 mm
Slot width B s 1 3 mm
Slot width B s 2 6 mm
Table 5. Obtained values through tests on the three-phase IM.
Table 5. Obtained values through tests on the three-phase IM.
Non-Load TestLocked-Rotor TestDC-Test
Line voltage 400 VApplied voltage 63.3  VApplied voltage 1.47  V
Nominal current 8 ACurrent 10.2  ACurrent 10.2  A
Angle 50 . 4 Angle 18
Speed 1480 rpm
Table 6. Electrical parameters of the three-phase IM.
Table 6. Electrical parameters of the three-phase IM.
Equivalent Circuit
ParameterValue
Stator resistance R s 0.331 Ω
Rotor resistance R r 3.0767 Ω
Stator reactance X s 3.0767 Ω
Rotor reactance X r 0.6642 Ω
Magnetising reactance X m 36.795 Ω
Table 7. The obtained values of the non-load test carried out by independent sets at the asymmetrical nine-phase IM.
Table 7. The obtained values of the non-load test carried out by independent sets at the asymmetrical nine-phase IM.
Winding 1Winding 2Winding 3
Parameter and ValueParameter and ValueParameter and Value
Phase voltage ( V a 1 n 1 ) 231 VPhase voltage ( V a 2 n 2 ) 230 VPhase voltage ( V a 3 n 3 ) 232 V
Current ( I a 1 ) 1.26  ACurrent ( I a 2 ) 0.8  ACurrent ( I a 3 ) 1.27  A
Angle ( ϕ a 1 ) 70 Angle ( ϕ a 2 ) 52 Angle ( ϕ a 3 ) 66
Power ( P a 1 ) 99.5  WPower ( P a 2 ) 113.3  WPower ( P a 3 ) 119.8  W
Table 8. Obtained values of the locked rotor test carried out by independent sets at the asymmetrical nine-phase IM.
Table 8. Obtained values of the locked rotor test carried out by independent sets at the asymmetrical nine-phase IM.
Winding 1Winding 2Winding 3
Parameter and ValueParameter and ValueParameter and Value
Phase voltage ( V a 1 n 1 ) 51.7  VPhase voltage ( V a 2 n 2 ) 51.8  VPhase voltage ( V a 3 n 3 ) 51 V
Current ( I a 1 ) 2.45  ACurrent ( I a 2 ) 2.53  ACurrent ( I a 3 ) 2.6  A
Angle ( ϕ a 1 ) 38 . 3 Angle ( ϕ a 2 ) 34 . 7 Angle ( ϕ a 3 ) 26 . 5
Power ( P a 1 ) 99.4  WPower ( P a 2 ) 107.7  WPower ( P a 3 ) 118.7  W
Table 9. Obtained values of the DC-test carried out by independent sets at the asymmetrical nine-phase IM.
Table 9. Obtained values of the DC-test carried out by independent sets at the asymmetrical nine-phase IM.
Winding 1Winding 2Winding 3
Parameter and ValueParameter and ValueParameter and Value
DC voltage ( V d c 1 ) 24.1  VDC voltage ( V d c 2 ) 24.3  VDC voltage ( V d c 3 ) 26.5  V
DC current ( I d c 1 ) 1 ADC current ( I d c 2 ) 1 ADC current ( I d c 3 ) 1 A
Table 10. Electrical parameters of the asymmetrical nine-phase IM.
Table 10. Electrical parameters of the asymmetrical nine-phase IM.
Equivalent Circuit
ParameterValue
Stator resistance R s 13.125 Ω
Rotor resistance R r 3.903 Ω
Stator reactance X s 18.6 Ω
Rotor reactance X r 18.6 Ω
Magnetising reactance X m 206.34 Ω
Publisher’s Note: MDPI stays neutral with regard to jurisdictional claims in published maps and institutional affiliations.

Share and Cite

MDPI and ACS Style

Fleitas, A.; Ayala, M.; González, O.; Delorme, L.; Romero, C.; Rodas, J.; Gregor, R. Winding Design and Efficiency Analysis of a Nine-Phase Induction Machine from a Three-Phase Induction Machine. Machines 2022, 10, 1124. https://doi.org/10.3390/machines10121124

AMA Style

Fleitas A, Ayala M, González O, Delorme L, Romero C, Rodas J, Gregor R. Winding Design and Efficiency Analysis of a Nine-Phase Induction Machine from a Three-Phase Induction Machine. Machines. 2022; 10(12):1124. https://doi.org/10.3390/machines10121124

Chicago/Turabian Style

Fleitas, Ariel, Magno Ayala, Osvaldo González, Larizza Delorme, Carlos Romero, Jorge Rodas, and Raul Gregor. 2022. "Winding Design and Efficiency Analysis of a Nine-Phase Induction Machine from a Three-Phase Induction Machine" Machines 10, no. 12: 1124. https://doi.org/10.3390/machines10121124

APA Style

Fleitas, A., Ayala, M., González, O., Delorme, L., Romero, C., Rodas, J., & Gregor, R. (2022). Winding Design and Efficiency Analysis of a Nine-Phase Induction Machine from a Three-Phase Induction Machine. Machines, 10(12), 1124. https://doi.org/10.3390/machines10121124

Note that from the first issue of 2016, this journal uses article numbers instead of page numbers. See further details here.

Article Metrics

Back to TopTop