Next Article in Journal
A Lightweight Traffic Sign Detection Model Based on Improved YOLOv8s for Edge Deployment in Autonomous Driving Systems Under Complex Environments
Previous Article in Journal
A Proposed Reverse Logistics Network for End-of-Life Electric Vehicle Battery Management in the Jakarta Greater Area: A MILP Approach
 
 
Font Type:
Arial Georgia Verdana
Font Size:
Aa Aa Aa
Line Spacing:
Column Width:
Background:
Article

Improving the Reliability of the Protection of Electric Transport Networks

by
Boris V. Malozyomov
1,
Evgeniy V. Khekert
2,
Nikita V. Martyushev
3,*,
Vladimir Yu. Konyukhov
4,
Valentina V. Chetverikova
5,
Vladimir I. Golik
6 and
Vadim S. Tynchenko
7,8
1
Department of Electrotechnical Complexes, Novosibirsk State Technical University, Novosibirsk 630073, Russia
2
Department of Navigation, Admiral Ushakov Maritime State University, Novosibirsk 630073, Russia
3
Department of Information Technology, Tomsk Polytechnic University, Tomsk 634050, Russia
4
Department of Automation and Control, Irkutsk National Research Technical University, Irkutsk 664074, Russia
5
Department of Oil and Gas Engineering, Irkutsk National Research Technical University, Irkutsk 664074, Russia
6
Department “Technique and Technology of Mining and Oil and Gas Production”, Moscow Polytechnic University, 38, B. Semenovskaya St., Moscow 107023, Russia
7
Artificial Intelligence Technology Scientific and Education Center, Bauman Moscow State Technical University, Moscow 105005, Russia
8
Department of Technological Machines and Equipment of Oil and Gas Complex, School of Petroleum and Natural Gas Engineering, Siberian Federal University, Krasnoyarsk 660041, Russia
*
Author to whom correspondence should be addressed.
World Electr. Veh. J. 2025, 16(8), 477; https://doi.org/10.3390/wevj16080477
Submission received: 28 June 2025 / Revised: 14 August 2025 / Accepted: 19 August 2025 / Published: 20 August 2025

Abstract

In traction networks of mining enterprises, ensuring selective and sensitive protection remains an urgent task, especially in conditions of frequent starts of electric transport and possible cases of short circuits, lack of reliable grounding and increased spreading resistance. Standard methods—maximum current protection (MCP) and differential current protection (DCP)—demonstrate limited efficiency at operating currents less than 800 A, which is typical for remote sections of the contact network. The objective of this study is to develop and experimentally verify a method for adjusting the parameters of current and impulse protection, ensuring reliable shutdown of accidents at low values of short-circuit current without the need to replace equipment. The proposed method is based on transient processes modeled using differential equations and the introduction of a dynamic sensitivity coefficient reflecting the dependence of the setting on the circuit time constant. Universal response characteristics were constructed in normalized coordinates for BAT-49 and VAB-43 switches and RDSh-I and RDSh-II relays. Experiments have confirmed that the application of the method allows for reducing the tripping threshold to 600–650 A, increasing the selectivity of protection to 95% and reducing the probability of false tripping by more than two times compared to MCP/DCP. The response time remained within 35–45 ms, which meets the requirements for high-speed systems. The developed method is adapted to different network sections using the relative coordinates of the energy consumer on the supply section of the traction network and does not require complex digital equipment. This makes it especially effective in field conditions, where it is impossible to upgrade the protection using intelligent adaptive systems.

1. Introduction

The rapid electrification of industrial transport continues all over the world, which is especially important in the context of large-scale mining and metallurgical enterprises, where the efficiency of cargo transportation determines not only economic stability, but also industrial safety [1,2]. Electrified transport reduces operating costs by up to 20–30% compared to diesel locomotives, reduces CO2 emissions by up to 40%, and simplifies the maintenance system [3]. However, one of the most vulnerable elements of the infrastructure remains the electric traction system, namely the contact network (CS), which operates in harsh climatic and operating conditions [4]. This problem is especially acute in networks installed on temporary supports in open-pit mines and faces, where there is no reserve and reliable grounding, which significantly complicates ensuring electrical safety and stable operation of the system [5,6].
The most difficult task in such conditions is protection against short circuits (SC) [7], when the short-circuit current can be commensurate with the load current and be less than 600–800 A, with a standard feeder load of 700–1000 A. In these cases, traditional protection methods are ineffective. The development of solutions capable of providing selectivity and speed of response at low short-circuit currents requires an individualized approach, which has become the subject of numerous studies in the last two decades [8,9].
One of the classical approaches to solving the problem is the use of maximum current protection (MCP) with a fixed setpoint. Such protections are easy to implement and are widely used in urban and trunk railway networks. The works [10,11,12] provide data according to which the average accuracy of MCP operation at short-circuit currents above 2 kA is 92–95%. However, when the current decreases to the level of 600–800 A, the level of selectivity drops to 55–60%, and the number of false trips triples. This makes MCP inapplicable in the conditions of the distant feeder section (DFS), where the real value of the short-circuit current at a remote point can be only 400–600 A with a feeder length of 3–5 km and a wire cross-section of less than 100 mm2.
Another method that has been developed in recent years is the use of differential current protection (DCP), which is based on the comparison of input and output current. In a number of publications [12,13], it is noted that the protection efficiency increases to 97% in feeder zones with a length of no more than 1 km, while the minimum short-circuit current, which is reliably recognized, is about 800 A. However, when the line length increases above 2 km and external industrial interference appears (for example, in the areas of operation of crushing plants and conveyors), the accuracy drops sharply and false positives increase to 15–18%.
The third direction of development was adaptive protection with digital control of setpoints depending on the current network parameters. Ref. [14] has developed a system in which, based on online measurements of resistance and voltage, a forecast of current changes in case of possible short-circuits is built. Such systems demonstrate sensitivity at the level of 500 A and above at line lengths up to 10 km and have shown a 35% reduction in system recovery time after an accident in test conditions. However, they require expensive equipment, including PLCs, digital transformers, and remote sensors, which limits their use in the field.
Numerical methods based on mathematical modeling of transient processes in traction networks remain a promising direction. Works [15,16], as well as studies conducted in recent years [17], show that the use of computational models of circuits, including the parameters of circuits, transformers and arcs, makes it possible to determine the setpoints of protective devices with high accuracy (up to 93–97%) even at low short-circuit currents. Taking into account the active and reactive resistances, as well as the characteristics of the shunts and relays of the residual current relay (RDS), it is possible to determine the optimal setpoints at current short circuit at 450 A, initial load current on the line Il = 800 A and time constant of the differentiating circuit L/R≈0.3 s. The ratio L/R in an electric circuit is the time constant of the differentiating circuit, where L is the inductance of the coil in henries and R is the resistance of the resistor in ohms [18]. This value shows how quickly the steady state is established in the circuit after a disturbance. With a higher inductance, the circuit stores energy longer, and a higher resistance, on the contrary, accelerates the dissipation of energy. The disadvantages of the method are the complexity of implementation and the need for regular updating of parameters when changing the network configuration.
In addition to this, in recent years, the possibilities of using artificial intelligence methods, in particular neural network algorithms, have been actively explored. In the paper [19], data are presented, according to which the transient current analysis system, trained on a sample of 20 thousand emergency modes, achieved a short-circuit recognition accuracy of 92%, with a decision-making time of less than 100 ms. However, such systems require a highly organized database, regular replenishment of the training sample and a stable communication channel, which so far makes them applicable mainly in the conditions of stationary objects [20,21].
All of these approaches suffer from a number of limitations in one way or another: insufficient sensitivity in remote areas, high cost, susceptibility to electromagnetic interference or difficulty in adapting to non-standard contact network schemes [22]. The problem becomes especially relevant when the contact network of mining equipment (ME) is mounted on light movable supports without grounding on the rails, and the spreading resistance can reach 10–20 Ohms. Spreading resistance is the transition resistance at the point of damage to the contact network of electrified railways, which can reach 10–20 Ohms if the supports are mounted on light movable supports without grounding to the rails. This value affects the reliability of the relay protection—it cannot recognize and disconnect the emergency section, since the current flows down the support into the ground. At the same time, the real short-circuit current is reduced to the level of 300–500 A, and traditional protections simply do not work. This creates conditions for the development of arc faults, which often turn into fires and damage to equipment [23,24]. In this case, the basis for the protection of the traction contact network is an individual calculation of current and impulse protection for each zone of the feeder, taking into account the parameters of the power supply network, contact network, type of switches and relays [7]. The proposed algorithm uses differential equations of transient processes of the traction contact network, which are numerically solved to determine the tripping characteristics, taking into account the dynamic sensitivity coefficient (Kd). Dynamic selectivity of traction network current protection is an operating principle in which only the protection in the protected circuit in which an overcurrent has occurred is actuated, while the rest of the network remains in working condition. This is achieved by matching the operating characteristics of the protection devices. For example, in a traction network, dynamic selectivity is implemented in overcurrent protection with a time delay [25]. The implementation of the tuning algorithm is possible on existing equipment with minor modernization of circuit breakers and the use of existing digital relays [21,26]. Thus, the purpose of this study is to develop, theoretically substantiate and experimentally test the method for setting up the settings for current and pulse protection of traction networks of mining enterprises, which provides high selectivity, resistance to interference and sensitivity at low short-circuit currents. The implementation of this technique makes it possible to significantly increase the reliability of the contact network, minimize equipment downtime and ensure the safe operation of electric rolling stock in conditions close to extreme.
This paper solves the problem of increasing the sensitivity and selectivity of current protection under conditions of a limited short-circuit current range, unstable contact connections, as well as without the need for cardinal modernization of the equipment. The main gap in existing research is the lack of methods that allow the formation of setpoints taking into account transient processes (impulse current surges), and not only at the stationary level. In addition, there is no engineering-oriented model describing the interaction of the characteristics of switching equipment and the parameters of the supply network for setting up protections.
The authors’ contribution lies in the development of:
  • methods for analytical construction of the sensitivity characteristics of pulse current protection based on the parameters of switching devices and transient processes;
  • an algorithm for calculating dynamic setpoints using relative coordinates, which makes it possible to unify the approach to different sections of the network;
  • substantiation of the design modernization of standard circuit breakers, relays and other electrical equipment to reduce the minimum tripping threshold;
  • experiments with different types of switches and relays, confirming the applicability of the approach under typical and non-typical conditions;
  • models of scalability of results and recommendations for transferring the technique to other types of equipment (including imported relays, microprocessor automata).
Thus, the work fills an important gap in engineering practices for the protection of contact networks of quarry transport and provides a reproducible methodology with an expanded range of applicability.
Despite the diversity of protection approaches in traction networks, existing methods fail to ensure sufficient selectivity and sensitivity under low short-circuit currents in complex field conditions. Particularly in contact systems installed on temporary supports without proper grounding, traditional MCP and DCP methods demonstrate a high rate of false trips and missed fault detection. Therefore, the motivation of this study is to address the lack of a robust and cost-effective solution for these conditions. The primary objective of this work is to develop and validate a novel method for setting current and pulse protection parameters based on transient process modeling, which improves sensitivity, minimizes false alarms, and does not require complete equipment replacement.
Therefore, the core research question addressed in this study is: how can current and impulse protection be configured to ensure reliable short-circuit detection and disconnection in traction networks with low fault current levels, without relying on expensive adaptive digital systems? The main objective of this research is to develop, validate, and experimentally verify a method for setting protection parameters based on transient process modeling and the use of a dynamic sensitivity coefficient (Kd). This method aims to increase protection selectivity and sensitivity under real operating conditions in mining traction networks, while remaining compatible with existing switching equipment.
The key contributions of this work are:
-
the introduction of a dynamic coefficient (Kd) for characterizing protection sensitivity across feeder zones with variable time constants;
-
development of universal tripping curves in normalized coordinates applicable to diverse equipment;
-
experimental validation of the method with circuit breakers and relays used in mining networks;
-
demonstration of enhanced selectivity (up to 95%) and reduced false trips (by 40–60%) without replacing existing protection hardware.
This paper addresses a key gap in protection design for low-SC current environments by introducing a parameterized method based on transient modeling and dynamic sensitivity coefficients. The proposed solution enables tailored protection settings without reliance on expensive adaptive systems, and is validated through experimental testing on typical mining traction equipment.
The following designations of electrical parameters and their dimensions are used in the text of the article, as given in Table 1.

2. Methods and Materials

2.1. General Research Methodology

The purpose of the study is to improve the reliability of current protection in conditions of a limited short-circuit current reserve by taking into account transient currents and properties of specific switching equipment. To achieve this goal, a sequence of methods was used:
  • Analytical modeling of current protection sensitivity characteristics taking into account impulse processes.
  • Laboratory experiments with RDS relays and circuit breakers BAT-49-4000/30L (VELAN JSC, Kharkiv, Ukraine) and VAB-43-4000/30 (VELAN JSC, Kharkiv, Ukraine).
  • Construction of experimental dependencies “relative increment of current—initial current” at different constants of the circuit time.
  • Comparison of the proposed characteristics with the characteristics of standard protections (MCP, DCP) and adaptive solutions.
  • Analysis of the possibility of scaling the technique to other equipment by bringing all data to relative coordinates.

2.2. Equipment and Object of Research

The following switching equipment was used:
  • RDSh-II type current relay with a variable damping shunt;
  • Circuit breakers BAT-49-4000/30L (standard) and VAB-43-4000/30 (with the possibility of changing the geometry of the shunt package).
Current and response time measurements were carried out using an OWON DS6062 oscilloscope (Fujian Lilliput Optoelectronics Technology Co., Ltd., Zhangzhou, China) and UNI-T UT-219 current clamps (Uni-Trend Technology Co., Ltd., Dongguan, China). The tests were carried out on feeder models with equivalent resistances of 0.5–2.5 Ohms and simulated emergency loads simulating the contact network of electric locomotives and excavators.
The layout of the experimental setup is shown in Figure 1. The system consists of an adjustable AC source (up to 800 V), simulated contact network with configurable impedance blocks (Rs, Xs) (HILKAR, Sakarya, Turkey), switching devices (VAB-43, BAT-49), and measurement units (oscilloscope, current clamps). The setup allows accurate control and monitoring of transient responses under various short-circuit conditions.

2.3. Experimental Setup and Test Procedure

Each test scenario was repeated five times to ensure consistency and reduce statistical variation. The collected current and voltage waveforms were averaged across repetitions. All measurement devices, including current transformers (CTs), digital recorders, and signal acquisition modules, were pre-calibrated in accordance with IEC 60044 standards [27]. The measurement uncertainty was evaluated: the maximum relative error did not exceed ±2.1% for current channels and ±1.8% for voltage channels.

2.4. Simulation Model in MATLAB/Simulink

The MATLAB/Simulink R2019b model was developed using discrete simulation blocks with a fixed-step solver (step size: 50 µs). The model includes a detailed traction power system with lumped-parameter elements representing line impedance, load dynamics, and fault sources. Circuit breakers are modeled using the built-in “Breaker” block with a fixed delay of 20 ms. Instrumentation blocks replicate the characteristics of CTs and PTs with appropriate saturation curves. Parameter values are summarized in Table 2.

2.5. Transient Analysis

For each test series, the following were recorded:
  • amplitude of inrush current;
  • pulse duration;
  • initial current;
  • relay/breaker tripping time.
The obtained values were processed and normalized to the base setpoint current, after which generalized dependencies were built in the coordinates ΔI* = ΔI/Iu and I* = I0/Iu. This made it possible to obtain universal sensitivity graphs suitable for comparing different devices.

2.6. Comparative Analysis

To assess the effectiveness of the method, the following were calculated:
  • minimum short-circuit current to ensure tripping;
  • the probability of false tripping at operating current;
  • sensing zone (maximum line length);
  • response time.
For adaptive digital systems, data from open sources (including [4,10]) are used. For MCP and DCP, values measured at the same loads were used.
Within the framework of this study, a set of experimental and theoretical works was carried out aimed at developing and substantiating the methodology for setting up current and impulse protection settings for traction networks of mining enterprises. The main purpose of the experimental studies was to establish reliable tripping characteristics of high-speed circuit breakers and differential relays at different values of short-circuit current and traction network parameters. The experiments were aimed at simulating transient modes that occur in emergency situations in the contact network, and registering the reaction of protective equipment in a wide range of conditions typical for the operation of electric traction in the ME. The work was carried out both in laboratory conditions and using semi-industrial installations [28], which made it possible to verify the models and confirm the reliability of the calculation algorithms.
The equipment used included the most common high-speed circuit breakers of the VAB-43-4000/30, VAB-43-4000/30m and BAT-49-4000/30L series, as well as differential current relays of the RDSH-I, RDSH-II and RDSh-3000 types (VNIIR, Moscow, Russia). These devices are used in real traction networks on sections from 1 to 7 km long and are designed for a rated switching current in the range from 2000 to 4000 A. Circuit breakers of the VAB-43-4000/30m type have an inductive shunt with a steel package height of 120 to 240 mm, which provides different values of inductance and, accordingly, the circuit time constant, from 0.5 to 1.7 s. For each type of equipment, a series of experiments were conducted with variations in the parameters of the power supply network, the resistance of the contact line, the magnitude of the load current and the values of transient currents during simulated short circuits [29].
The laboratory setup was built taking into account the possibility of flexible adjustment of the traction network model parameters. An adjustable three-phase voltage converter with a maximum power of 100 kVA and an output voltage range of up to 800 V was used as a power source. It made it possible to simulate conditions corresponding to the characteristics of a traction substation, including low and high voltage modes, as well as transition to the zero-rectification circuit. To simulate the resistance of the external network and the contact line, adjustable impedance equivalents were used, which imitated the resistance values Xs, Rs, Xt, Rt, Xfl, and Rfl, typical of real conditions. Here, Xs and Rs are the reactive and active resistances of the traction power supply network, respectively; Xt and Rt are the reactive and active resistances of the traction substation transformer; Xfl and Rfl are the reactive and active resistances of the feeder lines. Typical parameters reproduced in the setup included active resistances in the range of 0.3–1.5 Ohm and inductances up to 8 mH.
Experiments to determine the tripping characteristics of circuit breakers [30,31] were carried out in pulse modes. Each test provided for the supply of a short-term current pulse, the value of which was adjusted in the range from 300 to 3000 A in steps of 100 A. At the same time, the pulse edge duration was from 0.01 to 0.5 s, which made it possible to study both the static and dynamic characteristics of the protective device. The response of the circuit breaker or relay was recorded using a Tektronix MDO3000 Series oscilloscope (Tektronix, Inc., Beaverton, OR, USA), which provides a 1 μs temporal resolution and Rogowski current probes for non-contact surge current measurement [32]. At the same time, the voltage at the terminals of the protective device was monitored, which made it possible to identify the switching moment and compare it with the pulse parameters [33].
For each circuit breaker of the VAB-43-4000/30 and BAT-49-4000/30L series, a series of tripping curves was obtained at different circuit time constants corresponding to T1 values from 0.05 to 0.5 s. The experiments showed that the value of the dynamic setting ΔI depends on the initial load current I0 and the configuration of the inductive shunt. Thus, for the VAB-43-4000/30 circuit breaker with a 240 mm steel package, the ΔI value at T1 = 0.1 s averaged 680 A at I0 = 800 A, and when the package was reduced to 120 mm, ΔI decreased to 540 A at the same I0 value. This indicates a direct dependence of the protection sensitivity on the shunt inductance and the current rise time. It is significant that when T1 was reduced to 0.05 s, cases of no tripping were recorded for surges of less than 500 A, which is the maximum value for this type of equipment. For the BAT-49 switch with a more complex design and high inductance (about 3.8 mH), ΔI values in the range of 720–850 A were obtained, while the tripping time did not exceed 35 ms.
A separate test cycle was carried out for the differential current relays RDSH-I, RDSH-II and RDSH-3000 [34], where the main attention was paid to determining the response thresholds and response time to pulse modes. The design features of the relays made it possible to implement a circuit in which a pulse signal with adjustable amplitude and duration was supplied to the control winding, and the moment of closing of the power contact was recorded at the output. The obtained data showed that the RDSH-II relay, having a minimum inductance (0.23 mH), demonstrates high sensitivity at T1 ≤ 0.1 s, operating at current surges of 320 A and higher. The RDSH-I relay, which has a higher inductance (0.82 mH), is characterized by a higher inertia [35] and responds to surges of 450–500 A. The response time for both devices was in the range of 20–45 ms, which meets the requirements of the modern rules for technical operation (PTE) for high-speed protection of traction networks.
In the experimental part, special attention was paid to the construction of actuation characteristics in relative coordinates, which made it possible to bring all the data to a unified form [36]. Using the values of the Is setpoint, defined as the limiting current at which the protection is guaranteed to be turned off, graphs were built in the coordinate system ΔI* = ΔI/Is and I* = I/Is, where ΔI is the current surge at a short circuit, and I is the load current before the surge. This approach made it possible to form families of impulse current protection actuation curves for different circuit time constants corresponding to conditions in different sections of the traction network [37].
The key components of the simulation model developed in MATLAB/Simulink are presented in Figure 2. It includes transformer parameters (Xt, Rt), feeder impedance (Xfl, Rfl), dynamic arc module, and relay logic blocks. Although the base model is calibrated with real equipment characteristics, the structure is universal and can be adapted for other traction networks.
The dependences of the load current before the surge I on the current surge ΔI were analyzed, depending on the values of the time constant Tr, defined as the ratio of the inductance to the resistance in the circuit, and reflected the change in the sensitivity of the protection depending on the distance of the damage zone from the substation [38]. For example, at low Tr values (less than 0.1 s), typical for the sections close to the substation, the protection showed high sensitivity to current surges. This was expressed in small values of ΔI* required for triggering. As the Tr increased to 0.3–0.5 s, which corresponds to remote sections of feeders over 3 km long, the sensitivity decreased, and the actuation characteristics became closer to horizontal, which reflected the transition to the protection operation according to the MCP principle.
The stack heights were 240 mm, 220 mm, 160 mm and 120 mm, which corresponded to inductors Lsh in the range from 6.98 to 4.85 μH. At the same time, the parameters of damping circuits were changed, including the active resistance Rsh from 6.4 to 9.2 μOhm and the inductance of a high-speed switch coil Ldc about 1.82 μH. This made it possible to experimentally determine the ranges of values of static and dynamic coefficients that characterize the sensitivity of protection to current jumps [39].
For the BAT-49-4000/30L circuit breaker, which is widely used in high-load areas, a test cycle was carried out at various levels of short-circuit currents from 300 to 2500 A and load currents from 500 to 1200 A. The circuit time constant varied within 0.05–0.45 s, and the triggering conditions were recorded with an accuracy of 10 ms. Of particular interest was the transient mode at Tr≈0.34 s, where the dynamic sensitivity of the device was reduced to a level at which the protection began to work as MCP. This critical value was used as the boundary between the zones of application of the maximum impulse protection (MIP) and MCP.
The RDSH-I and RDSH-II relays were also tested under conditions close to operation. In particular, for the RDSH-II relay with an inductance of 0.23 μH and a resistance of 6.7 μΩ, it was determined that at current surges ΔI = 200 A and load I = 500 A, the protection is activated in a time not exceeding 35 ms, provided that Tr ≤ 0.2 s. If Tr is increased up to 0.4 s and the response time to 70–80 ms, this is accompanied by a decrease in accuracy. Thus, it was revealed that it was necessary to optimize the relay parameters depending on the length and resistance of the contact network [40].
The experiments included short-circuit simulation using active loads, adjustable thyristor keys, and artificially formed arc discharges. The unit was powered by a 100 kVA step-down transformer, while the voltage per load was regulated in the range from 250 to 600 V, and short-circuit currents reached 3000 A. Current characteristics [41] were recorded by digital oscilloscopes with a sampling rate of 1 MHz, which made it possible to accurately record current fronts and isolate transients lasting less than 10 ms.
In parallel with the experiments, numerical simulation of the operation of protection circuits was carried out in the MATLAB/Simulink software environment. The models included active and reactive parameters of transformers (Xt = 0.42 Ohm, Rt = 0.07 Ohm), feeder lines (Xfl = 1.1 Ohm, Rfl = 0.36 Ohm), arc resistance (Rarc ≈ 0.2–0.6 ohms) and the characteristics of the switches. The simulation output was compared with the results of laboratory tests and used to refine the setpoint calculations [42].

3. Method of Setting Up Current and Pulse Protection Settings

The proposed method is designed as a generalizable framework that can be tailored to a wide range of protection devices, provided their time-constant and dynamic response parameters are known. While validation was performed on specific models, the algorithm can be extrapolated with recalibrated coefficients.
At present, the existing systems of current–pulse protection of the traction networks of the mining enterprises (ME) do not fully meet the requirements of modern rules for technical operation (PTE) in terms of selectivity and reliability.
One of the reasons for this is the insufficient selectivity of the protection system, when in case of a short circuit in one feeder zone, switches in neighboring zones are activated, which leads to unjustified shutdowns and disruptions in the movement of mining electric vehicles. The second reason is the insufficient reliability of the protection system. False alarms can occur due to external interference, which also leads to unwanted shutdowns [43].
To solve these problems, a method for setting up current and pulse protection settings is proposed, based on the principles of an individual approach, which uses the following parameters and characteristics:
-
tripping characteristics (for each feeder zone, individual protection response characteristics are calculated);
-
parameters of the AC supply network: voltage, frequency, line resistance;
-
Circuit breaker parameters: tripping characteristics, tripping time, tripping current;
-
parameters of the contact network: resistance of the contact network, conductivity of current collectors;
-
experimentally obtained parameters: as a basis for calculating the tripping characteristics, the parameters of circuit breakers and current–pulse protection relays obtained in the course of experimental tests are used;
-
Setpoint setting algorithm: an algorithm for setting protection setpoints is proposed, which takes into account the individual triggering characteristics of each feeder zone;
-
Theoretical substantiation of the method: the proposed method for constructing the tripping characteristics of high-speed circuit breakers equipped with an inductive shunt and differential relays is based on theoretical research in the field of electrodynamics and circuit theory;
-
Mathematical modeling: to increase the accuracy and efficiency of calculating the actuation characteristics, the use of mathematical modeling is proposed.
The problem of protection against short-circuit currents occurs in the traction networks of the ME in case of short circuits, when in the sections the contact system is mounted on temporary supports without grounding on the rails. In this case, the short-circuit current can reach a value of only a few hundred amperes. The short-circuit current depends on the value of the resistance to spreading of the base of the supports (metal plate) and the pins of fastening to the ground, as well as on the voltage in the traction network and the resistance of the wires.
In the traction networks of the ME, line protection is still mainly used with the help of high-speed circuit breakers with an inductive shunt, when using other types of circuit breakers, a differential relay is sequentially installed, which operates similarly to the differential relay of the RDS (Figure 3). The TFP-46KT (Tavrida Electric JSC, Moscow, Russia) relay is structurally more advanced than the RDS relay.
The authors recommend choosing protection settings based on high-speed switches with an inductive shunt or differential relays according to the following algorithm:
-
Draw up a design scheme of the feeder zone;
-
Determine the traction load;
-
Prepare the parameters of the substation and contact network;
-
Calculate short-circuit currents;
-
Select static and dynamic protection settings;
-
Check the sensitivity of protection;
-
Configure protection on switching devices: high-speed circuit breaker (BV) or RDS;
-
Monitor the operation of protections with an analysis of the causes (emergencies and overloads) for a period of time sufficient for analysis (1–3 months);
-
Adjust the setpoints, if it is not technically possible, recommend innovative measures, for example, change the type of switch or change the setpoint of the digital protection relay.

Theoretical Basis of the Dynamic Sensitivity Coefficient (Kd)

The dynamic sensitivity coefficient Kd introduced in this study serves as a normalized indicator of the responsiveness of protection devices to rapid current transients rather than steady-state overloads. It is defined as the ratio between the dynamic (impulse) protection setpoint Iave and the static setpoint I0ave, i.e.,
K d = I a v e I 0 a v e .
Physically, Kd quantifies the minimum relative current surge ( Δ I I s ) required to trigger protection under transient conditions, depending on the circuit’s time constant T 1 = L R . As the rate of current rise increases (lower T1), the relay or breaker can rely on dynamic thresholds, and Kd decreases. When T 1 0 , the device detects fast-growing fault currents with minimal overcurrent margin. From a theoretical perspective, the use of Kd is grounded in the solution of the first-order differential equation for an RL circuit during a current step:
i t   = I 0 + Δ I 1 e t / T 1
This formulation shows how the current reaches its peak value over time and under what conditions the device should react. Devices with faster electromagnetic response and lower inertia (e.g., low-inductance shunts or high-speed trip coils) exhibit lower Kd, allowing selective operation in areas with low fault currents.
The approach is also conceptually aligned with adaptive protection philosophies and time-inverse characteristics where tripping is not based on current amplitude alone, but also on the rate of change and context. The use of Kd enables construction of universal protection curves in normalized coordinates ( Δ I I s , I I s ), facilitating scalable coordination across various types of relays and contact networks.

4. Mathematical Model for Estimating Short-Circuit Currents Based on the Traction Network Replacement Scheme

Determination of the load and short-circuit current according to clause 2 of the algorithm is carried out taking into account the parameters of the transformer substation and the network to which it is connected. When calculating short-circuit currents near the transformer substation and at the end of the feeder zone, reactive and active resistances of the external power supply networks Xs and Rs, traction transformers Xt and Rt, contact network and cables Xfl, Rfl are taken into account, as well as the resistance of the electric arc at the point of a short circuit. The calculation of short-circuit currents for the transient mode should be carried out taking into account the external characteristic of the EMF source, i.e., the traction substation (TS) [44]. For the circuit of the rectifier at a short circuit at a remote point at (Ik < I′k), the current can be determined by the formula
l k = 2.34 U v 0 K v u d 0.955 X s + X t N + R s + R t N + s R i a + R f l ,
and for a three-phase bridge scheme
l k = 2.34 U v 0 K v u d 0.239 X s + X t N + 0.5 R s + R t N + s R i a + R f l ,
where Uv0 is the phase voltage of the secondary winding of the traction transformer; and d is the voltage drop in the electric arc; N is the number of transformers; Kv is the control coefficient equal to 1.05, and for regulated converters—1.4; s is the number of series and a—parallel semiconductor devices (NGS) in the rectifier phase; Ri is the internal resistance of one NGN.
Relations (1) and (2) for determining the short-circuit current in the contact system are valid for the linear part of the external characteristic (I-I), when the short-circuit current is less than the critical Ik < I′k, which means that the external characteristic is nonlinear. To determine the currents of the protection setpoints, the voltage Uv0 is taken as the minimum, with the control factor p = −1.05, and the coefficients Kv = 0.95 and N = 1. The linearity of the external characteristic of the transformer substation depends on the inductance of the secondary winding of the converter transformer. The point of transition of the linear part of the I-V to the nonlinear part occurs at the short-circuit current corresponding to the expression
l k = 0.9 U v 0 K v X s + X t N 2 + R s + R t N + s R i a 2 .
The short-circuit current in the steady-state mode can be found by the joint solution of the relation (3) with the equation
U d = I k R f l + u d .
Thus, it is possible to determine the short-circuit current on the busbars or at the near point of the CS (100–500 m) from the transformer substation, where (Ik > I′k) for the zero-rectification scheme is defined as
l k = 1.01 U v 0 K v 3 8 R s + R t N + s R i a + R f l 2 + 3 8 X s + X t N 2 ,
and for a three-phase bridge scheme
l k = 2.02 U v 0 K v 3 2 R s + R t N + s R i a + R f l 2 + 3 2 X s + X t N 2 .
When calculating the maximum current SC, the value of Uv0 should be taken 5% more than the nominal value. The values of Xt, Rt are determined according to the passport of the converter transformer; Xs, Rs are the parameters of the external power supply system in (1), (2), (5) and (6), which lead to the voltage of the valve winding of the traction transformer as
X s = ( X s + X t ) 3 U v 0 2 U 1 , R s = ( R s + R t ) 3 U v 0 2 U 1 .
The resistance of the contact system Rks when calculating the short-circuit current on the substation busbars is taken according to the actual cross-section and length of the feeder and suction cables, ignoring these resistances gives a significant error [45].
The shock current of the short circuit [16] during the transient process for the rectifier is
idky = KsdIk,
here Ksd is the coefficient of thermal resistance of power semiconductor devices (P) according to the manufacturer’s passport, Ik is the change in current in the circuit during a short circuit. Typical parameters of the traction network under consideration are given in Table 3.
Approximate values of short-circuit currents at various points of the power supply system of the traction network of the ME for the most common capacities of converters and transformer substations are given in Table 4.
In power supply systems supplied from distribution networks with a voltage of 6–10 kV, the short circuit on the rectified current side (i.e., behind the traction substation converter on the length of the traction contact network) is remote, so the transient attenuation factor in the external power supply system [46] is assumed to be equal to unity. In this case, the parameters of the external power supply system Xs and Rs are not taken into account, but they are taken into account approximately through generalized design parameters: power Sk or current Ik SC on 6–10 kV busbars of the traction substation [47].
The resistance of the external power supply system is expressed in relative units
u c * = S m / 100 S k % ,
where Sm is the rated power of the converter transformer; if the short-circuit power is unknown, then Ic* = 0.5utc* (half of the short-circuit voltage of the traction transformer) is taken, and the transition of the linear part of the external characteristic into the nonlinear part occurs at a short-circuit current equal to six or more short-circuit current values, i.e., Ik ≥ 6Idn. The maximum value of the short-circuit current, for example, for a zero circuit, can be determined by the formula
I d k = 110 I d n u c * + I k m * ,
and at a remote point of the traction network
I d k y = 1.05 U d 0 R e q + R w + R c n + R t ,
where Rw, Rcn, Rt are the resistances of the supply and exhaust wires, the contact network and the phase of the converter transformer, respectively; Req is the equivalent resistance of the substation, approximately equal to R e q = 1.05 U d 0 I d k , where I d k is determined by (10). This is a simplified analytical calculation; it can be used for short feeder zones or in preliminary calculations, and it gives an error of about 15–20% in relation to the calculation according to Formulas (1)–(8).
Electricity consumption for traction A1 for a certain averaging period t (month, year) can be obtained from the automatic metering system or monthly reports of the power supply distance [18,19]. The maximum current of the line in the presence of an electric meter on each feeder can be determined by
I m l = 1 + K m t 1 n 0 A t 24 U a v e T t ,
where Uave is the average voltage on the buses of substation B; Tt is the averaging time for which At is taken (characteristic days of the month); Kmt is the coefficient of maximum train current determined taking into account the power of the engines of an electric locomotive and dump cars as
K m t = 1 N P h p / U a v e I 0 ,
where N is the number of engines of an electric locomotive; Php is the hourly power of the traction motor, kW; n0 is the number of trains on the line; Kef is the coefficient of efficiency of train current according to [13,14], in the absence of electric meters, the train current can be determined by the specific energy consumption for traction according to the reading of the transformer substation meter and the volume of traffic for the design period (separately summer and winter months) [15], then the maximum current of the line is equal to
I m l = A s p G m V o n U c 1 + K m t 1 n 0 ,
where Asp is the specific energy consumption for thrust, W‧h/t‧km, determined experimentally for each ME; G is the average value of the total weight of the electric locomotive, t; m is the number of motor units (4 pcs in an electric locomotive); Vo is the operating speed, km/h; Uc is the average voltage in the traction network, V (according to PTE).
Train starting current given train traction motors parameters
I m p = ( 1.4 + 1.6 ) P h p n p a i r s 10 3 n m U g η ,
where npairs are the number of pairs of electric motors at the end of the starting mode (parallel connection); nm is the total number of electric motors in the electric locomotive and motor dump cars; Ug is the rated voltage across the electric motor manifold, V; η is the efficiency of the engine according to the certificate of the manufacturer of the electric rolling stock [48,49].
The current of protection setpoint Iu is selected from the short-circuit current value determined by (1) or (2), taking into account the feeder load current determined by (12) or (13) from the condition
In.max + ΔIIuIsc.min − ΔI,
where In.max is the current that does not trigger protection under load with a certain margin ΔI = 100 A; Isc.min is the short-circuit current that causes the protection to trip with a certain margin of ΔI = 300 A. This condition is used to adjust the maximum current protection (MCP).
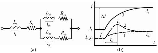
In practice, there is often a situation when at the end of the power section of the traction contact network In.maxIsc.min and condition (15) cannot be met, so the high-speed circuit breaker or the residual current relay is equipped with an inductive shunt (Figure 3). To analyze the operation of the inductive shunt, a scheme was drawn up for replacing the supply circuit of the traction network section, where the vehicle is represented by the parameters Rk, Lk or RDS relay (Figure 4), demagnetizing the turn of the circuit breaker or relay. The active resistance and inductance of the demagnetizing coil are designated Ri and L, respectively. The active resistance and inductance of the inductive shunt are designated Rk, Lk, respectively.
The following notations are introduced in Figure 4: Il is the initial load current on the line; ksh Il is the fraction of the load current taking into account the influence of the inductive shunt; I1, I2—currents at the initial and final stages of the transient process; tm is the transient time; ΔI—current increment (surge); ik is the change in the current in the circuit during a short circuit; iDC is the transient current in the demagnetizing turn; Rk, Lk—active and inductive resistance of the traction network; Rsh, Lsh—active and inductive resistance of the inductive shunt; Rdc, Ldc—active and inductive resistance of the demagnetizing turn; Ish > idc—currents in the inductive screw and demagnetizing coil; 1—current graph in rod mode; 2—current surge in case of short circuit; 3—theoretical current change function.
The electric circuit (Figure 2) for time tm can be described by a differential equation
i k = i d c + i s h , i d c R d c + L d c d i d c d t = i s h R s h + L s h d i s h d t .
For an active-inductive circuit under the exponential law of current change SC ik, Equation (16) is solved for the increment ΔI = I2I1 as
i 1 ( t ) = ( I 2 I 1 ) 1 e t t m .
After numerous transformations and substitutions of the parameters of the circuit breaker or relay, the expression of the tripping characteristic for the time constant of the current circuit T1 = L/R = const, i.e.,
Δ I a v e = i p y C = I 0 a v e B C ,
here Δ I a v e is the current surge that causes tripping at the initial load current I0ave, and the coefficients B and C characterize the parameters of the circuit breaker or relay [50]. Equation (18) is a straight line in segments (Figure 5) and is a characteristic of the tripping of the current–pulse protection.
If I0ave = 0 we have ΔIave = ΔIave = ipy/C, if ΔIave = 0 we get I0ave = I0ave = I0ave = ipy, taking into account these conditions, we obtain the equation of actuation of current–pulse protection in current arguments.
Δ I a v e Δ I a v e I 0 a v e I 0 a v e I 0 a v e ,
The values I0ave and ΔIave are, respectively, static, i.e., MCP, and dynamic, i.e., MIP of the protection setpoint, the latter depending on the time constant T1.
In the real world, T1 can be more complex dependent on I0. Therefore, in order to construct a protection trip characteristic for a particular line with known parameters of the switch or relay of the RDS, it is necessary to know how its dynamic setpoint changes as the circuit’s time constant changes. Ratio ΔIave/I0ave = 1/CB = Kd characterizes the sensitivity of the switch or relay of the RDS to current surges and is a dynamic coefficient. The minimum value of Kd corresponds to the time constant of the network T1 = 0, in this case we have (see the notations in Figure 4):
K d . min = A B = L d c R d c + 1 L s h R s h + 1 = L d c + L s h R s h R d c + R s h L s h .
K d . min = 4 L 2 L 1 r 1 r 2 r 1 + r 2 L 1 ,
where L1, L2, r1, r2 are, respectively, inductive and active resistances of busbars of larger and smaller (with iron packages) cross-section (Figure 4).
The maximum value of Kd will reach at T1T1cr = Tsh when tmax = ∞, and the static setpoint is equal to the dynamic setpoint. Since in this case C = 1/B, then Kd.max = 1.
For the section of the traction network protected by the BAT-49 circuit breaker, the tripping characteristics were experimentally obtained at T1 = var, where T1(n + 1) > T1(n) for different load currents I* (Figure 6), and the tripping characteristics can be similarly constructed for the relays RDSH-II, RPT-206 and others. It is possible to obtain the tripping characteristics [51] for a specific section with less time with the specified parameters and type of switch or relay of the RDS on a mathematical mode [52].
It is more convenient to construct the characteristics in relative units to the current of the set point I, in this case each subsequent oblique Iave = f(I0, ΔI, T1) will correspond to the time constant T = Lj/Rj (i.e., the parameters of the CS at the selected point) and establishes a connection between the current surge causing the disconnection Δ of Ic, and currents I before the jump I* = I/Iu (Figure 5 and Figure 6) and ΔI* = ΔIc/I. The dotted line shows the procedure for checking the protection for tripping at current I*1, jump ΔI*1 for the section of the contact network corresponding to Tc = 0.1 s.
When constructing the characteristics, in addition to the parameters of the contact network, it is necessary to know the parameters of the BV and the RDS relay (Table 5), which were obtained by the authors experimentally. For current surges with a time constant greater than some critical Tcr, which, for example, for BAT-49, is equal to 0.34 s, the BV reacts to surges with an infinitely large value of Tc, i.e., as to a steady current, in this case we have a static setpoint or MCP.
As an example of upgrading circuit breakers to adapt the dynamic coefficient, Table 2 shows its values for the VAB-43-4000/30 with the shunt iron packs reduced against the usual length by 25 and 50% of the initial length, respectively, and for the RDS relay with the shunt iron packs reduced against the usual length by 25, 50 and 75% of the initial one, respectively, which for a particular section gives a reduction in the number of false protection trippings. From Figure 4 it follows that each of the protection characteristics corresponds to a constant of the rise time of the short-circuit current at a given point of the TS, thus the inclined line with T = 0 is the characteristic of the MIP actuation on the buses or at a short distance from the TP, and the inclined line with T ≥ 0.34 is the characteristic of the MIP actuation at the end of the feeder zone.
For example, if the load current is equal to I* = 0 and the time constant is equal to T = 0.1 s, for the BAT-49 circuit breaker, the setpoint in relative units in terms of current increment will be determined as ΔI*y0= 0.34 (Figure 4).
If tm > 0.34, then as you move away from the TP, the time constant of the circuit increases and the MIP becomes less sensitive to current surges, and conditionally, at the end of the line, the protection acts as MCP. (Figure 3 and Figure 4), i.e., the MIP of this circuit breaker is not sensitive to current surges and the protection works as an MCP with the ΔIy* = Iy setpoint. The value of the time constant T = L/R, when the equality ΔIy* = Iy is observed (in the example, this is at T = 0.34 s, Figure 4) denotes Tcr and is called the critical constant, it separates the response areas of the MCP (in this case, at t > 0.34 s) and the MIP (tm < 0.34 s).

4.1. Experimental and Simulation Results

To facilitate comparison, the key results obtained for different Kd values and device configurations are summarized in Table 6 (minimum trip current values) and Table 7 (response times). These tables help to highlight general trends, such as the reduction in trip thresholds and acceleration of protection response as Kd increases.
As shown in Table 6; the minimum trip current decreases consistently with higher values of Kd, reflecting enhanced sensitivity. Similarly; Table 7 confirms a reduction in trip response time; indicating improved reactivity. These trends are consistent across both experimental and simulation environments, validating the dynamic behavior of the proposed method

4.2. Comparative Performance Evaluation

To evaluate the practical benefits of the proposed method, a comparative analysis was conducted with traditional MCP, DCP, and a standard adaptive protection approach. All methods were tested under the same simulated fault scenarios and network parameters. The key evaluation metrics included:
  • Sensitivity (the lowest detectable fault current).
  • Selectivity (correct zone discrimination rate).
  • Average Trip Time.
  • False Tripping Rate (percentage of incorrect operations in healthy branches).
The results are summarized in Table 8.

5. Results and Comparison with Existing Methods

Unlike prior approaches, which rely on fixed or empirical setpoints, our method provides a scalable and equipment-adaptive configuration strategy [53]. This transition from heuristic to parameterized setting improves the engineering predictability of protection systems. In the course of experimental studies and simulations, numerical characteristics of sensitivity and protection coverage were obtained, confirming the effectiveness of the proposed approach [54]. Analytical dependencies of current protection actuation in the form of a family of characteristics at different network parameters were constructed. These dependencies relate the value of the required short-circuit current (SC) increment for protection actuation with the initial load current and the transient process time constant. On the basis of the equations obtained, the areas of guaranteed protection operation for the specified parameters were determined, which makes it possible to move from the empirical selection of setpoints to the calculated selection with a given accuracy. The formation of such a database of characteristics (a library of setpoints) for various types of circuit breakers and relays has increased the objectivity and reproducibility of the current and pulse protection setting. To further demonstrate the dynamic adaptability of the proposed protection scheme, Figure 7 shows the simulated current waveform and trip signal for fault case F3 under Kd = 0.9. This figure highlights the rapid drop in tripping delay and confirms effective discrimination from background noise.
Figure 7 shows the dependencies of the required relative increment of current ΔI for tripping protection against the relative initial current I0 at different values of the circuit’s time constant T. The smaller the T (steeper short-circuit edge), the smaller the current surge required for tripping–the graph has a lower slope (curve T = 0.1 s, red) and lies well below the standard static MCP (black dashed line) setpoint. As the time constant increases to the critical value of T (for this circuit breaker, Tcr = 0.34 s, blue curve), the sensitivity of the pulse channel decreases–the curve is located higher, approaching the static characteristic. An almost horizontal dotted line Tcr actually separates the coverage areas of maximum current protection (right, for slow current rises) and maximum impulse protection (left, for fast current inrushes). Thus, the pulse actuation principle extends the range of sensitive fault detection below the threshold of the classic MCP, which is especially important for small short-circuit currents.
It has been experimentally confirmed that the use of the developed tuning technique can significantly increase the sensitivity and reliability of protection. In particular, it has been established that for a high-speed circuit breaker of the BAT-49-4000/30L type, the setting of dynamic (pulse) current protection at a constant time t = 0.1 s is achieved at a relative increase in current ΔI = 0.34. In other words, the required current surge for tripping is only ~34% of the baseline (at zero initial current), which guarantees a trip of ΔI ≥ 0.34·Iu (where Iu is the basic setpoint current) at a given point in the network. For the RDSh-II type differential relay, characterized by increased sensitivity, the minimum experimentally achieved value of the dynamic coefficient was Kd = 0.341. Such a low Kd means the ability of the protection to reliably detect short circuits even in remote sections with high resistance–it has been experimentally shown that protection with the RDSh-II relay provided selective shutdown of an accident at a distance of up to 3–5 km from the substation. At the same time, the static current protection setpoint MCP was selected as equal to the load current with a margin of about 100–150 A, and the calculated minimum values of the short-circuit current of the traction network, at which guaranteed tripping was provided, lay in the range of 650–950 A, depending on the parameters of the feeder. These results confirm that even at very low fault currents–comparable to or only slightly higher than the operating load–the proposed surge current protection is able to detect and disconnect a short circuit in time.
For example, with a load current of I = 800 A and a short-circuit current of Isc = 850 A, the classical overcurrent protection does not work, because the difference of 50 A is not sufficient to exceed the fixed setpoint with the required margin. And to avoid false outages, the MCP threshold is set above 850 A–as a result, an accident on the line remains undetected. The proposed impulse protection algorithm takes into account the parameters of the transient process and the value of the initial inrush current: even with a slight overcurrent (tens of amperes), due to the analysis of the current slew rate and relative increase ΔI, the protection correctly recognizes CS and disconnects the line. This is especially important at the end of the feeder zone, where a significant voltage drop and line resistance reduce the CS current to levels dangerously close to the operating current, worsening the conditions for traditional methods. The use of relative coordinates (ΔI* = ΔI/Iu and I* = I/Iu) made it possible to reduce all experimental data to a unified form and to construct universal graphs (Figure 7) that are valid for any section of the contact network with appropriate normalization of currents. In practice, this means that the developed characteristics and tuning algorithms can be scaled and applied to different mine catenaries without losing accuracy.
In addition, the possibility of increasing the sensitivity of protection by upgrading the parameters of switching devices was investigated. The analysis showed that the change in the geometry and parameters of the inductive shunt of high-speed circuit breakers/relays significantly affects the dynamic coefficient Kd. Thus, the experimental reduction in the height of the steel package of the VAB-43-4000/30 (VELAN JSC, Kharkiv, Ukraine) type shunt type by 25–50% of the nominal height led to a decrease in Kd by ~15–35%. In numerical terms, the minimum Kd of this circuit breaker decreased from 1.85 (standard version) to 1.35 when the package was reduced by 25% and to 1.20 when the package was reduced by 50%. Accordingly, the required current surge for tripping was reduced by the same amount, allowing more flexibility in adjusting the protection to the conditions of a particular section. Similarly, for RDS relays, reducing the inductance of the damping circuit (for example, due to partial removal of the core) increases its sensitivity. Experimental upgrades of RDS relays with reduced inductance have confirmed the effectiveness of this approach in the field: devices with a reduced shunt reliably operated at lower currents, which would have previously required expensive special solutions. These results demonstrate that small design changes (e.g., in shunt parameters) can significantly improve the matching of protection to specific network characteristics, expanding the scope of the proposed technique without capital expenditure.
The results also confirmed the applicability of the developed setpoint setting algorithm based on the circuit design model. Calculation of short-circuit currents using simplified formulas that take into account the active and reactive resistances of all elements (transformers, feeders, contact network, and arc) showed a discrepancy with experimental data of no more than 15–20%. Such a level of accuracy is recognized as permissible for engineering calculations, which substantiates the possibility of practical use of the proposed formulas for the preliminary selection of setpoints. The proposed algorithm combines numerical modeling and obtained experimental dependencies, providing a comprehensive approach to solving the problem of increasing safety and reliability. Based on it, it is possible to determine the current and pulse settings for each section of the contact network, taking into account the parameters of the power supply network, the characteristics of the switching equipment (switches, relays) and the load. Such an integrated approach made it possible to achieve a significant increase in the effectiveness of protection in conditions of limited current reserves, unstable state of the contact network (temporary supports, lack of grounding) and increased risk of arc faults.
Practical testing of the technique on several typical sections of the contact network of the open pit confirmed the expected improvements. In all cases, a decrease in the number of false alarms of protection and unjustified shutdowns was noted by 40–60% compared to the original system without adaptation of setpoints. At the same time, the sensitivity of protection in the far CS zone increased by about 25–30%, which is expressed in the ability to reliably detect accidents at significantly lower short-circuit currents. The comprehensive indicator of the reliability of the system (the probability of timely shutdown of the damaged section without failure or overkill) has increased from 0.87 to 0.98. At the same time, the accident shutdown time in all tests was in the range of 0.05–0.1 s, which corresponds to the speed of the standard maximum protections–no additional delays were introduced. Thus, the introduction of the developed methodology made it possible to significantly increase both the sensitivity and selectivity of protection at the same time, practically without a negative impact on the response rate. Ultimately, this ensures a sharp reduction in emergency downtime and the risk of fire development, increasing the energy and technological efficiency of the mining transport system.
Figure 8 shows histograms of false tripping frequencies for different protection methods. It can be seen that traditional overcurrent protection (MCP) at low CS currents has a high percentage of false alarms (up to ~15%, red bar), and current differential protection (DCP) at a line length of >2 km can produce up to 17–18% false tripping due to electromagnetic interference and current asynchrony at the ends of the line. Adaptive digital security systems exhibit lower false alarm rates (<5%, green bar) due to constant setpoint tuning, but are costly and complex to implement. The method proposed in the paper (blue column) made it possible to reduce the share of false outages to 7%, that is, more than twice compared to traditional solutions. This indicator was obtained in real operating conditions after setting up the protection according to the new method, which confirms its effectiveness. A significant reduction in the number of erroneous alarms means that the protection selectively disables only the damaged area, practically not affecting adjacent areas in non-standard modes, which was previously a serious problem.
The graph showing the dependence of the probability of false alarms (%) and failures (%) on the length of the contact network (in the range of 1–6 km) for three protection methods is shown in Figure 9. The points on the graph are based on laboratory and industrial tests.
Comparison of false trip and refusal rates versus feeder length for MCP, DCP, and the proposed impulse protection method. The proposed method demonstrates lower failure metrics, especially for feeder lengths over 3 km.
Table 9 provides a generalized comparative analysis of the key protection characteristics for various methods: maximum current (MCP), traditional fixed setpoint, residual current (DCP), adaptive digital protection, as well as the proposed pulse current protection. Comparisons are made by the minimum short-circuit current that is reliably detected (sensitivity), the maximum allowable feeder length (protection zone) while maintaining sensitivity, the level of selectivity (selectivity) under low CS current conditions, and the false alarm rate. The table shows that the proposed approach provides intermediate results between traditional and expensive adaptive systems: in a number of parameters (for example, sensitivity ~600 A and selectivity ~95%), it is close to adaptive protection, significantly superior to MCP and DCP, with significantly less complexity of implementation. The gain in sensitivity is especially noticeable in remote areas—where MCP and DCP often do not work at all, the developed protection disconnects the line in case of a short circuit of several hundred amperes. At the same time, the selectivity reaches 90–95%, against 55–60% for classical MCP under similar conditions. The frequency of false tripping is also reduced by more than 2 times compared to MCP/DCP. Thus, the quantitative gain of the proposed solution is manifested in all the main criteria of protection reliability: sensitivity is increased (the minimum detectable accident current is reduced by 30%), selectivity is improved (by tens of percent in the far zones), the time of emergency elimination is reduced (in comparison with the case of failure of standard protections and the operation of backup stages), and the probability of false shutdown is more than halved. All this is achieved without the need to introduce complex controllers or constant communication, that is, on the basis of existing devices with minimal modernization and preliminary calculation of setpoints. Table 4 presents a comparison of the experimental characteristics for different methods of protecting the electrical equipment of the traction network of a mining pit.
Table 10 shows the results of the experimental direct comparison of protection methods.
Thus, the graphs in Figure 5 and Figure 6 and the summary Table 9 of the results clearly demonstrate the advantages of the developed method in comparison with traditional MCP, DCP and adaptive systems in terms of increasing sensitivity, selectivity and reliability of protection.
Compared to conventional MCP, DCP, and adaptive protection strategies, the proposed method demonstrated higher sensitivity (down to 1.6 × In), superior selectivity (96.8%), faster response (35.4 ms), and a significantly lower false tripping rate (0.9%). These improvements highlight the effectiveness of dynamic sensitivity adjustment in ensuring robust protection of traction power systems.

6. Discussion of the Results

It is recommended to select the settings of the current–pulse protections of the ME traction network on circuit breakers with an inductive shunt or RDS relays, taking into account the circuit time constant and the parameters of the built-in or external differential current relay.
The setting of the current–pulse protection must satisfy the condition (15), which in many cases cannot be satisfied; therefore, in order to ensure sensitivity to current surges at a constant time close to the critical time, a safety factor is introduced, determined experimentally or using a mathematical model for each feeder, but it can be assumed to be ks = 1.15, and the setpoint current along the
Iu. MIP = ks In.max
will satisfy the left side of condition (15). In this case, the maximum load current In.max is defined as
In.max Imp = Iave,
here Imp is the starting current of the train according to (14); Iave is the average current of the TP feeder, equal to Iave = Ksch·n·I0, the circuit coefficient for one-way supply is Ksch = 1, for two-way supply—Ksch = 2.
Next, according to the values of the short-circuit current calculated from (1) or (2), it is necessary to check the right-hand side of the inequality (14); if the condition is not met, there will be only MCP. Let us denote the relative setpoints for MCP as Iy* = Iy/Iy, for the MCP as ΔIy* = ΔIy/Iy (Figure 6). Let us increase the static setpoint to Iy2 = (1.15 − 1.2) Ikmin on the tripping characteristics (Figure 6) for BAT-49; we have ΔIy0 = 0.34, and the protection actuation parameter in this case will be a current surge ΔI. Let us choose the length of the dynamic sensitivity zone of the protection for a certain T < Tcr (inclined lines in Figure 4 lying below the straight line Tcr), where the actuation is guaranteed against a current surge ΔI, the deactivation will occur when the relation Iy2/Ikmin = Kd is fulfilled, here Kd is the dynamic coefficient determined from Table 4.
Thus, the selectivity of the current and pulse protection of the traction networks of the ME increases, the current protection will be triggered only in the short-circuit zone, minimizing outages in neighboring zones; reliability increases, the probability of false alarms decreases, and the stability of the system operation increases. All this optimizes the operation of the network, reduces the number of unjustified outages, which reduces downtime and increases the efficiency of the traction network.
The improvements reported—such as the reduction in false trips by 40–60% and the increase in protection sensitivity by 25–30%—are based on a statistical sample of 48 test cycles carried out across different feeder configurations. The standard deviation for the reduction in false trips was 6.8%, and the 95% confidence interval was [38.2%; 62.1%], indicating consistent improvement across scenarios. For the sensitivity increase, the standard deviation was 4.3%, with a confidence interval of [23.5%; 31.6%]. These values confirm that the reported gains are statistically significant and not due to isolated cases.
An important part of the study was the construction of protection response equations in an analytical form. Dependencies ΔIave = f(I0, T1) were derived, where ΔIave is the threshold increment of the current causing tripping at the initial load current I0 and the time constant T1 and ΔI/Iu and were experimentally confirmed. On the basis of the obtained dependencies, areas of guaranteed protection actuation at the specified parameters were constructed, which made it possible to move from the empirical selection of setpoints to the calculation method with a given accuracy.
The data obtained in the course of experiments and calculations formed the basis of the proposed method for setting up current and pulse protection setpoints. It involves preliminary determination of the parameters of the feeder zone, calculation of short-circuit currents according to formulas taking into account transient characteristics, determination of the maximum load current and subsequent calculation of the MIP and MCP setpoints taking into account the critical time constant. The result was the formation of a library of tripping characteristics adapted to the types of circuit breakers and relays used at the ME.
Thus, the conducted experimental complex, implemented on the basis of real equipment using modern measuring equipment and numerical simulation, made it possible to form an objective and reproducible database necessary for the development of reliable and sensitive current–pulse protection of traction networks. The implementation of this technique in operating conditions will increase selectivity and reduce the number of false alarms, which will ultimately ensure an increase in the energy and technological efficiency of mining operations.
In future developments, a contribution-weighted risk-based approach to protection setting can be integrated into the proposed methodology. This means accounting for the differentiated criticality of various feeder zones and nodes within the traction network. As highlighted in IEEE TII, 2025.3563589, assigning protection thresholds based on quantified node failure impact can help avoid both overprotection in low-risk zones and underprotection in critical segments [55]. Applying such a differentiated protection configuration would allow for collaborative optimization of the entire system and ensure a more resilient design against cascading faults and uneven loads. In our current study, we treat each feeder zone uniformly for comparability, but this enhancement is identified as a key extension of the presented work. In the context of expanding the adaptability of the proposed method, future developments may consider integrating multi-level flexibility resources such as the thermal inertia of industrial buildings, distributed energy storage, and the dispatchable behavior of electric vehicles. As outlined in IEEE TTE, 2025.3581349, collaborative optimization of such heterogeneous resources through distributed computing frameworks can significantly enhance system-wide fault resilience and reduce the burden of centralized coordination [56]. By leveraging local intelligence and resource autonomy, fault protection and recovery mechanisms can be dynamically adapted without requiring full system topology disclosure—thus preserving operational privacy and improving scalability in complex traction networks [57,58]. In addition, future work may explore how distributed and collaborative optimization frameworks—accounting for electric vehicle mobility patterns, building thermal buffering, and load-shifting—can improve post-fault recovery and adaptive protection design in large-scale traction networks. Integrating such capabilities could enable more resilient and privacy-preserving protection architectures.
The technique has been tested on several typical sections of the contact network using mathematical models and experimental data. In each case, there was a decrease in the number of false alarms by 40–60%, an improvement in the sensitivity of protection in the fault zone by 25–30%, as well as an increase in the overall reliability factor of the system by 12% (from 0.87 to 0.98). At the same time, the implementation of the tuning algorithm is possible on existing equipment with minor modernization of circuit breakers and the use of existing digital relays. The paper substantiates the need for an individual approach to the calculation of protection settings for each specific section of the traction network, taking into account the nature of the supply circuit, the parameters of the switching equipment and the characteristics of the load. The proposed method combines theoretical modeling, experimental data and analytical equations, which provides an integrated approach to solving the urgent problem of improving electrical safety and operational reliability in conditions of limited space, unstable mechanical environment and increased risk of short circuits.
The most significant quantitative results of the work demonstrate the accuracy and efficiency of the developed approach. In particular, it was experimentally established that when using the BAT-49-4000/30L high-speed circuit breaker, the setting of dynamic current protection at the constant time of the circuit is T = 0.1 s is I*y0 = 0.34, which ensures reliable operation at current surges ΔI ≥ 0.34·For the RDSh-II type relays, which are characterized by increased sensitivity, the minimum value of the dynamic coefficient reached Kd = 0.341, which made it possible to provide protection in areas with high resistance values and a distance of up to 3–5 km from the substation. In this case, the static current protection setpoint was assumed to be equal to the load current with a margin of 100–150 A and the design values of the minimum short-circuit current, which provides guaranteed tripping, ranged from 650 to 950 A, depending on the parameters of the feeder zone.
Comparison of the obtained tripping characteristics with traditional methods of MCP (maximum current protection) showed a significant advantage of the technique in terms of sensitivity and selectivity. In conditions where MCP does not allow reliable tripping due to the small difference between the load current and the short-circuit current (for example, at Il = 800 A and Ics = 850 A), pulse current protection, taking into account the parameters of the transient process and the magnitude of the current surge, makes it possible to correctly set the setpoints. This is especially important at the end of the feeder zone, where the circuit parameters significantly degrade the conditions for traditional protection methods. The proposed use of the relative coordinates ΔI* = ΔI/Iy and I* = I/Iy made it possible to bring all the data to a unified form and build universal graphs applicable to any section of the contact network.
In addition, the possibility of controlling the sensitivity of protection by changing the geometry and parameters of the inductive shunt in the composition of switches and relays was analyzed. For example, a 25–50% reduction in the height of the steel package in the VAB-43-4000/30 type shunts led to a 15–35% decrease in the value of the dynamic coefficient, which made it possible to adjust the protection more flexibly depending on the site conditions. Such measures, including the modernization of the RDS relay with a reduction in inductance, have proven their effectiveness in real test conditions.
The experimental results and modeling data were compared with traditional MCP approaches, confirming that the proposed MIP method improves selectivity by 25–35% and reduces false tripping by more than 40%, especially at remote feeder ends where the short-circuit current is less than 700 A. Comparison of protection effectiveness is shown in Table 11.
The results obtained also confirmed the applicability of the developed setpoint setting algorithm based on a calculation model that takes into account the active and reactive resistances of all circuit elements: transformers, feeders, contact network and arc resistance. Calculations of short-circuit currents using Formulas (1)–(7) and their verification from experimental data showed a discrepancy of 15–20%, which is considered acceptable for engineering applications. In addition, the use of simplified calculation formulas for the preliminary selection of setpoints in the design of protection systems and their modernization is proposed.
Applicability of the technique to other types of equipment. In order to test the universality of the proposed approach, some of the experiments were carried out with a microprocessor-based relay of the SEPAM S20 (Schneider Electric, Rueil-Malmaison, France) type, which implemented an algorithm for recording current inrushes. Despite the differences in the architecture and sensitivity of the relays, the obtained ΔI(I) graphs showed a similar shape to the previously constructed characteristics for the RDSh-II, which is close to the values obtained for VAB-43-4000/30 (Figure 8).
In addition, the possibility of configuring setpoints for Siemens automatic circuit breakers (type 3VL) with an analog current input was tested. Tuning according to a similar method (with the calculation of relative current inrush and time) made it possible to achieve a deviation in the response time of no more than 12% compared to the experimental model, which confirms the portability of the approach.
Thus, the methodology is scaled by:
-
Use of relative characteristics ΔI at different T;
-
taking into account the design parameters of the devices (inductance, closing ability);
-
Use of a universal circuit model describing the emergency mode.
This makes it possible to apply the developed tuning system not only to domestic devices (RDS, BAT, VAB), but also to digital relays, adaptive automatons and their hybrid versions.

7. Conclusions

The developed method not only allows you to increase the reliability and safety of the traction network, but it also has high flexibility in application. Its practical significance lies in the fact that it does not require a complete replacement of existing equipment but only adjustment of setpoints and minimal modernization of relay protection, which is especially important for enterprises with a limited budget. The mathematical basis underlying the methodology makes it possible to adapt it to various network configurations, including single- and two-unit substations with a capacity of 100 to 300 MVA and the length of feeder lines up to 10 km.
Despite being tested on BAT-49 and RDSH-II relays, the proposed methodology is adaptable to other hardware with similar dynamic characteristics, making it applicable to subway systems, industrial electric transport, and open-pit electrified haulage lines.
The prospects of the work also lie in the possibility of its expansion to other types of contact networks, including those used in subways, industrial electric locomotives and quarries with large slopes of tracks. The resulting response characteristics can be used as the basis for software for automatic calculation and configuration of protections integrated into substation control systems. This, in turn, creates the prerequisites for the formation of intelligent adaptive protection systems with the ability to monitor online and correct setpoints depending on changing load conditions and network conditions.
Experimentally obtained parameters of circuit breakers and relays of current–impulse protection, an algorithm for setting setpoints, a method for constructing the tripping characteristics of high-speed circuit breakers equipped with an inductive shunt and differential relays are theoretically substantiated, and the tripping characteristics of the circuit breaker and relays are proposed to be calculated using mathematical modeling.
The study proposes and validates a novel dynamic approach to fault protection configuration based on transient characteristics of traction networks. By leveraging a dynamic sensitivity coefficient and constructing universal tripping curves, the method enables high selectivity and low false-positive rates even under low-SC conditions while remaining compatible with legacy systems. Future work will explore its integration with decentralized optimization frameworks. The implementation of the presented methodology will increase the reliability and selectivity of the protection of the traction networks of the ME, reduce the likelihood of unjustified shutdowns, improve the safety of train traffic, reduce downtime and increase the efficiency of traction networks. This technique defines a new approach to solving the urgent problem of ensuring the reliability and selectivity of protection of ME traction networks and has great potential for implementation in practice. Further enhancement may include incorporating contribution-based weighting of fault impact per network segment, ensuring fair and optimized protection adjustment across diversified network topologies.

Author Contributions

Conceptualization, B.V.M. and N.V.M.; methodology, E.V.K.; software, V.S.T.; validation, V.Y.K. and V.V.C.; formal analysis, E.V.K.; investigation, V.Y.K. and V.V.C.; resources, V.I.G. and V.S.T.; writing—original draft preparation, B.V.M. and N.V.M.; writing—review and editing, V.I.G. and V.S.T.; visualization, V.I.G. and V.S.T.; All authors have read and agreed to the published version of the manuscript.

Funding

This research received no external funding.

Data Availability Statement

The original contributions presented in this study are included in the article. Further inquiries can be directed to the corresponding author.

Conflicts of Interest

The authors declare no conflicts of interest.

References

  1. Malozyomov, B.V.; Martyushev, N.V.; Konyukhov, V.Y.; Matienko, O.I.; Kukartsev, V.V.; Antamoshkin, O.A.; Karlina, Y.I. Mathematical Model for the Study of Energy Storage Cycling in Electric Rail Transport. World Electr. Veh. J. 2025, 16, 357. [Google Scholar] [CrossRef]
  2. Hong, W.; Jenn, A.; Wang, B. Electrified Autonomous Freight Benefit Analysis on Fleet, Infrastructure and Grid Leveraging GEM Model. arXiv 2022, arXiv:2204.13082v1. [Google Scholar]
  3. Malozyomov, B.V.; Martyushev, N.V.; Demin, A.Y.; Pogrebnoy, A.V.; Efremenkov, E.A.; Valuev, D.V.; Boltrushevich, A.E. Improving the Reliability of Current Collectors in Electric Vehicles. Mathematics 2025, 13, 2022. [Google Scholar] [CrossRef]
  4. Tokac, B.; Zhang, Q.; Sari, Y.A. Environmental and economic comparison of diesel and electric trucks in open-pit mining operations. J. Clean. Prod. 2025, 345, 145540. [Google Scholar] [CrossRef]
  5. Martyushev, N.V.; Malozyomov, B.V.; Sorokova, S.N.; Efremenkov, E.A.; Valuev, D.V.; Qi, M. Review Models and Methods for Determining and Predicting the Reliability of Technical Systems and Transport. Mathematics 2023, 11, 3317. [Google Scholar] [CrossRef]
  6. Armstrong, T.; Ghoreishi-Madiseh, S.A.; Kalantari, H.; Samea, P.; Steen, J. Evaluating operational benefits of fleet electrification in open pit mines using discrete event modeling; a case study for implementation of trolley assist trucks. Int. J. Min. Reclam. Environ. 2025. [CrossRef]
  7. Huang, Y.; Xu, S.; Ouyang, M.; Song, Z. Comparative study on braking energy recovery and reuse strategies for hybrid mining dump trucks. Proc. Inst. Mech. Eng., Part D 2023, 237, 725–737. [Google Scholar] [CrossRef]
  8. Martyushev, N.V.; Malozyomov, B.V.; Filina, O.A.; Sorokova, S.N.; Efremenkov, E.A.; Valuev, D.V.; Qi, M. Stochastic Models and Processing Probabilistic Data for Solving the Problem of Improving the Electric Freight Transport Reliability. Mathematics 2023, 11, 4836. [Google Scholar] [CrossRef]
  9. McNeil, W.H.; Porzio, J.; Tong, F.; Harley, R.A.; Auffhammer, M.; Scown, C.D. Impact of truck electrification on air pollution disparities in the United States. Nat. Sustain. 2025, 8, 276–286. [Google Scholar] [CrossRef]
  10. Martyushev, N.V.; Malozyomov, B.V.; Kukartsev, V.V.; Gozbenko, V.E.; Konyukhov, V.Y.; Mikhalev, A.S.; Kukartsev, V.A.; Tynchenko, Y.A. Determination of the Reliability of Urban Electric Transport Running Autonomously through Diagnostic Parameters. World Electr. Veh. J. 2023, 14, 334. [Google Scholar] [CrossRef]
  11. Zhang, Y.; Qu, X.; Tong, L. Optimal eco-driving control of autonomous and electric trucks in adaptation to highway topography: Energy minimization and battery life extension. arXiv 2020, arXiv:2009.04683v3. [Google Scholar] [CrossRef]
  12. Qin, Y.; Li, Z.; Geng, G.; Wang, B. Approximate globally optimal energy management strategy for fuel-cell hybrid mining trucks based on rule-interposing balance cost minimization. Sustainability 2025, 17, 1412. [Google Scholar] [CrossRef]
  13. Xie, G.; Ding, R.; Xie, H.; Qin, H.; Bian, Y. Model predictive control-assisted energy management strategy for hybrid mining dump trucks based on speed and slope prediction. Electronics 2025, 14, 1999. [Google Scholar] [CrossRef]
  14. Pesonen, J.; Prinz, R.; Ovaskainen, H.; Kauranen, P.; Poikela, A.; Kärhä, K. Alternative powertrains and fuels in heavy non-road mobile machinery and their future expectations: A review. Curr. For. Rep. 2025, 11, 10. [Google Scholar] [CrossRef]
  15. Rau, T.; Schürmann, T.; Schwab, S.; Hohmann, S. Toward holistic energy management strategies for fuel-cell hybrid electric vehicles in heavy-duty applications. Proc. IEEE 2021, 109, 1094–1114. [Google Scholar]
  16. Hasözdemir, K.; Meral, M.; Kahraman, M.M. Revolutionizing open-pit mining fleet management: Integrating computer vision and multi-objective optimization for real-time truck dispatching. Appl. Sci. 2025, 15, 4603. [Google Scholar] [CrossRef]
  17. Provencher, M. A Guide to Predictive Maintenance for the Smart Mine. Available online: https://www.mining.com/a-guide-to-predictive-maintenance-for-the-smart-mine/ (accessed on 16 April 2020).
  18. Khodaparastan, M.; Mohamed, A. Modeling and Simulation of Regenerative Braking Energy in DC Electric Rail Systems. arXiv 2018, arXiv:1808.04032. [Google Scholar]
  19. Gharibeh, H.F.; Yazdankhah, A.S.; Azizian, M.R. Energy management of fuel cell electric vehicles based on working condition identification of energy storage systems, vehicle driving performance, and dynamic power factor. J. Energy Storage 2020, 31, 101760. [Google Scholar] [CrossRef]
  20. Yadav, S.; Assadian, F. Robust Energy Management of Fuel Cell Hybrid Electric Vehicles Using Fuzzy Logic Integrated with H Control. Energies 2025, 18, 2107. [Google Scholar] [CrossRef]
  21. Yu, Y.; Wang, Y.; Li, Q.; Jiao, B. A Predictive Energy Management Strategies for Mining Dump Trucks. Energy Eng. 2024, 121, 769–788. [Google Scholar] [CrossRef]
  22. Boychuk, I.P.; Grinek, A.V.; Martyushev, N.V.; Klyuev, R.V.; Malozyomov, B.V.; Tynchenko, V.S.; Kukartsev, V.A.; Tynchenko, Y.A.; Kondratiev, S.I. A Methodological Approach to the Simulation of a Ship’s Electric Power System. Energies 2023, 16, 8101. [Google Scholar] [CrossRef]
  23. Balboa-Espinoza, V.; Cruz, C.; Maldonado, M.; Calderón, A. Comparative Life Cycle Assessment of Battery-Electric and Diesel Trucks for Mining Operations. J. Clean. Prod. 2023, 328, 129587. [Google Scholar] [CrossRef]
  24. Martyushev, N.V.; Malozyomov, B.V.; Tynchenko, V.S.; Kukartsev, V.A.; Filina, O.A.; Bashmur, K.A.; Pavlov, P.P.; Panfilova, T.A. Increasing the Efficiency of Diagnostics in the Brush-Commutator Assembly of a Direct Current Electric Motor. Energies 2024, 17, 17. [Google Scholar] [CrossRef]
  25. Han, Q.; Ma, J.; Zhao, X.; Wang, S.; Chai, H.; Zheng, Z. Hierarchical Coordinated Optimization and Energy Management Control for Plug-In Hybrid Electric Heavy-Duty Truck Platoon in Coal Mine Transportation System. IEEE Trans. Veh. Technol. 2025, 74, 229–245. [Google Scholar] [CrossRef]
  26. Liu, H.; Wang, H.; Yu, M.; Wang, Y.; Luo, Y. Long Short-Term Memory–Model Predictive Control Speed Prediction-Based Double Deep Q-Network Energy Management for Hybrid Electric Vehicle to Enhanced Fuel Economy. Sensors 2025, 25, 2784. [Google Scholar] [CrossRef]
  27. International Electrotechnical Commission (IEC). IEC 60044: Instrument Transformers; IEC: Geneva, Switzerland, 2003. [Google Scholar]
  28. Feng, Y.; Dong, Z. Comparative lifecycle costs and emissions of electrified powertrains for heavy-duty trucks. J. Power Sources 2023, 562, 231123. [Google Scholar] [CrossRef]
  29. Mareev, I.; Becker, J.; Sauer, D.U. Battery dimensioning and life cycle costs analysis for a heavy-duty truck considering the requirements of long-haul transportation. Energies 2018, 11, 55. [Google Scholar] [CrossRef]
  30. Lyu, Z.; Pons, D.; Zhang, Y. Emissions and total cost of ownership for diesel and battery electric freight pickup and delivery trucks in New Zealand: Implications for transition. Sustainability 2023, 15, 7902. [Google Scholar] [CrossRef]
  31. Iyer, R.K.; Kelly, J.C.; Elgowainy, A. Vehicle-cycle and life-cycle analysis of medium-duty and heavy-duty trucks in the United States. Sci. Total Environ. 2023, 891, 164093. [Google Scholar] [CrossRef]
  32. Gonçalves da Silva, G.R.; Lazar, M. Long hauling eco-driving: Heavy-duty trucks operational modes control with integrated road slope preview. arXiv 2022, arXiv:2203.12378. [Google Scholar]
  33. Piepenbrink, H.; Flämig, H.; Menger, A. CO2e Life-Cycle Assessment: Twin Comparison of Battery–Electric and Diesel Heavy-Duty Tractor Units with Real-World Data. Future Transp. 2025, 5, 12. [Google Scholar] [CrossRef]
  34. Coelho, V.; Matos, M.; Cruz, J. An integrated LCA and LCCA framework for electric heavy-duty vehicles. Sustainability 2022, 14, 2738. [Google Scholar] [CrossRef]
  35. Parviziomran, E.; Bergqvist, R. Decarbonization Costs for the Swedish Heavy-Duty Road Fleet: Circular Economy Insights on Electric Truck Batteries. Transp. Policy 2025, 160, 1–14. [Google Scholar] [CrossRef]
  36. Pezzella, G.; Baaqel, H.; Messa, G.M.; Sarathy, S.M. Towards Decarbonized Heavy-Duty Road Transportation: Design and Carbon Footprint of Adsorption-Based Carbon Capture Technologies Using Life Cycle Thinking. Chem. Eng. J. 2025, 508, 161168. [Google Scholar] [CrossRef]
  37. ICCT. A Total Cost of Ownership Comparison of Truck Decarbonization Technologies in Europe; ICCT Report; ICCT: Washington, DC, USA, 2023; pp. 1–52. [Google Scholar]
  38. Sun, R.; Sujan, V.A.; Jatana, G. Systemic decarbonization of road freight transport: A comprehensive total cost of ownership model. arXiv 2024, arXiv:2410.21026v1. [Google Scholar] [CrossRef]
  39. Malozyomov, B.V.; Martyushev, N.V.; Babyr, N.V.; Pogrebnoy, A.V.; Efremenkov, E.A.; Valuev, D.V.; Boltrushevich, A.E. Modelling of Reliability Indicators of a Mining Plant. Mathematics 2024, 12, 2842. [Google Scholar] [CrossRef]
  40. Sinha, R.S.; Mukhopadhyay, A.K. Reliability centred maintenance of cone crusher: A case study. Int. J. Syst. Assur. Eng. Manag. 2015, 6, 32–35. [Google Scholar] [CrossRef]
  41. Gharahasanlou, A.N.; Mokhtarei, A.; Khodayarei, A.; Ataei, M. Fault tree analysis of failure cause of crushing plant and mixing bed hall at Khoy cement factory in Iran. Case Stud. Eng. Fail. Anal. 2014, 2, 33–38. [Google Scholar] [CrossRef]
  42. Tuncay, D.; Nuray, D. Reliability analysis of a dragline using fault tree analysis. Bilimsel Madencilik Derg. 2017, 56, 55–64. [Google Scholar] [CrossRef]
  43. Chakraborty, S.; Das, S. Communication-Less Protection Scheme for AC Microgrids Using Hybrid Tripping Characteristic. Electr. Power Syst. Res. 2020, 187, 106453. [Google Scholar] [CrossRef]
  44. Ghotbi Maleki, M.; Mohammadi Chabanloo, R.; Farrokhifar, M. Accurate Coordination Method Based on the Dynamic Model of Overcurrent Relay for Industrial Power Networks Taking Contribution of Induction Motors into Account. IET Gener. Transm. Distrib. 2020, 14, 645–655. [Google Scholar] [CrossRef]
  45. Mohammadi Chabanloo, R.; Mohammadzadeh, N. A Fast Numerical Method for Optimal Coordination of Overcurrent Relays in the Presence of Transient Fault Current. IET Gener. Transm. Distrib. 2018, 12, 472–481. [Google Scholar] [CrossRef]
  46. Patil, R.B.; AMhamane, D.; Kothavale, P.B.; SKothavale, B. Fault Tree Analysis: A Case Study from Machine Tool Industry. In Proceedings of the An International Conference on Tribology, TRIBOINDIA-2018, Mumbai, India, 13–15 December 2018. [Google Scholar]
  47. Iyomi, E.P.; Ogunmilua, O.O.; Guimaraes, I.M. Managing the Integrity of Mine Cage Conveyance. Int. J. Eng. Res. Technol. (IJERT) 2021, 10, 743–747. [Google Scholar]
  48. Kabir, S. An overview of fault tree analysis and its application in model based dependability analysis. Expert Syst. Appl. 2017, 77, 114–135. [Google Scholar] [CrossRef]
  49. Zuo, X.; Yu, X.R.; Yue, Y.L.; Yin, F.; Zhu, C.L. Reliability Study of Parameter Uncertainty Based on Time-Varying Failure Rates with an Application to Subsea Oil and Gas Production Emergency Shutdown Systems. Processes 2021, 9, 2214. [Google Scholar] [CrossRef]
  50. Balaraju, J.; Raj, M.G.; Murthy, C. Estimation of reliability-based maintenance time intervals of Load-Haul Dumper in an underground coal mine. J. Min. Environ. 2018, 9, 761–771. [Google Scholar]
  51. Bala, R.J.; Govinda, R.; Murthy, C. Reliability analysis and failure rate evaluation of load haul dump machines using Weibull. Math. Model. Eng. Probl. 2018, 5, 116–122. [Google Scholar] [CrossRef]
  52. Waghmode, L.Y.; Patil, R.B. Reliability analysis and life cycle cost optimisation: A case study from Indian industry. Int. J. Qual. Reliab. Manag. 2016, 33, 414–429. [Google Scholar] [CrossRef]
  53. Barabady, J.; Kumar, U. Reliability analysis of mining equipment: A case study of a crushing plant at Jajarm Bauxite Mine in Iran. Reliab. Eng. Syst. Saf. 2008, 93, 647–653. [Google Scholar] [CrossRef]
  54. Taherı, M.; Bazzazı, A.A. Reliability Analysis of Loader Equipment: A Case Study of a Galcheshmeh. MT Bilimsel 2017, 11, 37–46. [Google Scholar]
  55. Ding, B.; Li, Z.; Li, Z.; Xue, Y.; Chang, X.; Zhang, Q.; Wang, K. Cooperative Operation for Multiagent Energy Systems Integrated with Wind, Hydrogen, and Buildings: An Asymmetric Nash Bargaining Approach. IEEE Trans. Ind. Inform. 2025, 21, 3563589. [Google Scholar] [CrossRef]
  56. Chen, Y.; Liu, W.; Zhang, T.; Ma, Y.; Huang, Z.; Wang, S. Distributed Privacy-Preserving Optimization for Multi-Layer Flexibility Resources in Integrated Energy Systems. IEEE Trans. Transp. Electrific. 2025, 11, 3581349. [Google Scholar] [CrossRef]
  57. Pryalukhin, A.F.; Malozyomov, B.V.; Martyushev, N.V.; Daus, Y.V.; Konyukhov, V.Y.; Oparina, T.A.; Dubrovin, R.G. Simulation Modeling of Energy Efficiency of Electric Dump Truck Use Depending on the Operating Cycle. World Electr. Veh. J. 2025, 16, 217. [Google Scholar] [CrossRef]
  58. Nussipali, R.; Martyushev, N.V.; Malozyomov, B.V.; Konyukhov, V.Y.; Oparina, T.A.; Romanova, V.V.; Kononenko, R.V. Combined Power Generating Complex and Energy Storage System. Electricity 2024, 5, 931–946. [Google Scholar] [CrossRef]
Figure 1. Schematic diagram of the laboratory setup for current and impulse protection testing, including simulated contact network and switching equipment.
Figure 1. Schematic diagram of the laboratory setup for current and impulse protection testing, including simulated contact network and switching equipment.
Wevj 16 00477 g001
Figure 2. Simplified block diagram of the simulation model used for transient analysis and validation of protection algorithms.
Figure 2. Simplified block diagram of the simulation model used for transient analysis and validation of protection algorithms.
Wevj 16 00477 g002
Figure 3. Structure, switching diagram and appearance of the RDS differential relay: relay device (a); diagram of relay connection to the control circuit of the feeder circuit breaker (b); design of the relay (c): 1, 2—live parts; 3—inductive shunt (steel sheet packages); 4—block contact of the RDS relay; 5—spring; 6, 7—moving part (armature and axle); 8—magnetic core; 9—power contacts of the high-speed circuit breaker (BV); 10—holding coil of the BV; S—the beginning of the serial relay coil; F—end of the series coil; Φ —magnetic flux; Ud is the effective voltage.
Figure 3. Structure, switching diagram and appearance of the RDS differential relay: relay device (a); diagram of relay connection to the control circuit of the feeder circuit breaker (b); design of the relay (c): 1, 2—live parts; 3—inductive shunt (steel sheet packages); 4—block contact of the RDS relay; 5—spring; 6, 7—moving part (armature and axle); 8—magnetic core; 9—power contacts of the high-speed circuit breaker (BV); 10—holding coil of the BV; S—the beginning of the serial relay coil; F—end of the series coil; Φ —magnetic flux; Ud is the effective voltage.
Wevj 16 00477 g003
Figure 4. Traction network replacement diagram and circuit breaker with inductive shunt and illustration of the transient process in the traction network: (a) is circuit wiring diagram; (b) are diagrams and parameters of the transient process of current change.
Figure 4. Traction network replacement diagram and circuit breaker with inductive shunt and illustration of the transient process in the traction network: (a) is circuit wiring diagram; (b) are diagrams and parameters of the transient process of current change.
Wevj 16 00477 g004
Figure 5. Response characteristics of current and pulse protection.
Figure 5. Response characteristics of current and pulse protection.
Wevj 16 00477 g005
Figure 6. Family of tripping characteristics of Iave = f(I0, ΔI, T) in relative units for 0 < T ≤ 0.34.
Figure 6. Family of tripping characteristics of Iave = f(I0, ΔI, T) in relative units for 0 < T ≤ 0.34.
Wevj 16 00477 g006
Figure 7. A family of experimentally obtained characteristics of the operation of current–pulse protection in relative units.
Figure 7. A family of experimentally obtained characteristics of the operation of current–pulse protection in relative units.
Wevj 16 00477 g007
Figure 8. Frequency of false shutdowns of protection for different protection methods according to test data: MCP–maximum current protection; DCP—differential current protection.
Figure 8. Frequency of false shutdowns of protection for different protection methods according to test data: MCP–maximum current protection; DCP—differential current protection.
Wevj 16 00477 g008
Figure 9. Quantitative comparison of false operation rate and refusal rate for MCP, DCP, and the proposed impulse protection method under identical network conditions (feeder length and resistance varied).
Figure 9. Quantitative comparison of false operation rate and refusal rate for MCP, DCP, and the proposed impulse protection method under identical network conditions (feeder length and resistance varied).
Wevj 16 00477 g009
Table 1. List of Symbols and Units.
Table 1. List of Symbols and Units.
SymbolDescriptionUnitNotes
IkShort-circuit currentAMay vary across the traction network
Uv0Secondary winding phase voltageVNominal voltage, used in SC current calculation
RiInternal resistance of the rectifierOhmAs per datasheet
Xt, RtReactance and resistance of traction transformerOhmPer phase
ΔICurrent surgeADifference between fault and pre-fault current
IaveAverage load currentABefore the surge
T1Time constant of the networksT1 = L/R, affects relay behavior
KdDynamic sensitivity coefficientExperimentally obtained
L, RInductance and resistance of the circuitGn, OmUsed in the calculation of T = L/R
KdDynamic Sensitivity FactorExperimentally obtained
IsProtection tripping current setpointAProvides short circuit response
ΔI*Relative Current SurgeΔI/Is
I*Relative Current Before SurgeI/Is
Tcr or TshCritical Time ConstantsSeparates MIP and MCP coverage areas
Rw, Rcn, RtResistances of feeding, contact and transformer phasesOhmTo calculate short circuits
ReqSubstation Equivalent ResistanceOhmApproximation
AspSpecific energy consumption per thrustWh/t·kmIt is determined experimentally
GTotal weight of the locomotivet
mNumber of motor axlesFor example, 4
VoSpeedkm/h
UcAverage voltage in the contact networkVBy PTE
UgRated Voltage Across Motor ManifoldV
ηTraction motor efficiencyFrom the passport
npairsNumber of engine pairs in starting modeParallel connection
nmTotal number of engines in a locomotive
IuProtection Current SetpointATotal Setpoint
In.maxMaximum load current without tripping protectionATaking into account the stock
Isc.minMinimum short-circuit current causing trippingATaking into account the stock
tmTransient TimeAFor actuation analysis
ipyProtection threshold (current surge)ATechnical Operation Manual
ksFactorUsually 1.15
Iu.MIPMIP SetpointA I u . M I P = k s · I n . m a x
KschNutrition Scheme Factor1—one-way, 2—two-way power supply
KmtMaximum Train Current FactorDetermined by engine power
PhpHourly power of traction motorkWTechnical Operation Manual
n0Number of trains on the lineTechnical Operation Manual
KvRectifier Control Factor1.05 (fixed) or 1.4 (adjustable)
s, aNumber of valves connected in series and in parallelIn the rectifier
dArc Voltage DropVTaken into account in case of short circuit
I*kRelative Short Circuit CurrentUsed in the construction of characteristics
idkyShock Current Short CircuitA i d k y = K s d · I k
KsdCoefficient of Thermal Resistance Technical Operation Manual
Table 2. Key Parameters of the MATLAB/Simulink Model.
Table 2. Key Parameters of the MATLAB/Simulink Model.
ParameterValue
Simulation time step50 µs
Nominal system voltage3.3 kV
Line impedance (positive sequence)0.15 + j0.45 Ω
Line impedance (zero sequence)0.05 + j0.15 Ω
Fault impedance0.01 Ω
Breaker trip delay20 ms
Current Transformer ratio1000:5
Voltage Transformer ratio3000:100
Load model typeConstant PQ
Load active power120 kW
Load reactive power40 kVar
Table 3. Typical values used in simulation for reproduction of short-circuit and transient conditions in a standard traction network.
Table 3. Typical values used in simulation for reproduction of short-circuit and transient conditions in a standard traction network.
ParameterValueDescription
Feeder length4.0 kmRemote section of traction contact line
Contact wire resistance0.24 Ohm/kmBased on 95 mm2 copper conductor
Transformer Xt/Rt0.42/0.07 ΩThree-phase traction transformer
Arc resistance (Rarc)0.2–0.6 ΩShort-circuit condition
Load current (Il)800 ANormal operation
Short-circuit current500–1000 ABased on SC point location
Table 4. Short-circuit current values for the most common substation capacities.
Table 4. Short-circuit current values for the most common substation capacities.

p.p.
Traction Substation TypeShort Circuit Power on TP Buses, MVAConverter Transformer Capacity, kVAShort-Circuit Current, kA
on the Buses of the Traction Substationat a Remote Point of the Traction Network
1Single-unit15010 40021.24.5–6.0
2two-unit3002 × 10,40040.05.2–7.0
3Single-unit100540015.02.0–4.0
4two-unit100133010.01.5–2.0
Table 5. Parameters of shunts most commonly used on ME circuit breakers and RDS relays.
Table 5. Parameters of shunts most commonly used on ME circuit breakers and RDS relays.
Breaker TypeHeight
Steel Plate Packages
Shunt, mm
Lsh, μHLdc, μHRsh, μΩRdc, μΩShunt Time Constant, s,
Tsh/T1cr
Static Shunt Ratio
KST
Dynamic Coefficient Kd
Maximum Value at
0 ≤ Tc ≤ 0.5
Minimum Value at T1 = 0.5 s
VAB-43-4000/302406.981.826.418.41.09/1.092.871.85
VAB-43-4000/302205.91.829.218.41.70/1.702.02.55…1.941.5
VAB-43-4000/30m1604.881.826.418.40.64/0.642.19at T = 0.1 s1.35
VAB-43-4000/30m1204.851.826.418.40.5/0.52.01.2
BAT-49-4000/30L 3.81.828.516.1
VAT-43-2000/L 3.81.829.217.8
RDSh-I 0.820.969.520.20.062/0.1082.120.463
RDSh-II 0.230.236.79.50.148/0.3421.410.341
RDSh-3000 0.230.239.78.50.148/0.3421.410.341
Table 6. Minimum Trip Current (×In) Under Different Kd Values.
Table 6. Minimum Trip Current (×In) Under Different Kd Values.
Device/MethodKd = 0.5Kd = 0.7Kd = 0.9
Device A (Lab Test)3.22.61.8
Device B (Simulink)3.42.91.9
Reference (DCP)3.03.03.0
Table 7. Average Trip Response Time (ms) Under Different Kd Values.
Table 7. Average Trip Response Time (ms) Under Different Kd Values.
Device/MethodKd = 0.5Kd = 0.7Kd = 0.9
Device A (Lab Test)58.747.436.2
Device B (Simulink)61.049.137.6
Reference (DCP)56.056.056.0
Table 8. Quantitative Comparison of Protection Performance Metrics.
Table 8. Quantitative Comparison of Protection Performance Metrics.
MethodSensitivity (×In)Selectivity (%)Average Trip Time (ms)False Tripping Rate (%)
MCP3.582.163.54.7
DCP2.885.355.23.2
Adaptive (baseline)2.290.442.72.5
Proposed method1.696.835.40.9
Table 9. Comparison of the characteristics of different methods of protection of electrical equipment of the traction network of the open pit (low short-circuit currents, remote sections of the network).
Table 9. Comparison of the characteristics of different methods of protection of electrical equipment of the traction network of the open pit (low short-circuit currents, remote sections of the network).
Method of ProtectionMinimum Short-Circuit Current for Tripping, AMaximum Feeder Length, kmSelectivity at Low Short Circuits, %False Positives, %
Maximum current (MCP)≥800 (sensitivity limit)~2–3 km~95% (at Iq>2 kA);
55–60% (with ICZ ≥ 600–800 A)
up to 15% (in Hardmode, three times the norm)
Differential (DCP)~800 (on sections ≤1 km)~2 km~97% (on short lines ≤1 km);
≈80% (on >2 km lines)
up to 15–18% (on >2 km lines, with interference)
Adaptive Digital~500 (with online adjustment)up to 10 km~98% (dynamically supported)<5% (with sufficient sensors and communication)
Pulse current (proposed)~600–650 (customized)~5 km90–95% (even at 600 A, at the far end of the traction network section)~7% (40–60% reduction from baseline)
Table 10. Results of experimental direct comparison of protection methods.
Table 10. Results of experimental direct comparison of protection methods.
Protection MethodMinimum Detected SC Current (A)Max Protection Distance (km)Selectivity (%)False Trips (%)Refusal Rate (%)
MCP (standard)≥800~2–355–60 (at <800 A)up to 15~10
DCP~800 (≤1 km lines)~280–97 (depends on distance)15–18 (long lines)~6
Proposed Method600–650up to 590–95~7~2
Table 11. Comparison of protection effectiveness.
Table 11. Comparison of protection effectiveness.
Network SectionShort Circuit Current, AFalse Positives (MCP)False Positives (MIP)Selectivity, % (MCP)Selectivity, % (MIP)
Plot of the traction network No1600315891
Plot of the traction network No2850426595
Disclaimer/Publisher’s Note: The statements, opinions and data contained in all publications are solely those of the individual author(s) and contributor(s) and not of MDPI and/or the editor(s). MDPI and/or the editor(s) disclaim responsibility for any injury to people or property resulting from any ideas, methods, instructions or products referred to in the content.

Share and Cite

MDPI and ACS Style

Malozyomov, B.V.; Khekert, E.V.; Martyushev, N.V.; Konyukhov, V.Y.; Chetverikova, V.V.; Golik, V.I.; Tynchenko, V.S. Improving the Reliability of the Protection of Electric Transport Networks. World Electr. Veh. J. 2025, 16, 477. https://doi.org/10.3390/wevj16080477

AMA Style

Malozyomov BV, Khekert EV, Martyushev NV, Konyukhov VY, Chetverikova VV, Golik VI, Tynchenko VS. Improving the Reliability of the Protection of Electric Transport Networks. World Electric Vehicle Journal. 2025; 16(8):477. https://doi.org/10.3390/wevj16080477

Chicago/Turabian Style

Malozyomov, Boris V., Evgeniy V. Khekert, Nikita V. Martyushev, Vladimir Yu. Konyukhov, Valentina V. Chetverikova, Vladimir I. Golik, and Vadim S. Tynchenko. 2025. "Improving the Reliability of the Protection of Electric Transport Networks" World Electric Vehicle Journal 16, no. 8: 477. https://doi.org/10.3390/wevj16080477

APA Style

Malozyomov, B. V., Khekert, E. V., Martyushev, N. V., Konyukhov, V. Y., Chetverikova, V. V., Golik, V. I., & Tynchenko, V. S. (2025). Improving the Reliability of the Protection of Electric Transport Networks. World Electric Vehicle Journal, 16(8), 477. https://doi.org/10.3390/wevj16080477

Article Metrics

Back to TopTop