Next Article in Journal
The Impact of Weather Factors on Quotations of Energy Sector Companies on Warsaw Stock Exchange
Previous Article in Journal
Considering the Environmental Impacts of Bioenergy Technologies to Support German Energy Transition
 
 
Font Type:
Arial Georgia Verdana
Font Size:
Aa Aa Aa
Line Spacing:
Column Width:
Background:
Article

Simulation of the Optimal Refrigerated Floor Design for Ice Rinks

1
Institute of Refrigeration and Cryogenics, Zhejiang University, Hangzhou 310027, China
2
Hangzhou Forstar Special Material Corporation, Hangzhou 310018, China
3
School of Mechanical and Electrical Engineering, Wenzhou University, Wenzhou 325035, China
*
Author to whom correspondence should be addressed.
Energies 2021, 14(6), 1535; https://doi.org/10.3390/en14061535
Submission received: 4 February 2021 / Revised: 1 March 2021 / Accepted: 6 March 2021 / Published: 10 March 2021
(This article belongs to the Section G: Energy and Buildings)

Abstract

:
A good design of the ice rink floor could save a great deal of capital and operational costs for hockey arenas. This ice rink floor design focuses on a cost-effective tube arrangement and an optimal concrete coverage over the tubes that could provide sufficient heat transfer rate between the coolant and the freezing ice. This paper reports a theoretical model to simulate the heat transfer characteristic of a different tube diameter, spacing distance, and thickness of the concrete coverage of the tubes of an ice rink. In addition, calcium chloride and ethylene glycol with water solutions are compared to figure out the pros and cons of these two secondary coolants. This model prediction is compared to the typical ice floor arrangement in order to determine the best floor construction scenario.

1. Introduction

Ice rinks are among the most energy consuming public facilities needing refrigeration, heating, ventilation, and air conditioning. The refrigeration system accounts for almost 43% of the total operational cost for a typical ice rink arena [1]. Increasing the efficiency of the refrigeration system could potentially save a large amount of annual energy cost. There are several loads in the ice rink [2,3,4]: envelope, radiation, lighting, comfort cooling, heating, convection, re-condensation heat transfer to the ice slab, etc. The optimal ice rink refrigerated floor design could save capital investment cost as well as energy and long-term operational cost.
Recently, there have been several studies focusing on improving the energy efficiency of the ice rink. Nilsson [5] investigated the performance of carbon dioxide as secondary coolant for the ice rink refrigeration system. Ahmed [6] presented three theoretical models to predict the heat transfer, the airflow patterns, and the humidity distribution in a 3D section for an ice rink. Their simulations are consistent with published Computational Fluid Dynamics (CFD) and experimental results. Krarti, Mun, and Lin [7,8,9,10] published several papers about the heat transfer behavior and thermal insulation layer beneath the ice rink floors. Their models and study approaches demonstrate a good explanation of the heat transfer phenomenon underneath the ice rink floors. Hepbasli and Caliskan [11] used energy and exergy analysis for ice rink buildings at varying reference temperatures. The total exergy input rate is 253.66 kW with the exergy destruction rate of 227.45 kW from the simulation. Radermacher and Wang [12] reviewed the secondary loop refrigeration system with carbon dioxide as the coolant. Galanis and Seghouani [13,14] studied a case of the interaction between an ice rink and its refrigeration system. They found that it is possible to save energy by reducing the ceiling emissivity and increasing the coolant temperature without affecting the quality of the ice. Zmeureanu and Teysedou [15,16] developed a benchmarking model to simulate the operational parameters of a commissioning ice rink facility. Kuyumcu [17] reported the energy performance of the swimming pool and ice rink coupled system. The previous research focuses on the model simulation and experimental study of the entire ice rink arena. Although the American Society of Heating Refrigerating and Air-conditioning Engineers (ASHRAE) refrigeration handbook provides some rough recommendations on the cooling load of the ice rink, researchers rarely reported optimal ice rink floor arrangement that delivered a sufficient amount of cooling during the steady state operation. In addition, in the construction phase of the refrigerating concrete floor, it is often difficult to tell whether the designed floor piping arrangement could potentially deliver enough cooling and save the owner’s capital and operational costs. Therefore, it is worthwhile to conduct a theoretical study of the heat transfer behavior of the pipe floor at the steady state condition so that it can provide guidance for the ice rink construction and operation.
The paper provides a good sample study of the best ice rink floor refrigeration design, promoting both economical operation and easy maintenance of the hockey arena. There are four sections in this paper including this Introduction. Section 2 provides a theoretical heat transfer model for the pipe, secondary coolant, concrete, and ice. Section 3 analyzes the cooling capacity influenced by the material and diameter of the pipe and distance between the pipes. The cooling performance affected by the thickness of the concrete and different refrigerant is also discussed in Section 3. Section 4 delivers the preliminary results of the study.

2. Ice Rink Discrete Thermal Resistance Circuit Model

The refrigeration system is regarded as the core of the ice rink because it is responsible for the quality of the ice. The ice rink refrigeration system could be direct, indirect, or a combination of both called a partly indirect system. In the direct system, the refrigerant is pumped directly below the ice pad, and all of the primary coolant pipes are regarded as a huge evaporator. The direct system is less often used because there is a need for a massive refrigerant charge such as R22, R407C, R510A, or ammonia. R22 is banned now in many countries because of its large global warming potential and ozone depletion potential. Ammonia has a charge limit because of its hazards and cannot be used in a large system including the ice rink direct system. The indirect system consists of primary and secondary refrigeration systems. This is the most conventional approach for an ice rink. The secondary coolant is known as “brine”. It is pumped below the ice pad and returned to the evaporator. The partly indirect system has either an evaporator or condenser connected to the sink or source by a secondary fluid for heat exchange. In a partly indirect system, some portion of the cooling is also provided by a direct system.
For the typical hockey rink, as shown in Figure 1, the total length of the ice-covered space is 61 m and the width is 26 m [18]. Its area is around 1586 m2. The half layout of the typical hockey rink is shown in Figure 1. The insulation pad is installed between the low temperature concrete and the normal temperature concrete to prevent cooling loss from ice to the curb. Either steel or polyethylene pipes are embedded underneath the ice surface inside the concrete to provide continuous cooling to the solid ice to ensure that the high-quality ice is evenly distributed. The secondary coolant in the pipes is typically ethylene glycol or brine water solution. Both have a low freezing point and good thermal properties. The pipe delivering the secondary coolant to the ice pad serves as a heat exchanger between ice and coolant. The geometry, characteristics of the fluid, and the concrete are important parameters affecting the performance of the embedded heat exchanger. In the ice-rink experiments, some parameters need to be measured, such as temperatures, geometry parameters, and the mass flow of the secondary coolant etc. Other parameters such as thermal properties of the materials can be determined by the standard properties. A thermal resistance network heat transfer model is proposed to study the performance of this heat exchanger. The cross-section area of the pipe is shown in Figure 2. The thickness of the ice is shown as thice. The rink pipes are embedded inside the concrete, and their surface is thcu away from the top of concrete. The two layers of vapor retarder are built on the top and bottom surface of the isolation material, as shown in Figure 2, and are used to prevent the moisture migrating to the freezing concrete. The insulation material underneath the refrigerated concrete isolates the heated concrete and the refrigerated concrete. The warm glycol or brine pipe is embedded in the heated concrete to avoid heaving of the ice rink.
The largest cooling load demand, typically around 560 kW, is during the last period of the hockey game. Figure 3 illustrates the discrete thermal resistance network model for the ice rink. The model conducts a steady state heat transfer model for the largest load demand. The radiation load from the ceiling, the convection heat transfer between air and ice pad, and the envelop load are not modeled here because the model is built to simulate the steady state condition for the maximum load demand. These loads affect the ice surface temperature which is the highest concern for the hockey game. Therefore, the ice surface is maintained at −3 °C and concrete temperature is around −5 °C. The secondary coolant temperature is set at −9.5 °C with the return temperature at −6 °C. All the cooling capacity required is provided by the secondary coolant.
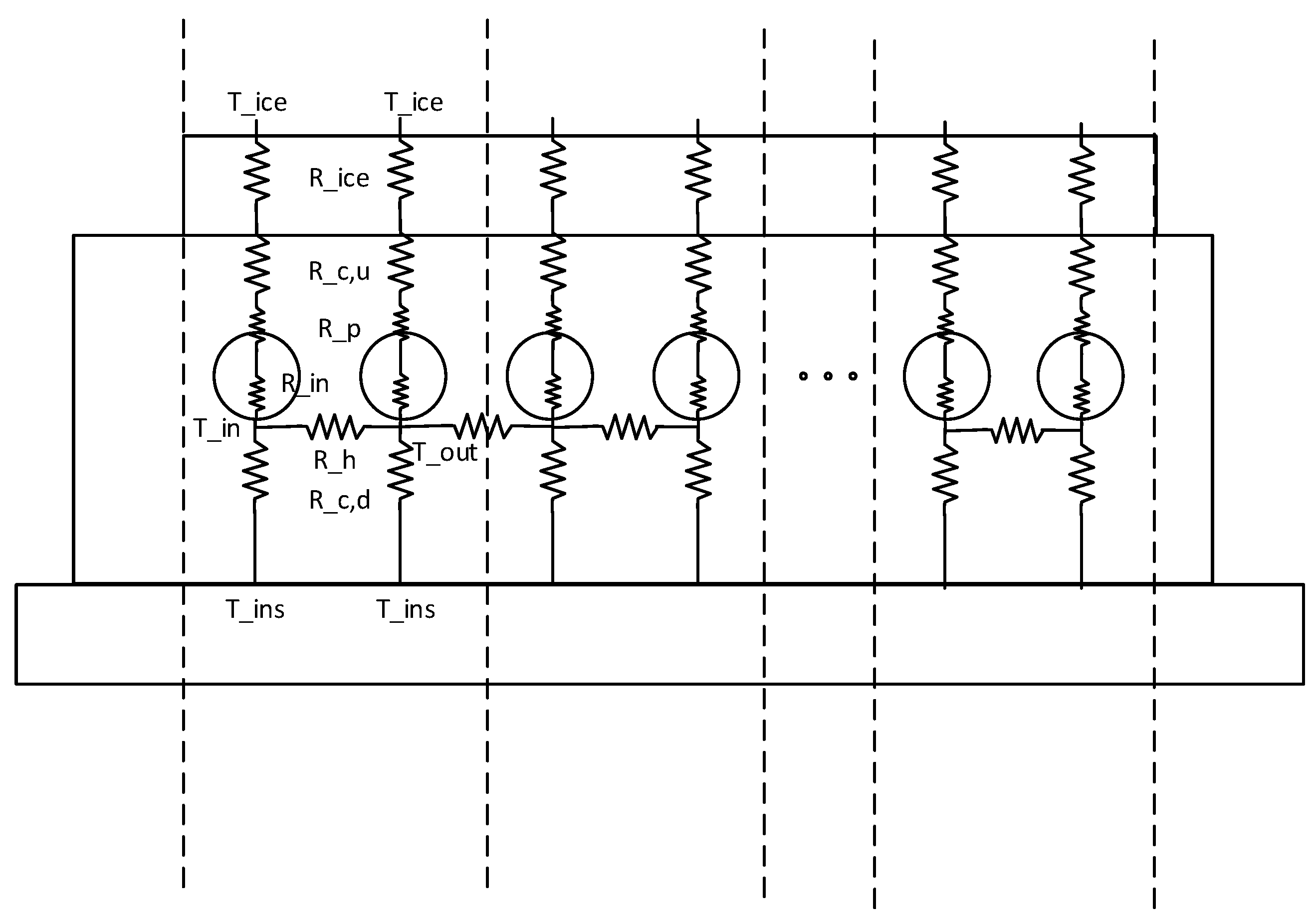
In Figure 3, one pair of coolant pipes is modeled in detail to demonstrate the thermal resistance circuit. The heat transfer is split into three parts: the cooling from coolant pipe to ice rink ( q ˙ u p ), the cooling from supply coolant to return coolant ( q ˙ h ); and the cooling from glycol pipe to bottom concrete ( q ˙ d ). Therefore, the total cooling required can be expressed as:
q ˙ t o t = q ˙ u p + q ˙ d + q ˙ h
q ˙ u p could be considered as the heat transfer from the top of the ice rink to the secondary coolant in the pipe; therefore, q ˙ u p is shown in Equation (2)
q ˙ u p = T i c e T i n R c , u + R p + R i n + R i c e + T i c e T o u t R c , u + R p + R i n + R i c e
Here, Tice stands for the ice surface temperature, Tin represents the average glycol temperature in the pipe. Rc,u, Rp, Rin, and Rice are the thermal resistance between glycol and ice, which are illustrated in Equations (3)–(5) and Equation (7):
R c , u = t h c u k c o n L r i n k S t
thcu is the thickness of the concrete from top of the glycol pipe to the bottom of the ice which usually is set as 25 mm or 32 mm. kcon is the thermal conductivity of the concrete. Lrink stands for the length of the ice rink which is 61 m. St is the pitch of one pair of glycol pipe measured from the center of the supply glycol pipe to the center of the return glycol pipe, which is typically set as 89 mm or 101 mm.
R p = l n D + 2 t h D 2 π L r i n k k p
Rp represents the thermal resistance of the pipe, which separates the coolant liquid with the concrete. D is the pipe inner diameter, th is the thickness of the pipe, and kp is the pipe thermal conductivity.
R i n = 1 h i n π D L r i n k
Rin stands for the convection thermal resistance from the glycol refrigerant side. hin is the convection heat transfer coefficient, which can be determined by the Reynolds number, Prandtl number, and Nusselt number [19] of the glycol. The flow in the pipe is mostly in the turbulence region since the Reynolds number is 12046 in the pipe [19].
h i n D k i n = f / 8 Pr ( Re 1000 ) ( 1 + 12.7 ( Pr 0.67 1 ) f / 8 )
where kin is the thermal conductivity of the secondary coolant. f is the pipe flow friction factor affected by the roughness and Reynolds number. Pr is the Prandtl number and Re stands for the Reynolds number inside the pipe.
R i c e = t h i c e k i c e L r i n k S t
Rice is thermal resistance of the ice on the surface of the concrete. kice stands for the thermal conductivity of the refrigerate ice. By adding the thermal resistance together, the total heat transfer from ice to the coolant could be calculated using the ice temperature, coolant inlet, and outlet temperature differential.
q ˙ d = T i n s T i n R c , d + T i n s T o u t R c , d
Another important heat transfer is from the bottom of the concrete to the coolant pipe, which is shown in Equation (8). In the equation, Tins stands for the temperature in the insulation material, Tin is the supply coolant temperature, and Rc,d represents the thermal resistance from the pipe to the insulation material.
R c , d = t h c , d k c o n L r i n k S t
The conduction heat transfer resistance is shown in Equation (9). thc,d is the distance between the bottom of the coolant pipe and the bottom of the concrete. kcon is the conductivity of the concrete and krink is the length of the ice rink. st represents the pitch space between the pipes.
q ˙ h = T o u t T i n R h
The last portion of the heat transfer happens between the supply glycol pipe and the return glycol pipe. This expression is shown in Equation (10). The horizontal conduction resistance through concrete to the pipe is shown in Equation (11). This has a similar format as the conduction up to the ice surface.
R h = S t D 2 t h k c o n D + 2 t h L r i n k
By combining these three parts of the heat load, the total cooling capacity of the typical ice rink can be calculated as 560 kW, which is a typical load of most of the ice rinks in the USA and Canada.

3. Model Prediction Results

The modeling results are comparable to the ASHRAE Handbook of Refrigeration 2014 [20] recommended ice rink geometry. However, the ASHRAE handbook does not provide the detailed construction parameters for the ice rink. This paper delivers the ice rink cooling load change with the variation of pipe pitch, pipe diameter, pipe material, concrete thickness, and the type of secondary coolant. Therefore, the results can be a guide to optimize the ice rink floor arrangement for designers and contractors.
The calculated cooling load by the simple heat transfer model is shown in Table 1. St in the table stands for the pitch distance. Ntot is the pair of tubes installed in the concrete. q ˙ t o t is the total cooling capacity supplied from the glycol side. With an 89 mm pipe pitch, the supplied cooling power is 562 kW. This requires 290 pieces of coolant tubes. If the pitch increases to 102 mm, the cooling power is decreased to 560 kW but with 35 fewer pieces of pipes.
The provided cooling power to the ice rink drops from approximately 580 to 550 kW as the pipe pitch increases from 50.8 mm to 152.4 mm, as shown in Figure 4. When the ice rink is operating at steady state condition, the heat transfer to the top ice and bottom insulation keeps almost constant with the increasing of the pitch between pipes. The large heat resistance to the top ice and bottom insulation relies on the conductivity and thickness of the concrete. Therefore, varying the pitch has little effect on the heat transfer to the top ice. However, as the pitch goes up, there is less heat transfer from the return pipe to the supply pipe causing a decreasing of the total cooling capacity on the slab. The best pitch is around 89 mm or 102 mm, as shown in Figure 4. This could provide approximately 560 kW cooling power to the freezing slab.
Figure 5 illustrates the concrete and ice thermal resistance change with the change of the pipe pitch. As the pitch space increases, both the concrete and ice thermal resistance decreases due to the rising of the heat transfer cross section area. The thermal resistance of the pipe wall and fluid in the pipe are at least two orders of magnitude smaller than the concrete and ice resistance. Therefore, the concrete and ice are the dominant thermal resistance for cooling the freezing ice. The change of the pitch space does not affect the total cooling capacity of the secondary coolant pipes. The results could provide good guidance for contactors or designers to reduce the number of steel tubes and further reduce the capital cost of the ice rink.
Figure 6 shows the model calculation of the cooling capacity to different parts of the ice rink. The cooling to the ice is responsible for approximately 69% of the total cooling load, 29% of the cooling goes to the bottom of the concrete, and 2% flows between the glycol supply pipe and return pipe. If there is a fairly large amount of cooling transferring to the bottom of the concrete, one may consider increasing the insulation thickness underneath the concrete arena to save operation energy.
The tube inner diameter is also a crucial parameter for the cooling capacity. Figure 7 demonstrates the total required cooling power with the change of the inner diameter of the pipes. The pitch of the secondary coolant tubes is usually set at 89 mm or 102 mm. The cooling capacity is around 560 kW with 13 mm inner diameter tube. It does not increase significantly until the inner diameter reaches 70 mm. With these results, one might consider using 13 mm inner diameter tubes to create the ice rink; however, smaller pipes would require more pump power and more pressure loss, which might increase the operational cost in the future. Therefore, it is recommended to use 25 mm or 38 mm diameter tubes for the best practice application. This shows that the cooling capacity does not change significantly (around 560 kW) with 25 mm or 38 mm tube inner diameters as long as the other geometry parameters and operational characteristics remain the same.
Typical ice rink pipes are carbon steel or polyethylene. These two types of pipe have very different physical characteristics; therefore, the capital cost, installation cost, and heat transfer performance of these two tubes are key factors to be taken into consideration. Typically, the polyethylene pipe has less capital cost, but the installation cost may be expensive and require difficult maintenance in the future. In addition, the polyethylene material has relatively low stiffness, which might cause failure and leakage in the concrete. Figure 8 illustrates the cooling performance comparison for different pipe materials.
In Figure 8, the carbon steel has a high thermal conductivity of 54 W/(m×K) and, therefore, has better heat transfer performance. The polyethylene has a low thermal conductivity of 0.33 W/(m×K) and worse heat transfer characteristics. Figure 8 shows the cooling performance map for different material tubes. With the same configuration, the carbon steel pipe could deliver 560 kW cooling, while the polyethylene tube can only deliver 491 kW cooling. However, in Figure 8, the cooling curve has a relatively steep slope at low thermal conductivity values less than 1 W/(m×K). The cooling power goes to a steady state around 560 kW as long as thermal conductivity rises to 5 W/(m×K). Consideration could be given to using a type of pipe which has less thermal conductivity than carbon steel but has thermal property of at least 5 W/(m×K). This is a good selection from a thermal efficiency perspective. Nevertheless, designers also need to consider the capital cost, maintenance, lifetime operation, etc. for the pipe material selection. Therefore, the carbon steel pipe may be the best practical selection for the ice rink application.
The concrete between the pipe and the ice is another thermal resistance for the ice rink. The function of the concrete is to hold the ice and produce a flat surface for the rink. This also inherently creates the thermal resistance between the coolant pipe and the ice rink. Figure 9 shows the cooling performance of the ice rink with different concrete thickness. As the thickness of the concrete increases from 13 mm to 102 mm, the total cooling power drops from 735 kW to 315 kW. The thicker is the concrete layer, the less cooling power is received from the coolant pipe. The typical ice rink requires approximately 560 kW cooling; therefore, the reasonable concrete thickness is around 25 mm. The change in the thickness does not affect the horizontal cooling or cooling transfer to the bottom of the concrete, as shown in Figure 9.
The ice rink typically uses a secondary coolant which is cooled by the primary refrigerant and then cycled through a series of pipes to the ice and back to the refrigeration system. The ice quality depends highly on the heat transfer between the secondary coolant and ice. The typical secondary coolant usually requires some basic characteristics, such as positive thermal conductivity, high specific heat, low viscosity, quality chemical corrosion inhibitor, stable, non-toxic, and non-flammable. Glycol and calcium chloride solutions are usually adopted as the second refrigerant for the typical ice rink in North America. The heat transfer performance of these two solutions is studied to understand the performance differences.
Figure 10 shows the cooling capacity comparison with 30% glycol and 20% CaCl2 water solution. The pitch between pipes varies from 50.8 mm to 152.4 mm (2–6 inches), while the remaining of parameters stay same. The glycol pipe performance is always better than the brine water performance. With the same geometry of the secondary coolant piping, the same amount of the coolant delivered through the system, and a similar velocity, the cooling performance still varies significantly because of the distinctive properties of the fluids.
Table 2 shows the property comparison of these two fluids. Glycol fluid has Reynolds number 12,849, indicating the flow is in the turbulence flow region, providing a sufficient heat transfer coefficient. The Reynolds number of the brine solution is 7142, indicating the flow is less disturbed than the glycol solution, resulting in a lower heat transfer coefficient. Because this is only one pair of pipes (there are around 300 pairs), the accumulative effect further differentiates the cooling performance between glycol and brine. In Table 2, the dynamic viscosity of glycol is almost 46% less than that of the brine solution. The brine has higher thermal conductivity than the glycol solution and higher density. Thus, if using brine as secondary coolant, one may consider increasing the flow rate to ensure that the system is working under turbulence flow region to maintain good cooling performance.
In addition, the specific heat of glycol is approximately 23% higher than that of the brine. With the same mass flow rate and same temperature change, the cooling capacity of brine should be around 23% less than that of glycol. Due to the lower specific heat and higher viscosity of brine, under the same flow conditions, the brine provides 25% less cooling capacity compared with glycol solution.

4. Conclusions and Discussion

There are several combinations for the ice rink piping geometry. In this study, a discrete theoretical heat transfer model was built to simulate the optimal ice rink floor piping arrangement. The best practical ice rink arena arrangement is recommended in Table 3.
As shown in Table 3, the 102 mm pitch space with 38 mm diameter carbon steel pipe could provide 560 kW cooling capacity while saving the capital cost of the secondary refrigeration system. In addition, the pumping work will be smaller with larger diameter pipes saving operational costs in the long term. The glycol solution shows better heat transfer and flow performance for cooling the ice pad than that of the brine water solution. This study demonstrates a potential method to save the capital cost and operational cost in the long term for the typical ice rink arena.

Author Contributions

Conceptualization, W.Z.; methodology, W.Z.; software, W.Z. and L.H.; validation, W.Z.; Z.G. and L.H.; formal analysis, L.H.; investigation, W.Z.; resources, W.Z.; data curation, L.H.; writing—original draft preparation, W.Z.; writing—review and editing, Z.G. and L.H.; visualization, L.H.; supervision, Z.G.; project administration, W.Z.; funding acquisition, Z.G. All authors have read and agreed to the published version of the manuscript.

Funding

This research was funded by the National Natural Science Foundation of China, grant number 51806191 and Zhejiang Provincial Natural Science Foundation of China, grant number LY21E060003.

Institutional Review Board Statement

Not applicable.

Informed Consent Statement

Not applicable.

Data Availability Statement

Not applicable.

Conflicts of Interest

The authors declare no conflict of interest.

Nomenclature

D = diameter of pipe, mm
f = friction factor of the pipe
h = convection heat transfer coefficient, W/m2-K
k = thermal conductivity, W/m-K
L = length of ice rink, m
N = number of pipe pairs
Pr = Prandtl number
q ˙ = cooling capacity rate, W
R = thermal resistance, K/W
Re = Reynolds number
S = pitch space between one pair of pipe, mm
T = temperature, K
th = wall thickness, mm
Subscripts:
con = concrete
c,d = down through the concrete
c,u = up through the concrete
d = down to the insulation pad
h = horizontal
ice = ice surface
in = inside the pipe
ins = insulation
out = outside
p = pipe
rink = ice rink
tot = total
t = pitch distance
up = up to the ice surface

References

  1. Chuangchid, P.; Krarti, M. Foundation heat loss from heated concrete slab-on-grade floors. Build. Environ. 2001, 36, 637–655. [Google Scholar] [CrossRef]
  2. Bellache, O.; Ouzzane, M.; Galanis, N. Coupled conduction, convection, radiation heat transfer with simultaneous mass transfer in ice rinks. Numer. Heat Trans. Part A 2005, 48, 219–238. [Google Scholar] [CrossRef]
  3. Bellache, O.; Ouzzane, M.; Galanis, N. Numerical prediction of ventilation and thermal processes in ice rinks. Build. Environ. 2005, 40, 417–426. [Google Scholar] [CrossRef]
  4. Bellache, O.; Galanis, N.; Ouzzane, M.; Sunyé, R.; Giguère, D. Two-Dimensional transient model of airflow and heat transfer in ice rinks (1289-RP). ASHRAE Trans. 2006, 112, 706–716. [Google Scholar]
  5. Nilsson, J.; Sawalha, S.; Shahzad, K. Ice rink refrigeration system with carbon dioxide as secondary fluid copper tubes. In Proceedings of the Seventh IIR-Gustav Lorentzen Conference on Natural Working Fluids, Trondheim, Norway, 29–31 May 2006. [Google Scholar]
  6. Daoud, A.; Galanis, N.; Bellache, O. Calculation of refrigeration loads by convection, radiation and condensation in ice rinks using a transient 3D zonal model. Appl. Therm. Eng. 2008, 28, 1782–1790. [Google Scholar] [CrossRef]
  7. Somrani, R.; Mun, J.; Krarti, M. Heat transfer beneath ice-rink floors. Build. Environ. 2008, 43, 1687–1698. [Google Scholar] [CrossRef]
  8. Mun, J.; Krarti, M. An ice rink floor thermal model suitable for whole-building energy simulation analysis. Build. Environ. 2011, 46, 1087–1093. [Google Scholar] [CrossRef]
  9. Mun, J.; Krarti, M. Optimal insulation for ice rink floors. Energy Build. 2015, 108, 358–364. [Google Scholar] [CrossRef]
  10. Lin, J.; Chuah, Y. Prediction of infiltration rate and the effect on energy use for ice rinks in hot and humid climates. Build. Environ. 2010, 45, 189–196. [Google Scholar] [CrossRef]
  11. Caliskan, H.; Hepbasli, A. Energy and exergy analyses of ice rink buildings at varying reference temperatures. Energy Build. 2010, 42, 1418–1425. [Google Scholar] [CrossRef]
  12. Wang, K.; Eisele, M.; Hwang, Y.; Radermacher, R. Review of secondary loop refrigeration systems. Int. J. Refrig. 2010, 33, 212–234. [Google Scholar] [CrossRef]
  13. Seghouani, L.; Daoud, A.; Galanis, N. Prediction of yearly energy requirements for indoor ice rinks. Energy Build. 2009, 41, 500–511. [Google Scholar] [CrossRef]
  14. Seghouani, L.; Daoud, A.; Galanis, N. Yearly simulation of the interaction between an ice rink and its refrigeration system: A case study. Int. J. Refrig. 2011, 34, 383–389. [Google Scholar] [CrossRef]
  15. Teyssedou, G.; Zmeureanu, R.; Giguère, D. Benchmarking model for the ongoing commissioning of the refrigeration systemof an indoor ice rink. Autom. Constr. 2013, 35, 229–237. [Google Scholar] [CrossRef]
  16. Khalid, W.; Rogstam, J. Energy usage prediction model comparing outdoor vs. indoor ice rinks. Energy Build. 2013, 67, 195–200. [Google Scholar] [CrossRef]
  17. Kuyumcu, M.E.; Tutumlu, H.; Yumrutaş, R. Performance of a swimming pool heating system by utilizing waste energy rejected from an ice rink with an energy storage tank. Energy Convers. Manag. 2016, 121, 349–357. [Google Scholar] [CrossRef]
  18. IIHF. Technical Guide of an Ice Rink; Report from the International Ice Hockey Federation; Zurich, 2006; Volume 3. [Google Scholar]
  19. Nellis, G.; Klein, S. Heat Transfer; Cambridge, Madison, WI, USA, 2012. [Google Scholar]
  20. ASHRAE. ASHRAE Handbook of Refrigeration; American Society of Heating, Refrigerating and Air Conditioning Engineers: Washington, DC, USA, 2018. [Google Scholar]
Figure 1. Typical hockey rink geometry parameters (half layout).
Figure 1. Typical hockey rink geometry parameters (half layout).
Energies 14 01535 g001
Figure 2. Cross section area of typical ice rink.
Figure 2. Cross section area of typical ice rink.
Energies 14 01535 g002
Figure 3. Discrete heat transfer model for embedded rink pipes.
Figure 3. Discrete heat transfer model for embedded rink pipes.
Energies 14 01535 g003
Figure 4. Cooling capacities at different locations with various pipe pitches.
Figure 4. Cooling capacities at different locations with various pipe pitches.
Energies 14 01535 g004
Figure 5. Thermal resistance at the different pitch spaces.
Figure 5. Thermal resistance at the different pitch spaces.
Energies 14 01535 g005
Figure 6. Proportion of heat transfer to ice, concrete, and between pipes.
Figure 6. Proportion of heat transfer to ice, concrete, and between pipes.
Energies 14 01535 g006
Figure 7. Total cooling capacity with different pipe inner diameters.
Figure 7. Total cooling capacity with different pipe inner diameters.
Energies 14 01535 g007
Figure 8. Cooling performance with different types of tube material.
Figure 8. Cooling performance with different types of tube material.
Energies 14 01535 g008
Figure 9. Cooling performance with different concrete thickness.
Figure 9. Cooling performance with different concrete thickness.
Energies 14 01535 g009
Figure 10. Cooling performance at various pitch distances with glycol and CaCl2 as coolant.
Figure 10. Cooling performance at various pitch distances with glycol and CaCl2 as coolant.
Energies 14 01535 g010
Table 1. Cooling capacity and thermal resistance change with the different tube pitches.
Table 1. Cooling capacity and thermal resistance change with the different tube pitches.
StNtot q ˙ t o t q ˙ u p q ˙ d q ˙ h RuRiceRinRp
(mm)-(kW)(kW)(kW)(kW)(K/W)(K/W)(K/W)(K/W)
50.8510585392164295× 10−34× 10−31× 10−47× 10−6
64405570392164144× 10−33× 10−39× 10−57× 10−6
763405653921648.84× 10−32× 10−37× 10−57× 10−6
892905623921645.83× 10−32× 10−36× 10−57× 10−6
1022555603921644.23× 10−32× 10−35× 10−57× 10−6
1152265593921643.22× 10−32× 10−35× 10−57× 10−6
1272045583921642.52× 10−31× 10−34× 10−57× 10−6
14018555839216422× 10−31× 10−34× 10−57× 10−6
1521705583911641.72× 10−31× 10−34× 10−57× 10−6
Table 2. Properties of glycol and brine solution.
Table 2. Properties of glycol and brine solution.
ParametersSpecific HeatDensityDynamic ViscosityThermal Conductivity
Unit(J/(kg×K))(kg/m3)(pa×s)(W/(m×K))
30% Glycol372611100.0030.2579
20% CaCl2301912070.00550.5244
Table 3. The best practical ice rink floor arrangement.
Table 3. The best practical ice rink floor arrangement.
ParametersStDMaterialthconCoolant q ˙ t o t
(mm)(mm)(-)(mm)(-)(kW)
This work10238Carbon steel25Glycol560
Traditional arrangement8925-25Glycol or brine560
Publisher’s Note: MDPI stays neutral with regard to jurisdictional claims in published maps and institutional affiliations.

Share and Cite

MDPI and ACS Style

Zhou, W.; Gan, Z.; Han, L. Simulation of the Optimal Refrigerated Floor Design for Ice Rinks. Energies 2021, 14, 1535. https://doi.org/10.3390/en14061535

AMA Style

Zhou W, Gan Z, Han L. Simulation of the Optimal Refrigerated Floor Design for Ice Rinks. Energies. 2021; 14(6):1535. https://doi.org/10.3390/en14061535

Chicago/Turabian Style

Zhou, Wenjie, Zhihua Gan, and Lei Han. 2021. "Simulation of the Optimal Refrigerated Floor Design for Ice Rinks" Energies 14, no. 6: 1535. https://doi.org/10.3390/en14061535

APA Style

Zhou, W., Gan, Z., & Han, L. (2021). Simulation of the Optimal Refrigerated Floor Design for Ice Rinks. Energies, 14(6), 1535. https://doi.org/10.3390/en14061535

Note that from the first issue of 2016, this journal uses article numbers instead of page numbers. See further details here.

Article Metrics

Back to TopTop