Prediction and Evaluation of Dynamic Variations of the Thermal Environment in an Air-Conditioned Room Using Collaborative Simulation Method
Abstract
:1. Introduction
2. Collaborative Simulation Workflow
3. Collaborative Simulation/Mathematical Model
3.1. Model Assumptions
- The refrigerant flows in one dimension along the tube, and the pressure loss is neglected;
- The air out of the tube flows in one dimension, and the physical properties are uniform;
- Only the radial heat conduction of the tube wall is considered;
- The phenomenon of air-side dehumidifying and frosting in the evaporator is not considered;
- Indoor air is regarded as incompressible fluid, which conforms to Boussinesq hypothesis;
- The radiant heat between solid surfaces, such as walls, ground, and roof, is ignored;
- The indoor air flow is at a low speed, and the dissipated heat caused by the viscous force of the fluid is neglected;
- The effect of air leakage on doors, windows, and walls was ignored, and the air tightness of the room was acceptable;
- The influence of humidity distribution on the thermal environment is ignored.
3.2. Air Conditioning System Model
3.2.1. Mathematical Model of Air Conditioning System
3.2.2. Experiments in the Psychrometric Chamber
3.2.3. Verification of the Air Conditioning System Model
3.3. Thermal Environment Model of the Room
3.3.1. Mathematical Model of the Room Thermal Environment
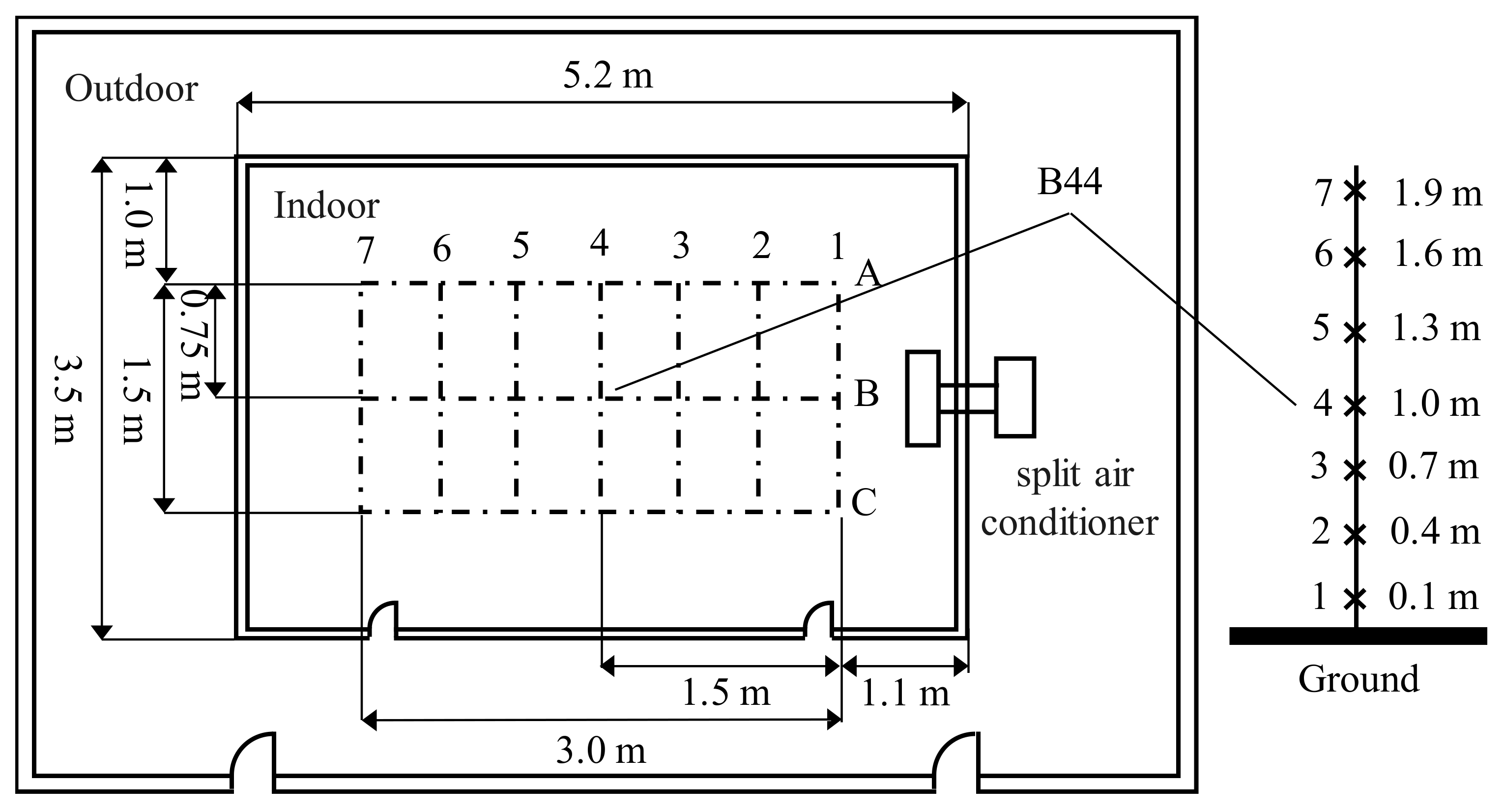
3.3.2. Experimental Work in the Thermal Environment Laboratory
3.3.3. Verification of the Thermal Environment Model
4. Collaborative Simulation Results and Discussions
4.1. Prediction and Evaluation of the Thermal Environment Using Collaborative Simulation
4.2. Effects of Structural and Control Parameters on the Thermal Environment
4.2.1. Effect of the Evaporator Structure
4.2.2. Effect of the Air Supply Angle
5. Conclusions
Author Contributions
Funding
Institutional Review Board Statement
Informed Consent Statement
Data Availability Statement
Conflicts of Interest
References
- ISO. ISO Standard 7730. Ergonomics of the Thermal Environment—Analytical Determination and Interpretation of Thermal Comfort Using Calculation of the PMV and PPD Indices and Local Thermal Comfort Criteria; International Organization for Standardization: Geneva, Switzerland, 2005. [Google Scholar]
- ISO. ISO Standard 17772-1. Energy Performance of Buildings—Indoor Environmental Quality—Part 1: Indoor Environmental Input Parameters for the Design and Assessment of Energy Performance of Buildings; International Organization for Standardization: Geneva, Switzerland, 2017. [Google Scholar]
- Carlucci, S.; Bai, L.; de Dear, R.; Yang, L. Review of adaptive thermal comfort models in built environmental regulatory documents. Build. Environ. 2018, 137, 73–89. [Google Scholar] [CrossRef] [Green Version]
- Mishra, A.K.; Loomans, M.G.L.C.; Hensen, J.L.M. Thermal comfort of heterogeneous and dynamic indoor conditions—An overview. Build. Environ. 2016, 109, 82–100. [Google Scholar] [CrossRef] [Green Version]
- Horikiri, K.; Yao, Y.; Yao, J. Numerical optimisation of thermal comfort improvement for indoor environment with occupants and furniture. Energy Build. 2015, 88, 303–315. [Google Scholar] [CrossRef] [Green Version]
- Chang, H.; Cheng, L. Simulation calculation of air conditioning system under complex vehicle conditions. E3S Web Conf. 2021, 233, 04024. [Google Scholar] [CrossRef]
- Lee, Y.; Park, S.; Kang, S. Performance analysis of a solid desiccant cooling system for a residential air conditioning system. Appl. Eng. 2021, 182, 116091. [Google Scholar] [CrossRef]
- Danca, P.; Bode, F.; Nastase, I.; Meslem, A. CFD simulation of a cabin thermal environment with and without human body—Thermal comfort evaluation. E3S Web Conf. 2018, 32, 01018. [Google Scholar] [CrossRef]
- Zhang, F.; Ryu, Y. Simulation study on indoor air distribution and indoor humidity distribution of three ventilation patterns using computational fluid dynamics. Sustainability 2021, 13, 3630. [Google Scholar] [CrossRef]
- Wang, Z.; Li, J.; Li, T.; Li, S. Research on Simulink/Fluent collaborative simulation zooming of marine gas turbine. Appl. Comput. Intell. Soft Comput. 2017, 2017, 1–8. [Google Scholar] [CrossRef]
- Han, T.; Tang, S.Q.; Huang, C.Q.; Dong, K.S. Fluent/Simulink collaborative simulation for missile separation from cavity. Adv. Mater. Res. 2012, 591–593, 1902–1906. [Google Scholar] [CrossRef]
- Liu, B.; Chen, H.; Zhang, T.; Pei, P. A vehicular proton exchange membrane fuel cell system co-simulation modeling method based on the stack internal distribution parameters monitoring. Energy Convers. Manag. 2019, 197, 111898. [Google Scholar] [CrossRef]
- Nunes, T.K.; Vargas, J.V.C.; Ordonez, J.C.; Shah, D.; Martinho, L.C.S. Modeling, simulation and optimization of a vapor compression refrigeration system dynamic and steady state response. Appl. Energy 2015, 158, 540–555. [Google Scholar] [CrossRef]
- Bonilla, J.; Yebra, L.J.; Dormido, S.; Cellier, F.E. Object-oriented modeling of switching moving boundary models for two-phase flow evaporators. IFAC Proc. Vol. 2012, 45, 1069–1074. [Google Scholar] [CrossRef] [Green Version]
- Kim, D.; Ziviani, D.; Braun, J.E.; Groll, E.A. A moving boundary modeling approach for heat exchangers with binary mixtures. Energy Procedia 2017, 129, 466–473. [Google Scholar] [CrossRef]
- Bonilla, J.; Dormido, S.; Cellier, F.E. Switching moving boundary models for two-phase flow evaporators and condensers. Commun. Nonlinear Sci. 2015, 20, 743–768. [Google Scholar] [CrossRef]
- Zhai, Z.J.; Chen, Q.Y. Performance of coupled building energy and CFD simulations. Energy Build. 2005, 37, 333–344. [Google Scholar] [CrossRef]
- Singh, S.; Abbassi, H. 1D/3D transient HVAC thermal modeling of an off-highway machinery cabin using CFD-ANN hybrid method. Appl. Eng. 2018, 135, 406–417. [Google Scholar] [CrossRef]
- Gowreesunker, B.L.; Tassou, S.A.; Kolokotroni, M. Coupled TRNSYS-CFD simulations evaluating the performance of PCM plate heat exchangers in an airport terminal building displacement conditioning system. Build. Environ. 2013, 65, 132–145. [Google Scholar] [CrossRef] [Green Version]
- Cucca, G.; Ianakiev, A. Assessment and optimisation of energy consumption in building communities using an innovative co-simulation tool. J. Build. Eng. 2020, 32, 101681. [Google Scholar] [CrossRef]
- Yang, C.; Chen, Y.; Li, N.; Sun, Y.; Wu, R. In EnergyPlus and Python co-simulation model to support machine learning-based control of ground-source heat pump system. In Proceedings of the 11th International Symposium on Heating, Ventilation and Air Conditioning, ISHVAC, Harbin, China, 12–15 July 2019; pp. 759–766. [Google Scholar]
- Seo, B.; Yoon, Y.B.; Yu, B.H.; Cho, S.; Lee, K.H. Comparative analysis of cooling energy performance between water-cooled VRF and conventional AHU systems in a commercial building. Appl. Therm. Eng. 2020, 170, 114992. [Google Scholar] [CrossRef]
- Lymperopoulos, G.; Ioannou, P. Distributed adaptive HVAC control for multi-zone buildings. In Proceedings of the 2019 IEEE 58th Conference on Decision and Control (CDC), Nice, France, 11–13 December 2019; pp. 8142–8147. [Google Scholar]
- Bleil De Souza, C. Contrasting paradigms of design thinking: The building thermal simulation tool user vs. the building designer. Autom. Constr. 2012, 22, 112–122. [Google Scholar] [CrossRef]
- Moreno Santamaria, B.; Del Ama Gonzalo, F.; Pinette, D.; Gonzalez-Lezcano, R.; Lauret Aguirregabiria, B.; Hernandez Ramos, J.A. Application and Validation of a Dynamic Energy Simulation Tool: A Case Study with Water Flow Glazing Envelope. Energies 2020, 13, 3203. [Google Scholar] [CrossRef]
- Lam, K.P.; Wong, N.H.; Mahdavi, A.; Chan, K.K.; Kang, Z.; Gupta, S. SEMPER-II: An internet-based multi-domain building performance simulation environment for early design support. Automat. Constr. 2004, 13, 651–663. [Google Scholar] [CrossRef]
- Jaegler, A.; Burlat, P. Carbon friendly supply chains: A simulation study of different scenarios. Prod. Plan Control 2012, 23, 269–278. [Google Scholar] [CrossRef]
- Haberl, J.; Claridge, D.; Culp, C. ASHRAE guideline 14-2002 for measurement of energy and demand savings: How to determine what was really saved by the retrofit. In Proceedings of the 5th International Conference for Enhanced Building Operations, Pittsburgh, PA, USA, 11–13 October 2005. [Google Scholar]
- D’Ambrosio Alfano, F.R.; Olesen, B.W.; Palella, B.I.; Pepe, D.; Riccio, G. Fifty Years of PMV Model: Reliability, Implementation and Design of Software for Its Calculation. Atmosphere 2020, 11, 49. [Google Scholar] [CrossRef] [Green Version]











| Components | Structural Parameters |
|---|---|
| Compressor | Rotary compressor, nominal working volume = 10.3 cm3, and |
| Valve | valve size = 2.2 mm |
| Evaporator | The process is two in and two out, two rows, a single tube with a length of 634 mm, 16 U-shaped tubes, tube outer diameter = 5 mm, tube spacing = 19.05 mm, row spacing = 11.4 mm, louvered fin thickness = 0.095 mm, fin spacing = 1.4 mm, a total of 422 pieces |
| Condenser | The process is four in and four out, two rows, a single tube with a length of 760 mm, 24 U-shaped tubes, tube outer diameter = 7 mm, tube spacing = 22 mm, row spacing = 19.05 mm; corrugated fin thickness = 0.095 mm, fin spacing = 1.4 mm, a total of 1115 pieces |
| Parameters | Experiment | Simulation | Error (%) |
|---|---|---|---|
| Condensing pressure (kPa) | 2608.0 | 2662.1 | 2.11 |
| Evaporating pressure (kPa) | 1018.0 | 1003.5 | 1.42 |
| Refrigerating capacity (W) | 3361.6 | 3396.6 | 1.01 |
| Compressor power consumption (W) | 769.7 | 773.1 | 0.44 |
| Indoor air drying bulb temperature (°C) | 15.53 | 15.41 | −0.77 |
| Boundary Name | Type | Setting Project | Unit | Settings |
|---|---|---|---|---|
| Air flow | Fluid | Material | / | Air |
| Wall | Polyurethane board | Constant wall temperature | K | 308 |
| Air supply outlet | Velocity-inlet | Speed | m·s−1 | 3 |
| Temperature | K | UDF | ||
| Return air inlet | Outflow | Gauge pressure | Pa | 0 |
| Type of Error | Steady | Transient |
|---|---|---|
| RMSE | 1.44 | 3.20 |
| MAPE (%) | 3.19 | 11.48 |
| CVRMSE (%) | 0.89 | −2.32 |
| Specific Control Logic | |
|---|---|
| A | When the room temperature is 2 °C higher than the set temperature, the operating frequency gradually increases to the target high frequency of 85 Hz from the strike frequency of 15 Hz, then the compressor temporarily operates at this frequency. |
| B | When the temperature difference is in the range of 0–2 °C, the operating frequency decreases step by step. We assume , where is the operating frequency at the last interaction moment. |
| C | When the room temperature is lower than the set temperature, the operating frequency continues to decrease, and it is assumed that until the operating frequency reaches a minimum of 15 Hz. |
| Parameter | Value | Parameter | Value |
|---|---|---|---|
| Air temperature (°C) | 27.2 | Mean radiant temperature (°C) | 30.0 |
| Relative humidity (%) | 39.40 | Human metabolic rate (W∙m−2) | 70 |
| Relative air velocity (m·s−1) * | 0.26 | Clothing thermal resistance (m2·K·W−1) | 0.080 |
| Parameter | Tube Spacing (mm) | Tube Outer Diameter (mm) | Fin Spacing (mm) | Air Supply Angle (°) |
|---|---|---|---|---|
| Benchmark | 19.05 | 5.00 | 1.40 | 90 |
| Structure Number | Tube Spacing (mm) | Tube Outer Diameter (mm) | Fin Spacing (mm) |
|---|---|---|---|
| 1 | 18.10 | 5.00 | 1.40 |
| 2 | 20.00 | 5.00 | 1.40 |
| 3 | 22.86 | 5.00 | 1.40 |
| 4 | 19.05 | 4.75 | 1.40 |
| 5 | 19.05 | 6.00 | 1.40 |
| 6 | 19.05 | 7.00 | 1.40 |
| 7 | 19.05 | 5.00 | 1.12 |
| 8 | 19.05 | 5.00 | 1.33 |
| 9 | 19.05 | 5.00 | 1.47 |
| +10 * | 19.05 | 5.00 | 1.40 |
| Structure Number | Temperature Deviation (°C) | Temperature Uniformity (-) | Vertical Air Temperature Difference (°C) | PMV (-) | DR (-) | Air Cooling Rate (°C∙min−1) |
|---|---|---|---|---|---|---|
| 1 | 0.220 | 0.302 | −0.359 | 0.85 | 6.63% | 0.276 |
| 2 | 0.125 | 0.312 | −0.371 | 0.83 | 6.72% | 0.266 |
| 3 | 0.004 | 0.325 | −0.387 | 0.81 | 6.84% | 0.270 |
| 4 | 0.188 | 0.305 | −0.363 | 0.84 | 6.66% | 0.277 |
| 5 | 0.133 | 0.311 | −0.370 | 0.83 | 6.71% | 0.266 |
| 6 | 0.128 | 0.312 | −0.371 | 0.83 | 6.72% | 0.265 |
| 7 | −0.099 | 0.337 | −0.400 | 0.79 | 6.94% | 0.273 |
| 8 | 0.083 | 0.317 | −0.376 | 0.82 | 6.77% | 0.267 |
| 9 | 0.256 | 0.298 | −0.354 | 0.86 | 6.59% | 0.279 |
| 10 | 0.170 | 0.307 | −0.365 | 0.84 | 6.67% | 0.269 |
| Air Supply Angle | Temperature Deviation (°C) | Temperature Uniformity (-) | Vertical Air Temperature Difference (°C) | PMV (-) | DR (-) | Air Cooling Rate (°C∙min−1) |
|---|---|---|---|---|---|---|
| 75° | −0.482 | 0.376 | −0.784 | 0.69 | 7.91% | 0.289 |
| 90° | 0.170 | 0.307 | −0.365 | 0.84 | 6.67% | 0.269 |
| 105° | 0.259 | 0.324 | −0.511 | 0.95 | 5.24% | 0.262 |
Publisher’s Note: MDPI stays neutral with regard to jurisdictional claims in published maps and institutional affiliations. |
© 2021 by the authors. Licensee MDPI, Basel, Switzerland. This article is an open access article distributed under the terms and conditions of the Creative Commons Attribution (CC BY) license (https://creativecommons.org/licenses/by/4.0/).
Share and Cite
He, L.; Zhao, S.; Xu, G.; Wu, X.; Xie, J.; Cai, S. Prediction and Evaluation of Dynamic Variations of the Thermal Environment in an Air-Conditioned Room Using Collaborative Simulation Method. Energies 2021, 14, 5378. https://doi.org/10.3390/en14175378
He L, Zhao S, Xu G, Wu X, Xie J, Cai S. Prediction and Evaluation of Dynamic Variations of the Thermal Environment in an Air-Conditioned Room Using Collaborative Simulation Method. Energies. 2021; 14(17):5378. https://doi.org/10.3390/en14175378
Chicago/Turabian StyleHe, Lin, Shunan Zhao, Guowen Xu, Xin Wu, Junlong Xie, and Shanshan Cai. 2021. "Prediction and Evaluation of Dynamic Variations of the Thermal Environment in an Air-Conditioned Room Using Collaborative Simulation Method" Energies 14, no. 17: 5378. https://doi.org/10.3390/en14175378
APA StyleHe, L., Zhao, S., Xu, G., Wu, X., Xie, J., & Cai, S. (2021). Prediction and Evaluation of Dynamic Variations of the Thermal Environment in an Air-Conditioned Room Using Collaborative Simulation Method. Energies, 14(17), 5378. https://doi.org/10.3390/en14175378
