Tracking Control of Modular Multilevel Converter Based on Linear Matrix Inequality without Coordinate Transformation
Abstract
1. Introduction
2. Topology and Mathematical Model of the MMC
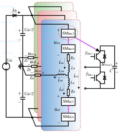
2.1. Topology and Principles of Operation
2.2. Mathematical Model of the MMC
3. Controller Design Based on Linear Matrix Inequality
3.1. Tracking Controller Design
3.2. Relevant Parameters of the Control System
4. Simulation Results and Discussion
4.1. Tracking Performance Under Desired Value Change
4.2. Dynamic Performance Under Different Loads
4.3. Fault Tolerance
4.4. Dynamic Performance Under Different Number of Sub-Modules
5. Conclusions
Author Contributions
Funding
Conflicts of Interest
Abbreviations
| MMC | modular multilevel converter | LMI | linear matrix inequality |
| three-phase | u as upper arm, l as lower arm | ||
| SM | sub-module | N number of SM | |
| () | switching function | arm inductance of phase-j | |
| arm equivalent resistance | arm voltage | ||
| arm current | output current | ||
| output voltage | circulating current | ||
| equivalent inductance | load | ||
| DC source voltage | SM capacitor voltage | ||
| A | state matrix | B | control matrix |
| E | coefficient matrix | tracking error | |
| feedback gain | P | positive definite matrix | |
| real parameters | inserted SMs’ number |
References
- Debnath, S.; Qin, J.; Bahrani, B.; Saeedifard, M.; Barbosa, P. Operation, Control, and Applications of the Modular Multilevel Converter: A Review. IEEE Trans. Power Electron. 2018, 30, 37–53. [Google Scholar] [CrossRef]
- Raju, M.N.; Sreedevi, J.; Mandi, R.P.; Meera, K.S. Modular multilevel converters technology: A comprehensive study on its topologies, modelling, control and applications. IET Power Electron. 2019, 12, 149–169. [Google Scholar] [CrossRef]
- Kouro, S.; Malinowski, M.; Gopakumar, K.; Pou, J.; Franquelo, L.G.; Wu, B.; Rodriguez, J.; Pérez, M.A.; Leon, J.I. Recent advances and industrial applications of multilevel converters. IEEE Trans. Ind. Electron. 2010, 57, 2553–2580. [Google Scholar] [CrossRef]
- Picas, R.; Zaragoza, J.; Pou, J.; Ceballos, S.; Konstantinou, G.; Capella, G.J. Study and comparison of discontinuous modulation for modular multilevel converters in motor drive applications. IEEE Trans. Ind. Electron. 2019, 66, 2376–2386. [Google Scholar] [CrossRef]
- Li, B.; Zhou, S.; Xu, D.; Yang, R.; Xu, D.; Buccella, C.; Cecati, C. An Improved Circulating Current Injection Method for Modular Multilevel Converters in Variable-Speed Drives. IEEE Trans. Ind. Electron. 2016, 63, 7215–7225. [Google Scholar] [CrossRef]
- Perez, M.A.; Bernet, S.; Rodriguez, J.; Kouro, S.; Lizana, R. Circuit Topologies, Modeling, Control Schemes, and Applications of Modular Multilevel Converters. IEEE Trans. Power Electron. 2015, 30, 4–17. [Google Scholar] [CrossRef]
- Li, J.; Konstantinou, G.; Wickramasinghe, H.R.; Pou, J. Operation and Control Methods of Modular Multilevel Converters in Unbalanced AC Grids: A Review. IEEE J. Emerg. Sel. Topics Power Electron. 2019, 7, 1258–1271. [Google Scholar] [CrossRef]
- Nguyen, T.H.; Hosani, K.A.; El Moursi, M.S.; Blaabjerg, F. An Overview of Modular Multilevel Converters in HVDC Transmission Systems with STATCOM Operation during Pole-to-Pole DC Short Circuits. IEEE Trans. Power Electron. 2019, 34, 4137–4160. [Google Scholar] [CrossRef]
- Vatani, M.; Bahrani, B.; Saeedifard, M.; Hovd, M. Indirect Finite Control Set Model Predictive Control of Modular Multilevel Converters. IEEE Trans. Smart Grid 2015, 6, 1520–1529. [Google Scholar] [CrossRef]
- Riar, B.S.; Geyer, T.; Madawala, U.K. Model predictive direct current control of modular multilevel converters: Modelling, analysis, and experimental evaluation. IEEE Trans. Power Electron. 2015, 30, 431–439. [Google Scholar] [CrossRef]
- Gutierrez, B. Modular Multilevel Converters (MMCs) Controlled by Model Predictive Control with Reduced Calculation Burden. IEEE Trans. Power Electron. 2018, 33, 9176–9187. [Google Scholar] [CrossRef]
- Zhou, D.; Yang, S.; Yi, T. Model-Predictive Current Control of Modular Multilevel Converters with Phase-Shifted Pulse width Modulation. IEEE Trans. Ind. Electron. 2019, 66, 4368–4378. [Google Scholar] [CrossRef]
- Liu, P.; Wang, Y.; Cong, W.; Lei, W. Grouping-Sorting-Optimized Model Predictive Control for Modular Multilevel Converter with Reduced Computational Load. IEEE Trans. Power Electron. 2016, 31, 1896–1907. [Google Scholar] [CrossRef]
- Yang, S.; Wang, P.; Tang, Y. Feedback linearization-based current control strategy for modular multilevel converters. IEEE Trans. Power Electron. 2018, 33, 161–174. [Google Scholar] [CrossRef]
- Deng, F.; Chen, Z. Voltage-balancing method for modular multilevel converters under phase-shifted carrier-based pulse width modulation. IEEE Trans. Ind. Electron. 2015, 62, 4158–4169. [Google Scholar] [CrossRef]
- Hagiwara, M.; Akagi, H. Control and experiment of pulse width modulated modular multilevel converters. IEEE Trans. Power Electron. 2009, 24, 1737–1746. [Google Scholar] [CrossRef]
- Meshram, P.M.; Borghate, V.B. A simplified nearest level control (NLC) voltage balancing method for modular multilevel converter (MMC). IEEE Trans. Power Electron. 2015, 30, 450–462. [Google Scholar] [CrossRef]
- Lin, L.; Lin, Y.; He, Z.; Chen, Y.; Hu, J.; Li, W. Improved Nearest-Level Modulation for a Modular Multilevel Converter with a Lower Submodule Number. IEEE Trans. Power Electron. 2016, 31, 5369–5377. [Google Scholar] [CrossRef]
- Wang, Y.; Hu, C.; Ding, R.; Xu, L.; Fu, C.; Yang, E. A Nearest Level PWM Method for the MMC in DC Distribution Grids. IEEE Trans. Power Electron. 2018, 33, 9209–9218. [Google Scholar] [CrossRef]
- Wu, D.; Peng, L. Characteristics of nearest level modulation method with circulating current control for modular multilevel converter. IET Power Electron. 2016, 9, 155–164. [Google Scholar] [CrossRef]
- Li, W.; Hu, J.; Hu, S.; Yang, H.; Yang, H.; He, X. Capacitor Voltage Balance Control of Five-Level Modular Composited Converter with Hybrid Space Vector Modulation. IEEE Trans. Power Electron. 2018, 33, 5629–5640. [Google Scholar] [CrossRef]
- Shen, K.; Wang, S.; Zhao, D.; Zhao, G.A. Discrete-Time Low-Frequency-Ratio Nearest Level Modulation Strategy for Modular Multilevel Converters with Small Number of Power Modules. IEEE Access 2019, 7, 25792–25803. [Google Scholar] [CrossRef]
- Liu, Z.; Miao, S.; Fan, Z.; Chao, K.; Liu, Y. Electrical Power and Energy Systems Characteristics analysis and improved arm control of modular multilevel converter under asymmetric operation conditions. Electr. Power Energy Syst. 2019, 105, 272–282. [Google Scholar] [CrossRef]
- Vatani, M.; Hovd, M.; Maryam, S. Control of the Modular Multilevel Converter Based on a Discrete-Time Bilinear Model Using the Sum of Squares Decomposition Method. IEEE Trans. Power Del. 2015, 30, 2179–2188. [Google Scholar] [CrossRef]
- Zheng, X.; Chen, H.; Pan, W.; Jing, Z.; Xiao, H.; Qingrui, T.; Guan, M.; Zhang, Z.; Pan, W.; Gaoren, L.; et al. Main circuit parameter selection and loss calculation of MMC basic unit. In HVDC System, 2nd ed.; Lv, H., Zhu, L., Eds.; China Machine Press: Beijing, China, 2016; pp. 69–71. [Google Scholar]
















| Name | Parameter (Units) | Value |
|---|---|---|
| AC system frequency | f (Hz) | 50 |
| AC voltage RMS | (V) | 1768 |
| AC output voltage of phase-a | (V) | |
| DC voltage | (V) | 6000 |
| nominal capacitor voltage | (V) | 750 |
| SM number in each arm | N | 8 |
| SM capacitance | C (F) | 0.004 |
| Arm inductance | (H) | 0.003 |
| Arm equivalent resistance | 0.4 | |
| equivalent inductance | (H) | 0.004 |
| Load | Resistance () | Inductance (mH) |
|---|---|---|
| 20 | 0.1 | |
| 10 | 0.1 | |
| 20 | 0.2 | |
| 10 | 0.2 |
| Case | Phase-j | Resistance () | Inductance (mH) |
|---|---|---|---|
| case1 | a | 10 | 0.1 |
| b,c | 20 | 0.1 | |
| case2 | a | 20 | 0.1 |
| b | 15 | 0.1 | |
| c | 10 | 0.1 |
© 2020 by the authors. Licensee MDPI, Basel, Switzerland. This article is an open access article distributed under the terms and conditions of the Creative Commons Attribution (CC BY) license (http://creativecommons.org/licenses/by/4.0/).
Share and Cite
Liu, M.; Li, Z.; Yang, X. Tracking Control of Modular Multilevel Converter Based on Linear Matrix Inequality without Coordinate Transformation. Energies 2020, 13, 1978. https://doi.org/10.3390/en13081978
Liu M, Li Z, Yang X. Tracking Control of Modular Multilevel Converter Based on Linear Matrix Inequality without Coordinate Transformation. Energies. 2020; 13(8):1978. https://doi.org/10.3390/en13081978
Chicago/Turabian StyleLiu, Ming, Zetao Li, and Xiaoliu Yang. 2020. "Tracking Control of Modular Multilevel Converter Based on Linear Matrix Inequality without Coordinate Transformation" Energies 13, no. 8: 1978. https://doi.org/10.3390/en13081978
APA StyleLiu, M., Li, Z., & Yang, X. (2020). Tracking Control of Modular Multilevel Converter Based on Linear Matrix Inequality without Coordinate Transformation. Energies, 13(8), 1978. https://doi.org/10.3390/en13081978

