Analysis and Verification of a Wide Input Voltage PWM Converter with Variable Windings
Abstract
1. Introduction
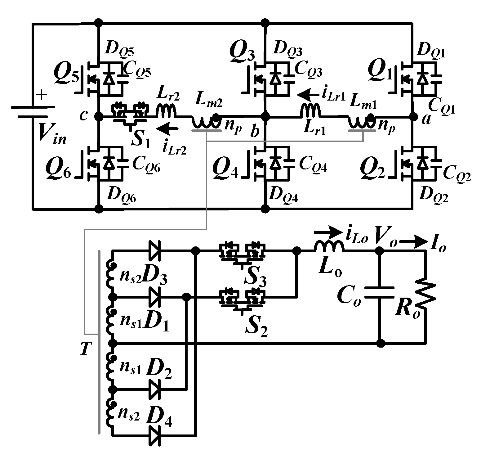
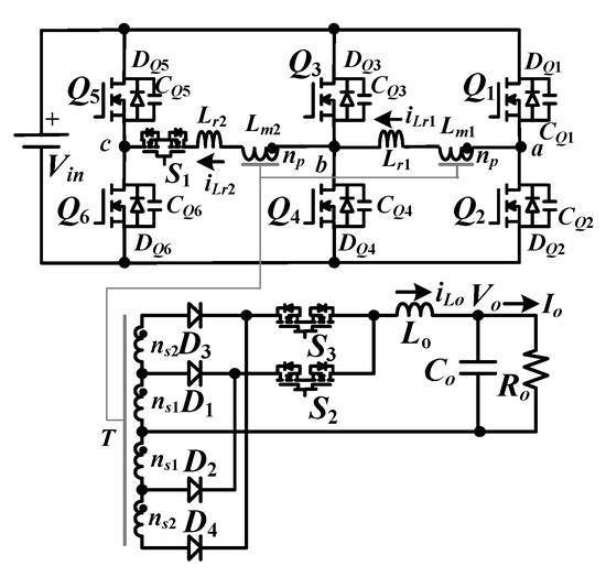
2. Description of the Presented Converter
3. The Principle of Operation
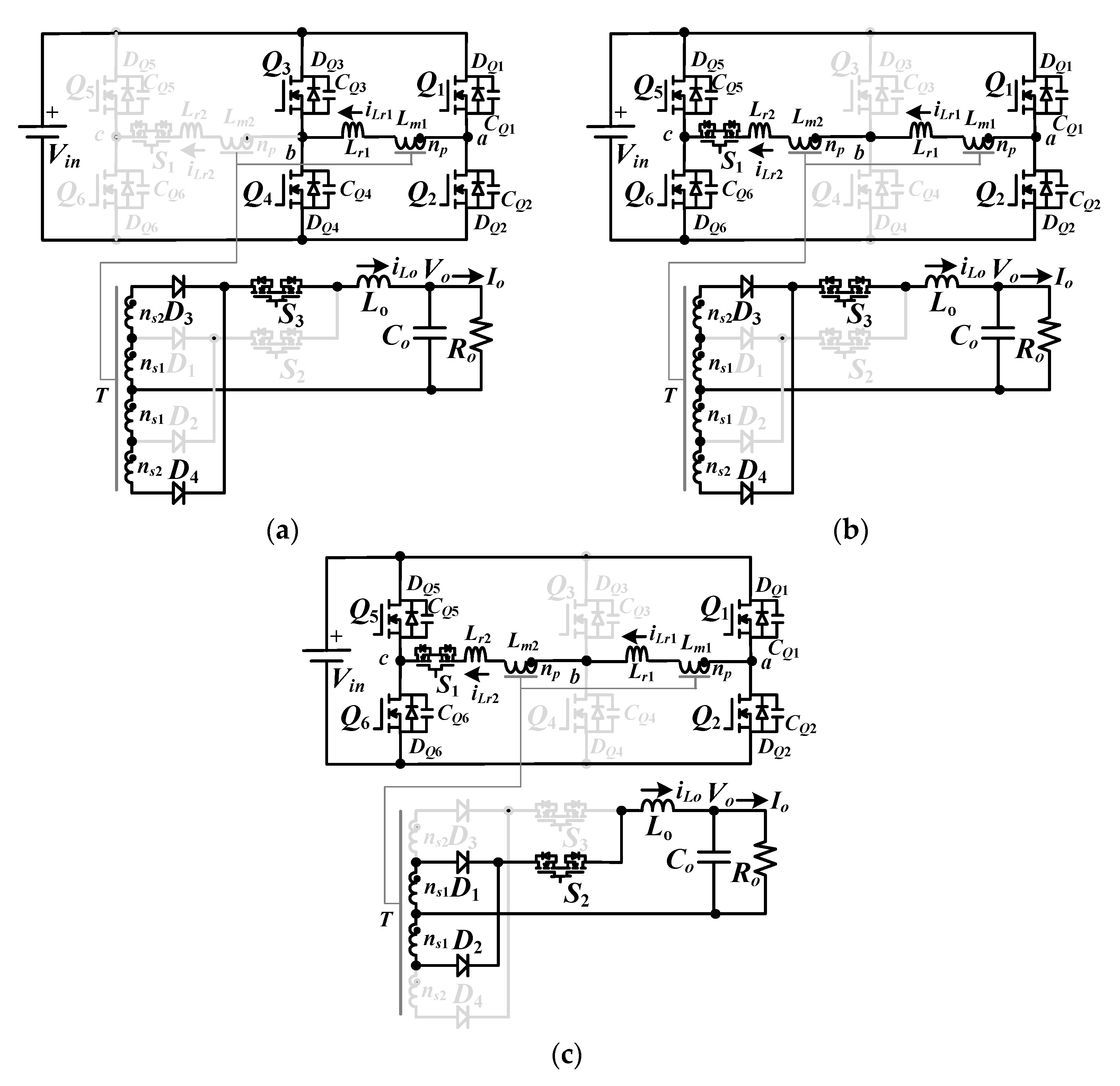
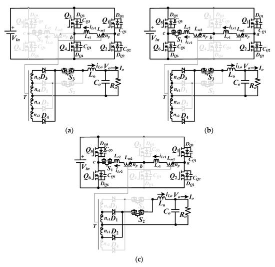
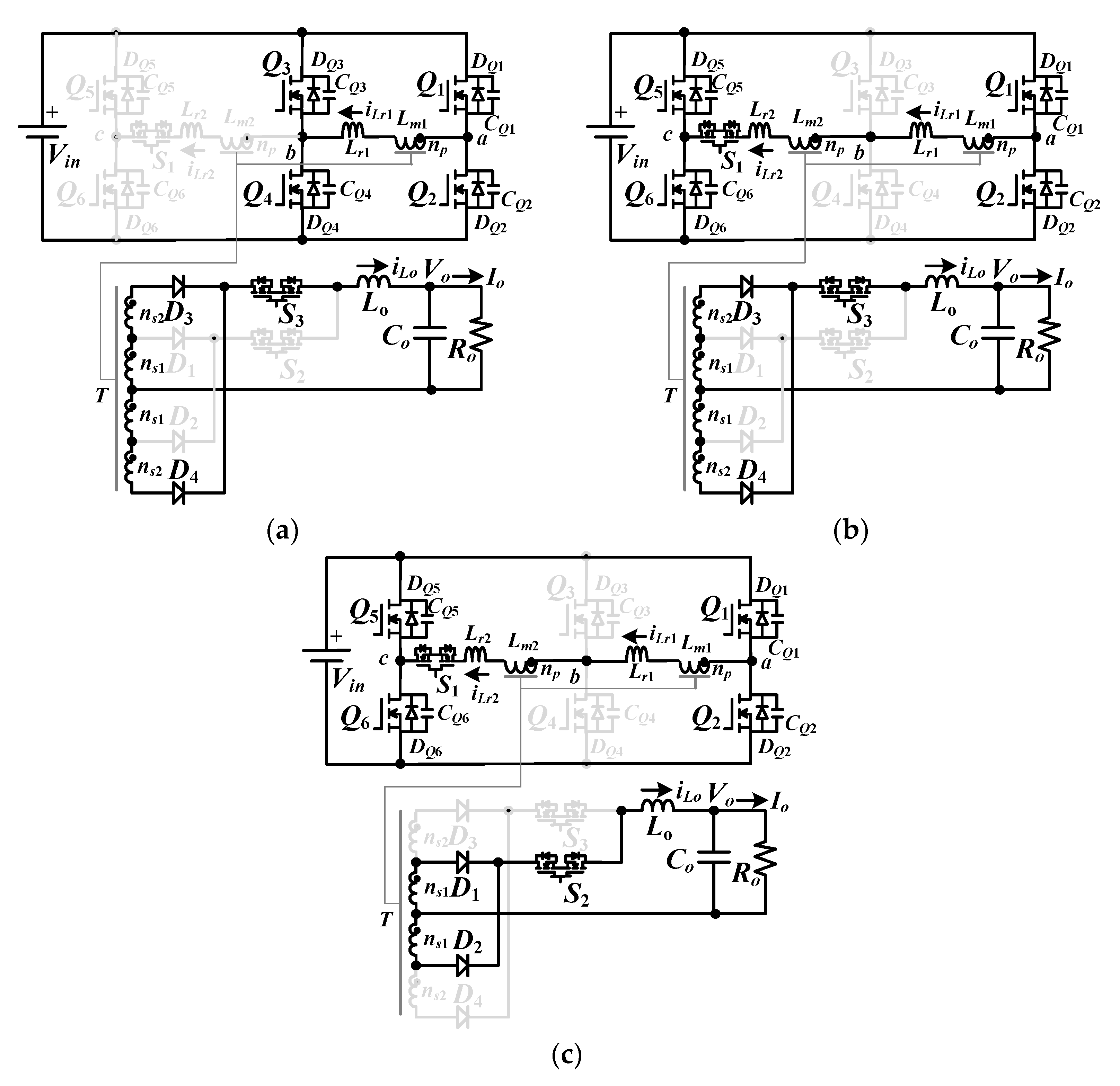
3.1. Low Voltage Operation (S3 on; Q5, Q6, S1, S2 off)
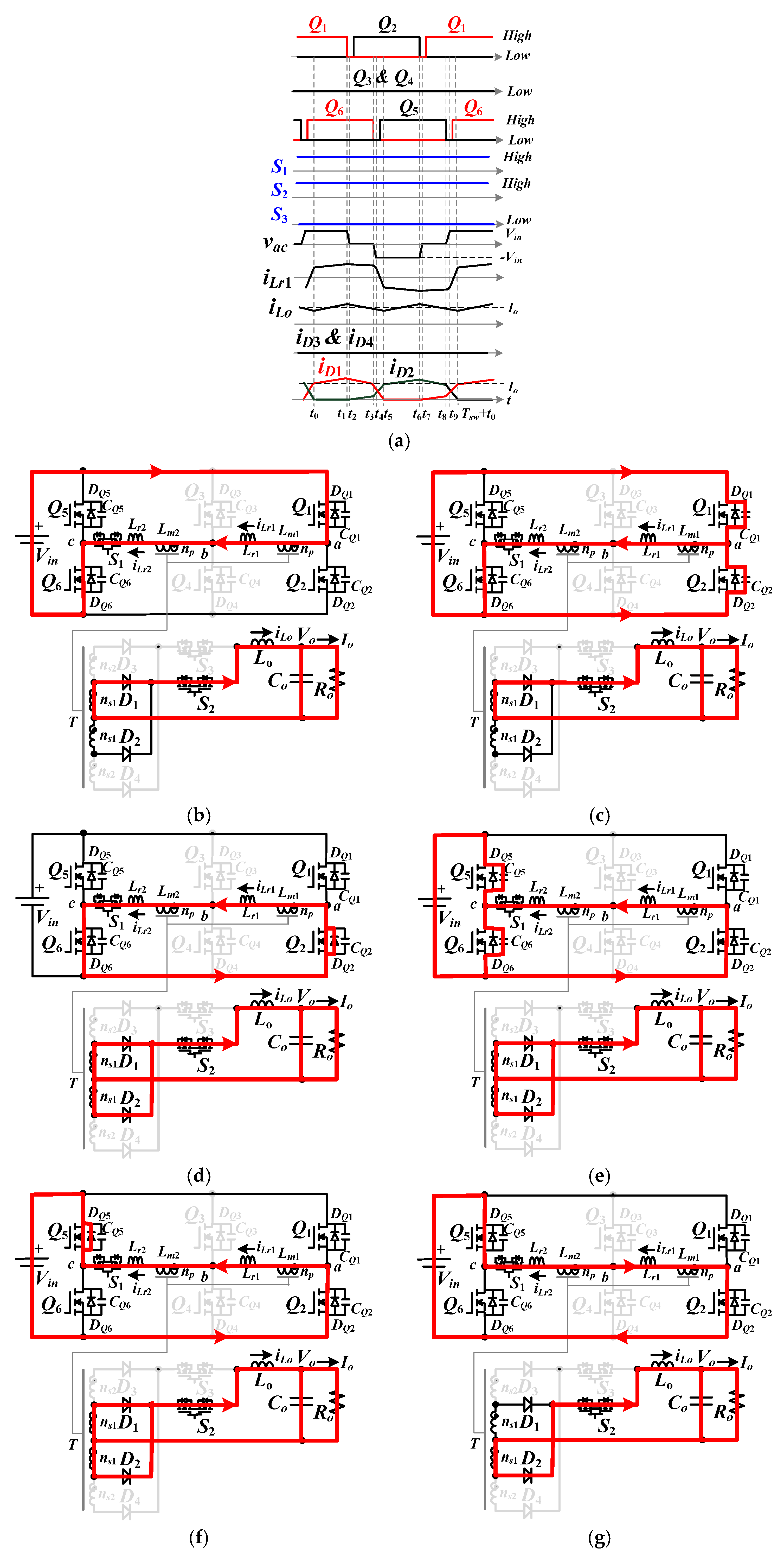
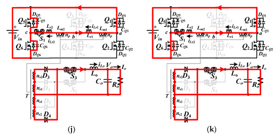
3.2. Medium Voltage Operation (S1, S3 on; Q3, Q4, S2 off)
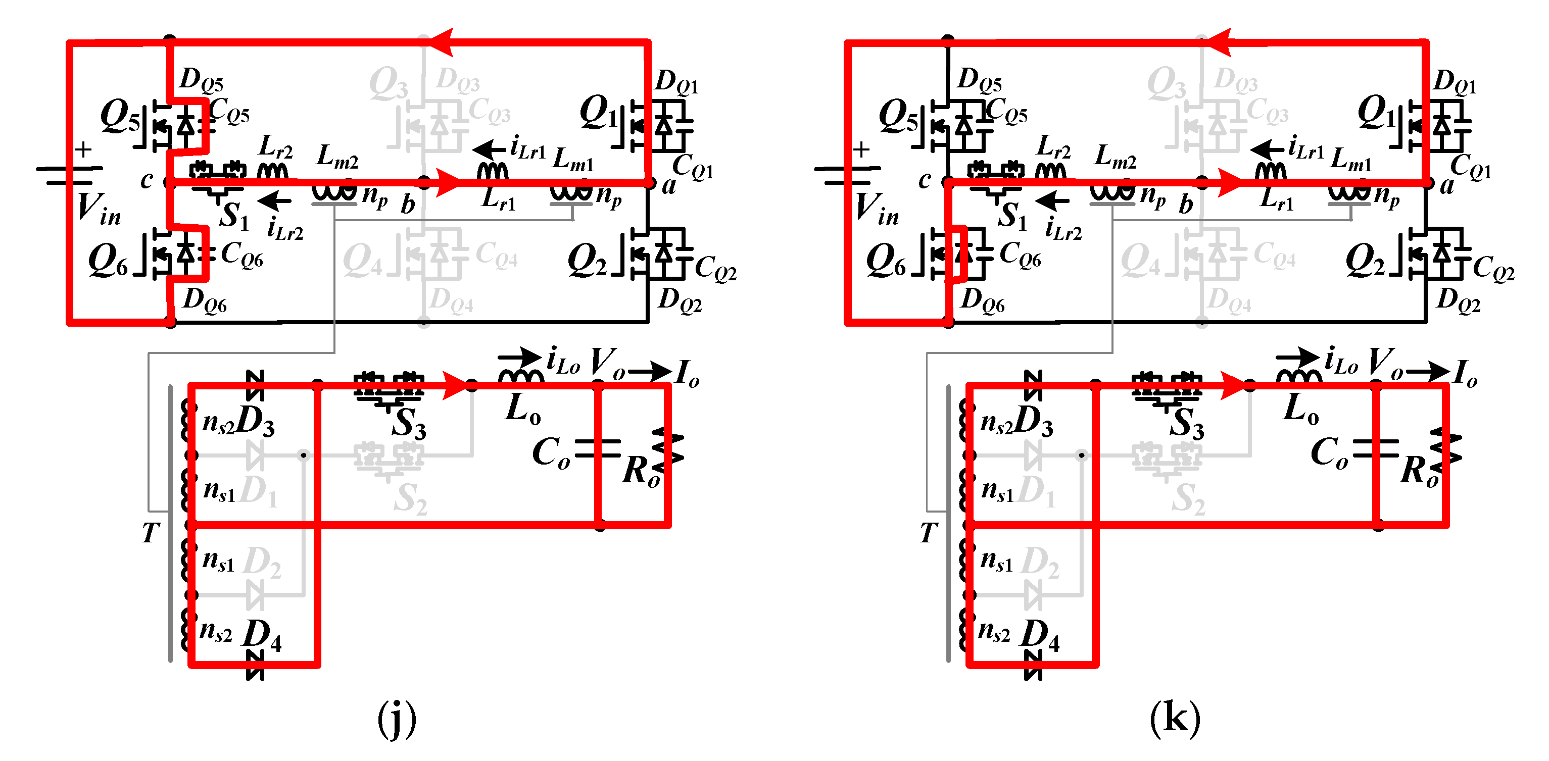
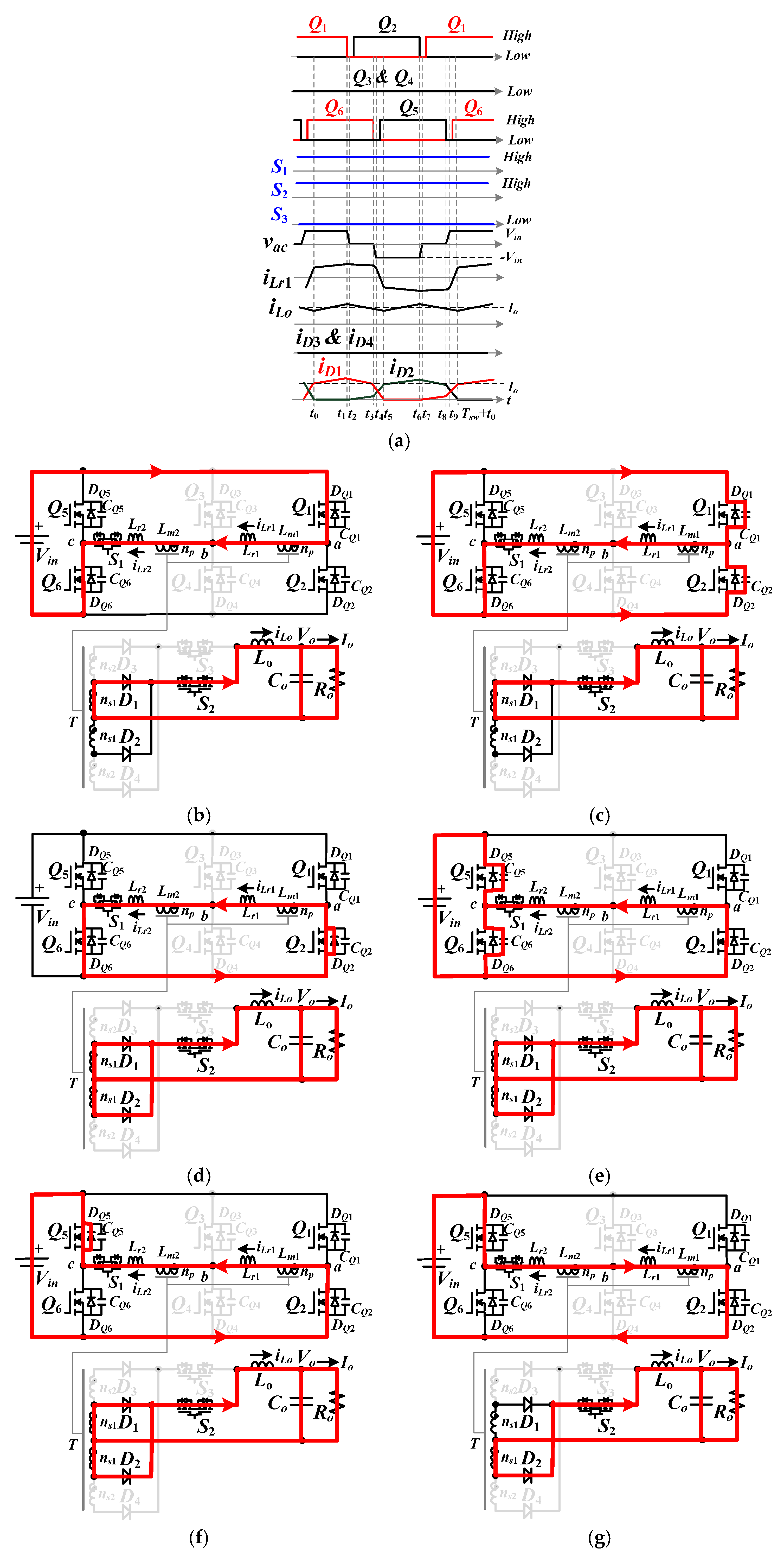
3.3. High Voltage Operation (S1, S2 on; Q3, Q4, S3 off)
4. Converter Characteristics and Design Considerations
5. Experimental Verifications
6. Conclusions
Author Contributions
Funding
Acknowledgments
Conflicts of Interest
References
- Lin, B.R. Implementation of a parallel-series resonant converter with wide input voltage range. Energies 2019, 12, 4095. [Google Scholar] [CrossRef]
- Lin, B.R.; Dai, C.X. Wide Voltage Resonant Converter Using a Variable Winding Turns Ratio. Electronics 2020, 9, 370. [Google Scholar] [CrossRef]
- Zhang, Y.; Fu, C.; Sumner, M.; Wang, P. A wide input-voltage range quasi-Z-source boost DC–DC converter with high-voltage gain for fuel cell vehicles. IEEE Trans. Ind. Electron. 2018, 65, 5201–5212. [Google Scholar] [CrossRef]
- Wang, H.; Nayar, C.; Su, J.; Ding, M. Control and interfacing of a grid-connected small-scale wind turbine generator. IEEE Trans. Energy Convers. 2011, 26, 428–434. [Google Scholar] [CrossRef]
- Wang, P.; Zhou, L.; Zhang, Y.; Li, J.; Sumner, M. Input-parallel output-series DC-DC boost converter with a wide input voltage range, for fuel cell vehicles. IEEE Trans. Veh. Technol. 2017, 66, 7771–7781. [Google Scholar] [CrossRef]
- Xia, Y.Y.; Fletcher, J.E.; Finney, S.J.; Ahmed, K.H.; Williams, B.W. Torque ripple analysis and reduction for wind energy conversion systems using uncontrolled rectifier and boost converter. IET Renew. Power Gener. 2011, 5, 377–386. [Google Scholar] [CrossRef]
- Jeong, Y.; Kim, J.K.; Lee, J.B.; Moon, G.W. An asymmetric half-bridge resonant converter having a reduced conduction loss for DC/DC power applications with a wide range of low input voltage. IEEE Trans. Power Electron. 2017, 32, 7795–7804. [Google Scholar] [CrossRef]
- Wu, H.; Wan, C.; Sun, K.; Xing, Y. A high step-down multiple output converter with wide input voltage range based on quasi two-stage architecture and dual-output LLC resonant converter. IEEE Trans. Power Electron. 2015, 30, 1793–1796. [Google Scholar] [CrossRef]
- Singh, A.K.; Das, P.; Panda, S.K. Analysis and design of SQR-based high-voltage LLC resonant dc-dc converter. IEEE Trans. Power Electron. 2017, 32, 4466–4481. [Google Scholar] [CrossRef]
- Wang, X.; Tian, F.; Batarseh, I. High efficiency parallel post regulator for wide range input DC–DC converter. IEEE Trans. Power Electron. 2008, 23, 852–858. [Google Scholar] [CrossRef]
- Li, W.; Zong, S.; Liu, F.; Yang, H.; He, X.; Wu, B. Secondary-side phase-shift-controlled ZVS DC/DC converter with wide voltage gain for high input voltage applications. IEEE Trans. Power Electron. 2013, 28, 5128–5139. [Google Scholar] [CrossRef]
- Lin, B.R. Implementation of a soft switching converter with series DC-DC circuits and single transformer. IET Proc.—Power Electron. 2019, 12, 1249–1255. [Google Scholar] [CrossRef]
- Ma, H.; Li, Y.; Chen, Q.; Zhang, L.; Xu, J. A single-stage integrated boost-LLC AC–DC converter with quasi-constant bus voltage for multichannel LED street-lighting applications. IEEE J. Emerg. Sel. Top. Power Electron. 2018, 6, 1143–1153. [Google Scholar] [CrossRef]
- Sarnago, H.; Lucia, O.; Burdio, J.M. A versatile resonant tank identification methodology for induction heating systems. IEEE Trans. Power Electron. 2018, 33, 1897–1901. [Google Scholar] [CrossRef]
- Wang, H.; Li, Z. A PWM LLC type resonant converter adapted to wide output range in PEV charging applications. IEEE Trans. Power Electron. 2018, 33, 3791–3801. [Google Scholar] [CrossRef]
- Lin, B.R.; Lin, G.H. Frequency-Controlled Current-Fed Resonant Converter with No Input Ripple Current. Energies 2018, 11, 413. [Google Scholar]
- Pandey, R.; Singh, B. A power-factor-corrected LLC resonant converter for electric vehicle charger using Cuk converter. IEEE Trans. Ind. Appl. 2019, 55, 6278–6286. [Google Scholar] [CrossRef]
- Lin, B.R.; Wu, G.Y. Bidirectional Resonant Converter with Half-Bridge Circuits: Analysis, Design, and Implementation. Energies 2018, 11, 1259. [Google Scholar] [CrossRef]
- Kim, B.; Kim, S.; Hun, D.Y.; Choi, J.H.; Kim, M. Hybrid resonant half-bridge DC/DC converter with wide input voltage range. In Proceedings of the IEEE APEC Conference, San Antonio, TX, USA, 4–8 March 2018; pp. 1876–1881. [Google Scholar]
- Lu, J.; Kumar, A.; Afridi, K.K. Step-down impedance control network resonant DC-DC converter utilizing an enhanced phase-shift control for wide-input-range operation. IEEE Trans. Ind. Appl. 2018, 54, 4523–4536. [Google Scholar] [CrossRef]
- Hu, H.; Fang, X.; Chen, F.; Shen, Z.J.; Batarseh, I. A modified high-efficiency LLC converter with two transformers for wide input-voltage range applications. IEEE Trans. Power Electron. 2012, 28, 1946–1960. [Google Scholar] [CrossRef]






















© 2020 by the authors. Licensee MDPI, Basel, Switzerland. This article is an open access article distributed under the terms and conditions of the Creative Commons Attribution (CC BY) license (http://creativecommons.org/licenses/by/4.0/).
Share and Cite
Lin, B.-R.; Chang, J.-W. Analysis and Verification of a Wide Input Voltage PWM Converter with Variable Windings. Energies 2020, 13, 1634. https://doi.org/10.3390/en13071634
Lin B-R, Chang J-W. Analysis and Verification of a Wide Input Voltage PWM Converter with Variable Windings. Energies. 2020; 13(7):1634. https://doi.org/10.3390/en13071634
Chicago/Turabian StyleLin, Bor-Ren, and Ji-Wei Chang. 2020. "Analysis and Verification of a Wide Input Voltage PWM Converter with Variable Windings" Energies 13, no. 7: 1634. https://doi.org/10.3390/en13071634
APA StyleLin, B.-R., & Chang, J.-W. (2020). Analysis and Verification of a Wide Input Voltage PWM Converter with Variable Windings. Energies, 13(7), 1634. https://doi.org/10.3390/en13071634
