Next Article in Journal
Volume and Surface Resistivity Measurement of Insulating Materials Using Guard-Ring Terminal Electrodes
Next Article in Special Issue
Evaluation of a Three-Phase Bidirectional Isolated DC-DC Converter with Varying Transformer Configurations Using Phase-Shift Modulation and Burst-Mode Switching
Previous Article in Journal
Fuzzy Model for Selecting a Form of Use Alternative for a Historic Building to be Subjected to Adaptive Reuse
Previous Article in Special Issue
Interleaved High Step-Up DC–DC Converter with Voltage-Lift and Voltage-Stack Techniques for Photovoltaic Systems
 
 
Font Type:
Arial Georgia Verdana
Font Size:
Aa Aa Aa
Line Spacing:
Column Width:
Background:
Article

A Multi-Input-Port Bidirectional DC/DC Converter for DC Microgrid Energy Storage System Applications

1
College of Electrical Engineering and New Energy, China Three Gorges University, Yichang 443000, China
2
Hubei Provincial Key Laboratory for Operation and Control of Cascaded Hydropower Station, China Three Gorges University, Yichang 443000, China
3
School of Automation, Wuhan University of Technology, Wuhan 430000, China
*
Author to whom correspondence should be addressed.
Energies 2020, 13(11), 2810; https://doi.org/10.3390/en13112810
Submission received: 23 April 2020 / Revised: 24 May 2020 / Accepted: 26 May 2020 / Published: 1 June 2020
(This article belongs to the Special Issue Advanced DC-DC Power Converters and Switching Converters)

Abstract

A multi-input-port bidirectional DC/DC converter is proposed in this paper for the energy storage systems in DC microgrid. The converter can connect various energy storage batteries to the DC bus at the same time. The proposed converter also has the advantages of low switch voltage stress and high voltage conversion gain. The working principle and performance characteristics of the converter were analyzed in detail, and a 200 W, two-input-port experimental prototype was built. The experimental results are consistent with the theoretical analysis.

Graphical Abstract

1. Introduction

Due to global issues like the greenhouse effect and energy shortage, renewable energy generation has developed rapidly in recent years [1,2,3]. Renewable energy generation is greatly affected by natural environmental factors, output power of which exhibits intermittence and randomness [4,5]. DC microgrid and energy storage systems, like batteries and supercapacitors, are usually used to smooth the fluctuating and stochastic output power of the renewable energy generation system [6,7]. A DC/DC converter with the capability of bidirectional energy conversion is the key device to connect batteries and the DC bus of the DC microgrid.
In recent years, many studies have been conducted on bidirectional DC/DC converters [8,9]. Many battery cells were connected in series to achieve high voltage [10]; however, a charge equalization circuit needs to be introduced to solve the problem of unbalanced battery charging [11]. On the contrary, many batteries can also be connected in parallel to achieve high reliability [12], but the output voltage of these batteries is low, and a high voltage gain converter is required in such an application [13,14]. Coupled inductors, switch capacitors, or voltage multiple cells can be used to improve the voltage conversion ratio [15,16,17,18,19]; however, most of the above converters are single input and single output, which means a large number of converters have to be used to connect each battery energy storage unit to the DC bus respectively [20,21], as Figure 1a shows.
In [22,23,24], some multi-input-port bidirectional converters have been presented; however, these converters have some common disadvantages, such as a large number of devices, large size, and high cost. A multi-input-port bidirectional DC/DC converter is proposed in this paper, many battery energy storage units can be connected to the DC bus by this converter together, as Figure 1b shows. Both in charging and discharging mode, the power flow to every battery can be controlled easily. Apparently, the cost of the whole system can be reduced.
The paper is organized as follows. The working principle, performance analysis, and extension of the proposed converter are described in Section 2, Section 3 and Section 4, respectively. In Section 5, the efficacy of the proposed converter is verified experimentally using a 200 W prototype.

2. Operation Principle of the Proposed Multi-Input-Port Bidirectional DC/DC Converter

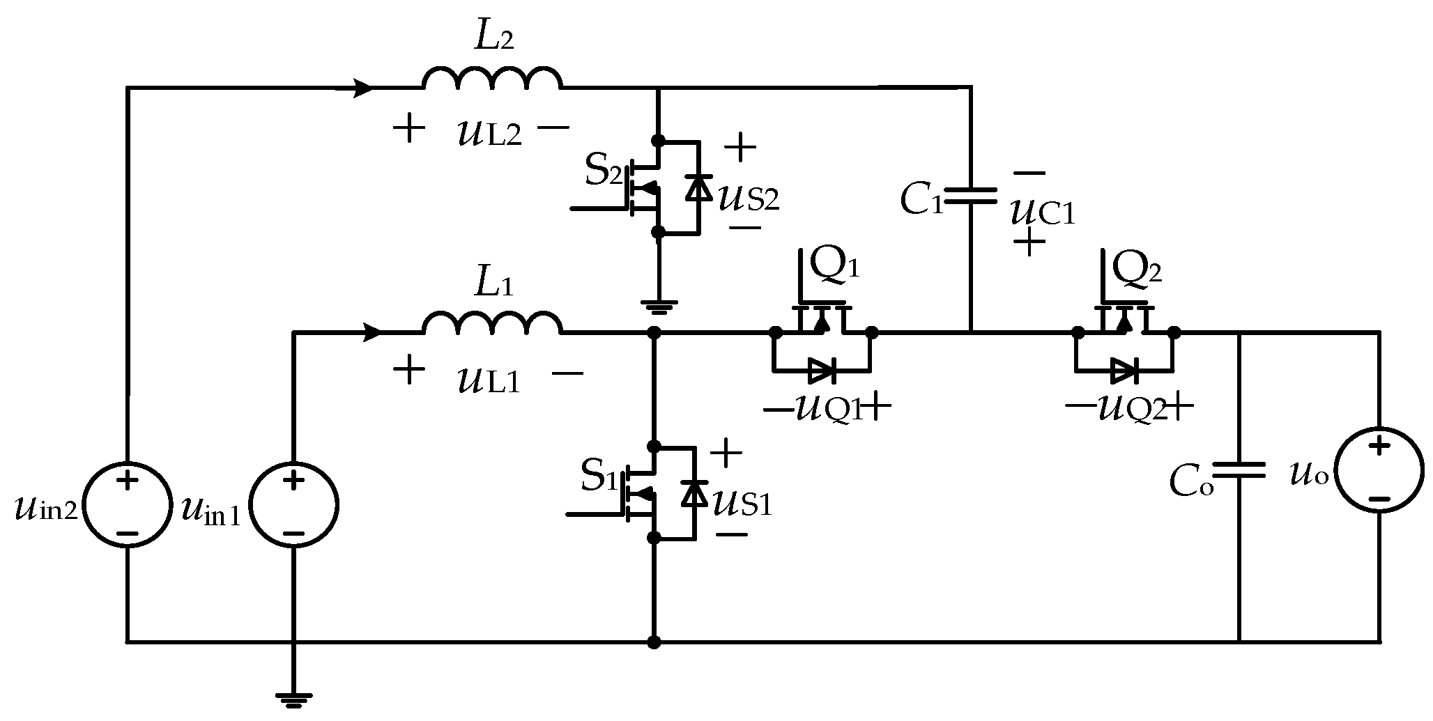
The operation principle of the proposed converter will be presented in this section based on a topology with two input ports shown in Figure 2. To simplify the analysis, the following assumptions are made:
  • The currents iL1 and iL2 of the inductors L1 and L2 are both continuous.
  • All devices are ideal, regardless of the influence of parasitic parameters.
  • The switches S1 and S2 are regulated by an interleaved control strategy with the duty cycle greater than 0.5. While the switches Q1 and Q2 are controlled by an interleaved control strategy with the duty cycle less than 0.5. The operation principle of the converter can be analyzed based on the discharging or charging modes.

2.1. Discharging Mode (Boost)

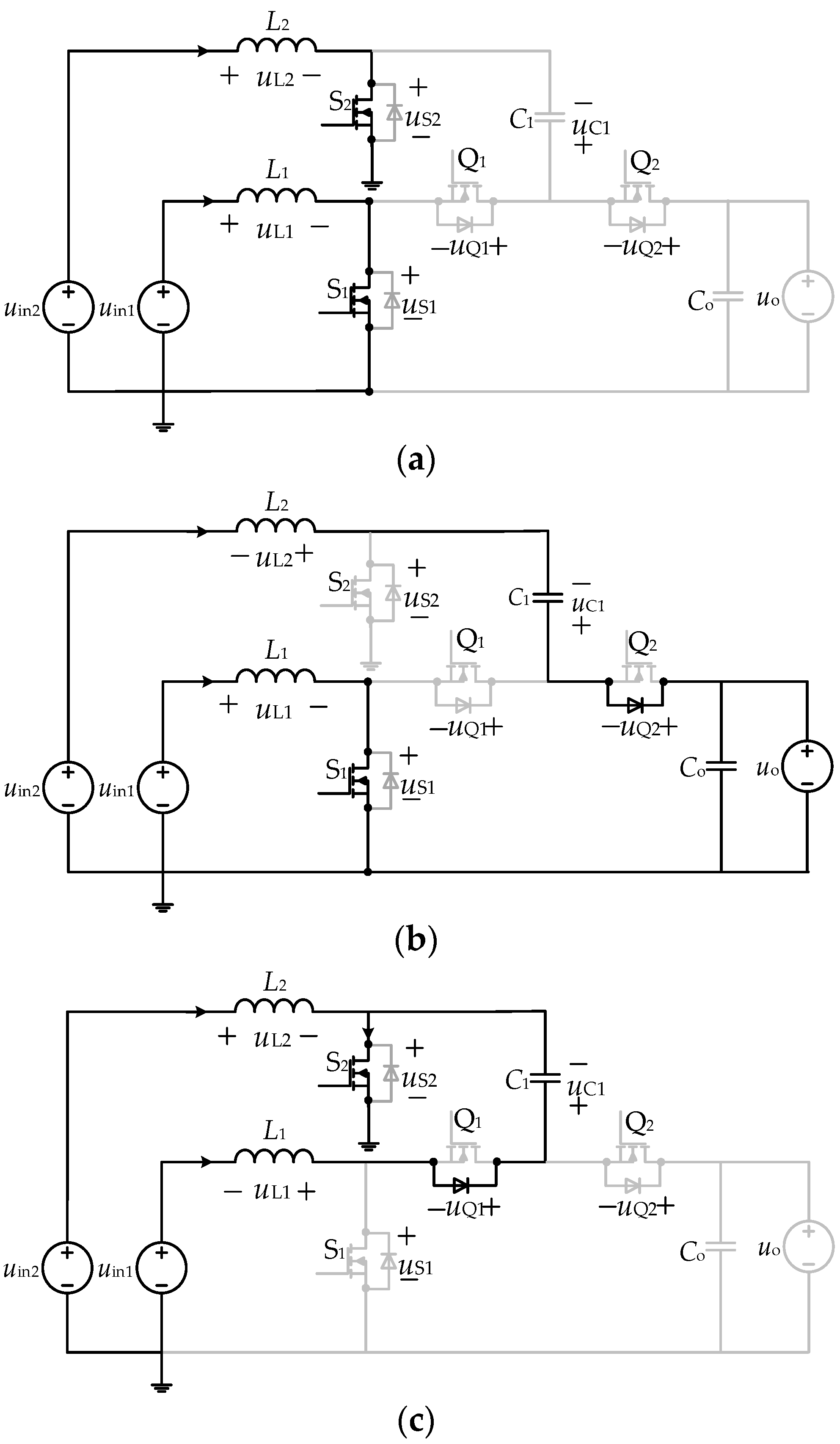
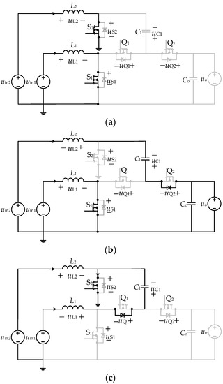
In this mode, S1 and S2 are interleaved with 180° phase shift to turn on, and Q1, Q2 are turned off. During a switching period Ts, there are three Sub-modes. The main waveforms of the converter working in steady state are shown in Figure 3, and the equivalent circuit of each Sub-mode is shown in Figure 4. The control signals of S1 and S2 are denoted by ugs1 and ugs2, respectively.
Sub-mode 1 [t0t1, t2t3]: as Figure 4a shows, S1 and S2 are on. The voltages of the inductors L1 and L2 are equal to uin1 and uin2, respectively. The inductor currents increase linearly at the rates of uin1/L1 and uin2/L2, respectively. The current through the capacitor C1 is zero, while the capacitor voltage is unchanged.
Sub-mode 2 [t1t2]: as Figure 4b shows, S1 is on, and S2 is off. Same as Sub-mode 1, the voltage of the inductor L1 is still uin1, and the current through it increases linearly at the rate of uin1/L1. However, the current through the inductor L2 decreases at the rate of (uin2 + uC1uo)/L2. The capacitor C1 is being discharged. The voltage of C1 decreases linearly, and the current of C1 is equal to iL2.
Sub-mode 3 [t3t4]: as Figure 4c shows, S1 is off, and S2 is on. The current through the inductor L1 decreases at the rate of (uin1uC1)/L1. The voltage of the inductor L2 is uin2, and the current of L2 increases at the rate of uin2/L2. The capacitor C1 is being charged. The current of the capacitor C1 is equal to iL1, and the voltage of C1 increases linearly.

2.2. Charging Mode (Buck)

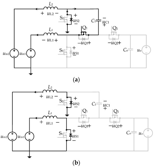
In this mode, Q1 and Q2 are interleaved with 180° phase shift to turn on, and S1, S2 are off. During a switching period Ts, there are three Sub-modes. The main waveforms of the converter working in steady state are shown in Figure 5, and the equivalent circuit of each Sub-mode is shown in Figure 6. The control signals of Q1 and Q2 are denoted by ugQ1 and ugQ2, respectively.
Sub-mode 1 [t0t1]: as Figure 6a shows, Q1 is on, and Q2 is off. The current through the inductor L1 increases at the rate of (uC1uin1)/L1. The voltage of the inductor L2 is uin2, and the current of L2 decreases at the rate of uin2/L2. The capacitor C1 is being discharged. The voltage of C1 decreases linearly and the current of C1 is equal to iL1.
Sub-mode 2 [t1t2, t3t4]: as Figure 6b shows, Q1 and Q2 are off. The voltages of the inductors L1 and L2 are uin1 and uin2, respectively. The inductor currents decrease linearly at the rates of uin1/L1 and uin2/L2, respectively. The current through the capacitor C1 is zero, while the capacitor voltage is unchanged.
Sub-mode 3 [t2t3]: as Figure 6c shows, Q1 is off, and Q2 is on. The current of the inductor L1 decreases at the rate of uin1/L1. However, the current through the inductor L2 increases at the rate of (uouin2uC1)/L2. The capacitor C1 is being charged. The current of the capacitor C1 is equal to iL2, and the voltage of C1 increases linearly.

3. Performance Analysis

3.1. Voltage Conversion Ratio

Discharging Mode (Boost): According to the analysis of the above working principle, the operating characteristics of the proposed converter can be derived from the three Sub-modes in one switching cycle Ts, based on the voltage-second balance of the inductors L1 and L2.
D S 1 u in 1 + ( 1 D S 1 ) ( u in 1 u C 1 ) = 0
D S 2 u in 2 + ( 1 D S 2 ) ( u in 2 + u C 1 u o ) = 0
From Equations (1) and (2), Equations (3) and (4) can be derived:
u C 1 = u in 1 1 D S 1
u o = u in 1 1 D S 1 + u in 2 1 D S 2
According to Equation (4), it can be clearly seen that the voltage conversion ratio of the proposed converter is twice that of the traditional boost converter.
When the input voltages uin1, uin2, and the duty cycle DS1, DS2 are the same, respectively, the voltage conversion ratio of the proposed converter can be derived:
M Boost = u o u in = 2 1 D Boost
Charging Mode (Buck): According to the analysis of the above working principle, the operating characteristics of the proposed converter can be derived from the Sub-three modes in one switching cycle Ts, based on the voltage-second balance of the inductors L1 and L2.
D Q 1 ( u C 1 u in 1 ) + ( 1 D Q 1 ) ( u in 1 ) = 0
D Q 2 ( u o u in 2 u C 1 ) + ( 1 D Q 2 ) ( u in 2 ) = 0
From Equations (6) and (7), Equations (8) and (9) can be derived:
u C 1 = u in 1 D Q 1
u o = u in 1 D Q 1 + u in 2 D Q 2
When the output voltages uin1, uin2, and the duty cycle DQ1, DQ2 are the same, respectively, the voltage conversion ratio of the proposed converter can be derived:
M Buck = u in u o = D Buck 2
According to Equation (10), it can be seen that the voltage conversion ratio of the proposed converter is half of that of the traditional buck converter.

3.2. Relationship between the Currents of the Two Inductors

Discharging Mode (Boost): During a switching cycle Ts, in Sub-mode 3, the capacitor C1 is charged for (1 − DS1)Ts and the current of C1 is equal to iL1. In Sub-mode 2, the capacitor C1 is discharged for (1 − DS2)Ts, and the current of C1 is equal to iL2. In Sub-mode 1, the current of the capacitor C1 is zero. Due to the ampere-second balance of the capacitor C1, the following can be derived:
I L 1 ( 1 D S 1 ) T s = I L 2 ( 1 D S 2 ) T s
I L 1 ( 1 D S 1 ) = I L 2 ( 1 D S 2 )
When the duty cycles DS1 and DS2 are equal, the two input currents are also equal. Thus, automatic current sharing is realized. The power of the two ports can be adjusted through controlling DS1 and DS2, respectively.
Charging Mode (Buck): During a switching cycle Ts, in Sub-mode 1, the capacitor C1 is discharged for DQ1Ts, and the current of C1 is equal to iL1. In Sub-mode 3, the capacitor C1 is charged for DQ2Ts, and the current of C1 is equal to iL2. In Sub-mode 2, the current of the capacitor C1 is zero. Due to the ampere-second balance of the capacitor C1, the following can be derived:
I L 1 D Q 1 T s = I L 2 D Q 2 T s
I L 1 D Q 1 = I L 2 D Q 2
When the duty cycle DQ1 and DQ2 are equal, the two input currents are also equal. Thus, automatic current sharing is realized. The power of the two ports can be adjusted through controlling DQ1 and DQ2, respectively.

3.3. Voltage Stress of Switch

The voltage stresses of S1, S2, Q1, and Q2 can be derived as follows:
  • Discharging Mode (Boost):
    u S 1 = u C 1
    u S 2 = u Q 2 = u o u C 1
    u Q 1 = u o
  • Charging Mode (Buck):
    u S 1 = u C 1
    u S 2 = u Q 2 = u o u C 1
    u Q 1 = u o

3.4. Current Stress of Switch

Discharging Mode (Boost): To begin with the time of S1 turning on, in the following cycle Ts, the inductor currents iL1, iL2 can be represented as
i L 1 = { I L 1 u in 1 D S 1 T s 2 L 1 + u in 1 L 1 t , 0 < t D S 1 T s I L 1 + u in 1 D S 1 T s 2 L 1 u C 1 u in 1 L 1 t , D S 1 T s < t T s
i L 2 = { I L 2 + 1 D S 2 2 L 2 u in 2 T s + u in 2 L 2 t , 0 < t ( D S 2 1 2 ) T s I L 2 + u in 2 D S 2 T s 2 L 2 u o u C 1 u in 2 L 2 [ t ( D S 2 1 2 ) T s ] , ( D S 2 1 2 ) T s < t T s 2 I L 2 u in 2 D S 2 T s 2 L 2 + u in 2 L 2 ( t T s 2 ) , T s 2 < t T s
According to the three Sub-modes of the circuit, in a switching cycle, the currents through S1 and S2 at every stage can be derived as follows:
i S 1 = { i L 1 , 0 < t D S 1 T s 0 , D S 1 T s < t T s
i S 2 = { i L 2 , 0 < t ( D S 2 1 2 ) T s 0 , ( D S 2 1 2 ) T s < t T s 2 i L 2 , T s 2 < t D S 2 T s i L 1 + i L 2 , D S 2 T s < t T s
From Equations (21)–(24), the currents through S1, S2, Q1, and Q2 can be derived as follows:
i S 1 = i Q 1 = I L 1 + u in 1 D S 1 T s 2 L 1
i S 2 = I L 1 + u in 1 D S 1 T s 2 L 1 + I L 2 + D S 2 1 2 L 2 u in 2 T s
i Q 2 = I L 2 + u in 2 D S 2 T s 2 L 2
Charging Mode (Buck): To begin with the time of Q1 turning on, in the following cycle Ts, the inductor currents iL1 and iL2 can be denoted by
i L 1 = { u C 1 u in 1 L 1 t , 0 < t D Q 1 T s I L 1 + ( u C 1 u in 1 ) D Q 1 T s 2 L 1 u in 1 L 1 ( t D Q 1 T s ) , D Q 1 T s < t T s
i L 2 = { I L 2 + ( u o u C 1 u in 2 ) D Q 2 T s 2 L 2 u in 2 L 2 ( 1 2 D Q 2 ) T s u in 2 L 2 t , 0 < t 1 2 T s I L 2 ( u o u C 1 u in 2 ) D Q 2 T s 2 L 2 + ( u o u C 1 u in 2 ) L 2 ( t 1 2 T s ) , 1 2 T s < t ( 1 2 + D Q 2 ) T s I L 2 + ( u o u C 1 u in 2 ) D Q 2 T s 2 L 2 u in 2 L 2 [ t ( 1 2 + D Q 2 ) T s ] , ( 1 2 + D Q 2 ) T s < t T s
According to the three Sub-modes of the circuit, in a switching cycle, the currents through Q1 and Q2 at each stage can be derived as follows:
i Q 1 = { i L 1 , 0 < t D Q 1 T s 0 , D Q 1 T s < t T s
i Q 2 = { 0 , 0 < t 1 2 T s i L 2 , 1 2 T s < t ( 1 2 + D Q 2 ) T s 0 , ( 1 2 + D Q 2 ) T s < t T s
From Equations (28)–(31), the currents through S1, S2, Q1, and Q2 can be derived as follows:
i S 1 = i Q 1 = I L 1 + u in 1 ( 1 D Q 1 ) T s 2 L 1
i Q 2 = I L 2 + u in 2 ( 1 D Q 2 ) T s 2 L 2
i S 2 = I L 1 + u in 1 ( 1 D Q 1 ) T s 2 L 1 + I L 2 - u in 2 ( 1 D Q 2 ) T s 2 L 2 + u in 2 L 2 ( 1 2 D Q 1 ) T s

3.5. Power Flow

Discharging Mode (Boost): The inductor current iL1 increases as the duty cycle DS1 increases, and the inductor current iL2 decreases as the duty cycle DS2 decreases. Since the two input voltages uin1, uin2 are equal, the ratio of the power of the two ports is equal to the ratio of the two inductor currents. Therefore, when DS1 < DS2, iL1 < iL2, iL1/iL2 < 1; when DS1 = DS2, iL1 = iL2, iL1/iL2 = 1; when DS1 > DS2, iL1 > iL2, iL1/iL2 > 1. Making DS1: 0.5–0.8 as the x-axis, DS2: 0.8–0.5 as the y-axis, and iL1/iL2 as the z-axis, the following three-dimensional figure can be obtained as Figure 7 shows.
Charging Mode (Buck): The inductor current iL1 increases as the duty cycle DQ1 decreases, and the inductor current iL2 decreases as the duty cycle DQ2 increases. Since the two output voltages uin1, uin2 are equal, the ratio of the power of the two ports is equal to the ratio of the two inductor currents. Therefore, when DQ1 < DQ2, iL1 > iL2, iL1/iL2 > 1; when DQ1 = DQ2, iL1 = iL2, iL1/iL2 = 1; when DQ1 > DQ2, iL1 < iL2, iL1/iL2 < 1. Making DQ1: 0.5–0.2 as the x-axis, DQ2: 0.2–0.5 as the y-axis, and iL1/iL2 as the z-axis, the following three-dimensional figure can be obtained as Figure 8 shows.

3.6. Comparison of the Proposed Converter with Other Converters

Some quantitative comparisons between some existing multi-input-port topologies, and the proposed converter are given in Table 1. As can be seen, compared to [22,23,24], the number of devices of the proposed converter is less, which means fewer losses and a lower cost.

4. Extension of the Topology

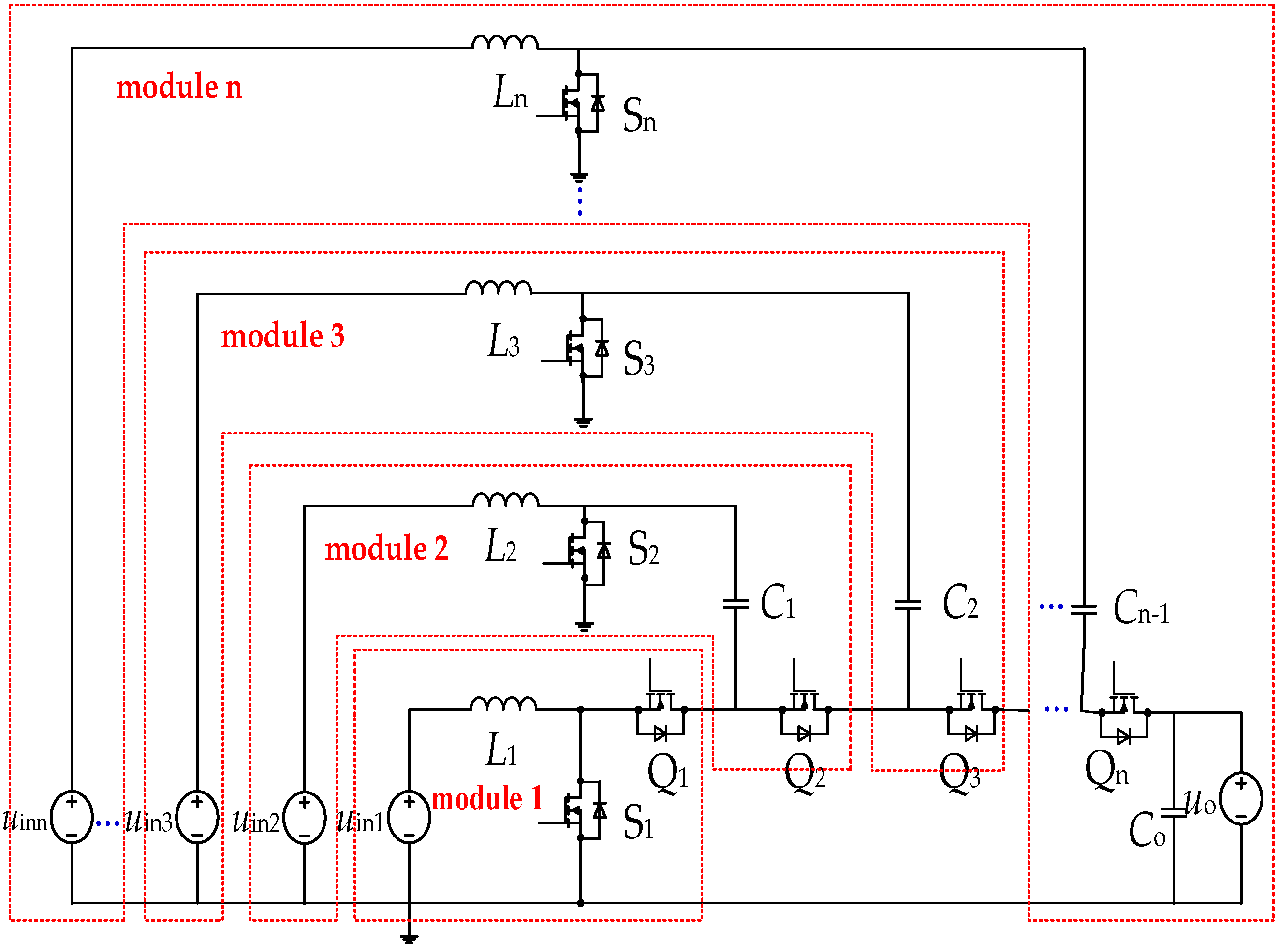
4.1. Topology of the N-Input-Port Bidirectional DC/DC Converter

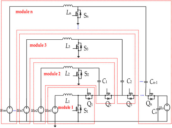
Based on the topology of the two-input-port bidirectional DC/DC converter shown in Figure 2, the n-input-port bidirectional DC/DC converter topology can be derived as Figure 9 shows. To simplify, assumptions are made as follows:
  • Currents of the inductors iL1, iL2, …, and iL2 are all continuous.
  • All devices are ideal, regardless of the influence of parasitic parameters.
  • Discharging Mode (Boost): during a switching period Ts, S1, S2, ..., and Sn interleaved with 360°/n phase shift are turned on with the duty cycle greater than (1 − 1/n), and Q1, Q2, ..., and Qn are turned off. Charging Mode (Buck): during a switching period Ts, Q1, Q2, ..., and Qn interleaved with 360°/n phase shift are turned on with the duty cycle less than 1/n, and S1, S2, ..., and Sn are turned off.

4.2. Voltage Conversion Ratio

Discharging Mode (Boost): Due to the voltage-second balance of the inductors L1, L2, …, and Ln, it can be derived:
D S ( i 1 ) u in ( i 1 ) = ( 1 D S ( i 1 ) ) ( u C ( i 1 ) u C ( i 2 ) u in ( i 1 ) )
D S i u in i = ( 1 D S i ) ( u o u C ( i - 1 ) u in i )
u C i = p = 1 i u in p 1 D S p   ( 1 i n 1 )
u o = i = 1 n u in i 1 D S i
When DS1 = DS2 = … = Dsn = DBoost, the ratio of the output voltage uo, and each input voltage uini is the voltage gain Mi of each input port.
M i = u o u in i
i = 1 n u in i u o = 1 D Boost
1 M 1 + 1 M 2 + + 1 M n = 1 D Boost
When uin1 = uin2 = … = uinn,
M 1 = M 2 = = M n = n 1 D B o o s t
Charging Mode (Buck): Due to the voltage-second balance of the inductors L1, L2, …, and Ln, it can be derived:
( 1 D Q ( i 1 ) ) u i n ( i 1 ) = D Q ( i 1 ) ( u C ( i 1 ) u C ( i 2 ) u i n ( i 1 ) )
( 1 D Q i ) u in i = D Q i ( u o u C ( i 1 ) u in i )
u C i = p = 1 i u in p D Q p ( 1 i n 1 )
u o = i = 1 n u in i D Q i
When DQ1 = DQ2 = … = DQn = DBuck, the ratio of each output voltage uini and the input voltage uo is the voltage gain Mi of each output port.
M i = u in i u o
i = 1 n u in i u o = D Buck
M 1 + M 2 + + M n = D Buck
When uin1 = uin2 = … = uinn,
M 1 = M 2 = = M n = D Buck n

4.3. Relationship between the Currents of the Inductors

It is assumed that the average values of the inductor currents iL1, iL2, ..., and iLn are IL1, IL2, ..., and ILn, respectively.
Discharging Mode (Boost): Due to the ampere-second balance of the capacitors C1, C2, …, and Cn, it can be derived as follows:
I L 1 ( 1 D S 1 ) = I L 2 ( 1 D S 2 ) = = I L n ( 1 D S n )
When DS1 = DS2 = … = Dsn, IL1 = IL2= … = ILn. Thus, automatic current sharing is realized. The power of all the ports can be adjusted through controlling DS1, DS2, …, and DSn, respectively.
Charging Mode (Buck): Due to the ampere-second balance of the capacitors C1, C2, …, and Cn, it can be derived:
I L 1 D Q 1 = I L 2 D Q 2 = = I L n D Q n
When DQ1 = DQ2 = … = DQn, IL1 = IL2 = … = ILn. Thus, automatic current sharing is realized. The power of all the ports can be adjusted through controlling DQ1, DQ2, …, and DQn, respectively.
In practical applications, the efficiency of the converter will drop along with the increase in the number of input ports.

5. Experimental Results

To verify the analysis presented in the previous sections, experiments were conducted based on a 200 W two-input-port prototype developed from the proposed converter. The specification of the prototype is given in Table 2, and the experimental results are presented and discussed as follows.

5.1. Constant Duty Cycle

Discharging Mode (Boost): Figure 10a shows the waveforms of ugs1, ugs2, uin1, and uin2, where the duty cycles are around 0.76. Figure 10b shows the waveforms of uo, uCo, and uC1. It can be seen that the DC values of uC1 and uo are about 100 V and 200 V, respectively. The voltage conversion gain is around 8.3, which is consistent with that calculated by Equation (5). Figure 10c shows that the voltage stresses of S1, S2, and Q2 are all about 100 V, while the voltage stress of Q1 is about 200 V. These are consistent with that obtained by Equations (15)–(17). Figure 10d shows that the currents of L1 and L2 are both about 4 A. Apparently, the measured results are all consistent with the previous analysis.
Charging Mode (Buck): Figure 11a shows the waveforms of ugQ1, ugQ2, uin1, and uin2, the duty cycles are near 0.24. Figure 11b shows the waveforms of uo, uCo, and uC1; it can be seen that the DC values of uC1, uo are about 100 V, 200 V, and the conversion gain is approximately 0.12, which is consistent with Equation (10). Figure 11c shows voltage stresses of S1, S2, Q2 are nearly 100 V, and the voltage stress of Q1 is about 200 V, which are consistent with Equations (18)–(20). Figure 11d shows the waveforms of iL1, iL2. The DC values of iL1, iL2 are both about 4 A; evidently, the measured results are all consistent with the theoretical analysis.

5.2. Varying Duty Cycle

Discharging Mode (Boost): Figure 12a shows the changes of iL1 and iL2 when the duty cycle DS1 and DS2 are adjusted. With the increase of the duty cycle, the inductor current increases, and the power of the branch circuit increases.
Charging Mode (Buck): Figure 12b shows the changes of iL1 and iL2 when the duty cycle DQ1 and DQ2 are adjusted. With the increase of the duty cycle, the inductor current decreases, and the power of the branch circuit decreases.

5.3. Converter Efficiency and Conversion Ratio

Based on the experimental results, the converter efficiency and the conversion ratio are analyzed and presented in this sub-section.
Discharging Mode (Boost): Figure 13a shows the curve of efficiency changing with output voltage after changing the duty cycle and the curve of efficiency changing with output power after changing the load. The calculated loss distribution of the experimental prototype is shown in Figure 13b. The main losses are switching losses 9.59 W, anti-parallel diode losses 3.6 W, and inductor losses 2.874 W. As is shown in Figure 13c, the voltage conversion ratio changes with the duty cycle. When the duty cycle is more than 0.7, the difference between the actual gain and the theoretical gain gradually increases as the duty cycle increases.
Charging Mode (Buck): Figure 14a shows the curve of efficiency changing with output voltage after changing the duty cycle and the curve of efficiency changing with output power after changing the load. The calculated loss distribution of the experimental prototype is shown in Figure 14b. The main losses are anti-parallel diode losses 9 W, switching losses 4.38 W, and inductor losses 2.874 W. As is shown in Figure 14c, the voltage conversion ratio changes with the duty cycle. When the duty cycle is less than 0.3, the difference between the actual gain and the theoretical gain gradually increases as the duty cycle decreases.

6. Conclusions

A multi-input-port bidirectional DC/DC converter for DC microgrid energy storage system applications is proposed in this paper. Comprehensive analyses on the working principle and performance of the proposed converter are given. Experimental results are presented, and it is verified that, compared to the traditional buck and boost converter, the proposed bidirectional converter has the following advantages: (1) a wider range of voltage conversion can be achieved and the voltage stresses of the switches are lower; (2) the power flow of each port can be adjusted easily through the controlling of duty cycles; (3) the number of input ports of the proposed converter can be expanded, which makes it more applicable.

Author Contributions

Conceptualization, B.Z.; methodology, B.Z. and H.H.; software, B.Z. and H.H.; writing—original draft preparation, H.H.; writing—review and editing, B.Z. and H.H.; supervision, H.W. and Y.L.; funding acquisition, B.Z. All authors have read and agreed to the published version of the manuscript.

Funding

This research was funded by the National Natural Science Foundation of China, grant number 51707103.

Conflicts of Interest

The authors declare no conflict of interest.

References

  1. Wu, Y.-E.; Hsu, K.-C. Novel Three-Port Bidirectional DC/DC Converter with Three-Winding Coupled Inductor for Photovoltaic System. Energies 2020, 13, 1132. [Google Scholar] [CrossRef]
  2. Zhu, B.; Zeng, Q.; Chen, Y.; Zhao, Y.; Liu, S. A Dual-Input High Step-Up DC/DC Converter with ZVT Auxiliary Circuit. IEEE Trans. Energy Convers. 2018, 34, 161–169. [Google Scholar] [CrossRef]
  3. Zhu, B.; Ding, F.; Vilathgamuwa, D.M. Coat Circuits for DC–DC Converters to Improve Voltage Conversion Ratio. IEEE Trans. Power Electron. 2020, 35, 3679–3687. [Google Scholar] [CrossRef]
  4. Wang, C.; Li, X.; Tian, T.; Xu, Z.; Chen, R. Coordinated Control of Passive Transition from Grid-Connected to Islanded Operation for Three/Single-Phase Hybrid Multimicrogrids Considering Speed and Smoothness. IEEE Trans. Ind. Electron. 2020, 67, 1921–1931. [Google Scholar] [CrossRef]
  5. Li, Y.; Vilathgamuwa, D.M.; Choi, S.S.; Xiong, B.; Tang, J.; Su, Y.; Wang, Y. Design of minimum cost degradation-conscious lithium-ion battery energy storage system to achieve renewable power dispatchability. Appl. Energy 2020, 260, 114282. [Google Scholar] [CrossRef]
  6. Xu, G.; Xu, L.; Yao, L. Wind turbines output power smoothing using embedded energy storage systems. J. Mod. Power Syst. Clean Energy 2013, 1, 49–57. [Google Scholar] [CrossRef]
  7. Li, Z.H.; Xiang, X.; Hu, T.H.; Abu-Siada, A.; Li, Z.X.; Xu, Y.C. An improved digital integral algorithm to enhance the measurement accuracy of Rogowski coil-based electronic transformers. INT J. Elec. Power 2020, 118, 105806. [Google Scholar] [CrossRef]
  8. Lai, C.-M.; Cheng, Y.-H.; Hsieh, M.-H.; Lin, Y.-C. Development of a Bidirectional DC/DC Converter with Dual-Battery Energy Storage for Hybrid Electric Vehicle System. IEEE Trans. Veh. Technol. 2018, 67, 1036–1052. [Google Scholar] [CrossRef]
  9. Wai, R.-J.; Zhang, Z.-F. Design of High-Efficiency Isolated Bidirectional DC/DC Converter with Single-Input Multiple-Outputs. IEEE Access 2019, 7, 87543–87560. [Google Scholar] [CrossRef]
  10. Park, H.-S.; Kim, C.-E.; Kim, C.-H.; Moon, G.-W.; Lee, J.-H. A Modularized Charge Equalizer for an HEV Lithium-Ion Battery String. IEEE Trans. Ind. Electron. 2009, 56, 1464–1476. [Google Scholar] [CrossRef]
  11. Anno, T.; Koizumi, H. Double-Input Bidirectional DC/DC Converter Using Cell-Voltage Equalizer with Flyback Transformer. IEEE Trans. Power Electron. 2014, 30, 2923–2934. [Google Scholar] [CrossRef]
  12. Ibanez, F.; Echeverria, J.M.; Vadillo, J.; Fontan, L. High-Current Rectifier Topology Applied to a 4-kW Bidirectional DC–DC Converter. IEEE Trans. Ind. Appl. 2013, 50, 68–77. [Google Scholar] [CrossRef]
  13. Duan, R.-Y.; Lee, J.-D. High-efficiency bidirectional DC-DC converter with coupled inductor. IET Power Electron. 2012, 5, 115–123. [Google Scholar] [CrossRef]
  14. Zhou, L.-W.; Zhu, B.-X.; Luo, Q.-M. High step-up converter with capacity of multiple input. IET Power Electron. 2012, 5, 524–531. [Google Scholar] [CrossRef]
  15. Saadat, P.; Abbaszadeh, K. A Single-Switch High Step-Up DC–DC Converter Based on Quadratic Boost. IEEE Trans. Ind. Electron. 2016, 63, 7733–7742. [Google Scholar] [CrossRef]
  16. Hsieh, Y.-P.; Chen, J.-F.; Yang, L.-S.; Wu, C.-Y.; Liu, W.-S. High-Conversion-Ratio Bidirectional DC–DC Converter with Coupled Inductor. IEEE Trans. Ind. Electron. 2013, 61, 210–222. [Google Scholar] [CrossRef]
  17. Zhang, Y.; Liu, H.; Li, J.; Sumner, M.; Xia, C. DC–DC Boost Converter with a Wide Input Range and High Voltage Gain for Fuel Cell Vehicles. IEEE Trans. Power Electron. 2019, 34, 4100–4111. [Google Scholar] [CrossRef]
  18. Wu, G.; Ruan, X.; Ye, Z. Nonisolated High Step-Up DC–DC Converters Adopting Switched-Capacitor Cell. IEEE Trans. Ind. Electron. 2014, 62, 383–393. [Google Scholar] [CrossRef]
  19. Zhu, B.; Wang, H.; Vilathgamuwa, D.M.; Vilathgamuwa, M. Single-switch high step-up boost converter based on a novel voltage multiplier. IET Power Electron. 2019, 12, 3732–3738. [Google Scholar] [CrossRef]
  20. Varesi, K.; Hosseini, S.H.; Sabahi, M.; Babaei, E.; Vosoughi, N. Performance and design analysis of an improved non-isolated multiple input buck DC–DC converter. IET Power Electron. 2017, 10, 1034–1045. [Google Scholar] [CrossRef]
  21. Mangu, B.; Akshatha, S.; Suryanarayana, D.; Fernandes, B.G.; Bhukya, M. Grid-Connected PV-Wind-Battery-Based Multi-Input Transformer-Coupled Bidirectional DC-DC Converter for Household Applications. IEEE J. Emerg. Sel. Top. Power Electron. 2016, 4, 1086–1095. [Google Scholar] [CrossRef]
  22. Wang, Z.; Li, H. An Integrated Three-Port Bidirectional DC–DC Converter for PV Application on a DC Distribution System. IEEE Trans. Power Electron. 2012, 28, 4612–4624. [Google Scholar] [CrossRef]
  23. Wu, H.; Xu, P.; Hu, H.; Zhou, Z.; Xing, Y. Multiport Converters Based on Integration of Full-Bridge and Bidirectional DC–DC Topologies for Renewable Generation Systems. IEEE Trans. Ind. Electron. 2013, 61, 856–869. [Google Scholar] [CrossRef]
  24. Hintz, A.; Prasanna, U.R.; Rajashekara, K. Novel Modular Multiple-Input Bidirectional DC–DC Power Converter (MIPC) for HEV/FCV Application. IEEE Trans. Ind. Electron. 2014, 62, 3163–3172. [Google Scholar] [CrossRef]
Figure 1. A DC microgrid with various battery energy storage systems. (a) traditional converters; (b) proposed converter.
Figure 1. A DC microgrid with various battery energy storage systems. (a) traditional converters; (b) proposed converter.
Energies 13 02810 g001
Figure 2. A multi-input-port bidirectional DC/DC converter for energy storage systems in a DC microgrid.
Figure 2. A multi-input-port bidirectional DC/DC converter for energy storage systems in a DC microgrid.
Energies 13 02810 g002
Figure 3. The main waveforms in one switching period Ts.
Figure 3. The main waveforms in one switching period Ts.
Energies 13 02810 g003
Figure 4. The equivalent circuits in the discharging mode for (a) Sub-mode 1; (b) Sub-mode 2; (c) Sub-mode 3.
Figure 4. The equivalent circuits in the discharging mode for (a) Sub-mode 1; (b) Sub-mode 2; (c) Sub-mode 3.
Energies 13 02810 g004
Figure 5. The main waveforms in one switching period Ts.
Figure 5. The main waveforms in one switching period Ts.
Energies 13 02810 g005
Figure 6. The equivalent circuits in the charging mode for (a) Sub-mode 1; (b) Sub-mode 2; (c) Sub-mode 3.
Figure 6. The equivalent circuits in the charging mode for (a) Sub-mode 1; (b) Sub-mode 2; (c) Sub-mode 3.
Energies 13 02810 g006aEnergies 13 02810 g006b
Figure 7. iL1/iL2 3D graph (Discharging Mode (Boost)).
Figure 7. iL1/iL2 3D graph (Discharging Mode (Boost)).
Energies 13 02810 g007
Figure 8. iL1/iL2 3D graph (Charging Mode (Buck)).
Figure 8. iL1/iL2 3D graph (Charging Mode (Buck)).
Energies 13 02810 g008
Figure 9. An n-input-port bidirectional DC/DC converter for DC microgrid energy storage system.
Figure 9. An n-input-port bidirectional DC/DC converter for DC microgrid energy storage system.
Energies 13 02810 g009
Figure 10. The waveforms of the experimental prototype. (a) driving waveforms of the switches and waveforms of the input voltage. (b) waveforms of voltages of Co, C1, and the waveform of the output voltage. (c) waveforms of voltages of the switches. (d) waveforms of currents of the inductors.
Figure 10. The waveforms of the experimental prototype. (a) driving waveforms of the switches and waveforms of the input voltage. (b) waveforms of voltages of Co, C1, and the waveform of the output voltage. (c) waveforms of voltages of the switches. (d) waveforms of currents of the inductors.
Energies 13 02810 g010
Figure 11. The waveforms of the experimental prototype. (a) driving waveforms of the switches and waveforms of the output voltage. (b) waveforms of voltages of Co, C1, and the waveform of the input voltage. (c) waveforms of voltages of the switches. (d) waveforms of currents of the inductors.
Figure 11. The waveforms of the experimental prototype. (a) driving waveforms of the switches and waveforms of the output voltage. (b) waveforms of voltages of Co, C1, and the waveform of the input voltage. (c) waveforms of voltages of the switches. (d) waveforms of currents of the inductors.
Energies 13 02810 g011
Figure 12. Power flow diagram for (a) discharging mode (Boost); (b) charging mode (Buck).
Figure 12. Power flow diagram for (a) discharging mode (Boost); (b) charging mode (Buck).
Energies 13 02810 g012
Figure 13. Discharging mode (Boost): (a) efficiency curves of the prototype; (b) loss distribution of the prototype; (c) conversion ratio (M) vs. duty cycle (D) graph.
Figure 13. Discharging mode (Boost): (a) efficiency curves of the prototype; (b) loss distribution of the prototype; (c) conversion ratio (M) vs. duty cycle (D) graph.
Energies 13 02810 g013
Figure 14. Charging mode (Buck): (a) efficiency curves of the prototype; (b) loss distribution of the prototype; (c) conversion ratio (M) vs. duty cycle (D) graph.
Figure 14. Charging mode (Buck): (a) efficiency curves of the prototype; (b) loss distribution of the prototype; (c) conversion ratio (M) vs. duty cycle (D) graph.
Energies 13 02810 g014
Table 1. Comparison of the converters.
Table 1. Comparison of the converters.
[22][23][24]Proposed
No. of ports3433
No. of switches12464
No. of diodes0400
No. of inductors6422
No. of capacitors3522
Table 2. Specification of the prototype.
Table 2. Specification of the prototype.
ParametersValues
Voltage (uin1, uin2)24 V
Voltage (uo)200 V
Output power (Po)200 W
Switching frequency (fs)100 kHz
Switch (S1, S2, Q1, Q2)C3M0280090D
CapacitorsCo: 10 uF, C1: 4 uF
Inductors (L1, L2)400 uH

Share and Cite

MDPI and ACS Style

Zhu, B.; Hu, H.; Wang, H.; Li, Y. A Multi-Input-Port Bidirectional DC/DC Converter for DC Microgrid Energy Storage System Applications. Energies 2020, 13, 2810. https://doi.org/10.3390/en13112810

AMA Style

Zhu B, Hu H, Wang H, Li Y. A Multi-Input-Port Bidirectional DC/DC Converter for DC Microgrid Energy Storage System Applications. Energies. 2020; 13(11):2810. https://doi.org/10.3390/en13112810

Chicago/Turabian Style

Zhu, Binxin, Hui Hu, Hui Wang, and Yang Li. 2020. "A Multi-Input-Port Bidirectional DC/DC Converter for DC Microgrid Energy Storage System Applications" Energies 13, no. 11: 2810. https://doi.org/10.3390/en13112810

APA Style

Zhu, B., Hu, H., Wang, H., & Li, Y. (2020). A Multi-Input-Port Bidirectional DC/DC Converter for DC Microgrid Energy Storage System Applications. Energies, 13(11), 2810. https://doi.org/10.3390/en13112810

Note that from the first issue of 2016, this journal uses article numbers instead of page numbers. See further details here.

Article Metrics

Back to TopTop