Research on Digital Synchronous Rectification for a High-Efficiency DC-DC Converter in an Auxiliary Power Supply System of Magnetic Levitation
Abstract
1. Introduction
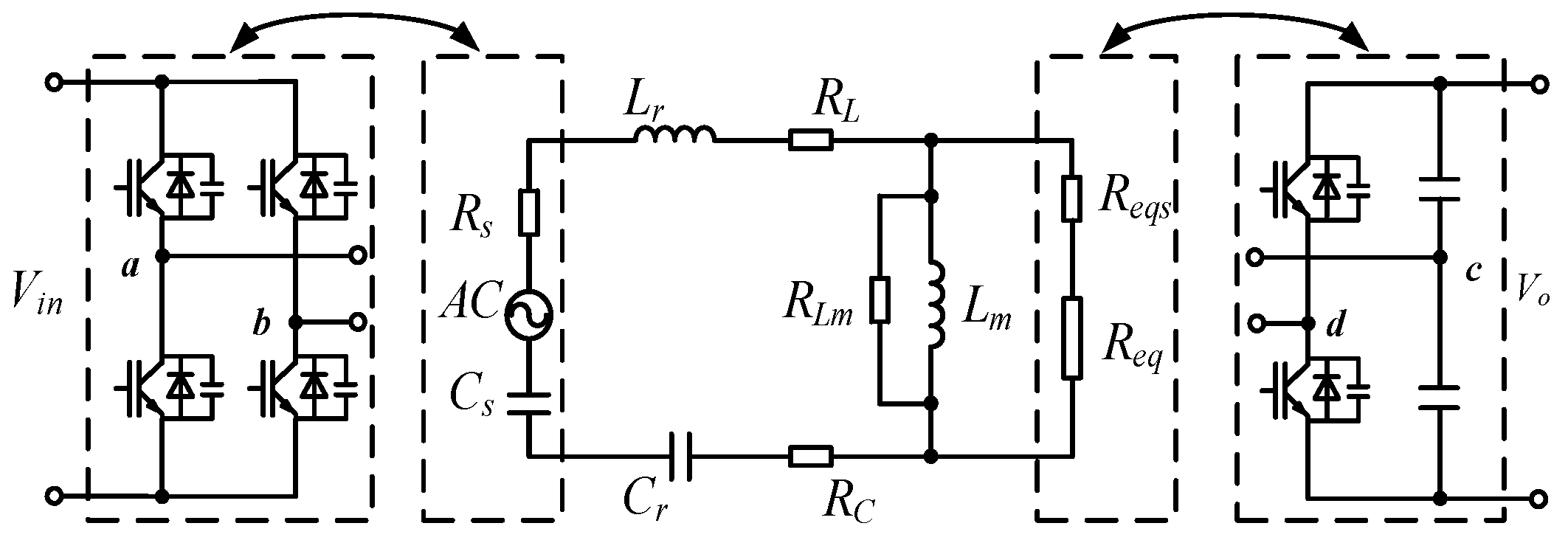
2. System Configurations
2.1. Structure of the LLC DC-DC Converter
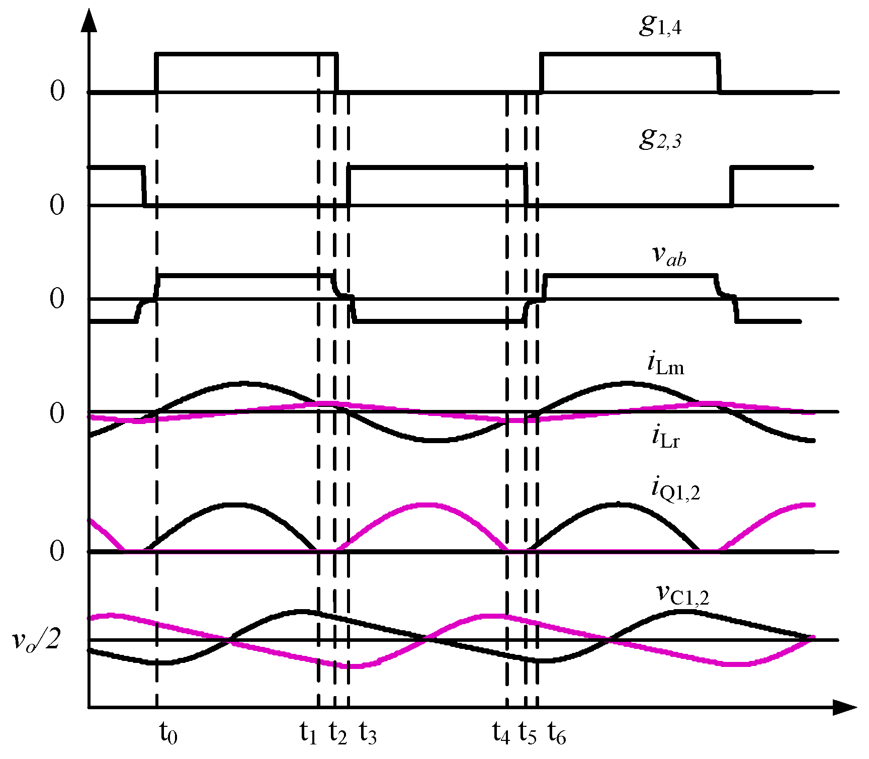
2.2. Operation Principle
3. Mathematical Model
3.1. Mathematical Model of the LLC DC-DC Converter
- The mid-frequency transformer, switches (IGBT or MOSFET), rectify diodes, inductors, and capacitors, are all ideal devices.
- The parasitic capacitor is not included in the resonant tank when the working frequency is low.
- The output voltage ripple is very small, so the output voltage can be considered as DC voltage.
- Ignore the harmonic of switching frequency.
3.2. Voltage Gain Analysis
4. Digital Synchronous Rectification and Phase Width Modulation
4.1. Digital Synchronous Rectification (DSR)
4.2. Phase Width Modulation Strategy
5. Simulation and Experiment
5.1. The Simulation of the LLC DC-DC Converter
5.2. The Experiment of the LLC DC-DC Converter
5.3. The Experiment of Synchronous Rectification
5.4. The Experiment of Phase Width Modulation Strategy
5.5. Efficiency Analysis
6. Conclusions
Author Contributions
Funding
Acknowledgments
Conflicts of Interest
References
- Ronanki, D.; Singh, S.; Williamson, S. Comprehensive Topological Overview of Rolling Stock Architectures and Recent Trends in Electric Railway Traction Systems. IEEE Trans. Transp. Electron. 2017, 3, 724–738. [Google Scholar] [CrossRef]
- Chung, Y.; Lee, C.; Kim, D.; Kang, H.; Park, Y.; Yoon, Y. Conceptual Design and Operating Characteristics of Multi-Resonance Antennas in the Wireless Power Charging System for Superconducting MAGLEV Train. IEEE Trans. Appl. Supercond. 2017, 27, 1–5. [Google Scholar] [CrossRef]
- Vahedi, H.; Al-Haddad, K. A novel multilevel multi-ouput bidirectional active buck PFC rectifier. IEEE Trans. Ind. Electron. 2016, 63, 5442–5450. [Google Scholar] [CrossRef]
- Meng, T.; Song, Y.; Wang, Z.; Ben, H.; Li, C. Investigation and Implementation of an Input-Series Auxiliary Power Supply Scheme for High-Input-Voltage Low-Power Applications. IEEE Trans. Power Electron. 2018, 33, 437–447. [Google Scholar] [CrossRef]
- Chang, F.; Ilina, O.; Lienkamp, M.; Voss, L. Improving the Overall Efficiency of Automotive Inverters Using a Multilevel Converter Composed of Low Voltage Si MOSFETs. IEEE Trans. Power Electron. 2019, 34, 3586–3602. [Google Scholar] [CrossRef]
- Swamy, M.M.; Kang, J.; Shirabe, K. Power Loss, System Efficiency, and Leakage Current Comparison Between Si IGBT VFD and SiC FET VFD with Various Filtering Options. IEEE Trans. Ind. Appl. 2015, 51, 3858–3866. [Google Scholar] [CrossRef]
- Hazra, S.; De, A.; Cheng, L.; Palmour, J.; Schupbach, M.; Hull, B.A.; Allen, S.; Bhattacharya, S. High Switching Performance of 1700-V, 50-A SiC Power MOSFET Over Si IGBT/BiMOSFET for Advanced Power Conversion Applications. IEEE Trans. Power Electron. 2016, 31, 4742–4754. [Google Scholar] [CrossRef]
- Fabre, J.; Ladoux, P. Parallel Connection of 1200-V/100-A SiC-MOSFET Half-Bridge Modules. IEEE Trans. Ind. Appl. 2016, 52, 1669–1676. [Google Scholar] [CrossRef]
- Hazra, S.; Madhusoodhanan, S.; Moghaddam, G.K.; Hatua, K.; Bhattacharya, S. Design Considerations and Performance Evaluation of 1200-V 100-A SiC MOSFET-Based Two-Level Voltage Source Converter. IEEE Trans. Ind. Appl. 2016, 52, 4257–4268. [Google Scholar] [CrossRef]
- Wang, L.; Zhu, Q.; Yu, W.; Huang, A.Q. A Medium-Voltage Medium-Frequency Isolated DC–DC Converter Based on 15-kV SiC MOSFETs. IEEE Trans. Power Electron. 2017, 5, 100–109. [Google Scholar] [CrossRef]
- Gwan-Bon, K.; Gun-Woo, M.; Myung-Joong, Y. New zero-voltage-switching phase-shift full-bridge converter with low conduction losses. IEEE Trans. Ind. Electron. 2005, 52, 228–235. [Google Scholar] [CrossRef]
- Shi, Y.; Yang, X. Zero-Voltage Switching PWM Three-Level Full-Bridge DC–DC Converter with Wide ZVS Load Range. IEEE Trans. Power Electron. 2013, 28, 4511–4514. [Google Scholar] [CrossRef]
- Kanamarlapudi, V.R.K.; Wang, B.; Kandasamy, N.K.; So, P.L. A New ZVS Full-Bridge DC–DC Converter for Battery Charging with Reduced Losses Over Full-Load Range. IEEE Trans. Ind. Appl. 2018, 54, 571–579. [Google Scholar] [CrossRef]
- Liu, R.; Lee, C.Q. Series resonant converter with third-order commutation network. IEEE Trans. Power Electron. 1992, 7, 462–468. [Google Scholar] [CrossRef]
- Steigerwald, R.L. A comparison of half-bridge resonant converter topologies. IEEE Trans. Power Electron. 1988, 4, 174–182. [Google Scholar] [CrossRef]
- Martin-Ramos, J.A.; Pernia, A.M.; Diaz, J.; Nuno, F.; Martinez, J.A. Power Supply for a High-voltage Application. IEEE Trans. Power Electron. 2008, 7, 1608–1619. [Google Scholar] [CrossRef]
- Shakib, S.; Mekhilef, S. A Frequency Adaptive Phase Shift Modulation Control Based LLC Series Resonant Converter for Wide Input Voltage Applications. IEEE Trans. Power Electron. 2017, 11, 8360–8370. [Google Scholar] [CrossRef]
- Lee, I.; Moon, G. The k-Q Analysis for an LLC Series Resonant Converter. IEEE Trans. Power Electron. 2014, 29, 13–16. [Google Scholar] [CrossRef]
- Lin, R.; Huang, L. Efficiency Improvement on LLC Resonant Converter Using Integrated LCLC Resonant Transformer. IEEE Trans. Ind. Appl. 2018, 54, 1756–1764. [Google Scholar] [CrossRef]
- Feng, W.; Lee, F.C.; Mattavelli, P. Optimal Trajectory Control of LLC Resonant Converters for LED PWM Dimming. IEEE Trans. Power Electron. 2014, 29, 979–987. [Google Scholar] [CrossRef]
- Fei, C.; Li, Q.; Lee, F.C. Digital Implementation of Adaptive Synchronous Rectifier (SR) Driving Scheme for High-Frequency LLC Converters with Microcontroller. IEEE Trans. Power Electron. 2018, 33, 5351–5361. [Google Scholar] [CrossRef]
- Mohammadi, M.; Ordonez, M. Synchronous Rectification of LLC Resonant Converters Using Homopolarity Cycle Modulation. IEEE Trans. Ind. Electron. 2019, 66, 1781–1790. [Google Scholar] [CrossRef]
- Feng, W.; Mattavelli, P.; Lee, F.C. Pulsewidth Locked Loop (PWLL) for Automatic Resonant Frequency Tracking in LLC DC–DC Transformer (LLC -DCX). IEEE Trans. Power Electron. 2013, 28, 1862–1869. [Google Scholar] [CrossRef]
- Saket, M.; Shafiei, N.; Ordonez, M. LLC Converters with Planar Transformers Issues and Mitigation. IEEE Trans. Power Electron. 2017, 32, 4524–4542. [Google Scholar] [CrossRef]
- Kim, K.; Youn, H.; Baek, J.; Jeong, Y.; Moon, G. Analysis on Synchronous Rectifier Control to Improve Regulation Capability of High-Frequency LLC Resonant Converter. IEEE Trans. Power Electron. 2018, 33, 7252–7259. [Google Scholar] [CrossRef]
- Zhang, J.; Hurley, W.G.; Wölfle, W.H. Gapped Transformer Design Methodology and Implementation for LLC Resonant Converters. IEEE Trans. Ind. Appl. 2016, 52, 342–350. [Google Scholar] [CrossRef]
- Yan, Q.; Yuan, X.; Geng, Y.; Charalambous, A.; Wu, X. Performance Evaluation of Split Output Converters with SiC MOSFETs and SiC Schottky Diodes. IEEE Trans. Power Electron. 2017, 32, 406–422. [Google Scholar] [CrossRef]
- Fang, Z.; Wang, J.; Duan, S.; Xiao, L.; Hu, G.; Liu, Q. Rectifier Current Control for an LLC Resonant Converter Based on a Simplified Linearized Model. Energies 2018, 11, 579. [Google Scholar] [CrossRef]
- Wang, H.; Li, Z. A PWM LLC Type Resonant Converter Adapted to Wide Output Range in PEV Charging Applications. IEEE Trans. Power Electron. 2018, 33, 3791–3801. [Google Scholar] [CrossRef]
- Zou, S.; Lu, J.; Mallik, A.; Khaligh, A. Bi-Directional CLLC Converter with Synchronous Rectification for Plug-In Electric Vehicles. IEEE Trans. Ind. Appl. 2018, 54, 998–1005. [Google Scholar] [CrossRef]
- Han, P.; He, X.; Ren, H.; Zhao, Z.; Peng, X. Research on High Efficiency LLC DC-DC Converter Based on SiC MosFet. In Proceedings of the IPEC-ECCE-Asia, Niigata, Janpan, 20–24 May 2018. [Google Scholar] [CrossRef]
- Han, P.; He, X.; Ren, H.; Wang, Y.; Peng, X.; Shu, Z.; Gao, S.; Wang, Y.; Chen, Z. Fault Diagnosis and System Reconfiguration Strategy of a Single-Phase Three-Level Neutral-Point-Clamped Cascaded Inverter. IEEE Trans. Ind. Appl. 2019, 55, 3863–3876. [Google Scholar] [CrossRef]
- Peng, X.; Liu, X.; Yang, G.; Gao, L. Capacitors Energy Strategy Based Cascaded H-Bridge Converter for DC Port Failures. J. Power Electron. 2019, 5, 1133–1141. [Google Scholar] [CrossRef]

























| Parameter | Value |
|---|---|
| Input Voltage | 1000 V–1800 V |
| Output Voltage | 560 V |
| Rated Power | 60 kw |
| Magnetizing Inductance | 3 mH |
| Leakage Inductance | 742.4 μH |
| Resonant Capacitance | 3.8 μF |
| Switch Frequency | 3000 Hz |
| Parameter | Value |
|---|---|
| SiC MOSFET | CREE C3M0065090 |
| Controller | FPGA EP4CE10F17 |
| Input Voltage | 50 V |
| Transformer Turns | 1:1 |
| Magnetizing Inductance | 1.2 mH |
| Leakage Inductance | 98 μH |
| Resonant Capacitance | 10 μF |
| Switch Frequency | 3000 Hz |
| Experimental Temperature | 20 °C |
© 2019 by the authors. Licensee MDPI, Basel, Switzerland. This article is an open access article distributed under the terms and conditions of the Creative Commons Attribution (CC BY) license (http://creativecommons.org/licenses/by/4.0/).
Share and Cite
Zhao, Z.; He, X. Research on Digital Synchronous Rectification for a High-Efficiency DC-DC Converter in an Auxiliary Power Supply System of Magnetic Levitation. Energies 2020, 13, 51. https://doi.org/10.3390/en13010051
Zhao Z, He X. Research on Digital Synchronous Rectification for a High-Efficiency DC-DC Converter in an Auxiliary Power Supply System of Magnetic Levitation. Energies. 2020; 13(1):51. https://doi.org/10.3390/en13010051
Chicago/Turabian StyleZhao, Zhiqin, and Xiaoqiong He. 2020. "Research on Digital Synchronous Rectification for a High-Efficiency DC-DC Converter in an Auxiliary Power Supply System of Magnetic Levitation" Energies 13, no. 1: 51. https://doi.org/10.3390/en13010051
APA StyleZhao, Z., & He, X. (2020). Research on Digital Synchronous Rectification for a High-Efficiency DC-DC Converter in an Auxiliary Power Supply System of Magnetic Levitation. Energies, 13(1), 51. https://doi.org/10.3390/en13010051

