Sign in to use this feature.

Years

Between: -

Subjects

remove_circle_outline
remove_circle_outline
remove_circle_outline
remove_circle_outline

Journals

Article Types

Countries / Regions

Search Results (5)

Search Parameters:
Keywords = digital synchronous rectification

Order results
Result details
Results per page
Select all
Export citation of selected articles as:
16 pages, 4724 KB  
Article
New Fixed-Frequency Digital Control to Improve the Light-Load Efficiency of an Isolated Regulated Converter
by Cong Ma, Junfeng Wang, Kai Wang and Baiguang Long
Electronics 2023, 12(3), 575; https://doi.org/10.3390/electronics12030575 - 23 Jan 2023
Viewed by 2468
Abstract
With the development of environmental and economic requirements, the light-load efficiency of DC/DC converters is increasingly important. However, many isolated regulated converters still use fixed-frequency control, which has low light-load efficiency. This paper proposes a new digital control method to improve the light-load [...] Read more.
With the development of environmental and economic requirements, the light-load efficiency of DC/DC converters is increasingly important. However, many isolated regulated converters still use fixed-frequency control, which has low light-load efficiency. This paper proposes a new digital control method to improve the light-load efficiency under fixed-frequency control. On the one hand, new gate-drive timing control is proposed to achieve the soft-switching of the primary switch. On the other, the software voltage–second balance method realizes the synchronous rectification in the discontinuous conduction mode, which reduces the conduction loss. The diagram and workflow of the proposed control scheme are demonstrated at length. A 100-Watt prototype was designed, and the test results show that synchronous rectification and quasi-zero-voltage-switching are realized in the whole operating range at the light load. The light-load efficiency is 81% to 87%, which improves by 5% to 10% in comparison to the traditional forward converter. The prototype also functions well under the load transient. The proposed control scheme is implemented in one digital controller without additional components, and the circuit is low loss and low cost. Full article
(This article belongs to the Topic Power Electronics Converters)
Show Figures

Figure 1

16 pages, 8754 KB  
Article
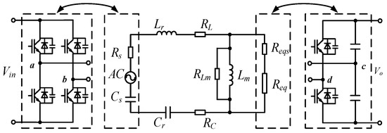
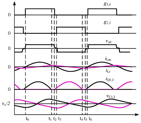
An Adaptive Synchronous Rectification Driving Strategy for Bidirectional Full-Bridge LLC Resonant Converter
by Chun-Yu Liu, Yi-Hua Liu, Shun-Chung Wang, Zong-Zhen Yang and Song-Pei Ye
Energies 2021, 14(8), 2298; https://doi.org/10.3390/en14082298 - 19 Apr 2021
Cited by 5 | Viewed by 5951
Abstract
In this study, an adaptive driving method for synchronous rectification in bidirectional full-bridge LLC resonant converters used in railway applications is proposed. The drain to source voltage of the synchronous rectifier is utilized to detect the conduction of the body diode, and a [...] Read more.
In this study, an adaptive driving method for synchronous rectification in bidirectional full-bridge LLC resonant converters used in railway applications is proposed. The drain to source voltage of the synchronous rectifier is utilized to detect the conduction of the body diode, and a suitable driving signal for synchronous rectification is generated accordingly. The proposed driving scheme is simple and can be realized using a low-cost digital signal processor (DSP). According to the experimental results, which averaged 0.4625% and 1.097%, improvement can be observed under charging and discharging mode, respectively. Full article
(This article belongs to the Special Issue Power Converters: Modeling, Design and Applications)
Show Figures

Figure 1

19 pages, 7017 KB  
Article
Research on Digital Synchronous Rectification for a High-Efficiency DC-DC Converter in an Auxiliary Power Supply System of Magnetic Levitation
by Zhiqin Zhao and Xiaoqiong He
Energies 2020, 13(1), 51; https://doi.org/10.3390/en13010051 - 20 Dec 2019
Cited by 5 | Viewed by 3997
Abstract
In this paper, a new auxiliary power supply system of magnetic levitation based on the LLC DC-DC converter is proposed. The switches of the DC-DC converter are SiC MOSFET, which enables high frequency, high temperature, and high power density. For further improving the [...] Read more.
In this paper, a new auxiliary power supply system of magnetic levitation based on the LLC DC-DC converter is proposed. The switches of the DC-DC converter are SiC MOSFET, which enables high frequency, high temperature, and high power density. For further improving the efficiency of the system and realizing the stability of the output voltage under different load conditions, the digital synchronous rectification (DSR) based on the phase shift control strategy is proposed. The prototype of the LLC DC-DC converter based on SiC MOSFET is implemented, which can realize zero voltage switching (ZVS) and zero current switching (ZCS). Then, the thermal image of DSR is presented, which proves that the power loss of SiC MOSFET with DSR is relatively low. Additionally, the system efficiency among the Si IGBT, SiC MOSFET, and SiC MOSFET with DSR is analyzed and the prototype demonstrates 98% peak efficiency. Finally, simulations, experiments, and data analysis prove the superiority of the proposed DSR strategy for the new auxiliary power supply system of magnetic levitation. Full article
Show Figures

Figure 1

22 pages, 5989 KB  
Article
Studies on a Hybrid Full-Bridge/Half-Bridge Bidirectional CLTC Multi-Resonant DC-DC Converter with a Digital Synchronous Rectification Strategy
by Shu-huai Zhang, Yi-feng Wang, Bo Chen, Fu-qiang Han and Qing-cui Wang
Energies 2018, 11(1), 227; https://doi.org/10.3390/en11010227 - 18 Jan 2018
Cited by 8 | Viewed by 5526
Abstract
This study presents a new bidirectional multi-resonant DC-DC converter, which is named CLTC. The converter adds an auxiliary transformer and an extra resonant capacitor based on a LLC resonant DC-DC converter, achieving zero-voltage switching (ZVS) for the input inverting switches and zero-current switching [...] Read more.
This study presents a new bidirectional multi-resonant DC-DC converter, which is named CLTC. The converter adds an auxiliary transformer and an extra resonant capacitor based on a LLC resonant DC-DC converter, achieving zero-voltage switching (ZVS) for the input inverting switches and zero-current switching (ZCS) for the output rectifiers in all load range. The converter also has a wide gain range in two directions. When the load is light, a half-bridge configuration is adopted instead of a full-bridge configuration to solve the problem of voltage regulation. By this method, the voltage gain becomes monotonous and controllable. Besides, the digital synchronous rectification strategy is proposed in forward mode without adding any auxiliary circuit. The conduction time of synchronous rectifiers equals the estimation value of body diodes’ conduction time with the lightest load. Power loss analysis is also conducted in different situations. Finally, the theoretical analysis is validated by a 5 kW prototype. Full article
Show Figures

Figure 1

20 pages, 892 KB  
Article
A Power Supply System with ZVS and Current-Doubler Features for Hybrid Renewable Energy Conversion
by Cheng-Tao Tsai, Chih-Lung Shen and Jye-Chau Su
Energies 2013, 6(9), 4859-4878; https://doi.org/10.3390/en6094859 - 20 Sep 2013
Cited by 13 | Viewed by 9085
Abstract
In this paper, a power supply system for hybrid renewable energy conversion is proposed, which can process PV (photovoltaic) power and wind-turbine energy simultaneously for step-down voltage and high current applications. It is a dual-input converter and mainly contains a PV energy source, [...] Read more.
In this paper, a power supply system for hybrid renewable energy conversion is proposed, which can process PV (photovoltaic) power and wind-turbine energy simultaneously for step-down voltage and high current applications. It is a dual-input converter and mainly contains a PV energy source, a wind turbine energy source, a zero-voltage-switching (ZVS) forward converter, and a current-doubler rectifier. The proposed power supply system has the following advantages: (1) PV-arrays and wind-energy sources can alternatively deliver power to the load during climate or season alteration; (2) maximum power point tracking (MPPT) can be accomplished for both different kinds of renewable-energy sources; (3) ZVS and synchronous rectification techniques for the active switches of the forward converter are embedded so as to reduce switching and conducting losses; and (4) electricity isolation is naturally obtained. To achieve an optimally dynamic response and to increase control flexibility, a digital signal processor (DSP) is investigated and presented to implement MPPT algorithm and power regulating scheme. Finally, a 240 W prototype power supply system with ZVS and current-doubler features to deal with PV power and wind energy is built and implemented. Experimental results are presented to verify the performance and the feasibility of the proposed power supply system. Full article
Show Figures

Figure 1

Back to TopTop