Sign in to use this feature.

Years

Between: -

Subjects

remove_circle_outline
remove_circle_outline
remove_circle_outline
remove_circle_outline
remove_circle_outline
remove_circle_outline
remove_circle_outline
remove_circle_outline
remove_circle_outline

Journals

remove_circle_outline
remove_circle_outline
remove_circle_outline
remove_circle_outline
remove_circle_outline
remove_circle_outline
remove_circle_outline

Article Types

Countries / Regions

Search Results (385)

Search Parameters:
Keywords = flow bench

Order results
Result details
Results per page
Select all
Export citation of selected articles as:
26 pages, 4548 KB  
Article
Design and Experimentation of High-Throughput Granular Fertilizer Detection and Real-Time Precision Regulation System
by Li Ding, Feiyang Wu, Yuanyuan Li, Kaixuan Wang, Yechao Yuan, Bingjie Liu and Yufei Dou
Agriculture 2026, 16(3), 290; https://doi.org/10.3390/agriculture16030290 - 23 Jan 2026
Abstract
To address the challenge of imprecise detection and control of fertilizer application rates caused by high granular flow during fertilization operations, a parallel diversion detection method with real-time application rate regulation is proposed. The mechanism of uniform distribution of discrete particles formed by [...] Read more.
To address the challenge of imprecise detection and control of fertilizer application rates caused by high granular flow during fertilization operations, a parallel diversion detection method with real-time application rate regulation is proposed. The mechanism of uniform distribution of discrete particles formed by high-throughput aggregated granular fertilizer was elucidated. Key components including the uniform fertilizer tube, sensor detection structure, six-channel diversion cone disc, and fertilizer convergence tube underwent parametric design, culminating in the innovative development of a six-channel parallel diversion detection device. A multi-channel parallel signal detection method was studied, and a synchronous multi-channel signal acquisition system was designed. Through calibration tests, relationship models were established between the measured flow rate of granular fertilizer and voltage, as well as between the actual flow rate and the rotational speed of the fertilizer discharge shaft. A fuzzy PID control model was constructed in MATLAB2023/Simulink. Using overshoot, response time, and stability as evaluation metrics, the control performance of traditional PID and fuzzy PID was compared and analyzed. To validate the control system’s precision, device performance tests were conducted. Results demonstrated that fuzzy PID control reduced the time required to reach steady state by 66.87% compared to traditional PID, while overshoot decreased from 7.38 g·s−1 to 1.49 g·s−1. Divergence uniformity tests revealed that at particle generation rates of 10, 20, 30, and 40 g·s−1, the coefficient of variation for channel divergence consistency gradually increased with rising tilt angles. During field operations at 0–5.0° tilt, the coefficient of variation for channel divergence consistency remained below 7.72%. Bench tests revealed that the fuzzy PID control system achieved an average accuracy improvement of 3.64% compared to traditional PID control, with a maximum response time of 0.9 s. Field trials demonstrated detection accuracy no less than 92.64% at normal field operation speeds of 3.0–6.0 km·h−1. This system enables real-time, precise detection of fertilizer application rates and closed-loop regulation. Full article
Show Figures

Figure 1

20 pages, 6885 KB  
Article
Transient CFD Analysis of Combustion and Heat Transfer in a Coal-Fired Boiler Under Flexible Operation
by Chaoshuai Li, Zhecheng Zhang, Dongdong Feng, Yi Wang, Yongjie Wang, Yijun Zhao, Xin Guo and Shaozeng Sun
Energies 2026, 19(2), 478; https://doi.org/10.3390/en19020478 - 18 Jan 2026
Viewed by 153
Abstract
As a reliable peak-shaving power source, coal-fired boilers’ flexible operation technology has become a key support for achieving the low-carbon transition. To enhance the peak-shaving capacity of the boiler, it is urgent to explore the transient mechanisms of flow, combustion, and heat transfer [...] Read more.
As a reliable peak-shaving power source, coal-fired boilers’ flexible operation technology has become a key support for achieving the low-carbon transition. To enhance the peak-shaving capacity of the boiler, it is urgent to explore the transient mechanisms of flow, combustion, and heat transfer under dynamic conditions. In this study, the heat transfer characteristics of the burner under varying load conditions and the combustion characteristics in boilers under low and dynamic load conditions are investigated by CFD numerical simulation technology based on a 10 MW coal-fired test bench. The results indicate that at load rates of 2%/min and 4%/min, heat flux density remains mostly consistent across the upper wall of the furnace. At 6%/min, the heat flux near dense pulverized coal flow exceeds that near fresh coal flow. At 60% load, the flow fields are symmetrical, optimizing flame filling and distribution. As the load drops to 40%, the upper flow field begins to distort, and by 20% load, turbulence and uneven temperature distribution arise. At 20% load, the one-layer burner demonstrates superior flow field stabilization compared to the two-layer configuration, with particle concentration remaining lower near the wall above the burner but higher in the cold ash hopper, while high-temperature zones predominantly concentrate in the furnace center with minimal areas exceeding 1900 K. A boiler designed for concentration separation enhances airflow and decreases wall particle concentration at 20% load, resulting in a more uniform temperature distribution with high-temperature zones further from the walls. Full article
(This article belongs to the Special Issue Carbon Dioxide Capture, Utilization and Storage (CCUS): 3rd Edition)
Show Figures

Figure 1

22 pages, 4516 KB  
Article
Adaptive Compensation Algorithm for Slow Response of TBM Hydraulic Cylinders Using a Parallel Auxiliary Pump
by Shaochen Yang, Dong Han, Lijie Jiang, Lianhui Jia, Zhe Zheng, Xianzhong Tan, Huayong Yang and Dongming Hu
Actuators 2026, 15(1), 63; https://doi.org/10.3390/act15010063 - 17 Jan 2026
Viewed by 82
Abstract
Hydraulic thrust cylinders in hard-rock tunnel boring machines (TBMs) often exhibit slow response and sluggish acceleration during start-up, which degrades early-stage tracking performance and limits overall operational accuracy. Most existing studies primarily enhance start-up behavior through advanced control algorithms, yet the achievable improvement [...] Read more.
Hydraulic thrust cylinders in hard-rock tunnel boring machines (TBMs) often exhibit slow response and sluggish acceleration during start-up, which degrades early-stage tracking performance and limits overall operational accuracy. Most existing studies primarily enhance start-up behavior through advanced control algorithms, yet the achievable improvement is ultimately constrained by the system’s flow–pressure capacity. Meanwhile, reported system-level optimization approaches are either difficult to implement under practical TBM operating conditions or fail to consistently deliver high-accuracy tracking. To address these limitations, this paper proposes a “dual-pump–single-cylinder” control framework for the TBM thrust system, where a large-displacement pump serves as the main supply and a parallel small-displacement pump provides auxiliary flow compensation to mitigate the start-up flow deficit. Building on this architecture, an adaptive compensation algorithm is developed for the auxiliary pump, with its output updated online according to the system’s dynamic states, including displacement error and velocity-related error components. Comparative simulations and test-bench experiments show that, compared with a single-pump scheme, the proposed method notably accelerates cylinder start-up while effectively suppressing overshoot and oscillations, thereby improving both transient smoothness and tracking accuracy. This study provides a feasible and engineering-oriented solution for achieving “rapid and smooth start-up” of TBM hydraulic cylinders. Full article
(This article belongs to the Section Control Systems)
Show Figures

Figure 1

24 pages, 5517 KB  
Article
Volumetric Efficiency Prediction of External Gear Pumps Using a Leakage Model Based on Dynamic Clearances
by HyunWoo Yang, Ho Sung Jang and Sangwon Ji
Actuators 2026, 15(1), 56; https://doi.org/10.3390/act15010056 - 15 Jan 2026
Viewed by 97
Abstract
External gear pumps are widely used in industrial hydraulic systems, but their volumetric efficiency can deteriorate significantly because of internal leakage, especially under high-pressure operating conditions. Conventional lumped parameter models typically assume fixed clearances and therefore cannot accurately capture the leakage behavior associated [...] Read more.
External gear pumps are widely used in industrial hydraulic systems, but their volumetric efficiency can deteriorate significantly because of internal leakage, especially under high-pressure operating conditions. Conventional lumped parameter models typically assume fixed clearances and therefore cannot accurately capture the leakage behavior associated with pressure-induced deformation and wear. In this study, a dynamic clearance model for an external gear pump is developed and experimentally validated. Radial and axial clearances are measured in situ using eddy-current gap sensors over a range of operating conditions, and empirical correlation equations are identified as functions of pressure and rotational speed. These correlations are embedded into a tooth-space-volume-based lumped parameter model so that the leakage flow is updated at each time step according to the instantaneous dynamic clearances. The proposed model is validated against experimental measurements of volumetric efficiency obtained from a dedicated test bench. At 800 rev/min, the average prediction error of volumetric efficiency is reduced to 1.98% with the proposed dynamic clearance model, compared with 9.43% for a nominal static-clearance model and 3.35% for a model considering only static wear. These results demonstrate that explicitly accounting for dynamic clearance variations significantly improves the predictive accuracy of volumetric efficiency, and the proposed model can be used as a design tool for optimizing leakage paths and enhancing the energy efficiency of external gear pumps. Full article
Show Figures

Figure 1

25 pages, 9700 KB  
Article
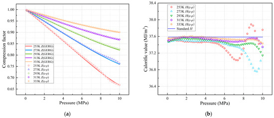
A Natural Gas Energy Metering Method Based on Density-Sound Velocity Correlation
by Bin Zhang, Zhenwei Huang, Wenlin Wang, Junxian Wang, Dailiang Xie, Ying Cheng and Yi Yang
Sensors 2026, 26(1), 343; https://doi.org/10.3390/s26010343 - 5 Jan 2026
Viewed by 298
Abstract
This paper proposes a method for metering natural gas energy based on the correlation between density and sound velocity. The technique integrates physical property correlation models with measured parameters, such as temperature, pressure, sound velocity, and density, to accurately predict the compression factor [...] Read more.
This paper proposes a method for metering natural gas energy based on the correlation between density and sound velocity. The technique integrates physical property correlation models with measured parameters, such as temperature, pressure, sound velocity, and density, to accurately predict the compression factor and the ideal volume calorific value of natural gas under operating conditions. The volume flow is corrected using the compression factor, which enables precise metering of natural gas energy through the adjusted volume flow and calorific value. To develop a high-precision physical property correlation model, a natural gas dataset comprising 10,000 sample sets is first constructed for model training and testing. Multiple machine learning algorithms are then employed to build predictive models. Analysis of the experimental results led to the development of a model-switching strategy based on the ranges of input features, which substantially enhanced prediction accuracy. For the compression factor model, the mean absolute error (MAE), root mean square error (RMSE), mean absolute percentage error (MAPE), and coefficient of determination (R2) were 0.00118, 0.0030, 0.14%, and 0.9987, respectively. The corresponding indicators for the calorific value model were 0.1583, 0.331, 0.44%, and 0.9736. The proposed method is finally validated using a natural gas real-flow test bench. The results demonstrated maximum prediction errors of 0.061% and 1.19% for the compression factor and calorific value, respectively, while the maximum relative energy error across four gas samples was 1.21%. These results indicate that the method can effectively achieve accurate natural gas energy metering in practical operating conditions. Full article
(This article belongs to the Section Industrial Sensors)
Show Figures

Figure 1

22 pages, 4562 KB  
Article
A Hybrid Algorithm Modeling on Test-Bench Data for Light-Duty Afterburning Turbojet Engine
by Tong Xin, Jiaxian Sun, Chunyan Hu, Chenchen Wang and Haoran Pan
Aerospace 2026, 13(1), 28; https://doi.org/10.3390/aerospace13010028 - 26 Dec 2025
Viewed by 191
Abstract
For highly maneuverable aircraft, the afterburning engine serves as a core and critical component. Due to the complex structure of the afterburner and the strong coupling among parameters, mechanism-based modeling of afterburning engines remains extremely challenging. To address this problem, this paper proposes [...] Read more.
For highly maneuverable aircraft, the afterburning engine serves as a core and critical component. Due to the complex structure of the afterburner and the strong coupling among parameters, mechanism-based modeling of afterburning engines remains extremely challenging. To address this problem, this paper proposes a data-driven hybrid algorithm modeling framework for a light-duty afterburning turbojet engine. Using test-bench data from the TWP220L light-duty afterburning turbojet, two hybrid algorithm models were developed: (i) PSO-DNN and (ii) NGO-LSSVM. Four models, DNN, PSO-DNN, LSSVM, and NGO-LSSVM, were compared by mapping engine input parameters (altitude, Mach number, rotor speed, and fuel flow rate) to two key performance outputs (thrust and turbine pressure ratio). Based on visual error analysis and regression evaluation metrics, it was found that the optimized algorithm significantly reduced the prediction error. The NGO-LSSVM model achieved the highest accuracy in both performance indicators, increasing R2 by 5.3% for thrust, and increasing R2 by 6.8% for turbine pressure ratio. This framework offers a practical and high-precision approach for light-duty afterburning engine performance prediction and lays a foundation for the development of model-based and data-driven onboard control strategies. Full article
(This article belongs to the Section Aeronautics)
Show Figures

Figure 1

27 pages, 814 KB  
Article
Concurrency Bug Detection via Static Analysis and Large Language Models
by Zuocheng Feng, Yiming Chen, Kaiwen Zhang, Xiaofeng Li and Guanjun Liu
Future Internet 2025, 17(12), 578; https://doi.org/10.3390/fi17120578 - 15 Dec 2025
Viewed by 586
Abstract
Concurrency bugs originate from complex and improper synchronization of shared resources, presenting a significant challenge for detection. Traditional static analysis relies heavily on expert knowledge and frequently fails when code is non-compilable. Conversely, large language models struggle with semantic sparsity, inadequate comprehension of [...] Read more.
Concurrency bugs originate from complex and improper synchronization of shared resources, presenting a significant challenge for detection. Traditional static analysis relies heavily on expert knowledge and frequently fails when code is non-compilable. Conversely, large language models struggle with semantic sparsity, inadequate comprehension of concurrent semantics, and the tendency to hallucinate. To address the limitations of static analysis in capturing complex concurrency semantics and the hallucination risks associated with large language models, this study proposes ConSynergy. This novel framework integrates the structural rigor of static analysis with the semantic reasoning capabilities of large language models. The core design employs a robust task decomposition strategy that decomposes concurrency bug detection into a four-stage pipeline: shared resource identification, concurrency-aware slicing, data-flow reasoning, and formal verification. This approach fundamentally mitigates hallucinations from large language models caused by insufficient program context. First, the framework identifies shared resources and applies a concurrency-aware program slicing technique to precisely extract concurrency-related structural features, thereby alleviating semantic sparsity. Second, to enhance the large language model’s comprehension of concurrent semantics, we design a concurrency data-flow analysis based on Chain-of-Thought prompting. Third, the framework incorporates a Satisfiability Modulo Theories solver to ensure the reliability of detection results, alongside an iterative repair mechanism based on large language models that dramatically reduces dependency on code compilability. Extensive experiments on three mainstream concurrency bug datasets, including DataRaceBench, the concurrency subset of Juliet, and DeepRace, demonstrate that ConSynergy achieves an average precision and recall of 80.0% and 87.1%, respectively. ConSynergy outperforms state-of-the-art baselines by 10.9% to 68.2% in average F1 score, demonstrating significant potential for practical application. Full article
Show Figures

Figure 1

24 pages, 4686 KB  
Article
Parameter Calibration and Experimentation of the Discrete Element Model for Mixed Seeds of Vetch (Vicia villosa) and Oat (Avena sativa) in a Pneumatic Seed Drilling System
by Yu Fu, Dewei Wang, Xufeng Wang, Long Wang, Jianliang Hu, Xingguang Chi and Mao Ji
Appl. Sci. 2025, 15(24), 13048; https://doi.org/10.3390/app152413048 - 11 Dec 2025
Viewed by 226
Abstract
This paper focuses on mixed seeds of Vicia villosa and Avena sativa, with their discrete element model and contact parameters being systematically calibrated and validated to provide reliable theoretical support for the structural design and parameter optimization of the air-assisted seed delivery [...] Read more.
This paper focuses on mixed seeds of Vicia villosa and Avena sativa, with their discrete element model and contact parameters being systematically calibrated and validated to provide reliable theoretical support for the structural design and parameter optimization of the air-assisted seed delivery system. The physical properties of both seed types, including triaxial dimensions, density, moisture content, Poisson’s ratio, and shear modulus, were first measured. The Hertz–Mindlin (no slip) contact model and the multi-sphere aggregation method were employed to construct the discrete element models of Vicia villosa and Avena sativa, with preliminary calibration of the intrinsic model parameters. Poisson’s ratio, elastic modulus, collision restitution coefficient, static friction coefficient, and rolling friction coefficient between the seeds and PLA plastic plate were determined through uniaxial compression, free fall, inclined sliding, and inclined rolling tests. Each test was repeated five times, and the calibration criterion for contact parameters was based on minimizing the relative error between simulation and experimental results. Based on this, experiments on the packing angle of mixed seeds, steepest slope, and a three-factor quadratic rotational orthogonal combination were conducted. The inter-seed collision restitution coefficient, static friction coefficient, and rolling friction coefficient were set as the experimental factors. A total of 23 treatments were designed with repetitions at the center point, and a regression model was established for the relative error of the packing angle with respect to each factor. Based on the measured packing angle of 28.01° for the mixed seeds, the optimal contact parameter combination for the mixed seed pile was determined to be: inter-seed collision restitution coefficient of 0.312, static friction coefficient of 0.328, and rolling friction coefficient of 0.032. The relative error between the simulated packing angle and the measured value was 1.32%. The calibrated inter-seed contact parameters were further coupled into the EDEM–Fluent gas–solid two-phase flow model. Simulations and bench verification tests were carried out under nine treatment combinations, corresponding to three fan speeds (20, 25, and 30 m·s−1) and three total transport efficiencies (12.5, 17.5, and 22.5 g·s−1), with the consistency coefficient of seed distribution in each row being the main evaluation variable. The results showed that the deviation in the consistency coefficient of seed distribution between the simulation and experimental measurements ranged from 1.24% to 3.94%. This indicates that the calibrated discrete element model for mixed seeds and the EDEM–Fluent coupled simulation can effectively reproduce the air-assisted seed delivery process under the conditions of Vicia villosa and Avena sativa mixed sowing, providing reliable parameters and methodological support for the structural design of seeders and DEM-CFD coupled simulations in legume–grass mixed sowing systems. Full article
(This article belongs to the Section Agricultural Science and Technology)
Show Figures

Figure 1

25 pages, 8829 KB  
Article
Numerical and Experimental Investigations on Oil Supply Characteristics of a Multi-Passage Lubrication System for a Three-Stage Planetary Transmission in a Tracked Vehicle
by Jing Zhang, Peng Jin, Xiaozhou Hu and Yangmei Yuan
Technologies 2025, 13(12), 576; https://doi.org/10.3390/technologies13120576 - 8 Dec 2025
Viewed by 324
Abstract
The multi-passage lubrication system is adopted to meet the demand of the main heat generation parts (gears and bearings) in the three-stage planetary transmission system of a large tracked vehicle. As rotational speed increases, the flow regime inside the passages with multi-oil outlets [...] Read more.
The multi-passage lubrication system is adopted to meet the demand of the main heat generation parts (gears and bearings) in the three-stage planetary transmission system of a large tracked vehicle. As rotational speed increases, the flow regime inside the passages with multi-oil outlets becomes highly complex. Under high-speed conditions, the flow rate in Zone 2 decreases sharply, and some oil outlets even drop to zero, representing a 100% reduction amplitude, which results in an unstable oil supply for heat generation parts and even potential lubrication cut-off. In the present work, the lubrication characteristics of the oil supply system for the three-stage planetary transmission system are investigated by a combination of CFD (computational fluid dynamics) simulations and experiments. A complete CFD model of the multi-passage lubrication system is established, comprising a stationary oil passage, a main oil passage, and a three-stage variable-speed oil passage. A transient calculation method based on sliding mesh rotation domain control is used to simulate the oil-filling process in the oil passages, and the oil supply characteristics of the variable-speed oil passage are investigated. A test bench for the multi-stage planetary transmission system is designed and constructed to collect oil flow data from outlets of planetary gear sets. The comparison between simulated and experimental results confirms the validity of the proposed numerical method. Additionally, numerical simulations are conducted to investigate the effects of key factors, including input speed, oil supply pressure, and oil temperature, on the oil flow rate of outlets. The results indicate that the rotational speed is the major parameter affecting the oil flow rate at the oil passage outlets. This work provides a practical guidance for optimizing lubrication design in complex multi-stage planetary transmission systems. Full article
Show Figures

Figure 1

17 pages, 941 KB  
Article
Interpolation-Based Evaluation and Prediction of Vortex Efficiency in Torque-Flow Pumps
by Vladyslav Kondus, Ivan Pavlenko, Marek Ochowiak, Andżelika Krupińska, Magdalena Matuszak and Sylwia Włodarczak
Appl. Sci. 2025, 15(23), 12395; https://doi.org/10.3390/app152312395 - 21 Nov 2025
Viewed by 551
Abstract
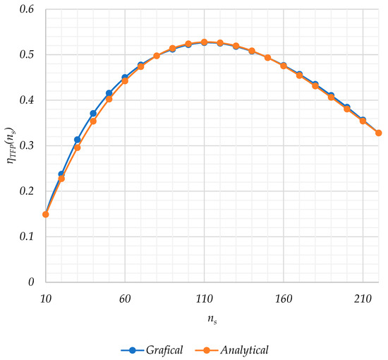
The article presents the results of a study on the energy efficiency of torque-flow pumps with a particular focus on isolating the efficiency of the vortex operating process. The relevance of the topic is determined by the complexity of describing the combined operating [...] Read more.
The article presents the results of a study on the energy efficiency of torque-flow pumps with a particular focus on isolating the efficiency of the vortex operating process. The relevance of the topic is determined by the complexity of describing the combined operating process, which includes both blade and vortex components, the latter of which has remained insufficiently studied until now. The research aimed to improve the accuracy of predicting the efficiency of torque-flow pumps by analytically determining the effectiveness of the vortex operating process over the full range of specific speed coefficients. The study employed empirical data from bench tests of prototype pumps, supplemented by well-known empirical methodologies. To construct analytical dependencies, a Lagrange interpolation polynomial with equally spaced nodes in the range ns = 10–220 was applied. This made it possible to obtain generalized functions for the efficiency of torque-flow pumps, centrifugal (blade) pumps, and, for the first time, to determine the complete characteristic of the vortex operating process efficiency. The proposed interpolation method reproduces the empirical efficiency characteristics with an accuracy better than 1.1–1.2%, enabling reliable prediction of the intrinsic vortex process efficiency across the entire range of specific speeds. It was established that the maximum value of the vortex operating process efficiency is 66.6% at ns, while the optimal operating range of the pumps corresponds to ns = 70–140. The practical significance of the obtained results lies in their applicability for pump design and optimization for the transportation of liquids containing inclusions, as well as in ensuring higher accuracy of engineering calculations without the need for extensive experimental testing. The importance of the study is further emphasized by its contribution to achieving the United Nations Sustainable Development Goals, particularly in the areas of energy efficiency, industrial innovation, and resilient infrastructure. Full article
Show Figures

Figure 1

31 pages, 5344 KB  
Article
Ground Effect Influence on UAV Propeller Thrust: Experimental and CFD Validation
by Mădălin Dombrovschi, Gabriel-Petre Badea, Tiberius-Florian Frigioescu, Maria Căldărar and Daniel-Eugeniu Crunțeanu
Technologies 2025, 13(12), 542; https://doi.org/10.3390/technologies13120542 - 21 Nov 2025
Viewed by 909
Abstract
This work investigates the influence of ground effect on the performance of a UAV propeller through a combined experimental, analytical, and numerical approach. A dedicated test bench was designed and constructed to enable controlled measurements of thrust and power under static conditions. During [...] Read more.
This work investigates the influence of ground effect on the performance of a UAV propeller through a combined experimental, analytical, and numerical approach. A dedicated test bench was designed and constructed to enable controlled measurements of thrust and power under static conditions. During experimental campaigns, it was observed that the measured thrust significantly exceeded theoretical free-air predictions, suggesting the presence of a ground-like amplification effect. To quantify and validate this phenomenon, complementary methods were employed: blade element momentum-based analytical modeling corrected for ground proximity and high-fidelity CFD simulations performed using ANSYS CFX. Three configurations were analyzed numerically—an isolated propeller, a propeller with a motor, and a propeller–motor–mounting plate configuration—highlighting the progressive impact of structural elements on the flow field. The results showed close agreement between corrected analytical predictions, CFD solutions, and experimental data, with deviations below 8%. The presence of the mounting plate induced pressure redistribution and jet reflection, analogous to the helicopter ground effect, leading to thrust amplification of up to 30% relative to free-air conditions. This study confirms the critical role of the experimental setup and mounting configuration in propeller characterization and establishes a validated methodology for capturing ground effect phenomena relevant to UAV propulsion systems. Full article
(This article belongs to the Special Issue Aviation Science and Technology Applications)
Show Figures

Graphical abstract

29 pages, 2732 KB  
Article
Innovative Use of Ultra-Low-Frequency Dynamic Electronic Impulses for Sustainable Performance of Drippers Applying Produced Water
by Norlan Leonel Ramos Cruz, Luara Patrícia Lopes Morais, Daniel Valadão Silva, José Francismar de Medeiros, Frederico Ribeiro do Carmo, Antônio Gustavo de Luna Souto, Luiz Fernando de Sousa Antunes, Eulene Francisco da Silva, Simone Cristina Freitas de Carvalho, Palloma Vitória Carlos de Oliveira, Stefeson Bezerra de Melo, Gustavo Lopes Muniz, Layla Bruna Lopes Reges and Rafael Oliveira Batista
AgriEngineering 2025, 7(11), 371; https://doi.org/10.3390/agriengineering7110371 - 3 Nov 2025
Viewed by 849
Abstract
Clogging is a major constraint to the agricultural reuse of produced water; however, ultra-low-frequency dynamic electronic pulses (EPs) can help control biofouling in drip emitters. This study aimed to evaluate the reduction in clogging in non-self-compensating emitters applying onshore oil-and-gas-produced water treated with [...] Read more.
Clogging is a major constraint to the agricultural reuse of produced water; however, ultra-low-frequency dynamic electronic pulses (EPs) can help control biofouling in drip emitters. This study aimed to evaluate the reduction in clogging in non-self-compensating emitters applying onshore oil-and-gas-produced water treated with EP. Three experimental benches were assembled using drip irrigation units supplied with different water sources: water supply (WS), produced water with EP (OPW + EP), and produced water without treatment (OPW). Hydraulic performance was monitored every 40 h for 400 h using average flow rate variation (AFVR), flow variation coefficient (FVC), and distribution uniformity (UD) indices. Data were analyzed using RT-1 analysis with Bonferroni post hoc tests. Results showed that the interaction between water sources and evaluation times significantly (p ≤ 0.01) affected the hydraulic indices. After 400 h, the indices ranked as UD and FVC: WS > OPW + EP > OPW, and AFVR: OPW + EP = WS > OPW. Although OPW presented a low risk of clogging, the application of EP mitigated the obstruction and maintained higher uniformity by reducing clogging. These findings demonstrate that ultra-low-frequency electronic pulses are an innovative anti-clogging technology and provide insights for the sustainable application of produced water. Full article
(This article belongs to the Section Agricultural Irrigation Systems)
Show Figures

Graphical abstract

18 pages, 1297 KB  
Article
Strategies for Increasing Methane Removal in Methanotroph Stirred-Tank Reactors for the Production of Ectoine
by Jaden Storrer, Tansley M. Mazurkiewicz, Bodee Hancock and Ronald C. Sims
Bioresour. Bioprod. 2025, 1(2), 7; https://doi.org/10.3390/bioresourbioprod1020007 - 1 Nov 2025
Viewed by 478
Abstract
Methane is a potent greenhouse gas that requires its emissions to be mitigated. A significant source for methane emissions is in the form of the biogas that is produced from anaerobic digestion in wastewater reclamation and landfill facilities. Biogas has a high valorization [...] Read more.
Methane is a potent greenhouse gas that requires its emissions to be mitigated. A significant source for methane emissions is in the form of the biogas that is produced from anaerobic digestion in wastewater reclamation and landfill facilities. Biogas has a high valorization potential in the form of its bioconversion into ectoines, an active ingredient in skin care products, by halotolerant alkaliphilic methanotrophs. Cultures of Methylotuvimicrobium alcaliphilum 20Z were grown in bench scale stirred-tank reactors to determine factors to improve methane uptake and removal. Tangential flow filtration was also implemented for a bio-milking method to recover ectoine from culture media. Methane uptake and reactor productivity increased, with a temperature of 28 °C compared with 21 °C. Decreasing the methane gas bubble diameter by decreasing the sparger pore size from 1 mm to 0.5 µm significantly improved methane removal and reactor productivity by increasing mass transfer. Premixing methane and air before sparging into the reactor saw a higher removal of methane, while sparging methane and air separately created an increase in reactor productivity. Maximum methane removal efficiency was observed to be 70.56% ± 0.54 which translated to a CH4-EC of 93.82 ± 3.36 g CH4 m−3 h−1. Maximum ectoine yields was observed to be 0.579 mg ectoine L−1 h−1. Full article
Show Figures

Figure 1

20 pages, 2826 KB  
Article
A Fully Resolved Model of Compressible Flow with Phase Change Inside a Thermosyphon Heat Pipe: Validation and Predictive Analysis
by Hammouda Mahjoub, Zied Lataoui, Adel M. Benselama, Yves Bertin and Abdelmajid Jemni
Fluids 2025, 10(11), 282; https://doi.org/10.3390/fluids10110282 - 30 Oct 2025
Viewed by 569
Abstract
Thermosyphon heat pipes (THPs) are increasingly employed in advanced thermal management applications due to their highly effective thermal conductivity, compact design, and passive operation. In this study, a numerical investigation was conducted on a copper or aluminum thermosyphon charged with different working fluids, [...] Read more.
Thermosyphon heat pipes (THPs) are increasingly employed in advanced thermal management applications due to their highly effective thermal conductivity, compact design, and passive operation. In this study, a numerical investigation was conducted on a copper or aluminum thermosyphon charged with different working fluids, with methanol serving as a reference case. A two-dimensional compressible CFD model was implemented in OpenFOAM, coupling the Volume of Fluid (VOF) method with a hybrid phase-change formulation that integrates the Lee and Tanasawa approaches. It provides, indeed, a balance between computational efficiency and physical fidelity. The vapor flow, considered as an ideal gas, was assumed compressible. The isoAdvector algorithm was applied as a reconstruction technique in order to improve interface capturing, to reduce spurious oscillations and parasitic currents, and to ensure more realistic simulation of boiling and condensation phenomena. The performance dependency on operating parameters such as the inclination angle, liquid filling ratio, and thermophysical properties of the working fluid is analyzed. The numerical predictions were validated against experimental measurements obtained from a dedicated test bench, showing discrepancies below 3% under vertical operation. This work provides new insights into the coupled influence of orientation, fluid inventory, and working fluid properties on THP behavior. Beyond the experimental validation, it establishes a robust computational framework for predicting two-phase heat and mass transfer phenomena by linearizing and treating the terms involved in thebalances to be satisfied implicitly. The results reveal a strong interplay between the inclination angle and filling ratio in determining the overall thermal resistance. At low filling ratios, the vertical operation led to insufficient liquid return and increased resistance, whereas inclined orientations enhanced the liquid spreading and promoted more efficient evaporation. An optimal filling ratio range of 40–60% was identified, minimizing the thermal resistance across the working fluids. In contrast, excessive liquid charge reduced the vapor space and degraded the performance due toflow restriction and evaporationflooding. Full article
(This article belongs to the Section Mathematical and Computational Fluid Mechanics)
Show Figures

Figure 1

27 pages, 10027 KB  
Article
DEM-CFD Simulation of Organic–Inorganic Fertiliser Mixing-Spreading: Optimizing Inorganic Fertiliser Placement for Uniformity
by Chengsai Fan, Yinyan Shi, Jianfu Sun, Ruiyin He, Gaoming Xu and Yinian Li
Agriculture 2025, 15(21), 2256; https://doi.org/10.3390/agriculture15212256 - 29 Oct 2025
Viewed by 577
Abstract
Organic–inorganic compound fertilizer application technology is a key technology for chemical fertilizer efficiency improvement, and stable grain yield increase. However, current agricultural machinery is unable to achieve uniform application of both organic and inorganic fertilisers. This study has compared two modeling methods and [...] Read more.
Organic–inorganic compound fertilizer application technology is a key technology for chemical fertilizer efficiency improvement, and stable grain yield increase. However, current agricultural machinery is unable to achieve uniform application of both organic and inorganic fertilisers. This study has compared two modeling methods and optimally selected the EDEM-Fluent coupled method. It aims to investigate the mechanism by which four factors—namely inorganic fertilizer drop location (Polar angle: −80° to 80°, polar radius: 60 mm to 180 mm), organic fertilizer flow rate (875–3500 g·s−1), inorganic fertilizer proportion (10–50%), and fertilizer spreading disc rotational speed (300–700 r·min−1)—influence inorganic fertilizer uniformity. A Box–Behnken test was designed with the pole angle and pole diameter of the drop location, organic fertiliser flow rate, spreading disc rotational speed, and coefficient of variation in the uniformity of the inorganic fertilisers as indexes. The Box–Behnken test divided the fertiliser drop location into left and right parts and established a mathematical model of fertiliser drop location, rotational speed, and organic fertiliser flow rate. Finally, the predictive performance of the model was verified in the field by testing four scenarios: low speed–low flow rate, low speed–high flow rate, high speed–low flow rate, and high speed–high flow rate. The root mean square error (RMSE) between the EDEM-Fluent coupled test and the bench test is 1.53, which is better than the RMSE (2.55) between the EDEM test and the bench test. Before optimization, the coefficients of variationof inorganic fertilizer (ICV) under four operating conditions were 28.93%, 32.43%, 38.17%, and 29.32% respectively. After optimization, the corresponding values were 19.34%, 23.78%, 21.45%, and 23.10% respectively. Compared with the pre-optimization results, the organic fertilizer coefficient of variation (OCV) remained stable, while the inorganic fertilizer coefficient of variation (ICV) decreased by an average of 10.29%. This study greatly improved the uniformity of inorganic fertiliser in the organic–inorganic spreader and provides a basis for subsequent intelligent spreaders. Full article
(This article belongs to the Section Agricultural Technology)
Show Figures

Figure 1

Back to TopTop