error_outline You can access the new MDPI.com website here. Explore and share your feedback with us.
 
 
Sign in to use this feature.

Years

Between: -

Subjects

remove_circle_outline
remove_circle_outline
remove_circle_outline
remove_circle_outline
remove_circle_outline
remove_circle_outline
remove_circle_outline

Journals

Article Types

Countries / Regions

Search Results (118)

Search Parameters:
Keywords = MOSFET drive

Order results
Result details
Results per page
Select all
Export citation of selected articles as:
14 pages, 3427 KB  
Article
A SiC-MOSFET Bidirectional Switch Solution for Direct Matrix Converter Topologies
by Hernán Lezcano, Rodrigo Romero, Sergio Nuñez, Bruno Sanabria, Fabian Palacios-Pereira, Edgar Maqueda, Sergio Toledo, Julio Pacher, David Caballero, Raúl Gregor and Marco Rivera
Actuators 2026, 15(1), 40; https://doi.org/10.3390/act15010040 - 6 Jan 2026
Abstract
Bidirectional switches are highly required power electronics units for the design of power converters, especially for direct matrix converters. This article presents the design and implementation of a compact bidirectional switch based on SiC-MOSFET technology, aimed at high-efficiency, high-density power electronics applications. The [...] Read more.
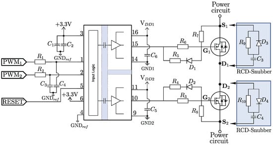
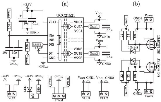
Bidirectional switches are highly required power electronics units for the design of power converters, especially for direct matrix converters. This article presents the design and implementation of a compact bidirectional switch based on SiC-MOSFET technology, aimed at high-efficiency, high-density power electronics applications. The proposed architecture employs surface-mount components, optimizing both the occupied area and electrical performance. The selected switching device is the IMBG120R053M2H from Infineon, a SiC-MOSFET known for its low on-resistance, high reverse-voltage blocking capability, and excellent switching speed. To drive the power devices, the UCC21521 gate driver integrates two independent isolated outputs in a single package, enabling precise control and reduced electromagnetic interference (EMI). The developed design supports bidirectional current conduction and voltage blocking, offering a robust and scalable solution for next-generation power converters. Design criteria, simulation results, and experimental validations are discussed. Full article
(This article belongs to the Special Issue Power Electronics and Actuators—Second Edition)
Show Figures

Figure 1

25 pages, 4207 KB  
Article
SiC MOSFET Switching Dynamics and Power Conversion Loss Characterization Under Parametric Variations
by Jamlick M. Kinyua and Mutsumi Aoki
Energies 2025, 18(23), 6264; https://doi.org/10.3390/en18236264 - 28 Nov 2025
Cited by 1 | Viewed by 677
Abstract
In pursuit of enhancing the performance of power converters, high-frequency power devices have become indispensable due to their superior switching capabilities, reduced conduction loss, and enhanced thermal performance. However, optimizing their efficiency requires a profound comprehension of the interplay between various parameters (the [...] Read more.
In pursuit of enhancing the performance of power converters, high-frequency power devices have become indispensable due to their superior switching capabilities, reduced conduction loss, and enhanced thermal performance. However, optimizing their efficiency requires a profound comprehension of the interplay between various parameters (the current, voltage, and gate resistance) on switching dynamics and power losses. This study presents a comprehensive framework of loss characterization with multi-parametric variations. The influence of drain-source current (Ids), DC voltage (Vdc), and gate resistor (Rg) on switching and conduction losses are explicitly quantified. A significant contribution of this study lies in the comprehensive analytical and empirical characterization of the turn-on and turn-off power dissipation dynamics in SiC MOSFETs, emphasizing the intricate interplay between parameters and efficiency. Conventional studies primarily focus on empirical loss characterization, yet this work advances the field by introducing a predictive loss model that systematically correlates Rg, Ids, and Vdc variations with induced switching dynamics, and EMI mitigation strategies. Increasing Rg effectively suppresses voltage overshoots and mitigates ringing effects, concurrently prolonging switching events, thereby broadening the power dissipation profile and influencing system-level performance. Furthermore, this study rigorously evaluates the commutation behavior of the SiC MOSFET/SBD pair, providing an in-depth examination of its dynamic loss characterization under varying conditions. This novel insight establishes a crucial framework for efficiency drive optimization. Full article
(This article belongs to the Special Issue Advancements in Power Electronics for Power System Applications)
Show Figures

Figure 1

23 pages, 7471 KB  
Article
Analysis of Transition Mode Operation and Characteristic Curves in a Buck–Boost Converter for Unmanned Guided Vehicles
by Kai-Jun Pai, Chih-Tsung Chang and Tzu-Chi Li
Electronics 2025, 14(22), 4388; https://doi.org/10.3390/electronics14224388 - 10 Nov 2025
Viewed by 316
Abstract
This study presents the development of a buck–boost converter for application in unmanned guided vehicles (UGVs). The converter was designed with its input connected to a lithium iron phosphate battery pack and its output connected to an inverter. This configuration enabled the inverter, [...] Read more.
This study presents the development of a buck–boost converter for application in unmanned guided vehicles (UGVs). The converter was designed with its input connected to a lithium iron phosphate battery pack and its output connected to an inverter. This configuration enabled the inverter, which powered the drive motor, to receive a stable DC voltage, thereby mitigating the effects of battery voltage fluctuations and enhancing the overall system stability. A pulse-width modulation (PWM) controller was employed to regulate the developed buck–boost converter. During the transition from buck mode to buck–boost mode, both power MOSFETs were simultaneously turned on; however, the datasheet of the PWM controller did not provide operational details or characteristic curve analysis for this mode. Therefore, this study derived the relationship between voltage gain and duty cycle ratio for the transition mode. To analyze the input voltage versus duty cycle characteristics, the linear equation was employed. This analytical model was adjusted to meet different converter specifications developed for experimental validation. Furthermore, the external-connect test capacitor method was used to extract the equivalent parasitic inductance and capacitance present in the practical circuit of the buck–boost converter. Based on these parameters, a snubber circuit was designed and connected across the drain–source terminals of the power MOSFETs to suppress voltage spikes occurring at the junctions. Finally, the developed buck–boost converter prototype was installed on an unmanned guided vehicle to convert the power from the lithium battery pack into the input power required by two inverters. A computer host was used to control the motor speed. By measuring the output voltage and current of the buck–boost converter, its electrical functionality and performance specifications were verified. The dimensions of the developed UGV chassis prototype were 40 cm in length, 45 cm in width, and 18.3 cm in height. Full article
Show Figures

Figure 1

18 pages, 5317 KB  
Article
Development and Optimization of a 10-Stage Solid-State Linear Transformer Driver
by Keegan Kelp, Dawson Wright, Kirk Schriner, Jacob Stephens, James Dickens, John Mankowski, Zach Shaw and Andreas Neuber
Energies 2025, 18(19), 5129; https://doi.org/10.3390/en18195129 - 26 Sep 2025
Viewed by 619
Abstract
This work details the development of a 10-stage solid-stage linear transformer driver (SSLTD) capable of producing 24 kV, 1 kA pulses with a rise-time of ∼10 ns utilizing SiC MOSFET switches. Throughout the development process, various design parameters were investigated for their influence [...] Read more.
This work details the development of a 10-stage solid-stage linear transformer driver (SSLTD) capable of producing 24 kV, 1 kA pulses with a rise-time of ∼10 ns utilizing SiC MOSFET switches. Throughout the development process, various design parameters were investigated for their influence on the LTD’s performance. Among these considerations was an evaluation of the behavior of several nanocrystalline magnetic core materials subject to high-voltage pulsed conditions, with an emphasis on minimizing energy losses. Another design parameter of interest lies in the physical layout of the LTD structure, particularly the diameter of the central stalk and the dielectric material, which together define the characteristics of the coaxial transmission line, as well as the overall height of each stage. The influence of each of these parameters was weighed to optimize the final design for fastest output pulse rise-time, highest efficiency, and cleanest output pulse waveform profile across varying load resistance. This work also introduces a pulsed reset technique, where repetition-rated burst testing was used to find the maximum operational frequency of the LTD without driving the magnetic cores into saturation. Full article
(This article belongs to the Special Issue Advancements in Electromagnetic Technology for Electrical Engineering)
Show Figures

Figure 1

22 pages, 7371 KB  
Article
Online Junction Temperature Measurement for Power MOSFETs Using the Body Diode Under Varying Forward Currents
by Xueli Zhu, Yajie Huang, Donglai Zhang, Yuepeng Zhang, Jun Wu, Bowen Jiang, Linzhong Xia, Bo Gao and Changwei Lv
Energies 2025, 18(19), 5045; https://doi.org/10.3390/en18195045 - 23 Sep 2025
Cited by 1 | Viewed by 1138
Abstract
Power metal-oxide-semiconductor field-effect transistors (MOSFETs) provide numerous advantages and are widely utilized in various power circuits. The junction temperature plays a critical role in determining the reliability, performance, and operational lifetime of power MOSFETs. Therefore, accurate monitoring of the junction temperature of power [...] Read more.
Power metal-oxide-semiconductor field-effect transistors (MOSFETs) provide numerous advantages and are widely utilized in various power circuits. The junction temperature plays a critical role in determining the reliability, performance, and operational lifetime of power MOSFETs. Therefore, accurate monitoring of the junction temperature of power MOSFETs is essential to ensure the safe operation of power circuit systems. In bridge or motor drive circuits, MOSFETs often operate in a freewheeling state via the body diode, where the freewheeling current is typically variable. The proposed method for junction temperature measurement utilizes the body diode and is designed to accommodate varying forward currents. It also accounts for the temperature-dependent ideality factor to improve measurement accuracy. By integrating the forward voltage and forward current of the body diode, this approach reduces the required sampling frequency. To validate the method’s effectiveness, three representative types of power MOSFETs, a Si MOSFET (IRF520), a SiC MOSFET (C2M0080120D), and an aerospace-grade radiation-hardened MOSFET (RSCS25045T1RH), were used to measure junction temperatures before and after irradiation. Following ideality factor correction, the maximum absolute error compared to reference measurements from thermocouples and a thermal imager remained within 2 K across the temperature range of 300 K to 420 K. Experimental results confirm the feasibility of the proposed method. Full article
(This article belongs to the Special Issue Advancements in Power Electronics for Power System Applications)
Show Figures

Figure 1

14 pages, 4689 KB  
Article
Digital Push–Pull Driver Power Supply Topology for Nondestructive Testing
by Haohuai Xiong, Cheng Guo, Qing Zhao and Xiaoping Huang
Sensors 2025, 25(18), 5839; https://doi.org/10.3390/s25185839 - 18 Sep 2025
Viewed by 676
Abstract
Push–pull switch-mode power supplies are widely employed due to their high efficiency and power density. However, traditional designs typically depend on multiple auxiliary circuits to achieve functions such as power-up control, voltage regulation, and system protection, resulting in structural complexity and difficulty in [...] Read more.
Push–pull switch-mode power supplies are widely employed due to their high efficiency and power density. However, traditional designs typically depend on multiple auxiliary circuits to achieve functions such as power-up control, voltage regulation, and system protection, resulting in structural complexity and difficulty in debugging. Additionally, dual-power high-voltage amplifier systems often suffer from voltage deviations caused by supply imbalances or load fluctuations, potentially leading to equipment failure and significant economic losses. To overcome these limitations, we propose a novel digital signal-controlled push–pull driver power supply topology in this paper. Specifically, this design utilizes digital pulse-width modulation (PWM) signals to control multi-stage metal-oxide-semiconductor field-effect transistors (MOSFETs), incorporating adjustable duty-cycle drives, multi-channel current sensing, and fault protection mechanisms. Experimental validation was performed on a ±220 V, 20 kHz, 180 W power supply prototype. The results demonstrate excellent performance, notably enhancing stability and reliability in dual-side synchronous power supply scenarios. Thus, this digital-control topology effectively addresses the drawbacks of conventional push–pull designs and offers potential applications in nondestructive testing and high-voltage driving systems. Full article
(This article belongs to the Section Fault Diagnosis & Sensors)
Show Figures

Figure 1

30 pages, 6054 KB  
Article
Development of a High-Switching-Frequency Motor Controller Based on SiC Discrete Components
by Shaokun Zhang, Jing Guo and Wei Sun
World Electr. Veh. J. 2025, 16(8), 474; https://doi.org/10.3390/wevj16080474 - 19 Aug 2025
Viewed by 1710
Abstract
Discrete Silicon Carbide Metal-Oxide-Semiconductor Field-Effect Transistors (SiC MOSFETs) are characterized by their lower parasitic parameters and single-chip design, enabling them to achieve even faster switching speeds. However, the rapid rate of change in voltage (dv/dt) and current (di/dt) can lead to overshoot and [...] Read more.
Discrete Silicon Carbide Metal-Oxide-Semiconductor Field-Effect Transistors (SiC MOSFETs) are characterized by their lower parasitic parameters and single-chip design, enabling them to achieve even faster switching speeds. However, the rapid rate of change in voltage (dv/dt) and current (di/dt) can lead to overshoot and oscillation in both voltage and current, ultimately limiting the performance of high-frequency operations. To address this issue, this paper presents a high-switching-frequency motor controller that utilizes discrete SiC MOSFETs. To achieve a high switching frequency for the controller while minimizing current oscillation and voltage overshoot, a novel electronic system architecture is proposed. Additionally, a passive driving circuit is designed to suppress gate oscillation without the need for additional control circuits. A new printed circuit board (PCB) laminate stack featuring low parasitic inductance, high current conduction capacity, and efficient heat dissipation is also developed using advanced wiring technology and a specialized heat dissipation structure. Compared to traditional methods, the proposed circuit and bus design features a simpler structure, a higher power density, and achieves a 13% reduction in current overshoot, along with a 15.7% decrease in switching loss. The silicon carbide (SiC) controller developed from this research has successfully undergone double-pulse and power testing. The results indicate that the designed controller can operate reliably over extended periods at a switching frequency of 50 kHz, achieving a maximum efficiency of 98.2% and a power density of 9 kW/kg (10 kW/L). The switching frequency and quality density achieved by the controller have not been observed in previous studies. This controller is suitable for use in the development of new energy electrical systems. Full article
Show Figures

Figure 1

28 pages, 10200 KB  
Article
Real-Time Temperature Estimation of the Machine Drive SiC Modules Consisting of Parallel Chips per Switch for Reliability Modelling and Lifetime Prediction
by Tamer Kamel, Olamide Olagunju and Temitope Johnson
Machines 2025, 13(8), 689; https://doi.org/10.3390/machines13080689 - 5 Aug 2025
Viewed by 1187
Abstract
This paper presents a new methodical procedure to monitor in real time the junction temperature of SiC Power MOSFET modules of parallel-connected chips utilized in machine drive systems to develop their reliability modelling and predict their lifetime. The paper implements the on-line measurements [...] Read more.
This paper presents a new methodical procedure to monitor in real time the junction temperature of SiC Power MOSFET modules of parallel-connected chips utilized in machine drive systems to develop their reliability modelling and predict their lifetime. The paper implements the on-line measurements of temperature-sensitive electrical parameters (TSEP) approach, particularly the quasi-threshold voltage and the on-state drain to source voltage, to estimate the junction temperature in real time. The proposed procedure firstly applied computational fluid dynamics analysis on the module under study to determine the chip which undergoes the maximum junction temperature during typical operation of the module. Then, a calibration phase, using double-pulse tests on the selected chip, is used to generate look-up tables to relate the TSEPs under study to the junction temperature. Next, the real-time estimation of junction temperature was accomplished during the on-line operation of the three-phase inverter, taking into account the induced distortion/noises due to operation of the parallel-connected chips in the module. After that, a comparison between the two TSEPs under study was provided to demonstrate their advantages/drawbacks. Finally, reliability modelling was developed to predict the lifetime of the studied module based on the estimated junction temperature under a predetermined mission profile. Full article
(This article belongs to the Special Issue Power Converters: Topology, Control, Reliability, and Applications)
Show Figures

Figure 1

25 pages, 3566 KB  
Article
Active Gate Drive Based on Negative Feedback for SiC MOSFETs to Suppress Crosstalk Parasitic Oscillation and Avoid Decreased Efficiency
by Tiancong Shao, Yuhan Sun, Zhitong Bai, Trillion Q. Zheng, Yajing Zhang and Pengyu Jia
Electronics 2025, 14(11), 2100; https://doi.org/10.3390/electronics14112100 - 22 May 2025
Viewed by 1778
Abstract
The high switching speed of SiC MOSFETs can induce resonance between parasitic inductors and capacitors, owing to rapid changes in current and voltage, leading to excessive crosstalk parasitic oscillation. This can increase SiC MOSFETs’ gate oxide voltage stress, reducing their service life and [...] Read more.
The high switching speed of SiC MOSFETs can induce resonance between parasitic inductors and capacitors, owing to rapid changes in current and voltage, leading to excessive crosstalk parasitic oscillation. This can increase SiC MOSFETs’ gate oxide voltage stress, reducing their service life and even directly leading to gate overvoltage failure. However, there is still a lack of investigations of active control of gate driving in systematic converters because crosstalk parasitic oscillation, indicated by high frequencies in MHz, is challenging to control in a power converter with gate voltage stability and high switching speed. This paper investigates an active gate drive based on negative feedback to fully drive SiC MOSFETs with high efficiency and stable gate voltage to exploit the advantages of high dv/dt over 20 V/ns in SiC MOSFETs and further realize the miniaturization of power conversion systems. It first investigates a dynamic model of SiC MOSFET gate-interfered oscillation in parallel application derived from a circuit with equivalent junction capacitance in power devices. Then, the operating principle of the Negative Feedback Active Gate Drive (NFAGD) application strategy for parallel SiC MOSFETs is demonstrated. Finally, the experiment verifies the proposed strategy’s effectiveness in suppressing crosstalk parasitic oscillation in parallel SiC MOSFETs, and an 8 kW synchronous buck converter prototype is built to verify the NFAGD’s performance in systematic converter applications. Full article
Show Figures

Figure 1

18 pages, 5857 KB  
Article
Self-Powered Triboelectric Ethanol Sensor Based on CuO-Doped Electrospun PVDF Fiber with Enhanced Sensing Performance
by Quanyu He, Hyunwoo Cho, Inkyum Kim, Jonghwan Lee and Daewon Kim
Polymers 2025, 17(10), 1400; https://doi.org/10.3390/polym17101400 - 20 May 2025
Cited by 1 | Viewed by 1228
Abstract
Electrospinning techniques have been widely applied in diverse applications, such as biocompatible membranes, energy storage systems, and triboelectric nanogenerators (TENGs), with the capability to incorporate other functional materials to achieve specific purposes. Recently, gas sensors incorporating doped semiconducting materials fabricated by electrospinning have [...] Read more.
Electrospinning techniques have been widely applied in diverse applications, such as biocompatible membranes, energy storage systems, and triboelectric nanogenerators (TENGs), with the capability to incorporate other functional materials to achieve specific purposes. Recently, gas sensors incorporating doped semiconducting materials fabricated by electrospinning have been extensively investigated. TENGs, functioning as self-powered energy sources, have been utilized to drive gas sensors without external power supplies. Herein, a self-powered triboelectric ethanol sensor (TEES) is fabricated by integrating a TENG and an ethanol gas sensor into a single device. The proposed TEES exhibits a significantly improved response time and lower detection limit compared to published integrated triboelectric sensors. The device achieves an open-circuit voltage of 51.24 V at 800 rpm and a maximum short-circuit current of 7.94 μA at 800 rpm. Owing to the non-contact freestanding operating mode, the TEES shows no significant degradation after 240,000 operational cycles. Compared with previous studies that integrated TENGs and ethanol sensors, the proposed TEES demonstrated a marked improvement in sensing performance, with a faster response time (6 s at 1000 ppm) and a lower limit of detection (10 ppm). Furthermore, ethanol detection is enabled by modulating the gate terminal of an IRF840 metal-oxide semiconductor field-effect transistor (MOSFET), which controls the illumination of a light-emitting diode (LED). The LED is extinguished when the electrical output decreases below the setting value, allowing for the discrimination of intoxicated states. These results suggest that the TEES provides a promising platform for self-powered, high-performance ethanol sensing. Full article
(This article belongs to the Section Polymer Fibers)
Show Figures

Graphical abstract

27 pages, 31117 KB  
Article
Digital Control Scheme for Class-D Power Amplifier Driving ICP Load Without Matching Network
by Fuchao Lu and Zhengquan Zhang
Energies 2025, 18(9), 2385; https://doi.org/10.3390/en18092385 - 7 May 2025
Cited by 1 | Viewed by 1193
Abstract
Class-D power amplifiers driving variable loads, such as inductively coupled plasma (ICP), typically require an impedance matching network, which has a relatively slow matching speed, generally in the millisecond range. To address this issue, this paper proposes a solution that uses a fully [...] Read more.
Class-D power amplifiers driving variable loads, such as inductively coupled plasma (ICP), typically require an impedance matching network, which has a relatively slow matching speed, generally in the millisecond range. To address this issue, this paper proposes a solution that uses a fully digital control method for Class-D power amplifiers to directly drive ICP loads. This solution eliminates the need for an impedance matching network, reducing the overall output power regulation time to just tens of microseconds. Compared to traditional methods that use a VI probe to detect output power, the proposed method in this paper only requires measuring the resonant current in the loop to control the output power, thereby reducing costs and ensuring that the Class-D power amplifier achieves zero-voltage switching (ZVS) throughout the adjustment process. This paper provides a detailed introduction to the design method of the Class-D power amplifier and the overall digital control scheme and validates them via simulation and experimentation. The Class-D power amplifier prototype was designed using SiC MOSFETs, with a Xilinx ZYNQ-XC7Z100 FPGA as the control board. The output frequency varies around 4 MHz, successfully generating plasma. Full article
(This article belongs to the Section F3: Power Electronics)
Show Figures

Figure 1

16 pages, 14263 KB  
Article
The Planar Core–Shell Junctionless MOSFET
by Cunhua Dou, Weijia Song, Yu Yan, Xuan Zhang, Zhiyu Tang, Xing Zhao, Fanyu Liu, Shujian Xue, Huabin Sun, Jing Wan, Binhong Li, Yun Wang, Tianchun Ye, Yong Xu and Sorin Cristoloveanu
Micromachines 2025, 16(4), 418; https://doi.org/10.3390/mi16040418 - 31 Mar 2025
Cited by 3 | Viewed by 1207
Abstract
The core–shell junctionless MOSFET (CS-JL FET) meets the process requirements of FD-SOI technology. The transistor body comprises a heavily doped ultrathin layer (core linking the source and the drain), located underneath an undoped layer (shell). Drain current, transconductance, and capacitance characteristics demonstrate striking [...] Read more.
The core–shell junctionless MOSFET (CS-JL FET) meets the process requirements of FD-SOI technology. The transistor body comprises a heavily doped ultrathin layer (core linking the source and the drain), located underneath an undoped layer (shell). Drain current, transconductance, and capacitance characteristics demonstrate striking performance improvement compared with conventional junctionless MOSFETs. The addition of the shell results in one order of magnitude higher mobility (peak value), transconductance, and drive current. The doping and thickness of the core can be engineered to achieve a positive threshold voltage for normally-off operation. The CS-JL FET is compatible with back-biasing and downscaling schemes. The physical mechanisms are revealed by emphasizing the roles of the main device parameters. Full article
(This article belongs to the Section D1: Semiconductor Devices)
Show Figures

Figure 1

10 pages, 4171 KB  
Article
A 4T1C Pixel Circuit with Threshold Voltage Compensation for Organic Light-Emitting Diode on Silicon Microdisplays
by Jian Sun, Chen Li, Yuexin Cao, Liangde Lai and Weichen Song
Electronics 2025, 14(5), 824; https://doi.org/10.3390/electronics14050824 - 20 Feb 2025
Cited by 1 | Viewed by 2654
Abstract
In this paper, a pixel circuit consists of four MOSFETs and one capacitor is proposed for Organic Light-Emitting Diode on Silicon (OLEDoS) microdisplays. The proposed pixel circuit enhances luminance uniformity by compensating for the threshold voltage variation of the driving transistors by the [...] Read more.
In this paper, a pixel circuit consists of four MOSFETs and one capacitor is proposed for Organic Light-Emitting Diode on Silicon (OLEDoS) microdisplays. The proposed pixel circuit enhances luminance uniformity by compensating for the threshold voltage variation of the driving transistors by the capacitive coupling effect. Even with a threshold voltage variation of ±20 mV, the HSPICE simulation results reveal that the driving current offset stays between −0.89 and 0.70 LSB, which is more than seven times smaller than that of the conventional 2T1C pixel circuit. Additionally, a two-stage DAC driving scheme has been utilized to achieve 256 gray levels, aiming to reduce the accuracy requirements for the DAC circuit. The proposed pixel circuit demonstrates significant potential in high-performance OLEDoS microdisplay applications. Full article
Show Figures

Figure 1

17 pages, 4684 KB  
Article
Short-Circuit Performance Analysis of Commercial 1.7 kV SiC MOSFETs Under Varying Electrical Stress
by Shahid Makhdoom, Na Ren, Ce Wang, Yiding Wu, Hongyi Xu, Jiakun Wang and Kuang Sheng
Micromachines 2025, 16(1), 102; https://doi.org/10.3390/mi16010102 - 16 Jan 2025
Cited by 2 | Viewed by 2490
Abstract
The short-circuit (SC) robustness of SiC MOSFETs is critical for high-power applications, yet 1.2 kV devices often struggle to meet the industry-standard SC withstand time (SCWT) under practical operating conditions. Despite growing interest in higher voltage classes, no prior study has systematically evaluated [...] Read more.
The short-circuit (SC) robustness of SiC MOSFETs is critical for high-power applications, yet 1.2 kV devices often struggle to meet the industry-standard SC withstand time (SCWT) under practical operating conditions. Despite growing interest in higher voltage classes, no prior study has systematically evaluated the SC performance of 1.7 kV SiC MOSFETs. This study provides the first comprehensive evaluation of commercially available 1.7 kV SiC MOSFETs, analyzing their SC performance under varying electrical stress conditions. Results indicate a clear trade-off between SC withstand time (SCWT) and drain-source voltage (VDS), with SCWT decreasing from 32 µs at 400 V to 4 µs at 1100 V. Under 600 V, a condition representative of practical use cases in many high-voltage applications, the devices achieved an SCWT of 12 µs, exceeding the industry-standard 10 µs benchmark—a threshold often unmet by 1.2 kV devices under similar conditions. Failure analysis revealed gate dielectric breakdown as the dominant failure mode at VDS ≤ 600 V, while thermal runaway was observed at higher voltages (VDS = 800 V and 1100 V). These findings underscore the critical importance of robust gate drive designs and effective thermal management. By surpassing the shortcomings of lower voltage classes, 1.7 kV SiC MOSFETs can be a more reliable, and efficient choice for operating at higher voltages in next-generation power systems. Full article
(This article belongs to the Special Issue Advances in GaN- and SiC-Based Electronics: Design and Applications)
Show Figures

Figure 1

15 pages, 5913 KB  
Article
Research on Self-Excited Inverter Rectification Method of Receiver in Wireless Power Transfer System
by Suqi Liu, Xueying Yan, Gang Wang and Yuping Liu
Processes 2025, 13(1), 89; https://doi.org/10.3390/pr13010089 - 2 Jan 2025
Viewed by 1087
Abstract
To decrease the complexity and increase the efficiency of wireless power transfer (WPT) systems, this paper proposes a novel self-excited invert rectification method for the design of the invert rectifier of the receiver (Rx). The self-excited invert rectifier can perform the self-driving and [...] Read more.
To decrease the complexity and increase the efficiency of wireless power transfer (WPT) systems, this paper proposes a novel self-excited invert rectification method for the design of the invert rectifier of the receiver (Rx). The self-excited invert rectifier can perform the self-driving and soft-switching of the MOSFETs as well as the frequency-tracking function without a microcontroller. This allows us to greatly simplify the structure of the invert rectifier and increase the transfer efficiency (TE) of the WPT system. Firstly, a self-excited invert rectifier circuit is designed, and a self-excited invert rectification method is studied. Additionally, the power loss of the self-excited invert rectifier is analyzed. Finally, the self-excited invert rectifier of the WPT experimental system is designed. The self-excited invert rectification method is then verified. The key component parameters of the self-excited invert rectifier are provided and optimized. The TE of the WPT system that includes the self-excited invert rectifier is improved by more than 5% without a microcontroller. The self-excited invert rectifier of the Rx provides a practical solution for decreasing the complexity and increasing the TE of the WPT system. Full article
(This article belongs to the Section Energy Systems)
Show Figures

Figure 1

Back to TopTop