Analysis of Transition Mode Operation and Characteristic Curves in a Buck–Boost Converter for Unmanned Guided Vehicles
Abstract
1. Introduction
- Advantage: A linear simple model is simple, easy to derive and compute, enables fixed-slope analysis, and supports monotonically decreasing or increasing trends.
- Disadvantage: It requires piecewise analysis, and the overall process can become complex.
- The converter input was connected to a lithium iron phosphate (LiFePO4) battery pack, and its output was connected to a motor driver (inverter). This configuration ensured that the motor driver consistently received a stable DC power supply, even under varying battery voltage levels or motor speed conditions, thereby enhancing the overall system stability;
- This study derived and analyzed the voltage gain of the buck–boost converter during buck-to-buck-boost transitional operation, as the mathematical model was not presented in [9,10]. To meet the rated specification of the developed prototype, a linear equation was employed to model and analyze the characteristic curve between the input voltage to duty cycle ratio;
- The power switches in the buck–boost converter were equipped with an RC snubber in conjunction with a TVS diode to achieve enhanced suppression of voltage surges. To cope with the effects of parasitic components in the circuit, the method of adding a test capacitor was adopted to estimate their values. Based on these estimations, suitable resistance and capacitance values for the snubber circuit were determined and applied; thus, the design procedure and considerations derived from the snubber design data were verified;
- The developed buck–boost converter prototype was integrated into a UGV, where it converted the lithium-ion battery power into the operating power required by two inverters to drive motors under varying speed conditions;
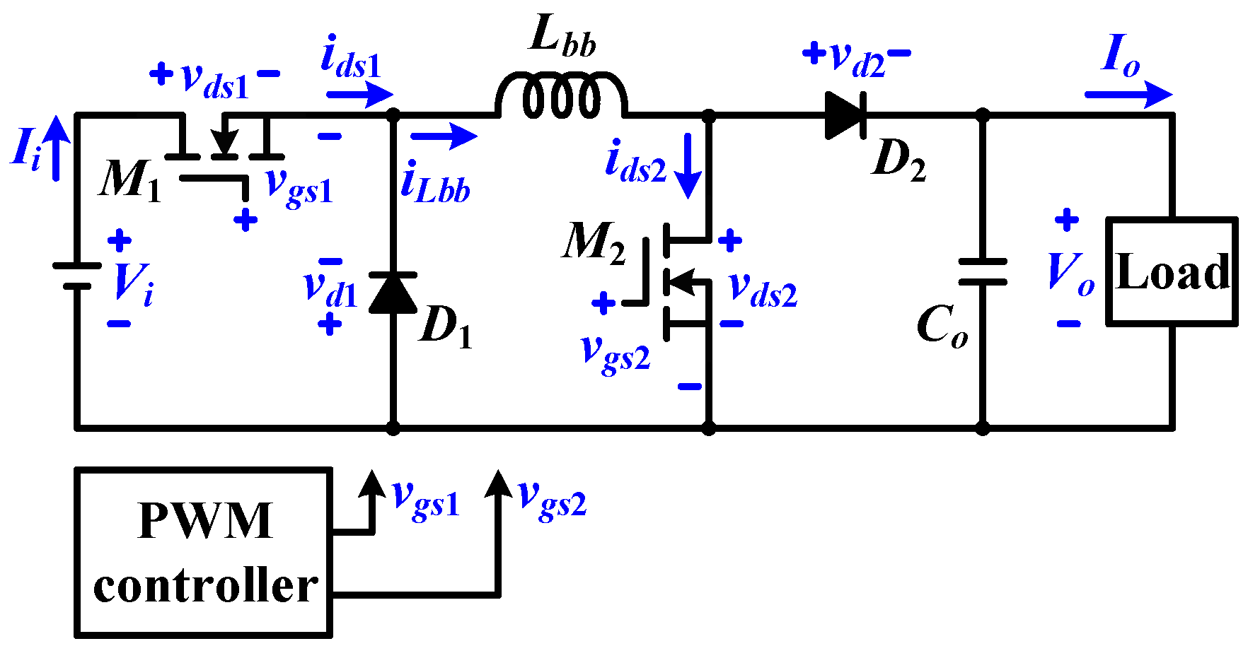
2. Powertrain Architecture and Buck–Boost Converter
- High-SOC region: Higher Vbat → higher inverter phase/line voltage → higher deliverable power → excellent waveform quality → lower total harmonic distortion.
- Low-SOC region: Lower Vbat → lower inverter phase/line → reduced deliverable power → poor waveform quality → higher total harmonic distortion.
2.1. Buck–Boost Converter
- Boost mode operation
- Buck mode operation
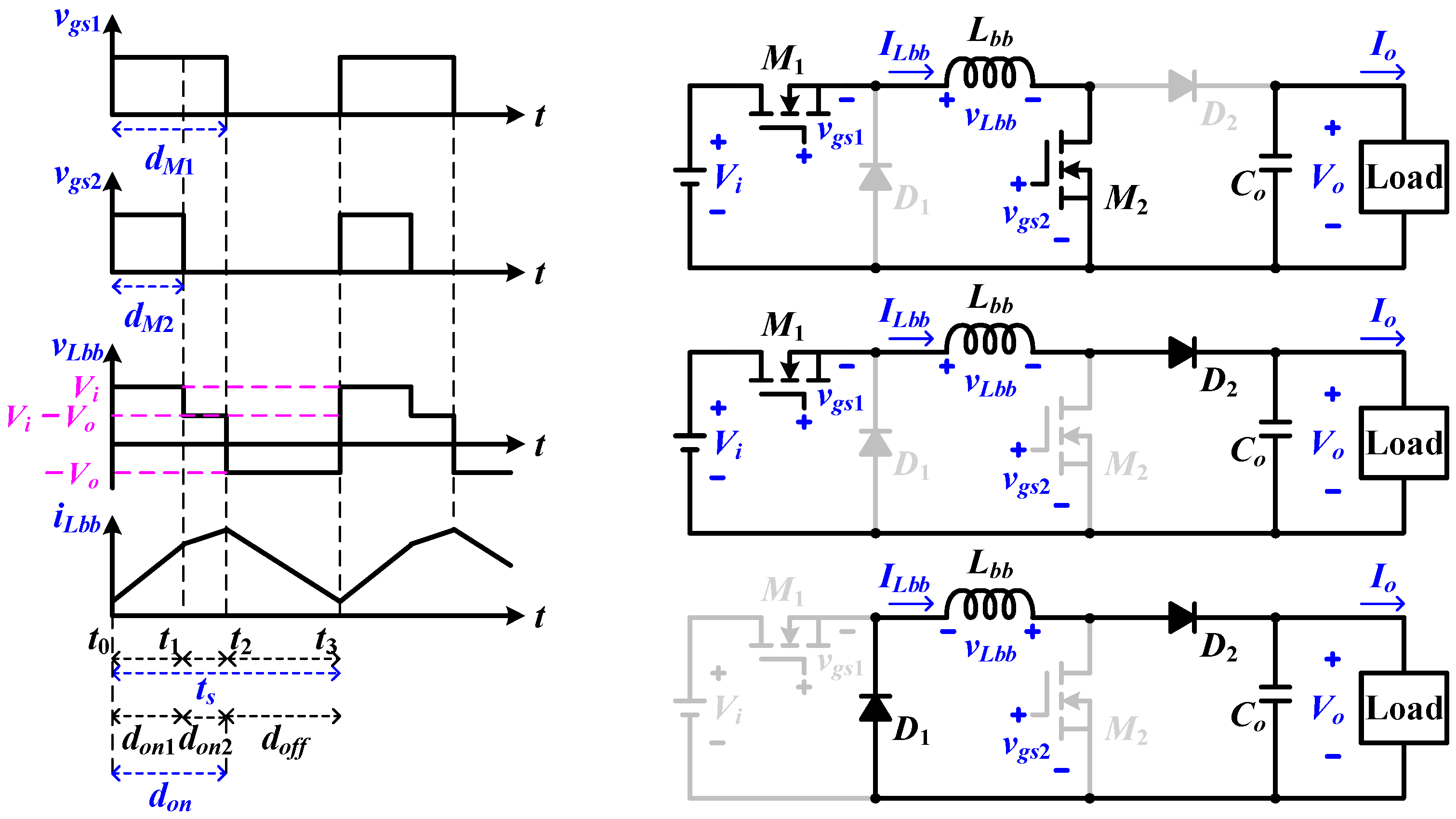
2.2. Transition from Buck Operation Mode to Buck–Boost Operation Mode
- The output voltage Vo was set to 12 V, and the duty cycle ratios of power MOSFETs M1 and M2 were denoted as dM1 and dM2, respectively. In buck–boost mode operation, the maximum duty cycle ratio of dM1 was set to 0.75.
- When the buck–boost converter operated in buck mode, the duty cycle ratio of M1, as well as the input and output voltages, were expressed as follows:
- The characteristic curve of the duty cycle ratio versus input voltage exhibited an approximately linear behavior; therefore, each line segment was modeled using a linear equation expressed as:where both a and b represented constants. Additionally, k was defined as k = Vo/12, where k ≧ 1.dM1 = dM2 = a (Vi/k) + b,
- The linear equation analysis of line segments 1 to 5 is conducted as follows.
- Segment 1: dM1 vs. Vi (16.4 to 18 V)
- 1.
- Substituting Vo = 12 V and Vi = 16.4 V into (5) can obtain dM1 = 75%, substituting Vo = 12 V and Vi = 16.4 V into (5) yields dM1 = 66.67%.
- 2.
- Substituting Vi = 16.4 V and dM1 = 75%, and Vi = 18 V and dM1 = 66.67% into (6), the linear equation for this segment can be derived as follows:
- Segment 2: dM2 vs. Vi (16.4 to 18 V)
- Segment 3: dM1 vs. Vi (13.2 to 16.4 V)
- (1)
- Substituting Vi < 16 V and Vo = 12 V into (5) can yields dM1 > 75%; however, according to the setting specification in [9], the PWM controller limits dM1 to no more than 75%.
- (2)
- Substituting Vi = 16.4 V and dM1 = 75%, as well as Vi = 13.2 V and dM1 = 50% into (6), the linear equation for this segment can be derived as follows:
- Segment 4: dM2 vs. Vi (13.2 to 16.4 V)
- Segment 5: dM1 and dM2 vs. Vi (12 to 13.2 V)
2.3. Calculation of Component Values and Rated Specification
- Calculation of inductance value
- Rated specifications of power MOSFET and diode
- Output capacitor
2.4. Snubber Circuit
3. Design Consideration
- Inductance value calculation
- Specifications of power MOSFET and diode
- Output capacitance value calculation
- Characteristic Curve of Input Voltage–to–Duty Cycle Ratio
- (1)
- Substituting Vi = 32.8 V to 36 V and k = 2 into (7), the line segment w1 was obtained.
- (2)
- When Vo = 24 V and Vi = 32.8 V to 36 V, the buck–boost converter operated in buck mode.
- (3)
- Therefore, when dM1 ≤ 0.75 and dM2 = 0, the corresponding region was represented by line segment w2.
- (4)
- Substituting Vi = 26.4 V to 32.8 V and k = 2 into (8), the line segment w3 was obtained.
- (5)
- Substituting Vi = 26.4 V to 32.8 V and k = 2 into (9), the line segment w4 was obtained.
- (6)
- When Vi = 24 V to 26.4 V, the buck–boost converter was operated in the buck–boost mode. In this voltage range, the duty cycle ratios of dM1 and dM2 both vary around 0.5, corresponding to line segment w5.
4. Experimental Result
- Transition from buck operation mode to buck–boost operation mode
- With RC snubber circuit
5. Conclusions
Author Contributions
Funding
Data Availability Statement
Acknowledgments
Conflicts of Interest
References
- Kattamudi, K.; Toporski, T. Design Considerations to Sustain Automotive Crank Conditions. 2023, pp. 1–5. Available online: https://media.monolithicpower.com/mps_cms_document/d/e/design_considerations_to_sustain_automotive_crank_conditions_r1.0.pdf (accessed on 30 October 2025).
- Hegarty, T. Buck-Boost Regulator Benefits Automotive Conducted Immunity. Technical Article. Texas Instruments INC. SSZTA76. 2017, pp. 1–5. Available online: https://www.ti.com/lit/ta/sszta76/sszta76.pdf?ts=1762053481907&ref_url=https%253A%252F%252Fwww.google.com%252F (accessed on 30 October 2025).
- Visaroliya, D.; Patel, H.; Dhoru, B.; Dewani, K.; Ajay, P. Military based automated guided vehicle system. Int. J. Innov. Technol. Explor. Eng. 2020, 9, 46–49. [Google Scholar] [CrossRef]
- Conger Industries Inc. 2025. Available online: https://www.conger.com/amr-vs-agv/ (accessed on 30 October 2025).
- Niestrój, R.; Rogala, T.; Skarka, W. An energy consumption model for designing an AGV energy storage system with a PEMFC stack. Energies 2020, 13, 3435. [Google Scholar] [CrossRef]
- Schmidt, J.; Meyer-Barlag, C.; Eisel, M.; Kolbe, L.; Appelrath, H. Using battery-electric AGVs in container terminals—Assessing the potential and optimizing the economic viability. Res. Transp. Bus. Manag. 2015, 17, 99–111. [Google Scholar] [CrossRef]
- Khan, M.S.; Nag, S.S.; Das, A.; Yoon, C. Analysis and control of an input-parallel output-series connected buck-boost DC–DC converter for electric vehicle powertrains. IEEE Trans. Transp. Electrif. 2023, 9, 2015–2025. [Google Scholar] [CrossRef]
- Mathew, L.E.; Panchal, A.K. Concurrent and non-concurrent pulse-current charging for electric vehicle lithium-ion batteries. IEEE Trans. Veh. Technol. 2025, 74, 5349–5357. [Google Scholar] [CrossRef]
- Texas Instruments Inc. LM5118 Wide Voltage Range Buck-Boost Controller. Datasheet Texas Instruments Inc. SNVS556J. 2017, pp. 1–47. Available online: https://www.ti.com/lit/ds/symlink/lm5118.pdf?ts=1762016425734 (accessed on 30 October 2025).
- Texas Instruments Inc. AN-1819 LM5118 Evaluation Board. Datasheet Texas Instruments Inc. SNVA334B. 2014, pp. 1–16. Available online: https://www.ti.com/lit/ug/snva334b/snva334b.pdf?ts=1762053694226&ref_url=https%253A%252F%252Fwww.google.com%252F (accessed on 30 October 2025).
- Zhou, Y.; Jin, Y.; Xu, H.; Luo, H.; Li, W.; He, X. Heterogeneous integration of silicon-based RC snubber in SiC power module for parasitic oscillation noise reduction. IEEE Trans. Power Electron. 2023, 38, 6902–6906. [Google Scholar] [CrossRef]
- Zhang, Y.; Chen, M.; Ding, Q.; Jin, Z. Study of CM EMI and RCD-L-RC snubber in a multi-winding Flyback converter. In Proceedings of the 2024 CPSS & IEEE International Symposium on Energy Storage and Conversion (ISESC), Xi’an, China, 8–11 November 2024; pp. 1160–1164. [Google Scholar]
- Rahman, M.; Pang, T.; Shoubaki, E.; Sakib, N.; Manjrekar, M. Active voltage clamping of series connected 1.2kV SiC MOSFETs for solid state circuit breaker application. In Proceedings of the 2019 IEEE 7th Workshop on Wide Bandgap Power Devices and Applications (WiPDA), Raleigh, NC, USA, 29–31 October 2019; pp. 332–336. [Google Scholar]
- Fayyaz, A.; Ortiz, M.; Wang, Z.; Yang, T.; Wheeler, P. Paralleling of transient overvoltage protection elements within high power DC solid-state circuit breaker (SSCB) for electric/hybrid-electric aircraft. In Proceedings of the 2022 IEEE Workshop on Wide Bandgap Power Devices and Applications in Europe (WiPDA Europe), Coventry, UK, 18–20 September 2022; pp. 1–6. [Google Scholar]
- Li, T. Development and Implementation of a Buck-Boost Converter Driving a Motor Inverter. Master’s Thesis, National Taiwan Normal University, Taipei City, Taiwan, July 2023. [Google Scholar]
- Li, T.; Pai, K. Circuit simulation of a buck-boost converter using a control chip—LM5118. In Proceedings of the 2023 Conference on Information Technology and Application in Outlying Islands, Yilan, Taiwan, 6–9 December 2023; pp. 1–5. [Google Scholar]
- Infineon Tech. AG, Mobile Robots (AGV, AMR). 2024. Available online: https://www.infineon.com/cms/en/applications/robotics/mobile-robots/?redirId=63112 (accessed on 30 October 2025).
- Texas Instruments Inc. Mobile Robot. Available online: https://www.ti.com/applications/industrial/robotics/mobile-robot/overview.html (accessed on 30 October 2025).
- Hanschek, A.J.; Bouvier, Y.E.; Jesacher, E.; Grbovic, P.J. Analysis of power distribution systems based on low-voltage DC/DC power supplies for automated guided vehicles (AGV). In Proceedings of the IEEE 21st International Symposium on Power Electronics, Novi Sad, Serbia, 27–30 October 2021. [Google Scholar]
- Salam, Z.; Goodman, C.J. Compensation of fluctuating DC link voltage for traction inverter drive. In Proceedings of the 1996 Sixth International Conference on Power Electronics and Variable Speed Drives, Nottingham, UK, 23–25 September 1996; pp. 390–395. [Google Scholar]
- Vujacic, M.; Dordevic, O.; Mandrioli, R.; Grandi, G. DC-link low-frequency current and voltage ripple analysis inmultiphase voltage source inverters with unbalanced load. IET Electr. Power Appl. 2022, 16, 300–314. [Google Scholar] [CrossRef]
- Cheng, H.; Zhao, Z.; Wang, C.; Yuan, W.; Hao, J.; Li, X. The voltage feedforward based pulse width modulation strategy under the fluctuated dc-link voltage for a unidirectional five-level ac motor drive system with open-end winding connection. Int. J. Circ. Theor. Appl. 2024, 52, 2704–2723. [Google Scholar] [CrossRef]
- Element 14 An Avnet Company, ROBOTICS Automatic Guided Vehicle—AGV. 2024. Available online: https://au.element14.com/agv (accessed on 30 October 2025).
- Texas Instruments. LM5175-Q1 42 V Wide VIN Synchronous 4-Switch Buck-Boost Controller. Datasheet Texas Instruments. SNVSAD9. 2016. Available online: https://www.ti.com/lit/ds/symlink/lm5175-q1.pdf?ts=1762052698885&ref_url=https%253A%252F%252Fwww.ti.com%252Fproduct%252FLM5175-Q1 (accessed on 30 October 2025).
- Li, Z. Snubber Circuit Principle and Quick Design for the Buck Converter. Applied Report. Texas Instruments. ZHCA658. 2016. Available online: https://www.ti.com.cn/cn/lit/an/zhca658/zhca658.pdf?ts=1762047842471&ref_url=https%253A%252F%252Fwww.google.com%252F (accessed on 30 October 2025).
- Nexperia, B.V. Design RC Snubbers. Application Note. Nexperia B.V. AN11160. 2024. Available online: https://assets.nexperia.com/documents/application-note/AN11160.pdf (accessed on 30 October 2025).
- Pai, K.-J. A Reformatory model incorporating PNGV battery and three-terminal-switch models to design and implement feedback compensations of LiFePO4 battery chargers. Electronics 2019, 8, 126. [Google Scholar] [CrossRef]
- Monteiro, J.; Pires, V.F.; Foito, D.; Cordeiro, A.; Silva, J.F.; Pinto, S. A buck-boost converter with extended duty-cycle range in the buck voltage region for renewable energy sources. Electronics 2023, 12, 584. [Google Scholar] [CrossRef]
- Texas Instruments Inc. Understanding Inverting Buck-Boost Power Stages in Switch Mode Power Supplies. Application Report. Texas Instruments Inc. SLVA059B. 2019. Available online: https://www.ti.com/lit/an/slva059b/slva059b.pdf?ts=1762053250256&ref_url=https%253A%252F%252Fwww.google.com%252F (accessed on 30 October 2025).
- Lee, Y.J.; Khaligh, A.; Emadi, A. A compensation technique for smooth transitions in a noninverting buck–boost converter. IEEE Trans. Power Electron. 2009, 24, 1002–1015. [Google Scholar] [CrossRef]
- Liu, P.J.; Chang, C.W. CCM noninverting buck–boost converter with fast duty-cycle calculation control for line transient improvement. IEEE Trans. Power Electron. 2018, 33, 5097–5107. [Google Scholar] [CrossRef]
- Tiwari, R.S.; Sharma, J.P.; Gupta, O.H.; Sufyan, M.A.A. Extension of pole differential current based relaying for bipolar LCC HVDC lines. Sci. Rep. 2025, 15, 16142. [Google Scholar] [CrossRef] [PubMed]
- Zhang, S.X.; Zhang, R.; Gu, W.; Cao, G. N-1 evaluation of integrated electricity and gas system considering cyber-physical interdependence. IEEE Trans. Smart Grid 2025, 16, 3728–3742. [Google Scholar] [CrossRef]















| Input Voltage (V) | dM1 Range | dM2 Range |
|---|---|---|
| 16.4 to 18 | 0.67 to 0.75 | 0 |
| 13.2 to 16.4 | 0.75 to 0.5 | 0 to 0.5 |
| 12 to 13.2 | 0.5 | 0.5 |
| Description and Notation | Value |
|---|---|
| Buck–boost converter | |
| Input voltage, Vi | 20 to 29 V |
| Output voltage, Vo | 24 V |
| Output current, Io | 0 to 10 A |
| Maximum output power, Po | 240 W |
| Maximum duty cycle ratio, don(max) | 0.75 |
| Operating frequency, fs | 105 kHz |
| Conversion efficiency, η | >0.7 |
| Single inverter (motor driver) | |
| Rated input voltage | 24 V |
| Rated output power | 150 W |
| Single motor | |
| Rated power | 120 W |
| Rated torque | 3.9 kg-cm |
| Rated maximum speed | 3000 rpm |
| Battery pack | |
| Number of series cell | 8 |
| Voltage at SOC 30% | 26.92 V (charging at 0.5 C) |
| Voltage at SOC 50% | 27.05 V (charging at 0.5 C) |
| Voltage at SOC 70% | 27.23 V (charging at 0.5 C) |
| Capacity | 35 Ah |
| Power MOSFET | |
| Parameter description | Value |
| Drain-source stress voltage | 80 V |
| Continue drain current | 35 A |
| Power diode | |
| Forward current | 20 A |
| Forward-bias voltage | 0.75 V |
| Maximum reversed withstand voltage | 90 V |
| Input Voltage (V) | dM1 Range | dM2 Range |
|---|---|---|
| 32.8 to 36 | 0.67 to 0.75 | 0 |
| 26.4 to 32.8 | 0.75 to 0.5 | 0 to 0.5 |
| 24 to 26.4 | 0.5 | 0.5 |
| Literature | Technology Description | Topology of Switching-Mode Power Supply | Characteristic Curve Type | Linear Equation Analysis for Characteristic Curve | Snubber Design for Power Switch |
|---|---|---|---|---|---|
| [28] | Buck-boost DC–DC converters are useful as DC grid interfaces for renewable energy resources. Buck-boost DC-DC converter privileges the buck region through the extension of the duty-cycle range, enabling buck operation. | Buck-boost converter | Non-linear | Not mentioned | Not mentioned |
| [29] | Operating procedure analysis. Mathematical model derivation. | Buck-boost converter | Non-linear | Not mentioned | Not mentioned |
| [30] | To attain additional mitigation of output transients and a linear input/output voltage characteristic in buck and boost modes, the linearization of dc gain of the large-signal model in boost operation is analyzed. To improve the output voltage ripple in the applications based on noninverting buck–boost converter topologies. | Buck-boost converter | Linear | Not mentioned | Not mentioned |
| [31] | A continuous-conduction mode noninverting buck–boost converter with a fast duty-cycle calculation control and duty-cycle locking strategy. The input voltage changes, the FDCC control adopts auxiliary slopes and variable slope of the modulation signal to rapidly determine an accurate duty cycle and effectively keep the compensator output in the buck and the boost modes. | Buck-boost converter | Linear | Not mentioned | Not mentioned |
| [32] | Line commutated converter based high-voltage direct current transmission is characterized by long-distance power transfer, a complex and harsh corridor environment, and the rapid fault evolution of DC lines. An extended single and double-ended measurement-based relaying for LCC-HVDC transmission lines, utilizing the transient current measurement at the boundary of positive and negative polarity transmission lines. | Not mentioned | Not mentioned | Not mentioned | Not mentioned |
| [33] | By modelling various cyber-physical contingencies as reformulations of simulation boundaries, a variable-coefficient analytical method is devised to address scenarios characterized by discontinuity and abrupt changes. Case studies reveal several key insights. An N-1 contingency evaluation method for cyber-physical integrated electricity and gas systems. | Not mentioned | Not mentioned | Not mentioned | Not mentioned |
| This study | The relationship between voltage gain and duty cycle ratio was analytically derived. A linear equation, based on the characteristic curve provided in the original datasheet, was formulated and subsequently extended to cover the required input voltage range for this design. A buck–boost converter was developed to supply a stable DC voltage as the input power source for inverters. This design allowed the inverters to drive the motors of a UGV without being affected by fluctuations in the input voltage. | Buck-boost converter | Linear | It has been performed | It has been performed |
| dM1 | dM2 | don = dM1 | don2 = dM1 − dM2 | Vo/Vi = don/(1 − don + don2) | Vi | Vo | Vo/Vi |
|---|---|---|---|---|---|---|---|
| 0.61 | 0.31 | 0.61 | 0.3 | 0.87 | 29 V | 24 V | 0.83 |
| 0.54 | 0.54 | 0.54 | 0 | 1.17 | 24 V | 24 V | 1 |
Disclaimer/Publisher’s Note: The statements, opinions and data contained in all publications are solely those of the individual author(s) and contributor(s) and not of MDPI and/or the editor(s). MDPI and/or the editor(s) disclaim responsibility for any injury to people or property resulting from any ideas, methods, instructions or products referred to in the content. |
© 2025 by the authors. Licensee MDPI, Basel, Switzerland. This article is an open access article distributed under the terms and conditions of the Creative Commons Attribution (CC BY) license (https://creativecommons.org/licenses/by/4.0/).
Share and Cite
Pai, K.-J.; Chang, C.-T.; Li, T.-C. Analysis of Transition Mode Operation and Characteristic Curves in a Buck–Boost Converter for Unmanned Guided Vehicles. Electronics 2025, 14, 4388. https://doi.org/10.3390/electronics14224388
Pai K-J, Chang C-T, Li T-C. Analysis of Transition Mode Operation and Characteristic Curves in a Buck–Boost Converter for Unmanned Guided Vehicles. Electronics. 2025; 14(22):4388. https://doi.org/10.3390/electronics14224388
Chicago/Turabian StylePai, Kai-Jun, Chih-Tsung Chang, and Tzu-Chi Li. 2025. "Analysis of Transition Mode Operation and Characteristic Curves in a Buck–Boost Converter for Unmanned Guided Vehicles" Electronics 14, no. 22: 4388. https://doi.org/10.3390/electronics14224388
APA StylePai, K.-J., Chang, C.-T., & Li, T.-C. (2025). Analysis of Transition Mode Operation and Characteristic Curves in a Buck–Boost Converter for Unmanned Guided Vehicles. Electronics, 14(22), 4388. https://doi.org/10.3390/electronics14224388

