A SiC-MOSFET Bidirectional Switch Solution for Direct Matrix Converter Topologies
Abstract
1. Introduction
2. Bidirectional Switch Overview
3. Description of the Bidirectional Switch Design
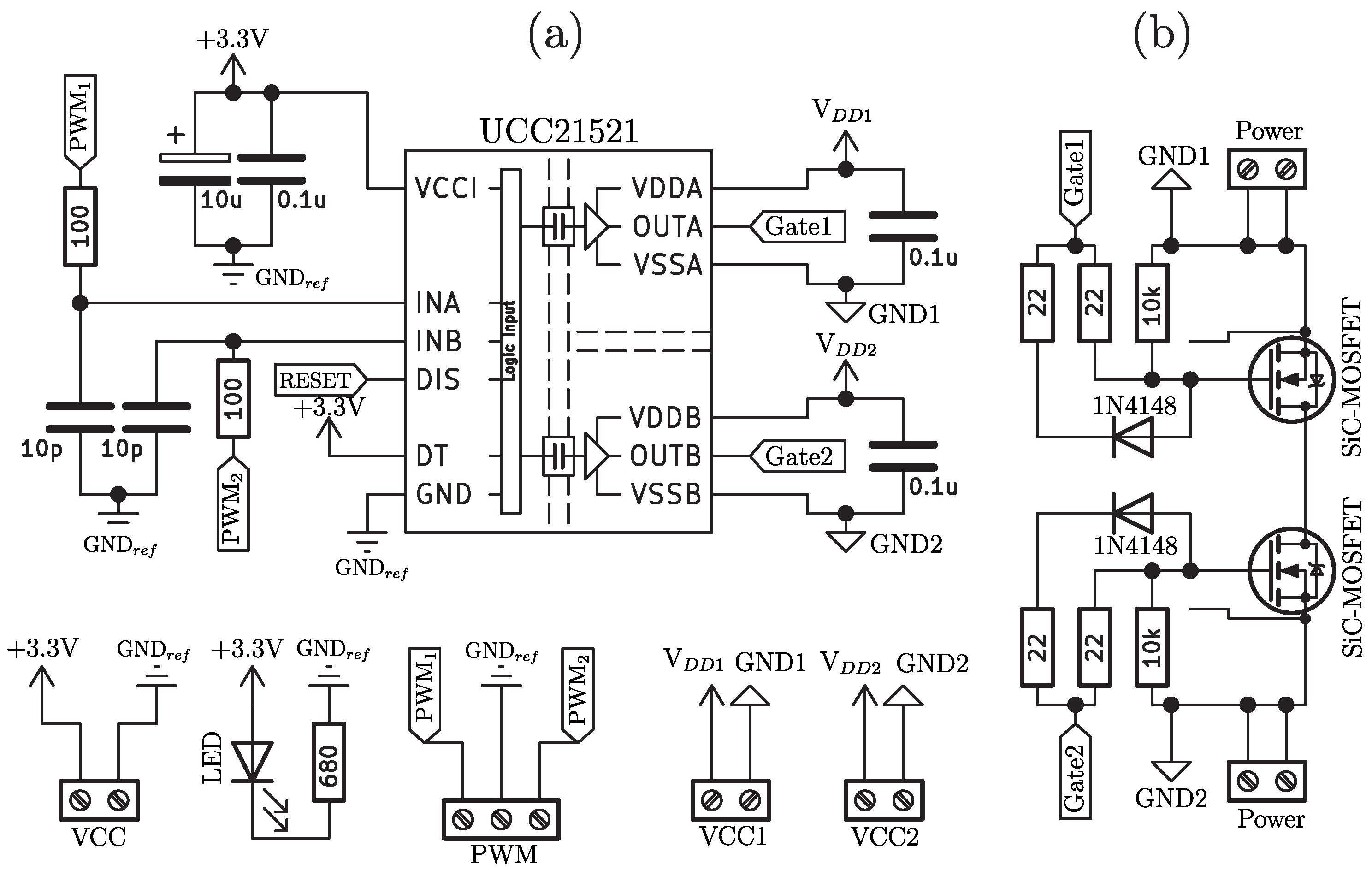
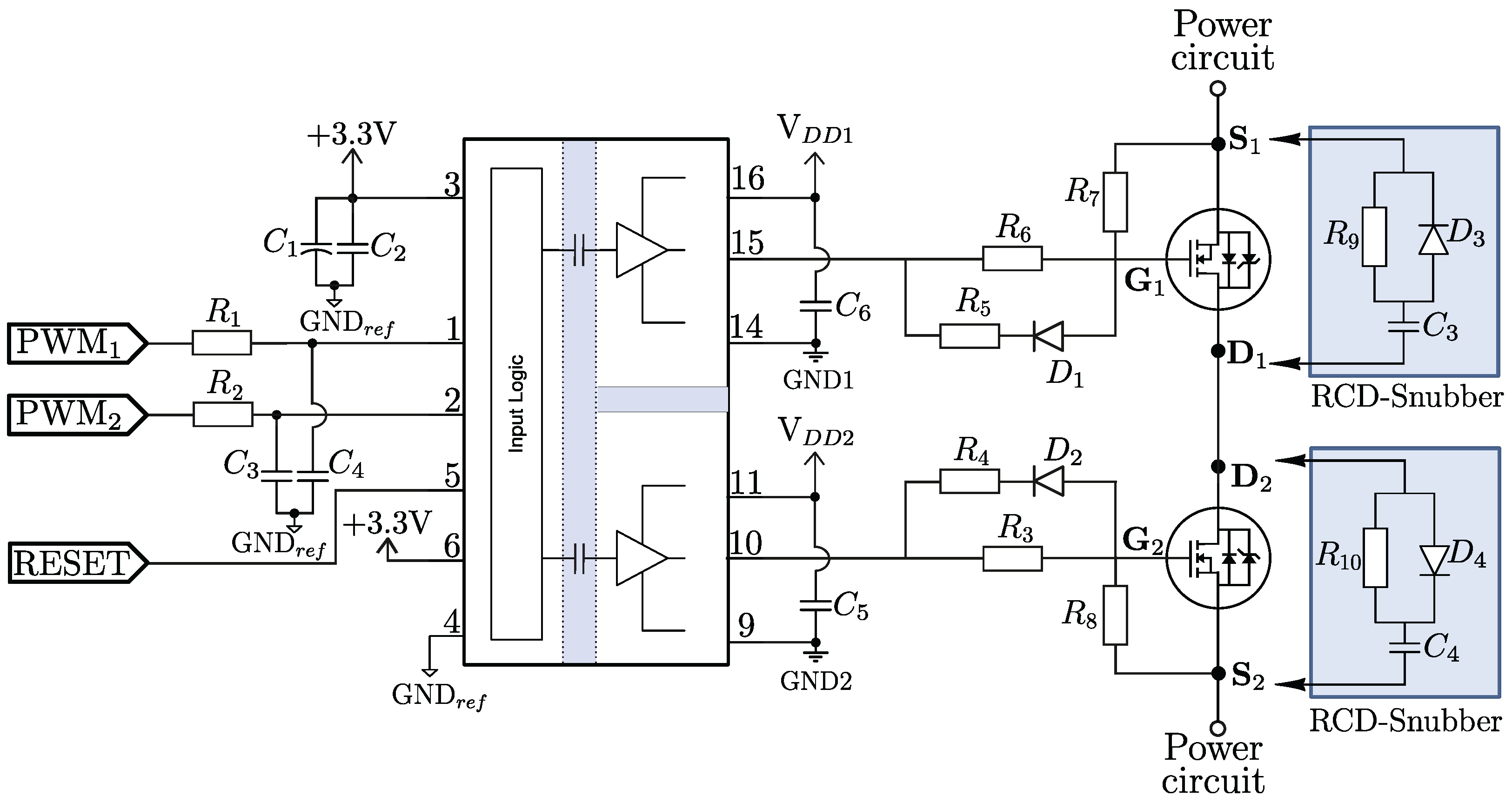
3.1. Driver Stage Design with Galvanic Isolation
3.2. Power Stage Design with SiC-MOSFET
3.3. Printed Circuit Board Design
4. Theoretical Analysis
4.1. Loss Analysis
4.2. Snubber Network Calculation
5. Results
- DC mode: used to assess the individual performance of each switch under controlled conditions with resistive or inductive loads.
- AC mode: intended to evaluate the overall behavior of the Bi-Sw when subjected to alternating signals, simulating real operating conditions such as those encountered in MC.
5.1. Preliminary Verification of Gate Driver
5.2. Snubber Evaluation
5.3. Functional Evaluation of the Bidirectional Switch Under AC Operation
5.4. Functional Evaluation of the Bidirectional Switch in DC with 300 Load
5.5. Functional Evaluation of the Bidirectional Switch in DC with RL Load
5.6. Experimental Loss Analysis
6. Conclusions
Author Contributions
Funding
Data Availability Statement
Acknowledgments
Conflicts of Interest
Abbreviations
| Bi-Sw | Bidirectional switch |
| BtB | Back-to-Back converter |
| DSP | Digital signal processor |
| EMI | Electromagnetic interferenc |
| FPGA | Field-Programmable Gate Array |
| IGBT | Insulated Gate Bipolar Transistor |
| MC | Matrix Converter |
| PEC | Power Electronic Converters |
| PCB | Printed Circuit Board |
| SiC-MOSFET | Silicon Carbide Mosfets |
| SMD | Surface Mount Device |
| VSI | Voltage Source Inverter |
References
- Murillo-Yarce, D.; Colvero, G.D.; Gómez, A.A.; Tuñón Díaz, J.; Rodríguez, A.; Vázquez, A. A Modular Power Converter Topology to Interface Removable Batteries with 400 V and 800 V Electric Powertrains. Electronics 2025, 14, 215. [Google Scholar] [CrossRef]
- Xu, Y.; Zhou, B.; Sun, X.; Tian, Y.; Jiang, X. Dynamic Modeling and Online Updating of Full-Power Converter Wind Turbines Based on Physics-Informed Neural Networks and Bayesian Neural Networks. Electronics 2025, 14, 2985. [Google Scholar] [CrossRef]
- Yıldırım, D.; Akşit, M.H.; Çadırcı, I.; Ermiş, M. All-SiC Traction Converter for Light Rail Transportation Systems: Design Methodology and Development of 165 kVA Prototype. Electronics 2022, 11, 1438. [Google Scholar] [CrossRef]
- Quizhpe, K.; Arévalo, P.; Ochoa-Correa, D.; Villa-Ávila, E. Optimizing Microgrid Planning for Renewable Integration in Power Systems: A Comprehensive Review. Electronics 2024, 13, 3620. [Google Scholar] [CrossRef]
- Burhanudin, J.; Abu Hasim, A.S.; Ishak, A.M.; Fairuz, S.M.; Dardin, S.M.; Azid, A.A.; Burhanudin, J. Simulation of AC/AC Converter using Single Phase Matrix Converter for Wave Energy Converter. In Proceedings of the 2022 IEEE International Conference in Power Engineering Application (ICPEA), Selangor, Malaysia, 1–2 March 2022; pp. 1–6. [Google Scholar] [CrossRef]
- Wu, Z. Comparative Study for Different Kinds of Matrix Converters. In Proceedings of the 2024 3rd International Conference on Power Systems and Electrical Technology (PSET), Chengdu, China, 21–23 June 2024; pp. 239–243. [Google Scholar] [CrossRef]
- Mao, H.; Wu, B.; Lan, X.; Xia, Y.; Chen, J.; Tang, L. Research on Improving the Avalanche Current Limit of Parallel SiC MOSFETs. Electronics 2025, 14, 2502. [Google Scholar] [CrossRef]
- Kovacevic-Badstuebner, I.; Mengotti, E.; Natzke, P.; Bianda, E.; Race, S.; Schuepbach, M.; Kenel, C.; Musella, D.; Jormanainen, J.; Grossner, U. Comparative Study on Power Cycling Capabilities of SiC Power MOSFET and Si IGBT Baseplate-Less Power Modules. In Proceedings of the 2024 36th International Symposium on Power Semiconductor Devices and ICs (ISPSD), Bremen, Germany, 12–16 May 2024; pp. 518–521. [Google Scholar] [CrossRef]
- Wang, Z.; Yang, C. Super-junction RB-IGBT with Suppression of Impact Ionization for Enhancing Bidirectional Blocking Capability. In Proceedings of the 2022 7th International Conference on Communication, Image and Signal Processing (CCISP), Chengdu, China, 18–20 November 2022; pp. 536–540. [Google Scholar] [CrossRef]
- Amerian, P.; Zarghani, M.; Azizi, A.S.; Kaboli, S. Enhancing Si MOSFET Reliability: Short-Circuit Protection Design, Analysis, and Experimental Validation. In Proceedings of the 2025 16th Power Electronics, Drive Systems, and Technologies Conference (PEDSTC), Tehran, Iran, 18–20 February 2025; pp. 1–5. [Google Scholar] [CrossRef]
- Zhu, Z.; Tu, C.; Xiao, B.; Long, L.; Jiang, F.; Liu, S. Research on Characteristics of SiC FET/Si IGBT and SiC MOSFET/Si IGBT Hybrid Switches. In Proceedings of the 2022 4th International Conference on Smart Power & Internet Energy Systems (SPIES), Nanjing, China, 9–12 December 2022; pp. 1532–1538. [Google Scholar] [CrossRef]
- Gong, B.; Afsharian, J.; Xu, D.; Yang, Z. A Two-Step Commutation Scheme with Analysis of Zero-Voltage Switching for Bidirectional Isolated Matrix Converter. In Proceedings of the 2023 IEEE Applied Power Electronics Conference and Exposition (APEC), Orlando, FL, USA, 19–23 March 2023; pp. 2057–2062. [Google Scholar] [CrossRef]
- Faisal, S.; Goyal, G.R.; Soni, B.P.; Husain, D.; Ahmad, F. Power Converter Applications in Electric Vehicle Charging: Exploring Matrix Converters for Grid-to-Vehicle (G2V) Charging Infrastructure. In Proceedings of the 2024 IEEE 4th International Conference on Sustainable Energy and Future Electric Transportation (SEFET), Greater Noida, India, 23–24 February 2024; pp. 1–6. [Google Scholar] [CrossRef]
- Hashemzadeh, F.; Mohammadi, V.; Sabahi, M. Hybrid Control of Bidirectional DC-DC Power Source of Electric Vehicles With Dynamical Brake. In Proceedings of the 2025 IEEE 19th International Conference on Compatibility, Power Electronics and Power Engineering (CPE-POWERENG), Tallinn, Estonia, 9–11 April 2025; pp. 1–6. [Google Scholar] [CrossRef]
- Gregor, R.; Toledo, S.; Maqueda, E.; Pacher, J. Part I—Advancements in Power Converter Technologies: A Focus on SiC-MOSFET-Based Voltage Source Converters. Energies 2023, 16, 5994. [Google Scholar] [CrossRef]
- Texas Instruments. UCC21521: Isolated Dual-Channel Gate Driver with 4-A Source and 6-A Sink Currents. Available online: https://www.ti.com/lit/ds/symlink/ucc21521.pdf (accessed on 2 June 2025).
- Infineon Technologies AG. IMBG120R053M2H CoolSiC™ 1200 V SiC MOSFET, Datasheet, Rev. 2.1. Available online: https://www.infineon.com/assets/row/public/documents/60/49/infineon-imbg120r053m2h-datasheet-en.pdf (accessed on 2 June 2025).
- Gregor, R.; Toledo, S.; Maqueda, E.; Pacher, J. Part Experimental evaluation of medium-voltage cascode gallium nitride (GaN) devices for bidirectional DC-DC converters. Ces Trans. Electr. Mach. Syst. 2021, 5, 232–248. [Google Scholar] [CrossRef]
- Wang, J.; Li, R.T.H.; Chung, H.S.H. An Investigation Into the Effects of the Gate Drive Resistance on the Losses of the MOSFET–Snubber–Diode Configuration. IEEE Trans. Power Electron. 2012, 27, 2657–2672. [Google Scholar] [CrossRef]
- Li, T.H.; Wang, J.; Chung, H.S.H. Effect of parasitic elements in a power converter on the switching performance of a MOSFET-snubber-diode configuration. In Proceedings of the 2011 Twenty-Sixth Annual IEEE Applied Power Electronics Conference and Exposition (APEC), Fort Worth, TX, USA, 6–11 March 2011; pp. 364–371. [Google Scholar] [CrossRef]
- Liu, T.; Wong, T.T.Y.; Shen, Z.J. A Survey on Switching Oscillations in Power Converters. IEEE J. Emerg. Sel. Top. Power Electron. 2020, 8, 893–908. [Google Scholar] [CrossRef]













| Parameter | Symbol | Value | Unit |
|---|---|---|---|
| Input supply voltage (control side) | 3–5.5 | V | |
| Output supply voltage (power side) | , | 13–20 | V |
| Isolation voltage | – | 5.7 | kVrms |
| Output current capability | – | 4–6 | A |
| Operating temperature range | – | to 125 | °C |
| Maximum switching frequency | – | >2 | MHz |
| Parameter | Symbol | Value | Unit |
|---|---|---|---|
| Drain-source voltage | 1200 | V | |
| Recommended turn-on gate voltage | 15–18 | V | |
| On-state drain-source resistance | 52.6 | m | |
| Maximum junction temperature (overload) | 200 | °C | |
| Short-circuit withstand time | 2 | s | |
| Gate-source threshold voltage | 4.2 | V |
Disclaimer/Publisher’s Note: The statements, opinions and data contained in all publications are solely those of the individual author(s) and contributor(s) and not of MDPI and/or the editor(s). MDPI and/or the editor(s) disclaim responsibility for any injury to people or property resulting from any ideas, methods, instructions or products referred to in the content. |
© 2026 by the authors. Licensee MDPI, Basel, Switzerland. This article is an open access article distributed under the terms and conditions of the Creative Commons Attribution (CC BY) license.
Share and Cite
Lezcano, H.; Romero, R.; Nuñez, S.; Sanabria, B.; Palacios-Pereira, F.; Maqueda, E.; Toledo, S.; Pacher, J.; Caballero, D.; Gregor, R.; et al. A SiC-MOSFET Bidirectional Switch Solution for Direct Matrix Converter Topologies. Actuators 2026, 15, 40. https://doi.org/10.3390/act15010040
Lezcano H, Romero R, Nuñez S, Sanabria B, Palacios-Pereira F, Maqueda E, Toledo S, Pacher J, Caballero D, Gregor R, et al. A SiC-MOSFET Bidirectional Switch Solution for Direct Matrix Converter Topologies. Actuators. 2026; 15(1):40. https://doi.org/10.3390/act15010040
Chicago/Turabian StyleLezcano, Hernán, Rodrigo Romero, Sergio Nuñez, Bruno Sanabria, Fabian Palacios-Pereira, Edgar Maqueda, Sergio Toledo, Julio Pacher, David Caballero, Raúl Gregor, and et al. 2026. "A SiC-MOSFET Bidirectional Switch Solution for Direct Matrix Converter Topologies" Actuators 15, no. 1: 40. https://doi.org/10.3390/act15010040
APA StyleLezcano, H., Romero, R., Nuñez, S., Sanabria, B., Palacios-Pereira, F., Maqueda, E., Toledo, S., Pacher, J., Caballero, D., Gregor, R., & Rivera, M. (2026). A SiC-MOSFET Bidirectional Switch Solution for Direct Matrix Converter Topologies. Actuators, 15(1), 40. https://doi.org/10.3390/act15010040

