Solar Powered Resonant Inverter Fed a High Voltage DC Power Supply †
Abstract
:1. Introduction
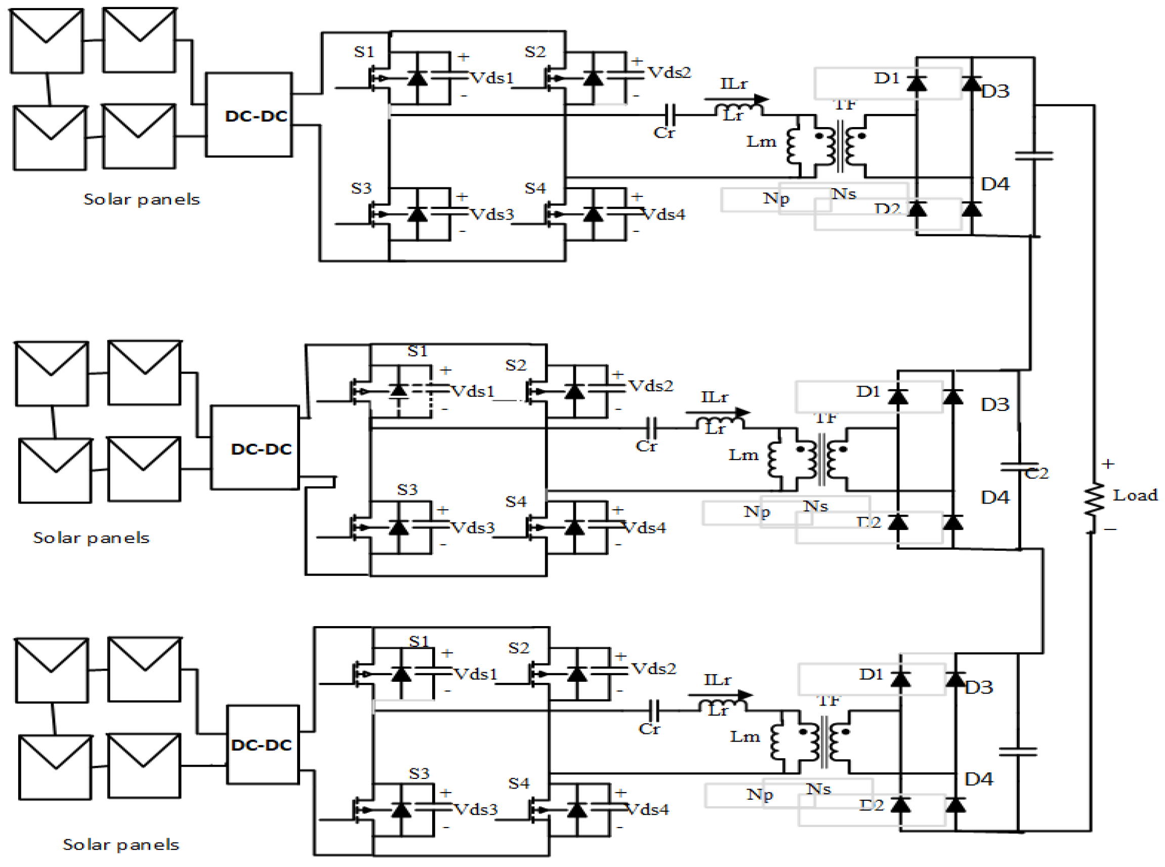
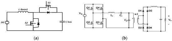
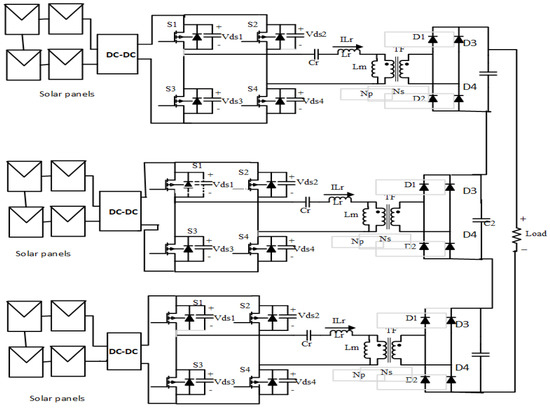
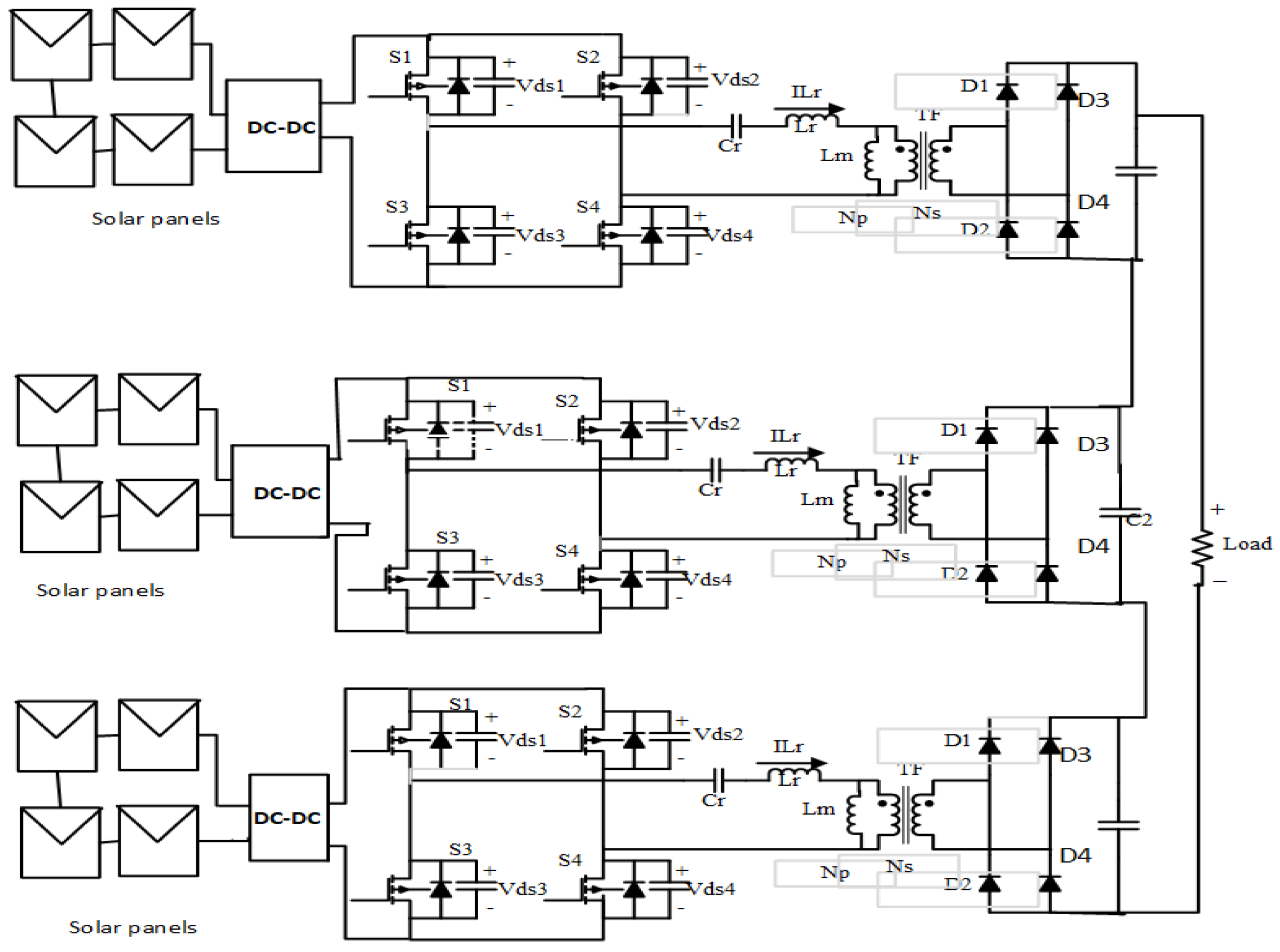
2. Proposed Converter
3. Results
4. Conclusions
Institutional Review Board Statement
Informed Consent Statement
Data Availability Statement
References
- Iqbal, S. Double LLC resonant tanks based DC-DC converter with integrated dual transformers for PV power systems. In Proceedings of the 2016 IEEE Power and Energy Conference at Illinois (PECI 2016), Urbana, IL, USA, 19–20 February 2016. [Google Scholar] [CrossRef]
- Samsudin, N.A.; Iqbal, S.; Taib, S. LLC resonant high-voltage DC-DC converter with voltage multiplier rectifier. In Proceedings of the 5th IEEE International Conference on Control System, Computing and Engineering (ICCSCE 2015), Penang, Malaysia, 27–29 November 2015; pp. 508–513. [Google Scholar] [CrossRef]
- Bhat, A.K.S. Analysis and Design of LCL-Type Series Resonant Converter. IEEE Trans. Ind. Electron. 1994, 41, 118–124. [Google Scholar] [CrossRef]
- Lee, S.S.; Iqbal, S.; Jamil, M.K.M. A new ZCS series resonant high-voltage DC power supply. In Proceedings of the PECon 2012—2012 IEEE International Conference on Power and Energy, Kota Kinabalu, Malaysia, 2–5 December 2012; pp. 44–48. [Google Scholar] [CrossRef]
- Mierczuk, M.K.K.; Thirunarayan, N.; Wang, S. Analysis of series-parallel resonant converter. IEEE Trans. Aerosp. Electron. Syst. 1993, 29, 88–99. [Google Scholar] [CrossRef]
- Lu, B.; Liu, W.; Liang, Y.; Lee, F.C.; van Wyk, J.D. Optimal design methodology for LLC resonant converter. In Proceedings of the IEEE Applied Power Electronics Conference and Exposition—APEC, Dallas, TX, USA, 19–23 March 2006; pp. 533–538. [Google Scholar] [CrossRef]
- Fang, X. Analysis and Design Optimization of Resonant Dc-dc Converters. Electronic Theses and Dissertations. 2012. Available online: https://stars.library.ucf.edu/etd/2125 (accessed on 22 February 2020).
- Azura, N.; Iqbal, S.; Taib, S. LLC resonant DC-DC converter for high voltage applications. In Proceedings of the 2014 IEEE Conference on Energy Conversion (CENCON 2014), Johor Bahru, Malaysia, 13–14 October 2014; pp. 90–95. [Google Scholar] [CrossRef]
- Tseng, S.Y.; Lin, H.C.; Chang, Y.D.; Peng, S.T.; Fan, S.Y. 10 kV high voltage generator with LLC resonant circuit for sterilizing microbe applications. In Proceedings of the IEEE Applied Power Electronics Conference and Exposition—APEC, Washington, DC, USA, 15–19 February 2009; Volume 4, pp. 1641–1646. [Google Scholar] [CrossRef]
- Tseng, S.Y.; Wu, T.F.; Chen, Y.M. Wide pulse combined with narrow-pulse generator for food sterilization. IEEE Trans. Ind. Electron. 2008, 55, 741–748. [Google Scholar] [CrossRef]





| Components | Parameters |
|---|---|
| Primary Switches (S1~S4) | Power_Mbreak (VDSS = 400 V, RDS = 0.082 Ω, ID = 31 A) |
| Resonant Inductor | 163 μH |
| Rectifier Diodes | Dbreak |
| Capacitor | 10 nF |
| Transformer | TN33_20_11_2P90 |
| Equivalent Resistance | 10 μΩ |
| Resonant Inductor | 84 μH |
| Resonant Capacitor | 0.27 μf |
Publisher’s Note: MDPI stays neutral with regard to jurisdictional claims in published maps and institutional affiliations. |
© 2022 by the authors. Licensee MDPI, Basel, Switzerland. This article is an open access article distributed under the terms and conditions of the Creative Commons Attribution (CC BY) license (https://creativecommons.org/licenses/by/4.0/).
Share and Cite
Ajmal, M.; Iqbal, S.; Arif, A. Solar Powered Resonant Inverter Fed a High Voltage DC Power Supply. Eng. Proc. 2021, 12, 70. https://doi.org/10.3390/engproc2021012070
Ajmal M, Iqbal S, Arif A. Solar Powered Resonant Inverter Fed a High Voltage DC Power Supply. Engineering Proceedings. 2021; 12(1):70. https://doi.org/10.3390/engproc2021012070
Chicago/Turabian StyleAjmal, Muhammad, Shahid Iqbal, and Arslan Arif. 2021. "Solar Powered Resonant Inverter Fed a High Voltage DC Power Supply" Engineering Proceedings 12, no. 1: 70. https://doi.org/10.3390/engproc2021012070
APA StyleAjmal, M., Iqbal, S., & Arif, A. (2021). Solar Powered Resonant Inverter Fed a High Voltage DC Power Supply. Engineering Proceedings, 12(1), 70. https://doi.org/10.3390/engproc2021012070

