Features of Fabrication of Titanium Dioxide Based Coatings for Non-Lithographic Template Electrochemical Synthesis of Micron Metal Particle Arrays
Abstract
:1. Introduction
2. Materials and Methods
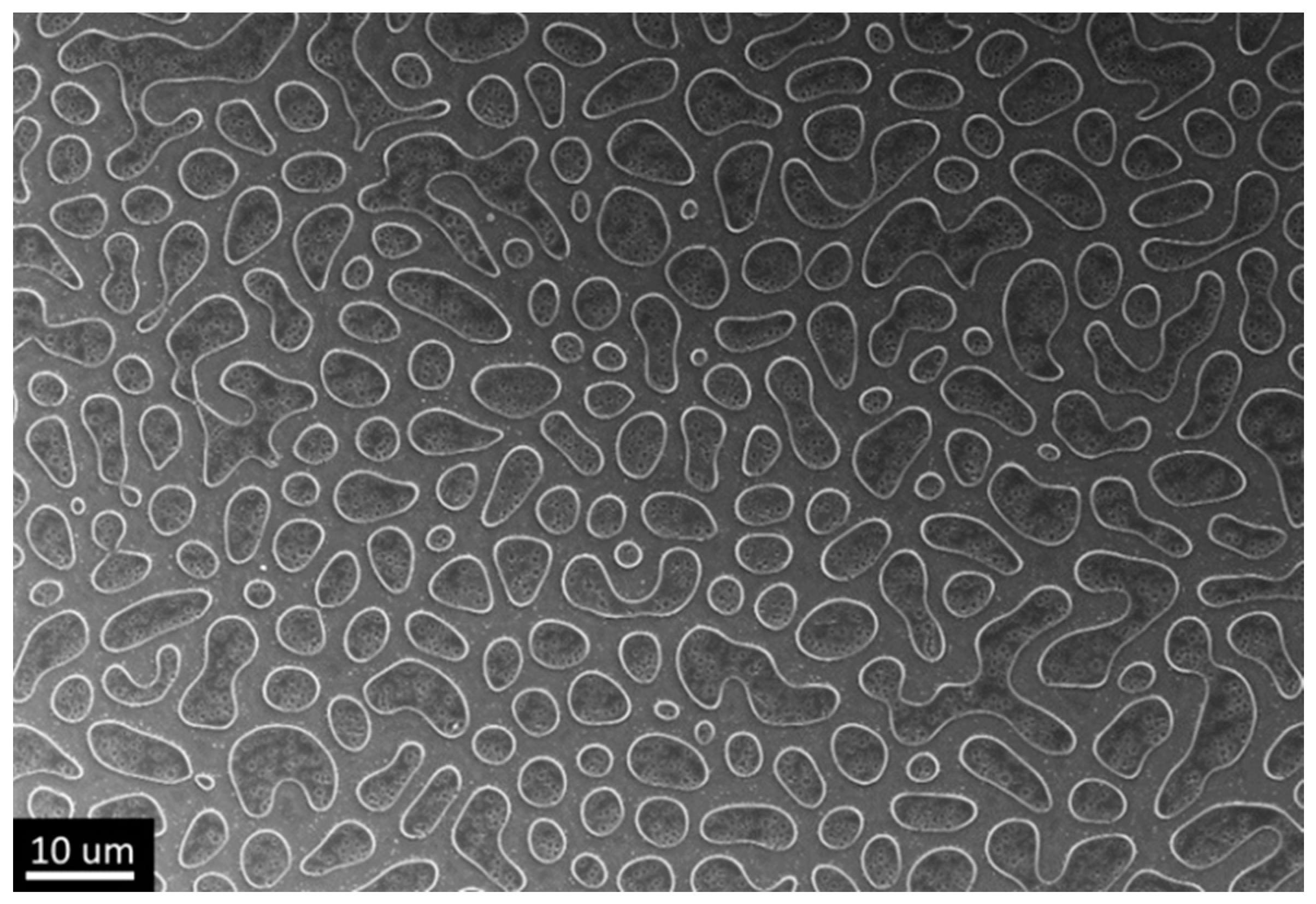
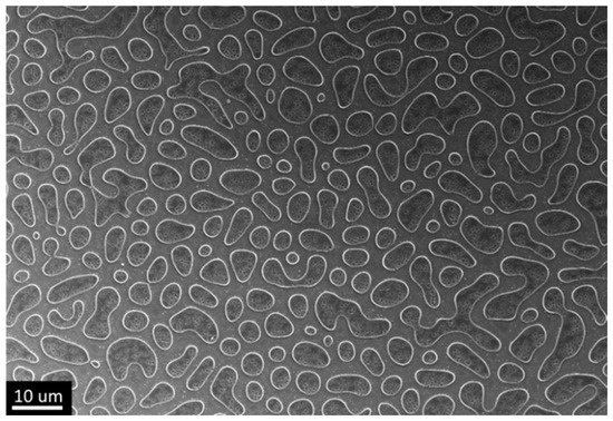
3. Results and Discussion
4. Conclusions
Author Contributions
Funding
Data Availability Statement
Acknowledgments
Conflicts of Interest
References
- Kim, P.; Kwon, K.W.; Park, M.C.; Lee, S.H.; Kim, S.M.; Suh, K.Y. Soft lithography for microfluidics: A review. Biochip J. 2008, 2, 1–11. [Google Scholar]
- Schift, H. Nanoimprint lithography: An old story in modern times? A review. J. Vac. Sci. Technol. B 2008, 26, 458–480. [Google Scholar] [CrossRef] [Green Version]
- Watt, F.; Bettiol, A.; van Kan, J.A.; Teo, E.J.; Breese, M.B.H. Ion beam lithography and nanofabrication: A review. Int. J. Nanosci. 2005, 4, 269–286. [Google Scholar] [CrossRef] [Green Version]
- Seisyan, R.P. Nanolithography in microelectronics: A review. Tech. Phys. 2011, 56, 1061–1073. [Google Scholar] [CrossRef]
- Gallagher, E.; Hibbs, M. Masks for micro- and nanolithography. In Nanolithography; Woodhead Publishing: Cambridge, UK, 2014; pp. 158–178. [Google Scholar] [CrossRef]
- Lin, Q. Properties of Photoresist Polymers. In Physical Properties of Polymers Handbook; Springer: New York, NY, USA, 2007; pp. 965–979. [Google Scholar]
- Menger, F.M. The structure of micelles. Acc. Chem. Res. 1979, 12, 111–117. [Google Scholar] [CrossRef]
- Priestly, E. Introduction to Liquid Crystals; Springer Science & Business Media: Cham, Switzerland, 2012. [Google Scholar]
- Rohwerder, M.; de Weldige, K.; Vago, E.; Viefhaus, H.; Stratmann, M. Adsorption of self-assembled monolayers of mercaptan on gold. Thin Solid Films 1995, 264, 240–245. [Google Scholar] [CrossRef]
- Michalska-Domańska, M.; Norek, M.; Stępniowski, W.; Budner, B. Fabrication of high quality anodic aluminum oxide (AAO) on low purity aluminum—A comparative study with the AAO produced on high purity aluminum. Electrochim. Acta 2013, 105, 424–432. [Google Scholar] [CrossRef]
- Shekhah, O.; Liu, J.; Fischer, R.A.; Wöll, C. MOF thin films: Existing and future applications. Chem. Soc. Rev. 2011, 40, 1081–1106. [Google Scholar] [CrossRef]
- Spontak, R.J.; Williams, M.C.; Agard, D.A. Three-dimensional study of cylindrical morphology in a styrene-butadiene-styrene block copolymer. Polymer 1988, 29, 387–395. [Google Scholar] [CrossRef]
- Roberts, G. (Ed.) Langmuir-Blodgett Films; Springer Science & Business Media: New York, NY, USA, 2013. [Google Scholar]
- Kumacheva, E.; Garstecki, P.; Wu, H.; Whitesides, G.M. Two-Dimensional Colloid Crystals Obtained by Coupling of Flow and Confinement. Phys. Rev. Lett. 2003, 91, 128301. [Google Scholar] [CrossRef] [Green Version]
- Li, Y.; Zaluzhna, O.; Tong, Y.J. Critical Role of Water and the Structure of Inverse Micelles in the Brust–Schiffrin Synthesis of Metal Nanoparticles. Langmuir 2011, 27, 7366–7370. [Google Scholar] [CrossRef] [PubMed]
- Uskokovi, V.; Drofenik, M. Synthesis of materials within reverse micelles. Surf. Rev. Lett. 2005, 12, 239–277. [Google Scholar] [CrossRef]
- Smetana, A.B.; Wang, J.S.; Boeckl, J.; Brown, G.J.; Wai, C.M. Fine-Tuning Size of Gold Nanoparticles by Cooling during Reverse Micelle Synthesis. Langmuir 2007, 23, 10429–10432. [Google Scholar] [CrossRef] [PubMed]
- Kresge, C.T.; Leonowicz, M.E.; Roth, W.; Vartuli, J.C.; Beck, J.S. Ordered mesoporous molecular sieves synthesized by a liquid-crystal template mechanism. Nature 1992, 359, 710–712. [Google Scholar] [CrossRef]
- Kruk, M.; Jaroniec, M.; Ko, C.H.; Ryoo, R. Characterization of the Porous Structure of SBA-15. Chem. Mater. 2000, 12, 1961–1968. [Google Scholar] [CrossRef]
- Alfredsson, V.; Anderson, M.W. Structure of MCM-48 Revealed by Transmission Electron Microscopy. Chem. Mater. 1996, 8, 1141–1146. [Google Scholar] [CrossRef]
- Zemtsova, E.G.; Arbenin, A.Y.; Ponomareva, A.N.; Smirnov, V.M. Synthesis of Magnetite Nanoparticles in Pores of Mesoporous Silica MSM-41 and Study of Their Magnetic Properties. Russ. J. Gen. Chem. 2018, 88, 2216–2218. [Google Scholar] [CrossRef]
- Zemtsova, E.G.; Arbenin, A.Y.; Galiullina, L.F.; Ponomareva, A.N.; Sokolova, D.N.; Smirnov, V.M. Regulation of the size of metal iron nanoparticles in channels of mesoporous silica matrices (MCM-41, SBA-15) and structure and magnetic properties of the received nanocomposites МСМ-41/Fe0 and SBA-15/Fe0. J. Nanoparticle Res. 2020, 22, 255. [Google Scholar] [CrossRef]
- Okumura, M.; Tsubota, S.; Iwamoto, M.; Haruta, M. Chemical Vapor Deposition of Gold Nanoparticles on MCM-41 and Their Catalytic Activities for the Low-temperature Oxidation of CO and of H2. Chem. Lett. 1998, 27, 315–316. [Google Scholar] [CrossRef]
- Liu, Z.; Sakamoto, Y.; Ohsuna, T.; Hiraga, K.; Terasaki, O.; Ko, C.H.; Shin, H.J.; Ryoo, R. TEM Studies of Platinum Nanowires Fabricated in Mesoporous Silica MCM-41. Angew. Chem. 2000, 39, 3107–3110. [Google Scholar] [CrossRef]
- Kim, K.; Kim, M.; Cho, S.M. Pulsed electrodeposition of palladium nanowire arrays using AAO template. Mater. Chem. Phys. 2006, 96, 278–282. [Google Scholar] [CrossRef]
- de la Prida, V.; Hernández-Vélez, M.; Cervera, M.; Pirota, K.; Sanz, R.; Navas, D.; Asenjo, A.; Aranda, P.; Ruiz-Hitzky, E.; Batallán, F.; et al. Magnetic behaviour of arrays of Ni nanowires by electrodeposition into self-aligned titania nanotubes. J. Magn. Magn. Mater. 2005, 294, e69–e72. [Google Scholar] [CrossRef]
- Jiang, P.; McFarland, M.J. Large-Scale Fabrication of Wafer-Size Colloidal Crystals, Macroporous Polymers and Nanocomposites by Spin-Coating. J. Am. Chem. Soc. 2004, 126, 13778–13786. [Google Scholar] [CrossRef]
- Sun, X.-Y.; Xu, F.-Q.; Li, Z.-M.; Zhang, W.-H. Cyclic voltammetry for the fabrication of high dense silver nanowire arrays with the assistance of AAO template. Mater. Chem. Phys. 2005, 90, 69–72. [Google Scholar] [CrossRef]
- Qin, Y.; Kong, X.-T.; Wang, Z.; Govorov, A.O.; Kortshagen, U.R. Near-Infrared Plasmonic Copper Nanocups Fabricated by Template-Assisted Magnetron Sputtering. ACS Photon. 2017, 4, 2881–2890. [Google Scholar] [CrossRef]
- Foss, C.A.; Tierney, M.J.; Martin, C.R. Template synthesis of infrared-transparent metal microcylinders: Comparison of optical properties with the predictions of effective medium theory. J. Phys. Chem. 1992, 96, 9001–9007. [Google Scholar] [CrossRef]
- Takeoka, Y.; Watanabe, M. Template Synthesis and Optical Properties of Chameleonic Poly(N-isopropylacrylamide) Gels Using Closest-Packed Self-Assembled Colloidal Silica Crystals. Adv. Mater. 2003, 15, 199–201. [Google Scholar] [CrossRef]
- Wasim, M.F.; Ashraf, M.W.; Tayyaba, S.; Nazir, A.S. Simulation and synthesis of ZnO nanorods on AAO nano porous template for use in a mems devices. Dig. J. Nanomater. Biostruct. 2019, 14, 559–567. [Google Scholar]
- Ali, B.; Ashraf, M.W.; Tayyaba, S. Simulation, Fuzzy Analysis and Development of ZnO Nanostructure-based Piezoelectric MEMS Energy Harvester. Energies 2019, 12, 807. [Google Scholar] [CrossRef] [Green Version]
- Lv, H.; Liu, S. Preparation and Analysis of Porous Anodic Alumina Template on Silicon Substrate. Mater. Manuf. Process. 2015, 31, 157–161. [Google Scholar] [CrossRef]
- Caihong, W.; Chu, X.; Wu, M. Highly sensitive gas sensors based on hollow SnO2 spheres prepared by carbon sphere template method. Sens. Actuators B Chem. 2007, 120, 508–513. [Google Scholar] [CrossRef]
- Arbenin, A.; Zemtsova, E.G.; Ermakov, S.S.; Gas’Kov, A.M.; I Baburova, P.; Sokolova, D.N.; Yaroshenko, S.V.; Smirnov, V.M. Three-component working electrode micron-sized Ag particles/tiO2 layer/Ti: Template electrochemical synthesis and potential use as electrochemical sensor for glutathione detection. Mater. Res. Express 2020, 7, 035401. [Google Scholar] [CrossRef]
- Ding, D.; Chen, Z.; Rajaputra, S.; Singh, V. Hydrogen sensors based on aligned carbon nanotubes in an anodic aluminum oxide template with palladium as a top electrode. Sens. Actuators B Chem. 2007, 124, 12–17. [Google Scholar] [CrossRef]
- Ma, J.; Wang, J.; Ai, X.; Zhang, S. Biomimetic self-assembly of apatite hybrid materials: From a single molecular template to bi-/multi-molecular templates. Biotechnol. Adv. 2014, 32, 744–760. [Google Scholar] [CrossRef]
- Wu, K.; Tao, J.; Liao, Q.; Chen, S.; Wan, W. Intracellular microtubules as nano-scaffolding template self-assembles with conductive carbon nanotubes for biomedical device. Mater. Sci. Eng. C 2020, 113, 110971. [Google Scholar] [CrossRef]
- Zemtsova, E.G.; Arbenin, A.Y.; Yudintceva, N.M.; Valiev, R.Z.; Orekhov, E.V.; Smirnov, V.M. Bioactive Coating with Two-Layer Hierarchy of Relief Obtained by Sol-Gel Method with Shock Drying and Osteoblast Response of Its Structure. Nanomaterials 2017, 7, 323. [Google Scholar] [CrossRef] [Green Version]
- Takahashi, Y.; Matsuoka, Y. Dip-coating of TiO2 films using a sol derived from Ti(O-i-Pr)4-diethanolamine-H2O-i-PrOH system. J. Mater. Sci. 1988, 23, 2259–2266. [Google Scholar] [CrossRef]
- Catauro, M.; Papale, F.; Piccirillo, G.; Bollino, F. PEG-based organic-inorganic hybrid coatings prepared by the sol-gel dip-coating process for biomedical applications. Polym. Eng. Sci. 2017, 57, 478–484. [Google Scholar] [CrossRef]
- Lu, X.; Hasegawa, G.; Kanamori, K.; Nakanishi, K. Hierarchically porous monoliths prepared via sol–gel process accompanied by spinodal decomposition. J. Sol.-Gel Sci. Technol. 2020, 95, 530–550. [Google Scholar] [CrossRef]
- Lei, B.; Chen, X.; Han, X.; Zhou, J. Versatile fabrication of nanoscale sol–gel bioactive glass particles for efficient bone tissue regeneration. J. Mater. Chem. 2012, 22, 16906–16913. [Google Scholar] [CrossRef]
- Chiang, C.-L.; Ma, C.-C.M.; Wu, D.-L.; Kuan, H.-C. Preparation, characterization, and properties of novolac-type phenolic/SiO2 hybrid organic-inorganic nanocomposite materials by sol-gel method. J. Polym. Sci. Part A Polym. Chem. 2003, 41, 905–913. [Google Scholar] [CrossRef]
- Sonawane, R.S.; Kale, B.B.; Dongare, M.K. Preparation and photo-catalytic activity of Fe-TiO2 thin films prepared by sol–gel dip coating. Mater. Chem. Phys. 2004, 85, 52–57. [Google Scholar] [CrossRef]
- Kajihara, K.; Nakanishi, K. Macroporous morphology of titania films prepared by sol-gel dip-coating method from a system containing poly(ethylene glycol) and poly(vinylpyrrolidone). J. Mater. Res. 2001, 16, 58–66. [Google Scholar] [CrossRef]
- Nakanishi, K.; Tanaka, N. Sol–Gel with Phase Separation. Hierarchically Porous Materials Optimized for High-Performance Liquid Chromatography Separations. Acc. Chem. Res. 2007, 40, 863–873. [Google Scholar] [CrossRef] [PubMed]
- Calderon-Moreno, J.; Preda, S.; Predoana, L.; Zaharescu, M.; Anastasescu, M.; Nicolescu, M.; Stoica, M.; Stroescu, H.; Gartner, M.; Buiu, O.; et al. Effect of polyethylene glycol on porous transparent TiO2 films prepared by sol–gel method. Ceram. Int. 2014, 40, 2209–2220. [Google Scholar] [CrossRef]
- Barati, N.; Sani, M.F.; Ghasemi, H.; Sadeghian, Z.; Mirhoseini, S. Preparation of uniform TiO2 nanostructure film on 316L stainless steel by sol–gel dip coating. Appl. Surf. Sci. 2009, 255, 8328–8333. [Google Scholar] [CrossRef]
- Bockmeyer, M.; Löbmann, P. Crack formation in TiO2 films prepared by sol–gel processing: Quantification and characterization. Thin Solid Films 2007, 515, 5212–5219. [Google Scholar] [CrossRef]
- Romankiw, L. A path: From electroplating through lithographic masks in electronics to LIGA in MEMS. Electrochim. Acta 1997, 42, 2985–3005. [Google Scholar] [CrossRef]
- Sklar, G.P.; Paramguru, K.; Misra, M.; Lacombe, J.C. Pulsed electrodeposition into AAO templates for CVD growth of carbon nanotube arrays. Nanotechnology 2005, 16, 1265–1271. [Google Scholar] [CrossRef] [Green Version]
- Zemtsova, E.; Arbenin, A.; Valiev, R.; Smirnov, V. Modern techniques of surface geometry modification for the implants based on titanium and its alloys used for improvement of the biomedical characteristics. In Titanium in Medical and Dental Applications; Elsevier: San Diego, CA, USA, 2018; pp. 115–145. [Google Scholar] [CrossRef]
- Yang, J.; Chen, J.; Zhou, Y.; Wu, K. A nano-copper electrochemical sensor for sensitive detection of chemical oxygen demand. Sens. Actuators B Chem. 2011, 153, 78–82. [Google Scholar] [CrossRef]
- Giovanelli, D.; Lawrence, N.S.; Jiang, L.; Jones, T.G.; Compton, R.G. Electrochemical determination of sulphide at nickel electrodes in alkaline media: A new electrochemical sensor. Sens. Actuators B Chem. 2003, 88, 320–328. [Google Scholar] [CrossRef]











| Sample | ω PEG 2000, % | t of Solution, °C | Shock Drying | Structure |
|---|---|---|---|---|
| 1 | 0 | ambient | − | Uniform film |
| 2 | 2.5 | 80 | − | Island-like coating |
| 3 | 2.5 | 65 | − | Film with wells |
| 4 | 2.5 | 45 | + | Film with perforations |
| E, V | −1 | 0.3 | 2 | 0 |
| τ, ms | 5 | 3 | 10 | 65 |
Publisher’s Note: MDPI stays neutral with regard to jurisdictional claims in published maps and institutional affiliations. |
© 2021 by the authors. Licensee MDPI, Basel, Switzerland. This article is an open access article distributed under the terms and conditions of the Creative Commons Attribution (CC BY) license (https://creativecommons.org/licenses/by/4.0/).
Share and Cite
Arbenin, A.Y.; Zemtsova, E.G.; Orekhov, E.V.; Sokolova, D.N.; Baburova, P.I.; Petrov, A.A.; Gaǐshun, V.E.; Smirnov, V.M. Features of Fabrication of Titanium Dioxide Based Coatings for Non-Lithographic Template Electrochemical Synthesis of Micron Metal Particle Arrays. Gels 2021, 7, 202. https://doi.org/10.3390/gels7040202
Arbenin AY, Zemtsova EG, Orekhov EV, Sokolova DN, Baburova PI, Petrov AA, Gaǐshun VE, Smirnov VM. Features of Fabrication of Titanium Dioxide Based Coatings for Non-Lithographic Template Electrochemical Synthesis of Micron Metal Particle Arrays. Gels. 2021; 7(4):202. https://doi.org/10.3390/gels7040202
Chicago/Turabian StyleArbenin, Andrey Yu., Elena G. Zemtsova, Evgeniy V. Orekhov, Daria N. Sokolova, Polina I. Baburova, Alexey A. Petrov, Vladimir E. Gaǐshun, and Vladimir M. Smirnov. 2021. "Features of Fabrication of Titanium Dioxide Based Coatings for Non-Lithographic Template Electrochemical Synthesis of Micron Metal Particle Arrays" Gels 7, no. 4: 202. https://doi.org/10.3390/gels7040202
APA StyleArbenin, A. Y., Zemtsova, E. G., Orekhov, E. V., Sokolova, D. N., Baburova, P. I., Petrov, A. A., Gaǐshun, V. E., & Smirnov, V. M. (2021). Features of Fabrication of Titanium Dioxide Based Coatings for Non-Lithographic Template Electrochemical Synthesis of Micron Metal Particle Arrays. Gels, 7(4), 202. https://doi.org/10.3390/gels7040202
