Influence of Synchronous Condensers on Operation Characteristics of Double-Infeed LCC-HVDCs
Abstract
:1. Introduction
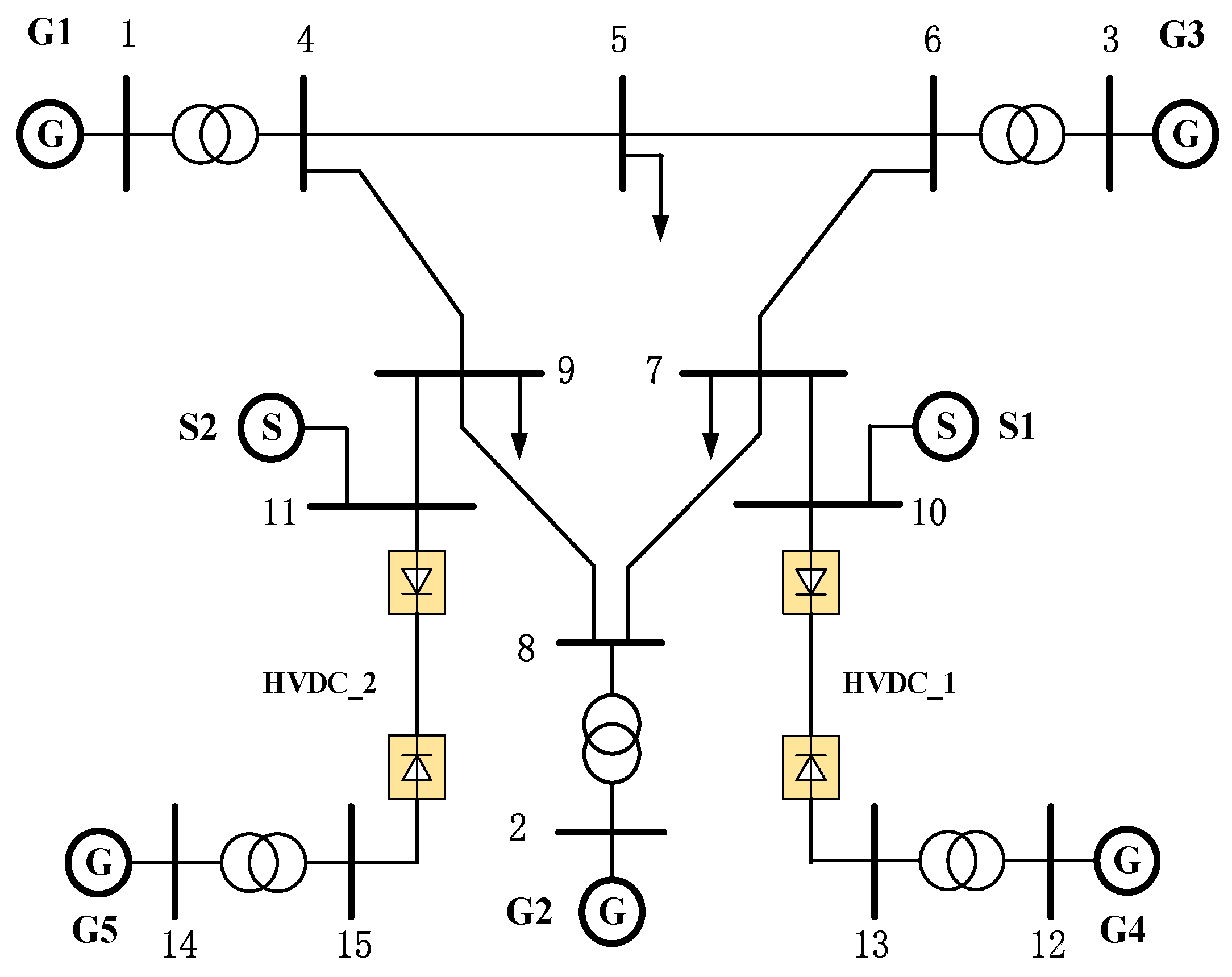
2. Double-Infeed LCC-HVDC System Model with Synchronous Condenser
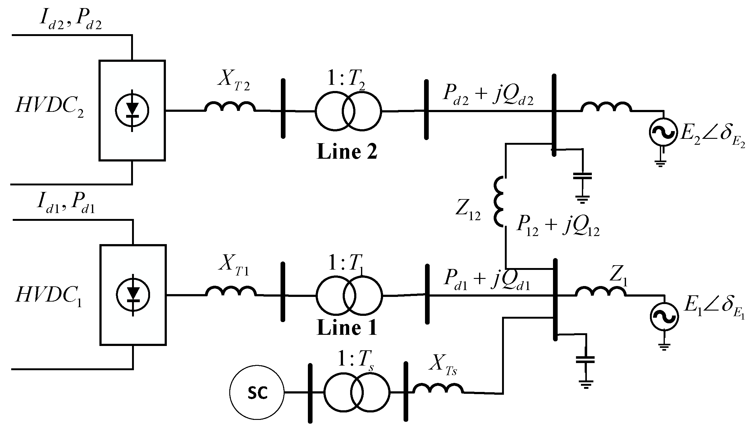
2.1. The Introduction of the General Model
2.2. The Power Transmission Mathematical Model of the Double-Infeed LCC-HVDCs with Synchronous Condenser
3. Operational Risk Analysis of Multi-Infeed LCC-HVDCs
3.1. Multi-Infeed LCC-HVDCs Voltage Sag Risk Assessment Method
3.2. Calculation Method of Var Reserve Capacity of Synchronous Condenser
| Algorithm 1 Improved Powell algorithm |
| 1: Set the initial point x0, and n linearly independent direction , acceptable error in this paper is set as , and k = 1; |
| 2: Let , set as starting point and search along the direction , then search points can be obtained and named as |
| 3: According to the Equation (22), calculate the value of , and set |
| 4: Obtain the value of to satisfy the equation , set |
| 5: If , then stop the calculation and obtain the value of ; otherwise jump to the step 6 |
| 6: if , set and , jump to step 2; otherwise and , jump to step 2 |
| Algorithm 2: The whole calculation process of dynamic var reserve capacity. |
| 1: Carry out the simulation in PSCAD/EMTDC, and simulation step size is set to 500 microseconds; |
| 2: Collect the simulation information; |
| 3: Increase the var output of the SCs and then calculate the sensitivity coefficient K; |
| 4: With the help of data fitting method based on improved Powell algorithm, an approximate smooth voltage curve is used to replace the original electromagnetic transient simulation curve; |
| 5: Combined with sensitivity K, step search algorithm is carried out to obtain the dynamic var reserve capacity satisfying the voltage critical range (21); |
| 6: The results are compared with those of TSCOPF; |
| end |
4. Case Study
4.1. The Results of Dynamic Var Reserve Assessment
4.2. Determination and Analysis of Voltage Security Region
5. Conclusions and Future Work
Author Contributions
Funding
Institutional Review Board Statement
Informed Consent Statement
Data Availability Statement
Conflicts of Interest
References
- Hong, L.; Zhou, X.; Xia, H.; Liu, Y.; Luo, A. Mechanism and Prevention of Commutation Failure in LCC-HVDC Caused by Sending End AC Faults. IEEE Trans. Power Deliv. 2021, 36, 473–476. [Google Scholar] [CrossRef]
- Xiao, H.; Li, Y.; Lan, T. Sending End AC Faults can Cause Commutation Failure in LCC-HVDC Inverters. IEEE Trans. Power Deliv. 2020, 35, 2554–2557. [Google Scholar] [CrossRef]
- Wei, Z.; Yuan, Y.; Lei, X.; Wang, H.; Sun, G.; Sun, Y. Direct-Current Predictive Control Strategy for Inhibiting Commutation Failure in HVDC Converter. IEEE Trans. Power Syst. 2014, 29, 2409–2417. [Google Scholar] [CrossRef]
- Xue, Y.; Zhang, X.; Yang, C. AC Filterless Flexible LCC HVDC With Reduced Voltage Rating of Controllable Capacitors. IEEE Trans. Power Syst. 2018, 33, 5507–5518. [Google Scholar] [CrossRef]
- Lei, Y.; Li, T.; Tang, Q.; Wang, Y.; Yuan, C.; Yang, X.; Liu, Y. Comparison of UPFC, SVC and STATCOM in Improving Commutation Failure Immunity of LCC-HVDC Systems. IEEE Access 2020, 8, 135298–135307. [Google Scholar] [CrossRef]
- Jacobson, D.A.N.; Wang, P.; Mohaddes, M.; Rashwan, M.; Ostash, R. A preliminary look at the feasibility of VSC HVDC in Manitoba. In Proceedings of the 2011 IEEE Electrical Power and Energy Conference, Winnipeg, MB, Canada, 3–5 October 2011; pp. 80–85. [Google Scholar]
- Yang, T.; Yu, Y. Static Voltage Security Region-Based Coordinated Voltage Control in Smart Distribution Grids. IEEE Trans. Smart Grid 2018, 9, 5494–5502. [Google Scholar] [CrossRef]
- Niu, T.; Guo, Q.; Sun, H.; Wu, Q.; Zhang, B.; Ding, T. Autonomous Voltage Security Regions to Prevent Cascading Trip Faults in Wind Turbine Generators. IEEE Trans. Sustain. Energy 2016, 7, 1306–1316. [Google Scholar] [CrossRef]
- Li, G.; Zhang, S.; Jiang, T.; Chen, H.; Li, X. A method of detecting commutation failure in multi-infeed HVDC systems based on critical failure impedance boundary. In Proceedings of the 2017 IEEE Power & Energy Society General Meeting, Chicago, IL, USA, 16–20 July 2017; pp. 1–5. [Google Scholar]
- Rusek, S.; Střida, F.; Mach, M. The problems of electrical distance in connection with the operation of wind power generator. In Proceedings of the 2010 9th International Conference on Environment and Electrical Engineering, Prague, Czech Republic, 16–19 May 2010; pp. 65–68. [Google Scholar]
- Gao, R.; Xu, Y.; Bao, L.; Cao, Z. Analysis of the electric railway loading impact on the operation of the generator negative current protection. In Proceedings of the 2008 IEEE Canada Electric Power Conference, Vancouver, BC, Canada, 6–7 October 2008; pp. 1–6. [Google Scholar]
- Huang, Q.; Vittal, V. Application of Electromagnetic Transient-Transient Stability Hybrid Simulation to FIDVR Study. IEEE Trans. Power Syst. 2016, 31, 2634–2646. [Google Scholar] [CrossRef]
- Han, X.; Zhang, H. Power system electromagnetic transient and electromechanical transient hybrid simulation based on PSCAD. In Proceedings of the 2015 5th International Conference on Electric Utility Deregulation and Restructuring and Power Technologies (DRPT), Changsha, China, 26–29 November 2015. [Google Scholar]
- Hu, B.; Niu, T.; Li, F.; Xie, K.; Li, W.; Jin, H. Dynamic Var Reserve Assessment in Multi-Infeed LCC-HVDC Networks. IEEE Trans. Power Syst. 2021, 36, 68–80. [Google Scholar] [CrossRef]
- Geng, G.; Jiang, Q. A Two-Level Parallel Decomposition Approach for Transient Stability Constrained Optimal Power Flow. IEEE Trans. Power Syst. 2012, 27, 2063–2073. [Google Scholar] [CrossRef]
- Pizano-Martinez, A.; Fuerte-Esquivel, C.R.; Ruiz-Vega, D. A New Practical Approach to Transient Stability-Constrained Optimal Power Flow. IEEE Trans. Power Syst. 2011, 26, 1686–1696. [Google Scholar] [CrossRef]
- Xia, S.; Luo, X.; Chan, K.W.; Zhou, M.; Li, G. Probabilistic Transient Stability Constrained Optimal Power Flow for Power Systems with Multiple Correlated Uncertain Wind Generations. IEEE Trans. Sustain. Energy 2016, 7, 1133–1144. [Google Scholar] [CrossRef]
- Geng, G.; Jiang, Q.; Sun, Y. Parallel Transient Stability-Constrained Optimal Power Flow Using GPU as Coprocessor. IEEE Trans. Smart Grid 2017, 8, 1436–1445. [Google Scholar] [CrossRef]
- Liu, X.; Liu, Y.; Liu, J.; Xiang, Y.; Yuan, X. Optimal planning of AC-DC hybrid transmission and distributed energy resource system: Review and prospects. CSEE J. Power Energy Syst. 2019, 5, 409–422. [Google Scholar] [CrossRef]
- Raza, A.; Liu, Y.; Rouzbehi, K.; Jamil, M.; Gilani, S.O.; Dianguo, X.; Williams, B. Power Dispatch and Voltage Control in Multiterminal HVDC Systems: A Flexible Approach. IEEE Access 2017, 5, 24608–24616. [Google Scholar] [CrossRef] [Green Version]
- Zhou, M.; Zhai, J.; Li, G.; Ren, J. Distributed Dispatch Approach for Bulk AC/DC Hybrid Systems with High Wind Power Penetration. IEEE Trans. Power Syst. 2018, 33, 3325–3336. [Google Scholar] [CrossRef]
- Huang, J.; Gao, H.; Zhao, L.; Feng, Y. Instantaneous Active Power Integral Differential Protection for Hybrid AC/DC Transmission Systems Based on Fault Variation Component. IEEE Trans. Power Deliv. 2020, 35, 2791–2799. [Google Scholar] [CrossRef]











| References | Method Adopted in References |
|---|---|
| [15] | Based on the reduced-space interior point method (RIPM)-which takes advantage of the relatively few degrees of freedom and shows promising potential for solving large-scale TSCOPF problems-this paper introduces a parallel RIPM algorithm with high computing efficiency for multi-contingency TSCOPF problems. |
| [16] | In this paper, the constraint of TSCOPF is derived from dynamic information provided by the Single Machine Equivalent (SIME) method and is only expressed in terms of steady-state variables, which allows us to diminish the length of the time-domain simulation to be included into the global TSC-OPF to a single (initial) time step. |
| [17] | A new GSO-PE approach, consisting of an improved group search optimization (GSO) and 2 m + 1 point estimated (PE) method with Cholesky decomposition, is then designed to effectively solve this challenging P-TSCOPF problem. |
| [18] | This paper presents a novel GPU acceleration approach for transient stability-constrained optimal power flow (TSCOPF), which is one of the most computational challenging tasks in large-scale power system applications. Enabled by the revealed two-level decomposition parallelism in reduced-space interior point method, GPUs serve as plug-and-play coprocessors for time-consuming linear algebra operations in TSCOPF solving. |
| Electrical Distance | Short Circuit Ratio | Voltage Sag Area | ||
|---|---|---|---|---|
| Z = 50 + j0.2 | SCR1 = 2.5 | SCR2 = 2.5 | S1 = 0.9741 | S2 = 0.6812 |
| SCR1 = 2.5 | SCR2 = 4 | S1 = 0.8477 | S2 = 0.6385 | |
| SCR1 = 4 | SCR2 = 4 | S1 = 0.7602 | S2 = 0.7724 | |
| Z = 100 + j0.4 | SCR1 = 2.5 | SCR2 = 2.5 | S1 = 0.8362 | S2 = 0.7837 |
| SCR1 = 4 | SCR2 = 2.5 | S1 = 0.6900 | S2 = 0.5293 | |
| SCR1 = 4 | SCR2 = 4 | S1 = 0.7594 | S2 = 0.4982 | |
| Information | Single-Phase Grounding Fault | Three-Phase Grounding Fault |
|---|---|---|
| Occurrence time | 4.4 s | 4.4 s |
| Clearing time | 4.6 s | 4.6 s |
| Grounding resistance | 0.1 Ω | 0.1 Ω |
| Dynamic var reserve capacity obtained by the proposed method/MVAR | 34.07 | 68.54 |
| Dynamic var reserve capacity obtained by solving TSCOPF/MVAR | 35.26278 | 71.3560 |
| Bus voltage at tc = 0.4 s before optimization/p.u | 0.8480 | 0.8478 |
| Bus voltage at tc = 0.4 s after optimization/p.u | 0.8518 | 0.8509 |
| Type of Faults | Power Loss/MW | |
|---|---|---|
| With SCs | Without SCs | |
| Single phase ground fault | 24.73 | 37.12 |
| Three phase grounding fault | 42.67 | 64.33 |
Publisher’s Note: MDPI stays neutral with regard to jurisdictional claims in published maps and institutional affiliations. |
© 2021 by the authors. Licensee MDPI, Basel, Switzerland. This article is an open access article distributed under the terms and conditions of the Creative Commons Attribution (CC BY) license (https://creativecommons.org/licenses/by/4.0/).
Share and Cite
Luo, X.; Li, F.; Fan, L.; Niu, T.; Li, B.; Tian, L.; Yu, H. Influence of Synchronous Condensers on Operation Characteristics of Double-Infeed LCC-HVDCs. Processes 2021, 9, 1704. https://doi.org/10.3390/pr9101704
Luo X, Li F, Fan L, Niu T, Li B, Tian L, Yu H. Influence of Synchronous Condensers on Operation Characteristics of Double-Infeed LCC-HVDCs. Processes. 2021; 9(10):1704. https://doi.org/10.3390/pr9101704
Chicago/Turabian StyleLuo, Xu, Fan Li, Li Fan, Tao Niu, Bo Li, Linxuan Tian, and Hongjie Yu. 2021. "Influence of Synchronous Condensers on Operation Characteristics of Double-Infeed LCC-HVDCs" Processes 9, no. 10: 1704. https://doi.org/10.3390/pr9101704
APA StyleLuo, X., Li, F., Fan, L., Niu, T., Li, B., Tian, L., & Yu, H. (2021). Influence of Synchronous Condensers on Operation Characteristics of Double-Infeed LCC-HVDCs. Processes, 9(10), 1704. https://doi.org/10.3390/pr9101704
