Sign in to use this feature.

Years

Between: -

Subjects

remove_circle_outline
remove_circle_outline
remove_circle_outline
remove_circle_outline
remove_circle_outline
remove_circle_outline
remove_circle_outline
remove_circle_outline
remove_circle_outline

Journals

Article Types

Countries / Regions

remove_circle_outline
remove_circle_outline
remove_circle_outline

Search Results (420)

Search Parameters:
Keywords = electromagnetic transient simulation

Order results
Result details
Results per page
Select all
Export citation of selected articles as:
19 pages, 6909 KB  
Article
Dynamic Modeling and Simulation of Shipboard Microgrid Systems for Electromagnetic Transient Analysis
by Seok-Il Go and Jung-Hyung Park
Electronics 2026, 15(7), 1367; https://doi.org/10.3390/electronics15071367 - 25 Mar 2026
Viewed by 318
Abstract
In this paper, the dynamic modeling and integrated simulation of a ship microgrid system designed to enhance power quality and energy efficiency in electric propulsion vessels are proposed. The proposed system consists of a photovoltaic (PV) array, a battery energy storage system (BESS), [...] Read more.
In this paper, the dynamic modeling and integrated simulation of a ship microgrid system designed to enhance power quality and energy efficiency in electric propulsion vessels are proposed. The proposed system consists of a photovoltaic (PV) array, a battery energy storage system (BESS), a diesel generator, and a propulsion system, all of which are organically integrated through power conversion devices. To compensate for the intermittent nature of solar power, a control strategy featuring Maximum Power Point Tracking (MPPT) for the PV system and bidirectional DC/DC converter control for the battery was implemented. Specifically, a control logic to stabilize the system output in response to the fluctuating loads of the electric propulsion system was developed using PSCAD (v50) software. The simulation results demonstrate that the proposed control strategy maintains DC-link voltage deviation within ±1.8% and achieves a settling time of less than 0.8 s while optimizing propulsion efficiency (peak-shaving ratio 25–30%) under both constant and variable speed operating conditions. Battery SOC variation is limited to 18–88%, preventing overcharge or discharge. This research provides a foundational framework for the design of energy management systems (EMSs) and grid stability assessments for future eco-friendly electric propulsion ships. Full article
Show Figures

Figure 1

19 pages, 2937 KB  
Article
High-Efficiency Direct Torque Control of Induction Motor Driven by Three-Level VSI for Photovoltaic Water Pumping System in Kairouan, Tunisia: MPPT-Based Fuzzy Logic Approach
by Salma Jnayah and Adel Khedher
Automation 2026, 7(2), 53; https://doi.org/10.3390/automation7020053 - 24 Mar 2026
Viewed by 234
Abstract
This paper presents an efficient stand-alone photovoltaic water pumping system (PVWPS) intended for agricultural irrigation applications, operating without energy storage. The system employs a three-phase induction motor supplied by a three-level neutral point clamped (NPC) inverter. The proposed control strategy integrates the advantages [...] Read more.
This paper presents an efficient stand-alone photovoltaic water pumping system (PVWPS) intended for agricultural irrigation applications, operating without energy storage. The system employs a three-phase induction motor supplied by a three-level neutral point clamped (NPC) inverter. The proposed control strategy integrates the advantages of two distinct controllers to enhance both energy extraction and drive performance. On the photovoltaic side, a fuzzy logic-based maximum power point tracking (MPPT) algorithm is implemented to ensure continuous operation at the global maximum power point under rapidly varying irradiance conditions. On the motor drive side, a direct torque control (DTC) scheme is combined with the multilevel NPC inverter to regulate electromagnetic torque and stator flux. The use of a multilevel inverter significantly mitigates the inherent drawbacks of conventional DTC, notably torque and flux ripples, as well as stator current harmonic distortion. The overall control architecture maximizes power transfer from the photovoltaic generator to the pumping system, resulting in improved dynamic response and energy efficiency. The proposed system is validated through detailed MATLAB/Simulink simulations under abrupt irradiance variations and a realistic daily solar profile corresponding to August conditions in Kairouan, Tunisia. Simulation results demonstrate substantial performance improvements, including an 88% reduction in torque ripples, a 50% decrease in flux ripple, a 77.9% reduction in stator current THD, and a 33.3% enhancement in speed transient response compared to conventional DTC-based systems. Full article
(This article belongs to the Section Control Theory and Methods)
Show Figures

Figure 1

24 pages, 1628 KB  
Article
A Fractional-Order Sliding Mode DTC–SVM Framework for Precision Control of Surgical Robot Actuators
by Fatma Ben Salem, Jaouhar Mouine and Nabil Derbel
Fractal Fract. 2026, 10(3), 193; https://doi.org/10.3390/fractalfract10030193 - 13 Mar 2026
Viewed by 222
Abstract
Precise and smooth actuation is a central requirement in surgical robotics, where small tracking errors or oscillations can directly affect task quality and safety. This paper studies the control of an induction-motor-driven surgical joint using a sliding-mode strategy enhanced by fractional-order operators and [...] Read more.
Precise and smooth actuation is a central requirement in surgical robotics, where small tracking errors or oscillations can directly affect task quality and safety. This paper studies the control of an induction-motor-driven surgical joint using a sliding-mode strategy enhanced by fractional-order operators and implemented within a DTC–SVM structure. The motivation is to improve motion smoothness and disturbance rejection without sacrificing the fast dynamic response offered by direct torque control. A dynamic model of the actuator is developed by combining the electrical equations of the induction motor with the mechanical dynamics of a robotic joint, including inertia, viscous friction, gravity-induced torque, and Coulomb friction. Fractional-order sliding surfaces are introduced for both position and flux regulation, and the closed-loop stability is examined through Lyapunov-based arguments. Simulation results show accurate trajectory tracking with limited overshoot and smooth transient responses. The motor speed remains well regulated, while stator flux and currents stay within admissible bounds. The electromagnetic torque adapts to load variations with reduced ripple, and the rotor pulsation remains bounded. Within the limits of numerical evaluation, these results indicate that the proposed fractional-order sliding-mode DTC–SVM scheme is suitable for precision-oriented surgical robotic actuation. Full article
(This article belongs to the Special Issue Advanced Numerical Methods for Fractional Functional Models)
Show Figures

Figure 1

13 pages, 2290 KB  
Article
Research on Kinematic Error of Pendulum Interferometer Based on Optomechanical Coupled Simulation
by Zhijie Wu, Dacheng Li, Wei Xiong, Wenpeng Liu, Zhicheng Cao and Yangyu Li
Photonics 2026, 13(3), 270; https://doi.org/10.3390/photonics13030270 - 11 Mar 2026
Viewed by 288
Abstract
To address the issue of normal displacement deviation induced by the geometric nonlinearity of cross-spring flexural pivots in pendulum-type interferometers, which leads to modulation attenuation, this study proposes a co-simulation method combining Finite Element Analysis (FEA) and Physical Optics. First, an optomechanical model [...] Read more.
To address the issue of normal displacement deviation induced by the geometric nonlinearity of cross-spring flexural pivots in pendulum-type interferometers, which leads to modulation attenuation, this study proposes a co-simulation method combining Finite Element Analysis (FEA) and Physical Optics. First, an optomechanical model was established based on the retroreflective property of cube-corner prisms and a double-pendulum differential scanning architecture (where the optical path difference is four times the mechanical displacement). Using the ANSYS Workbench 2022 R1 transient dynamics module with the “Large Deflection” algorithm enabled, the nonlinear motion trajectories of single-pivot and dual-pivot flexural hinges were quantitatively compared. Subsequently, a multi-physics data mapping interface was established to map mechanical motion errors into a physical optics simulation model, where the interference modulation was accurately calculated via electromagnetic field tracing. Results demonstrate that under ambient temperature (25 °C) and a spectral resolution of 1 cm−1, the normal displacement deviation of the single-pivot hinge is only 0.00165 mm, representing a 95.6% reduction compared to the dual-pivot structure (0.03765 mm). Furthermore, the modulation of the single-pivot structure remains above 0.98 throughout the scanning range, significantly outperforming the nonlinear decay characteristic of the dual-pivot structure. These findings provide a theoretical basis for the structural optimization and selection of high-precision portable FTIR spectrometers. Full article
Show Figures

Figure 1

29 pages, 4434 KB  
Article
Impedance-Sensitivity-Based Equivalent Modeling of Distributed Direct-Drive Wind Turbine Groups in Microgrids for Sub/Super-Synchronous Oscillation Analysis
by Jinling Qi, Qi Guo, Haiqing Cai, Yihua Zhu, Liang Tu and Chao Luo
Electronics 2026, 15(5), 1028; https://doi.org/10.3390/electronics15051028 - 28 Feb 2026
Viewed by 264
Abstract
Sub/super-synchronous oscillations induced by the interaction between wind turbines and the grid pose increasing challenges to the dynamic analysis of power-electronics-dominated power systems. For microgrids comprising a large number of distributed direct-drive wind turbines (DDWTs), detailed electromagnetic transient modeling becomes computationally prohibitive, while [...] Read more.
Sub/super-synchronous oscillations induced by the interaction between wind turbines and the grid pose increasing challenges to the dynamic analysis of power-electronics-dominated power systems. For microgrids comprising a large number of distributed direct-drive wind turbines (DDWTs), detailed electromagnetic transient modeling becomes computationally prohibitive, while conventional single-machine equivalent models often fail to capture critical oscillatory characteristics. To address these issues, this paper proposes an impedance-sensitivity-based clustering and equivalent modeling method for DDWT groups in a microgrid. First, a frequency domain impedance model of DDWTs is established, and the impedance sensitivities of key control parameters are analyzed under various steady-state operating conditions. By jointly considering the absolute magnitude of impedance sensitivity and its variation across operating points, a sensitivity-informed criterion is developed to select physically meaningful clustering indices capable of distinguishing wind turbines with different operating conditions. Based on the selected indices, a k-means clustering algorithm is employed to group distributed DDWTs, and a multi-machine equivalent model is constructed accordingly. Simulation studies under impedance disturbances validate the effectiveness of the proposed equivalent model in accurately reproducing the oscillation characteristics of a microgrid with multiple DDWTs. Full article
(This article belongs to the Special Issue Real-Time Monitoring and Intelligent Control for a Microgrid)
Show Figures

Figure 1

20 pages, 3399 KB  
Article
Interpolation-Free Hybrid Bergeron–π Line Model with Accurate Zero-Sequence Impedance
by Dehu Zou, Wei Gu and Wei Liu
Energies 2026, 19(5), 1164; https://doi.org/10.3390/en19051164 - 26 Feb 2026
Viewed by 287
Abstract
Fixed-step real-time electromagnetic-transient (EMT) simulation of large power networks typically relies on parallel partitioning, where transmission-line elements serve as step-synchronous decoupling boundaries between subsystems. In distribution and subtransmission studies, however, many line sections are electrically short and have propagation delays smaller than the [...] Read more.
Fixed-step real-time electromagnetic-transient (EMT) simulation of large power networks typically relies on parallel partitioning, where transmission-line elements serve as step-synchronous decoupling boundaries between subsystems. In distribution and subtransmission studies, however, many line sections are electrically short and have propagation delays smaller than the simulation step. Classical Bergeron models then lose their pure one-step delay structure and require interpolation or sub-stepping, which undermines step determinism and limits the availability of decoupling boundaries, thereby constraining partition quality and scalability. This paper proposes an interpolation-free hybrid Bergeron–π boundary-line model with zero-sequence impedance modification (HB-π-ZIM). A one-step uncoupled per-phase Bergeron section enforces a delay equal to the simulation step to provide a strictly step-synchronous interface. Shunt compensation removes the artificial shunt susceptance introduced by the enforced delay, and a passive RL two-port synthesis reconstructs the residual series impedance so that, at the fundamental frequency, the terminal positive- and zero-sequence series impedances and shunt admittances match the conventional lumped-pi model. Case studies show close agreement with the lumped-pi benchmark under representative balanced and unbalanced transients, while parallel tests on a 327-node network demonstrate near-linear speedup (9.31 times on 10 cores) when HB-π-ZIM is applied only to cut-set lines. The proposed model therefore enlarges the feasible set of decoupling boundaries in short-line-dominated networks and enables scalable fixed-step real-time EMT simulation. Full article
(This article belongs to the Section F2: Distributed Energy System)
Show Figures

Figure 1

28 pages, 2703 KB  
Article
Generalized Dynamic Security Region of Grid-Following and Grid-Forming Converter-Based Systems by Basin of Attraction Method
by Rui Ma, Yan Cheng, Shibo Wang, Shumin Sun and Wei Cong
Appl. Sci. 2026, 16(4), 2130; https://doi.org/10.3390/app16042130 - 22 Feb 2026
Viewed by 265
Abstract
With renewable integration and zero-carbon microgrids achieving 100% penetration, converter-dominated systems exhibit millisecond-timescale transient synchronization, which challenges existing physical cognitive methods and cognitive methodology with the synchronous generator (SG). In this paper, in order to quantificationally analyze the transient synchronization, a unified framework [...] Read more.
With renewable integration and zero-carbon microgrids achieving 100% penetration, converter-dominated systems exhibit millisecond-timescale transient synchronization, which challenges existing physical cognitive methods and cognitive methodology with the synchronous generator (SG). In this paper, in order to quantificationally analyze the transient synchronization, a unified framework has been proposed that combines the generalized participation factor (GPF) method and basin of attraction (BOA) boundary analysis using the manifold approach. According to the GPF and BOA analyses, the fourth-order models are essential for accurate stability quantification, with synchronization controls (PLL, VSG, and droop control) contributing greater than 70% to transient dynamics versus about 20% from power-balance interactions. Further, the dynamic security region (DSR) is redefined by two typologies. Type 1 DSR maps stability in active-power injection space, and Type 2 DSR (generalized DSR) delineates limits in the controllable parameter space. The estimation procedures are proposed for these two types of DSRs by the BOA method. Finally, electromagnetic transient simulations and critical clearing time validation are employed for fidelity verification of models and estimation approaches. To sum up, the proposed novel framework enables systematic DSR estimations for renewable-rich power systems, empowering grid operators to optimize converter-controllable parameters and system operation conditions. Full article
(This article belongs to the Special Issue Power System Security Assessment and Risk Analysis)
Show Figures

Figure 1

35 pages, 4968 KB  
Article
Research on Protection of a Three-Level Converter-Based Flexible DC Traction Substation System
by Peng Chen, Qiang Fu, Chunjie Wang and Yaning Zhu
Sensors 2026, 26(4), 1350; https://doi.org/10.3390/s26041350 - 20 Feb 2026
Viewed by 334
Abstract
With the expansion of urban rail transit, increased train operation density, and the large-scale grid integration of renewable energy such as offshore photovoltaic power, traction power supply systems face stricter requirements for operational safety, power supply reliability and energy utilization efficiency. Offshore photovoltaic [...] Read more.
With the expansion of urban rail transit, increased train operation density, and the large-scale grid integration of renewable energy such as offshore photovoltaic power, traction power supply systems face stricter requirements for operational safety, power supply reliability and energy utilization efficiency. Offshore photovoltaic power, integrated into the traction power supply network via flexible DC transmission technology, promotes renewable energy consumption, but its random and volatile output overlaps with time-varying traction loads, increasing the complexity of DC-side fault characteristics and protection control. Flexible DC technology is a core direction for next-generation traction substations, and three-level converters (key energy conversion units) have advantages over traditional two-level topologies. However, their P-O-N three-terminal DC-side topology introduces new faults (e.g., PO/ON bipolar short circuits, O-point-to-ground faults), making traditional protection strategies ineffective. In addition, wide system current fluctuation (0.5–3 kA) and offshore photovoltaic power fluctuation easily cause fixed-threshold protection maloperation, and the coupling mechanism among modulation strategies, DC bus capacitor voltage dynamics and fault current paths is unclear. To solve these bottlenecks, this paper establishes a simulation model of the system based on the PSCAD/EMTDC(A professional simulation software for electromagnetic transient analysis in power systems V4.5.3) platform, analyzes the transient electrical characteristics of three-level converters under traction and braking conditions for typical faults, clarifies the coupling mechanism, proposes a condition-adaptive fault identification strategy, and designs a reconfigurable fault energy handling system with bypass thyristors and adaptive crowbar circuits. Simulation and hardware-in-the-loop (HIL) experiments show that the proposed scheme completes fault identification and protection within 2–3 ms, suppresses fault peak current by more than 70%, limits DC bus overvoltage within ±10% of the rated voltage, and has good post-fault recovery performance. It provides a reliable and engineering-feasible protection solution for related systems and technical references for similar flexible DC system protection design. Full article
(This article belongs to the Section Electronic Sensors)
Show Figures

Figure 1

28 pages, 2480 KB  
Article
Virtual Synchronous Machine Testing and System Split Resilience: A Comparative Analysis with Grid-Following PV Inverters
by Ibrahim Okikiola Lawal, Horst Schulte and Ammar Salman
Energies 2026, 19(4), 1027; https://doi.org/10.3390/en19041027 - 15 Feb 2026
Viewed by 478
Abstract
The increasing penetration of converter-interfaced generation raises critical concerns for power system stability, especially during rapid transients and system split events that are not yet adequately addressed in current grid code compliance tests. This paper assesses the resilience of a Virtual Synchronous Machine [...] Read more.
The increasing penetration of converter-interfaced generation raises critical concerns for power system stability, especially during rapid transients and system split events that are not yet adequately addressed in current grid code compliance tests. This paper assesses the resilience of a Virtual Synchronous Machine (VSM) in comparison with a grid-following photovoltaic (PV) inverter through a combined framework of standardized benchmark tests and realistic system split scenarios. In benchmark testing, the VSM provided synthetic inertia by delivering a transient-power burst from a 0.30 p.u. setpoint to 0.545 p.u. (on a 20 MVA base, representing 54.5% of rated capacity) under a 0.4 Hz/s frequency ramp, corresponding to an equivalent inertia constant of approximately 15 s. With the limited frequency-sensitive mode–underfrequency (LFSM-U) function enabled, it sustained additional active power up to 0.61 p.u. once the frequency fell below 49.8 Hz. The PV inverter, by contrast, demonstrated compliance with conventional grid requirements: it curtailed power through LFSM-O during overfrequency conditions and injected 0.25 p.u. of reactive current during a fault ride-through (FRT) event at 1.129 p.u. voltage. In system split tests, the VSM absorbed surplus PV generation, stabilizing frequency after a transient rise to 52.8 Hz and containing voltage excursions beyond 1.2 p.u. During imbalance stress, it absorbed 1.266 MW against its 1.0 MW rating for approximately 2–3 s, corresponding to a 26.6% overload that falls within typical IGBT transient thermal capability but would require supervisory intervention (e.g., PV curtailment or load management) if sustained. These results demonstrate that while the PV inverter contributes valuable voltage support, only the grid-forming VSM maintains frequency stability and ensures secure islanded operation. The novelty of this study lies in integrating standardized compliance tests with system split scenarios, providing a comprehensive framework for evaluating grid-forming controls under both regulatory and resilience-oriented perspectives and informing the evolution of future grid codes. Full article
Show Figures

Figure 1

16 pages, 17031 KB  
Article
Simulation-Based Analysis of Polarization Effects on the Shielding Effectiveness of a Metal Enclosure with an Aperture Exposed to High-Power Subnanosecond Electromagnetic Pulse
by Jerzy Mizeraczyk and Magdalena Budnarowska
Energies 2026, 19(4), 1026; https://doi.org/10.3390/en19041026 - 15 Feb 2026
Viewed by 355
Abstract
Intentional high-power electromagnetic (EM) interference poses a serious threat to sensitive electronic systems and often manifests as ultra-wideband (UWB) sub- and nanosecond pulses. Metallic shielding enclosures with technological apertures are commonly used for protection; however, apertures enable electromagnetic coupling into the enclosure and [...] Read more.
Intentional high-power electromagnetic (EM) interference poses a serious threat to sensitive electronic systems and often manifests as ultra-wideband (UWB) sub- and nanosecond pulses. Metallic shielding enclosures with technological apertures are commonly used for protection; however, apertures enable electromagnetic coupling into the enclosure and limit shielding performance. While most existing studies focus on transient disturbances with durations exceeding the enclosure transit time, this work addresses an ultrashort high-power subnanosecond UWB plane-wave pulse whose duration is significantly shorter than the enclosure transit time, a regime that remains insufficiently explored. A time-domain numerical analysis is performed for a low-profile rectangular metallic enclosure with a front-wall aperture, focusing on internal EM field evolution, internal pulse formation, and polarization-dependent shielding effectiveness. Three-dimensional full-wave simulations were carried out using CST Microwave Studio over a 90 ns observation window. The results show that the incident pulse excites primary subnanosecond EM waves inside the enclosure, which subsequently generate secondary waves through multiple reflections from the enclosure walls. Their interaction produces complex, long-lasting, time-varying internal field patterns. Although attenuated, the resulting internal subnanosecond pulses repeatedly traverse the enclosure interior, forming a pulse train-like sequence that may pose a cumulative electromagnetic threat to internal electronics. A key contribution of this work is the quantification of time-dependent local shielding effectiveness for both electric and magnetic fields, derived directly from the internal pulse train-like series obtained in the time domain. The concept of local, time-dependent shielding effectiveness provides physical insight that cannot be obtained from a single globally averaged SE value. In the case of ultrashort electromagnetic pulse excitation, the internal field response of an enclosure is strongly non-stationary and highly non-uniform in space, with local field maxima occurring at specific times and locations despite good average shielding performance. Time-dependent local SE enables identification of worst-case temporal conditions, repeated high-amplitude internal exposures, and critical regions inside the enclosure where shielding is significantly weaker than suggested by global metrics. Therefore, while conventional SE remains useful as a summary measurand, local time-dependent SE is essential for assessing the actual electromagnetic risk to sensitive electronics under ultrashort pulse disturbances. In addition, a global shielding effectiveness metric mapped over selected enclosure cross-sections is introduced to enable rapid visual assessment of shielding performance. The analysis demonstrates a strong dependence of internal wave propagation, internal pulse formation, and both local and global shielding effectiveness on the polarization of the incident subnanosecond EM pulse. These findings provide new physical insight into aperture coupling and shielding behavior in the ultrashort-pulse regime and offer practical guidance for the assessment and design of compact shielding enclosures exposed to high-power UWB EM threats. Full article
(This article belongs to the Special Issue Advanced Power Electronics for Renewable Integration)
Show Figures

Figure 1

19 pages, 3235 KB  
Article
A Hybrid Current Source Converter-Based HVDC System with Power Coordination Control for Enhanced Reactive Power Support
by Xin Guan, Niancheng Zhou, Yongjie Luo, Luona Xu, Raisz Dávid Márk and Yunfan Wu
Appl. Sci. 2026, 16(4), 1868; https://doi.org/10.3390/app16041868 - 13 Feb 2026
Viewed by 352
Abstract
HVDC technologies based on fully controlled devices offer numerous technical advantages, such as flexible active and reactive power control and black-start capability, making them highly promising for large-scale renewable energy integration and long-distance power transmission. However, their widespread adoption is constrained by high [...] Read more.
HVDC technologies based on fully controlled devices offer numerous technical advantages, such as flexible active and reactive power control and black-start capability, making them highly promising for large-scale renewable energy integration and long-distance power transmission. However, their widespread adoption is constrained by high costs and significant power losses. Unlike existing hybrid HVDC schemes predominantly based on LCC-MMC structures, this paper proposes a novel hybrid current source converter-based HVDC (HCSC-HVDC) topology composed of IGCTs and thyristors, which enables power decoupling and achieves an approximate 70.5% reduction in high-voltage capacitor requirements, fundamentally improving system economy and structural efficiency. Firstly, the topological structure of the HCSC is introduced and a mathematical model is established. Then, the power operating range of the hybrid converter is quantitatively analyzed, and an optimization method for AC filter parameters is derived, based on which a power decoupling control strategy and a reactive power coordination control (RPCC) strategy are proposed. Finally, PSCAD electromagnetic transient simulations verify the effectiveness and feasibility of the proposed topology and control methods. Full article
Show Figures

Figure 1

20 pages, 730 KB  
Article
Fault-Tolerant Model Predictive Control with Discrete-Time Linear Kalman Filter for Frequency Regulation of Shipboard Microgrids
by Omid Mofid and Mahdi Khodayar
Energies 2026, 19(4), 967; https://doi.org/10.3390/en19040967 - 12 Feb 2026
Viewed by 545
Abstract
In this paper, frequency control of shipboard microgrids is achieved in the presence of measurement noise, dynamic uncertainty, and actuator faults. Measurement noise arises from incorrect signal processing, electromagnetic interference, converter switching dynamics, mechanical vibrations from propulsion and generators, and transients caused by [...] Read more.
In this paper, frequency control of shipboard microgrids is achieved in the presence of measurement noise, dynamic uncertainty, and actuator faults. Measurement noise arises from incorrect signal processing, electromagnetic interference, converter switching dynamics, mechanical vibrations from propulsion and generators, and transients caused by sudden changes in load or generation. Actuator faults are caused by intense mechanical vibrations, temperature-induced stress, degradation of power electronic devices, communication latency, and wear or saturation in fuel injection and governor components. To regulate the frequency deviation under these challenges, a cross-entropy-based fault-tolerant model predictive control method, utilizing a discrete-time linear Kalman filter, is developed. Firstly, the discrete-time linear Kalman filter ensures that uncertain states of the shipboard microgrids are measurable in a noisy environment. Afterward, the model predictive control scheme is employed to obtain an optimal control input based on the measurable states. This controller ensures the frequency regulation of shipboard microgrids in the presence of measurement noise. Furthermore, a fault-tolerant control technique that utilizes the concept of cross-entropy is extended to provide a robust controller that verifies the frequency regulation of shipboard microgrids with actuator faults. To demonstrate the stability of the closed-loop system of the shipboard microgrids based on the proposed controller, considering the effects of measurement noise, state uncertainty, and actuator faults, the Lyapunov stability concept is employed. Finally, simulation results in MATLAB/Simulink R2025b are provided to show that the proposed control method for frequency regulation in renewable shipboard microgrids is both effective and practicable. Full article
(This article belongs to the Special Issue Advanced Grid Integration with Power Electronics: 2nd Edition)
Show Figures

Figure 1

24 pages, 6001 KB  
Article
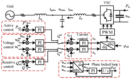
Robust μ-Synthesis Grid-Side Control for Inverter-Based Resources in Weak Grids
by Woo-Jung Kim, Yu-Seok Lee and Yeong-Han Chun
Energies 2026, 19(4), 946; https://doi.org/10.3390/en19040946 - 11 Feb 2026
Viewed by 304
Abstract
With the increasing penetration of inverter-based resources (IBRs), modern power systems are experiencing undesirable dynamics, such as sub-synchronous oscillations in weak grids. Conventional PI control schemes, however, exhibit limited robustness against nonlinearities arising from varying operating points in weak grids, leading to instability. [...] Read more.
With the increasing penetration of inverter-based resources (IBRs), modern power systems are experiencing undesirable dynamics, such as sub-synchronous oscillations in weak grids. Conventional PI control schemes, however, exhibit limited robustness against nonlinearities arising from varying operating points in weak grids, leading to instability. To address this challenge, we propose a robust controller for the outer loop of grid-side converters in IBRs based on robust μ-synthesis control theory. Specifically, this paper utilizes μ-synthesis to handle linearized model parameters associated with operating-point variations. The proposed controller replaces the PI controllers in the outer loop while retaining the established dq-frame control philosophy. Furthermore, during controller synthesis, the controller is optimized with a 2-by-2 multi-input multi-output structure to explicitly account for cross-coupling effects between the d- and q-axes. Finally, the proposed controller was validated using electromagnetic transient simulations of a detailed type-IV wind farm model implemented in MATLAB/Simulink R2025a, and its performance was compared with that of a conventional PI-based outer control loop. The wind farm was tested under very weak grid conditions, and the proposed controller demonstrated robust stability against varying operating points by providing superior damping performance. Full article
(This article belongs to the Section F1: Electrical Power System)
Show Figures

Figure 1

18 pages, 2626 KB  
Article
Voltage Stability Mechanism of Grid-Connected Permanent Magnet Synchronous Generator Under Large Grid-Side Disturbances
by Xun Mao, Wangchao Dong, Kai Lyv, Wei Tang, Zhen Wang, Li Guo, Yong Zhan and Yang Pu
Energies 2026, 19(3), 820; https://doi.org/10.3390/en19030820 - 4 Feb 2026
Viewed by 346
Abstract
As a mainstream new energy generation technology, elucidating the grid-connected voltage stability mechanisms of permanent magnet synchronous generator (PMSG) is critical for ensuring stable integration of high-penetration renewable energy. Existing research on the voltage stability of grid-connected PMSG systems is confined to single-fault [...] Read more.
As a mainstream new energy generation technology, elucidating the grid-connected voltage stability mechanisms of permanent magnet synchronous generator (PMSG) is critical for ensuring stable integration of high-penetration renewable energy. Existing research on the voltage stability of grid-connected PMSG systems is confined to single-fault scenarios, failing to adequately account for the impacts of other significant internal grid disturbances, such as direct current blockings and increased renewable energy penetration. Moreover, the traditionally used simplified grid model with a voltage source in series with an impedance is overly idealized, making it difficult to comprehensively reveal the transient stability mechanisms of grid-connected PMSG systems under complex multi-disturbance conditions. To address this issue, this paper proposes a numerical analysis method to investigate the grid stability mechanisms of PMSG systems under various grid disturbance scenarios. First, an electromagnetic transient simulation model of the grid-connected PMSG system is established. Next, key parameters influencing the system’s voltage stability are identified using the global sensitivity Sobol method. Subsequently, a transient voltage stability assessment index and a method for revealing the grid stability patterns of PMSG systems are presented. Finally, the PMSG system is integrated into the CSEE standard test system on the CloudPSS platform for validation and analysis. The results demonstrate that the proposed method effectively reveals voltage stability mechanisms considering various internal grid disturbances, and the mechanistic characteristics it reveals differ significantly from conclusions drawn using a simplified grid model. Full article
Show Figures

Figure 1

30 pages, 13680 KB  
Article
Multi-Dimensional Detection Capability Analysis of Surface and Surface-to-Tunnel Transient Electromagnetic Methods Based on the Spectral Element Method
by Danyu Li, Xin Huang, Xiaoyue Cao, Liangjun Yan, Zhangqian Chen and Qingpu Han
Appl. Sci. 2026, 16(3), 1560; https://doi.org/10.3390/app16031560 - 4 Feb 2026
Viewed by 258
Abstract
The transient electromagnetic (TEM) method is a key detection and monitoring technology for safe coal-mine production. Surface TEM depth penetration is limited by real geological conditions and transmitter–receiver hardware performance. Compared with the surface TEM method, the tunnel TEM method can enhance the [...] Read more.
The transient electromagnetic (TEM) method is a key detection and monitoring technology for safe coal-mine production. Surface TEM depth penetration is limited by real geological conditions and transmitter–receiver hardware performance. Compared with the surface TEM method, the tunnel TEM method can enhance the depth of exploration to some extent, but it is constrained by the limited working space of the roadway, which makes it difficult to perform the area-wide and multi-line data acquisition, and thus the lateral detection resolution is directly compromised. Consequently, either surface or tunnel TEM alone suffers inherent limitations. The multidimensional surface and surface-to-tunnel TEM method employs a single large-loop transmitter and records electromagnetic (EM) signals both on the surface and in the tunnel, enabling joint data interpretation. The joint TEM observation method effectively addresses the limitations by using a single observation mode, with the goal of achieving high-precision detection. To investigate the detection capabilities of the joint surface and surface-to-tunnel TEM method, we propose a three-dimensional (3D) joint surface and surface-to-tunnel TEM forward modeling method based on the spectral element method (SEM). The SEM, using high-order vector basis functions, enables high-precision modeling of TEM responses with complex geo-electric earth models. The accuracy of the SEM is validated through comparisons with one-dimensional (1D) TEM semi-analytical solutions. To further reveal TEM response characteristics and multi-dimensional resolution under joint surface and tunnel detection modes, we construct several typical 3D geo-electric earth models and apply the SEM algorithm to simulate the TEM responses. We systematically analyze the horizontal and vertical resolution of 3D earth model targets at different decay times. The numerical results demonstrate that surface multi-line TEM surveying can accurately delineate the lateral extent of the target body, while vertical in-tunnel measurements are crucial for identifying the top and bottom interfaces of geological targets adjacent to the tunnel. Finally, the theoretical modeling results demonstrate that compared to individual TEM methods, the multi-dimensional joint surface and tunnel TEM observation yields superior target spatial information and markedly improves TEM detection efficacy under complex conditions. The 3D TEM forward modeling based on the SEM provides the theoretical foundation for subsequent 3D inversion and interpretation of surface-to-surface and surface-to-tunnel joint TEM data. Full article
Show Figures

Figure 1

Back to TopTop