Power Flow Analysis of Ring AC/DC Hybrid Network with Multiple Power Electronic Transformers Based on Hybrid Alternating Iteration Power Flow Algorithm
Abstract
1. Introduction
- (1)
- We propose a hybrid alternating iteration power flow algorithm for a ring AC/DC hybrid network with multiple PETs, which has not been studied.
- (2)
- The hybrid alternating iteration power flow algorithm not only retains the advantages of the NR method in terms of high computational accuracy and good convergence, but also makes full use of the superiorities of the Zbus Gaussian method in terms of its high computational speed and its specialty in dealing with the ring distribution network.
- (3)
- Ability of PETs to effectively reduce the impact of the output mutation of DGs on power systems and good convergence performance of the proposed power flow method for ring AC/DC hybrid distribution networks are demonstrated by performing power flow calculations on the constructed 44-node example under different output scenarios of DGs.
2. Steady-State Model and Control Modes of PET
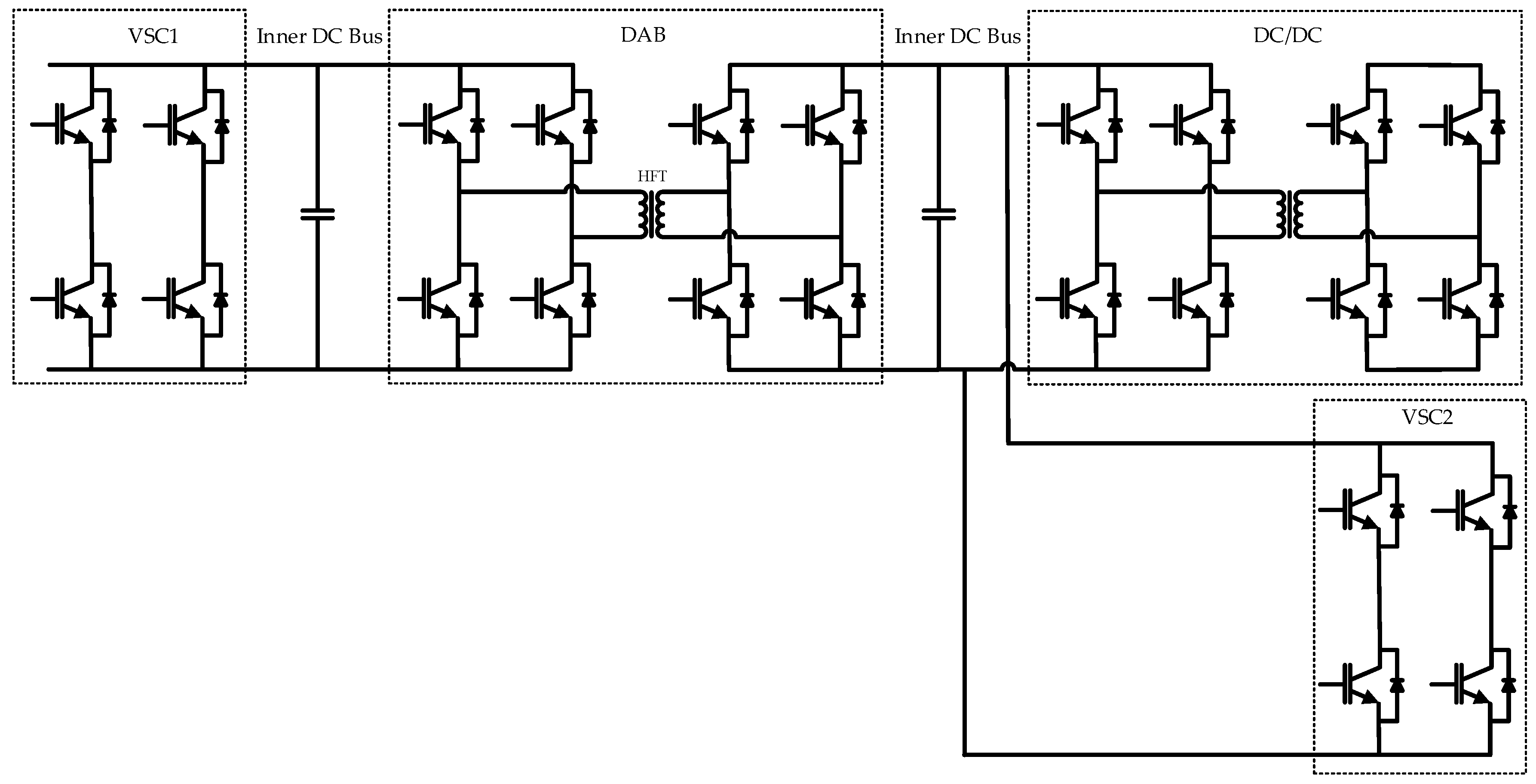
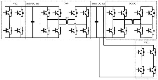
2.1. Working Principle of PET
2.2. Steady-State Model of PET
2.2.1. AC Port Modeling of PET
2.2.2. DC Port Modeling of PET
2.2.3. Internal Power Conservation Model of PET
2.3. Control Modes of PET
- (1)
- Mode 1: Constant and
- (2)
- Mode 2: Constant and
- (3)
- Mode 3: Constant and
- (4)
- Mode 4: Constant
- (5)
- Mode 5: Constant
- (6)
- Mode 6: Droop control
3. Power Flow Calculation Model for AC/DC Hybrid Distribution Network with Multiple PETs
3.1. Power Flow Calculation Model of Multiple PETs
3.2. Power Flow Calculation Model of AC Network
3.3. Power Flow Calculation Model of DC Network
4. AC/DC Hybrid Alternating Iterative Power Flow Algorithm
4.1. Control Scheme for Multiple PETs in the AC/DC Hybrid Distribution Network
4.2. Solution Step
- (1)
- Initialize all the original data of the system, including the parameters related to the generator units, distributed power sources, branches, nodes, loads, and PETs of the AC/DC distribution network.
- (2)
- Partition the system with the ports of PETs as boundaries. The AC/DC hybrid distribution system is divided into several AC subsystems and DC subsystems.
- (3)
- Determine control modes and control parameters for all ports of PETs according to Table 1.
- (4)
- Calculate the power flow of each subsystem which is not connected to the slack port of PET. If the power flow calculation converges, continue step (5); otherwise, return step (3).
- (5)
- Obtain the injected power on the non-slack port side. If the direction of injection of PET is specified as the positive direction of power, the exchange power of the PET port is equivalent to the difference between the output power and the original power of the connected node.
- (6)
- Solve the equation for the power flow inside PET to obtain the injected power on the slack port side. The calculation formulas are as follows:where the subscript represents the non-slack AC port of PET, the subscript represents the non-slack DC port of PET, the subscript represents the slack port of PET, is the number of non-slack AC ports of PET, and is the number of DC ports of PET.
- (7)
- Determine the initial value of the control variable of the slack port. The calculation formulas are as follows:where represents the initial value of the angle by which the voltage phase of the AC node connected to the slack port advances the phase of the voltage of VSC on the side of the slack port, and represents the initial value of the modulation ratio of VSC on the slack port side.
- (8)
- Calculate the power flow on the slack port side. If the power flow calculation converges, continue step (9); otherwise, return to step (3).
- (9)
- Update the injected power of the network node connected to the slack port.
- (10)
- Calculate the power flow of the subsystem connected to the slack port. If the power flow calculation converges, continue step (10); otherwise, return to step (3).
- (11)
- Obtain the injected power of the network node connected to the slack port. If the power variations at all slack ports are within the required range, the power flow calculation results of the whole system converge and turn to step (12). Otherwise, update the AC node voltage connected to the relaxation port and then return to step (7).
- (12)
- The process ends.
5. Example Analysis
5.1. Example Construction and Parameter Setting
5.2. Analysis of Power Flow Calculation Results
5.3. Analysis of the Impact of the Output Mutation of DGs
6. Discussion
7. Conclusions
- (1)
- Theoretical contributions: This research extends the existing body of knowledge by developing a hybrid alternating iteration algorithm that combines the NR method and Zbus Gaussian method. This innovation enhances the theoretical understanding of hybrid AC/DC interactions and provides a scalable method suitable for networks with diverse topological and operational complexities.
- (2)
- Practical contributions: The proposed algorithm ensures compatibility with existing commercial software tools, making it readily deployable for industry applications. Moreover, the method’s ability to handle PET-containing systems positions it as a valuable tool for future grid planning and operational optimization in smart grids and renewable energy integration.
- (1)
- Experimental validation: developing a physical experimental platform to validate the proposed algorithm in real-world scenarios, particularly for large-scale networks with dynamic operational conditions.
- (2)
- Algorithm scalability: extending the method to accommodate ultra-large networks with thousands of nodes, while maintaining computational efficiency. Techniques such as parallel processing or machine learning-based convergence acceleration could be explored.
- (3)
- Integration with advanced technologies: investigating the integration of neural networks and heuristic optimizers to enhance the adaptability and decision-making capabilities of the power flow model. These technologies could further improve computational speed and real-time performance in dynamic environments.
- (4)
- Dynamic and fault analysis: expanding the method to address dynamic behaviors and fault conditions in AC/DC hybrid networks, ensuring its robustness under transient scenarios.
- (5)
- Economic and environmental considerations: incorporating cost and environmental factors into the power flow model to support multi-objective optimization, aligning with the goals of modern sustainable energy systems.
Author Contributions
Funding
Data Availability Statement
Conflicts of Interest
References
- Li, K.; Zhao, Z.; Yuan, L.; Gao, C.; Wen, W.; You, X. Overview on Research of Multi-port Power Electronic Transformer Oriented for AC/DC Hybrid Distribution Grid. High Voltage Eng. 2021, 47, 1233–1250. [Google Scholar]
- Chen, H.; Chen, J.; Duan, X. Study on Power Flow Calculation of Distribution System with DGs. Autom. Electr. Power Syst. 2006, 30, 35–40. [Google Scholar]
- Zhao, D.; Jia, Y.; Ren, C.; Zhang, B. Unified Control Strategy of AC/DC Bus Voltage in Hybrid Microgrid Based on Bidirectional Interfacing Converter. Power Syst. Technol. 2021, 45, 3105–3114. [Google Scholar] [CrossRef]
- Li, F.; Qin, W.; Ren, C.; Wang, Q.; Han, X.; Wang, J. Virtual Synchronous Motor Control Strategy for Interfacing Converter in Hybrid AC/DC Micro-grid. Proc. CSEE 2019, 39, 3776–3788. [Google Scholar]
- Salomonsson, D.; Sannino, A. Low-Voltage DC Distribution System for Commercial Power Systems with Sensitive Electronic Loads. IEEE Trans. Power Deliv. 2007, 22, 1620–1627. [Google Scholar] [CrossRef]
- Barnes, M.; Kondoh, J.; Asano, H.; Oyarzabal, J.; Ventakaramanan, G.; Lasseter, R.; Hatziargyriou, N. Real-World MicroGrids-An Overview. In Proceedings of the IEEE International Conference on System of Systems Engineering, San Antonio, DE, USA, 16–18 April 2007. [Google Scholar]
- Boroyevich, D.; Cvetković, I.; Dong, D.; Burgos, R.; Wang, F.; Lee, F.; Hatziargyriou, N. Future Electronic Power Distribution Systems a Contemplative View. In Proceedings of the 12th International Conference on Optimization of Electrical and Electronic Equipment, Brasov, Romania, 20–22 May 2010. [Google Scholar]
- Jakka, V.; Shukla, A. Integration of AC and DC Sources Using Multi-source Fed Power Electronic Transformer (MSF-PET) for Modern Power Distribution System Applications. In Proceedings of the 18th European Conference on Power Electronics and Applications, Karlsruhe, Germany, 5–9 September 2016. [Google Scholar]
- Zhu, J.; Li, F.; Yu, L.; Li, X.; Wang, C. Autonomous Power Mutual Support Control for AC/DC Microgrid Interconnected by Solid State Transformer. Power Syst. Technol. 2023, 47, 284–295. [Google Scholar]
- Pu, T.; Li, Y.; Chen, N.; Sun, Y.; Mu, Y.; Dong, L.; Kong, L. Key Technology and Research Framework for Optimal Operation Control of Hybrid AC/DC System Based on Power Electronic Transformer. Power Syst. Technol. 2018, 42, 2752–2759. [Google Scholar]
- Kang, M.; Enjeti, P.; Pitel, I. Analysis and design of electronic transformers for electric power distribution system. IEEE Trans. Power Electron. 1999, 14, 1133–1141. [Google Scholar] [CrossRef]
- Jin, G.; Shi, C.; Li, G.; Pan, D.; Liu, Z. Power Flow Calculation of an AC-DC Hybrid Distribution Network based on A Network Matrix. Power Syst. Prot. Control. 2020, 48, 52–61. [Google Scholar]
- Lei, J.; An, T.; Du, Z.; Yuan, Z. A Unified AC/DC Power Flow Algorithm with DC Distribution. Proc. CSEE 2016, 36, 911–918. [Google Scholar]
- Lei, J.; An, T.; Du, Z.; Yuan, Z. A General Unified AC/DC Power Flow Algorithm With MTDC. IEEE Trans. Power Syst. 2017, 32, 2837–2846. [Google Scholar] [CrossRef]
- Chai, R.; Zhang, B.; Dou, J.; Hao, Z.; Zheng, T. Unified Power Flow Algorithm Based on the NR Method for Hybrid AC/DC Grids Incorporating VSCs. IEEE Trans. Power Syst. 2016, 31, 4310–4318. [Google Scholar] [CrossRef]
- Chai, R.; Zhang, B.; Bo, Z. Alternating Iterative Power Flow Algorithm for Hybrid AC/DC Networks Containing DC Grid Based on Voltage Source Converter. Autom. Electr. Power Syst. 2015, 39, 7–13. [Google Scholar]
- Wu, Z.; Yin, Z.; Tang, X. An AC/DC Decoupled Hybrid Power Flow Algorithm for Hybrid Power System. Proc. CSEE 2016, 36, 937–944. [Google Scholar]
- Chen, Y.; Hao, Q.; Zhang, J. Dynamic Flow Algorithm for Hybrid AC/DC Networks With VSC-HVDC. Power Syst. Technol. 2016, 40, 1025–1029. [Google Scholar]
- Li, Z.; Gao, F.; Zhao, C.; Wang, Z.; Zhang, H.; Wang, P.; Li, Y. Research Review of Power Electronic Transformer Technologies. Proc. CSEE 2018, 38, 1274–1289. [Google Scholar]
- Miao, J.; Zhang, N.; Kang, C. Analysis on the Influence of Energy Router on the Optimal Operation of Distribution Network. Proc. CSEE 2017, 37, 2832–2839. [Google Scholar]
- Huang, L.; Zong, C.; Yang, X.; Chen, W.; Zhu, Y.; Bi, K. Power Flow Calculation of Distribution Network with Multiple Energy Routers. IEEE Access 2021, 9, 23489–23497. [Google Scholar] [CrossRef]
- Zhu, Y.; Wu, H.; Zhang, Z.; Zong, C.; Bi, K.; Xu, D. Power Flow Calculation of AC-DC Hybrid Distribution Network with Energy Routers. Electr. Power Eng. Technol. 2024, 43, 136–145. [Google Scholar]
- Zhao, J.; Dou, J.; Wu, Y.; Xia, H.; Duan, Q.; Dong, X.; Zhang, Y. A Method for Power Flow Calculation in AC/DC Hybrid Distribution Networks Considering the Electric Energy Routers Based on an Alternating Iterative approach. Electronics 2024, 13, 3384. [Google Scholar] [CrossRef]
- Peng, K.; Zhang, X.; Chen, Y. Power flow calculation algorithm for AC-DC hybrid distribution network with multi-terminal flexible interconnection. Electr. Power Autom. Equip. 2017, 37, 22–27. [Google Scholar]
- Ma, X.; Gup, R.; Liu, J.; Fang, C.; Zhu, P.; Zhang, Y. State Estimation for Three-phase Unbalanced AC/DC Distribution Network. Autom. Electr. Power Syst. 2019, 43, 65–71. [Google Scholar]
- Zhang, T.; Mu, Y.; Jia, H.; Wang, X.; Pu, T. Stochastic Operation Optimization for AC/DC Distribution Network with Power Electronic Transformer. Power Syst. Technol. 2022, 46, 860–869. [Google Scholar]
- Cao, F.; Liu, C.; Li, X. Alternative Iteration Algorithm for Power Flow of Distribution Network with Power Electronic Transformer. Adv. Technol. Electr. Eng. Energy 2018, 37, 41–50. [Google Scholar]
- Zheng, C.; Zhou, X.; Li, R.; Sheng, C. Study on the Steady Characteristic and Algorithm of Power Flow for VSC-HDC. Proc. CSEE 2005, 25, 4–8. [Google Scholar]
- Zhang, Y.; Zhang, J.; Liu, G. Hybrid Power Flow Calculation of AC-DC Flexible Interconnected System in Distribution Network, In Proceedings of the 2021 IEEE Sustainable Power and Energy Conference, Nanjing, China, 23–25 December 2021.
















| Port Type | Control Mode | Characteristic of Network |
|---|---|---|
| AC port | AC active network | |
| AC active network | ||
| AC passive network | ||
| DC port | DC active network | |
| DC passive network | ||
| Mode 6: Droop control | DC passive network |
| Zone of Network | Nodes Included | Ports Connected |
|---|---|---|
| AC subnetwork 1 | 1, 2, 18~21 | D1, D7 |
| AC subnetwork 2 | 22, 23, 24 | D2 |
| AC subnetwork 3 | 3~17, 25~32 | D3, D5 |
| DC subnetwork | 33~44 | D4, D6 |
| PET Number | Port Number | Control Modes |
|---|---|---|
| PET1 | D1 | |
| D2 | ||
| D3 | ||
| D4 | ||
| PET2 | D5 | |
| D6 | ||
| D7 |
| Port Number | (p.u.) | (p.u.) | (p.u.) | (°) | (p.u.) |
|---|---|---|---|---|---|
| D1 | / | 0 | / | / | 2.0 |
| D2 | / | / | 0.9990 | 0 | / |
| D3 | −0.1550 | −0.05 | / | / | / |
| D4 | / | / | 0.9999 | / | / |
| D5 | −0.0020 | −0.05 | / | / | / |
| D6 | 0.020 | / | / | / | / |
| D7 | / | −0.020 | / | / | 2.0 |
| Port Number | (p.u.) | (p.u.) | (p.u.) | m (p.u.) | (°) |
|---|---|---|---|---|---|
| D1 | 0.2585 | 0 | 0.9983 | 0.7058 | 0.0291 |
| D2 | −0.0936 | −0.0455 | 0.9990 | 0.7168 | −1.6634 |
| D3 | −0.1550 | −0.0500 | 1.00318 | 0.7203 | −2.7335 |
| D4 | −0.0039 | / | 0.9999 | / | / |
| D5 | −0.0020 | −0.0500 | 1.0012 | 0.7191 | −0.0353 |
| D6 | 0.0200 | / | 0.9983 | / | / |
| D7 | −0.0078 | −0.0200 | 0.9979 | 0.7056 | −0.0002 |
Disclaimer/Publisher’s Note: The statements, opinions and data contained in all publications are solely those of the individual author(s) and contributor(s) and not of MDPI and/or the editor(s). MDPI and/or the editor(s) disclaim responsibility for any injury to people or property resulting from any ideas, methods, instructions or products referred to in the content. |
© 2024 by the authors. Licensee MDPI, Basel, Switzerland. This article is an open access article distributed under the terms and conditions of the Creative Commons Attribution (CC BY) license (https://creativecommons.org/licenses/by/4.0/).
Share and Cite
Zheng, Z.; Huang, C.; Ma, X.; Chen, W.; Huang, Y.; Wang, M.; Pan, D. Power Flow Analysis of Ring AC/DC Hybrid Network with Multiple Power Electronic Transformers Based on Hybrid Alternating Iteration Power Flow Algorithm. Processes 2025, 13, 7. https://doi.org/10.3390/pr13010007
Zheng Z, Huang C, Ma X, Chen W, Huang Y, Wang M, Pan D. Power Flow Analysis of Ring AC/DC Hybrid Network with Multiple Power Electronic Transformers Based on Hybrid Alternating Iteration Power Flow Algorithm. Processes. 2025; 13(1):7. https://doi.org/10.3390/pr13010007
Chicago/Turabian StyleZheng, Zhen, Chenhong Huang, Xiaoli Ma, Wenwen Chen, Yinan Huang, Min Wang, and Dongqian Pan. 2025. "Power Flow Analysis of Ring AC/DC Hybrid Network with Multiple Power Electronic Transformers Based on Hybrid Alternating Iteration Power Flow Algorithm" Processes 13, no. 1: 7. https://doi.org/10.3390/pr13010007
APA StyleZheng, Z., Huang, C., Ma, X., Chen, W., Huang, Y., Wang, M., & Pan, D. (2025). Power Flow Analysis of Ring AC/DC Hybrid Network with Multiple Power Electronic Transformers Based on Hybrid Alternating Iteration Power Flow Algorithm. Processes, 13(1), 7. https://doi.org/10.3390/pr13010007

