Design and Research of a Field Bus Control System Laboratory for Metal Mining, Beneficiation and Metallurgy
Abstract
:1. Introduction
- This study offers a profound insight that resonates as a clarion call: the need for a diverse embrace of network control system architectures and hardware configurations from multiple influential brands. This strategic shift not only forges a robust foundation for laboratory procurement and utilization but also ushers in an era of cross-brand collaboration that is poised to ignite innovation through unexpected intersections.
- This paper presents a transformative vision for the future, envisaging the laboratory as a nexus of convergence between academia and industry. In seamless collaboration with the nonferrous metal industry and other sectors, the laboratory is poised to undertake pioneering industry-university research endeavors, catalyzing revolutionary automation engineering experiments. This collaborative endeavor, buttressed by interdisciplinary experimental teaching, curriculum design, and talent cultivation initiatives, is set to shape a future enriched by synergistic expertise.
2. Research on Laboratory Control System Equipment
2.1. Selection of Laboratory Base
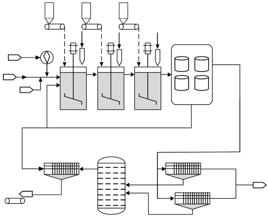
2.2. Control Network Architecture Scheme
3. Laboratory Research Design Content
3.1. Construction of Metal Mining, Dressing and Metallurgy Control System Device
3.2. Technological Research and Development and Experimental Requirements of Metal Mining and Beneficiation Laboratories
3.3. Construction of Laboratory Talent Team
4. Laboratory Scheme Design and Budget Analysis
4.1. Laboratory Configuration Plan
4.2. Budget Analysis
5. Application and Effect of Typical Laboratory Design
5.1. Laboratory Layout Design
5.2. Typical Application Scenarios of Mining, Dressing and Metallurgy in the Laboratory
6. Conclusions
Author Contributions
Funding
Data Availability Statement
Conflicts of Interest
References
- Chai, B.; Gao, J.; Pan, L.; Chen, Y. Research on the Impact Factors of Green Economy of China—From the Perspective of System and Foreign Direct Investment. Sustainability 2021, 13, 8741. [Google Scholar] [CrossRef]
- Zhang, Z.; Zhou, C.; Chen, W.; Long, F.; Chen, Z.; Chi, R. Effects of Ammonium Salts on Rare Earth Leaching Process of Weathered Crust Elution-Deposited Rare Earth Ores. Metals 2023, 13, 1112. [Google Scholar] [CrossRef]
- Santos, G.; Sá, J.C.; Félix, M.J.; Barreto, L.; Carvalho, F.; Doiro, M.; Zgodavová, K.; Stefanović, M. New Needed Quality Management Skills for Quality Managers 4.0. Sustainability 2021, 13, 6149. [Google Scholar] [CrossRef]
- Tang, P.; Li, L.; Xue, Y.; Lv, M.; Jia, Z.; Ma, H. Real-World Underwater Image Enhancement Based on Attention U-Net. J. Mar. Sci. Eng. 2023, 11, 662. [Google Scholar] [CrossRef]
- Yi, K.; Wang, Y.; Xu, D.; Ling, Y. Design on E+H Combined Process Measurement and Control Device and Real-time Monitoring System. Control. Eng. China 2022, 29, 121–128. [Google Scholar]
- Duan, H.; Dang, Z.; Wei, G. Damage Distribution Map Based Damage Accumulation Calculation Approach for Welded Joints. Metals 2023, 13, 1203. [Google Scholar] [CrossRef]
- Niu, F.; Bu, Z.; Zhang, J.; He, S.; Chang, Z. Zn Extraction from Zinc-Containing Sludge Using Ultrasonic Treatment Leaching with ChCl-MA DES. Metals 2023, 13, 1192. [Google Scholar] [CrossRef]
- Wang, S.Y.; Ning, W.; Qi, M.; Ma, C.Z.; Xiong, W.; Gong, W.Y. Development and Application of Automatic Control System for Waste Discarding and Separation of Raw Ore Based on Portal. Min. Res. Dev. 2020, 40, 165–167. [Google Scholar]
- Cruz, D.J.; Amaral, R.L.; Santos, A.D.; Tavares, J.M.R.S. Application of Digital Image Processing Techniques to Detect Through-Thickness Crack in Hole Expansion Test. Metals 2023, 13, 1197. [Google Scholar] [CrossRef]
- Zhou, N.; Nian, C.; Zhao, J.; Li, W.; Wang, H. Error Compensation for Optical Encoder Based on Variational Mode Decomposition with a Coarse-to-Fine Selection Scheme. IEEE Trans. Instrum. Meas. 2023, 72, 102–107. [Google Scholar]
- Stavropoulos, P.; Papacharalampopoulos, A.; Michail, C.K.; Chryssolouris, G. Robust Additive Manufacturing Performance through a Control Oriented Digital Twin. Metals 2021, 11, 708. [Google Scholar] [CrossRef]
- Saban, M.; Bekkour, M.; Amdaouch, I.; El Gueri, J.; Ait Ahmed, B.; Chaari, M.Z.; Ruiz-Alzola, J.; Rosado-Muñoz, A.; Aghzout, O. A Smart Agricultural System Based on PLC and a Cloud Computing Web Application Using LoRa and LoRaWan. Sensors 2023, 23, 2725. [Google Scholar] [CrossRef]
- Ramirez, R.; Chang, C.-K.; Liang, S.-H. PLC Cybersecurity Test Platform Establishment and Cyberattack Practice. Electronics 2023, 12, 1195. [Google Scholar] [CrossRef]
- Yu, Y.; Zeng, R.; Xue, Y.; Zhao, X. Optimization Strategy of Rolling Mill Hydraulic Roll Gap Control System Based on Improved Particle Swarm PID Algorithm. Biomimetics 2023, 8, 143. [Google Scholar] [CrossRef]
- Mäkiaho, T.; Vainio, H.; Koskinen, K.T. Wear Parameter Diagnostics of Industrial Milling Machine with Support Vector Regression. Machines 2023, 11, 395. [Google Scholar] [CrossRef]
- Butt, J.; Mohaghegh, V. Combining Digital Twin and Machine Learning for the Fused Filament Fabrication Process. Metals 2023, 13, 24. [Google Scholar] [CrossRef]
- Ma, C.; Dang, H.; Du, J.; He, P.; Jiang, M.; Wei, Z. Research on Automated Defect Classification Based on Visual Sensing and Convolutional Neural Network-Support Vector Machine for GTA-Assisted Droplet Deposition Manufacturing Process. Metals 2021, 11, 639. [Google Scholar] [CrossRef]
- Dosoftei, C.-C. Simulation Power vs. Immersive Capabilities: Enhanced Understanding and Interaction with Digital Twin of a Mechatronic System. Appl. Sci. 2023, 13, 6463. [Google Scholar] [CrossRef]
- Li, Z.; Wei, Q.; Ma, R.; Geng, Y.; Yang, Y.; Lv, Z. DpGuard: A Lightweight Attack Detection Method for an Industrial Bus Network. Electronics 2023, 12, 1121. [Google Scholar] [CrossRef]
- Kučera, E.; Haffner, O.; Drahoš, P.; Cigánek, J. Educational Case Studies for Pilot Engineer 4.0 Programme: Monitoring and Control of Discrete-Event Systems Using OPC UA and Cloud Applications. Appl. Sci. 2022, 12, 8802. [Google Scholar] [CrossRef]
- Garcia, E.; Montés, N.; Llopis, J.; Lacasa, A. Miniterm, a Novel Virtual Sensor for Predictive Maintenance for the Industry 4.0 Era. Sensors 2022, 22, 6222. [Google Scholar] [CrossRef]
- McCarthy, D.; McMorrow, D.; O’Dowd, N.P.; McCarthy, C.T.; Hinchy, E.P. A Model-Based Approach to Automated Validation and Generation of PLC Code for Manufacturing Equipment in Regulated Environments. Appl. Sci. 2022, 12, 7506. [Google Scholar] [CrossRef]
- Garcia, A.; Oregui, X.; Arrieta, U.; Valverde, I. Methodology and Tools to Integrate Industry 4.0 CPS into Process Design and Management: ISA-88 Use Case. Information 2022, 13, 226. [Google Scholar] [CrossRef]
- Wei, Y.; Law, A.W.-K.; Yang, C.; Tang, D. Combined Anomaly Detection Framework for Digital Twins of Water Treatment Facilities. Water 2022, 14, 1001. [Google Scholar] [CrossRef]
- Anguiano-Gijón, C.A.; Cid-Gaona, A.; Chávez-Delgado, J.M.; Vázquez, C.R. On the Design of Regulation Controllers for Automation Systems with RCPetri. Appl. Sci. 2022, 12, 3294. [Google Scholar] [CrossRef]
- Niu, K.; Bai, S.; Zhou, L.; Zhao, B.; Liu, L.; Yuan, Y.; Yang, D.; Xiong, S.; Zhang, W. Design and Experimental Research of Variable Formula Fertilization Control System Based on Prescription Diagram. Appl. Sci. 2022, 12, 325. [Google Scholar] [CrossRef]
- Xia, K.; Saidy, C.; Kirkpatrick, M.; Anumbe, N.; Sheth, A.; Harik, R. Towards Semantic Integration of Machine Vision Systems to Aid Manufacturing Event Understanding. Sensors 2021, 21, 4276. [Google Scholar] [CrossRef] [PubMed]
- Zhang, X.; Duan, N.; Jiang, L.; Xu, F.; Yu, Z.; Cheng, W.; Lv, W.; Qiu, Y. Application of PLC-Based Spectrophotometric System Nitrogen Protection Device to Automated Direct Measurement of Target Substances in Zinc Hydrometallurgy. Processes 2023, 11, 672. [Google Scholar] [CrossRef]
- Tahiri, I.; Philippot, A.; Carré-Ménétrier, V.; Tajer, A. A Fault-Tolerant and a Reconfigurable Control Framework: Application to a Real Manufacturing System. Processes 2022, 10, 1266. [Google Scholar] [CrossRef]
- Minchala, L.I.; Peralta, J.; Mata-Quevedo, P.; Rojas, J. An Approach to Industrial Automation Based on Low-Cost Embedded Platforms and Open Software. Appl. Sci. 2020, 10, 4696. [Google Scholar] [CrossRef]
- Ren, Y.; Huang, C.; Jiang, Y.; Wu, Z. Neural Network Prediction Model for Sinter Mixture Water Content Based on KPCA-GA Optimization. Metals 2022, 12, 1287. [Google Scholar] [CrossRef]
- Yang, K.; Zhang, L.; Zhang, Z.; Yu, H.; Wang, W.; Ouyang, M.; Zhang, C.; Sun, Q.; Yan, X.; Yang, S.; et al. Battery State of Health Estimate Strategies: From Data Analysis to End-Cloud Collaborative Framework. Batteries 2023, 9, 351. [Google Scholar] [CrossRef]
- González, I.; Calderón, A.J.; Mejías, A.; Andújar, J.M. Novel Networked Remote Laboratory Architecture for Open Connectivity Based on PLC-OPC-LabVIEW-EJS Integration. Application in Remote Fuzzy Control and Sensors Data Acquisition. Sensors 2016, 16, 1822. [Google Scholar] [CrossRef]
- Dhanabalan, G.; Tamil Selvi, S.; Mahdal, M. Scan Time Reduction of PLCs by Dedicated Parallel-Execution Multiple PID Controllers Using an FPGA. Sensors 2022, 22, 4584. [Google Scholar] [CrossRef]
- Nie, M.; Shi, W.; Fan, W.; Xiang, H. Automatic Extrinsic Calibration of Dual LiDARs with Adaptive Surface Normal Estimation. IEEE Trans. Instrum. Meas. 2023, 72, 1000711. [Google Scholar] [CrossRef]
- Koumboulis, F.N.; Fragkoulis, D.G.; Kalkanas, I.; Fragulis, G.F. Supervisor Design for a Pressurized Reactor Unit in the Presence of Sensor and Actuator Faults. Electronics 2022, 11, 2534. [Google Scholar] [CrossRef]
- Wu, F.; Huang, K.; Li, H.; Huang, C. Analysis and Research on the Automatic Control Systems of Oil–Water Baffles in Horizontal Three-Phase Separators. Processes 2022, 10, 1102. [Google Scholar] [CrossRef]
- González, I.; Calderón, A.J.; Barragán, A.J.; Andújar, J.M. Integration of Sensors, Controllers and Instruments Using a Novel OPC Architecture. Sensors 2017, 17, 1512. [Google Scholar] [CrossRef]
- Yan, J.; Qiu, C.; Wang, Y.; Wu, N.; Qu, W.; Zhuang, Y.; Yan, G.; Wang, P.; Zhang, R.; Yan, Y.; et al. Design of Control System for Multistage Distillation Seawater Desalination Device Driven by Photovoltaic-Thermal. J. Mar. Sci. Eng. 2023, 11, 222. [Google Scholar] [CrossRef]
- Kwapisz, B.; Doligalski, M.; Ochowiak, M.; Mrugalski, M.; Włodarczak, S.; Krupińska, A.; Matuszak, M.; Woziwodzki, S. Monitoring of Measuring Devices Using a Programmable Logic Controller and a Dedicated Desktop Application. Sensors 2022, 22, 9313. [Google Scholar] [CrossRef]
- Sun, B.; Zhang, B.; Yang, C.H.; Gui, W.H. Discussion on Modeling and Optimal Control of Nonferrous Metallurgical Purification Process. Acta Autom. Sin. 2017, 43, 880–892. [Google Scholar] [CrossRef]
- Murhula, E.; Hashan, M.; Otsuki, A. Effect of Solid Concentration and Particle Size on the Flotation Kinetics and Entrainment of Quartz and Hematite. Metals 2023, 13, 53. [Google Scholar] [CrossRef]
- Štirbanović, Z.; Urošević, D.; Đorđević, M.; Sokolović, J.; Aksić, N.; Živadinović, N.; Milutinović, S. Application of Thionocarbamates in Copper Slag Flotation. Metals 2022, 12, 832. [Google Scholar] [CrossRef]









| Brand | System Scheme | Controller | IO Module |
|---|---|---|---|
| Siemens (in Germany Berlin&Munich) | PCS7 | S7-410 | ET200M |
| Rockwell (in U.S Pittsburgh) | AB PlantPaX | 1756-L71 | 1794-AENTR |
| Emerson (in U.S St. Louis) | Delta V | MQ Controller | Analog/Discrete Card |
| ABB (in Swiss Zurich) | 800xA | AC 800M | 810 |
| Supcon (in China Hangzhou) | FCU712-S01 | ECS-700 | 711-S11 |
Disclaimer/Publisher’s Note: The statements, opinions and data contained in all publications are solely those of the individual author(s) and contributor(s) and not of MDPI and/or the editor(s). MDPI and/or the editor(s) disclaim responsibility for any injury to people or property resulting from any ideas, methods, instructions or products referred to in the content. |
© 2023 by the authors. Licensee MDPI, Basel, Switzerland. This article is an open access article distributed under the terms and conditions of the Creative Commons Attribution (CC BY) license (https://creativecommons.org/licenses/by/4.0/).
Share and Cite
Wang, S.; Lei, J.; Hu, S.; Tang, G.; Chen, Z.; Yang, W.; Liu, Y.; Zhang, G. Design and Research of a Field Bus Control System Laboratory for Metal Mining, Beneficiation and Metallurgy. Processes 2023, 11, 2665. https://doi.org/10.3390/pr11092665
Wang S, Lei J, Hu S, Tang G, Chen Z, Yang W, Liu Y, Zhang G. Design and Research of a Field Bus Control System Laboratory for Metal Mining, Beneficiation and Metallurgy. Processes. 2023; 11(9):2665. https://doi.org/10.3390/pr11092665
Chicago/Turabian StyleWang, Siyuan, Jiugang Lei, Shan Hu, Guxiu Tang, Zhen Chen, Weiwei Yang, Yufeng Liu, and Guofan Zhang. 2023. "Design and Research of a Field Bus Control System Laboratory for Metal Mining, Beneficiation and Metallurgy" Processes 11, no. 9: 2665. https://doi.org/10.3390/pr11092665
APA StyleWang, S., Lei, J., Hu, S., Tang, G., Chen, Z., Yang, W., Liu, Y., & Zhang, G. (2023). Design and Research of a Field Bus Control System Laboratory for Metal Mining, Beneficiation and Metallurgy. Processes, 11(9), 2665. https://doi.org/10.3390/pr11092665

