Research on the Control Strategy of Urban Integrated Energy Systems Containing the Fuel Cell
Abstract
1. Introduction
2. Background
3. Design of Urban Integrated Energy System Containing the Hydrogen Fuel Cell
3.1. Urban Comprehensive Energy Power Supply Structure
3.2. Fuel Cell
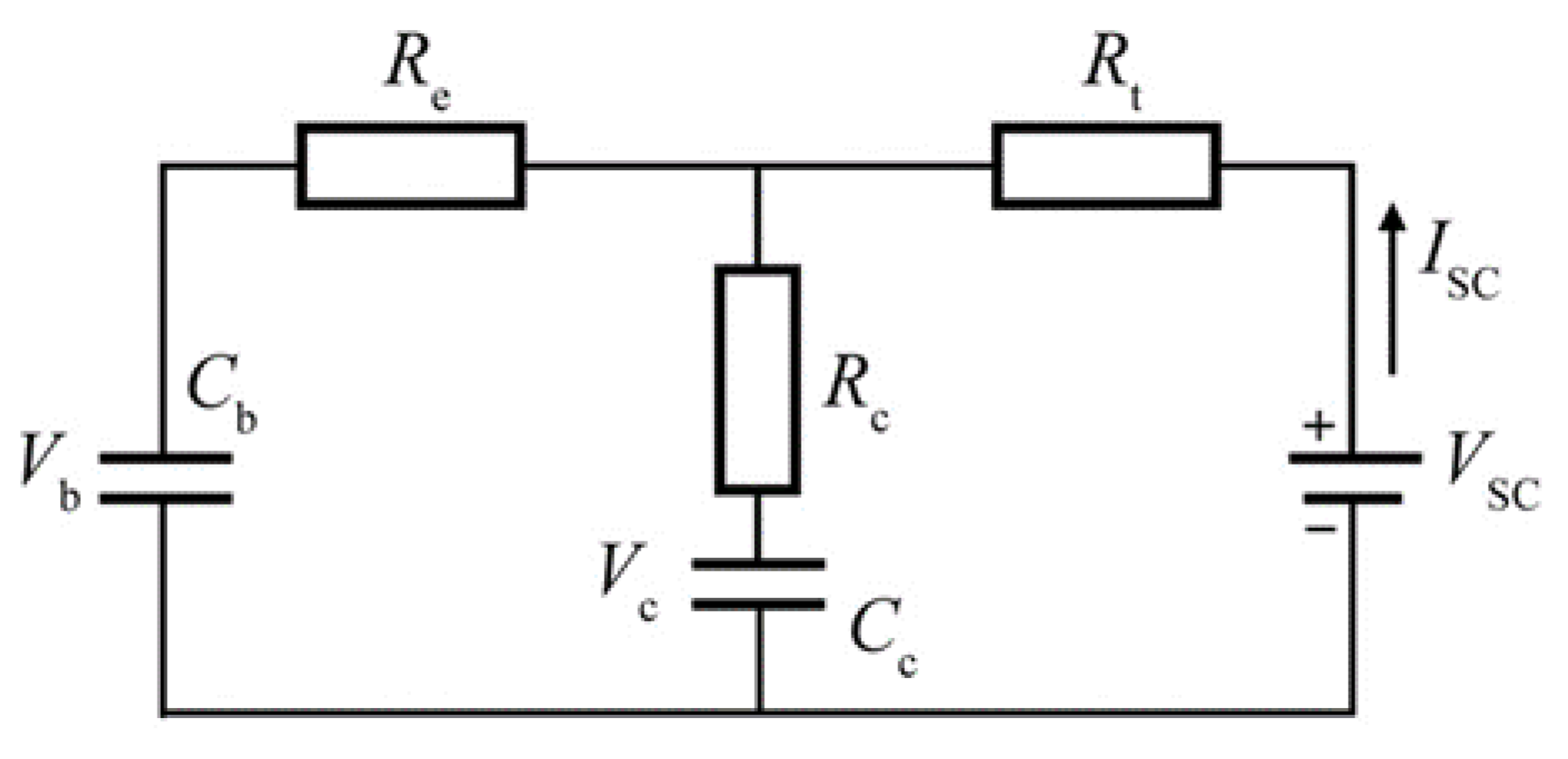
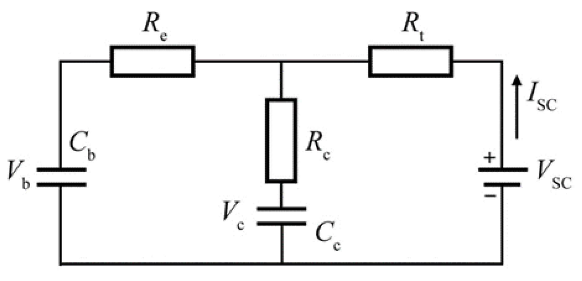
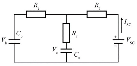
3.3. Supercapacitor
3.4. Photovoltaic Cell
4. A Fuzzy Logic-Based Energy Management Strategy
4.1. Fuzzy Logic Control System Structure
4.2. Composition of Fuzzy Logic Controller
4.2.1. Design of Fuzzy Controller
- The output power of the fuel cell and solar cell must be calculated using the load side power demand and the supercapacitor capacitance in order to ensure the system operates smoothly, allocates power efficiently, and maintains its own energy.
- Maintain the fuel cell’s output current within a legitimate range, the lower end of which allows the fuel cell to produce the least output power at that current and the higher end of which allows the fuel cell to maintain stable system functioning even under strong load demands. This constraint also avoids the impact of high current output on the battery’s lifespan.
4.2.2. Determination of Membership Functions
4.2.3. Methods for Establishing Fuzzy Rules
- (1)
- When the load power exceeds the rated power of the fuel cell, a positive current reference is generated by the supercapacitor. Since the supercapacitor is in a discharging state at this time, when the power reaches a certain level, the current reference of the fuel cell is clamped at the rated current, and the fuel cell outputs its rated power.
- (2)
- When the load power is lower than the rated power of the fuel cell, the current of the supercapacitor is positive, indicating that it is charging. The operation of the fuel cell depends on the current of the supercapacitor. When the feedback current of the supercapacitor is negative, the fuel cell outputs energy at its rated power. When the feedback current of the supercapacitor is zero, the fuel cell outputs an appropriate amount of energy according to the load power demand.
4.2.4. Defuzzification
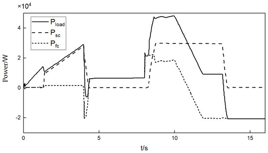
5. Energy Verification and Result Analysis
5.1. The Verification of Energy Management Strategies
5.2. Comparative Analysis of Results
6. Conclusions
Author Contributions
Funding
Institutional Review Board Statement
Informed Consent Statement
Data Availability Statement
Conflicts of Interest
References
- Tuhin, D.; Snyder, S. Adaptive control of a solid oxide fuel cell ultra-capacitor hybrid system. IEEE Trans. Control Syst. Technol. 2013, 21, 372–383. [Google Scholar]
- Zheng, W.; Cai, J. Energy Management Strategy of Fuel Cell/Supercapacitor Hybrid Power Generation System. Electr. Power Autom. Equip. 2012, 32, 28–32. [Google Scholar]
- Zhang, R.D.; Tao, J.L.; Zhou, H.Y. Fuzzy optimal energy management for fuel cell and super-capacitor systems using neural network based driving pattern recognition. IEEE Trans. Control Syst. 2019, 27, 45–57. [Google Scholar]
- Zhao, X.; Wang, L.; Zhou, Y.; Pan, B.; Wang, R.; Wang, L.; Yan, X. Multi-energy Management Strategy for Fuel Cell Hybrid Electric Vehicle. Trans. China Electrotech. Soc. 2011, 26, 303–308. [Google Scholar]
- Tekin, M.; Hissel, D.; Pera, M.C.; Kauffmann, J.M. Energy management strategy for embedded fuel cell system using fuzzy logic. IEEE Trans. Ind. Electron. 2007, 54, 595–603. [Google Scholar] [CrossRef]
- Jiang, K.; Guo, S.; Wu, Q.H. Matching and optimization of power system parameters for fuel cell sightseeing car. Sci. Technol. Eng. 2019, 19, 351–356. [Google Scholar]
- Kaya, K.; Hames, Y. Tow new control strategies: For hydrogen fuel saving and extend the life cycle in the hydrogen fuel cell vehicles. Int. J. Hydrogren Energy 2018, 44, 18967–18980. [Google Scholar] [CrossRef]
- Qin, Y.; Sun, L.; Hua, Q.; Liu, P. A fuzzy adaptive PID controller design for fuel cell power plant. Sustainability 2018, 10, 2438. [Google Scholar] [CrossRef]
- Triwiyatno, A.; Kurniahadi, A. Designing hydrogen and oxygen flow rate control on a solid oxide fuel cell simulator using the fuzzy logic control method. Processes 2020, 8, 154. [Google Scholar]
- Ban, M.; Bai, W.; Song, W.; Zhu, L.; Xia, S.; Zhu, Z.; Wu, T. Optimal Scheduling for Integrated Energy-Mobility Systems Based on Renewable-to-Hydrogen Stations and Tank Truck Fleets. IEEE Trans. Ind. Appl. 2021, 58, 2666–2676. [Google Scholar] [CrossRef]
- Marqusee, J.; Ericson, S.; Jenket, D. Impact of emergency diesel generator reliability on microgrids and building-tied systems. Appl. Energy 2021, 285, 116437. [Google Scholar] [CrossRef]
- Aernandez, A.M.; Kandidayeni, M.; Boulon, L.; Chaoui, H. An Adaptive State Machine Based Energy Management Strategy for a Multi-Stack Fuel Cell Hybrid Electric Vehicle. IEEE Trans. Veh. Technol. 2020, 69, 220–234. [Google Scholar]
- Zhang, Z.; Guan, C.; Liu, Z. Real-Time Optimization Energy Management Strategy for Fuel Cell Hybrid Ships Considering Power Sources Degradation. IEEE Access 2020, 8, 87046–87059. [Google Scholar] [CrossRef]
- Pereira, D.F.; Lopes, F.D.C.; Watanabe, E.H. Nonlinear Model Predictive Control for the Energy Management of Fuel Cell Hybrid Electric Vehicles in Real Time. IEEE Trans. Ind. Electron. 2021, 68, 3213–3223. [Google Scholar] [CrossRef]
- Ling, W.; Xinran, L.; Yahui, M. Fuel cell power system Mechanical and electrical dynamic Model. Proc. CSEE 2011, 31, 40–47. [Google Scholar]
- Li, T.; Hu, Z.; Chen, Z.; Liu, S. Multi-time scale low carbon operation optimization strategy of integratedenergy system considering electricity-gas-heat-hydrogen demand response. Electr. Power Autom. Equip. 2022, 1–18. [Google Scholar]
- Zheng, L.; Zwen, Z.; Qiu, Z. Low-carbon optimized operation of an integrated energy system that takes into account solar thermal power plants and hydrogen storage. Electr. Meas. Instrum. 2022, 1–9. [Google Scholar]
- Zhou, D.M.; Alexander, M.R.; McEldowney, G.S. Online energy management strategy of fuel cell hybrid electric vehicles based on data fusion approach. J. Power Sources 2017, 366, 278–291. [Google Scholar] [CrossRef]
- Barton, J.P.; Infield, D.G. Energy storage and its use with intermittent renewable energy. IEEE Trans. Energy Convers. 2004, 19, 441–448. [Google Scholar] [CrossRef]
- Zhang, W.L.; Qiu, M.; Lai, X.K.; Chu, N. Application of energy storage technology in power systems. Power Syst. Technol. 2008, 32, 1–9. [Google Scholar]
- Liu, B. Analysis of Safety Hazards and Countermeasures for the Construction of Electrochemical Energy Storage Power Stations. Sci. Technol. Inf. 2023, 21, 107–110. [Google Scholar]
- Thounthong, P.; Luksanasakul, A.; Koseeyaporn, P.; Davat, B. Intelligent model-based control of a standalone photovoltaic/fuel cell power plant with supercapacitor energy storage. IEEE Trans. Sustain. Energy 2013, 4, 240–249. [Google Scholar] [CrossRef]
- Chen, D.; Liu, F.; Liu, S. Optimization of Virtual Power Plant Scheduling Coupling with P2GCCS and Doped with Gas Hydrogen Based on Stepped Carbon Trading. Power Syst. Technol. 2022, 46, 2042–2054. [Google Scholar]
- Wang, Y.; Sun, Z.; Chen, Z. Energy management trategy for battery/supercapacitor/fuel cell hybrid source vehicles based on finite state machine. Appl. Energy 2019, 254, 113707. [Google Scholar] [CrossRef]
- Jiang, D.D. Energy Management of Hybrid Electric Vehicles Based on Model Predictive Control. Ph.D. Thesis, Zhejiang University, Hangzhou, China, 2020. [Google Scholar]
- Wang, Z.F.; Luo, W.; Xu, S.; Zhu, Z.L. A review of energy management strategy for fuel cell vehicle. Battery 2022, 52, 328–332. [Google Scholar]
- Feng, J.; Han, Z.; Gao, X.; Wu, Z.; Sun, Y. Energy consumption analysis of a range-extender electric vehicle based on a dynamic programming algorithm and road conditions. J. Tongji Univ. 2019, 47, 115–119. [Google Scholar]
- Yin, H.; Zhou, W.; Li, M.; Ma, C.; Zhao, C. An adaptive fuzzy logic-based energy management strategy on battery/ultracapacitor hybrid electric vehicles. IEEE Trans. Transp. Electrif. 2016, 2, 300–311. [Google Scholar] [CrossRef]
- Niu, L.M.; Zhang, Q.Q.; Zhu, F.T. Fuzzy control strategy for extended range electric vehicle based on global optimization algorithm. J. Chongqing Jiaotong Univ. 2022, 41, 137–145. [Google Scholar]
- He, H.; Shi, M.; Cao, J.; Han, M. Regenerative braking energy management strategy based on dynamic programming. J. Chongqing Univ. Technol. 2021, 35, 74–80. [Google Scholar]
- Wang, Y.H.; Dong, R.K.; Wu, Z.W. Fuel cell vehicle energy management strategy based on fuzzy theory. Sci. Technol. Ind. 2021, 21, 255–258. [Google Scholar]
- Zhang, L.; Kuang, J.; Sun, B.; Li, F.; Zhang, C. A two-stage operation optimization method of integrated energy systems with demand response and energy storage. Energy 2020, 208, 118423. [Google Scholar] [CrossRef]
- Meng, K.; Zhou, H.; Chen, B.; Tu, Z. Dynamic Current Cycles Effect on the Degradation Characteristic of a H2/O2ProtonExchange Membrane Fuel Cell. Energy 2021, 224, 120168. [Google Scholar] [CrossRef]
- Ocampo-Martinez, C.; Sánchez-Peña, R.; Bianchi, F.; Ingimundarson, A. Data-driven fault diagnosis and robust control: Application to PEM fuel cell systems. Int. J. Robust Nonlinear Control 2018, 28, 3713–3727. [Google Scholar] [CrossRef]
- Li, J.; Yu, T. A new adaptive controller based on distributed deep reinforcement learning for PEMFC air supply system. Energy Rep. 2021, 7, 1267–1279. [Google Scholar] [CrossRef]











| Cell Type | Alkaline Cell | Solid Oxide Electrolyzer | Proton Exchange Membrane Electrolyzer |
|---|---|---|---|
| Electrolyte | 20–30%KOH | Y2O3/ZrO2 | Proton exchange membrane |
| Operating temperature/°C | 70–90 | 600–1000 | 70–80 |
| Energy consumption/(kWh·Nm−3) | 4.5–5.5 | 3.8–5.0 | 2.6–3.6 |
| Operating characteristics | Start and stop very fast, corrosive liquid, high cost of operation and maintenance. | Start and stop unchanged, mainly laboratory research. | Quick start and stop, simple operation and maintenance, low cost. |
| L | VL | L |
| M | VL | L |
| H | VL | VL |
| L | L | M |
| M | L | M |
| H | L | VL |
| L | M | H |
| M | M | H |
| H | M | L |
| L | H | VH |
| M | H | H |
| H | H | M |
| L | VH | VH |
| M | VH | VH |
| H | VH | H |
| Parameter | Description | Numerical Value |
|---|---|---|
| Load demand power | 50 kW | |
| Dc bus voltage | 500 V | |
| Supercapacitor terminal voltage | 210 V | |
| Capacity of the supercapacitor | 99.5 F | |
| Fuel cell terminal voltage | 250 V |
Disclaimer/Publisher’s Note: The statements, opinions and data contained in all publications are solely those of the individual author(s) and contributor(s) and not of MDPI and/or the editor(s). MDPI and/or the editor(s) disclaim responsibility for any injury to people or property resulting from any ideas, methods, instructions or products referred to in the content. |
© 2023 by the authors. Licensee MDPI, Basel, Switzerland. This article is an open access article distributed under the terms and conditions of the Creative Commons Attribution (CC BY) license (https://creativecommons.org/licenses/by/4.0/).
Share and Cite
Wang, Y.; Wang, W. Research on the Control Strategy of Urban Integrated Energy Systems Containing the Fuel Cell. Processes 2023, 11, 1584. https://doi.org/10.3390/pr11051584
Wang Y, Wang W. Research on the Control Strategy of Urban Integrated Energy Systems Containing the Fuel Cell. Processes. 2023; 11(5):1584. https://doi.org/10.3390/pr11051584
Chicago/Turabian StyleWang, Yuelong, and Weiqing Wang. 2023. "Research on the Control Strategy of Urban Integrated Energy Systems Containing the Fuel Cell" Processes 11, no. 5: 1584. https://doi.org/10.3390/pr11051584
APA StyleWang, Y., & Wang, W. (2023). Research on the Control Strategy of Urban Integrated Energy Systems Containing the Fuel Cell. Processes, 11(5), 1584. https://doi.org/10.3390/pr11051584
