Mathematical Models of the Phase Voltages of High-, Medium- and Low-Voltage Busbars in a Substation during a Phase-to-Ground Fault on High-Voltage Busbars
Abstract
:1. Introduction
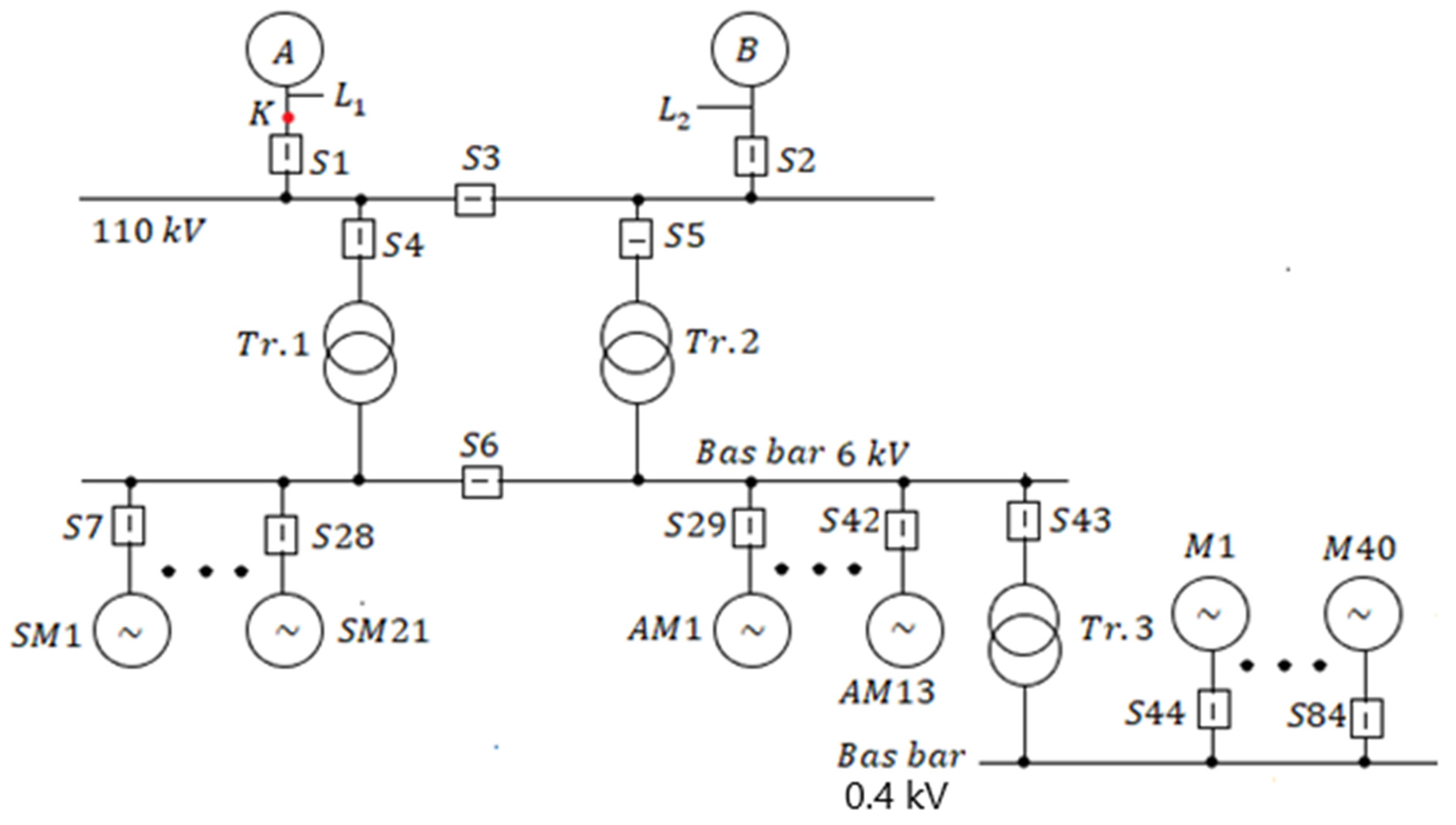
2. Objectives and the Studied Case
- (1)
- Establishing the mathematical models for the calculation of the phase voltages related to the 110 kV, 6 kV and 0.4 kV busbars, and for the calculation of the fault current.
- (2)
- Establishing the mathematical models for the dissymmetry coefficient and asymmetry coefficient, related to the three-phase voltages of the 110 kV, 6 kV and 0.4 kV busbars.
- (3)
- Experimental determination of the phase voltages related to the 110 kV, 6 kV and 0.4 kV busbars, and of the fault current.
- (4)
- Establishing the way in which the power station must be supplied, and the neutral point configuration of the 110 kV/6 kV transformer, so that the value of the dissymmetry coefficient has the minimum values.
- (5)
- Determination of the reduction coefficient of the plus sequence component of the phase voltages related to the 110 kV, 6 kV and 0.4 kV busbars.
- (A)
- Fed by two 110 kV lines and the transformer Tr.1 has the connection Y0/Δ.
- (B)
- Fed by two 110 kV lines and the transformer Tr.1 has the Y/Δ connection.
- (C)
- Fed by one 110 kV line L1 and the transformer Tr.1 has the Y0/Δ connection.
- (D)
- Fed by the 110 kV line L1 and the transformer Tr.1 has the Y/Δ connection.
3. Materials and Methods (Mathematical Models)
- Step 1:
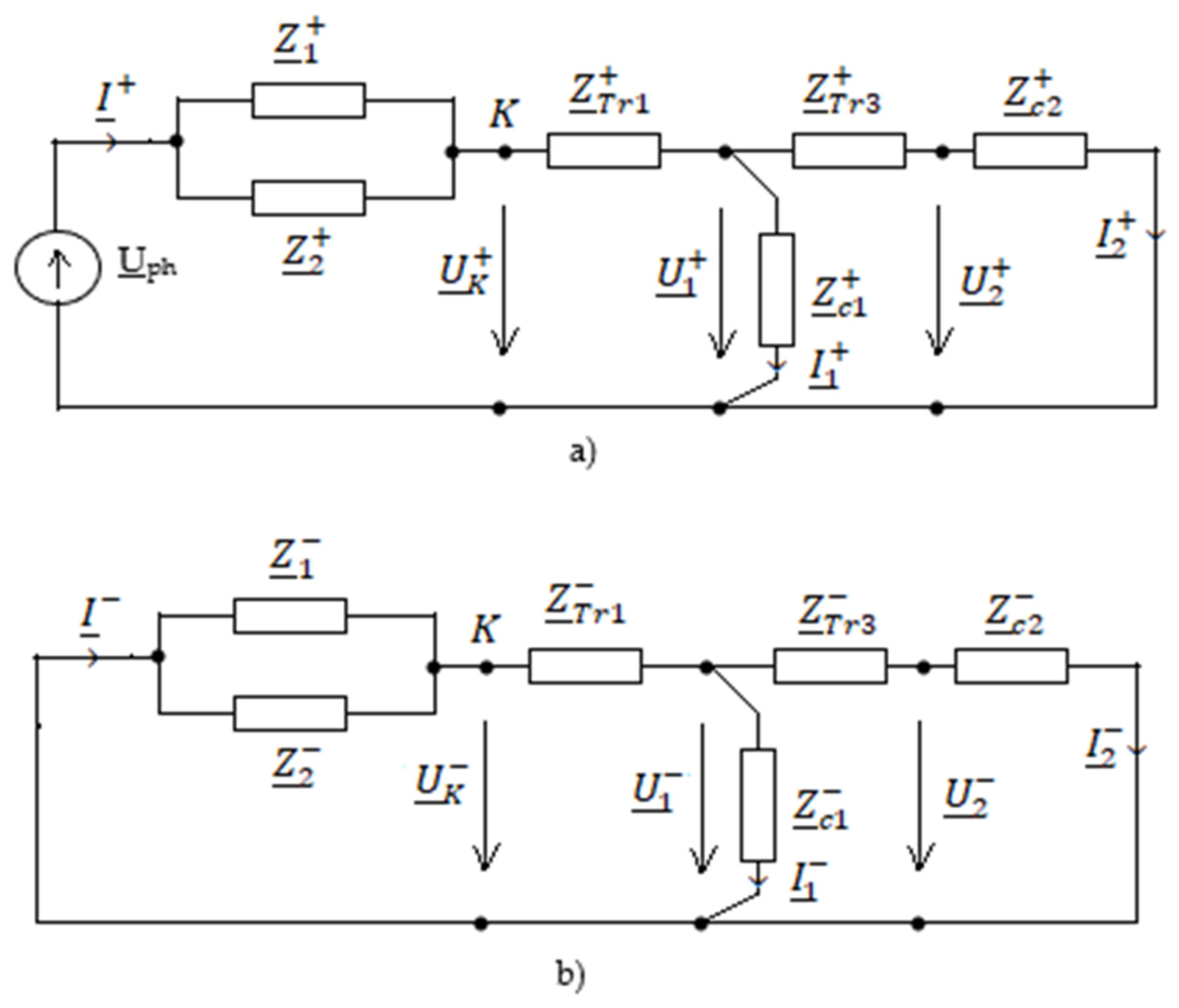
- Establishing the method of connecting the sequence schemes for a single-phase-to-ground fault.
- Step 2:
- Setting up the mathematical model for calculating the sequence currents.
- Step 3:
- Drawing up the sequence diagrams for the analysed electrical network.
- Step 4:
- Determining the expressions of the sequence impedances related to the analysed network.
- Step 5:
- Determining the sequence voltages corresponding to the HV, MV and LV busbars.
- Step 6:
- Determining the phase voltages related to the HV, MV and LV busbars.
- Step 7:
- Determining the dissymmetry and asymmetry coefficients for the phase voltages of the HV, MV, and LV busbars.
- Step 8:
- Determining the phase voltages as a function of the plus sequence voltage and the coefficients of dissymmetry and asymmetry.
- Step 9:
- Defining the reduction coefficient of the plus sequence component during the single-phase-to-ground fault.
4. Results
- Step 1:
- Specification of the characteristics of the elements involved in the analysed electrical network;
- Step 2:
- Step 3:
- Implementing the mathematical models presented in Section 2 in the MATCAD programming environment;
- Step 4:
- Performing calculations using the Mathcad (version 13, University of Cambridge, England) programming environment;
- Step 5:
- Presenting the results obtained as complex quantities;
- Step 6:
- Graphical representation of the instantaneous values of the phase voltages related to the 110 kV, 6 kV and 0.4 kV bars.
4.1. Characteristics of the Elements in Figure 1
4.2. Computed Results
5. Experimental Determination

6. Discussion
6.1. Analysis of the Reduction Coefficient of the Plus Sequence Components during the Single-Phase-to-Ground Fault for the Analysed Cases
6.2. Comparison between Coefficients of Dissymmetry
6.3. Comparison of Asymmetry Coefficients
6.4. Comparison between the Effective Values of the Phase Voltages Determined Experimentally, by Calculation
6.5. Comparison between the Effective Values of the Phase Voltages during the Single-Phase-to-Ground Fault and the Values in Normal Operating Mode
7. Conclusions
- A fault of the single-phase-to-ground type that occurs on the 110 kV lines near the 110 kV busbars, through which the 110/6/0.4 kV power station is supplied, leads to a change in the effective values of the related phase of the HV, MV and LV busbars (Table 7, Table 8, Table 9, Table 10, Table 11, Table 12, Table 13, Table 14, Table 15, Table 16, Table 17 and Table 18), which affects the operation of the consumers fed from the MV and LV busbars.
- The degree of change in the phase voltages is influenced by the value of the source impedance (the length of the HV lines that feed the HV busbars in the power station) at all three voltage levels HV (110 kV), MV (6 kV) and LV (0.4 kV). The higher the source impedance, the lower the reduction in phase voltages (Figure 29, Figure 30 and Figure 31).
- An important role in determining the value of the dissymmetry and asymmetry coefficients is played by the neutral point configuration of the HV/MV transformer. If the neutral point of the transformer is connected directly to the ground (the HV/MV transformer has a Y0/Δ connection), the values of the dissymmetry coefficient are higher than if the neutral point of the HV transformer is isolated (the HV/MV transformer has a Y/Δ connection), Figure 21.
- Since the MV windings of the HV/MV and MV/LV transformers have a Δ connection, the zero-sequence component of the phase voltages related to the MV and LV busbars is zero. As a result, the asymmetry coefficient of the phase voltages related to the MV and LV busbars has zero value (Figure 22).
- To reduce the asymmetry of the phase voltages related to the medium-voltage and low-voltage busbars, it is necessary that the neutral point of the HV/MV transformer is isolated. This means that the HV/MV transformer must have Y/Δ connections.
- The comparison of the effective values of the phase voltages of the high- and low-voltage busbars obtained computationally, using the mathematical models presented in Section 3, with those determined experimentally, and presented in Section 5, validates the mathematical models. The biggest difference between the values determined by calculation was 8.944% (Table 24 and Figure 28).
- The analytical models for the calculation of the sequence voltages, the dissymmetry coefficients, the asymmetry coefficients and the phase voltages related to the HV, MV and LV busbars presented in this paper can be implemented in a programming environment, for example MATCAD. This represents a very effective tool for the analysis of a phase-to-ground fault.
- The mathematical models presented in the paper can be used for the analysis of earth phase faults and for other power stations. This would require a different value of the sequence impedances involved in the mathematical models.
Author Contributions
Funding
Data Availability Statement
Conflicts of Interest
References
- Perez-Arriaga, I.J.; Rudnick, H.; Abbad, M.R. Electric Energy Systems: An Overview. In Electric Energy Systems, Analysis and Operation, 2nd ed.; CRC Press Taylor & Francis Group: Boca Raton, FL, USA; London, UK; New York, NY, USA, 2018. [Google Scholar]
- El-Hawary, M. Electric Energy Systems, 2nd ed.; CRC Press Taylor & Francis Group: Boca Raton, FL, USA, 2018. [Google Scholar]
- Blume, S.W. Electric Energy System Basics for the Nonelectrical Professional, 2nd ed.; John Wiely & Sons, Inc.: Hoboken, NJ, USA, 2007. [Google Scholar]
- NP-099-04 Normativ Pentru Proiectarea, Executarea, Verificarea Si Exploatarea Instalatiilor Electrice in Zone Cu Pericol de Explozie|PDF (scribd.com) NP-099-04 Regulations for the Design, Execution, Verification and Operation of Electrical Installations in Areas with Danger of Explosion. Available online: https://www.scribd.com/doc/310499498/NP-099-04-Normativ-Instalatii-Electrice-in-Mediul-Exploziv# (accessed on 23 March 2023).
- Tarko, R.; Gajdzica, J.; Nowak, W.; Szpyra, W. Comparative Analysis of High-Voltage Power Line Models for Determining Short-Circuit Currents in Towers Earthing Systems. Energies 2021, 14, 4729. [Google Scholar] [CrossRef]
- Toader, D.; Greconici, M.; Vesa, D.; Vintan, M.; Solea, C. Analysis of the Influence of the Insulation Parameters of Medium Voltage Electrical Networks and of the Petersen Coil on the Single-Phase-to-Ground Fault Current. Energies 2021, 14, 1330. [Google Scholar] [CrossRef]
- Rashevskaya, M.; Lipinskiy, G.; Tsyruk, S. Applicability of Calculation Methods for Single-phase Short Circuit în Grid with Voltage up to 1 kV. In Proceedings of the 21-st International Symposium on Electrical Apparatus & Technologies, Burgas, Bulgaria, 3–6 June 2020. [Google Scholar]
- German, L.A.; Serebryakov, A.S.; Osokin, V.L.; Subkhanverdiev, K.S. Equivalent Scheme for Calculating Short-Circuit Current in an Alternating-Current Electric Traction Network. Russ. Electr. Eng. 2019, 90, 516–521. [Google Scholar] [CrossRef]
- Li, Y.; Zhang, H.; Xu, J. Analysis of Single-phase Short-circuit Current Suppression Measures at Converter Stations and Their Effects on Power System Reliability. In Proceedings of the IEEE Asia Power and Energy Engineering Conference (APEEC), Chengdu, China, 29–31 March 2019. [Google Scholar]
- Jian, Y.; Shurui, M.; Xiaodong, L.; Zheng, X. Influence Mechanism and Suppression Control of the MMC on Short-Circuit Current Under AC Faults. IEEE Access 2020, 8, 138307–138317. [Google Scholar]
- Hong, H.; Yu, M.; Zhang, X.; Huan, J.; Sui, Y.; Pan, X. Practical Calculation Method for the Short-Circuit Current of Power Grids with High Temperature Superconducting Fault Current Limiters. J. Electr. Eng. Technol. 2020, 15, 945–953. [Google Scholar] [CrossRef]
- Rustemlı, S.; Demir, İ. Analysis and simulation of single phase-to-ground short circuit fault in Van 154 kV substation: An experimental assessment. Bitlis Eren Univ. J. Sci. Technol. 2019, 9, 76–82. [Google Scholar] [CrossRef]
- Wang, X.; Li, Y.; Zhang, H.; Sun, X.; Lun, T. The Study of Mechanism and Limit Measures for 500kV Single Phase Short Circuit Current Exceeding Limit in UHVDC Converter Station. In Proceedings of the IEEE Innovative Smart Grid Technologies—Asia (ISGT Asia), Chengdu, China, 21–24 May 2019. [Google Scholar]
- Castro, L.M.; Guillen, D.; Trillaud, F. On Short-Circuit Current Calculations Including Superconducting Fault Current Limiters (ScFCLs). IEEE Trans. Power Deliv. 2018, 33, 2513–2523. [Google Scholar] [CrossRef]
- Panova, E.A.; Sabirova, R.R.; Novikov, I.V. Specified Model of a Double-Circuit Transmission Line with Two Ground Wires for Calculating a Single-Phase Short Circuit Current in a Network with an Effectively Grounded Neutral. In Proceedings of the International Russian Automation Conference (RusAutoCon), Sochi, Russia, 4–10 September 2022. [Google Scholar]
- Available online: https://cauk.tv/articles/power-quality-issues-voltage-and-phase-balancing/ (accessed on 27 March 2023).
- Chan, J.Y.; Milanovic, J.V.; Delahunty, A. Risk-based assessment of financial losses due to voltage sag. IEEE Trans. Power Del. 2011, 26, 492–500. [Google Scholar] [CrossRef]
- Djokic, S.Z.; Desmet, J.; Vanalme, G.; Milanovic, J.V.; Stockman, K. Sensitivity of personal computers to voltage sags and short interruptions. IEEE Trans. Power Del. 2005, 20, 375–383. [Google Scholar] [CrossRef]
- Djokic, S.Z.; Stockman, K.; Milanovic, J.V.; Desmet, J.J.M.; Belmans, R. Sensitivity of AC adjustable speed drives to voltage sags and short interruptions. IEEE Trans. Power Del. 2005, 20, 494–505. [Google Scholar]
- IEEE Std 1346-1998 IEEE Recommended Practice for Evaluating Electric Power System Compatibility Wit. Available online: https://pdfcoffee.com/ieee-1346-1998-4-pdf-free.html (accessed on 12 March 2023).
- Overview of IEEE STD 1564-2014 Guide for Voltage Sag Indices. Available online: https://powerquality.blog/2021/03/12/overview-of-ieee-std-1564-2014-guide-for-voltage-sag-indices/ (accessed on 12 March 2023).
- Park, C.H.; Hong, J.H.; Jang, G. Assessment of system voltage sag performance based on the concept of area of severity. IET Gen. Transm. Distrib. 2010, 4, 683–693. [Google Scholar] [CrossRef]
- Lu, C.N.; Shen, C.C. A voltage sag index considering compatibility between equipment and supply. IEEE Trans. Power Del. 2007, 22, 996–1002. [Google Scholar]
- Tan, R.H.G.; Ramachandaramurthy, V.K. Voltage sag acceptability assessment using multiple magnitude-duration function. IEEE Trans. Power Del. 2012, 27, 1984–1990. [Google Scholar] [CrossRef]
- Tleis, N.D. Power Systems Modelling and Fault Analysis: Theory and Practice; Newnes (imprint of the Elsevier): Oxford, UK; Burlington, MA, USA,, 2008. [Google Scholar]
- Rui, L.; Nan, P.; Zhi, Y.; Zare, F. A novel single-phase-to-earth fault location method for distribution network based on zero-sequence components distribution characteristics. Int. J. Electr. Power Energy Syst. 2018, 102, 11–22. [Google Scholar] [CrossRef]
- Paul, D. Phase-Ground Fault Current Analysis and Protection of a High-Resistance Grounded Power System. IEEE Trans. Ind. Appl. 2020, 56, 3306–3314. [Google Scholar] [CrossRef]
- Olejnik, B. Alternative method of determining zero-sequence voltage for fault current passage indicators in overhead medium voltage networks. Electr. Power Syst. Res. 2021, 201, 107506. [Google Scholar] [CrossRef]































| Line Type | Simple Circuit | Double Circuit | |||
|---|---|---|---|---|---|
| L1 | Material | Ol-AL | Ol-AL | Ol-Al | |
| Length (km) | 22.78 | 5.16 | 0.7 | ||
| Section (mm2) | 240 | 185 | 240 | ||
| L2 | Material | Ol-Al | Ol-Al | Ol-Al | |
| Length (km) | 29.37 | 14.02 | 5.08 | ||
| Section (mm2) | 185 | 185 | 240 | ||
| [Ω] | [Ω] | [Ω] | |
|---|---|---|---|
| L1 | 4.98 + j9.92 | 4.98 + j9.92 | 9.28 + j36.28 |
| L2 | 6.49 + j16.31 | 6.49 + j16.31 | 15.56 + j69.62 |
| U1n [kV]/U2n [kV] | Sn [MVA] | PFe [kW] | PCu [kW] | I0 [%] | Usc [%] | |
|---|---|---|---|---|---|---|
| Tr.1 | 110/6 | 25 | 30 | 130 | 1 | 11 |
| Tr.3 | 6/0.4 | 1.6 | 2.6 | 18 | 2 | 6 |
| [Ω] | [Ω] | [Ω] | ||
|---|---|---|---|---|
| Tr.1 | 7.55 + j83.24 | 7.55 + j83.24 | The 110 kV winding has the connection . | The 110 kV winding has the connection Y |
| 7.55 + j83.24 | ||||
| Tr.3 | 6.39 + j114.3 | 6.39 + j114.3 | ||
| Un [kV] | Pn [kW] | Number of Motors | |
|---|---|---|---|
| Synchronous motors | 6 | 500 | 21 |
| Asynchronous motors | 6 | 400 | 4 |
| 160 | 9 | ||
| 0.4 | 160 | 40 |
| [Ω] | [Ω] | [Ω] | |
|---|---|---|---|
| Consumers 6 kV | 875.9 + j124.8 | 875.9 + j31.2 | |
| Consumers 0.4 kV | 1797 + j256.1 | 1797 + j84.02 |
| If [kA] | UK1 [kV] | UK2 [kV] | UK3 [kV] | [kV] | [kV] | [kV] | k | ||
|---|---|---|---|---|---|---|---|---|---|
| 5.331 * exp(−j59.7°) | 14.927 * exp(−j59.7°) | 82.895 * exp(−j128.7°) | 68.858 * exp(j *138.8°) | 51.562 * exp(−j *1.2°) | 12.014 exp(−j *174.9°) | 33.798 exp(−j *161.5°) | 23.30 | 65.55 | 81.19 |
| U11 [kV] | U12 [kV] | U13 [kV] | [kV] | [kV] | [kV] | k | ||
|---|---|---|---|---|---|---|---|---|
| 2.065 *exp (−j10.4°) | 3.013 *exp (−j117.5°) | 3.113 * exp(j101.9°) | 2.697 * exp(−j8.6°) | 0.636 *exp (−j177.4°) | 0 | 23.58 | 0 | 77.86 |
| U21 [V] | U22 [V] | U23 [V] | [V] | [V] | [V] | k | ||
|---|---|---|---|---|---|---|---|---|
| 125.1 *exp (−j*13.6°) | 182.6 *exp (−j*120.6°) | 188.6 * exp(98.7°) | 172 *exp(−j *11.7°) | 40.6 *exp(−j *174.2°) | 0 | 23.60 | 0 | 74.48 |
| If [kA] | UK1 [kV] | UK2 [kV] | UK3 [kV] | [kV] | [kV] | [kV] | k | ||
|---|---|---|---|---|---|---|---|---|---|
| 4.618 * exp(−j61°) | 12.931 * exp(−j61°) | 86.473 * exp(−j132°) | 73.746 * exp(j141.7°) | 53.135 * exp(−j0.7°) | 10.408 * exp(−j176.3°) | 37.808 * exp(−164.8°) | 19.59 | 71.15 | 83.67 |
| U11 [kV] | U12 [kV] | U13 [kV] | [kV] | [kV] | [kV] | k | ||
|---|---|---|---|---|---|---|---|---|
| 2.230 * exp(−j9.2°) | 3.060 * exp(−j118.8°) | 3.122 * exp(j103.6°) | 2.779 * exp(−j8.1°) | 0.551 * exp(−j176°) | 0 | 19.83 | 0 | 80.22 |
| U21 [V] | U22 [V] | U23 [V] | [V] | [V] | [V] | k | ||
|---|---|---|---|---|---|---|---|---|
| 135.1 * exp(−j12.3°) | 185.4 * exp(−j121.9°) | −189.2 * exp(100.3°) | 177.3 * exp(−j11.3°) | 35.2 * exp(−j172.9°) | 0 | 19.85 | 0 | 76.77 |
| If [kA] | UK1 [kV] | UK2 [kV] | UK3 [kV] | [kV] | [kV] | [kV] | k | ||
|---|---|---|---|---|---|---|---|---|---|
| 2.533 * exp(−j68.1°) | 7.091 * exp(−j68.1°) | 78.922 * exp(−j128.1°) | 68.313 * exp(j135.5°) | 48.956 * exp(−j0.32°) | 14.556 * exp(−j167.3°) | 32.554 * exp(−j178.9°) | 29.73 | 66.5 | 77.09 |
| U11 [kV] | U12 [kV] | U13 [kV] | [kV] | [kV] | [kV] | k | ||
|---|---|---|---|---|---|---|---|---|
| 1.772 * exp(−j7.5°) | 3.008 * exp(−j114.5°) | 3.012 * exp(j99.7°) | 2.547 * exp(−j7.4°) | 0.775 * exp(−j172.7°) | 0 | 30.4 | 0 | 73.53 |
| U21 [V] | U22 [V] | U23 [V] | [V] | [V] | [V] | k | ||
|---|---|---|---|---|---|---|---|---|
| 107.4 * exp(−j10.7°) | 182.3 * exp(−j117.7°) | 182.5 * exp(j96.6°) | 162.5 * exp(−j10.6°) | 49.4 * exp(−j169.6°) | 0 | 30.4 | 0 | 70.36 |
| If [kA] | UK1 [kV] | UK2 [kV] | UK3 [kV] | [kV] | [kV] | [kV] | k | ||
|---|---|---|---|---|---|---|---|---|---|
| 1.764 * exp(−j69.7°) | 4.938 * exp(−j69.7°) | 87.860 * exp(−j134°) | 79.919 * exp(j142.2°) | 53.386 * exp(j0.5°) | 10.136 * exp(−j177.3°) | 41.922 * exp(−j172.3°) | 18.99 | 78.53 | 84.06 |
| U11 [kV] | U12 [kV] | U13 [kV] | [kV] | [kV] | [kV] | k | ||
|---|---|---|---|---|---|---|---|---|
| 2.263 * exp(−j6.1°) | 3.114 * exp(−j118.7°) | 3.068 * exp(j104.2°) | 2.792 * exp(−j6.9°) | 0.530 * exp(−j169.9°) | 0 | 18.98 | 0 | 80.60 |
| U21 [V] | U22 [V] | U23 [V] | [V] | [V] | [V] | k | ||
|---|---|---|---|---|---|---|---|---|
| 137.1 * exp(−j9.3°) | 188.7 * exp(−j121.8°) | 185.9 * exp(j101.1°) | 178.1 * exp(−j10°) | 33.8 * exp(−j166.8°) | 0 | 18.98 | 0 | 77.12 |
| If [A] | UK1 [kV] | UK2 [kV] | UK3 [kV] |
|---|---|---|---|
| 2640 | 7.6 | 68.7 | 62.1 |
| U21 [V] | U22 [V] | U23 [V] |
|---|---|---|
| 112 | 206 | 211 |
| If [A] | UK1 [kV] | UK2 [kV] | UK3 [kV] |
|---|---|---|---|
| 1830 | 5.16 | 79.3 | 76 |
| U21 [V] | U22 [V] | U23 [V] |
|---|---|---|
| 156 | 214 | 218 |
| If [A] | |||
|---|---|---|---|
| Computed | Measured | ||
| Case (C) | 2866 | 2640 | 7.89 |
| Case (D) | 1867 | 1830 | 1.98 |
| Un [kV] | U1 [V] | U2 [V] | U3 [V] | |||||||
|---|---|---|---|---|---|---|---|---|---|---|
| Computed | Measured | Computed | Measured | Computed | Measured | |||||
| Case (C) | 110 | 8025 | 7600 | 5.296 | 74,439 | 68,700 | 7.71 | 65,045 | 62,100 | 4.53 |
| 0.4 | 121.86 | 112 | 8.091 | 225.17 | 206 | 8.514 | 230.13 | 211 | 8.313 | |
| Case (C) | 110 | 5227 | 5160 | 1.28 | 86,144 | 79,300 | 7.945 | 78,767 | 76,000 | 3.513 |
| 0.4 | 167.51 | 156 | 6.871 | 235.02 | 214 | 8.944 | 234.52 | 218 | 7.044 | |
| The Line Voltages of the Busbars in the Absence of the Fault [kV] | Case (A) | Case (B) | Case (C) | Case (D) | |
|---|---|---|---|---|---|
| Phase 1 (with fault) | 110 | 25.16 | 15.22 | 12.64 | 8.23 |
| 6 | 59.76 | 48.58 | 47.92 | 65.88 | |
| 0.4 | 65.82 | 53.47 | 52.77 | 72.53 | |
| Phase 2 (without fault) | 110 | 126.5 | 120.7 | 117.2 | 135.6 |
| 6 | 88.94 | 90.33 | 88.65 | 92.49 | |
| 0.4 | 95.31 | 99.34 | 97.5 | 101.8 | |
| Phase 3 (without fault) | 110 | 104.4 | 96.51 | 102.4 | 124 |
| 6 | 93.44 | 88.8 | 90.27 | 92.06 | |
| 0.4 | 104.4 | 98.03 | 99.65 | 101.6 |
Disclaimer/Publisher’s Note: The statements, opinions and data contained in all publications are solely those of the individual author(s) and contributor(s) and not of MDPI and/or the editor(s). MDPI and/or the editor(s) disclaim responsibility for any injury to people or property resulting from any ideas, methods, instructions or products referred to in the content. |
© 2023 by the authors. Licensee MDPI, Basel, Switzerland. This article is an open access article distributed under the terms and conditions of the Creative Commons Attribution (CC BY) license (https://creativecommons.org/licenses/by/4.0/).
Share and Cite
Toader, D.; Vintan, M. Mathematical Models of the Phase Voltages of High-, Medium- and Low-Voltage Busbars in a Substation during a Phase-to-Ground Fault on High-Voltage Busbars. Mathematics 2023, 11, 3032. https://doi.org/10.3390/math11133032
Toader D, Vintan M. Mathematical Models of the Phase Voltages of High-, Medium- and Low-Voltage Busbars in a Substation during a Phase-to-Ground Fault on High-Voltage Busbars. Mathematics. 2023; 11(13):3032. https://doi.org/10.3390/math11133032
Chicago/Turabian StyleToader, Dumitru, and Maria Vintan. 2023. "Mathematical Models of the Phase Voltages of High-, Medium- and Low-Voltage Busbars in a Substation during a Phase-to-Ground Fault on High-Voltage Busbars" Mathematics 11, no. 13: 3032. https://doi.org/10.3390/math11133032
APA StyleToader, D., & Vintan, M. (2023). Mathematical Models of the Phase Voltages of High-, Medium- and Low-Voltage Busbars in a Substation during a Phase-to-Ground Fault on High-Voltage Busbars. Mathematics, 11(13), 3032. https://doi.org/10.3390/math11133032

