Next Article in Journal
Correlation Assessment of the Performance of Associative Classifiers on Credit Datasets Based on Data Complexity Measures
Next Article in Special Issue
Log Transformed Coherency Matrix for Differentiating Scattering Behaviour of Oil Spill Emulsions Using SAR Images
Previous Article in Journal
Brownian Motion Effects on the Stabilization of Stochastic Solutions to Fractional Diffusion Equations with Polynomials
Previous Article in Special Issue
Water-Cycle-Algorithm-Tuned Intelligent Fuzzy Controller for Stability of Multi-Area Multi-Fuel Power System with Time Delays
 
 
Font Type:
Arial Georgia Verdana
Font Size:
Aa Aa Aa
Line Spacing:
Column Width:
Background:
Article

Artificial Intelligence in Fractional-Order Systems Approximation with High Performances: Application in Modelling of an Isotopic Separation Process

1
Automation Department, Technical University of Cluj-Napoca, 28 Memorandumului Street, 400114 Cluj-Napoca, Romania
2
Physics and Chemistry Department, Technical University of Cluj-Napoca, 28 Memorandumului Street, 400114 Cluj-Napoca, Romania
*
Author to whom correspondence should be addressed.
Mathematics 2022, 10(9), 1459; https://doi.org/10.3390/math10091459
Submission received: 14 March 2022 / Revised: 21 April 2022 / Accepted: 22 April 2022 / Published: 26 April 2022
(This article belongs to the Special Issue Dynamic Modeling and Simulation for Control Systems)

Abstract

:
This paper presents a solution for the modelling, implementation and simulation of the fractional-order process of producing the enriched 13C isotope, through the chemical exchange between carbamate and carbon dioxide. To achieve the goal of implementation and simulation of the considered process, an original solution for the approximation of fractional-order systems at the variation of the system’s differentiation order is proposed, based on artificial intelligence methods. The separation process has the property of being strongly non-linear and also having fractional-order behaviour. Consequently, in the implementation of the mathematical model of the process, the theory associated with the fractional-order system’s domain has to be considered and applied. For learning the dynamics of the structure parameters of the fractional-order part of the model, neural networks, which are associated with the artificial intelligence domain, are used. Using these types of approximations, the simulation and the prediction of the produced 13C isotope concentration dynamics are made with high accuracy. In order to prove the efficiency of the proposed solutions, a comparation between the responses of the determined model and the experimental responses is made. The proposed model implementation is made based on using four trained neural networks. Moreover, in the final part of the paper, an original method for the online identification of the separation process model is proposed. This original method can identify the process of fractional differentiation order variation in relation to time, a phenomenon which is quite frequent in the operation of the real separation plant. In the last section of the paper, it is proven that artificial intelligence methods can successfully sustain the system model in all the scenarios, resulting in the feasible premise of designing an automatic control system for the 13C isotope concentration, a method which can be applied in the case of other industrial applications too.

1. Introduction

The periodic table consists of elements from nature that can be decomposed into atoms that possess several chemical properties. The isotopes are referred to as a collection of atoms that have the same chemical properties and the same name, but with different masses. There are the following two types of isotopes to be found in nature: stable ones that do not disintegrate over time, and radioactive ones that are affected by the disintegration process that makes them radioactive. In nature, carbon [1] has fifteen known isotopes (8C—being radioactive, to 22C), amongst which there are two stable isotopes: 12C (98.9%), 13C (1.1%) and one longest-lived radioactive isotope: 14C (<0.0001%).
In nature, there is a small concentration of stable isotopes that are necessary for applications [2,3,4], so the necessity of increasing the concentrations is justified. The interest in the separation methods of the stable isotopes [5,6] (for example, as follows: carbon, oxygen, lithium, nitrogen) has shown growth in the last few years, whilst the subject has been known to be taken into consideration since the beginning of the 1960s, because of the usage of nuclear energy on an industrial scale and the need for new nuclear fuels. Along with the main fields in which the isotopes are used can be remembered as medicine (the isotopes of 13C and 14C are used for respiratory tests), chemistry, agriculture (efficiency in the usage of chemical fertiliser is reached by isotopes of 13C, 15N and 18O as tracer agents), biology or engineering (for example, hydrogen with the stable isotope deuterium with applications in the moderation of nuclear reactors with natural uranium and determining groundwater flow). Some information regarding the age of the rocks or the circuit of water in nature can be found by studying the natural abundance of isotopes.
The commonly used procedure in the case of the separation of the stable isotopes [7,8,9,10] is a distillation that implies that the isotopes of the compound make an exchange in the columns with packing [11]; the isotopes can be found in columns in the gaseous or liquid phase. The procedure implies a piece of specific equipment and operation. Although there are few papers in the literature that presents the modelling and control problems for the isotopic separation [12,13], the process of the 13C isotope separation is proposed to be improved in this paper. The separation column’s working principle is based on the refluxing system, as follows: at the bottom of the column, the isotope is found in a liquid phase, where it is converted into a gaseous phase and re-entered into the column; at the top of the column, the isotope is converted from gaseous to liquid and re-entered into the column. The main setback of this process represents its nonlinearity, being a distributed parameter process with multiple inputs and multiple outputs, which poses a real challenge in the automation field when speaking of process modelling and control. The isotopic separation process is a consistently slow one, implying higher costs when the energy consumption of the plants may need to meet an improvement [14,15]. In the technical literature, there are some papers proposing mathematical models for the separation processes using constant parameters [16,17,18], where there is no necessity to implement artificial intelligence (AI) learning methods since there are no variable parameters.
The methods of artificial intelligence process modelling emphasise the efficiency of obtaining an accurate model for the separation process that can be used for controller tuning or as a reference model in the structure of automatic control systems for the concentration of the 13C isotope; a main property of the model is the fact that it is designed to highlight the fractional-order behaviour [19,20,21] of the real process. Moreover, the technical process associated with the separation column is a distributed parameter process because its dynamics depend both on time and on the position of the elements in relation to the columns’ height. On the other hand [22,23], implement solutions for learning the behaviour of some separation processes, but in their linearised form. The main approach of this research is to avoid the problem of simplification through linearisation and to consider in the proposed model the entire domains of signal variation. This aspect allows benefiting at the maximum potential from the performances of the future design of the 13C isotope automatic control system, based on the proposed model. The complexity of the 13C isotopic separation process results in the impossibility of learning its behaviour by only one neural network (regardless of its type), reaching the solution of interconnecting more neural networks.
There are some papers in the technical literature explaining the necessity of the implementation of fractional-order systems. Ref. [24] presents the method for obtaining stable systems for those that vary in time and that are non-linear using Caputo’s definition of fractional-order derivatives, but only when the fractional differentiation order has a constant value and it is enclosed in the 0 ; 1 domain. The stability of the fractional-order systems was studied and solved using the linear feedback control in [25,26], whilst [27] presents the method of investigating the effects of fractional-order perturbation on the robust stability of linear time-invariant systems with interval uncertainty. The author of [28] states the possibility of implementing a state feedback H controller for the commensurate linear and time-invariant fractional-order systems. Moreover, in [29], the reduction problem of the H model is studied, aiming at its applicability only for positive fractional-order systems.
In practice, the fractional-order controllers, especially of the PID type (proportional-integral-derivative), have many applications. For example, an optimised method for auto-tuning procedures of PID fractional-order controllers, with application in flight control, is presented in [30]. Precise models of fractional-order processes are necessary for the tuning of fractional-order PID controllers. In this context, in [31], an example of proving the empiricism of the usage of the fractional-order systems is given based on the process of charging the circuit of a supercapacitor.
The analysis of the above-mentioned papers is concluded by offering simulation and control solutions only in those cases in which the fractional-order models of the considered lumped parameter processes are simplified and linearised. One of the main aims of this paper is to propose an original solution for the approximation of the separation column’s model in order to be robust in the variation of the separation process fractional differentiation order. In the case of the fractional-order models that have the fractional differentiation order β , the actual existing methods are not allowing the model adaptation according to the variation of this parameter; more exactly, all the existent methods for the approximation of fractional-order systems with integer-order systems are valid only for constant values of β . This disadvantage is eliminated by using the original approximation method proposed by this research.
As a result of the technical literature, the finite-dimensional integer-order transfer functions are considered to be a feasible alternative for the implementation of the fractional-order transfer function. It can be stated that the integer-order transfer function has an infinite-dimensional representation of the operator s β (fractional-order operator), where β is a real number; various approximations are proposed for a single term s β . Consequently, the fractional-order systems are simulated or implemented by having the transfer functions replaced by the integer-order ones, which has the closest behaviour to the one that is desired, but is by far the easiest to handle.
There are different approximation solutions for the fractional-order operators, namely, for the continuous-time implementation, the Oustaloup filter (generalized, also known as a recursive approximation, or the modified version [32,33]), which is a good choice in most of the cases, the design of the FIR filter [34], and the Tustin discretisation method [35] for the discrete-time implementations, along with the methods of the retaining invariants for the impulse and step response; by selecting a frequency range of suitable interest, it is possible to easily approximate any fractional-order system with one of the above-mentioned methods.
The adaptability of the model to the actual solutions when the fractional differentiation order presents variations in relation to time, is only possible by reidentifying the structure parameters of the models, which is known to be a complex, time-consuming and laborious procedure. Using the actual approximation methods, the online identification of the process is impossible due to the impossibility of modifying the fractional differentiation.
In conclusion, there are not any elaborate methods in the technical literature that use fractional-order systems with variable fractional differentiation orders. The present research is justified due to the fact that the separation process presents in the practical operation variations of the fractional differentiation order, this aspect being highlighted in the model only if a new original approximation method is used.
Due to the complexity of the problem, the implementation of such an approximation method and implicitly a model is based on applying methods belonging to the AI (artificial intelligence) domain, namely, the neural networks. The AI methods in the last few years were applied in order to solve a lot of technical problems, as follows: predicting the evolution of the COVID-19 pandemic [36], predictions related to marketing and management solutions [37,38], education matters [39], cardiology matters [40], in power electronic systems [41], etc. The practical applicability of the proposed modelling method is proven by considering as a case study the isotopic separation process of 13C.

2. The 13C Isotope Separation

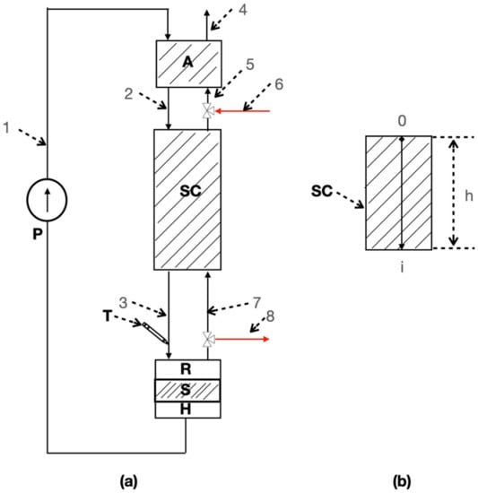
The laboratory plant that is used for the separation process of the 13C isotope [2] is schematically presented in Figure 1a. It can be easily remarked that the system is composed of an absorber A, a separation column SC (a cylinder with h = 300 cm and d = 2.5   cm) and an R + S + H element composed of a reactor R, a stripper S and a heather H, all being interconnected by pipes. The absorber, the separation column and the stripper from Figure 1a are hachured, highlighting the fact that they contain steel packing of the Helipack type.
The flow of the monoethanolamine in methanol solution, with a molar concentration of 1 M or 2 M, is engaged by the pump in the upper part of A through pipe 1. The plant can be used in the following two working regimes: In the production regime, the separation plant is supplied with carbon dioxide (CO2) having a concentration of 99.98% using pipe 6, and the product is extracted in the gaseous phase through pipe 8 (CO2 with an increased concentration of 13C isotope); in the total reflux regime, the product is not extracted (the flow on pipe 8 is 0) from the separation plant. The carbamate results in pipe 2 after the absorption of CO2 in monoethanolamine (the absorption phenomenon takes place in the A absorber). The separation column is supplied in the upper part (through pipe 2) with carbamate and in the lower part with CO2 (through pipe 7). Consequently, in the separation column, the carbamate and the CO2 are circulating in counter-current [42], the chemical exchange between them taking place. The CO2 having an isotopic concentration lower than 1.1% of the 13C natural isotopic concentration is evacuated as a waste from the absorber and implicitly from the separation plant through pipe 4. In the lower part of the column, the 13C isotope concentrates in the liquid phase. The 13C isotope at the desired concentration (the parameter (signal) that is desired to be monitored) can be extracted from the plant using pipe 8. The reactor is responsible for the thermal decomposition of the carbamate, which enters it through pipe 3. The concentration of the 13C is measured by the T transducer—mass spectrometer. The stripper removes completely the CO2, resulting in a pure monoethanolamine solution that is reheated using H in order to be recirculated again in the system through pipe 1, by the pump (using the pump, the absorber is continuously supplied with monoethanolamine solution). The valves from pipes 5 and 7 are three-way valves.

3. The Mathematical Modelling and the Numerical Simulation of the Separation Process

The 13C concentration that is obtained from the process is strongly dependent on the position inside the SC, in relation to its height. Moreover, the 13C concentration depends on time. Figure 1b presents the 0i axis, where the i variable highlights the position in relation to the columns’ height.
In the case of the 1 M concentration solution of monoethanolamine, the identification can be carried out through an experiment when the SC is working in the total reflux regime. The input signal of the process is considered to be the input flow of the monoethanolamine solution, and the output signal is the concentration of the 13C isotope at the lower part of the separation column. The experiment was made by applying at the input a step signal having a value of 350   mL / h and using T, the real-time experimental data (the real-time values of the output signal) were collected. The experimental data are presented in Table 1.
Since there is a small amount of experimental data, the most probable curve that approximates the experimental curve has to be determined (this curve will describe the most probable separation process dynamics). The simulated curve is ought to approximate the dynamics of the time evolution of the output signal while eliminating the effect of the errors resulting from the measurement process. Due to the fact that the separation process is a fractional-order one, the most probable approximating response (curve) is obtained by using a fractional-order model.
The proposed fractional-order model that generates through simulations the most probable approximate response is represented by the following fractional-order transfer function:
H 1 = K T · s β + 1
where the proportionality constant K = 1.22   % · h / mL , the time constant T = 14   (h) and the process fractional-order β = 0.91 .
The coefficients of the fractional-order transfer function from (1) are obtained using an iterative procedure, the corresponding simulations being made in the MATLAB Crone Toolbox. The graph that compares the separation process experimental curve (represented in blue) and the separation process simulated approximating response (represented in red) is presented in Figure 2.
It can be remarked from Figure 2 that the two curves are very close in values, meaning that the approximation’s accuracy is sufficient.
Using only the approximate response obtained in Figure 2, the proof of the previously identified value of the processing time constant can be made using a classical identification method. It can be observed that the classic identification method is applicable in the case of a first-order process without dead time; the time constant of the process is determined using the tangent method [43] (the considered classic identification method), and it is presented in Figure 3.
It can be remarked from Figure 3 that y s t represents the steady-state value for the response of the process ( y s t = 2.05   % ) . After applying the tangent method, the time constant T = 14   h is determined, the same value as it was previously determined through the procedure applied to identify the coefficients of (1).
The variation of the steady-state value of the 13C isotope concentration in relation to the variation of the input monoethanolamine solution flow can be modelled through the proportionality constant K p that can be computed using the values of the input signals associated with two different experiments and the corresponding output signal steady-state values (for F i n 1 = 340   mL / h the experimentally obtained steady-state 13C isotope concentration is 2.05   (%) and for F i n 1 = 460   mL / h the experimentally obtained steady-state 13C isotope concentration is 1.65   (%); the notation F i n is used for the input flow of the monoethanolamine solution) as follows:
K p = 1.65 2.05 460 340 = 0.0033   ( % · h / mL )
K p has the significance of the gradient of the approximation ramp that models the variation of the steady-state value of the 13C isotope concentration due to the variation of the input flow.
The mathematical model for the separation process [44] is given by the equations below as follows:
  • The output signal of the open-loop process notated with y t as follows:
    y t = s 13 C 1 t + F 0 T t · u t
    where F 0 T t is an increasing exponential function having the following form:
    F 0 T t = 1 T · t β 1 · E β , β 1 T · t β ,
In which E β , β 1 T · t β is the Mittag-Leffler function in two parameters [45] defined by E β , β m = k = 0 m k Γ β k + β ,   where R β > 0 ; this complex form of F 0 T t is due to the fact that the separation process is a fractional-order one.
  • Moreover, u t represents an equivalent step-type signal (depending on the process input signal—the input monoethanolamine solution flow F i n t ) in concentration as follows:
    u t = s 13 C 0 t K p · F i n 0 t F i n t s 13 C 1 t
    where the 13C concentration (the output) has an initial value s 13 C 1 t = s 13 C 1 = 1.108 %, and its steady-state value (for F i n 1 = 340   mL / h) s 13 C 0 t = s 13 C 0 = 2.05 %. The steady-state value of the 13C concentration varies in relation to the value of the solution flow (which is the input signal) according to K p value; this procedure based on using the K p constant allows to model a nonlinear process with modelling techniques that are used for linear ones.
The separation column can also be modelled using a more complex version that allows the highlighting of the influence of the position in relation to the column height. The equations for the complex version of the process model are presented below as follows:
  • The height equivalent to a theoretical plate (HETP) for the separation column as follows:
    H E T P t = H E T P 0 + K H · F i n t F i n 0 t ,
    where F i n 0 t = 367   mL / h is the constant value of the monoethanolamine input flow and F i n t is the instantaneous value of the monoethanolamine input flow (represented as a step input signal), K H   = 0.0085   cm · h / mL —proportionality constant (experimentally identified), H E T P 0   —the steady-state value of the H E T P , for the F i n 0 t . It can be remarked that the H E T P is directly influenced by the monoethanolamine input flow F i n t .
  • The proportionality constant ( K H ) as follows:
K H = H E T P s t 1 H E T P 0 F i n 1 F i n 0
Which is responsible of the connection between the input flow of monoethanolamine and the HETP and where H E T P s t 1 = 5.43   cm is the steady-state value of the H E T P for F i n 1 = 460   mL / h.
  • The number of theoretical plates n t as follows:
    n t = h H E T P t ,
  • The separation ( S t ) :
    S t = α n t
    where the elementary separation factor for the 13C isotope regarding the procedure of chemical exchange is α = 1.01 .
  • The equivalent input signal of the separation process as follows:
    u 2 = y 0 · S t 1
    where the natural abundance of the 13C isotope is y 0 = 1.108 %.
  • The time constant T as follows:
    T = T i 0 + T i f T i 0 · i i f
    where T i 0 is the process time constant when i = 0 +   and T i f it the process time constant when i = i f . As it can be remarked, the complex form of the model also highlights the variation of the process time constant in relation to the position variation in the column height.
It is considered that the final position in the columns’ height is equal to the height of the column as follows:
i f = h ,
  • The fractional-order differential equation [45] that models the separation process dynamics as follows:
D β F t t = 1 T · F t t + 1 T · u 2 t
The F t t function represents the solution of (13).
  • The dynamics of the concentration F i i in relation with i as follows:
    F i i = y 0 · α 1 + e i C + K · F i n t F i n 0
    where C = 430   cm is an equivalent length constant for SC and the proportionality constant K = 0.7527   cm · h / mL that is determined experimentally makes the mathematical connection between the input flow and the length constant of SC.
  • The length constant ( I ) as follows:
I = C + K · F i n t F i n 0
  • The 13C isotope concentration at any point of height in SC as follows:
    y a n t , i = y 0 + F t t · F i i , F i n t
    and it depends on the input flow F i n t of monoethanolamine. In (16), the F i i , F i n t function is given by the following: F i i , F i n t = F i F i n t , i y 0 F i F i n t , i f y 0 .
Using the mathematical model presented in (3), the process is simulated for different input signals of F i n t 200 ,   275 ,   350 ,   425 ,   500   mL/h. The comparative graph between the responses obtained by simulating the separation process is presented in Figure 4.
The results for the simulations from Figure 4 (more exactly the steady-state values of the five responses) are presented in Table 2.
It can be concluded from Table 2 and Figure 4 that by decreasing the input flow F i n (also considered the input signal) results in an increase in the 13C isotope concentration (output signal). The phenomenon can be mathematically correlated to the negative value of the proportionality constant K p from (2). On the other hand, from the physical point of view, the chemical exchange between the carbon dioxide and the carbamate has a lower intensity when the input flow of ethanolamine is higher; there is a smaller amount of time when the two reactants come into contact). However, the extreme values of the input flow that imply extreme operation regimes for the separation plant have to be avoided (the flooding phenomenon for high input flows and the dry-column phenomenon for low input flows).
The isotopic separation processes are considered extremely slow processes. Due to the fact that the separation plant operations are affected by different parametric perturbations (for example, the following technological parameters: temperature, insulation efficiency, or other disruptive parameters encountered due to the equipment in the structure of the isotopic separation installation); therefore, the structural parameters of the separation columns present variation with respect to time. Considering the results of the proceeded experiments and the previous explanation, it was concluded that the differentiation fractional-order β of the separation process is strongly affected by the mentioned perturbations. The advantages of the proposed model that are likely to be considered are the following:
  • The possibility to implement an automated control strategy amongst with the associated controllers based on the developed model;
  • The implementation of the model as reference model in IMC (internal model control) structures;
  • Simulations can be performed by employees in order to highlight the behaviour of the isotopic separation installation in different operational scenarios.
The maximum efficiency of the proposed models, both on the technological and economical aspects, can be reached by obtaining a precision as good as possible; in this context, the online adaptation of the proposed model when the differentiation fractional-order β presents variations (due to the mentioned parametric endogenous perturbations) is required.

4. The Proposed Solution for the Online Approximation and Adaptation of the Fractional-Order Models

In order to implement the first version of the separation process, the function with a complex structure in (4) should be approximated with high accuracy (being the representation in the time domain of a fractional-order process response).
There are more solutions proposed in [45] in order to define the fractional-order derivatives. The Riemann–Liouville definition is presented below as follows:
R D α f t D m I m α f t = d m d t m 1 Γ m α 0 t f τ t τ α m + 1 d τ ,
where I m α is a fractional-order integral and m is an integer ( m 1 < α < m and α + ).
Caputo introduced an alternative method to define the following fractional-order derivative:
C D α f t I m α D m f t = 1 Γ m α 0 t f m τ t τ α m + 1 d τ ,
where m and m 1 < α < m ; the Caputo definition is more restrictive than the definition in (17), requiring the absolute integrability on the m th order derivative of the function f t .
Supposing that t 0 + for the first m 1 th order derivatives of f t function and for f t it results that
R D α f t D m I m α f t I m α D m f t C D α f t ,
Consequently, the relationship between the definitions in (17) and (18) is the following:
R D α f t = C D α f t + k = 0 m 1 t k α Γ k α + 1 f k   0 + ,
R D α f t k = 0 m 1 f k   0 + t k k ! = C D α f t
The generalisation of backward difference underlies the following Grünwald–Letnikov definition:
D α f t t = k h = lim h 0 1 h α j = 0 k 1 j α j f k h j h ,
where α j is the usual notation for the binomial coefficients; there is also a possibility to define Grünwald–Letnikov definition alternatively in the following integral form:
L D α f t = k = 0 m f k 0 + t k α Γ m + 1 α + 1 Γ m + 1 α 0 t t τ m α f m + 1 ( τ ) d τ ,  
where m > α 1 .
By analysing the equations between (4) and (17)–(23), it is found that they imply consistent problems in terms of their numerical simulation (for example, the approximation of the Gamma function ( Γ ), the integral computation or the limits approximation).
Moreover, due to the fact that, in the case of the separation process, the corresponding fractional differentiation order can present variations, the previously presented mathematical operations are not feasible for the implementation of its model.
In order to obtain and use a fractional-order transfer function, the Laplace transformation (for null initial conditions) is applied to Equation (3), resulting in the following:
Y s = 1 s · [ s 13 C 1 + u · H 1 s ] ,
where H 1   is the following mentioned fractional-order transfer function:
H 1 s = K T · s β + 1
In (25), K = 1.22   % · h / mL ,   β = 0.91 and T = 14   (h) are the structural parameters of the separation process. The mathematical form from (24) is due to the fact that u t signal from (3) is a step-type one. In order to have the possibility to simulate the equation in (24), for the H 1   transfer function, the Oustaloup approximation of fifth-order is applied. The comparison graph between the simulation of the most probable experimental curve and the simulation of the applied Oustaloup approximation is presented in Figure 5.
After a complex analysis and comparation, it was concluded that by using the proposed fractional-order mathematical model, consistently better performances are obtained than the ones presented in the case of the sixth grade polynomial in [46]. The considered quality indicator for the comparation is the mean squared error (computed based on the difference between the measured process output and the simulated process output).
The Oustaloup approximation is implemented using the MATLAB software, mainly by using the CRONE toolbox. As similar as in the case of the transfer function, the fractional-order function can be defined using “ f r a c t f ”. The syntax of the f r a c t f function [47], which also allows the user to modify the order of the Oustaloup approximation, is presented below as follows:
f r a c t f = n u m ,   d e n ,   N ,   w ,   v a ,   T s ,   s i m ,  
where n u m —represents the numerator, being a cell, a scalar or an f r a c _ p o l y _ e x p object, d e n –represents the denominator having the same arguments as the numerator, N —is a scalar representing the order for the used Oustaloup approximation of fractional differentiator; w —a 1 × 2 matrix containing the lower waveband and the upper frequency for the Oustaloup approximation, v a —Laplace variable corresponding character, T s —the sampling time as a scalar and s i m —the string giving the method to simulate the fractional system (in this case, O u s t ).
The Oustaloup approximation can be rewritten as a ratio between two polynomials of the “s” complex variable. The two polynomials have the a   coefficients at the denominator and the b   coefficients at the following nominator:
H s = i = 0 n b i · s i i = 0 n a i · s i ,
where the coefficients a i and b i are depending on β ( a i β and b i β ) and n represents the order of the Oustaloup approximation.
There are some cases when the variation of β leads to the coefficients a 0 = 0 or b 0 = 0 (for example, when β takes an integer value). In order to highlight the variations of the β parameter in the separation process model, an online identification mechanism that implements an adaptation procedure has to be used. This necessity is due to the fact that the classical identification can be applied only by retaking the experiments. More exactly, this procedure requires, in the first stage, the separation column to be turned off meaning that the so far obtained production is lost. Furthermore, the experiments are retraced each time the β parameter presents variations. The main disadvantages of the classical identification are the time loss (the separation process being an extremely slow one T = 14   (h)) and the product loss.
For the approached separation process, the fractional-order of the H 1 s transfer function is considered that β 0 ; 2 . As an example, the evolution of the transfer functions of both b 3 and a 3   coefficients in relation to β is presented in Figure 6.
It can be remarked from Figure 6a,b that the nominator coefficients are not monotonously varying (the same conclusion can be reached from Figure 6c,d in the case of the denominator coefficients). The variation of the β parameter was highlighted using the step Δ β = 0.01 . The two different considered domains for the β parameter variation 0 ; 1.02 and 1.03 ; 2 are necessary due to the fact that for β > 1.02 the Oustaloup approximation presents a pair of complex conjugated polls, an aspect which imposes differences in the mathematical model implementation. Because of this problem, it is also necessary to divide the fractional differentiation order of the system into the two mentioned intervals in order to store the resultant values for the Oustaloup approximation coefficients (for more efficient processing of the coefficients). Near the limit between the two considered domains, the monotony variation occurs, both for the a and b coefficients.
Due to the strong nonlinearity of the isotopic separation process (due to the high probability of the β fractional differentiation order variation), the implementation of neural networks is required; the input-output datasets are to be obtained by sampling the signals that are used in order to train the four neural networks (the fractional-order coefficient β (using the same step-size Δ β = 0.01 ) as the input signal and the coefficients of the integer-order transfer function resulted after applying the Oustaloup filter as output signals); the neural networks are able to learn all the Oustaloup approximation coefficients. Since there are two intervals determined for the fractional-order transfer function and since there is a major difference between the values of the denominator and the nominator coefficients, four neural networks are required in order to obtain the best performance when learning the Oustaloup approximation coefficients.
The neural architecture used in this paper is the feed-forward structure using the Bayesian regularization learning algorithm for training.
The feed-forward network consists of three or more layers. In the case of this application, the used neural networks each contain the input layer, only one hidden layer and an output layer. The input layer (the first layer) refers to the connections between the input signals and the neurons from Layer 2 (the hidden layer); it has no computational role; it is only taking over and dispatching the input signals. The neurons from the hidden layer have as input signals the input signals of the neural network weighted with the values of the weights that connect the input layer with the hidden layer; if the neural network had more than one hidden layer (which is not the case of the present application), the output signals of these neurons would represent the input signals for the neurons from the following hidden layer (through the weights that connect the mentioned consecutive hidden layers); the output signals from the neurons of the hidden layers of the proposed neural networks represent the input signals for the neurons of the output layer (through the weights that connect the hidden layer with the output layer). The output signals of the neurons from the output layer are the output signals generated by the proposed neural networks. However, the operation of a neural network relays on a simple principle, as follows: if a neuron is connected to another (following) neuron via a positively connected synapse (weight), it has an excitatory effect; on the other hand, if a neuron is connected to another neuron by a negative synapse (weight), it has an inhibitory effect. In the training procedure, pairs of values of the input-output signals are considered in matrix form. During the training procedure, the following two types of training signals can be highlighted: the functional signals computed by applying input reference vectors (the functional output signals are used for the computation of the errors between the desired values of the output signals and their instantaneous values); the adaptation signals, which are used for adapting the values of the neural network weights based on processing the errors resulting from using the functional signals.
The proposed feed-forward structure has the property of being a universal approximator, and the applied training algorithm is complex enough to learn the mathematical dependencies between the input signal and output signals. It can be remarked that the coefficients of the transfer functions obtained after applying the Oustaloup approximation are not recursive (their values corresponding to a certain β do not depend on values of the same coefficients corresponding to other values of β , more exactly, their instantaneous values are not dependent on their previous samples), this being the reason why recurrent neural networks are not necessary to be implemented.
Each neural structure was implemented by defining only one hidden layer. This was so to avoid increasing the complexity of the computations during the training procedures (the increase in the number of hidden layers implies a consistent increase in the computation complexity). The generated accuracy by increasing the number of hidden layers does not necessarily guarantee better performance, but as was previously mentioned, it consists of an increase in the complexity of the computations. Iteratively, it was possible to determine the number of neurons in the hidden layer by repeating the training procedure for different sizes of the hidden layer; starting with a number of four neurons in the hidden layer in each training, the number of neurons was increased by one; the iterative algorithm was stopped when, from one training to the next one, a performance decrease was remarked; using this procedure, the best training performances were obtained. The learning algorithm was stopped for each neural network when the MSEs (mean squared error) values between the approximated coefficients and their analytical values started to increase. Since the four neural networks must learn the behaviour of the parameters that are nonlinear, the activation functions for the neurons in the hidden layers are the hyperbolic tangent functions (bipolar sigmoid functions). The size of the output layer for all the four neural networks is five, each output giving a corresponding value for a denominator coefficient (in the case of the neural networks that approximate the denominator coefficients) or a nominator coefficient (in the case of the neural networks that approximate the nominator coefficients); the output signal is generally noted with c i ( i 1 ,   2 ,   3 ,   4 ,   5 ) , both for denominator and nominator coefficients, and the output neurons are linear (having linear activation functions).
The dynamics of the Oustaloup approximation coefficients could also be implemented using only one more complex neural network, but this aspect would increase the complexity of the neural solution and the computation volume necessary to obtain it. Due to the fact that the Oustaloup approximation coefficients are highly variable, and have numerous decimals, both for denominator and nominator coefficients, the implementation of four neural networks is preferred (resulting in a more efficient and accurate mathematical model).
The general structure of the four used neural networks is presented in Figure 7.
In Figure 7, w I L i represents the synaptic weight that connects the input signals with the ith neuron of the hidden layer ( i   1 ,   2 ,   ,   n = 7 )   and w H L j , i represents the synaptic weight that connects the ith neuron of the hidden layer ( i   1 ,   2 ,   ,   n = 7 ) with the jth neuron of the output layer ( i   1 ,   2 ,   , m = 5 ) .”
The hyperbolic sigmoid bipolar function used as an activation function for the N H k neurons (the neurons from the hidden layer) is defined by φ v = 1 e γ v 1 + e γ v , where γ is a constant parameter.
The linear function used as an activation function for the N O j neurons (the neurons from the output layers) is defined by φ v = v .
The algorithm Bayesian Regularization [48,49] is used in order to accomplish the training of the four networks and the allowed maximum number of epochs was set to 50,000, the minimum error gradient at 10 100 and the initial learning rate at 10 5 . For each learned coefficient, the MSE target value was set to 10 8 . The training was accomplished after 42,356 epochs when the imposed error was reached. The Levenberg–Marquardt algorithm was also implemented, but the obtained performances were significantly lower in comparison with the case of using the Bayesian Regularization. Other applied learning algorithms generated solutions that cannot be used due to their low accuracy for approximating the Oustaloup filter coefficient variation. Applying the previously presented iterative procedure, it was determined that in the hidden layer, the optimum number of neutrons is seven (in each case of all four neural networks). The implementation details of the four neural networks (their parameters) and their proposed structure are presented in Figure 8.
The trained neural networks generate an output signal as it follows:
y = w H L · t a n s i g w I L · β + B H L + B O L
The high modelling accuracy generated by the proposed neural networks is proved in Appendix A.
In Figure 9, the comparison between the response of the Oustaloup approximation implemented using the first two neural networks (corresponding to β values lower than 1.02) and the response of the fractional-order transfer function in (25) is presented. As a case study, for the fractional-order transfer function, the following parameters are considered: β = 0.53 , T = 1   (h) and K = 1   . This example, which is not associated with the case of the separation process, is given only to prove the feasibility and the high accuracy of the proposed modelling method.
It can be remarked from Figure 9 that the two neural networks are able to fully learn the coefficients of the Oustaloup approximation, the plots of the two functions being overlapped.
The second example is given only to prove the feasibility and high accuracy of the proposed modelling method for β values equal to or higher than 1.02. The comparison between the response of the Oustaloup approximation implemented using the second pair of neural networks and the response of the fractional-order system is presented in Figure 10 (where the considered parameters of the fractional-order system are the following: K = 1 , T = 1   (h) and β = 1.45 ).
From Figure 10, it can be concluded that the neural networks (both for the denominator and nominator coefficients) are learning with very high accuracy the coefficients for the Oustaloup approximation. The examples from Figure 9 and Figure 10 demonstrate that the neural networks are able to learn and adapt to the desired output based on the selected input (the fractional differentiation order), and they can be used in the structure of the separation process mathematical model.
The main problem with modelling the separation process is the fact that it is a fractional-order process, and the associated differentiation order can present variations in relation to time. The proposed original solution is focused on approximating the fractional-order dynamics of the process, and it introduces the possibility to simulate the process in the case when its associated differentiation order is modified. In Figure 9 and Figure 10, the proposed solution for approximating the model of a fractional-order process with variable differentiation order is proven as feasibile. These examples are theoretical ones, and they are considered due to the fact that they have the same fractional-order structure as the fractional-order component as the considered separation process, but without considering the technological structure parameters of the separation process. These two examples are presented in order to sustain the feasibility of the theoretical part of the proposed solution with relevant simulations.

5. Simulation Results

Some of the advantages of including the neural networks in the process modelling for the dynamics of the 13C isotopic separation process include the higher accuracy obtained by implementing the neural models and the ability to design an online adaptation algorithm for the proposed model when some variations occur in the structural parameters of the separation process. Furthermore, a future approach to this system may include the intelligent control, using the same proposed procedure in the previous chapters for obtaining an adaptive fractional-order controller.
The mathematical model for the 13C isotopic separation process is implemented considering the Equations (1)–(5), (24), (25) presented previously, using the MATLAB/Simulink software [47], and it runs in parallel with the proposed model implemented using the neural networks, having the same applied input signal β (the fractional-order system). The output from the separation process is the real (experimental) 13C isotope concentration, and the output signal from the proposed model is the simulated 13C isotope concentration curve. In order to implement the online procedure for the model adaptation, the error e t , i is computed as the difference between the two signals (the 13C isotope experimental and simulated concentrations). It can be remarked that the obtained error signal is applied at the input of the adaptive mechanism, which consists of a PI controller generating at its output the input signal for the two neural networks (the two previously presented variation domains of β have to be separately approached). The adaptive mechanism processes the error value and further generates the adaptation signal.
The proposed adaptive structure of the isotopic separation process model using neural networks is presented in the following figure (Figure 11).
The feasibility of the online adaptation of the proposed model is proved; the proposed model is run in parallel with the separation process, having applied the same input signal (the input flow of monoethanolamine) to both entities and considering the same fractional differentiation order β . The notation c r t , i refers to the real (experimental) concentration of the 13C isotope at the output of the separation column, whilst c s t , i refers to the simulated concentration obtained for the 13C isotope at the output of the process model; the error signal e t , i is computed by the difference between the following two signals: c r t , i and c s t , i . When, in the case of the real process, the fractional differentiation order β presents variations, it implies the fact that the concentration of the 13C isotope also presents variations in relation to the time. Consequently, it results in the necessity to adapt the proposed fractional-order model using the adaptive mechanism from Figure 11. In this case, a proportional-integral (PI) controller was chosen to implement the adaptive mechanism. Since the isotopic separation of the 13C isotope is a slow process, the steady-state value of the output signal (the 13C isotope concentration) is reached after long periods of time. The performance of the online identification of the process when the fractional differentiation order presents variations can be improved, for example, by using a full PID controller or a non-linear controller, more exactly by increasing the complexity of the adaptive mechanism structure.
As a future development direction, the proposed adaptive structure from Figure 11 can be extended in order to have the possibility to learn, also, the variation of the process structure parameters (for example, in some particular and very rare operation scenarios, the time constant of the process presents some significant value deviations in relation to its nominal value). Practically, the future extended form of the proposed adaptive structure will be able to learn the possible variations of the process structure parameters by equivalenting their effects with the effect of modifying the value of the fractional differentiation order of the process.

5.1. Adaptation of Differentiation Order of a Fractional-Order System

In order to prove the feasibility of the proposed adaptation solution, as case study, the following fractional-order transfer function is considered:
H 1 s = 1 s β + 1 ,
The efficiency of the used adaptive mechanism combined with the proposed neural solutions is presented in Figure 12 (where the value of the fractional differentiation order is β = 0.78 ) and in Figure 13 (where β = 1.45 ). It can be remarked from Figure 12 that at the time moment t = 180   (h) the value of the fractional differentiation order presented a step-type variation from β = 0.78 to β = 0.4 having as affecting the decrease in the 13C isotope concentration. Moreover, from Figure 12, it results that using the adaptive mechanism, the mathematical model of the separation process based on using the neural networks is properly adapted, its output signal tracking with high precision the output signal from the real process (in this example, the fractional-order system).
By analysing Figure 12, it can be remarked that the only visible difference between the two responses occurs after the moment when the β differentiation order varies until the adaptive mechanism accomplishes the online identification of this variation (the corresponding period being insignificant (approximatively 5 h) in relation to the process dynamics).
In Figure 13, at the time moment t = 130   (h), the value of the fractional differentiation order presents a negative step-type variation from β = 1.45 to β = 1.15 . As in the previous case (case of Figure 12), the same main conclusion results. More exactly, the proposed adaptive mechanism combined with the proposed mathematical model using neural networks can learn with accuracy the model dynamics variation at the variation of the fractional differentiation order of the real process (which is an essential structural parameter of the separation process).
Regarding the visible difference between the two responses from Figure 13, the same conclusion as in the case of the responses from Figure 12 can be drawn. However, immediately after the moment when the β fractional differentiation order varies for a short period of time (approximately 5 h as in the case of Figure 12), the differences between the two responses are higher than the differences between the two responses from Figure 12. This aspect is due to the fact that in the case of Figure 13, the variation of the β fractional differentiation order for values higher than one is presented, a case in which the two output signals present faster variations than in the case when β has lower values than one. As it was mentioned before, these differences can be reduced by using a more complex form of the adaptive mechanism that can generate better online identification performances in a dynamic regime.

5.2. Adaptation of Differentiation Order of the Separation Process

The process model of the 13C isotopic separation system presented in (24) is simulated in Figure 14 and Figure 15. These simulations are made by considering the identified structure parameters of the process, and consequently, using the following:
H 1 s = 1.22 14 · s 0.91 + 1 .  
Firstly, the efficiency of the proposed methods in approximating the H 1 s dynamics is proven, using as input signal the unit-step signal. It can be remarked from Figure 14, that the initial value determined for β = 0.91 was modified to β = 0.97 at the time moment t = 180   (h). Furthermore, it results that the fractional-order model implemented using neural networks and using the adaptive mechanism follows with a high accuracy the dynamics implied by H 1 s .
In Figure 15, the value of β = 0.91 was modified to β = 0.82 at the time moment t = 180   (h). Furthermore, the efficiency of the fractional-order model implemented using the artificial intelligence techniques (neural networks) is proven again since the accuracy of learning the behaviour of the fractional-order process is almost the same as in the case of the Figure 14.
By analysing the differences between the two responses presented in Figure 14, respectively, presented in Figure 15, immediately after the variation of the β fractional differentiation order, it results in better performances in the case of Figure 14. This aspect has the following two main causes: firstly, in the case of Figure 15, the β fractional differentiation order presents a higher variation with 50% than in the case of Figure 14; secondly, in the case of Figure 14, the β fractional differentiation order presents an increasing variation from a value belonging to the neighbourhood of value 1 to a value belonging to the close neighbourhood of value 1 (this phenomenon of tending to an integer order process implies better performance for the adaptive mechanism).

5.3. Online Adaptation of the Separation Process Model

The evolution in time of the 13C isotope concentration is presented in Figure 16, considering the input flow F i n = 350   mL / h. The proposed neural model performs a close tracking over the real fractional-order process, being able to perform the adaptation at the variation of the fractional differentiation order value from β = 0.91 to β = 0.97 (at the moment of time t = 180   (h)). It can also be remarked that by increasing the differentiation order of the fractional transfer function, the 13C isotope concentration also increases.
The control signal (the fractional differentiation order β ) applied by the adaptive mechanism to the NN1 and NN2 inputs in order to perform the online adaptation of the process model is presented in Figure 17.
The control effort ( Δ β ) generated by the adaptive mechanism in order to perform the adaptation is presented in Figure 18; it follows from Figure 17 and Figure 18 that the positive control effort is generated only after the β parameter variation in order to learn this variation.
The efficiency in the adaptation of the isotopic separation process model when the decreasing variation of the fractional differentiation order value occurs is proven in Figure 19. The initial value of β = 0.91 was decreased to the value of β = 0.82 at the time moment t = 180   (h). It can be remarked that by lowering the value of the fractional differentiation order, the obtained 13C isotope concentration is also lowered, and the dynamics of the proposed model output signal follows with accuracy the real separation process output signal.
The control signal (the fractional differentiation order β ) applied by the adaptive mechanism to the NN1 and NN2 inputs in order to perform the online adaptation of the process model is presented in Figure 20.
The control effort ( Δ β ) generated by the adaptive mechanism in order to perform the adaptation is presented in Figure 21. It follows from Figure 20 and Figure 21 that the negative control effort is generated only after the β parameter variation in order to learn this variation.
It can be remarked by comparing the results presented in Figure 16 and Figure 19, which in the case of the β parameter increases, the online adaptation is visible more efficient than in the case when the β parameter decreases. This aspect is due to the fact that the tuning of the adaptive mechanism is made for the case when the β parameter increases. In order to obtain the same performance for the online adaptation when the β decreases the adaptive mechanism can be augmented with a control subsystem tuned in order to optimise this case.
By comparing the differences between the responses presented in Figure 16 and Figure 19, the same conclusions as in the case of Figure 14 and Figure 15 can be drawn. The better performances obtained in the cases of Figure 14 and Figure 16 are a consequence of the much faster evolution and stabilisation of the control signal presented in Figure 17 than the evolution and stabilisation of the control signal presented in Figure 20 (this control signal is associated with the simulation from Figure 19, but it can be associated as a variation form to the simulation from Figure 15, too).
These conclusions are proven through the values of the mean squared errors (MSE) presented in Table 3.
The errors presented in Table 3 are computed for each figure considering the 318 pairs of samples of the two corresponding responses.

5.4. The Effect of the Neural Networks in Processing the Experimental Data

In order to prove the efficiency of the proposed methods based on the usage of neural networks, another experiment was conducted on the considered separation column is approached.
The experimental curve for the 2 M (molar) input flow of monoethanolamine in methanol is presented in Figure 22. The experiment consists of applying at the input of the process a step signal having a value of 700 mL/h. As an important remark is the fact that the previously presented experiment (Figure 2) was made by considering the 1 M (molar) input flow of monoethanolamine in methanol. This is the reason why in the new experiment higher values of the input flow are used compared to in the first one.
The next step consists of the online identification of the response from Figure 22 by using the adaptive structure (designed based on the proposed methods) from Figure 11. In order to run the adaptive system, the searched fractional-order part of the model having the structure defined in (25) is initialised with the same value of the time constant as in the case of the first experiment ( T = 14 (h)), with the proportionality constant ( K = 1.22   % · h / mL ) also being the same as in the previous case, and the fractional differentiation order β = 0.57 (a value lower than 1, randomly chosen). Moreover, the constant K p was recomputed for the case of using 2 M of input monoethanolamine flow. Consequently, by running the adaptive system from Figure 11, the appropriate value of the β fractional differentiation order has to be identified. The evolution in relation to time of the β parameter during the running of the adaptive structure is presented in Figure 23.
From Figure 23, it results that β varies from the value of 0.57 (the initialisation value) to the value of 0.91 (obtained in the steady-state regime), which represents the final result of the identification. It can be remarked that the identified value of the β parameter is the same as in the case of the first experiment. This aspect is due to the fact that the same separation plant is considered and also the same separation process (in both experiments). The usage of the 2 M input monoethanolamine flow in the case of the second experiment does not change physically the order (fractional-order in this case) of the process and, obviously, not mathematically.
The comparative graph between the experimental response associated with the second experiment and the response of the identified mathematical model for this case is presented in Figure 24.
By analysing Figure 24, the high quality of the identification can be remarked. The approximating response follows the process dynamics with accuracy, and the steady-state value of the two curves from Figure 24 is equal. Consequently, the efficiency of the proposed method based on neural networks is again proved. The use of neural networks allows the simulation of the fractional-order systems when their fractional differentiation order presents variations, and by having this possibility, the fractional-order systems can be identified online (also the fractional differentiation order can be identified online). Both these approaches are original ones.

6. Conclusions

The benefit of using the neural networks in order to learn the dynamics of the isotopic separation process structure parameters in relation to the input value of the fractional differentiation order is represented by the high accuracy of the proposed model; the proposed solution for modelling the fractional-order systems is an original one and introduces important advantages in the simulation of these types of systems.
Section 3 proves the feasibility of the implementation of the proposed mathematical model of the separation process as a fractional-order one, whilst in Section 4 the approach based on neural networks is presented.
In this paper, the mathematical modelling [50,51,52,53], the simulation [54,55,56,57] and the online model adaptation of the 13C isotopic separation process are approached; the proposed solution can be implemented and adapted to the case of the other separation processes, such as the ones for obtaining the 15N, 18O, 10B isotopes [58]. The adaptation of the developed methods is efficient for being implemented in the cases as follows:
  • The separation processes are distributed parameter ones;
  • The separation processes are strongly nonlinear;
  • The concentration of the isotope to be separated depends on time and on the “length” variable (the position in the separation column in relation to the columns height);
  • The processes are very slow, and the time constants are varying depending on the intensity of the operation of the separation system.
There are some differences to be mentioned in the procedures applied to obtain other isotope separations, which can imply complications in the model adaptation as follows: other isotope production requires different chemical substances to be used, different equipment or even different structures of the separation plants.
The isotopic separation process operation is improved by implementing an adaptive mechanism in order to obtain the proposed model adaptation when the variation of the fractional differentiation order of the real process presents variations.
The proposed mathematical model for the separation process uses neural networks (which belong to the artificial intelligence domain) to generate at the output each value of the coefficients of the Oustaloup approximation of the fractional-order system. The efficiency of the neural networks is proven since the fractional differentiation order can vary between any value from 0 to 2, resulting in 200 Oustaloup approximation functions, each of them consisting of five coefficients for the nominator and five or six (in the case of the pairs of complex conjugated polls) coefficients for the denominator.
The developed system is improved by the implementation of the adaptive mechanism, which is able to adapt the proposed model during the evolution of the process (online) when the separation process fractional differentiation order presents variations.
An important future development possibility is to apply the proposed solution for approximating the dynamics of fractional-order systems in relation to the fractional differentiation order in the case of fractional-order controllers and to implement, based on this idea, fractional-order adaptive controllers. The implementation in practice of a future fractional-order adaptive controller is feasible from the perspective of processing power vs. accuracies due to two important aspects. Firstly, for a certain practical application, the training of the neural networks that are used for approximating the variation of the Oustaloup filter coefficients in relation to the fractional differentiation order is made, for example, in MATLAB, on a computer that is not integrated into the control loop. Consequently, the implementation of the practical control system does not need much computation processing power in order to train the neural solutions. Secondly, the fractional-order adaptive controller implementation, for example on a micro-controller, consists of the implementation of the recurrence relations associated with the neural solution’s operation. These recurrence relations that describe the neural solution’s operation (previously obtained after applying the training procedures) contain only basic mathematical operations, and they do not imply an increase in the computation processing power. Consequently, the necessary accuracy can be obtained by using acceptable computation processing power, and it can be improved by increasing the number of decimals of the coefficients that occur in the recurrence relations that describe the neural solution’s operation.

Author Contributions

R.M., V.M., M.-L.U., M.A. and H.V.; methodology, R.M., V.M., M.-L.U., M.A., H.V. and I.C.; software, R.M., V.M., M.-L.U., M.A., H.V. and I.C.; validation, R.M., V.M. and M.A.; formal analysis, R.M., V.M., M.-L.U., and M.A.; investigation, R.M., V.M., M.-L.U., M.A., H.V. and I.C.; resources, R.M., V.M., M.-L.U., M.A. and H.V.; data curation, R.M., V.M., M.A., H.V. and I.C.; writing—original draft preparation, R.M., V.M, M.-L.U. and I.C.; writing—review and editing, R.M., V.M. and I.C.; visualization, R.M., M.A. and I.C.; supervision, R.M., V.M. and M.A.; project administration, R.M., V.M., M.-L.U., M.A. and H.V.; funding acquisition, V.M. and H.V. All authors have read and agreed to the published version of the manuscript.

Funding

The APC was funded by Technical University of Cluj-Napoca, Romania.

Conflicts of Interest

The authors declare no conflict of interest.

Nomenclature

ithe length constant
hthe separation columns’ height
H 1 fractional-order transfer function
Kproportionality constant of the fractional-order transfer function
Ttime constant
βthe process fractional-order
y s t steady-state value of the response of the process (13C isotope concentration)
K p proportionality constant responsible of the variation of the 13C isotope concentration in relation to the input of the monoethanolamine solution flow
F i n input flow of the monoethanolamine solution
y(t)the output signal of the open loop process
F 0 T t an increasing exponential function
E β , β 1 T · t β the Mittag-Leffer function in two parameters
u(t)Step-type signal depending on input flow of the monoethanolamine solution
s 13 C 1 t the initial value of the 13C concentration
s 13 C 0 t the steady-state value of the 13C concentration when Fin = 340 mL/h
HETP(t)the height equivalent to a theoretical plate
H E T P 0 the steady-state value of the HETP determined for Fin0
K H a proportionality constant determined experimentally
F i n 0 a constant value of the input flow of the monoethanolamine solution
n(t)the number of theoretical plates
S(t)the separation
αThe elementary separation factor for the 13C isotope regarding the chemical exchange procedure
y 0 Natural abundance of the 13C isotope
u 2 the equivalent input signal of the separation process
T i 0 process time constant when i = 0+
T i f process time constant when i = if
D β F t t the fractional-order differential equation
F t t the solution of the fractional-order differential equation
F i 1 i the dynamics of the 13C isotope concentration in relation to i
Cequivalent length constant for the separation column
Kproportionality constant for the separation column
y a n t , i the 13C isotope concentration at any point of height in the separation column
man integer
R D α f t the Riemann–Liouville definition of the fractional-order derivative
I m α fractional-order integral
C D α f t the Caputo definition of the fractional-order derivative
L D α f t the Grunwald–Letnikov definition of the fractional-order derivative
Γ ( ) Gamma function
Y(s)fractional-order transfer function
fract_tfMATLAB function used in order to implement the Oustaloup approximation
num the   numerator ,   being   a   cell ,   a   scalar   or   an   f r a c _ p o l y _ e x p object
denthe denominator having the same arguments as the numerator
Na scalar representing the order for the used Oustaloup approximation of fractional differentiator
wa 1 × 2 matrix containing the lower waveband and the upper frequency for the Oustaloup approximation
vaLaplace variable corresponding character
Tsthe sampling time as a scalar
simthe string giving the method to simulate the fractional system
H(s)Oustaloup approximation represented as a ratio between two polynomial functions of “s” complex variable
a i The denominator coefficients for the H(s) function
b i The nominator coefficients for the H(s) function

Appendix A

In order to prove the high performances of the proposed neural networks regarding their accuracy, the comparative simulations from Figure A1 are presented.
Figure A1. Proof of the proposed neural networks accuracy: (a) The evolution of the transfer function b 3 coefficient in relation to β ( β   ϵ   0 ;   1.02 ) and the response of the proposed neural network; (b) The evolution of the transfer function b 3 coefficient in relation to β ( β   ϵ   1.02 ,   1.99 ) and the response of the proposed neural network; (c) The evolution of the transfer function a 3 coefficient in relation to β ( β   ϵ   0 ;   1.02 ) and the response of the proposed neural network; (d) The evolution of the transfer function a 3 coefficient in relation to β ( β   ϵ   1.02 ,   1.99 ) and the response of the proposed neural network.
Figure A1. Proof of the proposed neural networks accuracy: (a) The evolution of the transfer function b 3 coefficient in relation to β ( β   ϵ   0 ;   1.02 ) and the response of the proposed neural network; (b) The evolution of the transfer function b 3 coefficient in relation to β ( β   ϵ   1.02 ,   1.99 ) and the response of the proposed neural network; (c) The evolution of the transfer function a 3 coefficient in relation to β ( β   ϵ   0 ;   1.02 ) and the response of the proposed neural network; (d) The evolution of the transfer function a 3 coefficient in relation to β ( β   ϵ   1.02 ,   1.99 ) and the response of the proposed neural network.
Mathematics 10 01459 g0a1
In Figure A1, the variation of the same coefficients as in Figure 6 is presented, but compared with the responses of the proposed neural networks that approximate them. From Figure A1, the differences between the responses from each graph are superposed with high accuracy; practically, they could not be distinguished without using consistent zoom options. The high accuracy generated by the proposed neural solutions is proved again considering the very small values of the quality indicator (MSE).
In Table A1, the following are centralized: the MSE values between the responses from each graph from Figure A1; the coefficients average values (CAV) for each of the four cases; the ratios between the MSE values and CAV values for each graph case. By analysing the MSE values, these are insignificant compared to the corresponding CAV values. In the cases of graphs (a) and (c), the MSE values are consistently higher than in the cases of graphs (b) and (d). This aspect is due to the high variation of the coefficients a 3 and b 3 when the β fractional differentiation order takes value near the close neighbourhood of value 1 (due to this high variation, the difference between the two signals of graphs (a) and (c) is higher in the mentioned neighbourhood).
Table A1. The centralizer of the errors.
Table A1. The centralizer of the errors.
Figure A1(a)(b)(c)(d)
MSE39.804.88 × 10−329.7059.24 × 10−2
CAV37987.6841624.2265840.7933028.35
MSE/CAV1.04 × 10−31.17 × 10−74.51 × 10−42.79 × 10−6
In order to prove that these variations do not influence consistently the approximation accuracy, the ratio MSE/CAV is computed and presented also in Table A1. The obtained values are insignificant (lower than 0.11%). Consequently, the approximations generated by the proposed neural solutions are accurate on the entire domains of definition and they are accurate enough for being usable in practice, even in the worst scenarios (in this case, when the β fractional differentiation order takes value in the close neighbourhood of value 1).
These conclusions explain the high accuracy obtained in modelling the considered fractional-order isotopic separation process by using neural networks.

References

  1. Grocke, D.R. Chapter One—Carbon Isotope Stratigraphy: Principles and Applications; Stratigraphy & Timescales; Academic Press: Cambridge, MA, USA, 2020; Volume 5, pp. 1–40. [Google Scholar]
  2. Axente, D.; Abrudean, M.; Bâldea, A. 15N, 18O, 10B, 13C Isotopes Separation trough Isotopic Exchange; Sci. Book House: Cluj-Napoca, Romania, 1994; pp. 122–238. [Google Scholar]
  3. Van Rompay, P.A.; Zhang, Z.; Nees, J.A.; Mourou, G.A.; Pronko, P.P. Angular dependence of isotope enrichment in ultrafast laser ablation plumes. CLEO Tech. Dig. Postconf. 2001, 56, CThL9. [Google Scholar]
  4. Zhu, G.; Shangguan, Z.; Deng, L. Dynamics of water-stable aggregates associated organic carbon assessed from delta C-13 changes following temperate natural forest development in China. Soil Tillage Res. 2021, 205, 104782. [Google Scholar] [CrossRef]
  5. Badoud, F.; Goeckener, B.; Severin, K.; Ernest, M.; Romero, R.; Alzieu, T.; Glabasnia, A.; Hamel, J.; Buecking, M.; Delatour, T. Fate of acrylamide during coffee roasting and in vitro digestion assessed with carbon 14- and carbon 13-labeled materials. Food Chem. 2020, 320, 126601. [Google Scholar] [CrossRef] [PubMed]
  6. Malani, R.S.; Choudhury, H.A.; Moholkar, V.S. Chapter 13—Waste Biorefinery Based on Waste Carbon Sources: Case Study of Biodiesel Production Using Carbon-Based Catalysts and Mixed Feedstocks of Nonedible and Waste Oils; Waste Biorefinery; Elsevier: Amsterdam, The Netherlands, 2020; pp. 337–378. [Google Scholar]
  7. Mori, S.; Akatsuka, H.; Suzuki, M. Carbon and oxygen isotope separation by plasma chemical reactions in carbon monoxide glow discharge. J. Nucl. Sci. Technol. 2001, 38, 850–858. [Google Scholar] [CrossRef]
  8. Ching, K.; Baker, A.; Tanaka, R.; Zhao, T.; Su, Z.; Ruoff, R.S.; Zhao, C.; Chen, X.J. Liquid-phase water isotope separation using graphene-oxide membranes. Carbon 2022, 186, 344–354. [Google Scholar] [CrossRef]
  9. Naseri, F.; Ali Faal Rastegar, S.; Salek, N.; Charkhi, A.; Yadollahi, A. Effective isolation of europium impurities from 153Sm using electro amalgamation approach based on response surface methodology. Sep. Purif. Technol. 2021, 279, 119701. [Google Scholar] [CrossRef]
  10. Matecha, R.M.; Capo, R.C.; Stewart, B.W.; Thompson, R.L.; Hakala, J.A. A single column separation method for barium iso-tope analysis of geologic and hydrologic materials with complex matrices. Geochem. Trans. 2021, 22, 4. [Google Scholar] [CrossRef]
  11. Li, H.L.; Ju, Y.L.; Li, L.J.; Xu, D.G. Separation of isotope C-13 using high-performance structured packing. Chem. Eng. Process 2010, 49, 255–261. [Google Scholar] [CrossRef]
  12. Borisov, A.V.; Gvertiteli, I.G.; Kucerov, R.Y. Dritte Arbeitstagung uber Stabile Isotope, Leipzig 1963; Akademie-Verlag: Berlin, Germany, 1965; p. 171. [Google Scholar]
  13. Abrudean, M.; Dronca, S.; Axente, D.; Bâldea, A. Modelling and simulation of 13C separation column by isotopic exchange in CO2-amine carbamate system. In Proceedings of the International Conference on Automatic and Quality Control, Cluj-Napoca, Romania, 1–4 June 1998. [Google Scholar]
  14. Ghate, M.R.; Taylor, T.I. Production of 13C by Chemical Exchange Reaction between Amine Carbamate and Carbon Dioxide in a Solvent-Carrier System. Sep. Sci. 1975, 10, 547–569. [Google Scholar]
  15. Fenby, D.V.; Kooner, Z.S.; Khurma, J.R. Deuterium isotope effects in liquid—liquid phase diagrams: A review. Fluid Phase Equilibria 1981, 7, 327–338. [Google Scholar] [CrossRef]
  16. Iraola, E.; Nougues, J.M.; Sedano, L.; Feliu, J.A.; Batet, L. Dynamic simulation tools for isotopic separation system modeling and design. Fusion Eng. Des. 2021, 169, 112452. [Google Scholar] [CrossRef]
  17. Wang, G.; Chu, J.; Zhuang, Y.; Gulik, W.; Noorman, H. A dynamic model-based preparation of uniformly-13C-labeled internal standards facilitates quantitative metabolomics analysis of Penicillium chrysogenum. J. Biotechnol. 2019, 299, 21–31. [Google Scholar] [CrossRef] [PubMed]
  18. Lin, W.; Wang, Z.; Huang, M.; Zhuang, Y.; Zhang, S. On structural identifiability analysis of the cascaded linear dynamic systems in isotopically non-stationary 13C labelling experiments. Math. Biosci. 2018, 300, 122–129. [Google Scholar] [CrossRef] [PubMed]
  19. Akgül, A.; Rajagopal, K.; Durdu, A.; Pala, M.A.; Boyraz, O.F.; Yildiz, M.Z. A simple fractional-order chaotic system based on memristor and memcapacitor and its synchronization application. Chaos Solitons Fractals 2021, 152, 111306. [Google Scholar] [CrossRef]
  20. Ha, S.; Chen, L.; Liu, H.; Zhang, S. Command filtered adaptive fuzzy control of fractional-order nonlinear systems. Eur. J. Control. 2022, 63, 48–60. [Google Scholar] [CrossRef]
  21. Zhu, Z.; Lu, J.-G. Robust stability and stabilization of hybrid fractional-order multi-dimensional systems with interval uncertainties: An LMI approach. Appl. Math. Comput. 2021, 401, 232–249. [Google Scholar] [CrossRef]
  22. Bassam, A.; Conde-Gutierrez, R.A.; Castillo, J.; Laredo, G.; Hernandez, J.A. Direct neural network modeling for separation of linear and branched paraffins by adsorption process for gasoline octane number improvement. Fuel 2014, 124, 158–167. [Google Scholar] [CrossRef]
  23. Lai, C.K.; Lim, S.K.; Teh, P.C.; Yeap, K.H. Modeling Electrostatic Separation Process Using Artificial Neural Network (ANN). Procedia Comput. Sci. 2016, 91, 372–381. [Google Scholar] [CrossRef] [Green Version]
  24. Camacho, N.-A.; Duarte-Mermoud, M.A.; Gallegos, J.A. Lyapunov functions for fractional order systems. Commun. Nonlinear Sci. Numer. Simul. 2014, 19, 2951–2957. [Google Scholar] [CrossRef]
  25. Wang, Z.; Yang, D.; Ma, T. Stability analysis for nonlinear fractional-order systems based on comparison principle. Nonlinear Dyn. 2014, 75, 387–402. [Google Scholar] [CrossRef]
  26. Rivero, M.; Rogosin, S.V.; Tenreiro Machado, J.A.; Trujillo, J.J. Stability of Fractional Order Systems. New Chall. Fract. Syst. 2013, 2013, 356215. [Google Scholar] [CrossRef]
  27. Alagoz, B.B.; Yeroglu, C.; Senol, B.; Ates, A. Probabilistic robust stabilization of fractional order systems with interval uncertainty. ISA Trans. 2015, 75, 101–110. [Google Scholar] [CrossRef] [PubMed]
  28. Shen, J.; Lam, J. State feedback H control of commensurate fractional-order systems. Int. J. Syst. Sci. 2014, 45, 363–372. [Google Scholar] [CrossRef]
  29. Shen, J.; Lam, J. H Model Reduction for Positive Fractional Order Systems. Asian J. Control. 2014, 16, 441–450. [Google Scholar] [CrossRef]
  30. Alagoz, B.; Ates, A.; Yeroglu, C. Auto-tuning of PID controller according to fractional-order reference model approximation for DC rotor control. Mechatronics 2013, 23, 789–797. [Google Scholar] [CrossRef]
  31. Latawiec, K.J.; Stanislawski, R.; Lukaniszyn, M.; Czuczwara, W.; Rydel, M. Fractional-order modeling of electric circuits: Modern empiricism vs. classical science. In Proceedings of the 2017 Progress in Applied Electrical Engineering (PAEE), Koscielisko, Poland, 25–30 June 2017; IEEE: Koscielisko, Poland, 2017; pp. 1–4. [Google Scholar]
  32. Gao, Z.; Liao, X. Improved Oustaloup approximation of fractional-order operators using adaptive chaotic particle swarm optimization. J. Syst. Eng. 2016, 23, 145–153. [Google Scholar] [CrossRef]
  33. Djouambi, A.; Charef, A.; Besancon, A.V. Optimal approximation, simulation and analog realization of the fundamental fractional order transfer function. Int. J. Appl. Math. Comput. Sci. 2007, 17, 455–462. [Google Scholar] [CrossRef] [Green Version]
  34. Karam, L.J.; McClellan, J.H. Complex Chebyshev approximation for FIR filter design. IEEE Trans. Circuits Syst. II Analog. Digit. Signal Processing 1995, 4, 207–216. [Google Scholar] [CrossRef]
  35. Mandava, S.; Gudipalli, A.; Amutha Prabha, N.; Rajini, G. Control of micro-grid by discretized PR controller using tustin frequency pre-wrapping method. In Advances in Automation, Signal Processing, Instrumentation, and Control; Komanapalli, V.L.N., Sivakumaran, N., Hampannavar, S., Eds.; Springer: Singapore, 2021; Volume 700, pp. 2301–2311. [Google Scholar]
  36. Clitan, I.; Puscasiu, A.; Muresan, V.; Unguresan, M.L.; Abrudean, M. Web Application for Statistical Tracking and Predicting the Evolution of Active Cases with the Novel Coronavirus (SARS-CoV-2). Int. J. Modeling Optim. 2021, 11, 70–74. [Google Scholar] [CrossRef]
  37. Huang, M.H.; Rust, R.T. A strategic framework for artificial intelligence in marketing. J. Acad. Mark. Sci. 2021, 49, 30–50. [Google Scholar] [CrossRef]
  38. Haefner, N.; Wincent, J.; Parida, V.; Gassmann, O. Artificial intelligence and innovation management: A review, framework, and research agenda. Technol. Forecast. Soc. Change 2021, 162, 120392. [Google Scholar] [CrossRef]
  39. Chen, L.; Chen, P.; Lin, Z. Artificial Intelligence in Education: A Review. IEEE Access 2020, 8, 75264–75278. [Google Scholar] [CrossRef]
  40. Johnson, K.W.; Soto, J.T.; Glicksberg, B.S.; Shameer, K.; Miotto, R.; Ali, M.; Ashley, E.; Dudley, J.T. Artificial Intelligence in Cardiology. J. Am. Coll. Cardiol. 2018, 71, 23. [Google Scholar] [CrossRef] [PubMed]
  41. Zhao, S.; Blaabjerg, F.; Wang, H. An Overview of Artificial Intelligence Applications for Power Electronics. IEEE Trans. Power Electron. 2021, 36, 4633–4658. [Google Scholar] [CrossRef]
  42. Dugas, R.; Rochelle, G. Absorption and desorption rates of carbon dioxide with monoethanolamine and piperazine. Energy Procedia 2009, 1, 1163–1169. [Google Scholar] [CrossRef] [Green Version]
  43. Love, J. Process Automation Handbook, 1st ed.; Springer Publishing House: New York, NY, USA, 2007; p. 1200. [Google Scholar]
  44. Muresan, V.; Abrudean, M.; Valean, H.; Colosi, T.; Unguresean, M.-L.; Sita, V.; Clitan, I.; Moga, D. Neural modeling and control of a 13C isotope separation process. In Proceedings of the 12th International Conference on Informatics in Control, Automation and Robotics (ICINCO), Colmar, France, 21–23 July 2015; pp. 254–263. [Google Scholar]
  45. Monje, C.A.; Chen, Y.; Vinagre, B.M.; Xue, D.; Feliu, V. Fractional-order systems and controls. In Fundamentals and Applications; Springer: New York, NY, USA, 2010; pp. 3–9. [Google Scholar]
  46. Kovendi, Z.; Muresan, V.; Abrudean, M.; Clitan, I.; Unguresan, M.-L.; Colosi, T. Modeling a Chemical Exchange Process for the 13C Isotope Enrichment. Appl. Mech. Mater. 2015, 772, 27–32. [Google Scholar] [CrossRef]
  47. User Guide. MATLAB (R2021a. Available online: https://www.mathworks.com/help/matlab/release-notes-R2021a.html#responsive_o_canvas (accessed on 23 October 2021).
  48. Shrestha, A.; Mahmood, A. Review of Deep Learning Algorithms and Architectures. IEEE Access 2019, 7, 53040–53065. [Google Scholar] [CrossRef]
  49. Chen, Y.; Ren, J.; Yi, C. Neural Networks for the Output Tracking-Control Problem of Nonlinear Strict-Feedback System. IEEE Access 2017, 5, 26257–26266. [Google Scholar] [CrossRef]
  50. Dronca, S.; Axente, D.; Baldea, A.; Abrudean, M. Adsorption of carbon dioxide in the solution of Di-n-butylamine in nonaqueous solvent. Rev. Chim. 1998, 49, 775. [Google Scholar]
  51. Axente, D.; Bâldea, A.; Abrudean, M. Isotope separation by chemical exchange. In Proceedings of the International Symposium of Isotope Separation and Chemical Exchange Uranium Enrichment, Tokyo, Japan, 29 October 1990; pp. 1–11. [Google Scholar]
  52. Coloşi, T.; Abrudean, M.; Naşcu, I.; Dulf, E.; Ungureşan, M.L. A variant of approximation for IC and CF in numerical modelling and simulation of distributed parameter process. In Proceedings of the International Conference on Quality Control, Automation and Robotics, Tome II, Cluj-Napoca, Romania, 19–20 May 2000; pp. 45–50, ISBN 973–686-058-2. [Google Scholar]
  53. Abrudean, M.; Dulf, E.-H.; Folea, S.; Nascu, I.; Colosi, T. The Use of a Modelling and Simulation Method for Thermo-Chemical Processes (With Distributed Parameters). International Conference on Control Systems and Computer Science 13; Bucureşti, Romania, 2001. [Google Scholar]
  54. Colosi, T.; Abrudean, M.; Nascu, I.; Dulf, E.-H.; Folea, S. Examples of Numerical Simulation and Modeling through Taylor Series for Distributed ISSN 1224-600X, Parameters Processes, CONTI 2002, Periodica Politehnica. Trans. Autom. Control. Comput. Sci. 2001, 47, 93–96. [Google Scholar]
  55. Abrudean, M.; Dulf, E.; Coloşi, T. Block schemes for analogical modelling and numerical simulation through local-iterative linearization. In Proceedings of the IEEE-TTTC-International Conference on Automation, Quality and Testing, Robotics, Cluj-Napoca, Romania, 13–15 May 2004; ISBN 973-713-046-4. [Google Scholar]
  56. Dulf, E.; Abrudean, M.; Coloşi, T. The Taylor LIL method for analogical modelling and numerical simulation for linear processes. In Proceedings of the IEEE-TTTC-International Conference on Automation, Quality and Testing, Robotics, AQTR 2004 (THETA 14), Cluj-Napoca, Romania, 13–15 May 2004; ISBN 973-713-046-4. [Google Scholar]
  57. Axente, D.; Bâldea, A.; Teacă, C.; Horga, R.; Abrudean, M. 15N separation in the nitrox system under pressure. In Proceedings of the International Conference on Isotopic and Molecular Processes, Cluj-Napoca, Romania, 23–25 September 1999. [Google Scholar]
  58. Abrudean, M.; Axente, D.; Baldea, A. Enrichment of 15N and 18O by chemical exchange reaction between nitrogen oxide (NO, NO2) and aqueous nitric acid. Isot. Isot. Environ. Health Stud. 2008, 17, 377–382. [Google Scholar] [CrossRef]
Figure 1. (a) The 13C isotope separation laboratory plant; (b) The 0i axis.
Figure 1. (a) The 13C isotope separation laboratory plant; (b) The 0i axis.
Mathematics 10 01459 g001
Figure 2. The separation process experimental curve and the most probable approximating response of the separation process.
Figure 2. The separation process experimental curve and the most probable approximating response of the separation process.
Mathematics 10 01459 g002
Figure 3. The tangent method—time constant computation.
Figure 3. The tangent method—time constant computation.
Mathematics 10 01459 g003
Figure 4. The comparative graph between the simulated responses of the process when the variation of the input signal occurs.
Figure 4. The comparative graph between the simulated responses of the process when the variation of the input signal occurs.
Mathematics 10 01459 g004
Figure 5. The most probable experimental curve dynamics and the response of the applied Oustaloup approximation.
Figure 5. The most probable experimental curve dynamics and the response of the applied Oustaloup approximation.
Mathematics 10 01459 g005
Figure 6. The evolution of the transfer function b3 and a3 coefficients: (a) The evolution of the transfer function b 3 coefficient in relation to β ( β   ϵ   0 ; 1.02 ) ; (b) The evolution of the transfer function b 3 coefficient in relation to β ( β   ϵ   1.02 ,   1.99 ) ; (c) The evolution of the transfer function a 3 coefficient in relation to β ( β   ϵ   0 ; 1.02 ) ; (d) The evolution of the transfer function a 3 coefficient in relation to β ( β   ϵ   1.02 ,   1.99 ) .
Figure 6. The evolution of the transfer function b3 and a3 coefficients: (a) The evolution of the transfer function b 3 coefficient in relation to β ( β   ϵ   0 ; 1.02 ) ; (b) The evolution of the transfer function b 3 coefficient in relation to β ( β   ϵ   1.02 ,   1.99 ) ; (c) The evolution of the transfer function a 3 coefficient in relation to β ( β   ϵ   0 ; 1.02 ) ; (d) The evolution of the transfer function a 3 coefficient in relation to β ( β   ϵ   1.02 ,   1.99 ) .
Mathematics 10 01459 g006
Figure 7. The general structure of the four neural networks.
Figure 7. The general structure of the four neural networks.
Mathematics 10 01459 g007
Figure 8. The structure and the details of the four proposed neural networks.
Figure 8. The structure and the details of the four proposed neural networks.
Mathematics 10 01459 g008
Figure 9. The comparison between the response of the Oustaloup approximation implemented using the first two neural networks and the response of the fractional-order system ( β = 0.53 < 1.02 ).
Figure 9. The comparison between the response of the Oustaloup approximation implemented using the first two neural networks and the response of the fractional-order system ( β = 0.53 < 1.02 ).
Mathematics 10 01459 g009
Figure 10. The comparison between the response of the Oustaloup approximation implemented using the first two neural networks and the response of the fractional-order system ( β = 1.45 > 1.02 ).
Figure 10. The comparison between the response of the Oustaloup approximation implemented using the first two neural networks and the response of the fractional-order system ( β = 1.45 > 1.02 ).
Mathematics 10 01459 g010
Figure 11. The proposed adaptive structure for the isotopic separation process model.
Figure 11. The proposed adaptive structure for the isotopic separation process model.
Mathematics 10 01459 g011
Figure 12. The proof of the proposed adaptive solution when a disturbance implies the β variation from 0.78 to 0.4 at t = 180   h .
Figure 12. The proof of the proposed adaptive solution when a disturbance implies the β variation from 0.78 to 0.4 at t = 180   h .
Mathematics 10 01459 g012
Figure 13. The proof of the proposed adaptive solution when a disturbance implies the β variation from 1.45 to 1.15 at t = 130   h .
Figure 13. The proof of the proposed adaptive solution when a disturbance implies the β variation from 1.45 to 1.15 at t = 130   h .
Mathematics 10 01459 g013
Figure 14. The proof of learning the increasing dynamics of the fractional differentiation order (from β = 0.91 to β = 0.97 at t = 180   h ).
Figure 14. The proof of learning the increasing dynamics of the fractional differentiation order (from β = 0.91 to β = 0.97 at t = 180   h ).
Mathematics 10 01459 g014
Figure 15. The proof of learning the decreasing dynamics of the fractional differentiation order (from β = 0.91 to β = 0.82 at t = 180   h ).
Figure 15. The proof of learning the decreasing dynamics of the fractional differentiation order (from β = 0.91 to β = 0.82 at t = 180   h ).
Mathematics 10 01459 g015
Figure 16. The proof of the proposed adaptive model efficiency in learning the increasing dynamics of the 13C separation process when the fractional differentiation order varies increasingly from β = 0.91 to β = 0.97 at t = 180   h .
Figure 16. The proof of the proposed adaptive model efficiency in learning the increasing dynamics of the 13C separation process when the fractional differentiation order varies increasingly from β = 0.91 to β = 0.97 at t = 180   h .
Mathematics 10 01459 g016
Figure 17. Evolution in time of the control signal applied in order to adapt the proposed model of the separation process when the fractional differentiation order varies from β = 0.91 to β = 0.97 at t = 180   h .
Figure 17. Evolution in time of the control signal applied in order to adapt the proposed model of the separation process when the fractional differentiation order varies from β = 0.91 to β = 0.97 at t = 180   h .
Mathematics 10 01459 g017
Figure 18. Evolution in time of control effort ( Δ β ) if the variation of β = 0.91 to β = 0.97 at t = 180   h occurs.
Figure 18. Evolution in time of control effort ( Δ β ) if the variation of β = 0.91 to β = 0.97 at t = 180   h occurs.
Mathematics 10 01459 g018
Figure 19. The proof of the proposed adaptive model efficiency in learning the increasing dynamics of the 13C separation process when the fractional differentiation order varies decreasingly from β = 0.91 to β = 0.82 at t = 180   h .
Figure 19. The proof of the proposed adaptive model efficiency in learning the increasing dynamics of the 13C separation process when the fractional differentiation order varies decreasingly from β = 0.91 to β = 0.82 at t = 180   h .
Mathematics 10 01459 g019
Figure 20. Evolution in time of the control signal applied in order to adapt the proposed model of the separation process when the fractional differentiation order varies from β = 0.91 to β = 0.82 at t = 180   h .
Figure 20. Evolution in time of the control signal applied in order to adapt the proposed model of the separation process when the fractional differentiation order varies from β = 0.91 to β = 0.82 at t = 180   h .
Mathematics 10 01459 g020
Figure 21. Evolution in time of control effort ( Δ β ) if the variation of β = 0.91 to β = 0.82 at t = 180   h occurs.
Figure 21. Evolution in time of control effort ( Δ β ) if the variation of β = 0.91 to β = 0.82 at t = 180   h occurs.
Mathematics 10 01459 g021
Figure 22. The experimental curve for the 2 M input flow of monoethanolamine in methanol.
Figure 22. The experimental curve for the 2 M input flow of monoethanolamine in methanol.
Mathematics 10 01459 g022
Figure 23. Evolution in time of the β parameter during the running of the adaptive structure.
Figure 23. Evolution in time of the β parameter during the running of the adaptive structure.
Mathematics 10 01459 g023
Figure 24. The separation process experimental curve and the most probable approximating response of the separation process (the case of the second experiment).
Figure 24. The separation process experimental curve and the most probable approximating response of the separation process (the case of the second experiment).
Mathematics 10 01459 g024
Table 1. The separation process experimental data—13C concentration.
Table 1. The separation process experimental data—13C concentration.
13C Concentration (%)Time (h)
1.1080
1.6510
1.8520
1.9130
2.0240
2.0550
2.0560
Table 2. Simulation results centralizer.
Table 2. Simulation results centralizer.
Fin (mL/h)200275350425500
13C concentration in steady-state regime (%)2.0622.0542.0472.0392.032
Table 3. The MSE values between the presented responses of the separation process.
Table 3. The MSE values between the presented responses of the separation process.
Figure 14 Figure 15Figure 16 Figure 19
MSE0.00137<< 0.006150.00215 (%)<< 0.0105 (%)
Publisher’s Note: MDPI stays neutral with regard to jurisdictional claims in published maps and institutional affiliations.

Share and Cite

MDPI and ACS Style

Motorga, R.; Mureșan, V.; Ungureșan, M.-L.; Abrudean, M.; Vălean, H.; Clitan, I. Artificial Intelligence in Fractional-Order Systems Approximation with High Performances: Application in Modelling of an Isotopic Separation Process. Mathematics 2022, 10, 1459. https://doi.org/10.3390/math10091459

AMA Style

Motorga R, Mureșan V, Ungureșan M-L, Abrudean M, Vălean H, Clitan I. Artificial Intelligence in Fractional-Order Systems Approximation with High Performances: Application in Modelling of an Isotopic Separation Process. Mathematics. 2022; 10(9):1459. https://doi.org/10.3390/math10091459

Chicago/Turabian Style

Motorga, Roxana, Vlad Mureșan, Mihaela-Ligia Ungureșan, Mihail Abrudean, Honoriu Vălean, and Iulia Clitan. 2022. "Artificial Intelligence in Fractional-Order Systems Approximation with High Performances: Application in Modelling of an Isotopic Separation Process" Mathematics 10, no. 9: 1459. https://doi.org/10.3390/math10091459

APA Style

Motorga, R., Mureșan, V., Ungureșan, M.-L., Abrudean, M., Vălean, H., & Clitan, I. (2022). Artificial Intelligence in Fractional-Order Systems Approximation with High Performances: Application in Modelling of an Isotopic Separation Process. Mathematics, 10(9), 1459. https://doi.org/10.3390/math10091459

Note that from the first issue of 2016, this journal uses article numbers instead of page numbers. See further details here.

Article Metrics

Back to TopTop