Impedance-Source DC-to-AC/DC Converter
Abstract
1. Introduction
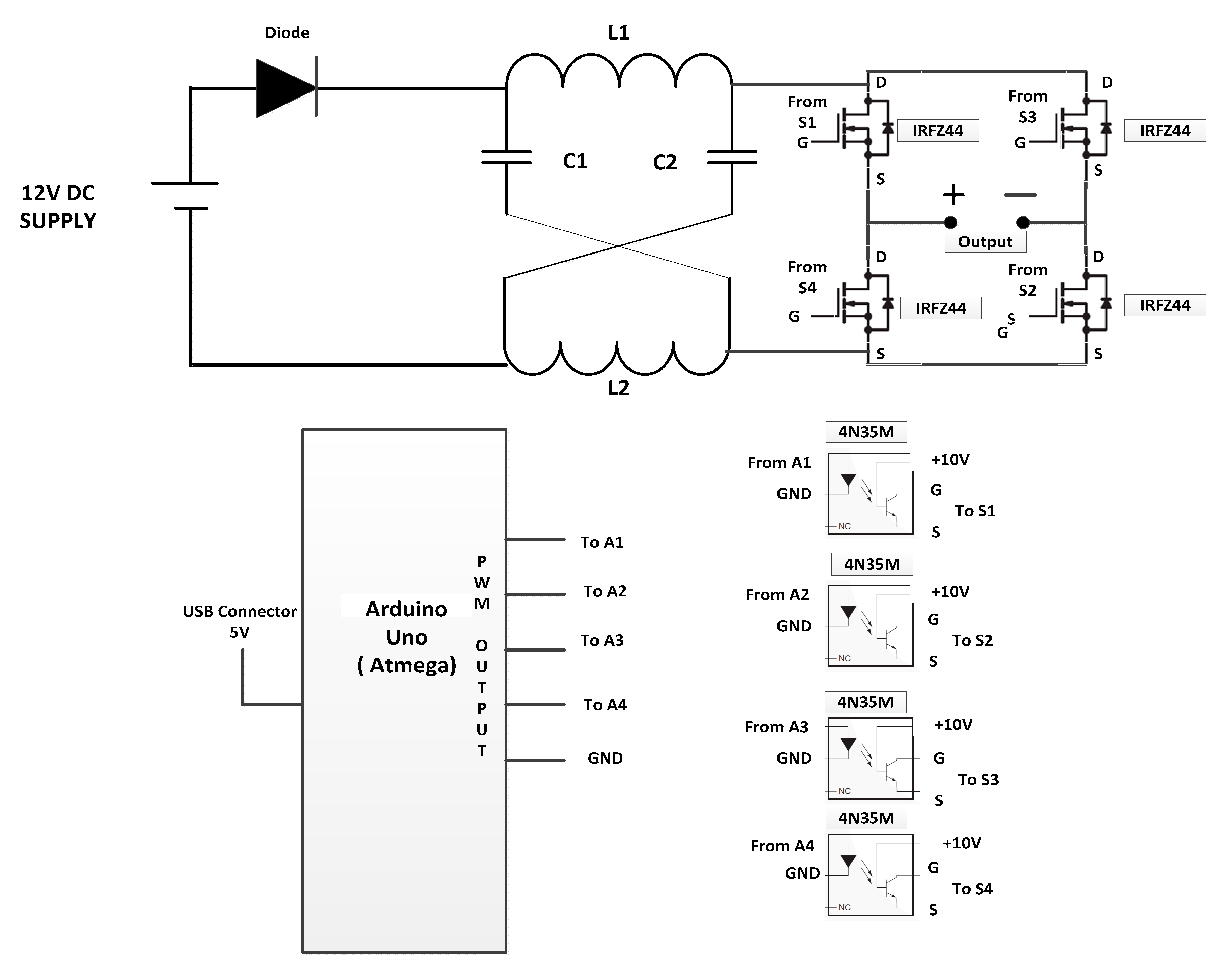
2. Z-Source DAD Converter
3. Operating Principle
3.1. Inverter Mode
3.2. Converter Mode
4. Design of Z-Source
5. Simulation and Experimental Results
6. Conclusions
Author Contributions
Funding
Conflicts of Interest
References
- Peng, F.Z. Z-source inverter. IEEE Trans. Ind. Appl. 2003, 39, 504–510. [Google Scholar] [CrossRef]
- Yu, Y.; Zhang, Q.; Liang, B.; Liu, X.; Cui, S. Analysis of Single-Phase Z-Source Inverter for Battery Discharging in Vehicle to Grid Applications. Energies 2011, 4, 2224–2235. [Google Scholar] [CrossRef]
- Huang, S.; Zhang, Y.; Shuai, Z. Capacitor Voltage Ripple Suppression for Z-Source Wind Energy Conversion System. Energies 2016, 9, 56. [Google Scholar] [CrossRef]
- Zhang, Y.; Shi, J.; Fu, C.; Zhang, W.; Wang, P.; Li, J.; Sumner, M. An Enhanced Hybrid Switching Frequency Modulation Strategy for Fuel Cell Vehicle Three-Level DC-DC Converters with Quasi-Z-Source. Energies 2018, 11, 1026. [Google Scholar] [CrossRef]
- Ellabban, O.; Van Mierlo, J.; Lataire, P. Control of A High-Performance Z-Source Inverter for Fuel Cell/ Supercapacitor Hybrid Electric Vehicles. Electr. Veh. J. 2010, 4, 444–451. [Google Scholar] [CrossRef]
- Sreeprathab, N.R.; Felix Joseph, X. A survey on Z-source inverter. In Proceedings of the 2014 International Conference on Control, Instrumentation, Communication and Computational Technologies (ICCICCT), Kanyakumari, India, 10–11 July 2014. [Google Scholar]
- Ellabban, O.; Abu-Rub, H. Z-source inverter: Topology improvements review. IEEE Ind. Electron. Mag. 2016, 10, 6–24. [Google Scholar] [CrossRef]
- Wang, B.; Tang, W. A New CUK-Based Z-Source Inverter. Electronics 2018, 7, 313. [Google Scholar] [CrossRef]
- Li, Y.; Jiang, S.; Cintron-Rivera, J.G.; Peng, F.Z. Modeling and control of quasi-Z-source inverter for distributed generation applications. IEEE Trans. Ind. Electron. 2013, 60, 1532–1541. [Google Scholar] [CrossRef]
- Kalaiarasi, N.; Subranshu, S.D.; Snajeevikumar, P.; Paramasivam, S.; Pandav, K.M. Maximum Power Point Implementation by Dspace Controller Integrated Through Z-Source Inverter Using Particle Swarm Optimization Technique for Photovoltaic Applications. Appl. Sci. 2018, 8, 145. [Google Scholar]
- Ahmed, T.; Soon, T.K.; Mekhilef, S. A Single Phase Doubly Grounded Semi-Z-Source Inverter for Photovoltaic (PV) Systems with Maximum Power Point Tracking (MPPT). Energies 2014, 7, 3618–3641. [Google Scholar] [CrossRef]
- Subhani, N.; Kannan, R.; Mahmud, M.A.; Romlie, M.F. Performance Analysis of a Modernized Z-Source Inverter for Robust Boost Control in Photovoltaic Power Conditioning Systems. Electronics 2019, 8, 139. [Google Scholar] [CrossRef]
- Rajakaruna, S.; Jayawickrama, L. Steady-state analysis and designing impedance network of Z-source inverters. IEEE Trans. Ind. Electron. 2010, 57, 2483–2491. [Google Scholar] [CrossRef]
- Shen, M.; Wang, J.; Joseph, A.; Peng, F.Z.; Tolbert, L.M.; Adams, D.J. Maximum constant boost control of the Z-source inverter. In Proceedings of the 2004 IEEE Industry Applications Conference, Seattle, WA, USA, 3–7 October 2004. [Google Scholar]
- Huang, S.; Zhang, Y.; Hu, S. Stator Current Harmonic Reduction in a Novel Half Quasi-Z-Source Wind Power Generation System. Energies 2016, 9, 770. [Google Scholar] [CrossRef]
- Sebtahmadi, S.S.; Azad, H.B.; Islam, D.; Seyedmahmoudian, M.; Horan, B.; Mekhilef, S.; Seyedmahmoudian, M. A Current Control Approach for an Abnormal Grid Supplied Ultra Sparse Z-Source Matrix Converter with a Particle Swarm Optimization Proportional-Integral Induction Motor Drive Controller. Energies 2016, 9, 899. [Google Scholar] [CrossRef]
- Nguyen, M.-K.; Choi, Y.-O. Maximum Boost Control Method for Single-Phase Quasi-Switched-Boost and Quasi-Z-Source Inverters. Energies 2017, 10, 553. [Google Scholar] [CrossRef]
- Sajadian, S.; Ahmadi, R. ZSI for PV systems with LVRT capability. IET Renew. Gener. 2018, 12, 1286–1294. [Google Scholar] [CrossRef]
- Singh, S.A.; Carli, G.; Azeez, N.A.; Williamson, S.S. Modeling, Design, Control, and Implementation of a Modified Z-Source Integrated PV/Grid/EV DC Charger/Inverter. IEEE Trans. Ind. Electron. 2018, 65, 5213–5220. [Google Scholar] [CrossRef]
- Hanif, M.; Basu, M.; Gaughan, K. Understanding the operation of a Z-source inverter for photovoltaic application with a design example. IET Electron. 2011, 4, 278–287. [Google Scholar] [CrossRef]
- Liu, Y.; Abu-Rub, H.; Ge, B. Z-Source\/Quasi-Z-Source Inverters: Derived Networks, Modulations, Controls, and Emerging Applications to Photovoltaic Conversion. IEEE Ind. Electron. Mag. 2014, 8, 32–44. [Google Scholar] [CrossRef]























© 2019 by the authors. Licensee MDPI, Basel, Switzerland. This article is an open access article distributed under the terms and conditions of the Creative Commons Attribution (CC BY) license (http://creativecommons.org/licenses/by/4.0/).
Share and Cite
Sivapriyan, R.; Elangovan, D. Impedance-Source DC-to-AC/DC Converter. Electronics 2019, 8, 438. https://doi.org/10.3390/electronics8040438
Sivapriyan R, Elangovan D. Impedance-Source DC-to-AC/DC Converter. Electronics. 2019; 8(4):438. https://doi.org/10.3390/electronics8040438
Chicago/Turabian StyleSivapriyan, Rajendran, and Devaraj Elangovan. 2019. "Impedance-Source DC-to-AC/DC Converter" Electronics 8, no. 4: 438. https://doi.org/10.3390/electronics8040438
APA StyleSivapriyan, R., & Elangovan, D. (2019). Impedance-Source DC-to-AC/DC Converter. Electronics, 8(4), 438. https://doi.org/10.3390/electronics8040438

