Next Article in Journal
A Compact Wideband SIW Bandpass Filter with Wide Stopband and High Selectivity
Next Article in Special Issue
Modulation Strategy with a Minimal Number of Commutations for a Five-Level H-Bridge NPC Inverter
Previous Article in Journal
Impedance-Source DC-to-AC/DC Converter
Previous Article in Special Issue
Enhancement of System Stability Based on PWFM
 
 
Font Type:
Arial Georgia Verdana
Font Size:
Aa Aa Aa
Line Spacing:
Column Width:
Background:
Article

Analysis of a DC Converter with Low Primary Current Loss and Balance Voltage and Current

Depart. of Electrical Engineering, National Yunlin University of Science and Technology (NYUST), Yunlin 640, Taiwan
Electronics 2019, 8(4), 439; https://doi.org/10.3390/electronics8040439
Submission received: 6 April 2019 / Revised: 12 April 2019 / Accepted: 15 April 2019 / Published: 17 April 2019
(This article belongs to the Special Issue Power Converters in Power Electronics)

Abstract

:
A dc/dc pulse width modulation (PWM) circuit was investigated to realize the functions of reduced primary current loss and balanced voltage and current distribution. In the presented dc/dc converter, two full bridge pulse width modulation circuits were used with the series/parallel connection on the high-voltage/low-voltage side. The flying capacitor was adopted on the input side to achieve voltage balance on input split capacitors. The magnetic coupling element was employed to achieve current sharing between two parallel circuits. A capacitor-diode passive circuit was adopted to lessen the primary current at the commutated interval. The phase-shifted duty cycle control approach was employed to regulate load voltage and implement soft switching characteristics of power metal-oxide-semiconductor field-effect transistors (MOSFETs). Finally, the experimental results using a 1.68 kW prototype converter were obtained to confirm the performance and feasibility of the studied circuit topology.

1. Introduction

High power density/efficiency dc/dc converters [1,2] have been proposed to reduce unnecessary power loss in order to reduce environmental pollution and met global energy demands. Clean and renewable energy sources meet these requirements to provide available ac or dc power to ac utilities, dc micro-grids, residential houses and commercial buildings by using power electronic based converters or inverters. High-voltage pulse width modulation (PWM) converters have been presented for industry power units [3,4], dc micro-grid systems [5,6,7] and dc traction or dc light rail transportation systems [8,9]. For these applications, the dc bus voltage is regulated between 750 V and 800 V. Full bridge circuits with a high switching frequency high-voltage rating SiC MOSFET or high-voltage rating insulated gate bipolar transistor (IGBT) devices can be adopted for high dc voltage applications. However, 1200 V SiC MOSFET devices are expensive and 1200 V IGBT devices have low switching frequency problems. Cost and performance are always the two main issues in the development of the available and high reliability power converters. Therefore, MOSFET power devices have been widely adopted in high efficiency power electronics. To improve the low-voltage drawback of MOSFETs in high-voltage applications, zero voltage switching, multi-level circuit topologies [10,11,12,13,14] have been developed and proposed to decrease conduction and switching losses. The phase shift pulse width modulation (PSPWM) and frequency modulation have normally been adopted to regulate duty cycle or switching frequency. However, the main disadvantage of conventional PSPWM is high circulating current losses at low effective duty cycle. In order to reduce circulating current, an active or passive snubber used on the low-voltage side has been proposed in [15,16,17]. A modular dc/dc converter [18] using low power rating modular circuits in series or parallel connection has been proposed to increase circuit efficiency and power rating. However, the current between each modular circuit may be unbalanced. To accomplish current balance issue, several current balancing approaches have been presented in [19,20].
A series/parallel-connected dc/dc converter is proposed to accomplish reduced primary circulating current, a soft switching operation, and balanced input voltages and output currents. Two full bridge circuits with series/parallel connection on input/output side are used in the studied circuit to achieve voltage and current sharing for the high voltage input and current output. Therefore, power devices on each full bridge circuit have Vin/2 voltage stress. To prevent input split voltages imbalance, a voltage balance capacitor was used on the input side to automatically achieve split voltages balance. Passive snubber circuits were employed on output side to create a positive voltage on the secondary rectified terminal under the commutated state so that the primary current at the commutated state can be reduced. To realize current sharing of two full bridge circuits, a current-balance magnetic component was adopted on the high-voltage side. If two currents are unbalanced, then one induced voltage of MC component is decreased to lessen the larger converter current. Therefore, two converter currents can be compensated automatically. PSPWM was adopted to control power devices and accomplish soft switching operation of active switches. The organization of this paper is as follows: The circuit structure and the principle of operation are discussed in Section 2. The steady state operation of the presented converter is shown in Section 3. Test results with a laboratory prototype are presented and investigated in Section 4. The conclusions of the studied converter are discussed in Section 5.

2. Circuit Structure and Principle of Operation

High-voltage converters were researched and presented for industry power supplies, dc traction vehicle and dc micro-grid systems. Ac/dc power converters with low harmonic currents, high power factor (PFC) and a stable dc voltage shown in Figure 1a are required for industry power converters. Normally, the dc voltage VH is controlled at 760 V. Then, a high-frequency link converter is adopted to provide low-voltage output. Figure 1b illustrates the basic power distributed diagrams on dc light rail vehicle. A high-voltage dc converter can convert a 760 V input to supply a low-voltage output for battery charger, control, and communication demands. Figure 1c demonstrates the blocks of a bipolar dc micro-grid system to integrate ac utility system, clean energy generators and industry load and residential load into a common dc bus voltage.
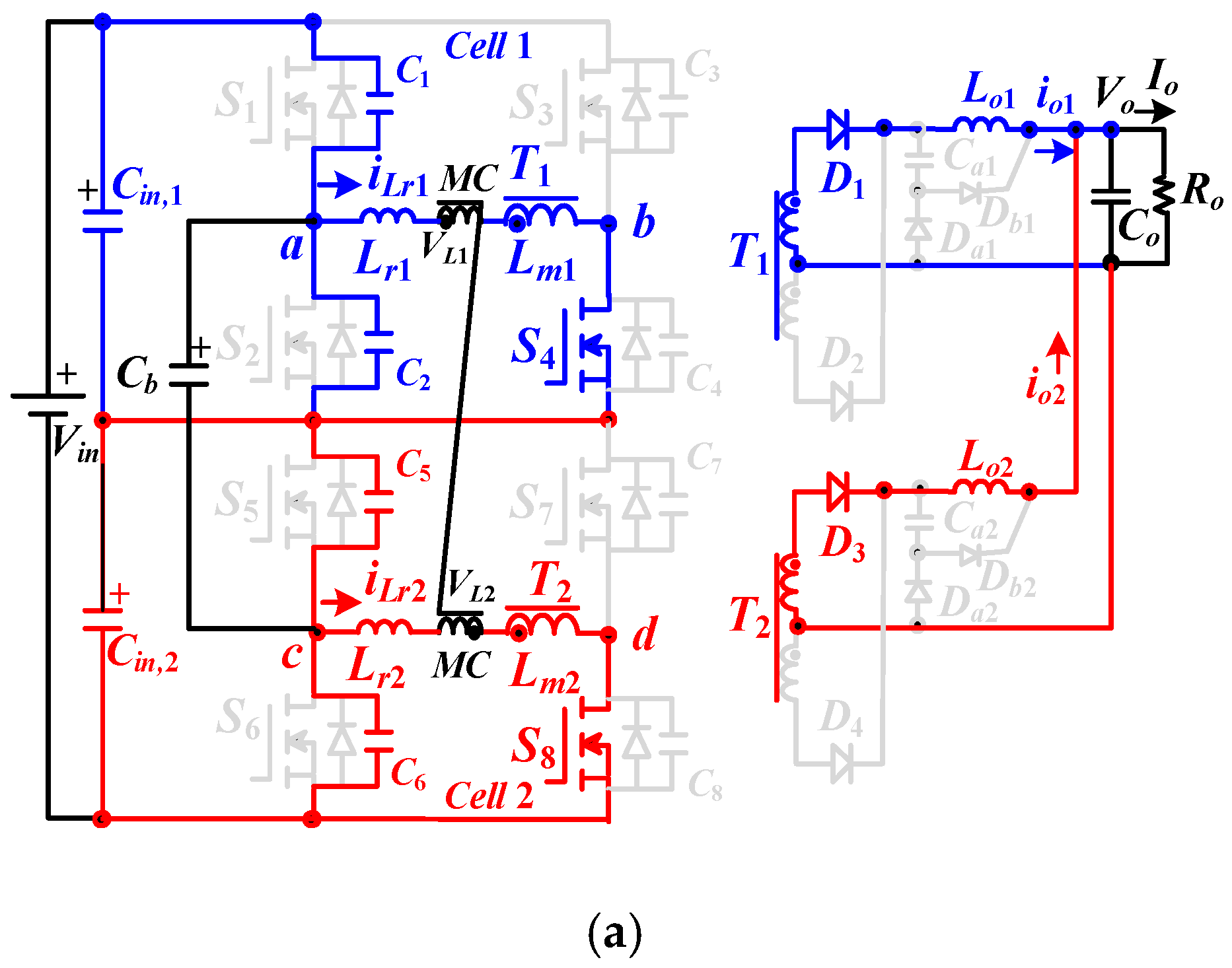
Figure 2 gives the converter configuration of the developed circuit with series/parallel connection of full bridge circuits to achieve low circulating current loss, soft switching for power MOSFETs, and balanced input split voltages and output current sharing. The first full bridge circuit has power MOSFETs S1-S4 with the output capacitors C1-C4, leakage or external inductor Lr1, transformer T1, magnetic core MC, filter inductor Lo1, secondary-side rectifier diodes D1 and D2, and passive circuit including Ca1, Da1 and Db1. Likewise, the second full bridge circuit includes the components S5-S8, C5-C8, Lr2, T2, MC, Lo2, D3, D4, Ca2, Da2 and Db2. Cin,1 and Cin,2 are input split capacitors and Cb is the balance capacitor. Each circuit can transfer one-half rated power to the secondary side. The magnetic core [20] is used to balance iLr1 and iLr2. Under the balanced primary currents (|iLr1| = |iLr2|), the induced voltages VL1 and VL2 are zero. If iLr1 and iLr2 are unbalanced (such as |iLr1| > |iLr2|), the induced voltage VL1 of MC cell is decreased in order to decrease iLr1 and VL2 is increased to increase iLr2. Thus, iLr1 will equal iLr2 and VL1 = VL2 = 0. PSPWM is used to control S1~S8 and have zero voltage switching on the MOSFETs. Power switches S1~S4 and S5~S8 have identical PWM waveforms. The balance capacitor Cb is linked between points a and c. If S1 and S5 are on and S2 and S6 are off, then VCb = VCin,1. Likewise, VCb = VCin,2 if S2 and S6 are on and S1 and S5 are in the off. Since the duty cycle dS1 = dS2 = 0.5, it is obvious that VCb = VCin,1 = VCin,2 = Vin/2. Thus, the drain voltages of S1~S8 are Vin/2. To decrease the primary-side circulating currents, passive snubbers, Ca1, Da1, Db1, Ca2, Da2, Db2, are used on the presented circuit. At the same time, the filter inductor voltages vLo1 = vCa1Vo and vLo2 = vCa2Vo rather than −Vo in the traditional full bridge duty cycle converters.
The operation principle of the presented circuit is discussed with the assumptions: (1) Cin,1 = Cin,2; (2) C1 =….= C8 = Coss; (3) Ca1 = Ca2 = Ca; (4) Lm1 = Lm2 = Lm; (5) Lo1 = Lo2 = Lo; (6) Lr1 = Lr2 = Lr; (7) VCb = VCin,1 = VCin,2 = Vin/2; and (8) n1 = n2 = n. Figure 3 shows the PWM waveforms of the studied converter. The duty cycle of S1~S8 is 0.5. The gating signals of S4 (S3) is shifted to S1 (S2), respectively. Due to the switching states of power devices, the converter has fourteen steps in a switching period. The PWM waveforms are symmetrical for every half cycle. Therefore, only the first seven steps are discussed and the circuits of first seven operating steps are illustrated in Figure 4.
Step 1 [t0, t1]: Before t0, S1, S4, S5, S8, D1 and D3 conduct, iLr1 > 0 and iLr2 > 0. After t0, power MOSFETs S1 and S5 turn off. C1 and C5 are charged and C2 and C6 are discharged. The energy on Lr1, Lr2, Lo1 and Lo2 can discharge C2 and C6. Equations (1) and (2) give the soft switching conditions of S2 and S6.
( L r 1 + n 1 2 L o 1 ) i L r 1 2 ( t 0 ) C o s s V i n 2 / 2
( L r 2 + n 2 2 L o 2 ) i L r 2 2 ( t 0 ) C o s s V i n 2 / 2
If these conditions are satisfied, then vC1 = vC5 = Vin/2 and vC2 = vC6 = 0 at t1. The time duration in step 1 is obtained in Equation (3).
Δ t 01 = t 1 t 0 = C o s s V i n i L r 1 ( t 0 ) n 1 C o s s V i n i L o , p e a k 2 n 1 C o s s V i n I o
The time duration Δt01 is related to the load current and input voltage.
Step 2 [t1, t2]: At t1, vC2 = vC6 = 0. The positive primary currents iLr1 and iLr2 will flow through the body diode of S2 and S6. Thus, power MOSFETs S2 and S6 can achieve zero-voltage switching after t1. The ac side voltages vab = vcd = 0 and iLr1 and iLr2 decrease. Therefore, Da1 and Da2 conduct at this freewheeling state. The magnetizing voltages vLm1 and vLm2 are clamped at vCa1 and vCa2, respectively. The primary inductor voltages vLr1 = −n1vCa1 and vLr2 = −n2vCa2 and the filter inductor voltages vLo1 = vCa1 − Vo < 0 and vLo2 = vCa2 − Vo < 0. Therefore, iLr1, iLr2, iLo1 and iLo2 are all decreased in this step.
i L r 1 ( t ) i L r 1 ( t 1 ) n 1 v C a 1 L r 1 ( t t 1 )
i L r 2 ( t ) i L r 2 ( t 1 ) n 2 v C a 2 L r 2 ( t t 1 )
i L o 1 ( t ) i L o 1 ( t 1 ) + v C a 1 V o L o 1 ( t t 1 )
i L o 2 ( t ) i L o 2 ( t 1 ) + v C a 2 V o L o 2 ( t t 1 )
Thus, the circulating current is decreased under the commutated state. In this step, the balance capacitor voltage VCb = VCin,2.
Step 3 [t2, t3]: At time t2, iD1 = iD3 = 0 and D1 and D3 are off. Then, iCa1 = −iLo1, iCa2 = −iLo2, iLr1 = iLm1(t2) and iLr2 = iLm2(t2). Since iLm1(t2) and iLm2(t2) are close to zero, the circulating current is removed. The filter inductor voltages vLo1 = vCa1 Vo < 0 and vLo2 = vCa2 Vo < 0. The secondary-side currents iLo1 and iLo2 are lessened.
Step 4 [t3, t4]: At t3, power MOSFETs S4 and S8 turn off. C3 and C7 are discharged and C4 and C8 are charged. The energy on Lr1 and Lr2 can discharge C3 and C7 and the soft switching conditions of S3 and S7 are expressed in Equations (8) and (9).
L r 1 i L r 1 2 ( t 3 ) C o s s V i n 2 / 2
L r 2 i L r 2 2 ( t 3 ) C o s s V i n 2 / 2
Step 5 [t4, t5]: This step starts at t4 when vC3 = vC7 = 0. Due to iLr1(t4) > 0 and iLr2(t4) > 0, the body diodes of S3 and S7 conduct. Then, S3 and S7 naturally conduct at zero-voltage switching after t4. In this step, vab = −VCin,1, vcd = −VCin,2, VCb = VCin,2, vLm1 = −n1vCa1, vLm2 = −n2vCa2, vLo1 = vCa1 − Vo and vLo2 = vCa2 − Vo. In order to balance iLr1 and iLr2, the magnetic core MC is employed on the high-voltage side. Under current balance condition, VL1 = VL2 = 0. Therefore, vLr1n1vCa1 − Vin/2 and vLr2n2vCa2Vin/2. It can be observed that iLr1, iLr1, iLo1 and iLo2 all decrease in this step. When the secondary-side diode currents iD2 = iLo1 and iD4 = iLo2 at time t5, diodes Da1 and Da2 are reverse biased. In this step, iD2 and iD4 increase from zero to iLo1 and iLo2, respectively and the time duration in step 5 can be obtained as:
Δ t 45 = L r 1 I L o 1 , min n 1 V i n / 2 n 1 2 v C a 1 L r 1 I o n 1 V i n 2 n 1 2 v C a 1
Since Da1 and Da2 are still conducting in this step, the duty loss is calculated in Equation (11).
d 5 , l o s s L r 1 I o f s w n 1 V i n 2 n 1 2 v C a 1
Step 6 [t5, t6]: At time t5, iD2 = iLo1 and iD4 = iLo2. Then, the secondary-side diodes Da1 and Da2 are off and Db1 and Db2 are on in this step. The inductances Lr1/(n1)2 (Lr2/(n2)2) and Ca1 (Ca2) are resonant with frequency f R = n 1 / ( 2 π L r 1 C c a 1 ) . Since vLo1 = vCa1 and vLo2 = vCa2, iLo1 and iLo2 both increase in this step. In order to force iDb1 = iDb2 = 0 at t6, the half resonant cycle 1/(2fR) must be less than deff,minTsw/2. The primary magnetizing voltages vLm1 = n1(vCa1 + Vo) and vLm2 = n2(vCa2 + Vo) and the primary inductor current iLr1 ≈ −(iLo1 + iCa1)/n1 and iLr2 ≈ −(iLo2 + iCa2)/n2.
Step 7 [t6, t7]: At time t6, iD2 = iLo1 and iD4 = iLo2. Then diodes Db1 and Db2 are off. The filter inductor voltages vLo1Vin/(2n1) − Vo and vLo2Vin/(2n2) − Vo so that iLo1 and iLo2 increase. At t7, S2 and S6 turn off.

3. Steady State Analysis

Each full bridge converter in the presented converter supplies one-half of load power to low-voltage side. To balance iLr1 and iLr2, the magnetic component MC is employed in the studied converter. Under current balance condition, VL1 = VL2 = 0. It can be observed that the average voltages VCa1= VCa2 = Vin/(2n1) − Vo in step 6. Under steady state operation, iLo1 and iLo2 at t0 and t0 + Tsw in every switching period are identical, iLo1(t0) = iLo1(t0 + Tsw) and iLo2(t0) = iLo2(t0 + Tsw). Thus, Equation (12) is derived according to voltage-second balance condition.
( d d 5 d 6 ) ( V i n 2 n 1 V o ) + d 6 V C a 1 = ( 1 2 d + d 5 ) ( V o V C a 1 )
where d5 and d6 are duty cycles in steps 5 and 6, respectively. Based on VCa1 = Vin/(2n1) − Vo, Vo can be derived in Equation (13) under steady state.
V o = V i n 4 n 1 ( 1 d + d 5 ) = V i n 4 n 1 ( 1 d e f f )
where deff = dd5 is an effective duty ratio and δ is duty ratio when S1 (S2) and S4 (S3) are conducting. From Equation (13), the voltage gain is expressed in Equation (14).
G d c = V o / V i n   = 1 4 n 1 ( 1 d e f f )
From the given input and output voltages, the turns ratio n is derived as:
n = n 1 = n 2 = V i n 4 V o ( 1 d e f f )
Therefore, the minimum primary turns np and secondary turns ns are derived in Equation (16).
n p V L m d T s w Δ B max A e ,   n s = n p n
where ΔBmax: maximum flux density range, Ae: effective cross area, and VLm: primary voltage. In steady state, ILo1 = ILo2 = Io/2, VCin,1 = VCin,2 = VCb = Vin/2 and vS1,ds =…= vS8,ds = Vin/2. If the effective duty cycle is defined, then the ripple currents ΔLo1 and ΔLo2 can be obtained in Equation (17).
Δ i L o 1 = Δ i L o 2 = ( V o V C a 1 ) ( 0.5 d e f f ) T s w / L o ( 2 V o V i n 2 n 1 ) ( 0.5 d e f f ) T s w / L o
If the ripple currents ΔiLo1 = ΔiLo2 = ΔiLo are given or selected, then output inductances are achieved in Equation (18).
L o 1 = L o 2 = L o ( 2 V o V i n 2 n 1 ) ( 0.5 d e f f ) T s w / Δ i L o
The winding turns of filter inductors Lo1 and Lo6 are expressed as:
n L o 1 = n L o 2 L o 1 i L o 1 , p e a k B max A e
The voltage ratings and average currents on D1~D4 are expressed in Equations (20)–(23).
V D 1 , r a t i n g = = V D 4 , r a t i n g V i n / n 1
V D a 1 , rating = V D a 2 , rating = V D b 1 , rating = V D b 2 , rating V o
ID1,av = ID2,av = ID3,av = ID4,avIo/4
IDa1,av = IDa2,av = IDb1,av = IDb2,avdIo/2
Based on Equation (11), the necessary inductances Lr1 and Lr2 are obtained as:
L r 1 = L r 2 d 5 , l o s s ( n 1 V i n 2 n 1 2 v C a 1 ) I o f s w

4. Test Results

The studied circuit was verified through a prototype. In the prototype circuit, Vin was between 750 V and 800 V, Vo was 24 V, Io,rated was 70 A, fsw is 60 kHz, the effective duty cycle deff was 0.35, and the duty loss in step 5 was 0.01. Therefore, the turn-ratio and the primary-side inductances were obtained as:
n = n 1 = n 2 = V i n , min 4 V o ( 1 d e f f ) 12
L r 1 = L r 2 d 5 , l o s s ( n 1 V i n min 2 n 1 2 v C a 1 ) I o f s w 16.5   μ H
In the prototype circuit, the actual magnetizing inductance, Lm1 = Lm2 = 2 mH, the primary turns n1,p and n2,p were 48 and the secondary turns n1,s and n2,s were 4 with TDK EER-42 magnetic core. The maximum ripple currents ΔiLo was assumed as 4 A. The Lo1 and Lo2 can be obtained in Equation (27).
L o 1 = L o 2 = ( 2 V o V i n , min 2 n 1 ) ( 0.5 d e f f ) T s w / Δ i L o 10.5   μ H
MOSFETs SiHG20N50C with 500 V/20 A ratings were selected for S1~S8. MBR40100PT with 100 V/40 A ratings were selected for D1~D4 and Da1~Db2. The magnetic coupling (MC) transformer np:ns = 24 turns:24 turns. The adopted capacitors were Cin,1 = Cin,2 = 240 μF/450 V, Cb = 1 μF, Ca1 = Ca2 = 8.8 μF and Co = 2200 μF/100 V. The PSPWM integrated circuit UCC3895 was selected as a controller to control S1~S8.
The experimental test bench is given in Figure 5. The dc power source was using a two Chroma 62016P-600-8 programmable dc power supply connected in series to supply 800 V at the input side of the proposed circuit. The dc electronic load was a Chroma 63112A programmable dc load. The digital oscilloscope Tektronix TDS3014B was adopted to measure the test waveforms. Figure 6 illustrates the test waveforms of the gate voltages of switches S1~S4 in first full bridge circuit at rated power. The phase-shift angle between S1 and S4 depended on the input voltage. The gating voltages of S5~S8 in second full bridge circuit were identical to S1~S4, respectively. The gating voltages vS1,g and vS4,g and ac voltages vab and vcd at rated power are demonstrated in Figure 7. Three-level voltages were observed on vab and vcd. Figure 8 illustrates the test waveforms vab, vcd, iLr1 and iLr2 under 20% power and rated power. Two primary-side currents were well balanced with each other due to the current balance magnetic core is used to achieve current sharing. Figure 9 gives the test results of VCin1, VCin2 and VCb at rated power. Split capacitor voltages were well balanced with VCin1 = 401.6 V and VCin2 = 398.4 V. Figure 10 gives the measured waveforms of output side currents. Figure 11 provides the test waveforms of iLo1, iDb1, io1 and io2 under different load conditions. It is clear that io1 and io2 were balanced. Figure 12 provides the measured results of S1 under 20% power and rated power. The soft switching of S1 was succeeded from 20% power to rated power. The other switches such as S2, S5 and S6 had the same characteristics as S1. Therefore, S2, S5 and S6 were also turned on with soft switching turn-on from 20% power. Figure 13 demonstrates the measured waveforms of S4 under half and full loads. The soft switching of S4 are realized from 50% load due to the energy on Lm1 and Lm2. Likewise, S3, S7 and S8 have same characteristics as S4 and S3, S7 and S8 with soft switching turn-on from 50% power. The test efficiencies of the presented circuit are 91.7% at 20% power, 93.5% at 50% power and 92.9% at 100% power and shown in Figure 14.

5. Conclusions

A parallel dc/dc converter was proposed and investigated to achieve the main benefits of balanced input split voltages, load current sharing and reduced circulating current loss. Input split voltage balance was realized using a balance capacitor to automatically charge/discharge split capacitors in every switching cycle. The current sharing of two series full bridge circuits was achieved using a magnetic core. Passive circuits were employed on output side to decrease primary circulating current at commutated state. However, the proposed converter was out of work under power switch failure. Therefore, some bypass circuits may be added in the circuit to protect the converter from damage. This protection procedure is the next study case to further improve the circuit reliability. The theoretical analysis was well supported by the test waveforms of a prototype.

Author Contributions

B.-R.L. designed the project and was responsible for writing the paper.

Funding

This research is funded by the Ministry of Science and Technology, Taiwan, grant number MOST 107-2221-E-224-013.

Acknowledgments

This research is supported by the Ministry of Science and Technology, Taiwan, under contract MOST 107-2221-E-224-013. The author would like to thank Mr. Wei-Po Liu for his help to measure the circuit waveforms in the experiment.

Conflicts of Interest

The author declares no potential conflict of interest.

References

  1. Cho, I.-H.; Cho, K.-M.; Kim, J.-W.; Moon, G.-W. A New Phase-Shifted Full-Bridge Converter With Maximum Duty Operation for Server Power System. IEEE Trans. Power Electron. 2011, 26, 3491–3500. [Google Scholar] [CrossRef]
  2. Sun, B.; Burgos, R.; Boroyevich, D. Ultralow Input–Output Capacitance PCB-Embedded Dual-Output Gate-Drive Power Supply for 650 V GaN-Based Half-Bridges. IEEE Trans. Power Electron. 2019, 34, 1382–1393. [Google Scholar] [CrossRef]
  3. Fu, D.; Lee, F.C.; Qiu, Y.; Wang, F. A Novel High-Power-Density Three-Level LCC Resonant Converter with Constant-Power-Factor-Control for Charging Applications. IEEE Trans. Power Electron. 2008, 23, 2411–2420. [Google Scholar] [CrossRef]
  4. Song, B.-M.; McDowell, R.; Bushnell, A.; Ennis, J. A Three-Level DC–DC Converter with Wide-Input Voltage Operations for Ship-Electric-Power-Distribution Systems. IEEE Trans. Plasma Sci. 2004, 32, 1856–1863. [Google Scholar] [CrossRef]
  5. Nejabatkhah, F.; Li, Y.W. Overview of Power Management Strategies of Hybrid AC/DC Microgrid. IEEE Trans. Power Electron. 2015, 30, 7072–7089. [Google Scholar] [CrossRef]
  6. Dragicevic, T.; Lu, X.; Vasquez, J.C.; Guerrero, J. DC Microgrids—Part I: A Review of Control Strategies and Stabilization Techniques. IEEE Trans. Power Electron. 2016, 31, 4876–4891. [Google Scholar] [CrossRef]
  7. Dragicevic, T.; Lu, X.; Vasquez, J.C.; Guerrero, J. DC Microgrids—Part II: A Review of Power Architectures, Applications, and Standardization Issues. IEEE Trans. Power Electron. 2016, 31, 3528–3549. [Google Scholar] [CrossRef]
  8. Chua, T.Z.Y.; Ong, Y.T.; Toh, C.L. Transformerless DC traction power conversion system design for light-rail-transit (LRT). In Proceedings of the IEEE Energy Conversion Conf. (CENCON), Kuala Lumpur, Malaysia, 30–31 November 2017; pp. 38–43. [Google Scholar]
  9. Lin, B.-R. Investigation of a Resonant dc–dc Converter for Light Rail Transportation Applications. Energies 2018, 11, 1078. [Google Scholar] [CrossRef]
  10. Lin, B.R. Hybrid dc/dc converter based on dual three-level circuit and full circuit. IET Power Electron. 2016, 9, 817–824. [Google Scholar] [CrossRef]
  11. Lin, B.-R. Soft Switching DC Converter for Medium Voltage Applications. Electronics 2018, 7, 449. [Google Scholar] [CrossRef]
  12. Ren, R.; Liu, B.; Jones, E.A.; Wang, F.F.; Zhang, Z.; Costinett, D. Capacitor-Clamped, Three-level GaN-Based DC–DC Converter with Dual Voltage Outputs for Battery Charger Applications. IEEE J. Emerg. Sel. Top. Electron. 2016, 4, 841–853. [Google Scholar] [CrossRef]
  13. Haga, H.; Kurokawa, F. A novel modulation method of the full bridge three-level LLC resonant converter for battery charger of electrical vehicles. In Proceedings of the IEEE ECCE, Montreal, QC, Canada, 20–24 September 2015; pp. 5498–5504. [Google Scholar]
  14. Dusmez, S.; Li, X.; Akin, B. A New Multi-Input Three-Level DC/DC Converter. IEEE Trans. Power Electron. 2016, 31, 1230–1240. [Google Scholar] [CrossRef]
  15. Choi, H.-S.; Kim, J.-W.; Cho, B.H. Novel zero-voltage and zero-current-switching (ZVZCS) full-bridge PWM converter using coupled output inductor. IEEE Trans. Power Electron. 2002, 17, 641–648. [Google Scholar] [CrossRef]
  16. Pahlevaninezhad, M.; Das, P.; Drobnik, J.; Jain, P.K.; Bakhshai, A. A Novel ZVZCS Full-Bridge DC/DC Converter Used for Electric Vehicles. IEEE Trans. Power Electron. 2012, 27, 2752–2769. [Google Scholar] [CrossRef]
  17. Mishima, T.; Akamatsu, K.; Nakaoka, M. A high frequency-link secondary-side phase-shifted full-bridge soft-switching PWM DC-DC converter with ZCS active rectifier for EV battery charger. IEEE Trans. Power Electron. 2013, 28, 5758–5773. [Google Scholar] [CrossRef]
  18. You, H.; Xu, C. A family of un-isolated modular dc/dc converters. In Proceedings of the IEEE IPEMC, Hefei, China, 22–26 May 2016; pp. 696–702. [Google Scholar]
  19. Shi, J.J.; Liu, T.J.; Cheng, J.; He, X.N. Automatic current sharing of an input-parallel output-parallel (IPOP)-connected DC-DC converter system with chain-connected rectifiers. IEEE Trans. Power Electron. 2015, 30, 2997–3016. [Google Scholar] [CrossRef]
  20. Liu, C.; Xu, X.; He, D.; Liu, H.; Tian, X.; Guo, Y.; Cai, G.; Ma, C.; Mu, G. Magnetic-coupling current-balancing cells based input-parallel output-parallel LLC resonant converter modules for high-frequency isolation of DC distribution systems. IEEE Trans. Power Electron. 2016, 31, 6968–6979. [Google Scholar] [CrossRef]
Figure 1. High-voltage dc/dc converters in (a) ac/dc converters, (b) dc light rail transportation vehicle, (c) dc micro-grid system with bipolar voltages.
Figure 1. High-voltage dc/dc converters in (a) ac/dc converters, (b) dc light rail transportation vehicle, (c) dc micro-grid system with bipolar voltages.
Electronics 08 00439 g001aElectronics 08 00439 g001b
Figure 2. Circuit configuration of the studied converter.
Figure 2. Circuit configuration of the studied converter.
Electronics 08 00439 g002
Figure 3. Pulse width modulation (PWM) waveforms of the presented converter.
Figure 3. Pulse width modulation (PWM) waveforms of the presented converter.
Electronics 08 00439 g003
Figure 4. Equivalent circuits in first seven steps (a) step 1, (b) step 2, (c) step 3, (d) step 4, (e) step 5, (f) step 6, (g) step 7.
Figure 4. Equivalent circuits in first seven steps (a) step 1, (b) step 2, (c) step 3, (d) step 4, (e) step 5, (f) step 6, (g) step 7.
Electronics 08 00439 g004aElectronics 08 00439 g004bElectronics 08 00439 g004c
Figure 5. Pictures of the presented circuit in the laboratory: (a) experimental setup and (b) prototype circuit.
Figure 5. Pictures of the presented circuit in the laboratory: (a) experimental setup and (b) prototype circuit.
Electronics 08 00439 g005
Figure 6. Measured gate voltages of S1~S4 in first full bridge circuit at full load and (a) Vin = 750 V and (b) Vin = 800 V (vS1,g~vS4,g: 10 V/div; time: 4 μs/div).
Figure 6. Measured gate voltages of S1~S4 in first full bridge circuit at full load and (a) Vin = 750 V and (b) Vin = 800 V (vS1,g~vS4,g: 10 V/div; time: 4 μs/div).
Electronics 08 00439 g006
Figure 7. Experimental results of vS1,g, vS4,g, vab and vcd at full load (a) Vin = 750 V and (b) Vin = 800 V (vS1,g, vS4,g: 10 V/div; vab, vcd: 500 V/div; time: 4 μs/div).
Figure 7. Experimental results of vS1,g, vS4,g, vab and vcd at full load (a) Vin = 750 V and (b) Vin = 800 V (vS1,g, vS4,g: 10 V/div; vab, vcd: 500 V/div; time: 4 μs/div).
Electronics 08 00439 g007
Figure 8. Measured waveforms of vab, vcd, iLr1 and iLr2 at 800 V input (a) 20% load (vab, vcd: 500 V/div; iLr1, iLr2: 2 A/div; time: 4 μs/div) and (b) full load (vab, vcd: 500 V/div; iLr1, iLr2: 5 A/div; time: 4 μs/div).
Figure 8. Measured waveforms of vab, vcd, iLr1 and iLr2 at 800 V input (a) 20% load (vab, vcd: 500 V/div; iLr1, iLr2: 2 A/div; time: 4 μs/div) and (b) full load (vab, vcd: 500 V/div; iLr1, iLr2: 5 A/div; time: 4 μs/div).
Electronics 08 00439 g008
Figure 9. Measured waveforms of split voltages VCin1 and VCin2 and balance capacitor voltage VCb at 800 V input and full load (VCin1, VCin2, VCb: 200 V/div; time: 4 μs/div).
Figure 9. Measured waveforms of split voltages VCin1 and VCin2 and balance capacitor voltage VCb at 800 V input and full load (VCin1, VCin2, VCb: 200 V/div; time: 4 μs/div).
Electronics 08 00439 g009
Figure 10. Measured waveforms of the secondary-side currents in first full bridge circuit (a) 20% load (iD1, iD2, iLo1, iDa1, iDb1: 5 A/div; time: 4 μs/div) and (b) full load (iD1, iD2, iLo1, iDa1, iDb1: 20 A/div; time: 4 μs/div).
Figure 10. Measured waveforms of the secondary-side currents in first full bridge circuit (a) 20% load (iD1, iD2, iLo1, iDa1, iDb1: 5 A/div; time: 4 μs/div) and (b) full load (iD1, iD2, iLo1, iDa1, iDb1: 20 A/div; time: 4 μs/div).
Electronics 08 00439 g010
Figure 11. Measured waveforms of the secondary-side currents iLo1, iDb1, io1 and io2 (a) 20% load (iLo1, iDb1: 5 A/div; io1, io2: 10 A/div; time: 4 μs/div) and (b) full load (iLo1, iDb1, io1, io2: 20 A/div; time: 4 μs/div).
Figure 11. Measured waveforms of the secondary-side currents iLo1, iDb1, io1 and io2 (a) 20% load (iLo1, iDb1: 5 A/div; io1, io2: 10 A/div; time: 4 μs/div) and (b) full load (iLo1, iDb1, io1, io2: 20 A/div; time: 4 μs/div).
Electronics 08 00439 g011
Figure 12. Measured waveforms of the leading-leg switch S1 at 800 V input (a) 20% load (vS1,g: 10 V/div; vS1,d: 200 V/div; iS1: 1 A/div; time: 2 μs/div) and (b) full load (vS1,g: 10 V/div; vS1,d: 200 V/div; iS1: 2 A/div; time: 2 μs/div).
Figure 12. Measured waveforms of the leading-leg switch S1 at 800 V input (a) 20% load (vS1,g: 10 V/div; vS1,d: 200 V/div; iS1: 1 A/div; time: 2 μs/div) and (b) full load (vS1,g: 10 V/div; vS1,d: 200 V/div; iS1: 2 A/div; time: 2 μs/div).
Electronics 08 00439 g012
Figure 13. Measured waveforms of the lagging-leg switch S4 at 800 V input (a) 50% load and (b) full load (vS4,g: 10 V/div; vS4,d: 200 V/div; iS4: 2 A/div; time: 2 μs/div).
Figure 13. Measured waveforms of the lagging-leg switch S4 at 800 V input (a) 50% load and (b) full load (vS4,g: 10 V/div; vS4,d: 200 V/div; iS4: 2 A/div; time: 2 μs/div).
Electronics 08 00439 g013aElectronics 08 00439 g013b
Figure 14. Measured circuit efficiencies of the proposed circuit.
Figure 14. Measured circuit efficiencies of the proposed circuit.
Electronics 08 00439 g014

Share and Cite

MDPI and ACS Style

Lin, B.-R. Analysis of a DC Converter with Low Primary Current Loss and Balance Voltage and Current. Electronics 2019, 8, 439. https://doi.org/10.3390/electronics8040439

AMA Style

Lin B-R. Analysis of a DC Converter with Low Primary Current Loss and Balance Voltage and Current. Electronics. 2019; 8(4):439. https://doi.org/10.3390/electronics8040439

Chicago/Turabian Style

Lin, Bor-Ren. 2019. "Analysis of a DC Converter with Low Primary Current Loss and Balance Voltage and Current" Electronics 8, no. 4: 439. https://doi.org/10.3390/electronics8040439

APA Style

Lin, B.-R. (2019). Analysis of a DC Converter with Low Primary Current Loss and Balance Voltage and Current. Electronics, 8(4), 439. https://doi.org/10.3390/electronics8040439

Note that from the first issue of 2016, this journal uses article numbers instead of page numbers. See further details here.

Article Metrics

Back to TopTop