Robust Sensorless PMSM Control with Improved Back-EMF Observer and Adaptive Parameter Estimation
Abstract
1. Introduction
2. Model of PMSM
3. Back-EMF Observer
3.1. Conventional ESO
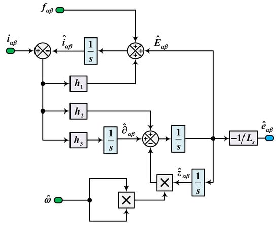
3.2. Proposed ESO
4. QPLL Based on ESO
5. Design of Speed and Current Controllers
5.1. Speed Controller Design
5.2. Current Controller Design
6. Recursive Least Squares
7. Results Analysis
8. Conclusions
Author Contributions
Funding
Institutional Review Board Statement
Informed Consent Statement
Data Availability Statement
Conflicts of Interest
Appendix A
| Parameter | Value |
|---|---|
| Rated Power | 4400 W |
| Rated Current | A |
| Rated Torque | N·m |
| Number of Pole Pairs () | 4 |
| Stator Resistance () | |
| Stator Inductance ( | mH |
| Rotor Flux Linkage () | Wb |
| Moment of Inertia (J) | Kg·m2 |
| Friction Coefficient (f) | Nms |
References
- Tu, C.C.; Hung, C.L.; Hong, K.B.; Elangovan, S.; Yu, W.C.; Hsiao, Y.S.; Lin, W.C.; Kumar, R.; Huang, Z.H.; Hong, Y.H.; et al. Industry perspective on power electronics for electric vehicles. Nat. Rev. Electr. Eng. 2024, 1, 435–452. [Google Scholar] [CrossRef]
- Chen, H.; Tang, J.; Liu, Y.; Jiang, B.; Boscaglia, L. Electromagnetic Performance Investigation of a Brushless Electrically Excited Synchronous Machine for Long-Distance Heavy-Duty Electric Vehicles. IEEE Trans. Transp. Electrif. 2025, 11, 225–235. [Google Scholar] [CrossRef]
- Guo, Y.; Liu, L.; Ba, X.; Lu, H.; Lei, G.; Yin, W.; Zhu, J. Designing High-Power-Density Electric Motors for Electric Vehicles with Advanced Magnetic Materials. World Electr. Veh. J. 2023, 14, 114. [Google Scholar] [CrossRef]
- Liu, T.; Zhao, Q.; Zhao, K.; Li, L.; Zhu, G. Sensorless model predictive control of permanent magnet synchronous motor based on hybrid parallel observer under parameter uncertainty. IET Power Electron. 2024, 17, 438–449. [Google Scholar] [CrossRef]
- Akrami, M.; Jamshidpour, E.; Baghli, L.; Frick, V. Application of Low-Resolution Hall Position Sensor in Control and Position Estimation of PMSM—A Review. Energies 2024, 17, 4216. [Google Scholar] [CrossRef]
- Huang, Y.; Zhao, M.; Zhang, J.; Lu, M. The Hall Sensors Fault-Tolerant for PMSM Based on Switching Sensorless Control with PI Parameters Optimization. IEEE Access 2022, 10, 114048–114059. [Google Scholar] [CrossRef]
- Chi, W.C.; Cheng, M.Y. Implementation of a sliding-mode-based position sensorless drive for high-speed micro permanent-magnet synchronous motors. ISA Trans. 2014, 53, 444–453. [Google Scholar] [CrossRef]
- Sahebjam, M.; Sharifian, M.B.; Feyzi, M.R.; Sabahi, M. Novel methodology for direct speed control of a permanent magnet synchronous motor with sensorless operation. IET Electr. Power Appl. 2021, 15, 728–741. [Google Scholar] [CrossRef]
- Dong, S.; Zhou, M.; Wang, C.; Gou, L.; You, X. Improved Hybrid Sensorless Control for IPMSM in Full Speed Range at Low Switching Frequency. IEEE Trans. Energy Convers. 2024, 40, 123–135. [Google Scholar] [CrossRef]
- Shi, L.; Lv, M.; Li, P. Sensorless Position Control in High-Speed Domain of PMSM Based on Improved Adaptive Sliding Mode Observer. Processes 2024, 12, 2581. [Google Scholar] [CrossRef]
- R, S.; Singh, B. Sensorless Predictive Control of SPMSM-Driven Light EV Drive Using Modified Speed Adaptive Super Twisting Sliding Mode Observer with MAF-PLL. IEEE J. Emerg. Sel. Top. Ind. Electron. 2021, 2, 42–52. [Google Scholar] [CrossRef]
- Zhou, Q.; Wang, Y.; Zhang, Y.; Zhang, L.; Shi, K. Sensorless control of permanent magnet synchronous motor based on improved sliding mode observer. Trans. Inst. Meas. Control 2025, 47, 194–205. [Google Scholar] [CrossRef]
- Zeghlache, A.; Mekki, H.; Djerioui, A.; Benkhoris, M.F. Sensorless Control of BLDC Motor Based on ESO with an Active Harmonic Compensator. J. Control Autom. Electr. Syst. 2024, 35, 960–969. [Google Scholar] [CrossRef]
- Wang, H.; Zhang, G.; Liu, X. Sensorless Control of Surface-Mount Permanent-Magnet Synchronous Motors Based on an Adaptive Super-Twisting Sliding Mode Observer. Mathematics 2024, 12, 2029. [Google Scholar] [CrossRef]
- Tian, B.; Li, Y.; Hu, J.; Wang, G.; Molinas, M.; Zhang, G.; Wang, K.; Zhang, Z. A Wide Speed Range Sensorless Control for Three-Phase PMSMs Based on a High-Dynamic Back EMF Observer. IEEE Trans. Transp. Electrif. 2025, 11, 4336–4349. [Google Scholar] [CrossRef]
- Harshit Mohan, M.K.P.; Dwivedi, S.K. Sensorless Control of Electric Drives—A Technological Review. IETE Tech. Rev. 2020, 37, 504–528. [Google Scholar] [CrossRef]
- Jiang, N.; Cao, R.; Sun, W.; Chen, D.; Wang, K. MRAS-based Sensorless Control of PMSM Drives Using Extended State Observer in Shaftless Rim-driven Thruster System. IEEE Trans. Transp. Electrif. 2024, 1. [Google Scholar] [CrossRef]
- Zuo, Y.; Lai, C.; Iyer, K.L.V. A Review of Sliding Mode Observer Based Sensorless Control Methods for PMSM Drive. IEEE Trans. Power Electron. 2023, 38, 11352–11367. [Google Scholar] [CrossRef]
- Jiang, F.; Sun, S.; Liu, A.; Xu, Y.; Li, Z.; Liu, X.; Yang, K. Robustness Improvement of Model-Based Sensorless SPMSM Drivers Based on an Adaptive Extended State Observer and an Enhanced Quadrature PLL. IEEE Trans. Power Electron. 2021, 36, 4802–4814. [Google Scholar] [CrossRef]
- Chen, S.; Ding, W.; Hu, R.; Wu, X.; Shi, S. Sensorless Control of PMSM Drives Using Reduced Order Quasi Resonant-Based ESO and Newton–Raphson Method-Based PLL. IEEE Trans. Power Electron. 2023, 38, 229–244. [Google Scholar] [CrossRef]
- Jiang, F.; Yang, F.; Sun, S.; Yang, K. Static-Errorless Rotor Position Estimation Method Based on Linear Extended State Observer for IPMSM Sensorless Drives. Energies 2022, 15, 1943. [Google Scholar] [CrossRef]
- Sun, H.; Zhang, X.; Liu, X.; Su, H. Adaptive Robust Sensorless Control for PMSM Based on Improved Back EMF Observer and Extended State Observer. IEEE Trans. Ind. Electron. 2024, 71, 16635–16643. [Google Scholar] [CrossRef]
- Sreejith, R.; Singh, B. Sensorless Predictive Current Control of PMSM EV Drive Using DSOGI-FLL Based Sliding Mode Observer. IEEE Trans. Ind. Electron. 2021, 68, 5537–5547. [Google Scholar] [CrossRef]
- Li, X.; Cui, Y.; Wu, X. Sensorless Control of Surfaced-Mounted Permanent Magnet Synchronous Motor in a Wide-Speed Range. Electronics 2024, 13, 1131. [Google Scholar] [CrossRef]
- Chen, S.; Ding, W.; Wu, X.; Hu, R.; Shi, S. Finite Position Set-Phase-Locked Loop with Low Computational Burden for Sensorless Control of PMSM Drives. IEEE Trans. Ind. Electron. 2023, 70, 9672–9676. [Google Scholar] [CrossRef]
- Yu, Y.; Shao, Y.; Chai, F.; Cui, M. Static-Errorless Position Estimation for Sensorless PMSM Drives with Enhanced Robustness Against the Full-Frequency Domain Disturbance. IEEE Trans. Power Electron. 2022, 37, 5884–5897. [Google Scholar] [CrossRef]
- Yu, K.; Li, S.; Zhu, W.; Wang, Z. Sensorless Control Scheme for PMSM Drive via Generalized Proportional Integral Observers and Kalman Filter. IEEE Trans. Power Electron. 2025, 40, 4020–4033. [Google Scholar] [CrossRef]
- Moreno, J.A.; Osorio, M. A Lyapunov approach to second-order sliding mode controllers and observers. In Proceedings of the 2008 47th IEEE Conference on Decision and Control, Cancun, Mexico, 9–11 December 2008; pp. 2856–2861. [Google Scholar] [CrossRef]
- Ichikawa, S.; Tomita, M.; Doki, S.; Okuma, S. Sensorless control of permanent-magnet synchronous motors using online parameter identification based on system identification theory. IEEE Trans. Ind. Electron. 2006, 53, 363–372. [Google Scholar] [CrossRef]
- Yao, Z.; Lan, H.; He, X.; Deng, F.; Wang, C.; Lu, S.; Tang, Y. Nonlinear Inductor-Based Single Sensor Current Balancing Method for Interleaved DC–DC Converters. IEEE Trans. Power Electron. 2024, 39, 3996–4000. [Google Scholar] [CrossRef]
- Wang, Z.; Lu, K.; Blaabjerg, F. A Simple Startup Strategy Based on Current Regulation for Back-EMF-Based Sensorless Control of PMSM. IEEE Trans. Power Electron. 2012, 27, 3817–3825. [Google Scholar] [CrossRef]












| THD Metric | Without RLS | With RLS |
|---|---|---|
| THD of Current (Phase a) | ||
| THD of Back-EMF (-axis) |
Disclaimer/Publisher’s Note: The statements, opinions and data contained in all publications are solely those of the individual author(s) and contributor(s) and not of MDPI and/or the editor(s). MDPI and/or the editor(s) disclaim responsibility for any injury to people or property resulting from any ideas, methods, instructions or products referred to in the content. |
© 2025 by the authors. Licensee MDPI, Basel, Switzerland. This article is an open access article distributed under the terms and conditions of the Creative Commons Attribution (CC BY) license (https://creativecommons.org/licenses/by/4.0/).
Share and Cite
Zeghlache, A.; Djerioui, A.; Mekki, H.; Zeghlache, S.; Benkhoris, M.F. Robust Sensorless PMSM Control with Improved Back-EMF Observer and Adaptive Parameter Estimation. Electronics 2025, 14, 1238. https://doi.org/10.3390/electronics14071238
Zeghlache A, Djerioui A, Mekki H, Zeghlache S, Benkhoris MF. Robust Sensorless PMSM Control with Improved Back-EMF Observer and Adaptive Parameter Estimation. Electronics. 2025; 14(7):1238. https://doi.org/10.3390/electronics14071238
Chicago/Turabian StyleZeghlache, Ayyoub, Ali Djerioui, Hemza Mekki, Samir Zeghlache, and Mohamed Fouad Benkhoris. 2025. "Robust Sensorless PMSM Control with Improved Back-EMF Observer and Adaptive Parameter Estimation" Electronics 14, no. 7: 1238. https://doi.org/10.3390/electronics14071238
APA StyleZeghlache, A., Djerioui, A., Mekki, H., Zeghlache, S., & Benkhoris, M. F. (2025). Robust Sensorless PMSM Control with Improved Back-EMF Observer and Adaptive Parameter Estimation. Electronics, 14(7), 1238. https://doi.org/10.3390/electronics14071238

