Next Article in Journal
Spatiotemporal Estimation of the Potential Adoption of Photovoltaic Systems on Urban Residential Roofs
Previous Article in Journal
Mitigation of 1-Row Hammer in BCAT Structures Through Buried Oxide Integration and Investigation of Inter-Cell Disturbances
 
 
Font Type:
Arial Georgia Verdana
Font Size:
Aa Aa Aa
Line Spacing:
Column Width:
Background:
Article

A Low-Cost Data Acquisition System Design for Multifunctional Test Equipment in Electronics Laboratories

1
Department of Electrical-Electronics Engineering, Iskenderun Technical University, 31200 Hatay, Turkey
2
Department of Electrical and Electronics Engineering, Necmettin Erbakan University, 42090 Konya, Turkey
*
Author to whom correspondence should be addressed.
Electronics 2024, 13(24), 4937; https://doi.org/10.3390/electronics13244937
Submission received: 24 October 2024 / Revised: 6 December 2024 / Accepted: 8 December 2024 / Published: 14 December 2024
(This article belongs to the Section Circuit and Signal Processing)

Abstract

There are various commercially available multifunctional electronics laboratory test equipment on the market that integrates an oscilloscope, signal generator, and logic analyzer. The price point for all these devices typically exceeds USD 250. To lower this cost to around USD 100, the data acquisition components of these devices need to be re-evaluated. In this paper, we present the design of an analog front-end (AFE) for low-cost multifunctional laboratory equipment, mainly for electronics students. The primary objective was to meet student requirements while ensuring minimal cost, maximum functionality, and high robustness. Through our research, we optimized our AFE design to achieve these objectives effectively. Our approach addresses key limitations found in existing designs, as we developed four-stage attenuation and three-stage op-amp gain architecture. This arrangement optimizes signal clarity and achieves high bandwidth while maintaining a cost-effective framework suitable for educational applications. With this study, a 20 MHz bandwidth, ±40 V input voltage range, volt/div range from 5 mV to 10 V, and minimum amplitude resolution of 9.7 µV were achieved in the design of the analog front-end and data acquisition unit. The achieved bandwidth and linearity enable designed AFE to accommodate applications such as ultrasonic discrete TGC (Time Gain Compensation).

1. Introduction

Engineering education often lacks a clear consensus on laboratory objectives, despite their recognized importance. While there is agreement on the necessity of labs, there is little focus on defining specific goals to be achieved. Sometimes, the objectives of labs are not clearly articulated, and whether these objectives have been met is not critically assessed [1,2]. In electronics education, easily accessible, low-cost, and reliable test equipment that has proven its effectiveness could help establish a consensus-driven approach to electronics lab education [1].
One of the most important aspects of electronics education, in addition to theoretical education, is the integration of practical experimentation from the beginning of engineering education [2,3,4]. Incorporating hands-on experimentation into electronics education is crucial for nurturing a deep understanding of theoretical concepts among engineering students. Fundamental test equipment in electronics laboratories includes oscilloscopes, power supplies, multimeters, signal generators, and logic analyzers. These devices play a critical role in applying theoretical knowledge. However, many challenges come with conventional laboratory education, such as limited access to these primary devices due to restricted lab hours, limited test instruments, and high costs [5,6]. Moreover, many institutions now offer online education, and studies show that the success rates of remote and conventional laboratory education are mostly equal or slightly higher for remote labs [7,8,9,10].
In recent years, multifunctional laboratory equipment has begun to be widely used by students and educational institutions. These multifunctional commercially available test devices have gained traction in academic settings for their versatility and portability. These test devices can be adapted into different types of applications or test equipment due to their versatile nature. Numerous applications and various subjects can be explored using a multifunctional laboratory tool [11,12,13]. These instruments enable students to perform a wide range of experiments, including signal analysis, digital logic testing, signal generation, analog circuit testing, power electronics applications, control system analysis, and embedded system testing, making them important tools in both traditional and remote learning environments. However, the cost of these devices, typically exceeding USD 250, poses a barrier to widespread adoption, particularly in resource-constrained educational settings.
The COVID-19 pandemic further underscored the need for accessible, low-cost laboratory solutions as institutions worldwide transitioned to online education [14,15,16,17]. During this period, development boards were designed to allow electronics students to conduct hands-on experiments [18]. Remote and simulated laboratories have been shown to offer comparable learning outcomes to traditional hands-on labs, making them a viable alternative during times when physical access to campus facilities is restricted. Nonetheless, the high cost of existing multifunctional devices continues to limit their use, prompting the need for more affordable solutions that can deliver similar functionality without compromising educational quality.
To address the need for lower cost multifunctional test equipment, particularly in the USD 100 price range, commercially available products like the Product A were introduced [19]. This device was specifically targeted at the USD 100 price point and featured a 2-channel oscilloscope, logic analyzer, and signal generator. However, due to unresolved issues and negative feedback, the product was ultimately withdrawn from the market.
On the academic side, high-cost, high-bandwidth designs are available to enhance and further develop existing commercial products [20], while low-cost multifunctional test equipment design studies are being conducted to enable broader accessibility. Table 1 presents a comparison of three multifunctional test tools. It highlights key technical specifications and design features of low-cost multifunctional data acquisition systems. While these systems aim to enhance accessibility in electronics education laboratories, they differ significantly in their capabilities and design objectives. Each system offers unique features tailored to specific instructional needs, varying in aspects such as AFE (Analog front-end) performance, input/output channels, and cost-effectiveness.
VirtLab [21], in particular, stands out as a low-cost platform with notable limitations in its AFE design. Although its low sampling rates and limited precision are framed as opportunities for students to experience the impact of system limitations, these constraints may lead to confusion in instructional settings, especially when accurate signal representation is crucial. In contrast, other systems like OpenDAQ [22] and study [23] offer higher sampling rates, wider input voltage ranges, and more sophisticated gain control mechanisms.
Table 1 highlights design choices for low-cost platforms from various studies. For example, the analog input channel count is eight for OpenDAQ, 16 for [23], and two channels for VirtLab. The corresponding sampling rates are 20 kSps, 250 kSps, and 1 MSps, respectively. These variations require careful consideration to determine the most suitable configuration for electronics laboratories while maintaining the lowest possible cost. In our design, we prioritized achieving the highest possible bandwidth, the lowest amplitude resolution, and the widest input voltage range for the AFE. The rationale behind these choices is the versatility they provide, enabling the device to be adapted for other specific applications. The designed board allows this multifunctional test equipment to be repurposed for use in control labs, antenna labs, or sensor applications. For these reasons, our design aimed to encompass these ranges to maximize flexibility and utility.
Table 1. Features comparison in multifunctional data acquisition systems across studies.
Table 1. Features comparison in multifunctional data acquisition systems across studies.
FeatureOpenDAQ [22] (2014)[23] (2023)VirtLab [21] (2022)
Analog Input Channels8 channels16 channels2 Channels
Resolution16-bit14-bit12-bit
Input Voltage Range±12 V maximum input range±10 V0–2.048 V
Sampling RateUp to 20 kSpsUp to 250 kSpsUp to 1 MSps
ADCADS8321AD7942Internal ADCs in STM32L496 MCU,
Gain ControlPGA (INA826)PGA (AD8250)Unity Gain
AttenuatorInput voltage dividerAD8475, gain: 0.4 or 0.8RC attenuator network
Analog Output Channels1 channel 14 bitsNot supported2 DAC channels
Output Voltage Range±4 VNot applicableConfigurable using internal DAC channels
FPGANot includedICE40UP5KIntel Cyclone 10
PriceUSD 270Not explicitly stated in the documentApproximately USD 70

2. Analog Front-End (AFE) Design Requirements

Traditional oscilloscope data acquisition units consist of five main sections: attenuation, signal conditioning, amplification, digitizing, and processing, as illustrated in Figure 1. Each section of the block diagram can be implemented using various methods, depending on the specific requirements. When designing an AFE for a data acquisition system, key parameters such as input voltage range, bandwidth, coupling type, input impedance, power consumption, linearity, and SNR (signal to noise ratio) should be carefully considered. These parameters will influence the design of the AFE and the data acquisition stages. There are many design approaches tailored for specific needs. The attenuation stage typically consists of passive RC dividers. In the amplification block, high-bandwidth, high-gain VCAs (Voltage-Controlled Amplifiers) can be used; however, low-cost applications usually rely on operational amplifiers (op-amps). The data acquisition block may consist of discrete ADCs (Analog-to-Digital Converters), with FPGAs (Field-Programmable Gate Arrays) or MCUs (Microcontroller Units) featuring integrated ADCs being used to acquire digital data.

2.1. Attenuation Stage

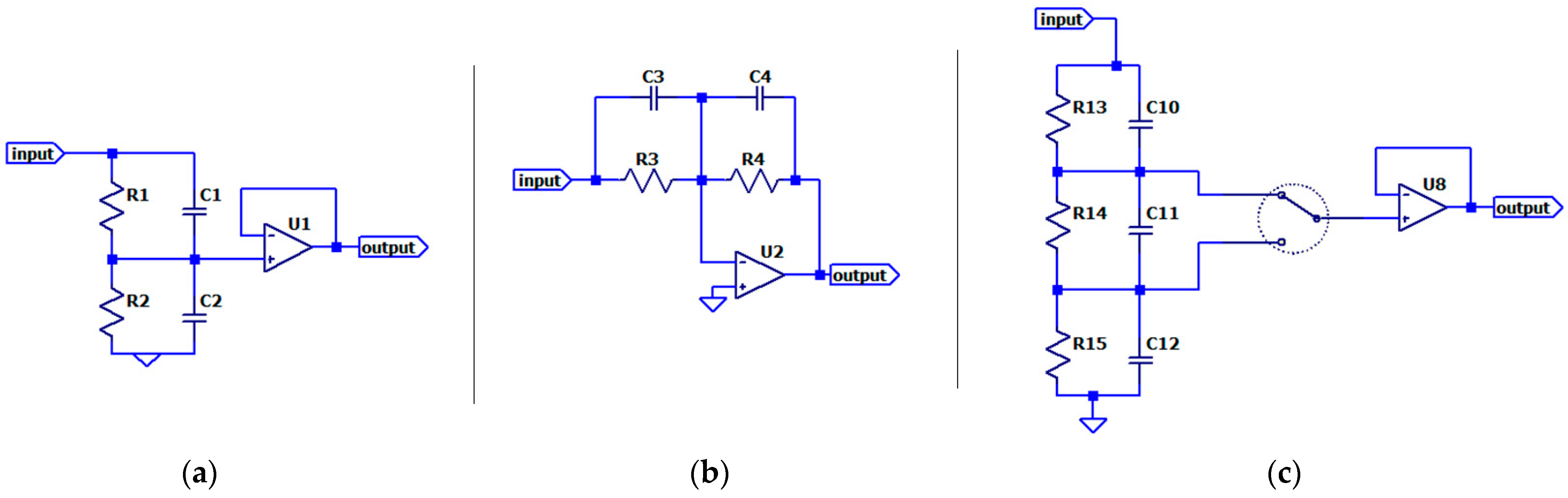
This stage directly affects the amplification stage, and parameters such as input voltage range and input impedance are crucial. These parameters must be carefully considered during the design process. The attenuation stage can be configured with one or more voltage divider options, as illustrated in Figure 2. All circuit schematics, including those in Figure 2, were drawn using LTspice version 17.1.15. When multiple attenuation options are used, signal switches are required, which can be implemented using either signal relays or analog multiplexers. However, analog multiplexers introduce input and output capacitance, and their on/off resistance affects the compensation of the attenuator block. While low on-resistance, low-drift, and low-input capacitance analog multiplexers are available, they tend to be costly. Additionally, each switch pin requires overvoltage protection, which further limits the input voltage range.
In contrast, signal relays have negligible input capacitance and do not require overvoltage protection across a wide input voltage range. Direct connection to the input signal is possible with signal relays. However, analog multiplexers cannot be used for direct connection to the input signal due to the necessity of input protection. Instead, analog multiplexers can be used, as shown in Figure 2c, where the R13 resistor and C10 capacitor separate the analog multiplexer from the input signal.
To reduce costs, the attenuation block can be simplified to a single-option divider. Single-option attenuator designs do not require switches, but this approach necessitates a high-gain amplification unit, which will result in a low SNR. If high bandwidth is required, the amplification unit cost increases noticeably.
Multifunctional lab equipment on the market and in academic research studies utilize different types of attenuation stages. Figure 2a,b shows examples from Virtlab [21] and Product A [19], respectively. In Figure 2c, the input signal is single-ended and applied to a two-option attenuator circuit. The differential version of Figure 2c is used in devices like the Product B [24] and Product C [25]. This differential approach prevents the active signal from shorting to the ground loop, which is especially important for student use, and offers better electromagnetic interference (EMI) suppression, resulting in improved noise tolerance.
Table 2 provides a comparison of multifunctional test equipment attenuator approaches based on several parameters. Figure 2a,b represents designs with only one voltage divider option, which limits the focus on the input signal and results in a low dynamic range. For low input signals, attenuation causes the signal to approach the noise floor, and the amplification stage subsequently amplifies both the noise and the signal. This simultaneous amplification of noise and signal degrades the overall signal quality, resulting in a significantly reduced SNR, which compromises the accuracy and reliability of the measurement. The required compensation for a single-stage voltage divider is easy to regulate, and the cost is minimized due to the absence of additional analog multiplexers or signal relays. Figure 2c, however, features two options, increasing the dynamic range and SNR but requiring more effort for compensation. The necessary switching also adds to the cost. The “This work” row in Table 2 represents the work from this paper, which will be explained in detail in the proposed design section.

2.2. Amplification Stage

The amplification stage is essential for scaling signals across different volt/div settings. Amplification can be achieved using either VCA units or op-amps as shown in Figure 3. VCAs offer high bandwidth, linear gain, and precise gain adjustments, but they are costly components. To reduce costs, single-ended or differential op-amps can be employed. However, when using low-cost op-amps, several critical specifications must be considered, including gain-bandwidth product, input bias current, input capacitance, and current consumption.
Input buffers, like those used in the attenuator stage, must exhibit low input bias current and low input capacitance. After attenuation, the gain-bandwidth product becomes the most crucial parameter. In single op-amp amplification, an increase in gain results in a reduction of bandwidth. For instance, if the input attenuation configuration in Figure 2a is employed and a single-stage op-amp is used for amplification, high gains will be required for lower scales, which will, in turn, reduce the bandwidth.

2.3. Data Acquisition Stage

The data acquisition stage can be implemented using discrete ADCs and FPGAs for high-speed, high-bandwidth applications. High-speed, high-resolution ADCs, when paired with FPGAs, can reduce the reliance on expensive amplification units. For example, using 14-bit high-speed ADCs with a high dynamic range reduces the need for high-gain amplifiers. This approach lowers the cost of the amplification stage but increases the cost of the digitizing unit significantly.
If the design does not require high sample rates, costs can be further reduced by using discrete low-sample-rate ADCs and MCUs. Another cost-effective option is to use MCUs with embedded ADCs. Commercially available MCUs with embedded ADCs capable of 10 MSps (mega samples per second) or higher provide a good balance between performance and cost.

3. Proposed Design

The main purpose of this work is to design the lowest cost, most functional, and robust oscilloscope AFE for multipurpose test instruments. To achieve the USD 100 price point, certain limitations must be implemented. Each oscilloscope AFE block must be carefully considered in conjunction with the others to achieve the most optimal design.
Table 3 presents a comparison of design approaches for several currently available multifunctional devices. Product A, which targets the same price range as this work, employs a single-stage attenuation, single op-amp amplification, and an MCU with an integrated ADC for data acquisition. However, one of the significant disadvantages of this approach, when using single-stage attenuation with low-cost single-stage amplification, is that bandwidth decreases as gain increases. Another drawback is the relatively low SNR. Our design aims to overcome these issues.
Product B and Product C, positioned in higher price bands, both utilize a two-option differential attenuation stage, single op-amp amplification, and discrete ADCs. These ADCs offer high resolution (>12 bits), which reduces the need for high-gain amplification stages. However, high-resolution discrete ADCs are costly. This work seeks to find an optimal solution that offers the highest input voltage range, highest bandwidth, lowest SNR, and lowest possible cost.
To address these challenges, our solution involves implementing a four-option attenuation stage. This approach increases the dynamic range and reduces the burden on the amplification stage. Additionally, using a three-stage cascaded op-amp configuration in the amplification stage enhances bandwidth and minimizes the need for high-resolution ADCs.

3.1. Proposed Attenuation Stage

This stage is the least expensive part of the design because it primarily consists of passive components. However, it has a direct impact on the gain stage; limited attenuation options increase the cost of the amplification stage. To address this, we propose using a four-option attenuation stage to reduce the need for high gain. While this design increases complexity due to the need for compensation, it offers significant benefits. Figure 4 illustrates the proposed attenuation stage, which consists of four different attenuation options: /1, /5, /20, and /100. These options are fed to U1 and U2 op-amps via a signal relay. The /1 option provides unity gain, which is beneficial for maintaining a good SNR for low-level signals. For low power consumption, latching relays with a double pole double throw (DPDT) structure are used. Cost-effective, commercially available H-bridge motor drivers were selected to drive these relays. To further reduce costs, two input buffer op-amps were used instead of an additional signal relay. An analog multiplexer switch is implemented to select which input buffer to use. Both the analog multiplexer and motor driver are digitally controlled via a shift register for each AFE. The gain corresponding to each switch state is provided in Table 4.

3.2. Proposed Amplification Stage

To achieve the lowest cost, op-amps are used instead of VCAs in the amplification stage. Table 4 presents the proposed design’s specifications for each V/div stage, including the maximum input voltage, attenuator state, required gain for ADC input (The maximum ADC input voltage set to 2 V), the gain for each amplification stage, and the calculated bandwidth. The term “V/div” refers to the voltage per division setting, which determines the input signal amplitude that corresponds to each vertical division on the oscilloscope display, allowing precise control over signal scaling and resolution.
Table 4 shows that from the 10 V to the 50 mV volt/division stages, three different voltage gains are required: 2.5, 5, and 6.25. For the 20 mV, 10 mV, and 5 mV stages, the required voltage gains are 12.5, 25, and 50, respectively. Achieving these gains with a single op-amp is challenging without sacrificing bandwidth, especially in the lower ranges. To address this issue, a multiple gain stage op-amp configuration is used as shown in Figure 5. This approach allows for the highest bandwidth to be achieved using low-cost op-amps.
The cascading op-amp gain formula, which is used to calculate the bandwidth values in Table 4, is determined as follows for an n-stage system [26]:
f c o u t = ( 1 f c 1 2 + 1 f c 2 2 +   1 f c n 2 ) 1 2

3.3. Produced AFE and Data Acquisition Unit

The produced and assembled PCB design is presented in Figure 6. The PCB has a compact form factor, with dimensions of 20 mm by 50 mm. Analog multiplexers are used for gain selection, while a signal relay is employed in the attenuation stage, both controlled by digital signals. A DC offset level can be added to the input signal using a PWM (Pulse Width Modulation) signal from the MCU combined with a low-pass filter.
This design can serve as part of a multifunctional test instrument or be integrated with any existing development board that includes an ADC, enhancing its data acquisition capabilities. Figure 6 shows the pinouts of the AFE, which can be easily controlled by GPIO (General purpose input output) pins, with the DC offset adjustable via a PWM signal. The required DC supply voltages are 5 V, 2.5 V, and −2.5 V. For ease of use, the board can also be modified to operate with a single 5 V supply by integrating ±2.5 V regulators into the AFE. This approach provides users with a highly sensitive and high-bandwidth AFE suitable for various industrial applications. It can be easily used with platforms like Arduino, Raspberry Pi Pico, or other microcontroller development boards, facilitating a wide range of applications. Such a low-cost, high-frequency data acquisition system is increasingly valuable for industrial applications requiring reliable and efficient signal processing solutions [27,28].
Figure 7 shows the complete low-cost multifunctional test instrument, which includes a 4-channel oscilloscope, 2-channel signal generator, 16-channel logic analyzer, internal power regulators, and an adjustable external power supply. The MCU serves as the main data acquisition unit with an integrated ADC to achieve low-cost implementation. As illustrated in Figure 7, the AFE outputs are connected directly to the MCU. The ADC requires an input voltage range of 0–2 V and supports a maximum resolution of 12 bits. By reducing the resolution to 8 bits, a conversion rate of 17 MSps is achieved. The internal buffer provides 256 KB of RAM, with 128 KB allocated across the four AFE channels; however, if the logic analyzer is used simultaneously, the maximum buffer length per channel is limited to 64 KB. Triggering is managed by a comparator and an input capture module of the MCU.

4. Test Results

The test setup is shown in Figure 8. Frequency response measurements were conducted using a Rohde & Schwarz ZVL 6 GHz vector network analyzer (VNA) (Munich, Germany), which operates between 10 kHz and 6 GHz. To accurately measure the frequency response of the op-amp, an active probe was required, as the output impedance of the op-amp varies with frequency. Calibration was first performed with the active probes before commencing the measurements.

4.1. Frequency Response Measurements

The frequency response test results are shown in Figure 9. Each op-amp used in these measurements has a gain bandwidth product of over 100 MHz and a price point of USD 1.20. Figure 9 demonstrates that all the V/div sections maintain a bandwidth of over 10 MHz, with a high degree of linearity in the frequency response. The effects of the design choices are evident in this graph. From 10 V to 5 mV, the system achieves a high dynamic range. This is accomplished with the inclusion of a four-stage attenuation system. Additionally, high-gain sections, such as the 20 mV stage, maintain over 20 MHz of bandwidth, thanks to the use of a three-stage amplification design.
In Figure 10, the frequency response in the 200 mV range is shown for four different power levels: −10 dBm (0.2 Vpp), 0 dBm (0.63 Vpp), 5 dBm (1.12 Vpp), and 8 dBm (1.58 Vpp). The 200 mV range corresponds to a voltage gain of 6.25. The linearity of the frequency response is maintained across all power ranges within 0.3 dB up to 5 MHz.
Figure 11 shows the frequency response of low-cost, low-bandwidth op-amps. These op-amps are priced at USD 0.25 and have a bandwidth of 5 MHz. The main goal of using these op-amps is to reduce costs while achieving a good frequency response for all stages operating below the 2 MHz range.

4.2. Rise Time Measurements

Figure 12 presents the rise time measurement results, showing an input signal rise time of 8 ns and an AFE output rise time of 16 ns.
Measurements were performed using x10 probe attenuation, as oscilloscope probes have higher bandwidths in the x10 attenuation mode, which allows more accurate high-speed measurements. The input signal peak-to-peak voltage (Vpp) is 530 mV, while the output Vpp is 1.32 V, giving the AFE a voltage gain of 2.5. These values are favorable for an oscilloscope AFE design, indicating a fast response time, essential for accurately capturing rapid signal changes. An 8 ns rise time for the input signal suggests that the AFE can effectively handle high-frequency signals, while the 16 ns rise time at the output demonstrates that the AFE maintains good performance, preserving signal integrity. Additionally, Figure 12 illustrates the AFE propagation delay, measured at 16 ns.

4.3. Noise Measurements

The amplification design consists of cascaded op-amps, which increases the bandwidth and also introduces noise at each stage, thereby reducing the SNR. The total noise figure for multistage amplification can be calculated using Friis formula:
F T o t a l = F 1 + F 2 1 G 1 + F 3 1 G 1 G 2 + + F N 1 G 1 G 2 G N 1
In Friis formula, F T o t a l represents the total noise figure of the system, which is primarily influenced by F 1 , the noise figure of the first stage. Therefore, selecting a high-gain, low-noise amplifier for the first stage provides the best noise performance. To lower the overall noise figure, the required gain should be minimized. The four-option attenuation stage reduces the gain required at the amplification stage. For the first 8, V/div stages in Table 3, the maximum required gain is 6.25, and this increases to 12.5, 25, and 50 for higher stages. At these higher stages, the gain in the first amplification stage is increased to optimize the noise figure.
The /1 attenuation option is an additional advantage in this AFE design, particularly for low-level signals. Without additional division, the signal stays further from the noise floor, ensuring a better SNR.
Figure 13 shows the spectrum analyzer measurement setup. A 10 MHz, 0 dBm signal is applied to the input of the AFE, and the AFE output is connected to the spectrum analyzer input, which is set with a 10 dB attenuation. The spectrum analyzer is centered at 10 MHz with a resolution bandwidth (RBW) of 500 kHz. The AFE input impedance is adjusted to 50 ohms. The AFE gain is set to 1/40, with a V/div scale of 10 V. The noise floor is measured at −80.5 dBm, and the 10 MHz signal power is measured at −37.5 dBm.
Figure 14a shows the same setup, with the only difference being that the AFE’s V/div setting is adjusted to 5 mV scale, which has the maximum gain of 50. Under this configuration, the noise floor rises to −65.5 dBm. To capture the full range of the signal, Figure 14b presents the AFE at a /1 attenuation and a gain of 2.5 V/V. In this setup, a 40 dB input attenuation on the spectrum analyzer is necessary to fit the signal within the analyzer’s range.

4.4. Input Signal Compensation Method

As previously mentioned, achieving compensation for a 4-option attenuation stage is challenging. Compensation capacitors Ca, Cb, and Cc have been added to the design, as shown in Figure 4. While trimmer capacitors could address the compensation issues, they would increase the design cost. Instead, a software-assisted compensation method was implemented. After calculating the required capacitances, specific ceramic capacitors can be added to Ca, Cb, and Cc locations to correct the attenuation ratios.
For the /5 divider option, the following relationship should hold:
R 4 C 4 = R 5 C 5
Deviations from this relationship indicate compensation errors:
  • If R 4 C 4 > R 5 C 5 , overcompensation occurs;
  • If R 4 C 4 < R 5 C 5 , under compensation occurs [29].
Figure 15 illustrates an uncompensated divider on the PC interface. The required compensation value can be calculated using the following formula:
C a = V m a x ,   O v e r s h o o t     V m i n ,   U n d e r s h o o t V m a x ,   S e t t l e d     V m i n ,   S e t t l e d C 5
Figure 15a shows the uncompensated signal, with the calculated value of the required capacitance and Ca displayed on the PC interface. Figure 15b illustrates the correctly compensated signal after the necessary capacitance has been added.

4.5. TGC Application

TGC (Time Gain Compensation) is a critical concept in ultrasound technology, used to amplify attenuated signals either continuously or in discrete steps [30]. In our AFE design, instead of utilizing a shift register, the analog switches can be directly controlled via the MCU. This approach enables precise 40 dB gain scaling with 200 ns gain steps, covering V/div ranges from 5 mV to 500 mV.
The linearity of the bandwidth across each V/div scale ensures precise gain amplification, making the design suitable for ultrasonic Non-Destructive Testing (NDT) applications. The system operates effectively within the 1–20 MHz bandwidth commonly used for such applications, aligning with the requirements of ultrasonic signal processing.
Figure 16 presents test results for 1, 5, and 10 MHz input signals. Discrete gain adjustments were applied at 2 µs intervals with a minimum step interval of 200 ns. The results demonstrate smooth transitions between gain levels without distortion, and the gain values remained consistent throughout the test, validating the system’s performance and suitability for discrete TGC applications in ultrasonic imaging and NDT.
The designed AFE has a minimum V/div range capable of handling a 40 mV input signal. With a 12-bit data acquisition unit, the minimum detectable amplitude resolution is calculated to be 9.7 µV.

5. Conclusions

This study presented the development of low-cost, multifunctional test equipment, featuring a designed analog front-end (AFE) and a data acquisition unit specifically tailored for electronics education. To achieve a cost-effective and high-bandwidth AFE design, a 4-option attenuation stage was integrated with three cascaded op-amps for signal amplification.
Test results show that the designed AFE achieves a −3 dB bandwidth extending to 20 MHz, a 0.3 dB flatness up to 5 MHz across all power levels, an amplitude resolution of 9.7 µV, a rise time of 16 ns, and a wide dynamic range. These specifications exceed those of comparable designs, including VirtLab, study [23], OpenDAQ, and Product A. Furthermore, the results confirm the design’s suitability for high-frequency applications such as Time Gain Compensation (TGC).
In addition to its technical performance, the designed AFE is highly cost-effective, with a total production cost of below USD 10. Future studies could focus on improving noise immunity, further optimizing power consumption, and expanding the device’s functionality to support a broader range of applications. These enhancements would increase the versatility and accessibility of this multifunctional test equipment for educational purposes.

Author Contributions

Conceptualization, A.A.; Methodology, A.A.; Resources, A.A.; Supervision, E.Ü. and O.A.; Validation, E.Ü.; Writing—original draft, A.A.; Writing—review and editing, E.Ü. and O.A. All authors have read and agreed to the published version of the manuscript.

Funding

This research received no external funding.

Data Availability Statement

The original contributions presented in the study are included in the article, further inquiries can be directed to the corresponding author.

Conflicts of Interest

The authors declare no conflicts of interest.

References

  1. Feisel, L.D.; Rosa, A.J. The role of the laboratory in undergraduate engineering education. J. Eng. Educ. 2005, 94, 121–130. [Google Scholar] [CrossRef]
  2. Hofstein, A. The role of laboratory in science teaching and learning. Sci. Educ. 2017, 355–368. [Google Scholar] [CrossRef]
  3. Singh, G.; Mantri, A.; Sharma, O.; Dutta, R.; Kaur, R. Evaluating the impact of the augmented reality learning environment on electronics laboratory skills of engineering students. Comput. Appl. Eng. Educ. 2019, 27, 1361–1375. [Google Scholar] [CrossRef]
  4. Rivera-Reyes, P.; Lawanto, O.; Pate, M.L. Students’ task interpretation and conceptual understanding in an electronics laboratory. IEEE Trans. Educ. 2017, 60, 265–272. [Google Scholar] [CrossRef]
  5. Kudesia, A.A.; Kiasaleh, K.; Overzet, L.; Nikoubin, T. Comparative Analysis of different Lab-At-Home equipment. In Proceedings of the 2022 IEEE 15th Dallas Circuit and System Conference (DCAS), Dallas, TX, USA, 17–19 June 2022; pp. 1–6. [Google Scholar]
  6. O’Mahony, T.; Hill, M.; Duffy, A.; Murray, M.; Onet, R.; Neag, M.; de la Torre Cubillo, L.; Zhou, D. A take home laboratory to support teaching electronics: Instructors perspectives and technical revisions. J. Teach. Eng. 2024, 3, 15–29. [Google Scholar] [CrossRef]
  7. Brinson, J.R. Learning outcome achievement in non-traditional (virtual and remote) versus traditional (hands-on) laboratories: A review of the empirical research. Comput. Educ. 2015, 87, 218–237. [Google Scholar] [CrossRef]
  8. Viegas, C.; Pavani, A.; Lima, N.; Marques, A.; Pozzo, I.; Dobboletta, E.; Atencia, V.; Barreto, D.; Calliari, F.; Fidalgo, A.; et al. Impact of a remote lab on teaching practices and student learning. Comput. Educ. 2018, 126, 201–216. [Google Scholar] [CrossRef]
  9. Alkhaldi, T.; Pranata, I.; Athauda, R.I. A review of contemporary virtual and remote laboratory implementations: Observations and findings. J. Comput. Educ. 2016, 3, 329–351. [Google Scholar] [CrossRef]
  10. Alves, G.R.; Fidalgo, A.; Marques, A.; Viegas, C.; Felgueiras, M.C.; Costa, R.; Lima, N.; Castro, M.; Díaz-Orueta, G.; Ruiz, E.S.C.; et al. Spreading remote lab usage a system—A community—A Federation. In Proceedings of the 2016 2nd International Conference of the Portuguese Society for Engineering Education (CISPEE), Vila Real, Portugal, 20–21 October 2016; pp. 1–7. [Google Scholar]
  11. Tran, L.Q.; Radcliffe, P.J.; Wang, L. A low budget take-home control engineering laboratory for undergraduate. Int. J. Electr. Eng. Educ. 2022, 59, 158–175. [Google Scholar] [CrossRef]
  12. Sotelo, D.; Sotelo, C.; Ramirez-Mendoza, R.A.; López-Guajardo, E.A.; Navarro-Duran, D.; Niño-Juárez, E.; Vargas-Martinez, A. Lab-Tec@ Home: A cost-effective kit for online control engineering education. Electronics 2022, 11, 907. [Google Scholar] [CrossRef]
  13. Wang, S.; Zhang, F.; Tang, Q.; Zhang, X.; Zhao, R. A take-home motor control teaching experiment platform for control engineering-related courses. IEEE Trans. Educ. 2021, 65, 115–123. [Google Scholar] [CrossRef]
  14. Zaghloul, M.A.; Hassan, A.M.; Dallal, A. A survey-based study of students’ perspectives on remote electronics and electronics lab courses during COVID-19 pandemic. In Proceedings of the 2021 IEEE Frontiers in Education Conference (FIE), Lincoln, NE, USA, 13–16 October 2021; pp. 1–4. [Google Scholar]
  15. Valencia de Almeida, F.; Hayashi, V.T.; Arakaki, R.; Midorikawa, E.; Canovas, S.D.M.; Cugnasca, P.S.; Corrêa, P.L.P. Teaching digital electronics during the COVID-19 pandemic via a remote lab. Sensors 2022, 22, 6944. [Google Scholar] [CrossRef] [PubMed]
  16. Devaji, J.P.; Achari, P.V.; Hiremath, S.B.; Revankar, S.G.; Iyer, N.C.; Hangal, R.V. A hybrid model for the undergraduate laboratory course in analog electronics amid the COVID-19 pandemic challenges. In Proceedings of the 2021 World Engineering Education Forum/Global Engineering Deans Council (WEEF/GEDC), Madrid, Spain, 15–18 November 2021; pp. 291–296. [Google Scholar]
  17. Svatos, J.; Holub, J.; Fischer, J.; Sobotka, J. Online teaching of practical classes under the Covid-19 restrictions. Meas. Sens. 2022, 22, 100378. [Google Scholar] [CrossRef] [PubMed]
  18. Antonescu, A.M.; Dumitru, F.S.; Enachescu, M. A Low-Cost ADALM2000 Hybrid Learning Platform for the Analog Integrated Circuits Curricula. In Proceedings of the 2024 IEEE Global Engineering Education Conference (EDUCON), Kos Island, Greece, 8–11 May 2024; pp. 1–7. [Google Scholar]
  19. Digilent Reference, Manual of OpenScope MZ. Available online: https://digilent.com/reference/test-and-measurement/openscope-mz/reference-manual (accessed on 1 December 2024).
  20. Huang, W.; Chen, A.; Pan, Z.; Zhang, S.; Yang, K.; Qiu, D.; Ye, P.; Tian, S.; Wang, H. Design of portable high-speed oscilloscope analyzer for multifunctional integrated signal testing. Measurement 2023, 209, 112490. [Google Scholar] [CrossRef]
  21. Roch, M.R.; Martina, M. VirtLAB: A low-cost platform for electronics lab experiments. Sensors 2022, 22, 4840. [Google Scholar] [CrossRef] [PubMed]
  22. Martín, F.F.; Llopis, M.V.; Rodríguez, J.C.; González, J.B.; Blanco, J.M. Low-cost open-source multifunction data acquisition system for accurate measurements. Measurement 2014, 55, 265–271. [Google Scholar] [CrossRef]
  23. Glowinski, S.; Pecolt, S.; Błażejewski, A.; Sobieraj, M. Design of a Low-Cost Measurement Module for the Acquisition of Analogue Voltage Signals. Electronics 2023, 12, 610. [Google Scholar] [CrossRef]
  24. Analog Discovery 2 Reference Manual, Digilent. Available online: https://digilent.com/reference/test-and-measurement/analog-discovery-2/hardware-design-guide (accessed on 10 November 2024).
  25. Red Pitaya Board Schematics (Red Pitaya STEM 125-10 V1.0) STEM-LAB. Available online: https://downloads.redpitaya.com/doc/Red_Pitaya_Schematics_STEM_125-10_V1.0.pdf (accessed on 10 November 2024).
  26. Cascading Precision Op Amp Stages for Optimal AC and DC Performance. Texas Instruments. Available online: https://www.ti.com/lit/an/sboa340/sboa356.pdf (accessed on 1 December 2024).
  27. González, A.; Olazagoitia, J.L.; Vinolas, J. A low-cost data acquisition system for automobile dynamics applications. Sensors 2018, 18, 366. [Google Scholar] [CrossRef] [PubMed]
  28. Soto-Ocampo, C.R.; Mera, J.M.; Cano-Moreno, J.D.; Garcia-Bernardo, J.L. Low-cost, high-frequency, data acquisition system for condition monitoring of rotating machinery through vibration analysis-case study. Sensors 2020, 20, 3493. [Google Scholar] [CrossRef] [PubMed]
  29. ADALM1000 SMU Training Topic 11: Frequency Compensated Voltage Dividers. Available online: https://www.analog.com/en/resources/analog-dialogue/studentzone/studentzone-november-2018.html (accessed on 10 November 2024).
  30. Yu, X.; Wang, Y.; Ye, F.; Ren, J. Low-Noise Low-Power Ultrasound AFE With Continuous TGC Built in Both TIA and Beamformer. IEEE Trans. Biomed. Circuits Syst. 2023, 17, 1062–1073. [Google Scholar] [CrossRef] [PubMed]
Figure 1. Digital storage oscilloscope (DSO) data acquisition block diagram.
Figure 1. Digital storage oscilloscope (DSO) data acquisition block diagram.
Electronics 13 04937 g001
Figure 2. Various attenuation schemes. (a) Single-option attenuation with a non-inverting buffer [21] (b) Single-option attenuation with an inverting buffer [19] (c) Two-option attenuation with a non-inverting buffer.
Figure 2. Various attenuation schemes. (a) Single-option attenuation with a non-inverting buffer [21] (b) Single-option attenuation with an inverting buffer [19] (c) Two-option attenuation with a non-inverting buffer.
Electronics 13 04937 g002
Figure 3. Amplification methods. (a) Low-cost single op-amp amplification. (b) Variable gain amplification IC’s.
Figure 3. Amplification methods. (a) Low-cost single op-amp amplification. (b) Variable gain amplification IC’s.
Electronics 13 04937 g003
Figure 4. Proposed attenuation structure.
Figure 4. Proposed attenuation structure.
Electronics 13 04937 g004
Figure 5. Proposed amplification stage block diagram.
Figure 5. Proposed amplification stage block diagram.
Electronics 13 04937 g005
Figure 6. PCB, blocks, and pinouts of proposed AFE design.
Figure 6. PCB, blocks, and pinouts of proposed AFE design.
Electronics 13 04937 g006
Figure 7. Designed multifunctional test instrument.
Figure 7. Designed multifunctional test instrument.
Electronics 13 04937 g007
Figure 8. Test setup of designed AFE for frequency response and rise time measurement.
Figure 8. Test setup of designed AFE for frequency response and rise time measurement.
Electronics 13 04937 g008
Figure 9. Frequency response for all the volt/division ranges with a high-cost, high-bandwidth op-amp.
Figure 9. Frequency response for all the volt/division ranges with a high-cost, high-bandwidth op-amp.
Electronics 13 04937 g009
Figure 10. Frequency response for 200 mV volt/division ranges with a 2 dB magnitude scale.
Figure 10. Frequency response for 200 mV volt/division ranges with a 2 dB magnitude scale.
Electronics 13 04937 g010
Figure 11. Frequency response for all the volt/division ranges with a low-cost, low-bandwidth op-amp.
Figure 11. Frequency response for all the volt/division ranges with a low-cost, low-bandwidth op-amp.
Electronics 13 04937 g011
Figure 12. Rise time measurements of the designed AFE, where CH2 represents the input to the AFE and CH1 represents the output.
Figure 12. Rise time measurements of the designed AFE, where CH2 represents the input to the AFE and CH1 represents the output.
Electronics 13 04937 g012
Figure 13. Frequency spectrum measurement with 10 dB input attenuation setting on spectrum analyzer.
Figure 13. Frequency spectrum measurement with 10 dB input attenuation setting on spectrum analyzer.
Electronics 13 04937 g013
Figure 14. Frequency spectrum measurement for different gain stages (a) V/div 5 mV scale, AFE /1 attenuation and 50 V/V highest gain. (b) V/div 100 mV scale, AFE /1 attenuation and 2.5 V/V gain.
Figure 14. Frequency spectrum measurement for different gain stages (a) V/div 5 mV scale, AFE /1 attenuation and 50 V/V highest gain. (b) V/div 100 mV scale, AFE /1 attenuation and 2.5 V/V gain.
Electronics 13 04937 g014
Figure 15. Overcompensation correction. (a) Overcompensated square wave (b) After adding calculated Ca capacitance.
Figure 15. Overcompensation correction. (a) Overcompensated square wave (b) After adding calculated Ca capacitance.
Electronics 13 04937 g015
Figure 16. TGC application test results (a) 1 MHz input 2 µs gain steps. (b) 5 MHz input 2 µs gain steps. (c) 10 MHz input 2 µs gain steps. (d) 10 MHz input 200 ns gain steps.
Figure 16. TGC application test results (a) 1 MHz input 2 µs gain steps. (b) 5 MHz input 2 µs gain steps. (c) 10 MHz input 2 µs gain steps. (d) 10 MHz input 200 ns gain steps.
Electronics 13 04937 g016
Table 2. Specifications of attenuation blocks in multifunctional test equipment.
Table 2. Specifications of attenuation blocks in multifunctional test equipment.
AttenuatorDynamic RangeCompensationMinimum Amplitude ResolutionCost
Figure 2a,bLowEasyLowLow
Figure 2cModerateModerateModerateModerate
This workHighDifficultHighModerate
Table 3. Comparison of different data acquisition types and applications.
Table 3. Comparison of different data acquisition types and applications.
Product A [19]Product B [24]Product C [25]This Work
Sample Rate6.5 MSps100 MSps125 MSps17 MSps
Resolution12 Bit14 Bit14 Bit10 Bit
Bandwidth2 MHz30 MHz60 MHz20 MHz
Voltage Range±20 V±25 V±20 V±40 V
Attenuator1 option2 options2 options4 options
Amplification Single op-ampSingle op-ampunspecified3 cascaded op-amps
Data acquisitionMCU with integrated ADCDiscrete ADC, FPGADiscrete ADC, FPGAMCU with integrated ADC
Price band~USD 100~USD 370~USD 350~USD 100
Table 4. Configuration and performance specifications of each V/div stage in the AFE design.
Table 4. Configuration and performance specifications of each V/div stage in the AFE design.
V/div ScaleMax. Input VppAttenuatorSwitch States Relay-MuxAttenuator OutAmplification StagesTotal Gain (V/V)BW
123Total (V/V)
10 V80 V1/1000-00.8 V1.251.61.252.51/4022 MHz
5 V40 V1/1000-00.4 V1.251.62.551/2018 MHz
2 V16 V1/200-10.8 V1.251.61.252.51/822 MHz
1 V8 V1/200-10.4 V1.251.62.551/418 MHz
500 mV4 V1/51-00.8 V1.251.61.252.51/222 MHz
200 mV1.6 V1/51-00.32 V1.251.63.1256.251.2517 MHz
100 mV0.8 V1/11-10.8 V1.251.61.252.52.522 MHz
50 mV0.4 V1/11-10.4 V1.251.62.55518 MHz
20 mV160 mV1/11-1160 mV1.253.1253.12512.512.514 MHz
10 mV80 mV1/11-180 mV3.1253.1252.5252513 MHz
5 mV40 mV1/11-140 mV3.1253.125550507 MHz
Disclaimer/Publisher’s Note: The statements, opinions and data contained in all publications are solely those of the individual author(s) and contributor(s) and not of MDPI and/or the editor(s). MDPI and/or the editor(s) disclaim responsibility for any injury to people or property resulting from any ideas, methods, instructions or products referred to in the content.

Share and Cite

MDPI and ACS Style

Atcı, A.; Ünal, E.; Akgöl, O. A Low-Cost Data Acquisition System Design for Multifunctional Test Equipment in Electronics Laboratories. Electronics 2024, 13, 4937. https://doi.org/10.3390/electronics13244937

AMA Style

Atcı A, Ünal E, Akgöl O. A Low-Cost Data Acquisition System Design for Multifunctional Test Equipment in Electronics Laboratories. Electronics. 2024; 13(24):4937. https://doi.org/10.3390/electronics13244937

Chicago/Turabian Style

Atcı, Ahmet, Emin Ünal, and Oğuzhan Akgöl. 2024. "A Low-Cost Data Acquisition System Design for Multifunctional Test Equipment in Electronics Laboratories" Electronics 13, no. 24: 4937. https://doi.org/10.3390/electronics13244937

APA Style

Atcı, A., Ünal, E., & Akgöl, O. (2024). A Low-Cost Data Acquisition System Design for Multifunctional Test Equipment in Electronics Laboratories. Electronics, 13(24), 4937. https://doi.org/10.3390/electronics13244937

Note that from the first issue of 2016, this journal uses article numbers instead of page numbers. See further details here.

Article Metrics

Back to TopTop