Design and Performance Analysis of a SPECK-Based Lightweight Hash Function
Abstract
1. Introduction
- A new hash construction design is proposed.
- A new hash algorithm (LwHash) is developed using the proposed construction design with the counter encryption mode and the SPECK algorithm.
- Performance evaluation and security tests of the developed hash algorithm were performed and compared with the algorithms in the literature. It has been demonstrated that the proposed solution meets the required security standards and has demonstrated better performance than other studies.
- A statistical analysis and cryptanalysis of the lightweight-based hash function have been conducted.
2. Background
2.1. Lightweight Algorithms
2.2. Hash Functions
2.3. Lightweight Hash Functions
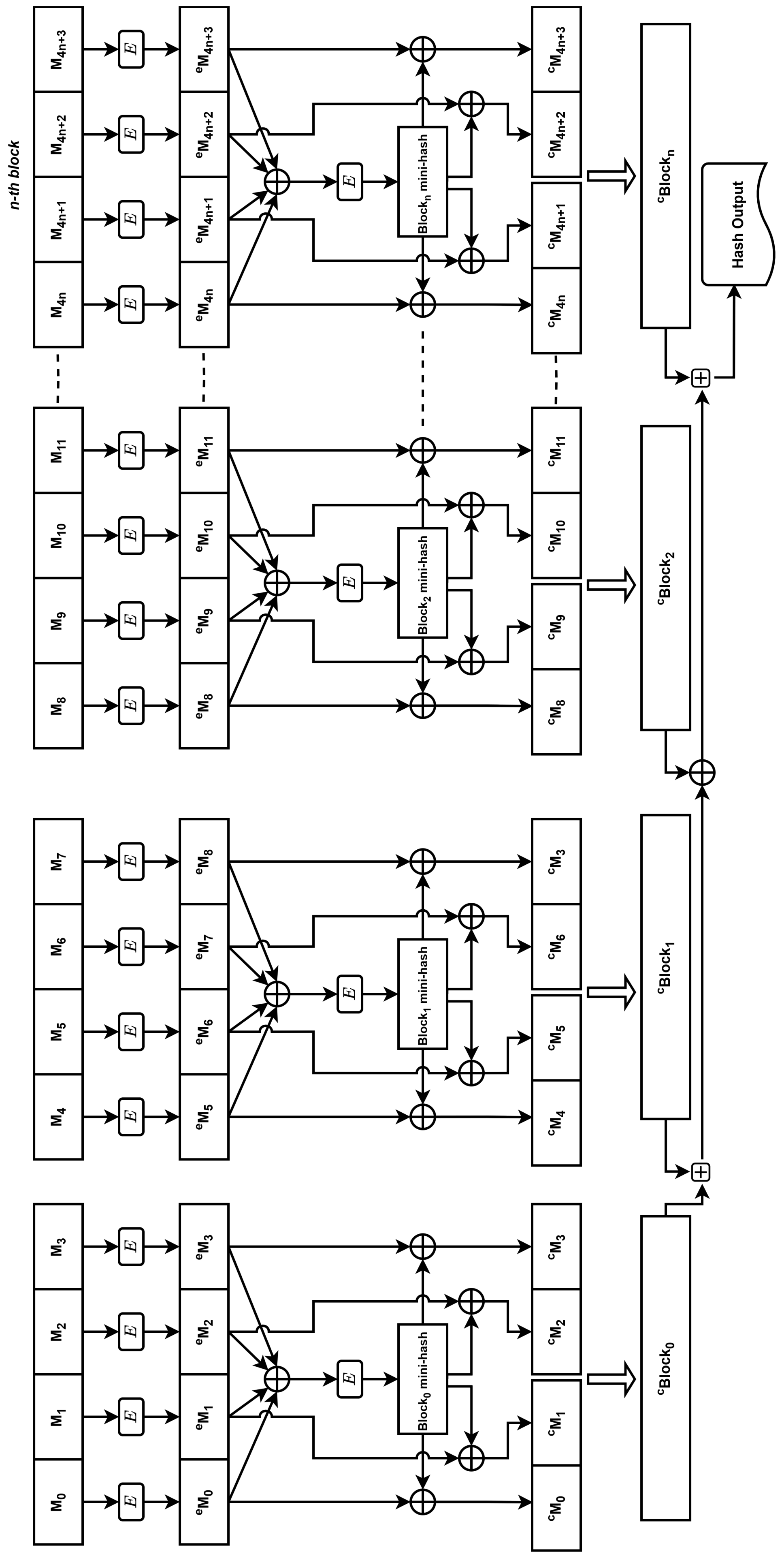
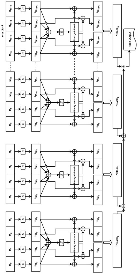
3. Proposed Lightweight Hash Algorithm
| Algorithm 1 Padding Technique |
| Algorithm 2 LwHash Function |
|
4. Security and Performance Analysis
4.1. Sensitivity of Hash Value
- Condition 1: The original text message is as follows: “It is clear and self-evident that aims, purposes, instances of wisdom, and benefits can only be followed through choice, will, intention, and volition, not in any other way”. (as cited in [67]).
- Condition 2: The first character I is replaced with A in the original text message.
- Condition 3: The word “wisdom” is replaced with “visdom” in the original text message.
- Condition 4: The letter f in “followed” is written as “Followed” in capital letters.
- Condition 5: The extra character number “1” is added to the end of the original text message.
- Condition 6: The dot “.” at the end of the message is replaced with a semicolon ”;”
- Condition 1: 4E0F4D7A83EB45F7BDAEC9EC8C91289CDBC7FD9F2CA046CA0021BCBBC017B3FE
- Condition 2: 07247FBFDCF3A854418EEB922FE200451E30FE6798ED6795740DC6024DA9A7DF
- Condition 3: 79D7C7776823DA716DE9D4BC5AB07261EB3CF747A083DF2C81B4FB6BA41F8E1A
- Condition 4: 2C4B14B5F139F612E6DC34D4D4F5DBDF2DFB1B5B248D4CCBA8329AD91982D6C3
- Condition 5: AC86C653F8D9DFDE1EB38F4BFB04A0BECA5DED89BD81F475A29A88011076A9A0
- Condition 6: A08B75F9ED0A00C5B76BB6289AEEB8CD364A3E1FF1B214A0FAC2789283F72291
4.2. Statistic Analysis of LwHash
4.3. Distribution of Hash Values
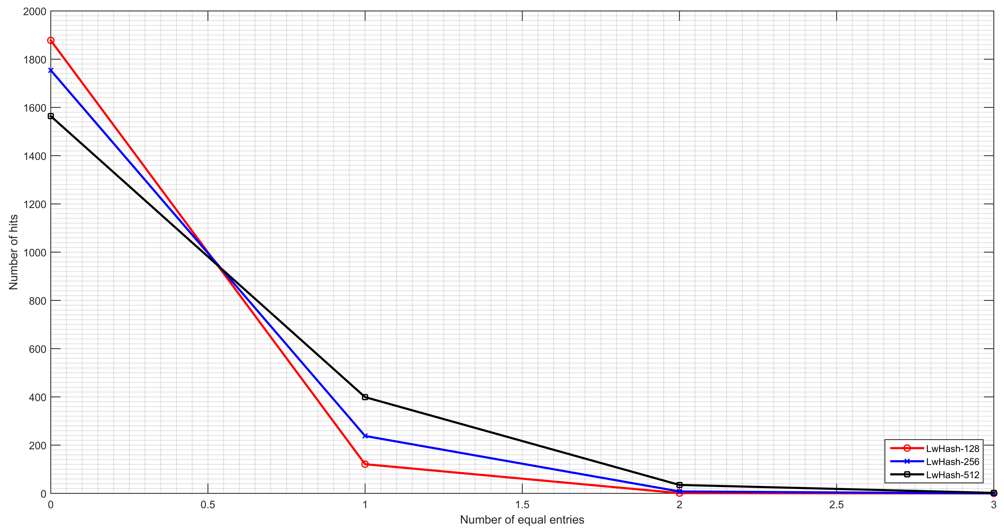
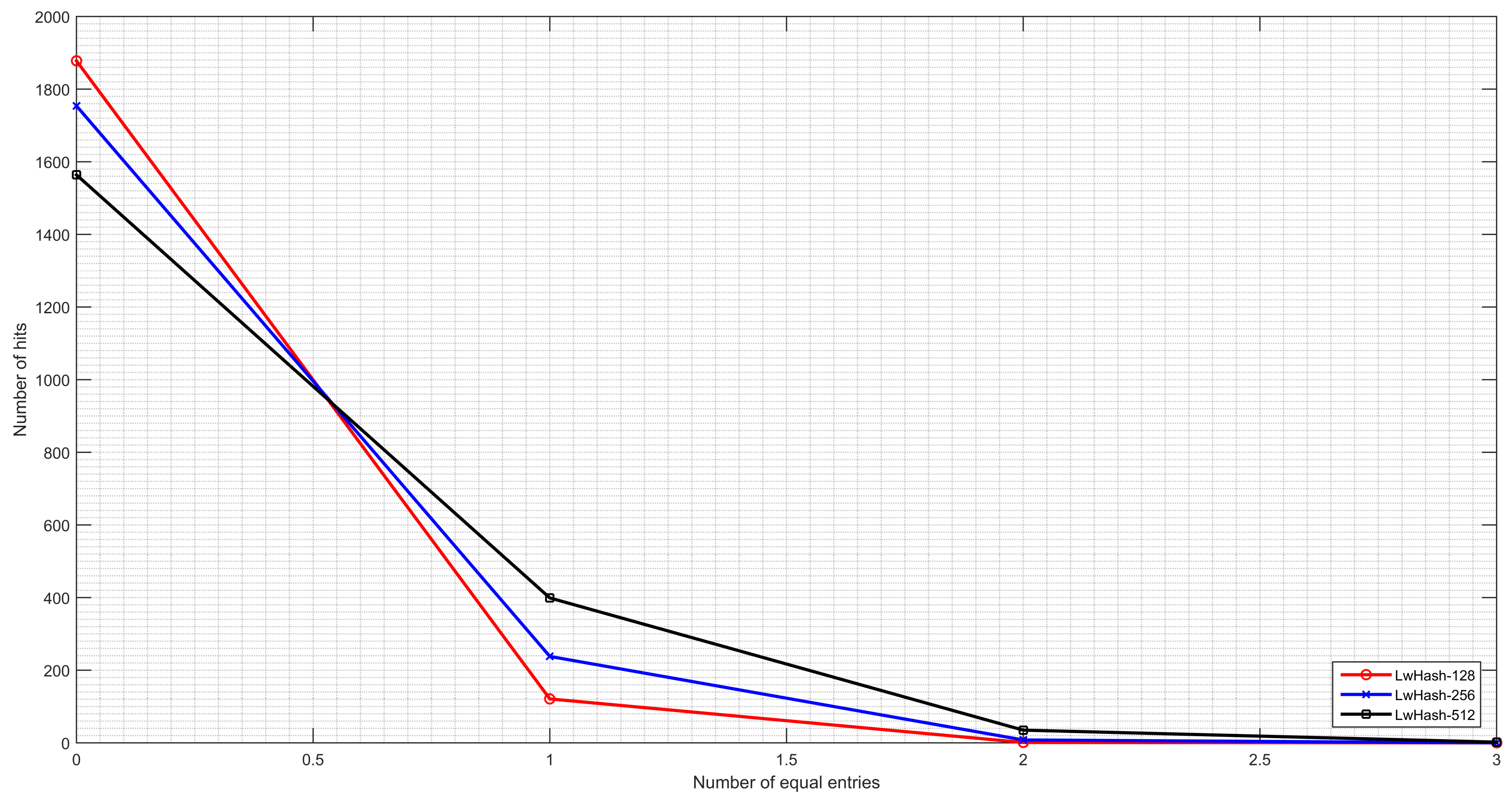
4.4. Collision Resistance
4.5. Cryptanalysis
4.5.1. Collision Resistance Attack (Birthday Attack)
4.5.2. Pre-Image and Second Pre-Image Attacks
4.5.3. Exhaustive Key Search Attack
4.6. Efficiency Analysis
5. Conclusions and Outlook
Author Contributions
Funding
Data Availability Statement
Conflicts of Interest
References
- Rogaway, P.; Shrimpton, T. Cryptographic hash-function basics: Definitions, implications, and separations for preimage resistance, second-preimage resistance, and collision resistance. In Proceedings of the Fast Software Encryption: 11th International Workshop, FSE 2004, Delhi, India, 5–7 February 2004; Revised Papers 11. Springer: Berlin/Heidelberg, Germany, 2004; pp. 371–388. [Google Scholar]
- Radack, S. Itl Bulletin for May 2012 Secure Hash Standard: Updated Specifications Approved and Issued as Federal Information Processing Standard (FIPS) 180–184. Available online: https://csrc.nist.gov/files/pubs/shared/itlb/itlbul2012-05.pdf (accessed on 7 August 2024).
- Ashton, K. That ‘internet of things’ thing. RFID J. 2009, 22, 97–114. [Google Scholar]
- Bamakan, S.M.H.; Motavali, A.; Bondarti, A.B. A survey of blockchain consensus algorithms performance evaluation criteria. Expert Syst. Appl. 2020, 154, 113385. [Google Scholar] [CrossRef]
- Wu, H.; Peng, Z.; Guo, S.; Yang, Y.; Xiao, B. VQL: Efficient and Verifiable Cloud Query Services for Blockchain Systems. IEEE Trans. Parallel Distrib. Syst. 2022, 33, 1393–1406. [Google Scholar] [CrossRef]
- Windarta, S.; Suryadi, S.; Ramli, K.; Pranggono, B.; Gunawan, T.S. Lightweight cryptographic hash functions: Design trends, comparative study, and future directions. IEEE Access 2022, 10, 82272–82294. [Google Scholar] [CrossRef]
- Seok, B.; Park, J.; Park, J.H. A lightweight hash-based blockchain architecture for industrial IoT. Appl. Sci. 2019, 9, 3740. [Google Scholar] [CrossRef]
- Guo, J.; Peyrin, T.; Poschmann, A. The PHOTON family of lightweight hash functions. In Advances in Cryptology; Springer: Berlin/Heidelberg, Germany, 2011; pp. 222–239. [Google Scholar]
- Aumasson, J.P.; Henzen, L.; Meier, W.; Naya-Plasencia, M. Quark: A lightweight hash. J. Cryptol. 2013, 26, 313–339. [Google Scholar] [CrossRef]
- Bogdanov, A.; Knežević, M.; Leander, G.; Toz, D.; Varıcı, K.; Verbauwhede, I. SPONGENT: A lightweight hash function. In International Workshop on Cryptographic Hardware and Embedded Systems; Springer: Berlin/Heidelberg, Germany, 2011; pp. 312–325. [Google Scholar]
- Hirose, S.; Ideguchi, K.; Kuwakado, H.; Owada, T.; Preneel, B.; Yoshida, H. A lightweight 256-bit hash function for hardware and low-end devices: Lesamnta-LW. In International Conference on Information Security and Cryptology; Springer: Berlin/Heidelberg, Germany, 2010; pp. 151–168. [Google Scholar]
- Rao, V.; Prema, K. Light-weight hashing method for user authentication in Internet-of-Things. Ad. Hoc. Netw. 2019, 89, 97–106. [Google Scholar] [CrossRef]
- Degnan, B.; Rose, E.; Durgin, G.; Maeda, S. A modified simon cipher 4-block key schedule as a hash. IEEE J. Radio Freq. Identif. 2017, 1, 85–89. [Google Scholar] [CrossRef]
- Hirose, S.; Ideguchi, K.; Kuwakado, H.; Owada, T.; Preneel, B.; Yoshida, H. An AES based 256-bit hash function for lightweight applications: Lesamnta-LW. IEICE Trans. Fundam. Electron. Commun. Comput. Sci. 2012, 95, 89–99. [Google Scholar] [CrossRef]
- Patrick, C.; Schaumont, P. The role of energy in the lightweight cryptographic profile. In Proceedings of the NIST Lightweight Cryptography Workshop, Gaithersburg, MD, USA, 17–18 October 2016. [Google Scholar]
- Dhanda, S.S.; Singh, B.; Jindal, P. Lightweight cryptography: A solution to secure IoT. Wirel. Pers. Commun. 2020, 112, 1947–1980. [Google Scholar] [CrossRef]
- Buchanan, W.J.; Li, S.; Asif, R. Lightweight cryptography methods. J. Cyber Secur. Technol. 2017, 1, 187–201. [Google Scholar] [CrossRef]
- Abed, S.; Jaffal, R.; Mohd, B.J.; Al-Shayeji, M. An analysis and evaluation of lightweight hash functions for blockchain-based IoT devices. Clust. Comput. 2021, 24, 3065–3084. [Google Scholar] [CrossRef]
- Jungk, B.; Lima, L.R.; Hiller, M. A systematic study of lightweight hash functions on FPGAs. In Proceedings of the 2014 International Conference on ReConFigurable Computing and FPGAs (ReConFig14), Cancun, Mexico, 8–10 December 2014; pp. 1–6. [Google Scholar]
- Lara-Nino, C.A.; Morales-Sandoval, M.; Diaz-Perez, A. Small lightweight hash functions in FPGA. In Proceedings of the 2018 IEEE 9th Latin American Symposium on Circuits & Systems (LASCAS), Puerto Vallarta, Mexico, 25–28 February 2018; pp. 1–4. [Google Scholar]
- Meuser, T.; Schmidt, L.; Wiesmaier, A. Comparing Lightweight Hash Functions–PHOTON & Quark. Tech. Univ. Darmstadt. Available online: https://download.hrz.tu-darmstadt.de/media/FB20/Dekanat/Publikationen/CDC/2015-07-06_TR_PhotonQuark.pdf (accessed on 18 August 2024).
- Padma, A.; Ramaiah, M. GLSBIoT: GWO-based enhancement for lightweight scalable blockchain for IoT with trust based consensus. Future Gener. Comput. Syst. 2024, 159, 64–76. [Google Scholar] [CrossRef]
- Sakan, K.; Nyssanbayeva, S.; Kapalova, N.; Algazy, K.; Khompysh, A.; Dyusenbayev, D. Development and analysis of the new hashing algorithm based on block cipher. East.-Eur. J. Enterp. Technol. 2022, 116, 60–73. [Google Scholar] [CrossRef]
- Windarta, S.; Suryadi, S.; Ramli, K.; Lestari, A.A.; Wildan, W.; Pranggono, B.; Wardhani, R.W. Two new lightweight cryptographic hash functions based on saturnin and beetle for the Internet of Things. IEEE Access 2023, 11, 84074–84090. [Google Scholar] [CrossRef]
- Mahmoud, M.A.; Gurunathan, M.; Ramli, R.; Babatunde, K.A.; Faisal, F.H. Review and Development of a Scalable Lightweight Blockchain Integrated Model (LightBlock) for IoT Applications. Electronics 2023, 12, 1025. [Google Scholar] [CrossRef]
- Li, W.; Zhang, Q.; Deng, S.; Zhou, B.; Wang, B.; Cao, J. Q-learning improved lightweight consensus algorithm for blockchain-structured internet of things. IEEE Internet Things J. 2023, 11, 2855–2869. [Google Scholar] [CrossRef]
- Achar, S.D.; P, T.; Nandi, S.; Nandi, S. LiteHash: Hash Functions for Resource-Constrained Hardware. ACM Trans. Embed. Comput. Syst. 2024, accepted. [Google Scholar] [CrossRef]
- Singh, S.; Sharma, P.K.; Moon, S.Y.; Park, J.H. Advanced lightweight encryption algorithms for IoT devices: Survey, challenges and solutions. J. Ambient. Intell. Humaniz. Comput. 2024, 15, 1625–1642. [Google Scholar]
- Duan, P.; Wang, J.; Zhang, Y.; Ma, Z.; Luo, S. Policy-based chameleon hash with black-box traceability for redactable blockchain in IoT. Electronics 2023, 12, 1646. [Google Scholar] [CrossRef]
- Choi, H.; Choi, S.; Seo, S. Parallel Implementation of Lightweight Secure Hash Algorithm on CPU and GPU Environments. Electronics 2024, 13, 896. [Google Scholar] [CrossRef]
- Dai, X.; Wang, X.; Han, H.; Wang, E. N-dimensional non-degenerate chaos based on two-parameter gain with application to hash function. Electronics 2024, 13, 2627. [Google Scholar] [CrossRef]
- Beaulieu, R.; Shors, D.; Smith, J.; Treatman-Clark, S.; Weeks, B.; Wingers, L. The SIMON and SPECK lightweight block ciphers. In Proceedings of the 52nd Annual Design Automation Conference, San Francisco, CA, USA, 7–11 June 2015; pp. 1–6. [Google Scholar]
- Rivest, R.L.; Robshaw, M.J.; Sidney, R.; Yin, Y.L. The RC6TM block cipher. In Proceedings of the First Advanced Encryption Standard (AES) Conference, Ventura, CA, USA, 20–22 August 1998; p. 16. [Google Scholar]
- Gong, Z.; Nikova, S.; Law, Y.W. KLEIN: A new family of lightweight block ciphers. In International Workshop on Radio Frequency Identification: Security and Privacy Issues; Springer: Berlin/Heidelberg, Germany, 2011; pp. 1–18. [Google Scholar]
- Wu, W.; Zhang, L. LBlock: A lightweight block cipher. In International Conference on Applied Cryptography and Network Security; Springer: Berlin/Heidelberg, Germany, 2011; pp. 327–344. [Google Scholar]
- Suzaki, T.; Minematsu, K.; Morioka, S.; Kobayashi, E. Twine: A lightweight, versatile block cipher. In Proceedings of the ECRYPT Workshop on Lightweight Cryptography, Louvain-la-Neuve, Belgium, 28–29 November 2011; pp. 339–354. [Google Scholar]
- Shibutani, K.; Isobe, T.; Hiwatari, H.; Mitsuda, A.; Akishita, T.; Shirai, T. Piccolo: An ultra-lightweight blockcipher. In Cryptographic Hardware and Embedded Systems; Springer: Berlin/Heidelberg, Germany, 2011; CHES’11; pp. 342–357. [Google Scholar]
- Hong, D.; Sung, J.; Hong, S.; Lim, J.; Lee, S.; Koo, B.S.; Lee, C.; Chang, D.; Lee, J.; Jeong, K. HIGHT: A new block cipher suitable for low-resource device. In International Workshop on Cryptographic Hardware and Embedded Systems; Springer: Berlin/Heidelberg, Germany, 2006; pp. 46–59. [Google Scholar]
- Beaulieu, R.; Shors, D.; Smith, J.; Treatman-Clark, S.; Weeks, B.; Wingers, L. The SIMON and SPECK Families of Lightweight Block Ciphers. IACR Cryptol. ePrint Arch. 2013, 2013, 404. [Google Scholar]
- Mouha, N.; Mennink, B.; Herrewege, A.V.; Watanabe, D.; Preneel, B.; Verbauwhede, I. Chaskey: An efficient MAC algorithm for 32-bit microcontrollers. In Selected Areas in Cryptography; Springer: Berlin/Heidelberg, Germany, 2014; pp. 306–323. [Google Scholar]
- Grosso, V.; Leurent, G.; Standaert, F.X.; Varıcı, K. LS-designs: Bitslice encryption for efficient masked software implementations. In International Workshop on Fast Software Encryption; Springer: Berlin/Heidelberg, Germany, 2014; pp. 18–37. [Google Scholar]
- Albrecht, M.R.; Driessen, B.; Kavun, E.B.; Leander, G.; Paar, C.; Yalçın, T. Block Ciphers—Focus on the Linear Layer (feat. PRIDE). In Advances in Cryptology—CRYPTO 2014; Garay, J.A., Gennaro, R., Eds.; Lecture Notes in Computer Science; Springer: Berlin/Heidelberg, Germany, 2014; pp. 57–76. [Google Scholar]
- Zhang, W.; Bao, Z.; Lin, D.; Rijmen, V.; Yang, B.; Verbauwhede, I. RECTANGLE: A bit-slice lightweight block cipher suitable for multiple platforms. Sci. China Inf. Sci. 2015, 58, 1–15. [Google Scholar] [CrossRef]
- Beierle, C.; Jean, J.; Kölbl, S.; Leander, G.; Moradi, A.; Peyrin, T.; Sasaki, Y.; Sasdrich, P.; Sim, S.M. The SKINNY family of block ciphers and its low-latency variant MANTIS. In Advances in Cryptology; Springer: Berlin/Heidelberg, Germany, 2016; pp. 123–153. [Google Scholar]
- Dinu, D.; Perrin, L.; Udovenko, A.; Velichkov, V.; Großschädl, J.; Biryukov, A. Design Strategies for ARX with Provable Bounds: Sparx and LAX; Springer: Berlin/Heidelberg, Germany, 2016; pp. 484–513. [Google Scholar]
- Nachef, V.; Marrière, N.; Volte, E. Differential Attacks on LILLIPUT Cipher. IACR Cryptol. ePrint Arch. 2017, 2017, 1121. [Google Scholar]
- Beierle, C.; Leander, G.; Moradi, A.; Rasoolzadeh, S. CRAFT: Lightweight tweakable block cipher with efficient protection against DFA attacks. IACR Trans. Symmetric Cryptol. 2019, 2019, 5–45. [Google Scholar] [CrossRef]
- Jebrane, J.; Lazaar, S. ILAPU-Q: An Improved Lightweight Authentication Protocol for IoT Based on U-quark Hash Function. Recent Adv. Comput. Sci. Commun. (Former. Recent Patents Comput. Sci.) 2024, 17, 78–87. [Google Scholar] [CrossRef]
- Stevens, M. Fast Collision Attack on MD5. Cryptology ePrint Archive. 2006. Available online: https://eprint.iacr.org/2006/104 (accessed on 1 August 2024).
- Preneel, B.; Oorschot, P.C.V. MDx-MAC and building fast MACs from hash functions. In Advances in Cryptology; Springer: Berlin/Heidelberg, Germany, 1995; pp. 1–14. [Google Scholar]
- Vidali, J.; Nose, P.; Pašalić, E. Collisions for variants of the BLAKE hash function. Inf. Process. Lett. 2010, 110, 585–590. [Google Scholar] [CrossRef]
- Secure Hash Standard. FIPS Pub 180; National Institute of Standards and Technology: Gaithersburg, MD, USA, 1993. [Google Scholar]
- Secure Hash Standard. FIPS Pub 180-1; National Institute of Standards and Technology: Gaithersburg, MD, USA, 1995; Volume 17, p. 15. [Google Scholar]
- Preneel, B.; Bosselaers, A.; Dobbertin, H. The Cryptographic Hash Function RIPEMD-160. 1997. Available online: https://www.esat.kuleuven.be/cosic/publications/article-317.pdf (accessed on 2 August 2024).
- Sklavos, N.; Koufopavlou, O. On the hardware implementations of the SHA-2 (256, 384, 512) hash functions. In Proceedings of the 2003 International Symposium on Circuits and Systems, ISCAS’03, Bangkok, Thailand, 25–28 May 2003; Volume 5, p. V. [Google Scholar]
- Paulo, B.S.; Vincent, R. The WHIRLPOOL hashing function. NESSIE Proj. Propos. 2000. Available online: https://citeseerx.ist.psu.edu/document?repid=rep1&type=pdf&doi=664b5286124b28abf2d30a07ba6f9e020f4138fe (accessed on 21 August 2024).
- Aumasson, J.P.; Meier, W.; Phan, R.C.W.; Henzen, L. The Hash Function BLAKE; Springer: Berlin/Heidelberg, Germany, 2014. [Google Scholar]
- Rivest, R.L.; Agre, B.; Bailey, D.V.; Crutchfield, C.; Dodis, Y.; Fleming, K.E.; Khan, A.; Krishnamurthy, J.; Lin, Y.; Reyzin, L.; et al. The MD6 hash function–a proposal to NIST for SHA-3. Submiss. NIST 2008, 2, 1–234. [Google Scholar]
- Aumasson, J.P.; Meier, W.; Phan, R.C.W.; Henzen, L. Blake2. In The Hash Function BLAKE; Springer: Berlin/Heidelberg, Germany, 2014; pp. 165–183. [Google Scholar]
- Gauravaram, P.; Knudsen, L.R.; Matusiewicz, K.; Mendel, F.; Rechberger, C.; Schläffer, M.; Thomsen, S.S. Grøstl-a SHA-3 candidate. In Dagstuhl Seminar Proceedings; Schloss Dagstuhl-Leibniz-Zentrum für Informatik: Wadern, Germany, 2009; Volume 9031, pp. 1–33. [Google Scholar] [CrossRef]
- Ferguson, N.; Lucks, S.; Schneier, B.; Whiting, D.; Bellare, M.; Kohno, T.; Callas, J.; Walker, J. The Skein hash function family. Submiss. NIST (Round 3) 2010, 7, 3. [Google Scholar]
- Bertoni, G.; Daemen, J.; Peeters, M.; Assche, G.V. Keccak. In Proceedings of the Annual International Conference on the Theory and Applications of Cryptographic Techniques, Athens, Greece, 26–30 May 2013; Springer: Berlin/Heidelberg, Germany, 2013; pp. 313–314. [Google Scholar]
- O’Connor, J.; Aumasson, J.P.; Neves, S.; Wilcox-O’Hearn, Z. BLAKE3: One Function, Fast Everywhere. Available online: https://github.com/BLAKE3-team/BLAKE3-specs/blob/master/blake3.pdf (accessed on 15 August 2024).
- Bertoni, G.; Daemen, J.; Peeters, M.; Assche, G.V. On the indifferentiability of the sponge construction. In Advances in Cryptology; Springer: Berlin/Heidelberg, Germany, 2008; pp. 181–197. [Google Scholar]
- Chen, S.; Jin, C. Preimage Attacks on Some Hashing Modes Instantiating Reduced-Round LBlock. IEEE Access 2018, 6, 44659–44665. [Google Scholar] [CrossRef]
- Flajolet, P.; Gardy, D.; Thimonier, L. Birthday paradox, coupon collectors, caching algorithms and self-organizing search. Discret. Appl. Math. 1992, 39, 207–229. [Google Scholar] [CrossRef]
- Nursi, S. From the Risale-i Nur Collection: The Flashes; Nurpublishers: Istanbul, Turkey, 1993; Volume 1. [Google Scholar]
- Dworkin, M.J. SHA-3 Standard: Permutation-Based Hash and Extendable-Output Functions; Federal Inf. Process. Stds. (NIST FIPS); National Institute of Standards and Technology: Gaithersburg, MD, USA, 2015. [Google Scholar]
- Abdelfatah, R.I.; Baka, E.A.; Nasr, M.E. Keyed parallel hash algorithm based on multiple chaotic maps (KPHA-MCM). IEEE Access 2021, 9, 130399–130409. [Google Scholar] [CrossRef]
- Abdoun, N.; El Assad, S.; Manh Hoang, T.; Deforges, O.; Assaf, R.; Khalil, M. Designing two secure keyed hash functions based on sponge construction and the chaotic neural network. Entropy 2020, 22, 1012. [Google Scholar] [CrossRef] [PubMed]
- Yang, Y.; Tian, X.; Pei, P.; He, X.; Zhang, X. Novel cryptographic hash function based on multiple compressive parallel structures. Soft Comput. 2022, 26, 13233–13248. [Google Scholar] [CrossRef]
- Wong, K.W. A combined chaotic cryptographic and hashing scheme. Phys. Lett. A 2003, 307, 292–298. [Google Scholar] [CrossRef]
- Bakhtiari, S.; Safavi-Naini, R.; Pieprzyk, J. Cryptographic Hash Functions: A Survey. Technical Report, Citeseer. 1995. Available online: https://citeseerx.ist.psu.edu/document?repid=rep1&type=pdf&doi=07748b0e0a9c601169929a427a327a19ba478101 (accessed on 16 August 2024).









| Algorithm | Structure | Block Size | Key Size | Number of Rounds | Year | Developed by |
|---|---|---|---|---|---|---|
| RC6 | Feistel | 128 | 128/196/256 | 20 | 1998 | Rivest et al. [33] |
| PRESENT | SPN | 64 | 80/128 | 31 | 2007 | Bogdanov et al. [10] |
| KLEIN | SPN | 64 | 64/80/96 | 12/16/20 | 2011 | Gong et al. [34] |
| LBLOCK | Feistel | 64 | 80 | 32 | 2011 | Wu et al. [35] |
| TWINE | Feistel | 64 | 80/128 | 36 | 2011 | Suzaki et al. [36] |
| PICCOLO | Feistel | 64 | 80/128 | 25/31 | 2011 | Shibutani et al. [37] |
| LEA | Feistel | 128 | 128/192/256 | 24/28/32 | 2013 | Hong et al. [38] |
| SPECK | Feistel | 32/48/64 /96/128 | 64/72/96/128 /144/192/256 | 22/23/26/27/28 /29/32/33/34 | 2013 | Beaulieu et al. [39] |
| CHASKEY | Feistel | 128 | 128 | 8/16 | 2014 | Mouha et. al. [40] |
| FANTOMAS | SPN | 128 | 128 | 12 | 2014 | Grosso et al. [41] |
| PRIDE | SPN | 64 | 128 | 20 | 2014 | Albrecht et al. [42] |
| ROBIN | SPN | 128 | 128 | 16 | 2014 | Grosso et al. [41] |
| RECTANGLE | SPN | 64 | 80/128 | 25 | 2015 | Zhang et al. [43] |
| MANTIS | SPN | 64 | 128 | 10/12/14/16 | 2016 | Beierle et al. [44] |
| SPARX | Feistel | 64/128 | 128/256 | 24/32/40 | 2016 | Dinu et al. [45] |
| LILLIPUT | Feistel | 64 | 80 | 30 | 2017 | Nachef et al. [46] |
| CRAFT | SPN | 64 | 128 | 32 | 2019 | Beierle et al. [47] |
| Algorithm | Output Size (Bits) | Block Size | Rounds | State Size | Year | Construction | Developed by |
|---|---|---|---|---|---|---|---|
| SHA-0 | 160 | 512 | 80 | 160 | 1993 | Merkle-Damgaard | NSA [52] |
| SHA-1 | 160 | 512 | 80 | 160 | 1995 | Merkle-Damgaard | NSA [53] |
| RIPEMD | 128/160/256/320 | 512 | 64/80/80/80 | 128/160/256/320 | 1996 | Merkle-Damgaard | Hans Dobbertin et al. [54] |
| SHA-2 | 224/256/384/512 | 256 | 64/80 | 256/512 | 2001 | Merkle-Damgaard | NSA [55] |
| Whirlpool | 512 | 512 | 10 | 512 | 2004 | Miyaguchi-Preneel | Vincent Rijmen et al. [56] |
| BLAKE | 512 | 1024 | 12 | 512 | 2008 | HAIFA construction | Jean-Philippe et al. [57] |
| MD6 | 512 | 512 | 40 + [d/4] | 512 | 2008 | Merkle tree | Ronald Rivest et al. [58] |
| BLAKE2 | 256 | 512 | 14/16 | 256 | 2012 | HAIFA construction | Jean-Philippe et al. [59] |
| Grøstl | 256/512 | 512 | 10/14 | 256/512 | 2016 | AES construction | Praveen Gauravaram et al. [60] |
| Skein | 256/512 | 512/1024 | 72/80 | 256/512/1024 | 2016 | Unique Block Iteration | Bruce Schneier et al. [61] |
| SHA-3 | 224/256/384/512 | 1600 | 24 | 1600/1152/1088/834/576 | 2016 | Sponge construction | Guido Bertoni et al. [62] |
| BLAKE3 | — | 512 | 7 | 256 | 2020 | Merkle tree | Jack O’Connor et al. [63] |
| The Average of Changed Bits () | (%) | (%) | |||
|---|---|---|---|---|---|
| LwHash-128 | 47–80 | 64.10 | 50.08 | 5.64 | 4.40 |
| LwHash-256 | 103–154 | 128.07 | 50.02 | 7.67 | 2.99 |
| LwHash-512 | 218–291 | 256.59 | 50.11 | 11.52 | 2.25 |
| SHA-1 | 49–114 | 80.16 | 50.10 | 6.24 | 3.90 |
| SHA-256 | 71–193 | 128.61 | 50.24 | 10.83 | 4.23 |
| SHA-512 Ref [68] | 221–288 | 255.82 | 49.96 | 11.08 | 2.16 |
| KECCAK-256 | 80–207 | 129.34 | 50.52 | 10.21 | 3.99 |
| PLHF | 91–168 | 127.91 | 49.96 | 8.93 | 3.49 |
| MD5 | N/A | 64.03 | 50.02 | 5.66 | 4.42 |
| Spongent-224 | 89–136 | 111.84 | 49.92 | N/A | N/A |
| Neeva | 89–137 | 111.91 | 49.95 | N/A | N/A |
| Ref. [69] | 99–150 | 128.37 | 50.14 | 7.64 | 2.98 |
| Ref. [70] | 10–155 | 128.10 | 50.04 | 7.96 | 3.11 |
| Ref. [71] | 241–268 | 256.11 | 50.01 | 16.36 | 3.20 |
| LwHash-128 | 128 | 2 | 2195 | 613 | 1372.18 | 85.76 |
| LwHash-256 | 256 | 2 | 3850 | 1547 | 2727.43 | 85.23 |
| LwHash-512 | 512 | 3 | 7162 | 3825 | 5456.58 | 85.25 |
| SHA-1 | 160 | 2 | 2556 | 857 | 2732.80 | 85.40 |
| SHA-256 | 256 | 2 | 4098 | 1365 | 2732 | 85.37 |
| KECCAK-256 | 256 | 2 | 4105 | 1368 | 2733 | 85.40 |
| PLHF | 256 | 1 | 4096 | 1364 | 2731 | 85.34 |
| Ref. [69] | 256 | 3 | 4079 | 1474 | 2733.18 | 85.41 |
| Ref. [70] | 256 | 2 | 3831 | 1695 | 2715.39 | 84.85 |
| Ref. [70] | 512 | 3 | 7062 | 3911 | 5414.34 | 84.59 |
| Desired Probability of Random Collision | ||||
|---|---|---|---|---|
| 0.01 | 0.1 | 0.5 | 0.9 | |
| LwHash-128 | 2.61 × 1018 | 8.46 × 1018 | 1.84 × 1019 | 3.95 × 1019 |
| LwHash-256 | 4.82 × 1037 | 1.56 × 1038 | 4.00 × 1038 | 7.30 × 1038 |
| LwHash-512 | 1.64 × 1076 | 5.31 × 1076 | 1.6 × 1077 | 2.48 × 1077 |
Disclaimer/Publisher’s Note: The statements, opinions and data contained in all publications are solely those of the individual author(s) and contributor(s) and not of MDPI and/or the editor(s). MDPI and/or the editor(s) disclaim responsibility for any injury to people or property resulting from any ideas, methods, instructions or products referred to in the content. |
© 2024 by the authors. Licensee MDPI, Basel, Switzerland. This article is an open access article distributed under the terms and conditions of the Creative Commons Attribution (CC BY) license (https://creativecommons.org/licenses/by/4.0/).
Share and Cite
Sevin, A.; Çavuşoğlu, Ü. Design and Performance Analysis of a SPECK-Based Lightweight Hash Function. Electronics 2024, 13, 4767. https://doi.org/10.3390/electronics13234767
Sevin A, Çavuşoğlu Ü. Design and Performance Analysis of a SPECK-Based Lightweight Hash Function. Electronics. 2024; 13(23):4767. https://doi.org/10.3390/electronics13234767
Chicago/Turabian StyleSevin, Abdullah, and Ünal Çavuşoğlu. 2024. "Design and Performance Analysis of a SPECK-Based Lightweight Hash Function" Electronics 13, no. 23: 4767. https://doi.org/10.3390/electronics13234767
APA StyleSevin, A., & Çavuşoğlu, Ü. (2024). Design and Performance Analysis of a SPECK-Based Lightweight Hash Function. Electronics, 13(23), 4767. https://doi.org/10.3390/electronics13234767

