Abstract
With the advancement of new power system construction, distribution networks are gradually transforming from being a simple energy receiver and distributor to being an integrated power network that integrates sources, networks, loads, and energy storage with interactive and flexible coupling with the upper-level power grid. However, traditional distribution networks lack active control and distribution capabilities, failing to meet the demands of network transformation and upgrading. To address this issue, this paper proposes a method for solving AC/DC power flow calculation considering an electric energy router (EER) based on an alternating iterative method. Initially, the model for the multi-port EER and three types of power flow models for the AC distribution network, DC distribution network, and EER are constructed. By leveraging the properties of the EER and the hybrid power flow calculation model, a method is proposed for calculating the power flow in the AC/DC hybrid distribution network considering the EER. Finally, by solving the power flow in a medium- and low-voltage AC/DC distribution system, the adaptability of the proposed method is compared. The results demonstrate that the AC/DC hybrid distribution network power flow calculation method established in this paper, which incorporates the EER, possesses high accuracy and adaptability, with an error margin of less than 0.05%.
1. Introduction
Distribution networks, as the final link in the power grid directly connected to end-users, constitute an essential component of the emerging power system paradigm. With the advancement of new power systems, distribution networks are gradually transforming from mere conduits for electricity delivery into integrated platforms that seamlessly incorporate generation sources, grids, loads, and energy storage while flexibly interfacing with upper-level power grids. Their pivotal role in facilitating the local consumption of distributed power sources and accommodating novel load demands is increasingly pronounced [1].
Traditional distribution networks primarily rely on centralized control to regulate power and frequency through generators [2], but they lack active control and distribution capabilities, which fail to meet the requirements for the transformation and upgrading of distribution networks. Therefore, there is a need for new types of distribution equipment to promote the development of the energy internet. In this context, the concept of the energy internet architecture has emerged [3,4]. Electric energy routers (EERs), as a pivotal component in the energy internet [5], integrate information flow and energy flow, enabling the efficient transmission of distributed renewable energy sources [6]. The authors of references [7,8] address the overload issues that arise after the integration of distributed renewable energy. They propose a method for configuring power routers at the access points and capacities in the distribution network. This method leans towards graph theory analysis and the overall operation of the distribution network, but it does not study the configuration of the number of power routers and ports. The authors of references [9,10] study the characteristics of AC/DC hybrid distribution networks in terms of power transmission and coordinated control while fully considering the network’s structural features and operational requirements. Based on this, they design a power electronics configuration suitable for EERs and develop a corresponding analysis model. The authors of reference [11] combine the functions of EERs and electric energy exchangers to construct a new structure tailored for the energy internet architecture.
Currently, extensive research has been conducted on the topology and control strategies of EERs. However, there is a clear research gap in the area of power flow calculation and optimal configuration. Power flow calculation is an analytical method used by power systems to determine the operating state of the network, providing valuable insights for system planning and operation. At present, the hybrid connection of AC and DC has become a prominent research hotspot in the field of distribution networks [12]. Existing power flow calculation methods for AC/DC hybrid distribution networks mainly include alternating iteration methods [13] and unified iteration methods. The authors of reference [14], in response to the asymmetry of the network structure and the volatility of distributed new energy, proposed a suitable power flow calculation method for AC/DC hybrid distribution networks. The authors of references [15,16] analyzed converter power losses comprehensively, effectively transforming them into impedance and admittance parameters within the circuit model to build a steady-state model applicable to AC/DC hybrid distribution networks.
On this basis, this paper proposes a power flow calculation method for AC/DC systems considering the EER. Firstly, the model of the multi-port EER is constructed, and its operational losses and control characteristics are analyzed. Then, three power flow models are constructed using the Newton–Raphson method for the AC distribution network, DC distribution network, and EER. By incorporating the characteristics of the EER and utilizing the hybrid power flow calculation model, a power flow calculation method for AC/DC hybrid distribution networks considering the presence of the EER is proposed. Eventually, by solving the power flow in a medium- and low-voltage AC/DC distribution system, the adaptability of the proposed method is compared.
This paper establishes an AC/DC power flow calculation method that incorporates EERs, aiming to address the issues of energy concentration and redistribution with the large-scale integration of renewable energy. It also provides a new research direction for EERs in power flow calculation and optimization.
2. The Construction of a Multi-Port EER Model
2.1. Steady-State Model of EER Port
As indicated in reference [17], the EER operates by managing and distributing energy flow according to instructions from the information flow, utilizing flexible power electronics technology. The information flow transmits the real-time status of the power grid by uploading the state information of the energy flow to the dispatch center. The functions of the EER include AC/DC voltage conversion, multi-voltage level voltage isolation, energy aggregation, and AC/DC load power supply. The authors of references [18,19] propose the national standards and system architecture for the EER, as illustrated in Figure 1.
Figure 1.
A system architecture diagram of the EER.
To simplify its system framework and corresponding functions, a four-port EER topology containing power electronic devices is depicted in Figure 2.
Figure 2.
Four-port EER topology.
The distribution of the four ports in the EER is shown in Figure 2. Regarding AC ports, the medium-voltage AC port is derived from the Voltage Source Converter (VSC), while the low-voltage AC port is obtained from the Dual Active Bridge (DAB) converter [20]. Concerning DC ports, the medium-voltage DC port derives its power directly from the internal DC bus due to its identical voltage, while the low-voltage DC port originates from the DAB [21]. These aforementioned ports are typical and modularly independent, allowing for the flexible selection of port types and quantities according to actual engineering needs.
The input and output ports establish a connection between the EER and the external AC/DC distribution network [22], with each port efficiently channeling energy to the internal DC bus through a dedicated DC/DC converter. The EER features distinct types of ports: AC ports for alternating current connections and DC/DC ports for direct current connections. The following will provide a comprehensive analysis and modeling of the two distinct types of ports separately.
(1) AC/DC Converter Port Modeling.
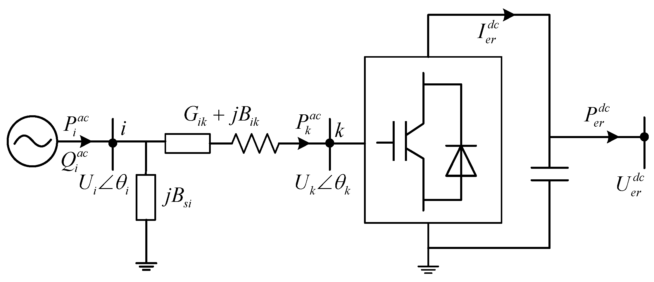
When modeling the AC port of the EER, a modified Augmented Nodal Analysis (MANA) is used for the modeling process. An additional node is expanded to the right side of the port, which is connected to the AC grid, along with an added transmission line. The inclusion of this supplementary node and line effectively eliminates the need for complex voltage and phase angle conversion procedures, thereby simplifying the overall port model [23]. Combined with its power electronic architecture, Figure 3 illustrates the steady-state equivalent model of the EER.
Figure 3.
AC/DC converter port modeling.
As shown in Figure 3, node i is connected to the AC port of the EER, with a voltage of [24]. The newly added node and line are node k and line ik, with an AC voltage of . The admittance between node i and node k is , and the port capacitance is . In accordance with Kirchhoff’s current and voltage laws, the active power , reactive power , and parameters of the AC/DC converter injected into the AC port of the EER are presented as follows [18]:
In the equations, , , , and are typically determined by the power system and remain constant, while the EER can control the magnitude and direction of and by altering the converter’s and .
Considering the equivalence of losses between the AC/DC converter and line ik using the extended node method, it can be inferred that the power flowing into the AC side is equal in magnitude to the power flowing into the DC side. The corresponding formula is shown as follows:
In the given formula, is indicative of the voltage found on the DC side, denotes the current present on the DC side, and the power, denoted by , that flows into the DC side is calculated by the multiplication of the DC voltage and current.
The relationship between the voltages and on either side of the converter is shown as follows:
In the formula, m is the equivalent modulation coefficient, with a value range of 0 to 1.
(2) DC/DC Converter Port Modeling
When modeling the DC/DC converter port of the EER, a resistor can be used to simulate the losses incurred by the converter [25]. The DC/DC converter port model is shown in Figure 4 [26]. Here, n is the conversion ratio of the converter, represents internal losses, and and refer to the voltage and power on the primary side of the converter, respectively. Meanwhile, and correspond to the voltage and power on the secondary side of the converter, respectively [27]. Additionally, and signify the currents on both sides of the converter.
Figure 4.
DC/DC converter port modeling.
As depicted in Figure 4, the voltage relationship between the primary and secondary aspects of the converter can be formulated as follows:
The current and power relationships on both sides of the converter can be represented as follows:
When the external DC grid and the internal DC voltage bus are at the same voltage level, and there are no strict power control requirements for the port, it is possible to eliminate the need for a DC/DC converter.
2.2. The Construction of the Internal Power Model of the EER
The external interfaces provided by the EER are composed of (M + N) AC/DC converters and (K + T) DC/DC converters, with each port operating independently. The EER is connected to external AC and DC distribution systems through its input and output interfaces, where each connection port uses DC/DC converter technology to aggregate energy to the internal DC bus. Therefore, neglecting the losses of the isolation-level DC/DC converters, the two internal DC buses can be considered as a unified entity, and the internal power conservation equation can be obtained as follows:
In the formula, represents the active power flowing into the internal DC bus from the AC/DC converter port, and denotes the active power flowing into the internal DC bus from the DC/DC converter port.
2.3. Loss Situation and Control Methods of EER
The losses of the multi-port EER primarily comprise VSC and DAB losses, with the loss distribution of each port detailed in Table 1.
Table 1.
Types of losses for each port.
(1) VSC Losses
As shown in the table above, for VSC losses, which are primarily due to the voltage conversion of AC/DC converters, the losses at the AC/DC converter ports are modeled as equivalent to the line ik losses using methods like the extended node method. Combining Formulas (1) and (2), the VSC loss equation for node i is written as follows:
(2) DAB Losses
As shown in the table above, for DAB losses, the DAB modules are present only at the low-voltage AC and low-voltage DC ports. This paper approximates the loss of the DAB device as 2% of the power flowing through it. Combining Formulas (1)–(3) and Formula (5), the DAB losses () at the low-voltage AC port and () at the low-voltage DC port for node i are as follows:
The EER is a device in the new type of distribution system that facilitates power distribution and coordination. During the design process, it is essential to designate one port as a slack port to effectively manage the power losses within the EER.
The control methods for EERs include AC port control and DC port control, with specific control method classifications shown in Table 2.
Table 2.
The control methods for EERs.
In this paper, except for the power balance port, the AC ports use PQ control strategies, while the DC ports use either fixed DC active power control or droop control strategies [28]. The following sections provide an introduction to these three strategies.
(1) PQ control
When the AC port uses PQ control, it indicates that the active power and reactive power at the connection between the AC/DC converter and the AC grid remain constant. During power flow calculation iterations, this can be equivalently represented as a PQ node, with the control equations as follows:
In the equation, represents the active power of the equivalent load at the AC port of the power router, and represents the reactive power of the equivalent load at the AC port of the power router.
(2) Fixed DC active power control
When the DC port uses fixed DC active power control, the active power at the DC port is a known quantity, while the voltage is the quantity to be determined.
(3) Droop control
When the DC port uses droop control, the relationship between the voltage and the active power at the DC port of the power router can be expressed as follows:
In the equation, and are the parameter set values at the DC port, and the negative real number represents the droop coefficient of the DC node.
3. Hybrid Power Flow Calculation Model Construction
Power flow calculation is a fundamental tool in electric power systems for analyzing and determining key parameters such as voltage, current, and power at various nodes within the network [29]. A schematic diagram of a hybrid distribution network containing multiple EERs is shown in Figure 5, where the exchange of power between AC and DC distribution networks occurs through EERs to achieve the mutual assistance of power supply in various regions of the distribution network [30].
Figure 5.
Schematic diagram of hybrid distribution network with multiple EERs.
The hybrid distribution network model, which incorporates multiple EERs, can be partitioned into three components: the AC distribution network, the DC distribution network, and the EERs, as illustrated in Figure 5. Subsequently, distinct power flow calculation methodologies are proposed for each component to establish robust power flow calculations in distribution networks encompassing EERs.
3.1. AC Distribution Network Power Flow Calculation
The power flow calculation of the AC distribution network involves solving a set of nonlinear algebraic equations [31]. The Newton–Raphson method is widely used for its rapid convergence and high accuracy in addressing nonlinear equation problems. Therefore, this paper employs the Newton–Raphson method for the iterative calculation of the AC distribution network. By employing stepwise linearization, the Newton–Raphson method transforms nonlinear equations into linear equation problems that are solved iteratively. Its iterative equations can be expressed as follows [32]:
In the formula, represents the state variables, represents the correction to the state variables, represents the Jacobian matrix, and represents the deviation of the n-dimensional equations.
The equation representing the power of AC nodes in the hybrid distribution network [33], which includes EERs (excluding the balance node), can be represented as follows:
In the formula, and represent the total active and reactive power connected to the load, as well as the EER at node i. and are the voltage magnitudes at nodes i and j, respectively. Furthermore, is the phase angle difference between nodes i and j, while and denote the conductance and susceptance between nodes i and j, respectively [34,35,36].
By combining Equations (11) and (12), it can be seen that the power deviation equation and the Jacobian matrix for the node can be represented as follows [37]:
In the formula, is the Jacobian matrix, as shown below:
In the formula, represents the set of nodes connected to node i.
3.2. DC Distribution Network Power Flow Calculation
Assuming there are n nodes in the DC distribution network, the injected power at the i-th node can be expressed as follows:
In the formula, represents the power injected into node i by the distributed power source, denotes the load at node i, and j signifies the element in the i-th row and j-th column of the DC distribution network node admittance matrix [38].
Based on the control methods of the DC port as discussed in Section 2.3, the nodes of the DC distribution network can be classified into three categories: P-nodes, droop nodes, and slack nodes.
Supposing that the initial h nodes of the DC distribution network are P-nodes, the power flow equation is as follows [39]:
In Equation (16), is the power deviation at the i-th node, and is the power setpoint at the i-th node.
Assuming the nodes from (h + 1) to (n − 1) in the DC distribution network are considered droop nodes, their power flow equation is as follows:
To simplify the formula, let the calculation related to the droop node be denoted as ; then, we have the following:
From the above equation, it is evident that the power flow equation for the droop node is as follows:
The power flow equations of the DC distribution network are represented by Equations (18) and (19). When combined with the Newton–Raphson method, the resulting iterative equations are as follows [30]:
In the formula, , , k represents the iteration count, and denotes the Jacobian matrix on the side of the DC distribution network, with elements composed of the following [22]:
3.3. EER Power Flow Calculation
Assuming there are r EERs in the hybrid distribution network, their collective set S is as follows:
Considering the information provided in Section 2.3, where PQ control is employed for the AC ports, let us assume that the t-th EER has primary ports and secondary ports. The power exchange at port l with the AC grid is denoted by and . Incorporating Equation (1), the nodal power equation for port l is expressed as follows:
In the formula, and are the voltage values at the external and internal AC nodes connected to port l of , respectively. and are the biases of the active and reactive power of , while stands for the admittance, and represents the port capacitance.
In Equation (23), corresponds to the voltages at the primary and secondary sides of the EER port and can be expressed as follows:
In the formula, and represent the voltages on the primary and secondary sides, respectively.
In the formula, is the voltage on the secondary side of the DC/DC converter, is the conversion ratio of the converter, and is its internal resistance representing the losses.
Combining the Newton–Raphson method, the power equation of the EER is solved [40], resulting in the iterative formula as follows:
In the formula, represents the residual vector of the power equation set for the EER, denotes the variable vector of the power equation set for the EER, and signifies the Jacobian matrix of the power equation set for the EER. For ease of notation, let ; then, the Jacobian matrix is as follows:
The process of differentiating the residual vector of the equation set for the EER yields the following expressions:
Subsequently, the initial conditions for the system can be specified, and Equations (24)–(29) can be combined to perform power flow analysis for the EER.
4. The Power Flow Calculation for AC/DC Hybrid Distribution Networks Considering EERs
The unified method and alternating iterative method are commonly utilized for calculating power flow in hybrid AC/DC distribution networks [41]. The inclusion of the EER model in the unified solution method significantly amplifies the complexity of the Jacobian matrix and prolongs computation time. Conversely, although employing the alternating iterative method may increase iteration count, it simplifies the Jacobian matrix, resulting in reduced computational time. Therefore, this paper proposes a method for the power flow calculation of AC/DC hybrid distribution networks considering EERs based on the alternating iterative method [42].
The first step is to input all the original data of the system, including the parameters related to the generator units, distributed power sources, branches, nodes, loads, and EERs of the AC/DC distribution network [43]. The second step is to divide and number the AC/DC distribution network according to voltage types and levels [44]. The third step is to define the reference directions for P and Q; in this paper, the direction of power injected into the EER from the power grid is set as the positive direction. The fourth step entails initializing the EER by configuring port control methods and setting initial values. PQ control is employed for the AC ports of the EER, while constant P control is adopted for DC ports. Then, and for the power exchange at the AC ports are determined, and for the power exchange at the DC ports is determined accordingly. Step five involves performing power flow calculations on the DC distribution network. Lastly, the internal parameters of the AC ports within the EER are initialized.
The initial active power of the slack port can be expressed as follows:
Based on Equations (1) and (3), the internal parameters of the EER are determined. To simplify the calculation, the conductance is neglected. The initial values can be expressed as follows:
The seventh step requires the execution of a power flow computation for the AC distribution grid. If convergence is not achieved, the power of the AC distribution grid will be adjusted according to the active and reactive power levels at the EER ports. Supposing that node i of the AC distribution network is connected to port k of the EER, then the equivalent output active power and reactive power at node i of the AC distribution network can be formulated as follows [45]:
The eighth step involves conducting power flow calculation for the EER, solving for the variables and at the AC port of the EER, and updating the active power at the slack port to . Then, the variables are computed for all EERs, and the active power at their respective slack ports is updated.
Finally, the variation in active power injected into all slack ports of the EERs after the iteration is computed. If it fails to meet the required value, we proceed to step seven; if the requirement is fulfilled, the outcomes are presented, and the computation is terminated.
The process of power flow calculation for AC/DC hybrid distribution networks, considering EERs, is shown in Figure 6.
Figure 6.
A flowchart of the power flow calculation process for AC/DC hybrid distribution networks considering EERs.
5. Case Study Analysis
To verify the accuracy and applicability of the AC/DC hybrid power flow calculation method considering EERs introduced in this study, the IEEE 69-node distribution network was adjusted to form a medium- and low-voltage AC/DC distribution system interconnected by EERs [46,47], as depicted in Figure 7. The constructed system comprises a 10 kV DC distribution network, a 10 kV AC distribution network, a 750 V DC distribution network, and a 380 V AC distribution network, which serves as the target for configuring EERs. By varying the EER configuration within the medium- and low-voltage AC/DC distribution system, case analyses are conducted under different scenarios to verify the applicability of the proposed AC/DC hybrid power flow calculation method that accounts for multiple ports of EERs and multiple EERs.
Figure 7.
Medium- and low-voltage AC/DC distribution system.
5.1. The Verification of Power Flow Calculation for Multi-Port EERs
Power flow calculation is predicated on instantaneous power values, and the treatment of distributed power sources aligns with that of loads [48,49]. Therefore, in the given case study, distributed power sources are categorized as loads, leading to the expansion of the original four-port EER to a six-port EER. The modified case is illustrated in Figure 8.
Figure 8.
The medium and low-voltage AC/DC distribution system with multi-port EERs.
In this example case with a six-port EER, it is assumed that ports 2, 3, 4, 5, and 6 have an excess of power. All the surplus power is compensated to port 1 in order to alleviate the supply pressure on the 10 kV AC distribution network at this point. According to Formulas (21)–(23), the magnitude of the equivalent modulation coefficient is related to the impedance parameters, meaning that the port capacity can be reflected through the impedance parameters. Simulations have shown that when the transmission power of each port is equal to or less than 50 kW, the equivalent modulation coefficient can be maintained between 0 and 1. Therefore, in this example case, the port capacity is determined to be 50 kVA.
We assume that the nodes connected to ports 1 and 2 of the EER both lack 30 kW of active power, while the nodes connected to ports 5 and 6 can provide 10 kW and 50 kW of active power, respectively, in order to facilitate power sharing within the medium- and low-voltage AC/DC distribution network. The connection and power mutual aid situation of multiple multi-port EERs are shown in Table 3.
Table 3.
The power mutual aid situation of multi-port EERs.
Using the power flow calculation method proposed in this paper, the calculation results for the six-port EER are shown in Table 4:
Table 4.
The calculation results of the six-port EER.
According to Table 4, it is observed that when the mutual aid power between ports remains below their rated capacity, the equivalent modulation coefficient falls within the range of 0 to 1, thereby meeting the requirements. On the other hand, in order to control power flow direction between ports and connected nodes, positive or negative values of control are employed for the EER. For example, when ports 1 and 2 supply power to the connected nodes, the corresponding for the ports is negative, whereas port 5 absorbs power from the connected node, resulting in the positive corresponding .
To validate the precision of the power flow calculation suggested in this study, initial calculations were performed using matpower in MATLAB, following the methodology described herein to develop a power flow program. Subsequently, separate power flow analyses were conducted on the 10 kV DC distribution network, 10 kV AC distribution network, 750 V DC distribution network, and 380 V AC distribution network. Ultimately, a comparative analysis of the results demonstrated that the maximum error in the power flow calculation for the AC/DC distribution network was within 0.05%. Consequently, it can be concluded that the proposed AC/DC distribution network power flow calculation method presented in this article is both accurate and effective.
5.2. The Validation of Power Flow Calculation for Multi-Port and Multi-Quantity EERs
The aforementioned medium- and low-voltage AC/DC distribution system utilizes a four-port EER and a six-port EER to facilitate power mutual assistance within the distribution system.
The modified example case is shown in Figure 9:
Figure 9.
Medium- and low-voltage AC/DC distribution system with multiple multi-port EERs.
The network parameters of the EERs are consistent with Table 3, thus indicating a power transmission capacity of 50 kVA for each port. In accordance with Figure 9, the connection method and power mutual aid situation between the multi-port multi-quantity EERs and the medium- and low-voltage AC/DC distribution network are shown in Table 5:
Table 5.
Connection and power mutual aid situation of multi-port and multi-quantity EERs.
During the process of power mutual aid between ports and nodes, considering that the internal part of the EER consists of a DC bus with active power flow being predominant, the reactive power mutual aid is set to 0 in Table 5. The subsequent analysis employs the power flow calculation method proposed in this paper, and the calculation results for multi-port and multi-quantity EERs are shown in Table 6:
Table 6.
EER calculation results.
By combining Table 4 and Table 6, it becomes evident that the calculation parameters for the EER losses were determined, thus enabling the computation of EER power loss. Additionally, the port equivalent modulation coefficient and the corresponding angle remained consistent in both multiple EER and single EER power flow calculations. Thus, it is evident that the AC/DC hybrid distribution network power flow calculation considering the proposed EER is accurate and effective.
6. Conclusions
In response to the challenges faced by traditional distribution networks during the transformation and upgrading process of new-type power systems, this paper proposes a method for accurately calculating the power flow in AC/DC hybrid distribution networks considering EERs based on the alternating iterative approach. Finally, through the verification of power flow calculations involving multi-port and multi-quantity EERs, the following conclusions are drawn:
(1) The proposed AC/DC hybrid distribution network power flow calculation method considering EERs exhibits high accuracy. Compared to the results obtained from MATPOWER in MATLAB, the error margin is within 0.05%.
(2) The examples demonstrate the adaptability of the AC/DC power flow calculation method considering EERs, which can effectively accommodate multi-port and multi-quantity EER configurations.
(3) EERs can significantly advance the development of the energy internet, with promising prospects for optimal configuration in medium- and low-voltage AC/DC distribution networks.
In future work, further research will focus on optimizing EER configurations in relation to grid partitioning.
Author Contributions
Conceptualization, J.Z.; methodology, J.Z.; writing—review and editing, J.D.; project administration, Y.W.; formal analysis, H.X.; resources, Q.D.; supervision, X.D.; writing—original draft preparation, Y.Z. All authors have read and agreed to the published version of the manuscript.
Funding
This work is supported by the Science and Technology Project of State Grid (Project Number: 5400-202255150A-1-1-ZN), “Research and Application of Key Technologies to Improve the Adaptability of Distribution Network under New Power System”.
Data Availability Statement
The original contributions presented in the study are included in the article, further inquiries can be directed to the corresponding author.
Conflicts of Interest
Author Yunzhao Wu was employed by the company “China Electric Power Research Institute Co., Ltd.” Author Qing Duan was employed by the company “China Electric Power Research Institute Co., Ltd.” Author Huaimin Xia was employed by the company “State Grid Wuhan Power Supply Company”. The remaining authors declare that the research was conducted in the absence of any commercial or financial relationships that could be construed as a potential conflict of interest.
References
- National Development and Reform Commission; National Energy Administration. Guidelines for high-quality development of distribution networks under new circumstances. Pop. Util. Electr. 2024, 39, 8–11. [Google Scholar]
- Wu, Y.; Liu, H.; Xiao, Z.; Chen, Z.; Liu, P.; Hou, H.; Tang, A.; Cui, R. Review of incremental distribution network planning considering the uncertainty of source- network-load. Power Syst. Prot. Control. 2021, 49, 177–187. [Google Scholar]
- Ye, J.; Li, B.; Zhang, Y.; Li, M.; Shi, B.; Wang, H. Energy Storage Requirements and Configuration Analysis Based on Typical Characteristics of Global Energy Internet. Power Gener. Technol. 2021, 42, 20–30. [Google Scholar] [CrossRef]
- Song, C.; Zhao, D.; Yin, J.; Zhang, Q. Coordinated Control Strategy of AGC and AVC Based on Multi-Agent System. In Proceedings of the 2018 2nd IEEE Conference on Energy Internet and Energy System Integration (EI2), Beijing, China, 20–22 October 2018; pp. 1–5. [Google Scholar]
- Asuhaimi, F.; Bu, S.; Nadas, J.; Imran, M. Delay-aware energy-efficient joint power control and mode selection in device-to-device communications for FREEDM systems in smart grids. IEEE Access 2019, 7, 87369–87381. [Google Scholar] [CrossRef]
- Xia, M.; Chen, M.; Chen, Q. Rule-based energy buffer strategy of energy router considering efficiency optimization. Int. J. Electr. Power Energy Syst. 2021, 125, 28–30. [Google Scholar] [CrossRef]
- Wang, J.; Wu, D.; Liu, C.; Sun, Y.; Chi, E. Application of multi-source micro-network based on energy router in oil field system. Electrotech. Appl. 2024, 43, 70–75. [Google Scholar]
- Ma, W.; Tai, Y.; Wang, Y.; Jiao, L.; Jin, Q.; Zhang, J. Mode switching coordination control strategy of an electrical energy router for new energy access. Power Syst. Prot. Control. 2023, 51, 52–61. [Google Scholar]
- Zhu, Y.; Wu, H.; Zhang, Z.; Zong, C.; Bi, K.; Xu, D. Power flow calculation of AC—DC hybrid distribution network with energy routers. Jiangsu Electr. Eng. 2024, 43, 136–145. [Google Scholar]
- Liang, D.; Zhou, J.; Lv, X.; Dong, Y. Research on the application of power router in interconnected micronetworks. Mech. Electr. Inf. 2024, 2, 9. [Google Scholar]
- Sheng, W.; Duan, Q.; Liang, Y.; Meng, X.; Shi, C. Research of Power Distribution and Application Grid Structure and Equipment for Future Energy Internet. Proc. CSEE 2015, 35, 3760–3769. [Google Scholar]
- Jingyuan, L.; Srikantha, P. Adaptive topology reconfiguration in smart distribution networks. IEEE Trans. Signal Inf. Process. Netw. 2021, 7, 716–729. [Google Scholar]
- Wang, C.; Sun, C.; Peng, K.; Li, Y.; Wu, Z. Study on AC-DC Hybrid Power Flow Algorithm for Microgrid. Proc. CSEE 2013, 33, 8–15. [Google Scholar]
- Ye, X.; Liu, K.; Meng, X. Power flow calculation for AC/DC hybrid distribution networks with distributed power sources. Distrib. Util. 2016, 33, 23–26. [Google Scholar]
- Lei, J.; An, T.; Du, Z.; Yuan, Z. A Unified AC/DC Power Flow Algorithm with DC Distribution. Proc. CSEE 2016, 36, 911–918. [Google Scholar]
- Lei, J.; An, T.; Du, Z.; Yuan, Z. A General Unified AC/DC Power Flow Algorithm with MTDC. IEEE Trans. Power Syst. 2016, 32, 2837–2846. [Google Scholar] [CrossRef]
- Sheng, W.; Li, P.; Duan, Q.; Li, Z.; Zhu, C. Research on Energy Management Strategy of Energy Hub with Energy Router Based on Lyapunov Optimization Method. Proc. CSEE 2019, 39, 6212–6225. [Google Scholar]
- Sheng, W.; Lan, Z.; Duan, Q.; Li, Y.; Ma, C.; Li, Z. Study on Self Energy Storage Based Energy Router. Power Syst. Technol. 2017, 41, 387–393. [Google Scholar]
- Xu, Y.; Zhang, J.; Wang, W.; Juneja, A.; Bhattacharya, S. Energy router: Architectures and functionalities toward energy internet. In Proceedings of the 2011 IEEE International Conference on Smart Grid Communications, Brussels, Belgium, 17–20 October 2011; IEEE: New York, NY, USA, 2011; pp. 31–36. [Google Scholar]
- Zheng, J.; Zhao, Z.; Shi, B.; Yu, Z.; Ju, J.; Fan, Z. A discrete state event driven simulation based losses analysis for multi-terminal megawatt power electronic transformer. CES Trans. Electr. Mach. Syst. 2020, 4, 275–284. [Google Scholar] [CrossRef]
- Zhang, Z.; Zheng, J.; Gui, Y.; Liu, Z.; Zhu, S. Multi-objective Optimal Operation of AC/DC Hybrid Microgrid Considering the Combination of Electric Energy Router Control Modes. In Proceedings of the 2021 IEEE Sustainable Power and Energy Conference (iSPEC), Nanjing, China, 23–25 December 2021; pp. 1430–1437. [Google Scholar]
- Peng, Q.; Qu, L.; Yuan, Z.; Wang, X.; Chen, Y.; Tian, B. Optimal Scheduling Strategy of AC/DC Hybrid Distribution Network Based on Power Electronic Transformer. Energies 2021, 14, 3219. [Google Scholar] [CrossRef]
- Rong, X.; Zhang, H.; Jia, C.; Zhao, J.; Ma, G.; He, Y. Power flow calculation of AC/DC hybrid distribution network considering energy router. In Proceedings of the Fifth International Conference on Energy Engineering and Environmental Protection, Xiamen, China, 17–19 November 2020; Volume 675, p. 012071. [Google Scholar]
- Luo, S.; Luan, L.; Cui, Y.; Xu, S.; Guo, Q.; Liu, T. Study on Optimal Operation of AC-DC Hybrid Distribution Network. J. Phys. Conf. Ser. 2021, 1952, 032025. [Google Scholar] [CrossRef]
- Bo, L.; Chen, Z.; Li, X.; Rodriguez, J.; Chong, K. Low voltage ride through enhancement of a permanent magnet synchronous generator based wind energy conversion system in an islanded microgrid: A dynamic matrix controlled virtual DC machine. Renew. Energy 2023, 228, 120680. [Google Scholar] [CrossRef]
- Wang, W.; Barnes, M. Power flow algorithms for multi-terminal VSC-HVDC with droop control. IEEE Trans. Power Syst. 2014, 29, 1721–1730. [Google Scholar] [CrossRef]
- Zhu, Y.; Wu, H.; Zhang, Z.; Zong, C.; Xu, D. Optimal power flow research of AC–DC hybrid grid with multiple energy routers. Electr. Power Syst. Res. 2024, 228, 110090. [Google Scholar] [CrossRef]
- Wang, J.; Ye, W.; Dong, Z.; Yu, J.; Peng, L.; Zheng, L. The Three-Level NPC Converter Based Energy Router and Its Application in Flexible Distribution Network Control. In Proceedings of the 2022 IEEE/IAS Industrial and Commercial Power System Asia (I&CPS Asia), Shanghai, China, 8–11 July 2022; pp. 978–983. [Google Scholar]
- Li, B.; Wang, W.; Liu, Y.; Li, B.; Wen, W. Research on power flow calculation method of true bipolar VSC-HVDC grids with different operation modes and control strategies. Int. J. Electr. Power Energy Syst. 2021, 126, 106558. [Google Scholar] [CrossRef]
- Chen, X.; Li, W.; Sun, L.; Xu, X. Power flow algorithm of DC distribution network with distributed energy access. In Proceedings of the 2018 International Conference on Power System Technology (POWERCON), Guangzhou, China, 6–9 November 2018; pp. 2414–2419. [Google Scholar]
- Ban, G.; Xu, Y.; Luo, Y.; Jian, L.; Ma, X.; Yuan, X. Flow Calculation of Flexible Interconnected Distribution Network with SOP. In Proceedings of the 2021 IEEE Sustainable Power and Energy Conference (iSPEC), Nanjing, China, 23–25 December 2021; pp. 1562–1569. [Google Scholar]
- Liu, Y.; Wang, Y.; Deng, H.; Tian, J.; Wang, F.; Zhuo, F. Research on Multi-Objective Optimization Scheme in Multi-Node Energy-Router-Based Network. In Proceedings of the 2023 IEEE 14th International Symposium on Power Electronics for Distributed Generation Systems (PEDG), Shanghai, China, 9–12 June 2023; pp. 613–619. [Google Scholar]
- Zhong, R.; Teng, Y.; Wang, X.; Zhu, Y.; Zhang, H. Probabilistic Optimal Power Flow Calculation of AC/DC Hybrid Distribution Network with Photovoltaic Power and Electric Vehicles. In Proceedings of the 2018 International Conference on Power System Technology (POWERCON), Guangzhou, China, 6–9 November 2018; pp. 20–27. [Google Scholar]
- Zhang, J.; Wang, B.; Ma, H.; He, Y.; Wang, Y.; Xue, Z. Reliability Evaluation of Cabled Active Distribution Network Considering Multiple Devices—A Generalized MILP Model. Processes 2023, 11, 3404. [Google Scholar] [CrossRef]
- Zhao, J.; Zhang, M.; Zhao, B.; Du, X.; Zhang, H.; Shang, L.; Wang, C. Integrated Reactive Power Optimisation for Power Grids Containing Large-Scale Wind Power Based on Improved HHO Algorithm. Sustainability 2022, 15, 12962. [Google Scholar] [CrossRef]
- Balasubramaniam, K.; Saraf, P.; Hadidi, R.; Makram, E.B. Energy management system for enhanced resiliency of microgrids during islanded operation. Electr. Power Syst. Res. 2016, 137, 133–141. [Google Scholar] [CrossRef]
- Ning, L.; Xie, C.; Bai, H.; Wu, D. The amelioration of control strategy of VSC-MTDC based on voltage droop control. In Proceedings of the 2017 2nd International Conference on Power and Renewable Energy (ICPRE), Chengdu, China, 20–23 September 2017; pp. 157–161. [Google Scholar]
- Alahmadi, A.; Chung, T.S. An Effective Selection of Memory Technologies for TCAM to Improve the Search Operations: Demonstration of Memory Efficiency in SDN Recovery. Electronics 2023, 13, 707. [Google Scholar] [CrossRef]
- Liu, Z.; Wang, J.; Guo, G.; Feng, K.; Zhan, X.; Peng, F.; Gong, D.; Tang, A.; Lulu, M.; Xiang, C. Research on the minimum network loss optimization control strategy of the active distribution network based on the distributed power flow controller. Front. Energy Res. 2024, 12, 1333171. [Google Scholar] [CrossRef]
- Zhu, L.; Rong, X.; Zhao, J.; Zhang, H.; Zhang, H.; Jia, C.; Ma, G. Topology optimization of AC/DC hybrid distribution network with energy router based on power flow calculation. Energy Rep. 2022, 8, 1622–1638. [Google Scholar] [CrossRef]
- Gilvanejad, M. A distributed energy resources control method to improve the loading profile of radial distribution feeders using solid-state transformer. Electr. Power Syst. Res. 2024, 228, 110110. [Google Scholar] [CrossRef]
- Shi, C.; Jin, G.; Yang, M.; Pan, D. Power flow calculation of chain-type AC-DC hybrid distribution network based on converter parameter identification. In Proceedings of the 2020 5th Asia Conference on Power and Electrical Engineering (ACPEE), Chengdu, China, 4–7 June 2020; pp. 1193–1196. [Google Scholar]
- Zhu, Z.; Liu, D.; Liao, Q.; Tang, F.; Zhang, J.; Jiang, H. Optimal Power Scheduling for a Medium Voltage AC/DC Hybrid Distribution Network. Sustainability 2018, 10, 318. [Google Scholar] [CrossRef]
- Wei, W.; Zhou, Y.; Zhu, J.; Hou, K.; Zhao, H.; Li, Z.; Xu, T. Reliability Assessment for AC/DC Hybrid Distribution Network with High Penetration of Renewable Energy. IEEE Access 2019, 7, 153141–153150. [Google Scholar] [CrossRef]
- Huang, L.; Zong, C.; Yang, X.; Chen, W.; Zhu, Y.; Bi, K. Power Flow Calculation of Distribution Network with Multiple Energy Routers. IEEE Access 2021, 9, 23489–23497. [Google Scholar] [CrossRef]
- Khanh, Q.B. A novel method for global voltage sag compensation in IEEE 69 bus distribution system by dynamic voltage restorers. Therm. Sci. Eng. Prog. 2019, 14, 1893–1911. [Google Scholar]
- Fan, Y.; Chi, Y.; Li, Y.; Wang, Z.; Liu, H.; Liu, W.; Li, X. Key technologies for medium and low voltage DC distribution system. Glob. Energy Interconnect. 2021, 4, 91–103. [Google Scholar] [CrossRef]
- Wang, J.; Yan, J.; Xu, Y.; Huang, K. Power flow calculation method for isolated microgrid considering the influence of harmonic power. J. Eng. 2017, 14, 2615–2621. [Google Scholar] [CrossRef]
- Shen, Y.; Zhu, F.; Zhang, C.; Cai, W.; Yuan, L.; Li, K.; Zhao, Z. Steady-state model of multi-port electric energy router and power flow analysis method of AC/DC hybrid system considering control strategies. J. Eng. 2019, 16, 2794–2799. [Google Scholar] [CrossRef]
Disclaimer/Publisher’s Note: The statements, opinions and data contained in all publications are solely those of the individual author(s) and contributor(s) and not of MDPI and/or the editor(s). MDPI and/or the editor(s) disclaim responsibility for any injury to people or property resulting from any ideas, methods, instructions or products referred to in the content. |
© 2024 by the authors. Licensee MDPI, Basel, Switzerland. This article is an open access article distributed under the terms and conditions of the Creative Commons Attribution (CC BY) license (https://creativecommons.org/licenses/by/4.0/).








