Design of a Broadband MMIC Driver Amplifier with Enhanced Feedback and Temperature Compensation Technique
Abstract
1. Introduction
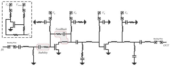
2. Broadband Driver Amplifier Design
2.1. Enhanced Feedback
2.2. Temperature Compensation Bias Circuit
3. Experimental Results
4. Conclusions
Author Contributions
Funding
Conflicts of Interest
References
- Chen, Y.F.; Quan, J.H.; Liu, Y.G.; Hu, L.L. A 6–18 GHz broadband power amplifier MMIC with excellent efficiency. J. Semicond. 2014, 35, 015007. [Google Scholar] [CrossRef]
- Meghdadi, M.; Medi, A. Design of 6–18-GHz High-Power Amplifier in GaAs pHEMT Technology. IEEE Trans. Microw. Theory Tech. 2017, 65, 2353–2360. [Google Scholar] [CrossRef]
- Oreja-Gigorro, E.; Pascual, E.D.; Sánchez-Martínez, J.J.; Gil-Heras, M.L.; Bueno-Fernández, V.; Bódalo-Marquez, A.; Grajal, J. A 6–18 GHz GaN on SiC high power amplifier MMIC for electronic warfare. In Proceedings of the 2018 13th European Microwave Integrated Circuits Conference (EuMIC), Madrid, Spain, 23-25 September 2018; pp. 85–88. [Google Scholar]
- Sutbas, B.; Ozipek, U.; Gurdal, A.; Ozbay, E. A 6–18 GHz GaN Power Amplifier MMIC with High Gain and High Output Power Density. In Proceedings of the 2019 European Microwave Conference in Central Europe (EuMCE), Prague, Czech Republic, 13–15 May 2019; pp. 2–5. [Google Scholar]
- Lee, H.; Lee, W.; Kim, T.; Helaoui, M.; Ghannouchi, F.M.; Yang, Y. 6–18 GHz GaAs pHEMT Broadband Power Amplifier Based on Dual-Frequency Selective Impedance Matching Technique. IEEE Access 2019, 7, 66275–66280. [Google Scholar] [CrossRef]
- Mohammadi Shirkolaei, M. A New Design Approach of Low-Noise Stable Broadband Microwave Amplifier Using Hybrid Optimization Method. IETE J. Res. 2020, 2020, 1–7. [Google Scholar] [CrossRef]
- Santhakumar, R.; Thibeault, B.; Higashiwaki, M.; Keller, S.; Chen, Z.; Mishra, U.K.; York, R.A. Two–Stage High–Gain High–Power Distributed Amplifier Using Dual–Gate GaN HEMTs. IEEE Trans. Microw. Theory Tech. 2011, 59, 2059–2063. [Google Scholar] [CrossRef]
- Kerherve, E.; Demirel, N.; Ghiotto, A.; Larie, A.; Deltimple, N.; Pham, J.M.; Mancuso, Y.; Garrec, P. A Broadband 4.5–15.5–GHz SiGe Power Amplifier With 25.5–dBm Peak Saturated Output Power and 28.7% Maximum PAE. IEEE Trans. Microw. Theory Tech. 2015, 63, 1621–1632. [Google Scholar] [CrossRef]
- Jeong, J.C.; Yom, I.B.; Kim, J.D.; Lee, W.Y.; Lee, C.H. A 6–18–GHz GaAs Multifunction Chip With 8–bit True Time Delay and 7-bit Amplitude Control. IEEE Trans. Microw. Theory Tech. 2018, 66, 2220–2230. [Google Scholar] [CrossRef]
- Lee, S.; Park, H.; Kim, J.; Kwon, Y. A 6–18 GHz GaN pHEMT power amplifier using non-foster matching. In Proceedings of the 2015 IEEE MTT-S International Microwave Symposium (IMS2015), Phoenix, AZ, USA, 17–22 May 2015; pp. 1–4. [Google Scholar]
- Oh, S.; Yoo, E.; Oh, H.; Koo, H.; Shin, J.; Hwang, K.C.; Lee, K.Y.; Yang, Y. Frequency Selective Degeneration for 6–18 GHz GaAs pHEMT Broadband Power Amplifier Integrated Circuit. Electronics 2020, 9, 1588. [Google Scholar] [CrossRef]
- Chang, H.Y.; Liu, Y.C.; Weng, S.H.; Lin, C.H.; Yeh, Y.L.; Wang, Y.C. An Ultra–wideband GaAs pHEMT Distributed Power Amplifier. In Proceedings of the 2019 IEEE 4th Advanced Information Technology, Electronic and Automation Control Conference (IAEAC), Chengdu, China, 20–22 December 2019; pp. 2144–2147. [Google Scholar]
- Lin, Q.; Wu, H.F.; Hua, Y.N.; Chen, Y.J.; Hu, L.L.; Liu, L.S.; Chen, S.J. A 2–20-GHz 10–W High–Efficiency GaN Power Amplifier Using Reactive Matching Technique. IEEE Trans. Microw. Theory Tech. 2020, 68, 3148–3158. [Google Scholar] [CrossRef]
- Pang, J.Z.; Chu, C.H.; Li, Y.; Zhu, A. Broadband RF–Input Continuous Mode Load Modulated Balanced Power Amplifier With Input Phase Adjustment. IEEE Trans. Microw. Theory Tech. 2020, 68, 4466–4478. [Google Scholar] [CrossRef]
- Shin, D. H; Yom, I.B.; Kim, D.W. 6--GHz--to--18--GHz AlGaN/GaN Cascaded Nonuniform Distributed Power Amplifier MMIC Using Load Modulation of Increased Series Gate Capacitance. ETRI J. 2017, 39, 737–745. [Google Scholar] [CrossRef]
- Hamza, K.H.; Nirmal, D. A review of GaN HEMT broadband power amplifiers. AEU-Int. J. Electron. Commun. 2020, 116, 153040. [Google Scholar] [CrossRef]
- Florian, C.; Traverso, P.T.; Santarelli, A. A Ka-Band MMIC LNA in GaN-on-Si 100-nm Technology for High Dynamic Range Radar Receivers. IEEE Microw. Wirel. Compon. Lett. 2021, 31, 161–164. [Google Scholar] [CrossRef]
- Marsh, S.P. MMIC power splitting and combining techniques. Des. Rfics Mmics 1997, 391, 1–6. [Google Scholar]
- Peng, L.; Chen, J.; Zhang, Z.; Huang, Y.; Wang, T.; Zhang, G. Design of broadband high-gain GaN MMIC power amplifier based on reactive/resistive matching and feedback technique. IEICE Electron. Express 2021, 18, 20210313. [Google Scholar] [CrossRef]
- Kim, K.; Seo, M.; Jeon, J.; Kim, M.; Kim, H.; Lim, H.; Park, C.; Yang, Y. Design of a broadband power amplifier using an optimized feedback network. Microw. Opt. Technol. Lett. 2011, 53, 2846–2851. [Google Scholar] [CrossRef]
- Pozar, D.M. Microwave Engineering, 4nd ed.; John Wiley & Sons: Hoboken, NJ, USA, 2011; pp. 154–196. [Google Scholar]
- Bahl, I. Fundamentals of RF and Microwave Transistor Amplifiers; John Wiley & Sons: Hoboken, NJ, USA, 2009; pp. 479–490. [Google Scholar]
- Zhang, J.; Liu, T.J.; Ye, Y.; Peng, Y.; Zhang, Y.; Lin, H. Automatic temperature compensation software for RF power amplifiers. In Proceedings of the 2011 International Conference on Electronics, Communications and Control (ICECC), Ningbo, China, 9–11 September 2011; pp. 1909–1912. [Google Scholar]
- Li, W.T.; Wang, S.M.; Lin, G.C. A WLAN RF CMOS power amplifier with power detector, high harmonic suppression, and temperature compensation. In Proceedings of the 2015 European Microwave Conference (EuMC), Paris, France, 7–10 September 2015; pp. 436–439. [Google Scholar]
- Chen, C.; Xu, X.; Yang, X.; Sugiura, T.; Yoshimasu, T. A 20–30 GHz high efficiency power amplifier IC with an adaptive bias circuit in 130-nm SiGe BiCMOS. In Proceedings of the 2017 IEEE 17th Topical Meeting on Silicon Monolithic Integrated Circuits in RF Systems, Phoenix, AZ, USA, 15–18 January 2017; pp. 88–90. [Google Scholar]
- Gaddour, A.; Dghais, W.; Hamdi, B.; Ben Ali, M. Temperature Compensation Circuit for ISFET Sensor. J. Low Power Electron. Appl. 2020, 10, 2. [Google Scholar] [CrossRef]
- Tian, Y.; Wang, G.; Yang, J.; Tong, W.; Cao, Y.; Chen, Y.J.; Yang, G.; Song, Y.X. A Ka–band TDD front–end chip with 24.7% bandwidth and temperature compensation technology. IEICE Electron. Express 2017, 14, 20170350. [Google Scholar] [CrossRef][Green Version]
- Bowick, C. RF Circuit Design; Elsevier: Amsterdam, The Netherlands, 2011; pp. 447–468. [Google Scholar]












| Stage | First Stage | Second Stage |
|---|---|---|
| Size (m) | 4 × 40 | 4 × 80 |
| Z () | 38 + j*42 | 35 + j*29 |
| Z () | 18 + j*25 | 10 + j*12 |
| Reference | Process | Structure | Freq (GHz) | BW (%) | Gain (dB) | IRL (dB) | ORL (dB) | Pout (dBm) | Size (mm) |
|---|---|---|---|---|---|---|---|---|---|
| [5] | 0.15 m GaAs | Two-stage | 6–18 | 100 | 17.4 | <−8 | N/A | 19.2 | 1.2 × 0.82 |
| [7] | 0.2 m GaN | Distributed | 2–18 | 160 | 19.5 | <−14 | <−5 | 26 | 4 × 2 |
| [9] | 0.25 m GaAs | Two-stage | 6–18 | 100 | 12 | <−10 | <−9 | 15 | 5 × 2 |
| [19] | 0.1 m GaN | Two-stage | 22–27 | 20.1 | 24 | <−9 | <−10 | 30 | 1.8 × 0.87 |
| This work | 0.25 m GaN | Two-stage | 6–20 | 108 | 12.5 | <−14 | <−8 | 26 | 1.5 × 1.2 |
Publisher’s Note: MDPI stays neutral with regard to jurisdictional claims in published maps and institutional affiliations. |
© 2022 by the authors. Licensee MDPI, Basel, Switzerland. This article is an open access article distributed under the terms and conditions of the Creative Commons Attribution (CC BY) license (https://creativecommons.org/licenses/by/4.0/).
Share and Cite
Zhang, S.; Wan, J.; Zhao, J.; Yang, Z.; Yan, Y.; Liang, X. Design of a Broadband MMIC Driver Amplifier with Enhanced Feedback and Temperature Compensation Technique. Electronics 2022, 11, 498. https://doi.org/10.3390/electronics11030498
Zhang S, Wan J, Zhao J, Yang Z, Yan Y, Liang X. Design of a Broadband MMIC Driver Amplifier with Enhanced Feedback and Temperature Compensation Technique. Electronics. 2022; 11(3):498. https://doi.org/10.3390/electronics11030498
Chicago/Turabian StyleZhang, Shengli, Jing Wan, Jinxiang Zhao, Zhe Yang, Yuepeng Yan, and Xiaoxin Liang. 2022. "Design of a Broadband MMIC Driver Amplifier with Enhanced Feedback and Temperature Compensation Technique" Electronics 11, no. 3: 498. https://doi.org/10.3390/electronics11030498
APA StyleZhang, S., Wan, J., Zhao, J., Yang, Z., Yan, Y., & Liang, X. (2022). Design of a Broadband MMIC Driver Amplifier with Enhanced Feedback and Temperature Compensation Technique. Electronics, 11(3), 498. https://doi.org/10.3390/electronics11030498

