Abstract
Low-power portable devices play a major role in IoT applications, where the analog-to-digital converters (ADCs) are very important components for the processing of analog signals. In this paper, a 5-bit two-step flash ADC with a low-power double-tail dynamic comparator (DTDC) using the control switching technique is presented. The most significant bit (MSB) in the proposed design is produced by only one low-power DTDC in the first stage, and the remaining bits are generated by the flash ADC in the second stage with the help of an auto-control circuit. A control circuit produced reference voltages with respect to the control input and mid-point voltage (). The proposed design and simulations are carried out using 90 nm CMOS technology. The result shows that the peak differential non-linearity (DNL) and integral non-linearity (INL) are +0.60/−0.69 and +0.66/−0.40 LSB, respectively. The signal-to-noise and distortion ratio (SNDR) for an input signal having a frequency of 1.75 MHz is found to be 30.31 dB. The total power consumption of the proposed design is significantly reduced, which is 439.178 W for a supply voltage of 1.2 V. The figure of merit (FOM) is about 0.054 pJ/conversion step at 250 MS/s. The present design provides low power consumption and occupies less area compared to the existing works.
1. Introduction
Portable devices may now use high-speed applications because of scalable silicon technologies. The analog-to-digital converters (ADCs) play an extremely vital role as a standalone device or a component of the system in mixed-signal design circuits. ADCs are widely used in many different applications, including consumer electronics, health-care systems, IoT, and communication systems [1,2,3,4,5]. Different ADC architectures are available for converting analog signals to digital signals. Each has advantages and drawbacks of its own. Applications demanding high speed and low resolution often choose the flash ADC architecture [6]. The flash ADCs are typically expensive and consume more power due to the large number of transistors, as they require − 1 comparators and resistors for a N-bit resolution. The core of flash ADC architecture is a comparator circuit that impacts the offset voltage, speed, and power consumption [7,8].
Several types of comparators have been developed to design flash ADC architecture. The static comparators were frequently used in the earlier designs, but the higher power consumption makes design inappropriate for low-power electronic applications. Hence, dynamic latch comparators were developed to improve the power efficiency; they are suitable for high-frequency applications and use timed operation and transient phases to provide faster decision-making and lower power consumption than static comparators. A single-stage dynamic comparator was developed in [9]. It has single path for the current, which flows through the entire circuit during switching. This may cause large transient currents, leading to higher power consumption. Also, a single-stage dynamic comparator suffers from kickback noise due to the presence of parasitic capacitors between the input and output nodes of the comparator structure. Hence, double-tail dynamic comparators (DTDCs) are recommended in order to reduce kickback noise and improve the offset versus speed since the double-tail comparator is inherently differential, which helps to reduce kickback noise. This noise cancelation effect is further enhanced by making sure that the differential pairs in the comparator are symmetric and well matched [10]. Even though the DTDC performs well, it falls short in low-power applications. Many methods have recently been reported for improving the DTDC’s power consumption. A DTDC [11] is designed to reduce power consumption up to 51 W with 152 ps delay. A DTDC [12] decreases power use to 188.9 W at a frequency of 500 MHz and a 1 V supply. The DTDC [13] design has a low power consumption of 79.260 W with a 1.2 V supply voltage using 90 nm technology. However, designing a high-speed DTDC with a low-offset voltage becomes more complex with a low supply voltage. Further, to improve the power of a comparator, a proposed DTDC is used to develop flash ADC architecture.
In addition, various designs have been developed to improve power usage of ADC architecture, such as the SAR ADC [14,15,16] and the two-step SAR ADC [17,18]. However SAR ADCs offer high resolution and power efficiency but are slower due to the sequential nature of their operation. Flash ADCs have exceptionally quick conversion speeds but are limited in resolution and consume more power due to their parallel architecture when compared to SAR ADCs. In addition, hybrid flash ADCs [19], folding flash ADCs [20], and flash ADCs with time-domain latch interpolation techniques [21,22] are presented to lower the power consumption of the ADC architecture. Furthermore, a novel flash ADC architecture is proposed to reduce power consumption and area. The main objective of this work is to design a low-power, two-step flash ADC with limited resources in comparison to the existing works. The proposed two-step flash ADC architecture is designed with a control switching technique. The MSB is decided by a single low-power DTDC in the first stage, and the remaining bits are generated by a flash ADC in the second stage. Compared to conventional and other existing two-step flash ADCs, the proposed two-step ADC design requires less power and fewer comparators. In order to reduce power consumption, a low-power double-tail dynamic comparator (DTDC) is introduced to all comparators in the proposed architecture. Moreover, in the present architecture, a mux-based encoder is employed, which is suitable for low-power applications and requires less hardware.
2. Proposed ADC Architecture
The proposed design mainly reduces the circuit complexity and power consumption. There are two steps in this ADC architecture:
The most significant bit (MSB) of a two-step flash ADC is provided by only one proposed DTDC in the first stage, and the remaining bits are generated in the second stage, as shown in Figure 1. The present design needed only ( + 1) comparators, whereas the N-bit flash ADC requires ( − 1) comparators. Generally, to design a 5-bit conventional flash ADC architecture requires 31 comparators, whereas the proposed architecture needs only 17 comparators ( + 1). Hence, the number of comparators is reduced to almost half, resulting in reduced area and power consumption.
Figure 1.
Block diagram of proposed N-bit two-step flash ADC.
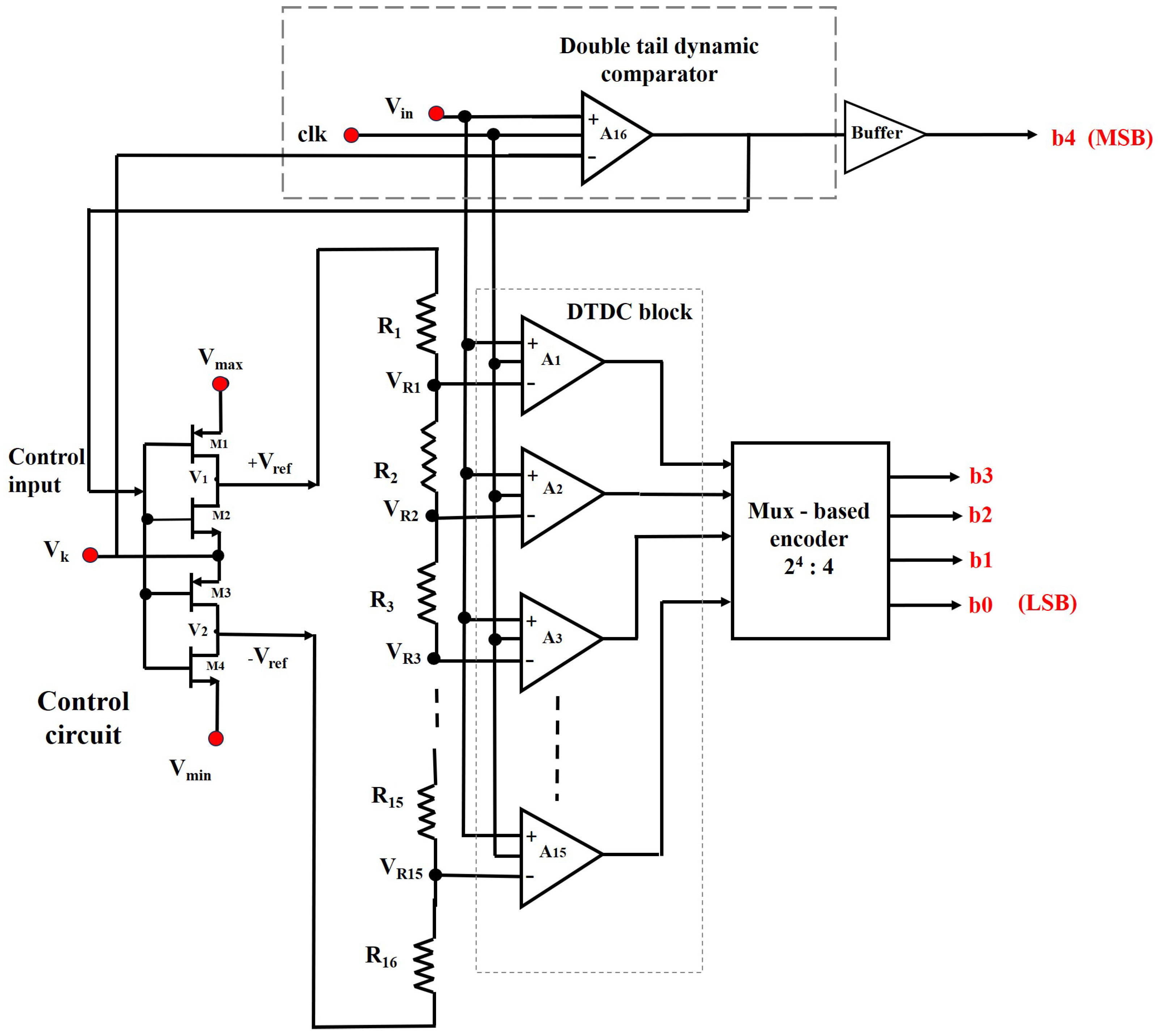
The proposed 5-bit two-step flash ADC design consists of a control switching circuit, low-power DTDC, delay circuit, and a mux-based encoder, as shown in Figure 2. The functions of the proposed architecture are as follows: The low-power DTDC is used in the both stages, and the output of the first stage of DTDC is produced by comparing the analog input voltage () to the mid-point voltage (). When > , MSB output goes to high, and when < , MSB output goes to low. The output of the first-stage DTDC is given to the control switching circuit as a control input, where the voltages are equally divided into half with respect to the maximum and minimum voltages of the control circuit.
Figure 2.
Schematic diagram of proposed 5-bit flash ADC.
Auto-switched reference voltages + and − are produced by a control circuit in relation to the control input and mid-point voltage (). The output control circuit switches to logic low if the control input exceeds the mid-point voltage (); otherwise, it goes to logic high. For every DTDC, the resistive divider network offers a different input reference voltage. The voltage level at each node is distributed uniformly between + and − since all of the resistor values are equal. Every node of the resistive divider network has its voltage simultaneously compared by these parallel low-power DTDC comparators with analog input voltage () and different reference voltages (). The thermometer codes are generated by the low-power DTDCs of the second stage, with respect to the various differential input voltages. Using a mux-based encoder, the thermometer code can be converted to binary code. A mux-based encoder may have low static power dissipation since there is no leakage current channel. Reverse bias current and sub-threshold current both contribute to leakage current, which is the current that passes through a transistor after it has been switched off. As a result, the power consumption of the suggested architecture is significantly reduced.
2.1. Double-Tail Dynamic Comparator (DTDC)
The low-power DTDC is utilized in the proposed flash ADC architecture to enhance performance in low-power applications. The schematic diagram of a DTDC is shown in Figure 3. In the present design, two switching PMOS transistors, MR4 and MR5, are introduced to the latch stage.
Figure 3.
Schematic diagram of double tail dynamic comparator.
The high-current path and large overdrive voltage of transistors MR4 and MR5 are designed to achieve quick switching speed. When clock (clk) is low, transistors / are turned off, and transistors M3 and M4 are turned on. This causes transistors MC1 and MC2 to be cut off. Moreover, preamplifier nodes and are drawn to ; while MR4 and MR5 are off, transistors MR1 and MR2’s latch stage is activated, causing the output nodes / to be discharged to ground. When clk is high during the regeneration phase, transistors / are turned on, while transistors M3/M4 are turned off. The output nodes of the preamplifier and start to discharge from the .
If > , the node falls faster than because transistor M1 has a higher current than transistor M2. When constantly decreases, transistor MC2 starts to turn on, bringing the node to return to . Meanwhile, transistor MC1 stays off, allowing to be completely discharged. The response of nodes and are connected to the positive feedback latch, which turns transistor MR5 on and MR4 off. As a result, the output nodes and are pushed up to and down to zero potential, respectively, with a very fast rate. Introducing the two PMOS transistors MR4 and MR5 into the controlled reset phase of the DTDC makes the internal nodes of the reset phase discharge gradually. This lowers excess current during the reset operation, leading to reduced power consumption of the DTDC, which impacts the overall power consumption of the proposed ADC architecture.
2.2. Control Circuit
The role of the control circuit is to provide an automatically switched reference voltage to the second stage of the two-step flash ADC. The schematic of the control circuit is shown in Figure 4. The control circuit is developed by selecting the appropriate transistor size to produce two CMOS inverters with equal threshold voltages and identical characteristics. If the NMOS and PMOS transistors are turned on simultaneously, the CMOS inverter may experience a short-circuit current. As a result, power losses from the short-circuit current account for only a small portion of dynamic power consumption. A high value of for load resistance can be employed to reduce the impacts of variation in the potential difference. Transconductance, switching threshold voltage, and transistor size are all significant electrical parameters to consider while designing a CMOS inverter.
Figure 4.
Circuit diagram of control circuit.
The following Equation (1) represents the ratio of the NMOS and PMOS transconductance parameters:
where and are the transconductance parameters of the PMOS and NMOS transistors, and are the process transconductance parameters of the PMOS and NMOS transistors, W/L is the channel width and length of the MOS transistor, represents the transconductance parameter ratio of the NMOS and PMOS transistors. The switching threshold voltage of the inverter () can be found using Equation (2)
where represents the NMOS transistor’s threshold voltage and represents the PMOS transistor’s threshold voltage.
The size of the MOS transistors will influence the CMOS inverter’s characteristics. Equation (3) gives an expression for the transistor size in PMOS and NMOS for an ideal CMOS inverter threshold voltage of = /2.
Equation (4) represents the control circuit’s auto-switching mechanism, which generates reference voltages based on the control input signal and the mid-point voltage ().
where and represent the minimum and maximum values of the analog input signal, respectively. The operation of control circuit is as follows: The saturation of transistor M1 allows node V1 to charge up to while the control input is at logic low, and transistor M3 saturation permits node V2 to charge up to . Similarly, nodes V2 and V1 discharge to and , respectively, when the control input is logic high due to transistor M2 and M4 saturation. When an adequate amount of current flows through the load resistor, the potential difference between nodes V1 and V2 changes significantly.
2.3. Mux-Based Thermometer-to-Binary Encoder
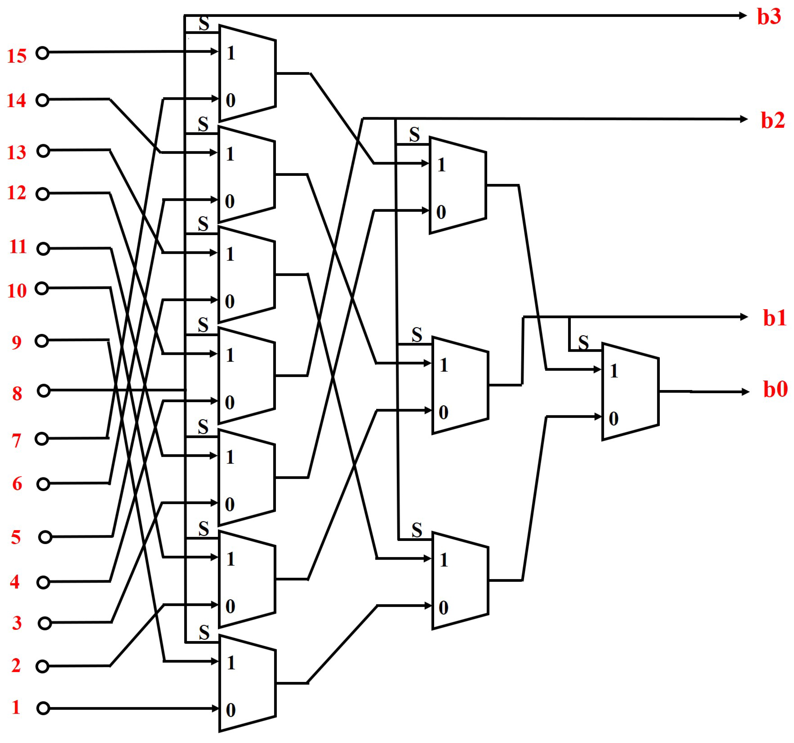
There are various approaches for implementing an encoder circuit that converts thermometer code to binary data. Converting the thermometer code into binary code is an essential part of designing a high-speed flash ADC. The most typical method of converting thermometer code to binary code is the ROM-based encoder [22]. However, it is simple to use but consumes more power. A fat-tree encoder has a more complicated circuit architecture and is faster but requires more space. Mux-based encoders can be more affordable because of their simpler circuit design and lower component count. Hence, mux-based encoders are more appropriate for circuits that require low power consumption.
Figure 5 depicts the circuit diagram of a 16:4 mux-based encoder, which uses a 2:1 mux. A simple and efficient 2:1 mux architecture employs four sets of two NAND gates. The encoding technique of the mux-based encoder employs the binary search approach to convert thermometer code into binary code.
Figure 5.
Circuit diagram of mux-based encoder.
3. Simulation Results
The proposed 5-bit two-step flash ADC is carried out in 90 nm CMOS technology with a supply voltage of 1.2 V and a sampling frequency () of 250 MHz. Figure 6 depicts the transient analysis of low-power DTDC with differential inputs = 1.2 V and = 0.6 V. The result demonstrates that when > , the comparator’s output switches to logic high. Similarly, when < , the comparator output becomes logic low.
Figure 6.
Transient simulation of low-power DTDC.
Figure 7 illustrates the transient response of the control circuit. The output response is obtained within the time range of 0 to 3 s. When the control input is logic high, the output voltage + discharges from 1.2 V to 0.6 V, while − discharges from 0.6 V to 0 V. Similarly, when the control input is logic low, the output node voltage + is charged up to 1.2 V and the node voltage − is charged up to 0.6 V.
Figure 7.
Transient simulation of control circuit.
Figure 8 depicts the DC analysis, which exhibits a voltage transfer characteristics (VTC) curve in which two reference voltages + and − switch around the mid-point voltage 0.6 V. When the control input exceeds the mid-point voltage (), the maximum reference voltage (+) ranges from 1.2 to 0.6 V. The minimum reference voltage (−) ranges from 0.6 V to 0 V when the control input is less than the mid-point point voltage.
Figure 8.
DC simulation of control circuit.
Figure 9 displays the performance of the proposed 5-bit two-step flash ADC architecture, analyzed by the transient response. The digital codes ranging from 0 to 31 are acquired at the output of a mux-based encoder in accordance with the generation of an input ramp signal. Thus, the MSB bit is generated by a single DTDC, while the remaining bits are derived from the second stage of a two-step flash ADC.
Figure 9.
Post-layout simulation of 5-bit proposed two-step flash ADC.
Figure 10 presents simulated FFT plots at a low frequency of 1.75 MHz, whereas Figure 11 displays a Nyquist input plot of simulated SNDR and SFDR at a sampling rate of 250 MS/s. The SNDR and SFDR at low input frequencies are 30.31 dB and 34.40 dB, respectively. The corresponding ENOB is 4.723 bits. As the input frequency approaches the Nyquist frequency, the SNDR and SFDR degrade to 28.31 dB and 33.6 dB, respectively.
Figure 10.
Spectral plot of low input frequency 1.75 MHz at 250 MS/s after post-layout simulation.
Figure 11.
Spectral plot of Nyquist frequency 121.09 MHz at 250 MS/s after post-layout simulation.
Figure 12a,b show Monte-Carlo simulations of SNR and SINAD, respectively. The standard deviations of SNR and SINAD are 0.29 dB and 0.271 dB, respectively. Figure 13a,b depicts Monte-Carlo simulations of SFDR and SNDR, with standard deviations of 0.26 dB and 0.29 dB, respectively. Figure 14a,b indicate that the maximum DNL and INL are −0.60/+0.66 LSB and −0.69/+0.40 LSB, respectively.
Figure 12.
Monte-Carlo simulation of (a) SNR and (b) SINAD for low input 1.75 MHz at 250 MS/s after post-layout simulation for 200 runs.
Figure 13.
Monte-Carlo simulation of (a) SFDR and (b) SNDR for input 1.75 MHz at 250 MS/s after post-layout simulation.
Figure 14.
Post-layout simulations: (a) DNL and (b) INL.
Figure 15a,b depict Monte-Carlo simulations of DNL and INL, respectively. Figure 16a,b present the layout design of the control circuit and DTDC comparator, respectively. Figure 17 shows the layout design of the proposed two-step flash ADC. After verifying the design rule check (DRC) and layout versus schematic (LVS), a post-layout simulation is performed. The post-layout simulation yielded an overall power consumption of 439.178 W. The 5-bit two-step flash ADC architecture has a total area of 123 × 112 (m × m).
Figure 15.
Monte-Carlo simulation: (a) DNL and (b) INL after post-layout simulation for 200 runs.
Figure 16.
Post-layout of (a) control circuit and (b) double-tail dynamic comparator.
Figure 17.
Layout of proposed 5-bit two-step flash ADC.
Figure 18 depicts a Monte-Carlo simulation of overall power consumption. The figure of merit (FOM) is used to compare ADC performance and can be calculated using Equation (5).
where P is the power dissipation, ENOB is the effective number of bits, and is the sampling frequency. The proposed ADC achieves an FOM of 54.89 fJ/conversion step and employs comparator redundancy as an affordable approach for developing low-power two-step flash ADCs.
Figure 18.
Monte-Carlo simulation of total power consumption with 200 runs.
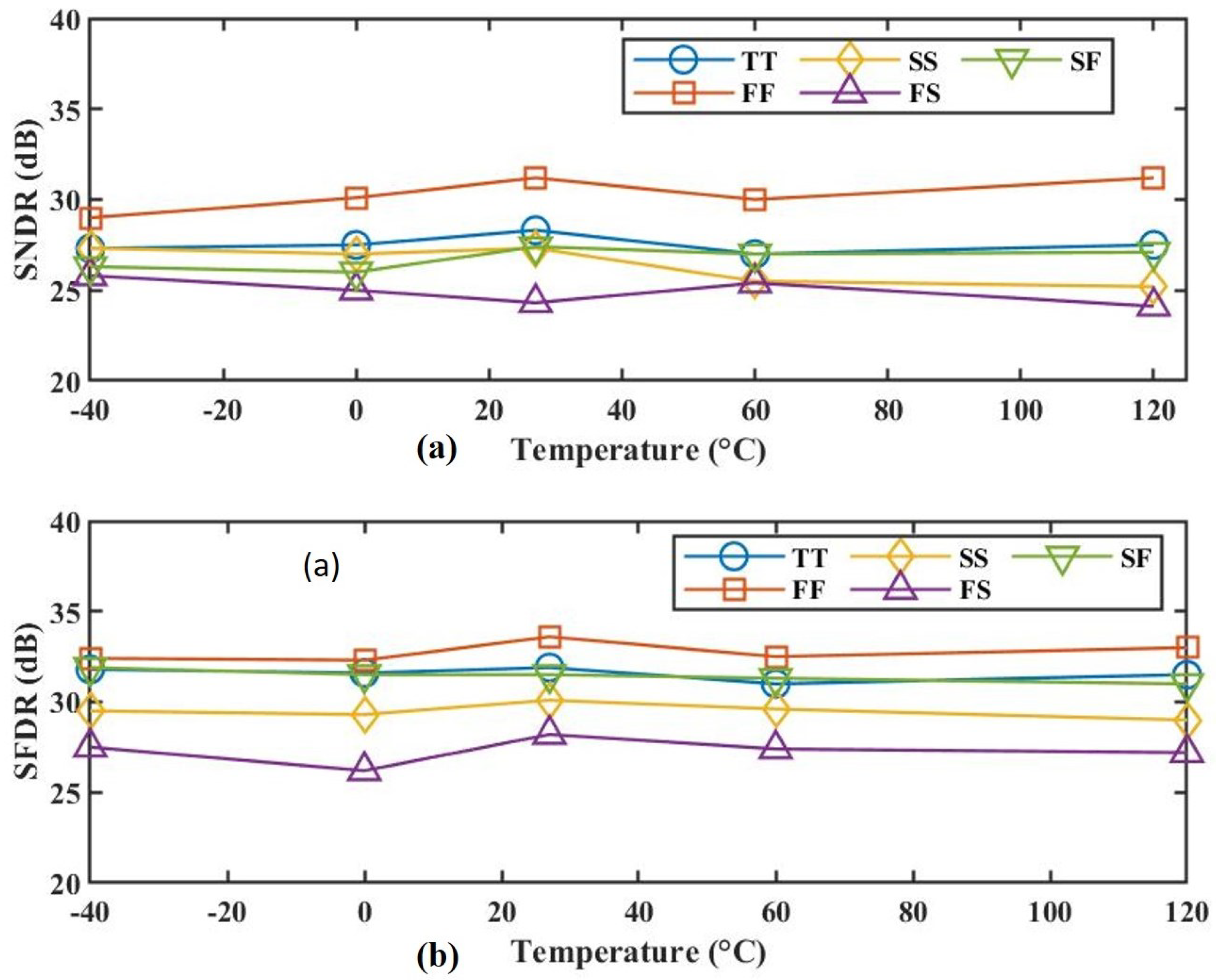
3.1. Corner Anaysis
Corner models can reflect several aspects of NMOS and PMOS variable behavior, such as the fast slow (FS) or slow fast (SF) regions that are needed.
Experiments were carried out at the SS, TT, SF, FS, and FF process corners to evaluate the efficiency of the NMOS and PMOS. Simulations were performed at temperatures ranging from −40 °C to 120 °C for different supply voltages (1.1 V to 1.3 V).
Figure 19a,b depict the SNDR and SFDR with process corner variations. The FF corner has the best performance throughout the temperatures, with peaks at 30–40 °C for both the SNDR and SFDR. The FS corner exhibits the worst performance across all temperatures and varies more with temperature. At high temperatures, most of the corners show slight degradation in performance, whereas optimal performance occurs around room temperature (20–40 °C). TT and SF corners behave quite consistently across the temperature range. Corners FF, SS, and FS show more change with temperature.
Figure 19.
(a) SNDR and (b) SFDR of proposed ADC versus temperatures (T = −40 °C to 120 °C) with process corner variations (TT, SF, FS, SS, FF) after post-layout simulation.
Figure 20a displays power versus temperature, and Figure 20b shows power versus supply voltage. Different process corners reveal distinct power consumption characteristics. The fast-fast (FF) corner demonstrates the highest power consumption. The typical-typical (TT) corner shows moderate power consumption. The slow-slow (SS) corner exhibits significantly lower power consumption. Power consumption demonstrates a strong correlation with supply voltage. As supply voltage increases, power consumption increases across all process corners. The impact of voltage changes is consistent across different process corners, but the absolute power values fluctuate. The two-step ADC consumes approximately 163 W at 0.8 V supply voltage () and 289 W at 0.9 V. The simulation results demonstrated that power dissipation is proportional to the supply voltage.
Figure 20.
Average power of proposed ADC versus (a) temperatures (T = −40 °C to 120 °C) and (b) supply voltage (VDD = 1 V to 1.3 V) with process corner variations (TT, SF, FS, SS, FF) after post-layout simulation.
3.2. Summary and Comparision
Table 1 summarizes the performance of the proposed 5-bit two-step flash ADC architecture. The 16 double-tail dynamic comparators require 99.5 percent of the total power. Other circuit blocks share the remaining power, including the resistive divider network (934.05 nW, 0.22%), the mux-based encoder (702.57 nW, 0.16%), the control circuit (79.143 nW, 0.02%), and the delay circuit (423.66 nW, 0.10%). The total power usage is 439.178 W with = 1.2 V.
Table 1.
Summary of proposed ADC.
Table 2 compares the results of the present approach to those of previous studies. The comparison focused mainly on power usage and design area. The proposed design reduces power consumption by 48.79% compared to [22]. In comparison to previous work, the proposed two-step flash ADC consumes significantly less power overall.
Table 2.
Comparison to flash ADC with reported works.
4. Conclusions
A low-power, 5-bit, two-step flash ADC with control switching technique was presented. The proposed design was implemented in 90 nm CMOS technology, and it occupies an area of 123 × 112 (m × m). The peak differential and integral non-linearities (DNL and INL) were measured to be +0.60/−0.69 LSB and +0.66/−0.40 LSB, respectively. The measured signal-to-noise and distortion ratio (SNDR) for a 1.75 MHz input is 30.31 dB, and the spurious-free dynamic range (SFDR) is 34.40 dB. The total estimated power consumption of the proposed design was 439.178 W for a supply voltage of 1.2 V. The proposed design was able to reduce power consumption by 48.79% when compared to the existing work. The main contribution of this design is improvement in power and area, which can also be employed for low-power IoT applications. The resolution and linearity of the present work will be improved in the future to enhance the overall accuracy of the proposed design.
Author Contributions
Writing—original draft preparation, methodology, software, review and editing, formal analysis, R.G.; conceptualization, R.G. and N.C.; supervision, providing technical support and conceptual advice, N.C. All authors have read and agreed to the published version of the manuscript.
Funding
This research received no external funding.
Data Availability Statement
Data are contained within the article.
Conflicts of Interest
The authors declare no conflicts of interest.
References
- Chaput, S.; Brooks, D.; Wei, G.Y. An area-efficient 8-bit single-ended ADC with extended input voltage range. IEEE Trans. Circuits Syst. II Express Briefs 2017, 65, 1549–1553. [Google Scholar] [CrossRef]
- Kesav, S.; Nayanathara, K.S.; Madhavi, B.K. Design of low power SAR ADC for ECG using 45nm CMOS technology. IEEE Int. J. VLSI Des. Commun. Syst. 2017, 8, 19–29. [Google Scholar] [CrossRef]
- Elmezayen, M.R.; Wu, B.; Ay, S.U. Single-slope look-ahead ramp ADC for CMOS image sensors. IEEE Trans. Circuits Syst. I Regul. Pap. 2020, 67, 4484–4493. [Google Scholar] [CrossRef]
- Zhu, Z.; Liang, Y. A 0.6-V 38-nW 9.4-ENOB 20-kS/s SAR ADC in 0.18 μm CMOS for Medical Implant Devices. IEEE Trans. Circuits Syst. I Regul. Pap. 2015, 62, 2167–2176. [Google Scholar] [CrossRef]
- Bai, W.; Zhu, Z. A 0.5-V 9.3-ENOB 68-nW 10-kS/s SAR ADC in 0.18 μm CMOS for biomedical applications. Microelectron. J. 2017, 59, 40–46. [Google Scholar] [CrossRef]
- Pernillo, J.; Flynn, M.P. A 1.5-GS/s Flash ADC With 57.7-dB SFDR and 6.4-bit ENOB in 90 nm digital CMOS. IEEE Trans. Circuits Syst. II Express Briefs 2011, 58, 837–841. [Google Scholar] [CrossRef]
- Daly, D.C.; Chandrakasan, A.P. A 6-bit, 0.2 V to 0.9 V highly digital flash ADC with comparator redun-dancy. IEEE J. Solid-State Circuits 2009, 44, 3030–3038. [Google Scholar] [CrossRef]
- Wang, J.; Tam, W.S.; Kok, C.W.; Pun, K.P. A 5-bit 500MS/s flash ADC with temperature-compensated inverter-based comparators. Solid State Electron. Lett. 2020, 2, 1–9. [Google Scholar] [CrossRef]
- Razavi, B. The StrongARM latch [a circuit for all seasons]. IEEE Solid-State Circuits Mag. 2015, 7, 12–17. [Google Scholar] [CrossRef]
- Lin, J.; Mano, I.; Miyahara, M.; Matsuzawa, A. Ultralow-voltage high-speed flash ADC design strategy based on FoM-delay product. IEEE Trans. Very Large Scale Integr. (VLSI) Syst. 2014, 23, 1518–1527. [Google Scholar] [CrossRef]
- Hassanpourghadi, M.; Zamani, M.; Sharifkhani, M. A low-power low-offset dynamic comparator for analog to digital converters. Microelectron. J. 2014, 45, 256–262. [Google Scholar] [CrossRef]
- Amirkhan Dehkordi, M.; Dolatshahi, M. An energy-efficient, 6 GS/s dynamic comparator in 90 nm CMOS technology. Analog. Integr. Circuits Signal Process. 2019, 101, 319–330. [Google Scholar] [CrossRef]
- Kumar, C.M.; Bharath, S.; Anusha, K.; Kumar, C.A. Design of a double tail dynamic comparator for low power and high speed applications. Int. J. Sci. Eng. Res. 2016, 7, 270–276. [Google Scholar]
- Chen, S.W.M.; Brodersen, R.W. A 6-bit 600-MS/s 5.3-mW Asynchronous ADC in 0.13 μm CMOS. IEEE J. Solid-State Circuits 2006, 12, 2669–2680. [Google Scholar] [CrossRef]
- Firlej, M.; Fiutowski, T.; Idzik, M.; Moron, J.; Swientek, K. A fast, low-power, 6-bit SAR ADC for readout of strip detectors in the LHCb Upgrade experiment. J. Instrum. 2014, 9, P07006. [Google Scholar] [CrossRef]
- An, E.J.; Oh, D.R. A 0.0012 mm2 6-bit 700 MS/s 1 mW Calibration-Free Pseudo-Loop-Unrolled SAR ADC in 28 nm CMOS. Electronics 2022, 11, 1707. [Google Scholar] [CrossRef]
- Fan, Q.; Chen, J. A 1-GS/s 8-bit 12.01-fJ/conv.-step two-step SAR ADC in 28-nm FDSOI technology. IEEE Solid-State Circuits Lett. 2019, 2, 99–102. [Google Scholar] [CrossRef]
- Huang, H.; Du, L.; Chiu, Y. A 1.2-GS/s 8-bit two-step SAR ADC in 65-nm CMOS with passive residue transfer. IEEE J. Solid-State Circuits 2017, 52, 1551–1562. [Google Scholar] [CrossRef]
- Mayur, S.M.; Siddharth, R.K.; Kumar, Y.N.; Vasantha, M.H. Design of low power 5-bit hybrid flash ADC. In Proceedings of the IEEE Computer Society Annual Symposium on VLSI (ISVLSI), Pittsburgh, PA, USA, 11–13 July 2016; pp. 343–348. [Google Scholar] [CrossRef]
- Verbruggen, B.; Craninckx, J.; Kuijk, M.; Wambacq, P.; Van der Plas, G. A 2.2 mW 1.75 GS/s 5 bit folding flash ADC in 90 nm digital CMOS. IEEE J. Solid-State Circuits 2009, 44, 874–882. [Google Scholar] [CrossRef]
- Kim, J.I.; Kim, W.; Ryu, S.T. A 6-b 4.1-GS/s flash ADC with time-domain latch interpolation in 90-nm CMOS. IEEE J. Solid-State Circuits 2013, 48, 1429–1441. [Google Scholar] [CrossRef]
- Katic, N.; Cojbasic, R.; Schmid, A.; Leblebici, Y. A sub-mW pulse-based 5-bit flash ADC with a time-domain fully-digital reference ladder. Microelectron. J. 2015, 46, 1343–1350. [Google Scholar] [CrossRef]
Disclaimer/Publisher’s Note: The statements, opinions and data contained in all publications are solely those of the individual author(s) and contributor(s) and not of MDPI and/or the editor(s). MDPI and/or the editor(s) disclaim responsibility for any injury to people or property resulting from any ideas, methods, instructions or products referred to in the content. |
© 2024 by the authors. Licensee MDPI, Basel, Switzerland. This article is an open access article distributed under the terms and conditions of the Creative Commons Attribution (CC BY) license (https://creativecommons.org/licenses/by/4.0/).



















