Design and Analysis of the Composite Stability Control of the Reflective Optoelectronic Platform
Abstract
1. Introduction
2. Problem Description
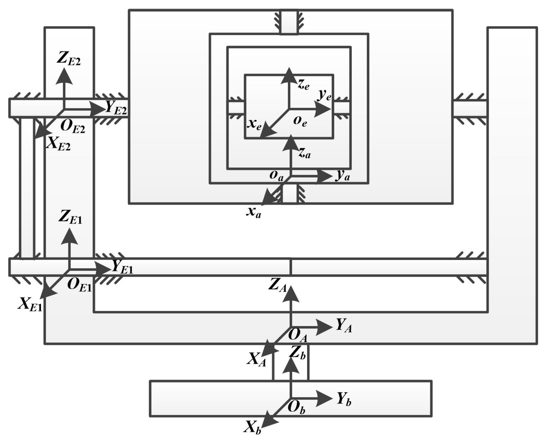
2.1. The Principle Assumption of the LOS Stability
2.2. The Preparation of System Motion
2.3. The Problem Description of the LOS Anti-Disturbance
- Previous research experience suggests that the coarse-stable framework is primarily designed to address low-frequency and high-angle velocity disturbances of the carrier [3,4,10,11]. As a result, the closed-loop control bandwidth typically falls within the range of 20–100 Hz. To achieve inertial stability control of the coarse-stable two axes, a group of two-axis gyroscopes are installed on the coarse-stable driving frame, and the reflector uses the gyroscope measurement as the feedback signal.
- The fine-stable framework is specifically designed to address high-frequency and low-amplitude angle disturbances of the carrier, and therefore, its closed-loop control bandwidth is typically set above 500 Hz [3,4,10,11]. The fast reflector in the fine-stable framework functions as a precision stabilized component and operates under the angular position closed-loop working mode. The bandwidth of the fast reflector is generally set to not less than 500 Hz accordingly, and the angular motion stroke typically does not exceed a few milliradians. Furthermore, the angular position accuracy of the fine-stable framework is generally high, and its closed-loop error can be neglected.
- Real-time angle measurements of each rotation axis are typically obtained through motor feedback values. In this study, the focus is on the transmission error of the mechanism with a 2-to-1 transmission ratio, and thus, the measurement error of each rotation axis angle can be disregarded when compared to this transmission error.
3. Design and Analysis of Composite Stabilization Control System
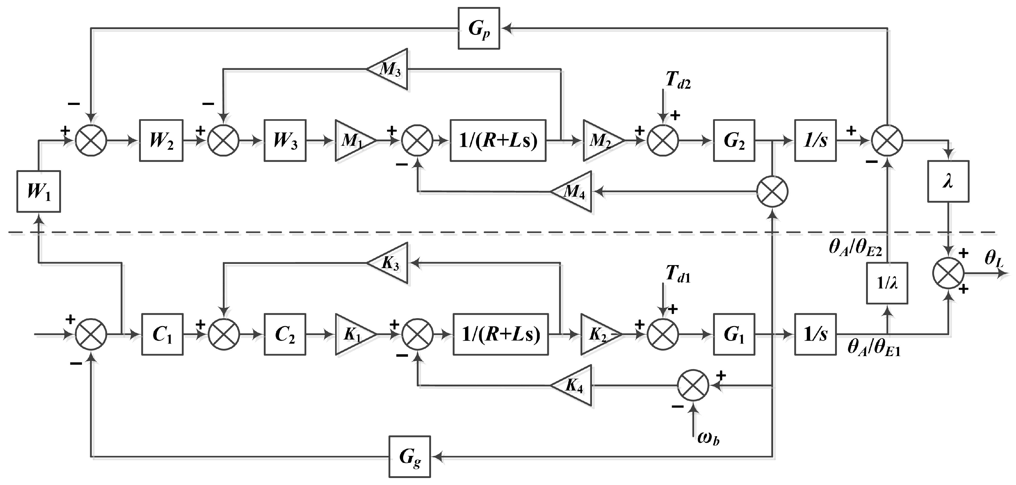
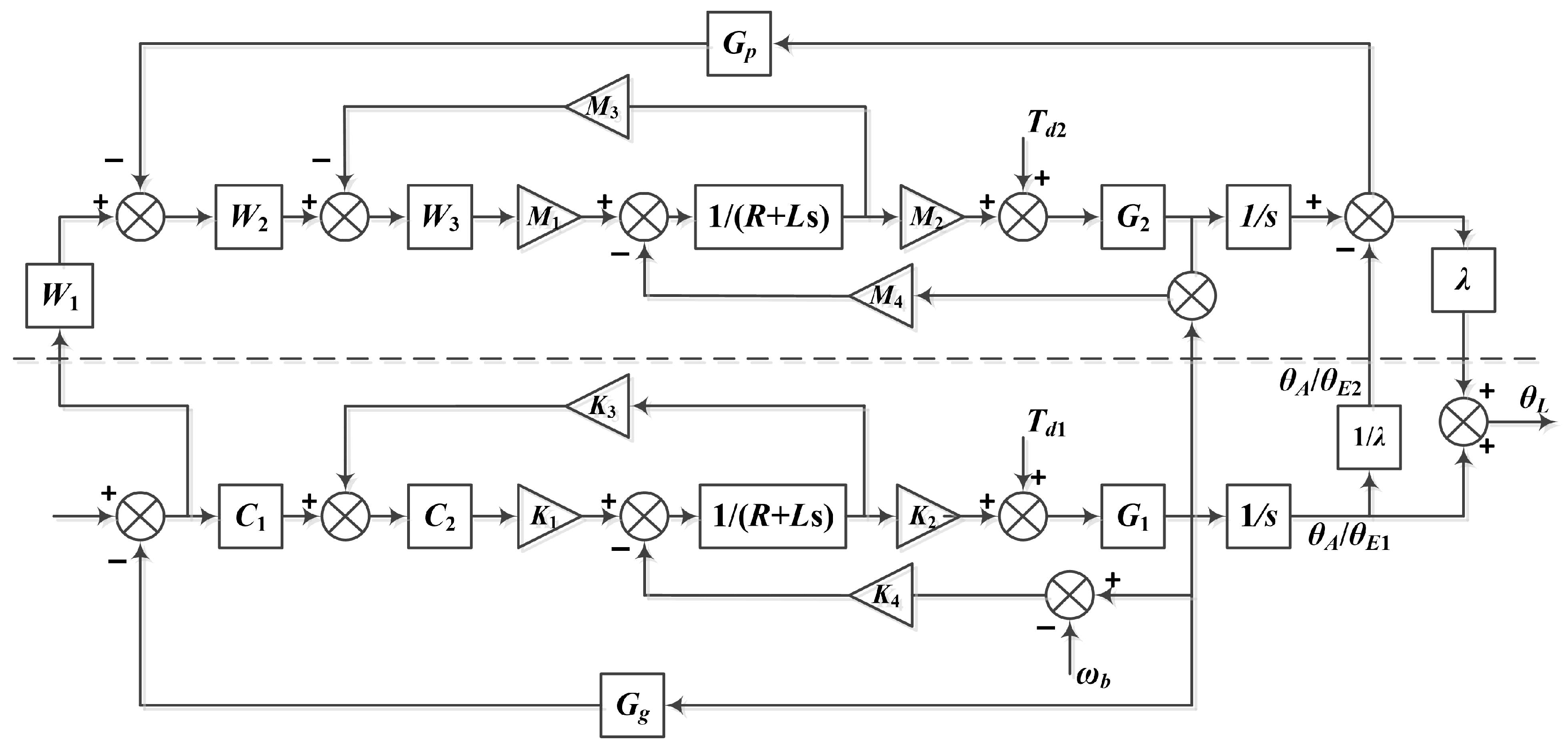
3.1. Control Scheme Design and System Model
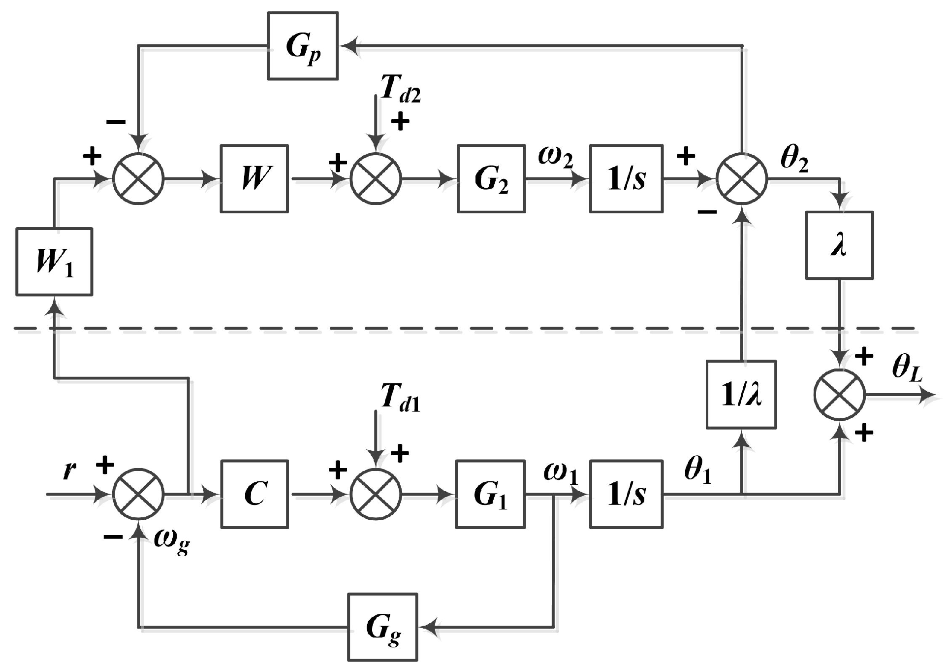
- The coarse-stable channel and the current controller are controlled by and . The driving magnification, torque coefficient, current sampling coefficient, and back electromotive force coefficient are represented by , , , and . The equivalent object of coarse-stable control and the gyro are represented by and .
- The feed-forward correction, fine-stable channel position control, and current controller are controlled by , , and , respectively. The driving magnification, torque coefficient, current sampling coefficient, and back electromotive force coefficient are represented by , , , and , respectively. The equivalent object of fine-stable control is represented by , and the position sensor is represented by .
- The optical coefficient is denoted by , and and represent the disturbance torque of the two channels. The motion of the base is represented by . The dotted line separates the fine stabilization components.
- By using the coarse-stable control error as the input, error compensation control can be carried out through the feed-forward channel to achieve high precision control of the LOS. When the azimuth channel is selected, and are represented by , and when the pitch channel is selected, and are represented.
3.2. The Proof of the Stabilization of Anti-Disturbance of the LOS
- Model simplification
- Transfer function analysis
3.3. The Design Process
- The two-axis fast reflector is developed based on a high bandwidth position closed-loop control system that receives position instructions. Its motion range is five times greater than the coarse-stable zone and covers the maximum angle error of coarse stabilization. The angle control error is less than one tenth of the maximum angle error of the coarse stabilization.
- Two-axis velocity gyros are installed on the active axes of the coarse-stable framework and used as feedback signals to design the two-axis inertial stabilization controller.
- The gyro signals are adjusted using Equation (14) and treated as the position instruction input for the fast reflector.
4. Experiments and Analysis
4.1. The Design of Subsystem and Composite System
- On the far left are the inputs of linear and rotational disturbances, used to simulate the interference of carrier motion.
- The top row is the kinematics analysis of linear disturbances, including the coarse-stable azimuth and pitch frameworks, and the linear kinematics model of fine-stable azimuth and pitch frameworks.
- Below the kinematics analysis of linear disturbances is the kinematics analysis of rotation disturbances, including the coarse-stable azimuth framework, coarse-stable pitch driving framework and coarse-stable pitch driven framework, as well as the rotation motion model of fine-stable azimuth and pitch frameworks, corresponding to Equations (1) and (2).
- Other boxes represent the dynamic model analysis module, mainly the private server motor model used in the system, which is consistent with the dynamic analysis shown in Figure 8.
- The middle part of Figure 11 shows the mechanism implementation module with a transmission ratio of 2-to-1, and the rotational error is set to based on experience.
4.2. The Anti-Disturbance Comparison Experiment
4.2.1. The Comparative Experiment of Fixed-Frequency Angular Velocity Disturbance
4.2.2. The Comparative Experiment of Translational Disturbance with Traditional Reflector Stabilization
4.2.3. Comparative Analysis of Translational Disturbance against Existing Methods
5. Conclusions
6. Limitation and Future Work
Author Contributions
Funding
Institutional Review Board Statement
Informed Consent Statement
Data Availability Statement
Acknowledgments
Conflicts of Interest
Sample Availability
Abbreviations
| LOS | Line of sight |
| OSP | Optoelectronic stability platform |
| A | Coordinate system of the coarse-stable azimuth framework |
| Coordinate system of the coarse-stable pitch driving framework | |
| Coordinate system of the coarse-stable pitch driven framework | |
| a | Coordinate system of the fine-stable azimuth framework |
| e | Coordinate system of the fine-stable pitch |
| Optical multiple | |
| Coordinate system of the coarse-stable pitch driving framework | |
| Angular velocity vector of the coarse-stable azimuth framework | |
| Angular velocity vector of the coarse-stable pitch driving framework | |
| Angular velocity vector of the coarse-stable pitch driven framework | |
| Angular velocity vector of the LOS azimuth | |
| Angular velocity vector of the LOS pitch framework | |
| Realtime azimuth and pitch angular velocities of the fine-stable | |
| Driving, driven velocities and transmission error of the coarse-stable | |
| Disturbance torques of the coarse loop and the fine loop | |
| Stabilization control of the coarse channel and the current controller | |
| Driving magnification, torque, current and electromotive | |
| Control objects of coarse stabilization, precision, gyro, and precision | |
| Feed-forward, stable position control and current controller | |
| Driving magnification, torque, current and electromotive | |
| Motion of the upper base | |
| T | Total sampling time |
References
- Hilkert, J.M. Inertially stabilized platform technology Concepts and principles. IEEE Control Syst. 2008, 28, 26–46. [Google Scholar]
- Keller, J. Raytheon to improve resolution of UAV electro-optical sensor payload in Air Force contract. Mil. Aerosp. Electron. 2012, 23, 31. [Google Scholar]
- Liu, S.; Sun, C.L. Research on stabilizing and tracking control system of tracking and sighting pod. J. Control Theory Appl. 2012, 10, 107–112. [Google Scholar] [CrossRef]
- Yang, G.; Wang, H.; Zhou, T.; Peng, X.; Liu, P.; Shang, J. Control Technology of High-precision Photoelectric Servo Stabilization Platforms. Ordnance Ind. Autom. 2021, 40, 4. [Google Scholar]
- Wang, F.; Wang, R.; Liu, E.; Zhang, W. Stabilization Control Mothed for Two-Axis Inertially Stabilized Platform Based on Active Disturbance Rejection Control With Noise Reduction Disturbance Observer. IEEE Access 2019, 7, 99521–99529. [Google Scholar] [CrossRef]
- Ahi, B.; Nobakhti, A. Hardware Implementation of an ADRC Controller on a Gimbal Mechanism. IEEE Trans. Control Syst. Technol. A Publ. IEEE Control Syst. Soc. 2018, 26, 2268–2275. [Google Scholar] [CrossRef]
- Moorty, J.K.; Marathe, R.; Sule’, V.R. H control law for line-of-sight stabilization for mobile land vehicles. Opt. Eng. 2002, 41, 2935–2944. [Google Scholar]
- Wang, L.; Liu, X.; Wang, C. Disturbance frequency adaptive control for photo-electric stabilized platform based on improving extended state observation. Opt.—Int. J. Light Electron Opt. 2019, 187, 198–204. [Google Scholar] [CrossRef]
- Zhou, X.; Zhou, J.; Zhao, B.; Li, J. Extended state observer/proportion integration differentiation compound control based on dynamic modelling for an aerial inertially stabilized platform. Int. J. Adv. Robot. Syst. 2017, 14, 6. [Google Scholar] [CrossRef]
- Zhou, X.; Jia, Y.; Zhao, Q.; Yu, R. Experimental Validation of a Compound Control Scheme for a Two-Axis Inertially Stabilized Platform with Multi-Sensors in an Unmanned Helicopter-Based Airborne Power Line Inspection System. Sensors 2016, 16, 366. [Google Scholar] [CrossRef]
- Xu, F.; Liu, S.; Yin, M.; Ji, M. Performance comparison and analysis of coarse and fine combined stabilization control system based on mirror compensation. Appl. Opt. 2013, 34, 15–20. [Google Scholar]
- Zhou, X.; Shi, Y.; Li, L.; Yu, R.; Zhao, L. A High Precision Compound Control Scheme Based on Non-singular Terminal Sliding Mode and Extended State Observer for an Aerial Inertially Stabilized Platform. Int. J. Control Autom. Syst. 2020, 18, 1498–1509. [Google Scholar] [CrossRef]
- Li, H.; Peng, F.; Jiang, K.; Chi, S.; Hu, L. Stabilization platform of complex axes embedded into optical path for optics-electricity system with upside mirror. Appl. Opt. 2019, 10, 2224–2232. [Google Scholar]
- Li, H.; Ji, M.; Shou, S.; Peng, F.; Li, L. Complex axes stabilization theory of optics-electricity system with upside mirror. Infrared Laser Eng. 2016, 45, 731001–0731002. [Google Scholar]
- Sui, S.; Zhao, T. Active disturbance rejection control for optoelectronic stabilized platform based on adaptive fuzzy sliding mode control. ISA Trans. 2021, 125, 85–98. [Google Scholar] [CrossRef]
- Gao, P.; Su, X.; Zhang, W. Active disturbance rejection control for optoelectronic stabilized platform based on model-assisted double extended state observers. Assem. Autom. 2022, 42, 694–703. [Google Scholar] [CrossRef]
- Shi, Q.; Wang, H.; Cheng, H.; Wang, M.; Cheng, F.; Liu, F. Fuzzy disturbance observer-based modified variable gains super-twisting sliding mode composite control for a two-axis airborne optoelectronic stabilized platform. Optik 2021, 228, 166132. [Google Scholar] [CrossRef]
- Hu, X.; Han, S.; Liu, Y.; Wang, H. Two-Axis Optoelectronic Stabilized Platform Based on Active Disturbance Rejection Controller with LuGre Friction Model. Electronics 2023, 12, 1261. [Google Scholar] [CrossRef]
- Zhang, M.; Guan, Y.; Li, C.; Luo, S.; Li, Q. Backstepping control for the optoelectronic stabilized platform based on adaptive fuzzy logic system and nonlinear disturbance observer. Nonlinear Dyn. 2023, 111, 8347–8368. [Google Scholar] [CrossRef]
- Lan, L.; Jiang, W.; Hua, F. Research on the Line of Sight Stabilization Control Technology of Optronic Mast under High Oceanic Condition and Big Swaying Movement of Platform. Sensors 2023, 23, 3182. [Google Scholar] [CrossRef]
- Lv, H.; Jin, G.; Liu, L. Research on Servo control Strategy of photoelectric tracking Turntable. Laser Infrared 2018, 48, 6. [Google Scholar]
- Li, H.; Wang, C.; Xu, Z.; Wang, M. Real-time simulation of analog training digital tracking turntable for photoelectric equipment. Laser Infrared 2020, 50, 6. [Google Scholar]
- Guo, L.; Liu, L.; Zhu, H. Research on tracking method of optimized adaptive Kalman filter. J. China Acad. Electron. Inf. Technol. 2019, 14, 929–934. [Google Scholar]
- Mu, W.; Zhang, B.; Wang, X.; Zhu, Y.; Wang, Q.; Wang, R. High speed target tracking control algorithm for optoelectric tracker. Laser Infrared 2020, 50, 7. [Google Scholar]
- He, K.; Hong, H.; Jiang, G.; Gu, H. Analysis of Assembly Error Effect on Stability Accuracy of Unmanned Aerial Vehicle Photoelectric Detection System. Appl. Sci. 2020, 10, 2311. [Google Scholar] [CrossRef]
- Hong, H.; He, K.; Gan, Z.; Jiang, G. Stability Precision Error Correction of Photoelectric Detection by Unmanned Aerial Vehicle. J. Sens. 2021, 2021, 5564448. [Google Scholar] [CrossRef]

















| Error Range (rad) | Proposed Method | ZPETC | XPC | OAK | HT | LA | BS | RS | |
|---|---|---|---|---|---|---|---|---|---|
| Azimuth | No.1 | 0.056 | 3.854 | 1.983 | 7.342 | 102.5 | 0.632 | 0.029 | 0.285 |
| No.2 | 0.045 | 3.743 | 2.345 | 7.034 | 100.3 | 0.621 | 0.031 | 0.265 | |
| No.3 | 0.043 | 3.767 | 2.123 | 6.874 | 96.3 | 0.547 | 0.032 | 0.279 | |
| No.4 | 0.047 | 3.967 | 2.324 | 6.987 | 99.2 | 0.587 | 0.025 | 0.269 | |
| No.5 | 0.049 | 4.139 | 1.885 | 6.663 | 103.7 | 0.683 | 0.023 | 0.279 | |
| avg | 0.048 | 3.874 | 2.132 | 6.980 | 100.4 | 0.614 | 0.028 | 0.279 | |
| Pitch | No.1 | 0.054 | 3.564 | 2.234 | 3.322 | 135.3 | 0.643 | 0.065 | 0.348 |
| No.2 | 0.053 | 3.521 | 2.145 | 3.435 | 136.3 | 0.623 | 0.066 | 0.356 | |
| No.3 | 0.047 | 3.323 | 2.023 | 3.021 | 132.5 | 0.598 | 0.062 | 0.358 | |
| No.4 | 0.045 | 3.412 | 1.987 | 3.123 | 132.8 | 0.599 | 0.061 | 0.338 | |
| No.5 | 0.041 | 3.505 | 2.271 | 3.269 | 134.1 | 0.607 | 0.061 | 0.345 | |
| avg | 0.048 | 3.465 | 2.132 | 3.234 | 134.2 | 0.614 | 0.063 | 0.349 | |
Disclaimer/Publisher’s Note: The statements, opinions and data contained in all publications are solely those of the individual author(s) and contributor(s) and not of MDPI and/or the editor(s). MDPI and/or the editor(s) disclaim responsibility for any injury to people or property resulting from any ideas, methods, instructions or products referred to in the content. |
© 2023 by the authors. Licensee MDPI, Basel, Switzerland. This article is an open access article distributed under the terms and conditions of the Creative Commons Attribution (CC BY) license (https://creativecommons.org/licenses/by/4.0/).
Share and Cite
He, K.; Huang, J.; Hong, H.; Yan, X. Design and Analysis of the Composite Stability Control of the Reflective Optoelectronic Platform. Appl. Sci. 2023, 13, 6064. https://doi.org/10.3390/app13106064
He K, Huang J, Hong H, Yan X. Design and Analysis of the Composite Stability Control of the Reflective Optoelectronic Platform. Applied Sciences. 2023; 13(10):6064. https://doi.org/10.3390/app13106064
Chicago/Turabian StyleHe, Keyan, Junxun Huang, Huajie Hong, and Xiangda Yan. 2023. "Design and Analysis of the Composite Stability Control of the Reflective Optoelectronic Platform" Applied Sciences 13, no. 10: 6064. https://doi.org/10.3390/app13106064
APA StyleHe, K., Huang, J., Hong, H., & Yan, X. (2023). Design and Analysis of the Composite Stability Control of the Reflective Optoelectronic Platform. Applied Sciences, 13(10), 6064. https://doi.org/10.3390/app13106064

